28tex纯棉纱直贡的织造工艺设计大学论文
- 格式:doc
- 大小:795.50 KB
- 文档页数:29
盐城纺织职业技术学院2015届毕业论文(设计)题目60S纯棉府绸的工艺设计专业现代纺织技术(丝绸专业)学号姓名指导老师交稿日期摘要近年来,随着人们生活水平的不断提高,以及纺纱、织造技术的不断进步,髙支纱线及其织物都得到了很大发展,产品质量也有了极大提高。
特别是府绸织物具有布面挺括、美观、轻薄柔软、平挺爽滑、立体感强、飘逸透凉性能。
府绸织物可根据花型构思,充分运用不同色彩,通过风格迥异纱线交织,增加了织物的华丽和美感。
故深得人们喜爱,具有广阔的市场发展前景和开发价值。
本文主要对府绸的设计,充分探讨和分析了髙支纯棉府绸织物在织造过程中其络筒工序、整经工序、浆纱工序、穿经工序、织造工序以及后整理加工工序的各项工艺参数的设计。
本文针对60支纯棉府绸织物在生产过程中各工序设计做了具体设计,希望能对实际生产起到一定的指导作用。
关键词:髙支纯棉;府绸;工艺设计AbstractIn recent years, with the continuous improvement of people's living standard, as well as spinning weaving technology continues to progress, Gao yarns and fabrics have been great development, product quality has also been greatly enhanced. Due to high count cotton poplin fabric with a soft thin silk fabric, flat-ting Smoothness, elegant and thoroughly cool performance. Therefore, won the people's favorite, has broad market prospects and development value.This paper mainly high count cotton poplin fabric technology design process, full discussion and analysis branch of Gao cotton poplin fabric weaving process of the whole process of its winding process by the process to wear Sizing weaving through the process, as well as finishing processes processes The process parameters design ideas and rationale.In this paper, 60cotton poplin fabrics in the production process design of each process have done a specific design, hoping to play a practical role in guiding the production.Key words: gao branch cotton; poplin; development; process designWritten by:Ma QiSupervised by:Cheng You Gang目录第一章规格设计与工艺流程 (1)1.1规格设计 (1)1.1.1总经根数 (1)1.1.2 织物紧度 (2)1.1.3筘号计算 (2)1.1.4穿筘幅宽计算 (3)1.1.5百米用纱量 (3)1.1.6一平方米干重 (4)1.1.7筘幅计算 (4)1.2工艺流程 (5)第二章原料的选配 (6)2.1棉纱的选择 (6)2.2条干均匀度 (6)2.3捻向 (6)2.4捻系数和捻度 (7)第三章络筒工艺设计 (8)3.1络筒的目的和要求 (8)3.1.1络筒目的 (8)3.1.2络筒要求 (8)3.2设备选择 (9)3.3清纱器的形式、或电清的清纱设定 (9)3.4.接头的形式 (10)3.5络筒计算 (10)3.6具体工艺配备 (11)第四章整经工艺设计 (13)4.1整经的工艺要求 (13)4.2设备选择 (13)4.3整经轴数与每轴经纱数 (14)4.4工艺配置 (15)4.4.1 张力垫圈重量及分布 (15)4.4.2 伸缩筘的穿法 (15)4.4.3整经接头规格 (15)4.4.4产质量管理 (15)第五章浆纱工艺设计 (17)5.1浆纱的目的和要求 (17)5.1.1浆纱目的 (17)5.1.2浆纱的要求 (17)5.2浆纱机型配备 (18)5.3浆料的选择及浆料配方的确定 (19)5.4工艺设计中注意的问题 (20)5.5上浆率和回潮率的确定 (20)5.6上浆量的计算 (20)5.7调浆操作程序 (21)5.8浆轴卷绕密度与回潮率 (21)5.9浆纱上浆率 (21)5.10浆纱质量分析与控制 (21)第六章穿经工艺设计 (23)6.1穿经要求和方法 (23)6.2.设备选型 (23)6.3具体工艺配备 (23)6.3.1.综框页数、综丝规格 (23)6.3.2工艺配置 (24)6.4织物上机图 (24)第七章织造工艺设计 (25)7.1织造工艺要求 (25)7.2.设备选型 (25)7.3.具体工艺配备 (25)7.4.工艺设计中注意的问题 (26)7.5生产质量管理 (26)第八章整理工艺设计 (27)结论 (28)参考文献 (29)致谢 (30)第一章 规格设计与工艺流程1.1规格设计1.1.1总经根数)边经纱每筘的入数地经纱每筘的入数(边经纱根数标准宽度经密-⨯+⨯=110Mz)(32112010160472-⨯+⨯==7592 (根)1.1.2 织物紧度Ej =0.037×P j ×Ntj=0.037×472×10 =55.23% Ew =0.037×P w ×Ntw =0.037×236×10 =27.61%E 总 =经向紧度+纬向紧度-经向紧度×纬向紧度/100=55.23%+27.61%-55.23%×27.61%/100 =82.69%式中: Ej-----经向紧度Ew-----纬向紧度 Pj-----经纱密度 Pw-----纬纱密度 Ntj-----经纱特数 Ntw-----纬纱特数 E 总-----织物总紧度1.1.3筘号计算)1(w dj k a b P N -⨯=%)81(2472-⨯=)10/(217cm 齿=1.1.4穿筘幅宽计算穿筘幅宽=aw-1坯布幅宽=%81160- =173.9 cm1.1.5百米用纱量百米经用纱=回丝率)(伸长率)(经缩率)(加放率)(纱线特数总经根数-⨯+⨯-⨯⨯+⨯⨯1111000101=)()()()(%8.01%2.11%111100010%9.01107592-⨯+⨯-⨯⨯+⨯⨯=9.24kg 百米纬用纱=回丝率)(纬纱缩率)(加放率)(布幅纬密纱线特数-⨯-⨯⨯+⨯⨯⨯1110001001=)()(%21%)81(1000100%9.0116023610--⨯⨯+⨯⨯⨯= 4.23 kg百米织物用纱 =百米纬用纱量+百米经用纱量 =4.23+9.24 =13.47kg回丝率:在正常生产时,回丝的数量很小,只有在管理不善和工人没按工作法操作时才会有较多的回丝量。
1000头气流纺5万锭1152台布机棉纺织联合工厂设计摘要根据给定的任务书设计一个拥有五万锭细纱,1000头气流纺、1152台有梭织机的棉纺织联合厂,产品方案如下:1. 114.3×267.5×236×19.5×19.5 纯棉细平布20%2. 114.3×523.5×283×14.5×14.5JT/C(65/35) 涤/棉府绸30%3. 114.3×283×248×28×28 哔叽20%4. 114.3×283×283×27.8×27.8 细平布30%5. 1000头气流纺售纱:58tex OE纱,余锭本毕业设计为模拟设计一个棉纺织联合工厂,包括工艺流程选择、设备选型与配备、车间布置与机器排列等,还介绍了原料选择、厂址选择、厂区总平面布置、输浆管路设计和除尘设备等。
通过完成本设计,可以使我们综合所学的基本理论、专业基础课和专业课的知识和技能,分析和解决本专业范围内的工程问题,对培养我们独立思考和科学的工作方法渡具有重要的意义。
设计内容有工作图纸和产品,设计要点如下:厂址和地理位置的设计本设计的厂址位于池州市,按照环境和经济条件,车间的布置和机器排列如图1。
工艺设计按照教学计划中的产品方案,选择了相应的工艺和进行相应的机器数量计算。
车间布置和机器排列在保证产品生产和运输的基础上,生产车间分成了不同的部分,机器排列如图2。
其它设计包括车间结构,柱网参数,空调,除尘,用电和劳动定员等。
图纸(1)车间机器排列图(2)厂区总平面布置(3)织机地脚图关键词:工艺流程;设备选型;车间布置;机器排列The design of Cotton textile mill with 50,000 spindles 、1000 spinning airstream 、1152 shuttle loomAbstrac tAccording to the task given by Teacher Yan Lin, I will design a cotton textile mill which contains :50 thousand Spain-yarns,1000 spinning airstream ,1152shuttle looms. The products are as follows:(1)114.3×267.5×236×19.5×19.5cotton fine plain 20%(2)114.3×523.5×283×14.5×14.5JT/C(65/35)T/C poplin30% (3)114.3×283×248×28×28 Serge 20% (4)114.3×283×283×27.8×27.8fine plain 30% (5)spinning airstream 1000Sell the remain yarnsThis graduation project is to design a cotton mill, which includs process selection, equipment selection and equipment ,plant layout and machinery arrangement and so on, but also introduce the selection of raw material , site selection, general layout of the factory, transport slurry pipeline design and dust transport equipment etc. After accomplish the project,we can integrate the basic theories,ramp up courses and its knowledge or skills,analyse and solve the technical matters about the speciality,which develops our capacity for independent thinking and scientific working methods. The contents of the work of design include drawings and product, the design features are as follows:The selected of the mill site and the general layout.:Our planned mill is located in ChiZhou City, AnHui Procvince. In accordance with the environmental and economic conditions, the plant layout is shown in Figure 2.The technical designing:According to the scheme of products in the teaching programs, we select the products and collate the machines in all protests.The arrangement of workshop and machines:Ensuring the production and transport infrastructure, the production workshop is divided into different parts, the arrangement of machines are shown in Figure 1.The other designing:The other designing inclues the type of workshop structure ,post network parameters, dust, electricity and labor quantity and so on.The drawing:No1: the drawing of machinery arrangement in the workshopNo2: the general layoutNo3: the foot map of warring loomKeywords: process selection;equipment selection; plant layout ; machinery arrangement目录引言 (1)第1章绪论 (2)第2章产品方案和原料选配 (4)2.1确定产品方案的因素 (4)2.2原棉选配 (6)第3章工艺设计和机器配备计算 (7)3.1计算平均特数和余锭数 (12)3.2每米织物经纬纱用量 .................................................................. 错误!未定义书签。
纯棉面料的产品开发与工艺设计一、产品开发的必要性因金融危机波及到各行各业,尤其是对纺织行业影响严重,全国纺织行业破产不计其数。
要想在此大环境生存下去,必须走高端精品路线,加大新产品开发力度,以不断满足并超越客户的需求。
以人为本,开发出符合人性化的产品,占领产品市场份额,利用危机中创造机会,通过不断探索新产品工艺,达到不同产品布面风格,为生产精品打下坚实的基础。
纺织行业与季节紧密相联,一般春季主要是中粗厚产品为主,如卡其;夏季主要以稀薄织物为主,如平布、府绸等,主要高支、高密品种为主,秋季主要以竹节布为主,目前竹节布特别受到年轻人的青睐,竹节布可以用来做休闲服装;冬季主要以厚重织物为主,首先要保暖,其次是美观,如双层布、麻类织物,08年冬,麻类服装非常流行,通过将麻织物表层涂层,用于做外套,服装挺阔,产品较受市场青睐。
二、来样分析处理2.1.取样纺织企业为了降低生产风险,一般都是先接订单,然后再按来样,进行试织打样,得到客户认可后,才真正大批量的生产,这样既保证了客户的利益又降低了企业生产风险,为了能做到与客户需求的产品一致,首先就要对来样做到正确、快速的分析,将分析后得到产品规格与价格与客户商讨后得以确认,才能投入生产。
怎样保证对来样正确分析呢?织物分析是对来样的经纬纱原料、线密度、并合根数、捻度捻向、经纬色纱排列、织物组织结构、经纬密度、幅宽、织物重量等诸多内容进行分析与判别,计算与推测。
对于来样,看情况决定取样分析,如果样布很小,不足5cm×5cm,也能分析,但是我们会建议客户重新寄大样布,保证准确性;因为织机下机后,在织物中因经、纬纱张力的平衡作用,使幅宽和长度都略有变化。
这种变化就造成织物边部与中部、织物首末两端的密度存在着差异。
另外,在染整过程中,织物各部位的变形也各有所不同,所以来样的大小及在大样中占的位置,对数据的准确性有很大的影响,一般情况下,样品到布边的距离不少于5cm,离两端的距离在棉织物上不少于1.5-3cm。
30tex纯棉普梳针织用纱纺纱工艺设计纺纱工艺是纺织品生产中的重要环节,它直接影响到纱线的质量和性能。
30tex纯棉普梳针织用纱是一种常用的纱线,它具有柔软、透气、吸湿、舒适等特点,广泛应用于针织品的生产中。
本文将介绍30tex纯棉普梳针织用纱的纺纱工艺设计。
一、纱线的选择30tex纯棉普梳针织用纱的纺纱工艺设计首先要选择合适的纱线。
纱线的选择应根据产品的要求和工艺特点来确定。
30tex纯棉普梳针织用纱的纱线应选用优质的棉花为原料,经过普梳工艺处理后,纱线的质量和性能更加稳定。
同时,纱线的细度应根据产品的要求来确定,一般在30tex左右。
二、纺纱工艺流程30tex纯棉普梳针织用纱的纺纱工艺流程包括开松、清洗、梳棉、精梳、牵伸、捻合等环节。
1. 开松开松是将棉花进行初步处理的环节,目的是使棉花变得松软,易于后续的加工处理。
开松的方法有多种,如手工开松、机械开松等。
在30tex纯棉普梳针织用纱的纺纱工艺中,一般采用机械开松的方法,可以提高生产效率和纱线的质量。
2. 清洗清洗是将棉花中的杂质和污渍去除的环节,目的是保证纱线的质量和卫生。
清洗的方法有多种,如水洗、气流清洗等。
在30tex纯棉普梳针织用纱的纺纱工艺中,一般采用水洗的方法,可以彻底清洗棉花中的杂质和污渍。
3. 梳棉梳棉是将棉花进行细化处理的环节,目的是使棉花的纤维更加细长、平整,便于后续的加工处理。
梳棉的方法有多种,如手工梳棉、机械梳棉等。
在30tex纯棉普梳针织用纱的纺纱工艺中,一般采用机械梳棉的方法,可以提高生产效率和纱线的质量。
4. 精梳精梳是将梳棉后的棉花进行进一步处理的环节,目的是使棉花的纤维更加细长、平整,提高纱线的质量和性能。
精梳的方法有多种,如手工精梳、机械精梳等。
在30tex纯棉普梳针织用纱的纺纱工艺中,一般采用机械精梳的方法,可以提高生产效率和纱线的质量。
5. 牵伸牵伸是将精梳后的棉花进行拉伸处理的环节,目的是使纱线的强度和延伸性更好。
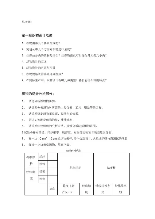
思考题:第一章织物设计概述1. 织物由哪几个要素构成的?2. 简述从哪几个方面对织物进行量度?3. 丝织品分类的依据是什么?丝织物据此可以分为几大类几小类?4. 织物设计的定义5. 织物设计的内容与步骤6. 织物规格表由哪几部分组成?7. 在实际生产中,织物设计有哪几种类型?各自有什么样的特点?织物的综合分析部分:1、试述分析织物的步骤。
2、试说明分析织物时所需的主要仪器、工具、用品等的名称。
3、试说明确定织物正反面、经纬向的依据。
4、简述如何测定织物的经、纬纱缩率。
5、试说明织物组织的分析方法,拆纱分析法适用的范围。
6试验小样布的经、纬纱缩率、线密度、布重等实验项目误差原因分析。
7、有一块10 cm^ 10 cm的织物来样,需作仿造设计,试简述步骤与需测试的项目8、分析一小块条格织物,填充下表。
织物分析表第二章机织物设计原理I. 试分别说明织物、织物组织、织物几何结构、织物几何结构相的含义。
2•织物中纱线的变形程度用什么指标进行描述?通常受哪些因素的影响?3. 织物中纱线的屈曲波高指什么?一般织物中经纬纱屈曲波高之和约为多少?4. 经支持面织物?纬支持面织物?经纬同支持面织物?它们各自的几何结构参数是多少?并各举一个实例。
5. 列出一般织物的厚度范围。
6. 目前,通常将织物的几何结构相划分为21个,请问是如何化分的?7. 分别说明第1、第11、第21结构相织物中经纬纱的屈曲形态。
8. 什么是紧密结构织物?构成紧密结构织物的条件是什么?9. 织物紧度的大小由什么决定?列出经向紧度;j、纬向紧度、的计算公式试计算织物21 X 19.5 X 275.5 X 267.5 X 30X 137的织物紧度。
10. 平纹组织织物等支持面的紧密结构紧度为多少?II. 三枚斜纹织物、四枚斜纹织物等支持面时的紧密结构紧度分别为多少?12. 五枚缎纹织物、八枚缎纹织物等支持面时的紧密结构紧度分别是多少?13、试比较平纹、2/1斜纹、五枚缎纹的平均浮长。
纺织工程毕业设计论文摘要本篇毕业设计论文旨在研究纺织工程领域中的关键问题,并提出解决方案。
通过对纺织制造过程中的各个环节进行深入分析与研究,以提高生产效率、优化生产质量为目标,为纺织工程领域的发展做出贡献。
导言纺织工程作为一门高度技术化与自动化的学科,对传统的纺织制造方式进行改革与创新具有重要意义。
随着科技的不断进步,纺织工程领域面临许多挑战与机遇。
本篇论文将重点关注纺织制造过程中的几个关键环节,包括纤维选择、纺纱、织造和后处理等,旨在通过技术手段提高生产效率、优化生产质量,推动纺织工程领域的发展。
1. 纤维选择纤维是纺织制品的基础,其品质对于最终产品的质量至关重要。
本节将研究不同纤维材料的特性以及如何选择合适的纤维材料。
我们将针对不同种类的纤维材料进行分析,包括天然纤维和合成纤维,并结合产品需求和工艺要求提出纤维选择的建议。
2. 纺纱技术纺纱是将纤维材料加工成纱线的过程,直接影响到后续织造和整理工序的质量。
本节将研究常见的纺纱技术,包括纺纱机的选择与调整、纺纱质量控制等方面。
通过对纺纱技术的研究,我们可以提高纱线的质量和生产效率,从而减少纺织制造过程中的浪费和损耗。
3. 织造工艺织造是将纱线编织成织物的过程,是整个纺织制造过程中最为关键的环节之一。
本节将研究织造工艺中的关键问题,包括织机选择和调整、织物质量控制等方面。
通过对织造工艺的优化,我们可以提高织物的质量,减少次品率,降低生产成本。
4. 后处理技术后处理是将织造完成的织物进行一系列加工和整理的过程,最终使其具有特定的功能和外观效果。
本节将研究常见的后处理技术,如染色、印花、整理等。
通过对后处理技术的研究,我们可以提高织物的附加值,满足市场需求,提升产品竞争力。
结论本篇毕业设计论文对纺织工程领域中的关键问题进行了深入研究,并提出了相应的解决方案。
通过对纤维选择、纺纱、织造和后处理等环节的优化,可以提高生产效率、优化生产质量,推动纺织工程领域的发展。
盐城纺织职业技术学院2015届毕业设计(论文)题目小提花纯棉薄型面料设计专业现代纺织技术学号姓名指导老师交稿日期小提花纯棉薄型面料设计摘要摘要纺织品是我们生活中不可缺少的用品,随着生活水平的提高,人们对面料的要求更侧重于舒适、环保、回归自然。
因此,棉型薄织物又重新站到了纺织品的领导位置,小提花纯棉薄型织物凭借其轻薄滑爽、光洁细腻、舒适性好,立体感强的特性近年来备受纺织行业的关注。
本课题主要介绍了该织物的规格、组织、工艺流程、织造前的工艺设计和主要上机工艺参数。
并介绍了如何在各工序的生产过程中合理选择适当的工艺参数,详细论述了在生产中各工序的技术关键以及各工序中应当采取的相关措施。
同时突出了该产品在工艺设计、络筒工艺、整经工艺、浆纱工艺及织造等方面的技术要点。
关键词:小提花;薄型织物;设计;Small jacquard fabrics of cotton thin design AbstractAbstractTextile is our essential to life supplies, as standard of living rise, people of fabric request more focused on the comfortable, environmental protection, and return to nature. Therefore, cotton thin fabric type again stand to textiles leadership position, small jacquard fabrics with its frivolous cotton thin elegent care.speedy comfort is exquisite, good, stereo sense is strong in recent years has the characteristics of textile industry attention。
C29.2tex机织用经纱粗纱工艺设计29.2tex 机织用经纱粗纱工艺设计1. 分析粗纱机技术性能TJFA458A 型粗纱机的技术特征项目TJFA458A 型适纺纤维长度(mm)22~65 牵伸形式三罗拉或四罗拉双短皮圈牵伸(倍) 4.2~12.0 加压形式弹簧摇架加压量(N/双锭)前罗拉90,120,150 二罗拉150,200,250 三罗拉100,150,200 四罗拉100,150,200 罗拉直径(mm) 均为28.5 每台锭数 96,108,120 锭翼形式悬锭式锭子转速(r/min) 600~1200 卷装直径×高(mm) 152×400 电机总功率(kW) 14.5 制造厂家河北太行2. 配置粗纱机主要工艺参数(1) 粗纱定量粗纱定量应根据熟条定量与细纱牵伸能力、纺纱品种、产品质量要求、生产供应平衡以及粗纱设备性能等因素综合考虑确定。
参考表5-1,本例所纺纱线为29.2tex ,故设计粗纱干定量为6.3g/10m,粗纱总牵伸在6~9倍。
表5-1 粗纱定量参考范围纺纱线密度(tex) 32以上 20~30 9~19 9以下粗纱干定量(g/10m)5.5~10.04.1~6.52.5~5.52.0~4.0◆ 分析粗纱机技术性能◆ 配置并条机主要工艺参数设计步骤(2)牵伸分配总牵伸主要由前(主)牵伸区承担。
后区牵伸一般为1.12~1.48倍,通常情况下以偏小为宜,本设计取1.13倍。
四罗拉双短皮圈牵伸的整理区牵伸为1.05倍。
表5-2 粗纱机总牵伸配置范围牵伸形式三罗拉及四罗拉双皮辊牵伸纺纱线密度粗中﹑细特细总牵伸4~7 6~9 7~12(3)罗拉握持距采用四罗拉双短皮圈牵伸,握持距的影响因素很多,主要以纤维品质长度而定,一般用经验公式进行计算。
参照表5-3,罗拉握持距具体配置如下:前区握持距49mm依据皮圈架长度为34mm,浮游区长度为15mm,则前区握持距=皮圈架长度+浮游区长度=34+15=49mm后区握持距55mm 后区罗拉隔距=大于Lp+20(后区罗拉握持距偏大掌握)整理区35mm 略大于Lp注:该机牵伸形式采用四罗拉双皮圈牵伸,棉纤维品质长度考虑在30~32(4)罗拉加压参考表5-4,罗拉加压具体配置见粗纱工艺单表5-4 罗拉加压配置牵伸形式纺纱品种罗拉加压(N/双锭)前罗拉二罗拉三罗拉四罗拉三罗拉双皮圈纯棉200~250 100~150 150~200 -化纤混纺﹑纯纺250~300 150~200 200~250 -四罗拉双纯棉90~120 150~200 100~150 100~150皮圈化纤混纺﹑纯纺120~150 200~250 150~200 150~120(5)皮圈钳口隔距参考表5-5和表5-6,选用钳口隔距为6.2mm。
棉纺工艺设计毕业论文目录1设计纱线的原料选择 (2)1.1 原棉选配 (2)1.2 化纤选配 (2)2纱线的生产工艺流程及主要设备特点 (4)2.1 流程的选择原则 (4)2.2 设备选择原则 (4)2.3 工艺流程选择 (4)2.4 主要设备特点介绍 (5)3纱线的生产工艺设计 (5)3.1 选择各工序工艺参数 (5)3.2 细纱工艺设计 (5)3.3粗纱工艺设计 (7)3.4混并工艺设计 (8)3.5 涤预并工艺设计 (12)3.6 精梳工艺设计 (13)3.7 并卷工艺设计 (15)3.8 条卷工艺设计 (16)3.9梳棉工艺设计 (17)3.10 开清棉工艺设计 (19)3.11 络筒工艺设计 (20)3.12 捻度计算 (21)4纺部各工序理论产量及定额产量计算 (22)4.1清棉机的理论产量 (22)4.2梳棉机的理论产量 (23)4.3条卷机的理论产量 (23)4.4并卷机的理论产量 (24)4.5精梳机的理论产量 (24)4.6粗纱机的理论产量 (25)4.7细纱机的理论产量 (25)4.8络筒机的理论产量 (25)5纺部各工序总产量计算 (26)5.1消耗率和计划停台率的选择 (26)5.2总产量和配台计算 (26)6结论 (34)7致谢 (35)1设计纱线的原料选择织物品质与构成织物的纱线品质密切有关。
纱线品质又取决于原料性质。
纱线种类和用途不同,选用原料又是选择纺纱工艺流程、机型和工艺参数的主要依据。
1.1 原棉选配1.1.1 按纱线特数选配原棉细号纱线:细号纱线都用于高档织物或股线,成纱质量要求较高。
应选择色泽洁白、品级较高(1.5~2.8),成熟度适中,纤维特数和强力较高,纤维较长(30~29mm),整齐度较好和杂质疵点较少的原棉。
1.1.2 按纱线用途和加工工艺选配原棉(1) 精梳棉纱:精梳棉纱多用于高档产品,要求纱线条干均匀,棉结杂质少。
因此,应选择色泽乳白、品级高纤维成熟度适中,纤维特数和强力较高、纤维较长、棉结杂质较少的原棉。
前言我国是纺织大国,在国民经济中纺织工业是我国传统支柱产业。
在新中国成立前夕,我国纺织品处于濒临破产的边缘,纺织品工业大部分集中在沿海城市,原材料的供应和成品的销售,对外国有很大的依赖性。
主要机器设备,基本上依靠进口,国内只有辅助性的配件工厂,没有独立成套的纺织机器制造工业。
尽管那时纺织工业的规模远远不能适应全国的需耍,但是由于人民贫困,市场萎缩,经营与发展都存在着极大的困难。
纺织品的在改革开放三十年的如今,我国的棉纺织工业基本建设的规模和速度已经超越了解放以前六十年的水平。
三十年中,沿海地区继续保持带头作用外,新型的棉纺织企业基本都分布在内地,工业布局合理,就近使用原料与当地群众作为工作人员,促进的当地的发展并带动全国的经济。
2008年,全球金融系统正面临自1929年以来的最大危机。
始于美国房地产次级抵押贷款市场的癣疥之疾,如今酿成了全球性的深重危机。
这场金融风暴导致我国纺织品的国外订单大量减少,沿海地区的纺织品厂都面临裁员甚至破产的境地,但是出口纺织品的数量与欧盟卡关无关,从出口空间看,能否争取较大的出口数量主要取决于两个因素:一是增长率有多大?二是在什么基础上获得增长?其中后者是更关键的因素。
以套头衫为例,套头衫2004年的基数只有3942万件,通过谈判,我获得的出口基数为1.1亿件,2005年可出口量为1.8亿件,比2004年增长361%。
据测算,今后几年我10类产品在欧盟市场的份额,平均将由去年的12.4%提高到2007年的31.4%。
今年欧盟对我取消配额的产品共41个类别,牵涉到国内大量的生产企业和职工就业。
经谈判,欧方在备忘录中做出了今后三年对这些纺织品克制使用242段限制措施的政治承诺,而且从目前的情况看,欧方信守了这一承诺。
可以说,谅解备忘录是中欧双方互相合作、共同努力的结果,是通过磋商方式解决贸易争端的成功案例,符合中欧双方的共同利益,也为各国间解决贸易摩擦树立了典范。
所以金融风暴终会停止,纺织厂产品的春天终会来到,新型棉纺厂的研发不可停止,这方面的进度我们应该继续下去。
盐城纺织职业技术学院2011届毕业设计(论文)题目纯棉府绸工艺设计专业丝绸811摘要随着科学技术的发展,当今纺织品品种繁多,进入21世纪,人们对府绸市场需求越来越旺盛,府绸面料已经成为当今棉纺行业最重要的产品之一。
本设计遵循低碳环保的要求,采用了纯棉纱线,配以平纹组织,利用高经密低纬密使布面质地轻薄,结构紧密,颗粒清晰,布面光洁,手感滑爽,有丝绸感等。
文章对设计府绸织物的风格、国内外发展情况、原料、组织进行简单的介绍,分析了府绸生产过程中络筒、整经、浆纱、织造工艺所选用参数的,优化了一些工艺流程。
关键词:织物;设计;工艺流程作者:史彭导师:张国兵AbstractWith the development of science and technology, normally wide variety of textiles, with each passing day. In the 21st century, people increasingly strong market demand for denim, cotton poplin fabric has become one of the most important products industry.Poplin fabric production and sales increasing, the traditional poplin fabrics mainly comfortable, friendly, warm-based. Now, people are pursuing a variety of colors and a more personalized fashion, poplin gradually refined products, functionality, gentrification and other direction.In this paper, the purpose of the design poplin fabrics, raw materials, a brief introduction of basic organization, but also discussed the production of poplin fabric, the use of winding, warping, dyeing pulp, weaving process of the selected parameters and to calculate, as well as its on the machine process.Key words: fabric; design; processAuthor: Shi PengTutor: ZhangGuoBing目录绪论------------------------------------------------------------------------- 4 第一章规格设计与工艺流程--------------------------------------------------- 51.1规格设计------------------------------------------------------------- 51.2总经根数确定-------------------------------------------------------- 5 1.3 织物紧度------------------------------------------------------------ 6 1.4穿筘幅宽------------------------------------------------------------ 6 1.5 筘号计算------------------------------------------------------------ 6 1.6 每米织物用纱量------------------------------------------------------ 61.7工艺流程------------------------------------------------------------- 7 第二章原料选配------------------------------------------------------------- 82.1线密度--------------------------------------------------------------- 82.2原纱条干------------------------------------------------------------- 82.3捻向----------------------------------------------------------------- 82.4捻系数与捻度--------------------------------------------------------- 82.5内在质量------------------------------------------------------------- 8 第三章络筒工艺设计-------------------------------------------------------- 103.1设备选型------------------------------------------------------------ 103.2工艺设计中注意的问题------------------------------------------------ 103.3具体工艺配备-------------------------------------------------------- 103.3.1清纱器型式和具体工艺设计-------------------------------------- 103.3.2 张力盘重量的确定---------------------------------------------- 113.3.3 结头形式及要求------------------------------------------------ 113.3.4 筒子卷绕长度计算、卷绕密度选择-------------------------------- 113.4产质量管理---------------------------------------------------------- 12 第四章整经工艺设计------------------------------------------------------- 134.1设备选型------------------------------------------------------------ 134.2工艺设计中注意的问题------------------------------------------------ 134.3具体工艺配备-------------------------------------------------------- 144.3.1 整经轴数及每轴经纱根数---------------------------------------- 144.3.2配置张力垫圈重量的分布---------------------------------------- 154.3.3 伸缩筘的穿法-------------------------------------------------- 154.3.4 接头形式及要求------------------------------------------------ 154.4产质量管理------------------------------------------------------ 15 第五章浆纱工艺设计-------------------------------------------------------- 165.1. 配方目的与要求----------------------------------------------------- 165.2. 浆料配方及各成分作用----------------------------------------------- 165.3.浆纱机选型--------------------------------------------------------- 165.4. 工艺设计中注意的问题----------------------------------------------- 175.5具体工艺配备-------------------------------------------------------- 175.5.1一个班浆料用量------------------------------------------------ 175.5.2每缸并轴数和引纱方式------------------------------------------ 175.5.3 织轴幅宽,卷绕密度-------------------------------------------- 175.6浆缸温度、黏度、PH值------------------------------------------------ 185.7 前后压浆辊重量、压力及包卷材料-------------------------------------- 195.8浆纱上浆率、回潮率、伸长率------------------------------------------ 195.9. 产质量管理--------------------------------------------------------- 19 第六章穿织工艺设计-------------------------------------------------------- 216.1.设备选型------------------------------------------------------------ 216.2.工艺设计中注意的问题------------------------------------------------ 216.3.具体工艺配备-------------------------------------------------------- 216.3.1综框页数,综丝规格-------------------------------------------- 216.3.2钢筘规格及边纱数---------------------------------------------- 226.3.3停经片的穿法、筘入数确定、穿经方法---------------------------- 226.3.4本设计上机图------------------------------------------------- 226.4产质量管理---------------------------------------------------------- 22 第七章织造工艺设计------------------------------------------------------ 247.1.设备选型----------------------------------------------------------- 247.2.工艺设计中注意的问题----------------------------------------------- 247.3. 具体工艺参数------------------------------------------------------- 257.3.1经位置线------------------------------------------------------ 257.3.2 开口时间------------------------------------------------------ 257.4.产质量管理---------------------------------------------------------- 257.5小样展示------------------------------------------------------------ 27 第八章后整理工艺设计------------------------------------------------------ 28 第九章结束语-------------------------------------------------------------- 29 参考文献-------------------------------------------------------------------- 30 致谢---------------------------------------------------------------------- 31绪论1.府绸织物的国内外研究现状由于府绸织物有着广阔的发展前景,使其受到国内外厂家的高度重视,现今市场上府绸织物的发展特点是逐渐多元化,时尚化、流行化、功能化。
14.5tex ×14.5tex 纯棉普梳纱直贡工艺设计一、织造工艺流程:管经纱→络筒→整经→浆纱→穿经→织造→刷布→验布→折布→打包 管纬纱→络筒→织造→刷布→验布→折布→打包 二、工艺和技术设计资料产品名称:纯棉普梳直贡缎 织物组织:8枚经面缎纹 织物幅宽:160cm 织物匹长:40m线密度:14.5tex ×14.5tex 经纬纱密度(根/10cm ):508×303 总经根数:8152 经纱缩率:7.6% 纬纱缩率:3.2% 经纱伸长率:1.2% 布身筘入数:2 入 布边筘入数:4入 织物加放率:0.9% 经纱回丝率:0.6% 纬纱回丝率:1.0% 边纱根数:48 三、各工序机器型号:络筒:ESPERO-M 型高速络筒机 整经:CGGA114-180型整经机 浆纱:GA308-240型浆纱机 穿经:G177-180型穿筘机 织造:GA718-190型喷气织机 验布:GA801-180型验布机 刷布:G321-180型刷布机 折布:GA841-180型折布机 成包:A752型中打包机四、工艺计算: (一)总经根数:⎪⎪⎭⎫ ⎝⎛-+⨯=idbj b jz b bm w p 110m =81524214816010508=⎪⎭⎫ ⎝⎛-⨯+⨯入边经纱每筘穿入数,入地经纱每筘穿入数,根边经纱根数,坯布宽度,根经密,总经根数4b 2b 48m cm 16010/508i d bj ------b j z w cmp m(二)筘号、筘幅的计算:修正为246号9.2452%2.3-1508=⨯=)(根据修正后的筘号修正纬纱缩率:(三) 整经配轴:所需经轴数=总经根数/筒子架容量=8152/720=11.3 取12轴 修正:每轴经纱根数=总经根数/经轴数=8152/12=679.3根/轴 所以配轴数为:679×8+680×4(四)每米织物经纬纱用量:每米织物经纱用纱量=(1)(1)1000(1)(1)(1)⨯⨯++⨯-⨯+⨯-总经根数纱线特数加放率损失率经纱缩率伸长率经纱回丝率=mg /45.128%6.01%2.11.6%7-11000%1.01%9.015.148152=-⨯+⨯⨯+⨯+⨯⨯)()()()()(=m g /01.74%11.1%3-110000%1.01%9.015.14160303=-⨯⨯+⨯+⨯⨯⨯)()()()((五)喷气织机工场各生产工序的产量计算: 1.织机: 织机理论生产率=中的纬纱数每织机每分钟转数cm 101060⨯⨯=9.93031050060=⨯⨯ m/台·h织机实际生产率=织机理论生产率⨯时间效率=91.8%909.9=⨯ m/台·h 设织机的计划停台率为2%, 织机配备台数=900×30%=270台织机的定额台数=织机配台数×(1-计划停台率)=270×(1-2%)=264台 织机总产量=织机配台数×0.98×织机实际生产率=264×8.91=2352.24(m/h) 2.络筒机:络筒机理论生产率=络筒线密度(m/min )×60×纱线线密度(tex )/(1000×1000) =1000×60×14.5/1000000=0.87[kg/(锭*h )]%1.35082246-1=⨯=16610246242-148-8152=⨯⨯⎪⎭⎫⎝⎛⨯=络筒机实际生产率=络筒机理论生产率×时间效率=0.87×90%=0.783[kg/(锭*h)] 3.整经机:式中:V—整经机速度(m/min)Nt—纱线特数(g/1000m)整经机实际生产率=整经机的理论生产率⨯时间效率=295.37⨯55%=162.45 kg/台·h4.浆纱机:式中:V—浆纱机速度(m/min)Nt—纱线特数(g/1000m)浆纱机实际生产率=浆纱机理论生产率⨯时间效率=212.8⨯70%=148.94 kg/台·h5.穿筘机:定额为1200根/台·h6.刷布机:刷布机理论生产率=刷布机线速度×60=54×60=3240 m/台·h实际生产率=理论生产率×时间效率=3240×50%=1620 m/台·h7.验布机:验布机理论生产率=验布机线速度×60=18×60=1080 m/台·h实际生产率=理论生产率×时间效率=1080×25%=270 m/台·h8.折布机:折布机理论生产率=折布机线速度×60=80×60=4800 m/台·h实际生产率=理论生产率×时间效率=4800×40%=1920 m/台·h9.中包机:生产定额取 12 包 ,7200 m/台·h(六)每小时织物的经纱、纬纱用量:hkg/8.212100010005.1481523060⋅=⨯⨯⨯⨯=台每小时经纱用量=每米织物用经纱量×每小时织物产量 /1000 =2352.24⨯128.45/1000=302.15 kg/h 每小时纬纱用量==每米织物用纬纱量×每小时织物产量/1000 ==2352.24⨯74.01/1000 =174.09 kg/h(七)织厂各生产工序机器配备的计算: 1. 络筒机的配备计算设络筒机计划停台率为5%。
纱线的粗细及表示方法一、纱线粗细程度的定义纱线的粗细程度是纱线最重要的指标。
由于纱线的粗细程度难以用工具直接测量出来,因此专业上将纱线的粗细程度用两种间接指标来表示,即定长制和定重制。
1、定长制的定义以纱线在公定回潮率时的单位长度的重量来表示。
定长制又分特克斯(tex)制和旦尼尔(Denier)制两种。
(1)特克斯制:1000米长的纱线,在公定回潮率时的重量(克),称为该纱线的特数(特数也俗称号数),用Nt 表示1000×GkNt= ——————L例如:有一种纯棉纱线,取1000米称重为18.2克,假设公定回潮率刚好为8.5%,则该纱称为18.2tex(或俗称18.2号)。
(2)旦尼尔制:9000米长的长丝在公定回潮率时的重量(克),称为该长丝的旦数(旦数也俗称D数),用ND 表示9000×GkND= ——————L例如:有一种长丝,取9000米称重为150克,假设不考虑公定回潮率因素,则该纱称为150D。
2、定重制的定义以纱线在公定回潮率时的单位重量的长度来表示,在定重制中,有英制支数和公制支数二种,目前经常使用的是英制支数(本教材对公制支数不作介绍)。
英制支数的定义:一磅重的纱线在公定回潮率时,有多少个840码即为多少支,用Ne表示LNe= ————Ge×840例如:有一种纯棉纱重1磅,测量其长度有32个840码,假设公定回潮率刚好为8.5%,则该纱称为32支纱。
3、特数和英制支数的换算583.1 590.5纯棉型纱线 Nt= ————纯化纤型纱线 Nt= ————Ne Ne例如:已知一种纯棉纱为18.2tex,通过换算可知该纱为32支纱。
4、纱线特数和英制支数与纱线粗细程度的关系特数:纱线的特数越大,表示纱线越粗;特数越小,表示纱线越细(正比关系)。
英制支数:纱线的英制支数越大,表示纱线越细;英制支数越小,表示纱线越粗(反比关系)。
5、纱线的粗细和纱线重量之间的关系是线性相关的。
(此文档为word格式,下载后您可任意编辑修改!)盐城工业职业技术学院2015届毕业设计(论文)姓名:学号:班级:序言摘要花式纱线是指在纺纱和制线过程中采用特种原料、特种设备或特种工艺对纤维或纱线进行加工而得到的具有特殊的结构和外观效应的纱线,是纱线产品中具有装饰作用的一种纱线。
花式纱线是由芯纱、饰纱、固纱三部分相互配合形成的。
同时随着纺织原料品种的不断推陈出新,花式纱线的造型、色彩也在不断地丰富和变化,同一块织物上多种色彩组合、不同造型的纱线交替使用,使织物表面不仅减少了条、斑、档疵点现象,而且织物外观色调丰富,瑰丽豪华,肌理独特,更紧密地贴近流行趋势,为粗纺产品提供了广阔的开发空间。
本课题利用棉纤维染色纺制彩色棉粗纱,并且以彩色棉做饰纱,涤纶长丝做芯纱,花色棉股线做固纱,在花式捻线机上选用适当的工艺,纺出色彩丰富的圈圈纱,最后用这种圈圈纱织出花型的研究。
关键词:花式纱线;圈圈纱;工艺;AbstractFancy yarn is a yarn special raw materials, special equipment or construction process on the fibre or yarn processing and has the special structure and appearance effect on spinning and manufacturing line process, is a kind of yarn, decorative yarn products.Fancy yarn is formed by the core yarn, decorative yarn, three part matched with the fixed yarn. At the same time as the varieties of raw materials of textile constantly bring forth the new through the old, fancy yarn shape,color are continuously enriched and change, the same piece of fabric, yarn variety of color combinations with different shapes used alternately, so that the fabric surface is not only reduced the strip, spot, gear defect phenomenon, and the fabric appearance rich colors, beautiful luxury,unique texture, more closely to the popular trend, provides a broad development space for the wool products.This topic using cotton fiber dyeing spinning color cotton roving, and to do the decoration color cotton yarn, polyester filament as core yarn, cotton yarn as the solid color yarn, selection of appropriate technology in fancy twisting machine, spinning color rich loop yarns, finally using the loop yarn weave of flower type.Keywords: fancy yarn is circle yarn; process;目录序言 (I)摘要 (III)Abstract................................................................................................................................... I V 目录. (V)第一章绪论 (1)1.1花式纱线的产生 (1)1.2花式纱线的结构和分类 (1)1.2.1花式纱线的结构 (1)1.2.2花式纱线的分类 (2)1.3花式纱线的原料选择 (2)1.4花式纱线的应用及其发展趋势 (3)1.4.1花式纱线的应用 (3)1.4.2花式纱线的发展趋势 (3)1.5本课题的研究的内容和内意义 (4)第二章纤维的染色 (5)2.1纤维染色概述 (5)2.2 纤维染色的基本过程 (5)2.3 纤维染色工序 (5)第三章彩色棉的工艺设计 (8)3.1纤维性能的测试 (8)3.2工艺流程 (8)3.3开清棉工序 (8)3.4梳棉工序 (12)3.5并条工艺设计与计算 (15)3.6粗纱工序 (18)第四章花式捻线生产圈圈线 (22)4.1圈圈纱的生产原理 (22)4.1.1、HFX-A7棉纺花式捻线机并制圈圈线 (22)4.1.2、圈圈线的设计 (23)4.2花式捻线机的参数 (24)4.3圈圈线的参数设置及计算过程 (27)4.3.1圈圈线的参数设置 (27)4.3.2圈圈线的计算过程 (29)4.4圈圈纱的织制 (31)结论 (32)参考文献 (33)致谢 (34)第一章绪论20世纪70年以来,随着花式纱线的迅速发展,她已成为国际纺织品市场上的一大品种,在许多纺织行业都有运用。
盐城纺织职业技术学院2015届毕业设计(论文)28tex纱直贡(纯棉)的织造工艺设计摘要摘要介绍了纯棉纱直贡织物的风格特点,从原料的选择、整经、浆纱、织造等方面对纯棉纱贡缎的生产工艺作了论述,成纱要求条干均匀、毛羽少;整经应保证经纱张力,排列、卷绕均匀;浆纱应侧重增加耐磨性,被覆毛羽;织造时要调整引纬参数。
关键词:棉织物;纱直贡;织造工艺AbstractDescribes the style of pure cotton satin fabric characteristics, from selection of raw materials, warping, sizing, weaving and other aspects of the production process of pure cotton satin have been discussed, yarn required evenness and hairiness less; Warping should ensure that warp tension, arrangement, winding evenly; Sizing should focus on increasing wear resistance, coating hairiness; Weaving weft to adjust the parameters.Key Words :cotton fabrics; yarn satin; weaving process目录第一章前言 (1)1.1织物的引进和发展 (1)1.2织物分析与性能 (1)1.3品种风格与用途 (2)第二章规格设计与工艺流程 (3)2.1规格设计 (3)2.2工艺流程 (4)第三章原料选配 (5)第四章络筒工艺设计 (6)4.1设备选型 (6)4.2工艺设计中注意的问题 (6)4.3具体的工艺配备 (6)4.4产质量管理 (7)第五章整经工艺设计 (8)5.1设备选型 (8)5.2工艺设计中注意的问题 (8)5.3具体的工艺配备 (8)5.4产质量管理 (9)第六章浆纱工艺设计 (10)6.1浆纱的目的和要求 (10)6.2设备选型 (10)6.3浆料配方及各成分作用 (11)6.4具体的工艺配备 (11)6.5产质量管理 (12)第七章穿织工艺设计 (13)7.1设备选型 (13)7.2工艺设计中注意的问题 (13)7.3具体工艺配备 (13)7.4上机图 (14)7.5产质量管理 (14)第八章纬纱工艺设计 (15)8.1纬纱定捻 (15)8.2工艺设计中注意的问题 (15)8.3产质量管理 (15)第九章织造工艺设计 (16)9.1设备选型 (16)9.2工艺设计中注意的问题 (16)9.3具体的工艺配备 (16)9.4产质量管理 (17)第十章后整理工艺设计 (18)第十一章织造工艺中用纱量与生产率及配台的计算 (19)11.1生产率的计算 (19)11.2用纱量的计算 (20)11.3配台计算 (20)结论 (22)参考文献 (23)第一章前言1.1织物的引进和发展自从人类进入文明社会,便知道使用兽皮、树叶和树皮等缝合衣服,用以遮体、御寒、防暑或打扮。
而当时人们所披的这些兽皮、围的树叶,或用来缝合衣服的皮条、藤葛之类的物质,便是最早的纺织原料。
随着人类社会的进步,人们对服装的要求越来越高,以棉、麻、毛、丝等天然纤维为原料的纺织面料以及以涤纶、锦纶、丙纶、维纶、氨纶等合成纤维和黏胶、醋酯等人造纤维为原料的纺织面料相继出现。
随着纺织面料的发展,服装的款式和种类也在不断地发生变化,服装对人体所起的作用已不是简单地用以遮体、御寒、防暑了,而是要满足人体在不同场合、不同气候条件下的不同需求。
1.2 织物分析与性能棉纤维面料是以棉纤维作为原料制成的面料。
棉纤维面料以其优良的服用性能而成为最常用的纺织面料之一,深受消费者的欢迎。
自20世纪80年代以来,人们更加崇尚环保、自然、健康、舒适的纺织面料,棉纤维面料以其朴实自然的风格和柔软舒适的特点再次受到人们的青睐。
棉纤维面料的主要性能有:具有良好的吸湿透气性,穿着舒适;手感柔软,保暖性好;弹性较差,容易产生折皱,经树脂整理后有所改善;耐酸性差,耐碱性好;耐热性和耐光性好;对微生物抵抗力较差,易产生霉变。
机织面料是由经纱和纬纱相互垂直交织而形成的。
机织面料的组织是影响面料性能的一个重要因素,它影响着面料的外观、手感及特性。
利用面料的组织变化不仅可以得到各种大小花纹,还可以产生起皱、加厚、起绒、网孔或毛圈等效应,从而影响面料的手感及其他特性。
与平纹、斜纹组织相比,缎纹组织的交织点间距较长,因而有较长的浮长线浮在面料表面,这就造成面料易勾丝、磨毛和磨损,从而降低耐用性能。
但由于交错次数少,浮长线较长,纱线相互间易靠拢,面料密度增大,面料表面颇为平滑,富有光泽,手感柔软。
就光泽来说,平纹较灰暗,斜纹较光亮,缎纹最亮;就强度来说,平纹最坚实,斜纹次之,缎纹最柔软;就密度来说,采用相同的经纬纱线时,平纹最小,斜纹次之,缎纹最大。
1.3 品种风格与用途纯棉纱直贡织物质地柔软、手感细腻、富有弹性,布面精致光滑、富有光泽,充分体现了贡缎织物“光、滑、软、弹”的特点,是一种深受消费者喜爱的高档纯棉织物。
纱直贡织物用途亦相当广泛,既可作被褥、衣着、装饰布和工业品,又适宜作男子服装和妇女、儿童裙衫。
第二章规格设计与工艺流程2.1规格设计本色棉织物的规格内容主要包括:编号及名称、幅宽、经纬密度、总经根数、筘号、每筘穿入数、织物紧度与织物组织等,主要的规格设计与工艺计算如下:1.织物名称:纯棉纱直贡幅宽:140cm 经纬特数 28tex 经密354根/10cm纬密232根/10cm 经缩6% 纬缩3% 地经穿2根/筘边经4根/筘织物组织为五枚三飞经面缎纹2.总经根数M=35414021322110104Pj Wf BdMbiBbi⨯⨯⎛⎫⎛⎫+-=+⨯-⎪ ⎪⎝⎭⎝⎭=4988根(其中边经根数32×2) Pj—经密Wf--坯布幅宽Mbi—边经根数Bd--地经穿入数Bbi--边经穿入数3.筘号(公制)Nk =354(1)(13%)2Pjawbd-=-=171齿/10cmaw—纬纱缩率4.上机幅宽B=140113%Wfaw=--=144.3cm5.每米经纱用纱量=(1)498828(10.9%) 1000(1)(1)(1)1000(16%)(1 1.2%)(10.4%) M Tt gaj f Lf⨯⨯+⨯+=-+--+-=148.7g/m g--加放率f--伸长率Lf--经纱回丝率每米纬纱用纱量=(1)23214028(10.9%)10000(1)(1)10000(13%)(12%)Pw Wf Tt gaw fw⨯⨯⨯+⨯⨯+=----=96.5 g/mfw—纬纱回丝率每米织物用纱量=148.7+96.5=245.2 g/m6.每平方米坯布的无浆干重=1(1)100(1)11Pj Ttj Fj Pw Ttw W aj aw ⎡⎤⨯⨯-⨯+⎢⎥+--⎣⎦135428(10.9%)23228100(18.5%)16%13%⨯-⨯⎡⎤=+⎢⎥+--⎣⎦=158 g/m 2 Fj —飞花率7.经向紧度E j =0.037×P j =0.037×354纬向紧度E W =0.037×P W ×232 =45.5% E=E j +E W - E j ×E W =0.694+0.455-0.694×0.455=83.3% 8.上机图2.2工艺流程经纱:络筒→整经→浆纱→穿经纬纱:络筒→定捻 →织造→验布→修布→折布→打包入库28tex纱直贡(纯棉)的织造工艺设计原料选配第三章原料选配1.棉纱的品质指标经面缎纹织物对棉纱的品质指标的要求较高,因为经面缎纹织物中经纱的密度比较高,纱线与纱线之间的摩擦力大,织造中容易断头,影响机械效应与劳动生产力的提高。
如果棉纱强力不好同样会引起经纱的断头影响到织机效率与织物质量。
另外,从直贡织物的组织结构来看,由于直贡织物的经向密度和纬向密度的差异过大,织成织物的经、纬向强力亦相应地有较大的差异,这对织物的使用是不利的。
为了弥补这一缺点,对经面缎纹除了考虑经纱强力外,提高纬纱的强力也有积极意义。
2.棉纱的光洁度与棉结杂质经面缎纹织物要求经纱的棉结杂质少而小,特别应注意减少棉结和未梳解的僵瓣棉块,而纬纱由于多隐于反面,棉结杂质即使稍多,对布面无太大影响。
若棉结杂质过多,对加工成品外观质量影响很大,因为棉结在加工染色过程中吸色性能与棉纱不同。
棉纱的光洁与否是指棉纱表面茸毛的多少,因为毛茸密切关系到布面的光泽。
3.棉纱的条干经面缎纹织物不但要求棉纱条干要均匀,减少粗细节差异还特别要注意减少短竹节。
因为,短竹节在上浆后成为小硬块,不易屈曲;在织造时,使成布表面拱凸,严重影响布面平整。
4.经纬纱的捻度、捻向的配置对直贡织物的影响原纱捻度和捻向对成品的光泽、手感等有十分密切的关系,直贡织物选用的原纱捻度应使织物有较柔软的手感和减少织造过程中布面的起圈现象,只要纱线强力能胜任织机上机张力与综筘的摩擦,保证织造的顺利进行,宜采用较小的捻系数。
经面缎纹织物的外观好坏就与经纱的捻向有直接关系,为了使直贡织物的表面有较好的织物,经面缎纹的经纱捻向应该与缎纹组织点的纹路方向一致,这样可以使缎纹纹路的反光性减弱而增强织物表面的光泽。
因此,在设计直贡缎织物时,纱线的捻向应与飞数同时考虑,使之协调一致,以显示较好的光泽。
第四章 络筒工艺设计4.1设备选型奥托康纳138型自动络纱机4.2工艺设计中注意的问题1. 筒子卷装应坚固、稳定、成形良好。
2. 卷装张力的大小要适当而均匀。
3. 尽可能的清除纱线上影响织物外观和质量的有害纱疵。
4. 尽可能增加筒子卷装容量并满足定长要求。
5. 纱线连接处的直径和强度要符合工艺要求。
6. 尽可能降低络筒过程中毛羽的增加量。
4.3具体的工艺配备 1. 筒子卷绕体积(V )cm 3取D=20.3 D 1=18 d=7.2 d 1=3.8 h=0.7 H=14.7 则V=12π (D 2+D 12+DD 1)H+ 12π (d 2+D 2+Dd)h- 12π(d 2+d 12+dd 1)(H+h) = 12π (20.32+182+20.3×18)×14.7+ 12π (7.22+20.32+7.2×20.3)×0.7- 12π(7.22+3.82+7.2×3.8)(14.7+0.7)=3971.29 cm 3 D-平行筒子满管的大端直径 H-筒子的绕纱高度 d-平行筒管直径2. 筒子卷绕密度的选择(r )3.卷绕重量G(kg) 取r=0.4 g/cm 3 G=v ×r ×10-3=3971.29×0.4×10-3=1.59kg4.筒子的理论绕纱长度/1L = G Tt ×106= 1.5928×106=56786m 5. 筒子的实际绕纱长度L 的计算/L =1.8×410 m (由后所求知) n=4567861.810=3.2 修正取整数3 L= /L ×n+L 回丝=1.8×410×3+1200=5.52×410 m 4.4产质量管理络筒质量管理是络筒技术管理的中心环节。