利达华信使用说明书
- 格式:doc
- 大小:49.50 KB
- 文档页数:12
使用说明书北京利达华信电子有限公司B E I J I N G L E A D E R H U A X I N E L EC T R O N I C S C O.,L T D.注意:1.若烟感报警,只进行主机复位;若一直误报,就要隔离。
2.若手报报警,首先要现场复位,然后在主机复位。
3.一般情况下要打在手动状态,若要进行消防演习时,要打在自动状态。
1、复位F1----菜单----2复位----0本机复位或1系统复位注意:本机复位只复位本机,系统复位3台主机都复位;消除火警、停止已启动的声光等;2、手动、自动切换F2----菜单----2全局----1全局自动、2全局手动----确定注意:平时设为手动状态,若进行消防演习时,要打在自动状态。
3、设备隔离F1----5隔离4、解除隔离F2----5隔离5、主工艺为0号主机00回路6、饲料包装为1号主机04回路05回路06回路7、主控楼为2号主机08回路一.系统介绍1.外观简介D128E(Q)Ⅱ关键状态用发光二极管指示,各功能如下:主电工作(绿):主电正常时灯亮,主电欠压及主电源线断线时灯灭。
备电工作(绿):备电正常时灯亮,备电欠压及备电源线断线时灯灭。
火警指示(红):首次火警发生时灯亮,并保持到系统复位。
回答指示(红):设备有回答时灯亮,无回答时灯灭。
命令指示(红):设备有启动命令时灯亮,无启动命令时灯灭。
延时指示(红):设备尚未启动,正处在延时状态时灯亮,延时结束时灯灭。
气体喷洒(红):气体喷洒设备有启动命令时灯亮,无启动命令时灯灭。
消音指示(绿):有火警、启动或故障发生时,按消音键后,消音指示灯亮。
全局手动(绿):当联动设备的启动状态设置为[全局手动]时灯亮。
全局自动(绿):当联动设备的启动状态设置为[全局自动]时灯亮。
设备隔离(绿):当有未接或故障的设备被隔离时灯亮。
无隔离设备时灯灭。
设备故障(黄):探测回路所接的设备发生故障时灯亮,无故障时灯灭。
利达华信火灾报警控制器设计说明书利达华信火灾报警控制器介绍:JB-QB/LD128E(M)火灾报警控制器是二总线火灾自动报警设备,采用数字液晶显示。
具有一个RS232接口,预留联网接口。
该控制器采用单片机控制技术。
该系统配合我公司E/EN系列探测器、手报等其他相关设备,广泛应用于小型消防工程项目。
经过公安部消防产品合格评定中心及国家消防电子产品质量监督检验中心依照GB4717-2005《火灾报警控制器》、GB/T19001-2000《质量管理体系要求》检验和审核,符合认证要求,取得消防产品3C认证。
利达华信火灾报警控制器功能:●本机容量:LD128E(M)提供1个探测回路,最大地址点数为64点。
●可通过增加专用通讯模块与其他设备联网。
● 16*2数字 LCD液晶显示屏,指示灯指示关键状态,操作方便。
★具有黑匣子功能,能存贮999条火警记录和200条其他记录。
★具有回路短路保护和电源短路保护功能。
★具有1路公共火警无源接点输出、1路公共故障无源接点输出、1路声光警报器专用输出。
主要技术指标:回路数量1回路直接输出接点数1路公共火警无源接点输出1路公共故障无源接点输出1路声光警报器专用输出最大总线设备地址数64最大回路输出电流100mA最大短路保护电流120mA工作环境温度0℃~45℃工作环境相对湿度≤95%RH(40±2℃)安装方式壁挂备用电池6V/4Ah(两节)最大外形尺寸宽436mm×高292mm×厚102mm 重量 5.5 Kg±0.1 Kg(不含电池)外形与结构尺寸图:端子图:系统框图:布线要求:★机内端子配线:所有引入线均剥开 1cm,挂锡或用接线卡后接入端子。
★二总线:宜选用截面积不小于1.0mm2阻燃双色双绞软铜线(ZR-RVS2×1.0mm2)或选用截面积不小于1.0 mm2的阻燃铜芯电缆(ZR-KVV2×1.0mm2),耐压≥250V。
JB-QB/LD128E(Q)火灾报警控制器(联动型)安装使用说明书北京利达华信电子有限公司B E I J I N G L E A D E R H U A X I N E L EC T R O N I C S C O.,L T D.前言JB-QB/LD128E(Q)火灾报警控制器(联动型)是北京利达华信电子有限公司充分调研消防市场需求,总结多年消防工程经验,融会国标GB4717-2005《火灾报警控制器》和GB16806-2006《消防联动控制系统》的要求和精神,设计的新一代报警联动一体化智能控制器。
本控制器模块化设计,具有功能强、可靠性高、配置灵活的特点。
系统采用汉字液晶显示,打印机打印内容可选,分别打印系统所有报警、故障及各类操作的汉字信息。
具有全面的现场编程能力,每回路可混接256个探测器、联动模块或区显,最大容量1024点,其中探测器、联动模块和区显的比例可自由调配。
本控制器自带8路多线制联动控制输出盘(7组可编程继电器有源节点及1路专用声光报警输出节点),并可配接我公司生产的其它联动控制盘,从而构成一个集总线、多线于一身的报警联动一体化控制器,是消防工程的最佳选择。
本手册应由专人负责,妥善保管,以备日后查用。
目录第一章概述 (3)第二章技术特性 (3)第三章结构特性 (5)第四章安装与调试 (8)第五章系统设置.......................................... 错误!未定义书签。
第六章使用与操作.. (9)第七章联动控制盘 (17)第八章故障分析与排除 (18)第九章运输与贮存 (19)第十章注意事项 (19)第一章概述JB-QB/LD128E(Q)火灾报警控制器(联动型)(以下简称LD128E(Q))是智能化的二总线火灾自动报警设备,采用中文液晶显示,满足GB4717-2005《火灾报警控制器》和GB16806-2006《消防联动控制系统》。
LD128E(Q)集报警及联动控制于一体,主要针对中、小型消防工程项目设计,广泛应用于宾馆、公寓、商场、餐饮娱乐场所、工厂等,同时它可作为大型工程的区域火灾报警控制器使用。
LW5603型点型可燃气体探测器安装使用说明LW5603型点型可燃气体探测器适用于可燃气体生产,运输,储存,灌充和使用的环境中,检测空气中存在的可燃气体的危险,极限浓度。
输出相应的报警信号和控制信号,防止可燃气体泄漏后发生的事故。
LW5603点型可燃气体探测器和LW5600型可燃气体报警控制器配套使用。
LW5603点型可燃气体探测器,允许适用于具有防爆要求的场所。
LW5603点型可燃气体探测器具有两组输出供使用方选择。
一组(低报):当检测浓度为25%LEL时,继电器1输出开关量信号;二组(高报):当检测浓度为50%LEL时,继电器2输出开关量信号。
安装说明:探测器的安装方法:每一路探测器的传输距离不能超过1500M,连接线必须使用屏蔽电缆,单线横截面不小于0.5MM,耐压大于5KV,接触电阻小于5Ω.如果使用非屏蔽电缆,要求用金属管穿线并接地。
探测器和主控箱连接时,连接线必须用螺丝压紧接线柱,建议有专业技术人员进行连接,用户不要私自进行连接和调试。
探测器安装要求:⒈探测器必须安装在燃气容易滞留、容易检测的地方。
⒉探测器禁止安装在通风良好的地方。
⒊探测器禁止被悬挂物屏蔽隔断、探测器禁止水滴渗入。
⒋天然气、人工煤气用探测器需要安装在燃气容易泄漏的较高位置,液化石油气体用探测器需要在燃气泄漏的较低的位置。
5.气敏传感器的设计使用寿命为3年,因使用环境的不同其检测灵敏度亦有可能变化,应每年定期进行检测维护。
本产品保质期为一年。
⒍安装时切勿将主控箱、探测器组件抛掷、摔落。
⒎探测器禁止安装在振动冲击处。
⒏探测器禁止安装在-40℃以下,+55℃以上。
⒐和探测器连接的报警控制器为非防爆型产品,禁止安装于具有防爆要求的场所。
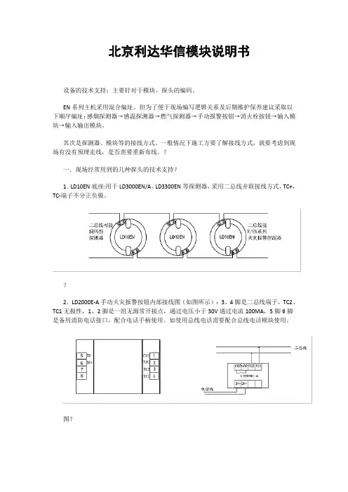
北京利达华信模块说明书设备的技术支持:主要针对于模块、探头的编码。
EN系列主机采用混合编址。
但为了便于现场编写逻辑关系及后期维护保养建议采取以下顺序编址:感烟探测器→感温探测器→燃气探测器→手动报警按钮→消火栓按钮→输入模块→输入输出模块。
其次是探测器、模块等的接线方式。
一般情况下施工方要了解接线方式,就要考虑到现场有没有预埋走线,是否需要重新布线。
?一.现场经常用到的几种探头的技术支持?1.LD10EN底座:用于LD3000EN/A、LD3300EN等探测器,采用二总线并联接线方式,TC+,TC-端子不分正负极。
?2.LD2000E-A手动火灾报警按钮内部接线图(如图所示):3、4脚是二总线端子,TC2、TC1无极性,1、2脚是一组无源常开接点,通过电压小于30V通过电流100MA,5脚6脚是备用消防电话接口,配合电话手柄使用。
如使用总线电话需要配合总线电话模块使用。
图?3.LD2001EN消火栓按钮内部接线图(如图所示):3、4脚是二总线端子,TC2、TC1无极性,1、2脚是一组无源常开接点,接直接启泵线(图),通过电压小于30V通过电流100MA,7脚是24V+,8脚是消防泵的反馈线。
图图?4. LD3101/B点型可燃气体探测器内部接线示意图(如图所示):TC+,TC-,24V+,24V-四个端子。
3101/B点型可燃气体探测器探头编码方式是将TC+与24V+短接,TC-与24V-短接,用编码器的红色夹子夹在TC+上,黑色夹子夹在TC-上进行编码。
图2输入模块端子图与接线图示例(如图、所示):6脚5脚是二总线TC+,TC-原则上不分正负极,11脚12脚是一组无源长开点,8脚7脚是一组无源长开点。
端子现场设备上需要加15K线路检测电阻。
图图6.LD6800EC-1输入/输出模块内部接线图(如图所示):1脚24V+,2脚24V-必须分极性,5、6脚TC+、TC-,11、12脚现场反馈信号接入点,需要接82K线路检测电阻。
JB-QG-LD128E II火灾报警控制器(联动型)安装使用说明书北京利达华信电子有限公司B E I J I N G L E A D E R H U A X I N E L EC T R O N I C S C O.,L T D.目录第一章概述 (2)第二章技术特性 (2)第三章结构特性 (5)第四章安装与调试 (8)第五章使用与操作 (10)第八章故障分析与排除 (71)第九章注意事项 (72)第一章概述JB-QG-LD128EⅡ火灾报警控制器(联动型)(以下简称LD128EⅡ)是我公司最新研制成功的二总线智能化控制器。
它可以联接我公司生产的LD3000E系列智能探测器和LD6800E系列总线联动模块。
本火灾报警控制器联动型适用国家标准GB4717-2005《火灾报警控制器通用技术条件》和GB16806—1997《消防联动控制设备通用技术条件》。
LD128EⅡ采用稳定、可靠的嵌入式控制部件及DCS的设计方式,保证系统长时间正常运行。
通过驱动板可方便地扩充探测回路。
同样,在系统的设计时充分考虑了在多机联网时的应用,采用对等式无主从的网络构架,在任何一台主机上均可以看到其它主机的信息,可实现主机之间的冗余和备份。
网络采用CAN(Control Area Networks)Bus(现场局域控制总线)方式,特别适合于消防、自动控制等工业领域,具有通讯稳定可靠,高抗干扰等特性。
第二章技术特性2.1 技术参数2.1.1 电源:主电与备电自动切换。
主电: AC 187V-242V 50Hz备电: DC 12V/38AH(2节)备电保护电压:21V±0.5V备电恢复电压:23V±0.5V2.1.2 负载能力:最大探测点:16384(探测器、联动模块等混合编址)回路电压:DC 15V-20V回路电流:<200mA2.1.3 使用环境:环境温度:0℃~45℃相对湿度:≤95%RH(40℃±2℃)2.2 主要性能2.2.1 系统容量LD128EⅡ控制器单机最大可输出64条探测回路,每条回路上最大可联接256个总线设备(探测器或联动控制模块)。
JB-QB-LD128EN(M)-AI火灾报警控制器JB-QB-LD5502ENI气体灭火控制器安装使用说明书北京利达华信电子有限公司B E I J I N G L E A D E R H U A X I N E L EC T R O N I C S C O.,L T D.目录第一章概述 (2)第二章技术特性 (2)第三章结构特性 (3)第四章安装与调试 (9)第五章系统设置 (10)第六章使用与操作 (14)第七章LD5502ENI气体灭火控制器 (16)第八章故障分析与排除 (19)第九章注意事项 (20)第十章售后服务 (21)第一章概述JB-QB-LD128EN(M)-AI火灾报警控制器/JB-QB-LD5502ENI气体灭火控制器(以下简称LD128EN(M)-AI、LD5502ENI)是智能化的二总线火灾自动报警设备,采用中文液晶显示, LD128EN(M)-AI集报警控制器和LD5502ENI气体灭火控制器于一体,1个探测回路,最大地址点数为64点,配备了4路可编程无源继电器输出。
主要针对中、小型消防工程项目设计。
满足GB16806-2006《消防联动控制系统》、GB4717-2005《火灾报警控制器》、GB/T19001-2000《质量管理体系要求》和《消防产品3C认证实施规则》。
本设备环保和安全符合国家标准,安全可靠。
第二章技术特性2.1 功能简介2.1.1液晶显示LD128EN(M)-AI采用液晶显示,并用发光二极管指示系统关键状态信息。
通过按键操作和液晶显示,可方便快捷地查询系统火灾信息和系统工作状态,可自由选择中英文菜单,只需按照菜单显示和提示进行操作,就能够快速地查询到所需要的信息。
2.1.2布线方式LD128EN(M)-AI采用二总线回路,总线设计可减少工程布线,方便工程安装调试。
同时支持分支、单支、树型分支多种布线方式。
2.1.3节点输出系统具备4路可编程无源继电器输出,可根据用户的需要设置启动逻辑。
利达128EM使用说明书一.系统介绍JB-QB/LD128E(M)区域火灾报警控制器(以下简称LD128E(M))是智能化的二总线火灾自动报警设备,采用中文液晶显示,满足《火灾报警控制器通用技术条件GB4717-93》规范。
在纯报警型控制器的基础上配备了四组可编程节点输出,并增加了远程通讯功能,与火灾报警集中控制器共同构成消防网络。
LD128E(M)主要针对小型消防工程项目设计,广泛应用于小型商场、餐饮娱乐场所、银行对外营业部、电信支局、端局、移动基站、别墅和小型工厂等,同时它可作为大型工程的区域火灾报警控制器使用。
二.功能和技术参数2.1功能简介2.1.1液晶显示LD128E(M)采用全液晶中文显示,并配发光二极管指示系统关键状态信息。
液晶的使用使用户方便快捷地查询系统火灾信息及系统工作状态,它的全中文及菜单功能使用户不必花费大量的时间来学习系统的操作方法,只要查询菜单就能进行操作。
系统在显示故障和火警时,可根据用户的要求显示媒质火灾报警控制设备安放的部位。
2.1.2布线方式LD128E(M)是单总线回路,总线设计可减少工程布线及方便工程安装调试。
同时支持分支、单支、树型分支等多种布线方式。
2.1.3节点输出系统具备四组可编程继电器,可根据用户的需要设置启动逻辑。
继电器的逻辑表达式可直接从键盘输入,无需任何专业人员即可在现场进行编程,特别适合使用单位和安装工程公司人员在现场调试操作。
2.1.4火警记录系统具有黑匣子功能,可存储256条纪录,用户可方便地在系统菜单中调出所存储的火警纪录。
这种方式比传统的打印机记录方法更加先进、可靠,不但存储火警记录时间长,而且避免了打印机换纸、换色带和故障维修。
2.1.5接口系统具有打印机接口,可选配串行中文打印机。
此外,本设备具备CAN总线接口,可以与其他设备进行通讯,以实现各种联网需要。
2.2技术参数2.2.1 电源:主电与备电自动切换。
主电:178V~242V.AC/200mA备点: 24V.DC±10%/2.2AH备电切断电压:21V±0.5V备电恢复电压:23V±0.5V最大功率:50W2.2.2负载能力探测点:8~128回路总数:1路回路馈电电平:5V、24V 平均电压:DC15V~20V。
利达华信消防LD9201EN联动控制盘安装使用说明书北京利达华信电子有限公司第一章LD9201EN是依据GB10806-2006消防规范设计开发的,通过CAN-BUS总线与本公司生产的EN系列控制器配套使用。
最多可控制32路现场设备、对每个设备既可以多线控制、还可以总线控制;该盘还具有按键保护;现场信息上传、线路故障检测以及输出线过流保护等功能。
第二章1、采用can-bus总线通讯方式2、每台最多控制32路总线或多线输出设备。
3、总线输出控制可通过多线输出板转为多线输出控制。
4、具有键盘锁定功能,可以防止误操作。
每路均具有启动和现场反馈指示功能。
5、多线盘的每路都具有线路故障检测功能。
6、多线盘的每一路都具有最大2A的驱动能力。
并具备过流保护功能。
第三章3、1结构特征该盘可以由三部分组成,32路总线控制盘、包含LD9201EN主板和32路结构面板、32路多线转换板、8路多线输出板。
32路总线控制盘是整个系统的基础、32路多线转换板和8路多线输出板是可选件;根据用户的需求选配;3、2 工作原理32路总线控制盘是整个系统的基础;可完成按键的采集处理、与控制器之间的通讯、接受现场的故障或反馈信号等功能;32路多线转换板完成总线型到多线型的硬件支持,多线输出板完成将多线信号变成大电流的输出;并能将现场故障或反馈信息通过多线转换板上传给32路总线控制盘;32路总线控制盘再通过CAN总线上传给控制器,完成相应的功能。
5;1安装说明对于仅仅使用6;数据设置1;1使用32路联动控制盘通过CAN总线与我公司生产的EN系统中文火灾报警控制器相连;并给系统上电;;22;1进入控制器手动盘的设置界面;分别对每一路进行设置;设置每一路的方法如下:盘号:表示该手动盘在该手动报警系统中的编号;此号由的手动盘上的拨码开关决定键号码:表示该32路盘中每一路的代号;规定第一路的键号为0 ;32路号码表示:0---31;地址号:表示改点所在的整个火灾报警系统中的回来编号;总线、多线类型:如果改点采用通过总线模块控制控制现场设备;则应该设置为总线类型;五;其他功能说明1.1特殊功能说明LD 9201EN 主板上的拨码开关的第八位;为CAN总线终端电阻接入位置;当拨到ON位置时表示终端电阻已经接入电路;否则表示没有接入电路;注意:只有当该盘处在CAN总线连接线的一端时;才允许将此位拨到ON位置。
使用说明书北京利达华信电子有限公司B E I J I N G L E A D E R H U A X I N E L EC T R O N I C S C O.,L T D.注意:1.若烟感报警,只进行主机复位;若一直误报,就要隔离。
2.若手报报警,首先要现场复位,然后在主机复位。
3.一般情况下要打在手动状态,若要进行消防演习时,要打在自动状态。
1、复位F1----菜单----2复位----0本机复位或1系统复位注意:本机复位只复位本机,系统复位3台主机都复位;消除火警、停止已启动的声光等;2、手动、自动切换F2----菜单----2全局----1全局自动、2全局手动----确定注意:平时设为手动状态,若进行消防演习时,要打在自动状态。
3、设备隔离F1----5隔离4、解除隔离F2----5隔离5、主工艺为0号主机00回路6、饲料包装为1号主机04回路05回路06回路7、主控楼为2号主机08回路一.系统介绍1.外观简介D128E(Q)Ⅱ关键状态用发光二极管指示,各功能如下:主电工作(绿):主电正常时灯亮,主电欠压及主电源线断线时灯灭。
备电工作(绿):备电正常时灯亮,备电欠压及备电源线断线时灯灭。
火警指示(红):首次火警发生时灯亮,并保持到系统复位。
回答指示(红):设备有回答时灯亮,无回答时灯灭。
命令指示(红):设备有启动命令时灯亮,无启动命令时灯灭。
延时指示(红):设备尚未启动,正处在延时状态时灯亮,延时结束时灯灭。
气体喷洒(红):气体喷洒设备有启动命令时灯亮,无启动命令时灯灭。
消音指示(绿):有火警、启动或故障发生时,按消音键后,消音指示灯亮。
全局手动(绿):当联动设备的启动状态设置为[全局手动]时灯亮。
全局自动(绿):当联动设备的启动状态设置为[全局自动]时灯亮。
设备隔离(绿):当有未接或故障的设备被隔离时灯亮。
无隔离设备时灯灭。
设备故障(黄):探测回路所接的设备发生故障时灯亮,无故障时灯灭。
JB-QT-LD128E(Q)II火灾报警控制器(联动型)安装使用说明书北京利达华信电子有限公司B E I J I N G L E A D E R H U A X I N E L EC T R O N I C S C O.,L T D.前 言JB-QT-LD128E(Q)Ⅱ火灾报警控制器(联动型)是北京利达华信电子有限公司充分调研消防市场需求,总结多年消防工程经验,融会国标GB4717-2005《火灾报警控制器》和GB16806-2006《消防联动控制系统》的要求和精神,设计的新一代报警联动一体化智能控制器。
本控制器模块化设计,具有功能强、可靠性高、配置灵活的特点。
系统采用汉字液晶显示,打印机打印内容可选,分别打印系统所有报警、故障及各类操作的汉字信息。
具有全面的现场编程能力,每回路可混接256个探测器、联动模块或区显,最大容量4096点,其中探测器、联动模块和区显的比例可自由调配。
本控制器自带8路多线制联动控制输出盘,并可配接我公司生产的其它联动控制盘,从而构成一个集总线、多线于一身的报警联动一体化控制器,是消防工程的最佳选择。
本手册应由专人负责,妥善保管,以备日后查用。
目 录第一章概述 (3)第二章技术特性 (3)第三章结构特性 (5)第四章安装与调试 (8)第五章系统设置 (9)第六章使用与操作 (26)第七章联动控制盘 (34)第八章故障分析与排除 (35)第九章注意事项 (35)第十章运输与贮存 (36)第十一章售后服务 (36)第一章概述JB-QT-LD128E(Q)Ⅱ火灾报警控制器(联动型)(以下简称LD128E(Q)Ⅱ)是智能化的二总线火灾自动报警设备,采用中文液晶显示,满足GB4717-2005《火灾报警控制器》和GB16806-2006《消防联动控制系统》。
LD128E(Q)Ⅱ集报警及联动控制于一体,主要针对中、小型消防工程项目设计,广泛应用于宾馆、公寓、商场、餐饮娱乐场所、工厂等,同时它可作为大型工程的区域火灾报警控制器使用。
一.系统介绍LD128E(T)火灾显示盘用来配合LD128E系列火灾报警控制器进行火警监测,采用液晶中文显示,配有发光二极管,指示系统关键状态信息,可以直观显示LD128E系列火灾报警控制器传来的探测器的火警及故障信息。
LD128E(T)与控制器采用二总线方式通讯,与探测器及模块混合编址,地址范围0~255。
由火灾显示盘本身设置分机地址号。
每台火灾显示盘均可设置四个显示范围,在每个显示范围内探测器的地址可以是单独的一个地址或是连续的地址。
火灾显示盘将显示设定范围内的探测器的工作状态;在设定范围之外探测器的工作状态将不做显示。
每台火灾显示盘最多可以显示128个火警及128个故障信息、联动回答信息,若火警信息、故障信息及回答信息大于128个,则将覆盖最先报火警及报故障的地址。
LD128E(T)有自己的功能键,可以查询接收到的火警、故障及回答信息,他同时受与他通讯的控制器的直接控制。
当控制器消音及复位时,将信息传送至火灾显示盘,使其也随之消音或复位,以实现整个系统的集中控制。
二.技术参数2.1技术参数LD128E(T)火灾显示盘由LD128E系列控制器联动电源提供DC 24V;每台火灾显示盘耗探测回路静态电流≤0.7mA,动态电流≤1mA;与主机的连接线长度小于1500米,采用0.75mm2的双绞线;环境温度0℃~50℃;相对湿度≤95%RH;2.2外形及安装尺寸外形尺寸:250mmⅹ350mmⅹ75mmLD128E(T)关键状态用发光二极管指示,各功能如下:火警指示(红):当火灾显示盘接收到控制器火警信息时,火警指示灯亮;故障指示(黄):当火灾显示盘接收到控制器故障信息时,故障指示灯亮;消音指示(绿):当火灾显示盘接收到控制器消音或区显本身消音时,消音指示灯亮;通讯指示(绿):当火灾显示盘接收到控制器传来的数据时,通讯指示灯闪烁;通显指示(绿):当火灾显示盘设置为显示控制器的所有探测器的信息时,通显指示灯亮;巡检指示(绿):当火灾显示盘本身按键按下时,巡检指示灯闪烁电源指示(绿):当火灾显示盘通电,并有5V时,电源指示灯亮;LD128E(T)采用开关按键,各功能键如下:功能键:用于翻阅火灾显示盘的各项菜单,以实现火灾显示盘本身的各项功能;确认键:用于确认每次所执行的操作;消音键:用于火灾显示盘本身的消音;下翻键:用于向下翻阅菜单或向下翻阅不同地址的火警及故障信息右移键:用于光标右移,或向上翻阅不同地址的火警及故障信息三.使用说明3.1操作员密码依次按:下翻键—右移键—下翻键—右移键3.2操作方法当火灾显示盘通电后主画面显示如下:当火灾显示盘通电,系统自检后,或在没有火警及无人操作时5分钟内将显示此画面按“功能键”进入火警信息菜单:此时若按“确认键”可以进行火警查询,显示如下:按“下翻键”:可以查询下一个火警地址按“右移键”:可以查询上一个火警地址按“功能键”:可以返回火警信息菜单按“功能键”进入故障信息菜单:此时若按“确认键”可以进行故障查询,显示如下:楼层房间号按“下翻键”:可以查询下一个故障地址按“右移键”:可以查询上一个故障地址按“功能键”:可以返回故障信息菜单按“功能键”进入联动回答菜单:此时若按“确认键”可以进行回答查询,显示如下:楼层房间号按“下翻键”:可以查询下一个回答地址按“右移键”:可以查询上一个回答地址按“功能键”:可以返回联动回答菜单按“功能键”进入系统复位菜单:此时若按“确认键”并正确输入密码后可以使火灾显示盘复位按“功能键”进入系统自检菜单:此时若按“确认键”火灾显示盘将进行:声音自检液晶显示“SOUND”字样(如下图所示),并且蜂鸣器发出长鸣指示灯自检液晶显示“LED”字样(如下图所示),并且各指示灯亮返回到火灾显示盘主画面按“功能键”进入区域设置菜单:在此菜单下可以显示出目前所设置的显示状态,如下图所示:其中“001”表示全部显示,“002”表示分区显示此菜单可以设置:区域显示器全部显示控制器所传来的火警信息区域显示器分区间显示控制器所传来的火警信息(可设置4个区域显示)在上图所示的画面下按“确认键”进入区域设置子菜单:区域设置子菜单包括:1.显示分区区域;2.设置通显状态;3.设置分区显示 按“下翻键”:可以依次显示下述三个子菜单1.显示分区区域在此画面下按“确认键”:可以显示曾经设置的分区状态 按“功能键”:返回 2.设置通显状态:在此画面下按“确认键”并且输入密码可以设置为全部显示 按“功能键”:返回 3.设置分区显示:在此画面下按“确认键”并且输入密码可以设置4个分区显示,画面如下:按“下翻键”:当前光标处的数值会加 ”1” 按“右移键”:当前光标会向右移动 按“消音键“:当前光标会向左移动 按“确认键“:保存此次设置的结果 按“功能键“:不保存此次设置并返回在此画面下按“确认键”并正确输入密码后可以设置本区显地址号菜单按“下翻键”:当前光标处的数值会加“1”按“右移键”:当前光标会向右移动按“消音键”:当前光标会向左移动按“确认键”:保存此次设置的结果按“功能键”:不保存此次设置并返回。
LD6901消防控制室图形显示装置安装使用说明书【Leader CRT software system】北京利达华信电子有限公司B E I J I N G L E A D E R H U A X I N E L EC T R O N I C S C O.,L T D.目 录第一章概述 (2)第二章技术特性 (2)第三章系统组装 (4)第四章安装与调试 (5)第五章系统操作界面 (10)第六章系统设置 (49)第七章系统的使用 (54)第八章故障分析与排除 (61)第九章注意事项 (62)第十章 运输与贮存 (62)第十一章售后服务 (62)第一章概述LD6901消防控制室图形显示装置系统(以下简称LD6901)是我公司最新研制的图形显示装置系统,该系统通过RS232接口与本公司生产的各系列火灾报警控制器配套使用,采用17寸彩色液晶显示,利用多媒体技术将某一建筑物的消防平面布局图采用分层(或区)的方式显示在计算机彩色显示屏上。
适用国家标准GB16806-2006《消防联动控制系统》。
LD6901显示的内容包括建筑平面布局、用不同颜色不同图标构成的探测器、手动报警按钮及输入输出模块等消防设备及其所在的位置、其功能包括物理地址输入、火警显示、故障显示等。
本显示装置平面图绘制美观,允许在现场条件下修改现场图纸电子文件及在系统中灵活的增删改,增加、删改设备方便简单。
记录准确、完善,可供打印。
提供多种查询手段,满足用户日常管理的需要。
完善的操作员登录、管理制度。
具备以太网络接口、可与大厦的计算机网络系统相连接,实现智能化管理,具有通讯稳定可靠,高抗干扰等特性。
本手册应由专人负责,妥善保管,以备日后查用。
第二章技术特性2.1技术参数2.1.1电源:主电主电: AC 187V-242V 50Hz (3A保险管)2.1.2系统配置处理器:INTER Celeron500硬盘空间:40G内存:256M内存显示卡:8M;声卡:PCI显示器:19英寸彩色宽屏液晶(注:以上配置为最低配置)2.1.3操作系统及软件:操作系统:Microsoft Windows 98、Windows Me 、Windows NT 4.0、Windows 2000 Microsoft Windows 2003(注:以上操作系统可任选1种)2.1.4办公集成软件:Microsoft Office 2000、Microsoft Office 2003;2.1.5通讯接口:RJ45网口、COM串口2个、USB口2个;2.1.6 使用环境:环境温度:0℃~45℃相对湿度:≤95%RH(40℃±2℃)2.2工作原理2.2.1技术构成:该系统充分结合了火灾自动报警、计算机网络及通讯、自动控制和图形矢量化显示、自动化办公等当代先进的技术;2.2.2工作流程, 如图2-3所示:图2-32.2.3信息通讯原理,如图2-4所示:图2-42.3标准电磁兼容、安全标准:符合GB16806-2006《消防联动控制系统》的要求。
北京利达华信模块说明书设备的技术支持:主要针对于模块、探头的编码。
EN系列主机采用混合编址。
但为了便于现场编写逻辑关系及后期维护保养建议采取以下顺序编址:感烟探测器→感温探测器→燃气探测器→手动报警按钮→消火栓按钮→输入模块→输入输出模块。
其次是探测器、模块等的接线方式。
一般情况下施工方要了解接线方式,就要考虑到现场有没有预埋走线,是否需要重新布线。
一.现场经常用到的几种探头的技术支持1.LD10EN底座:用于LD3000EN/A、LD3300EN等探测器,采用二总线并联接线方式,TC+,TC-端子不分正负极。
1.12.LD2000E-A手动火灾报警按钮内部接线图(如图1.2所示):3、4脚是二总线端子,TC2、TC1无极性,1、2脚是一组无源常开接点,通过电压小于30V通过电流100MA,5脚6脚是备用消防电话接口,配合电话手柄使用。
如使用总线电话需要配合总线电话模块使用。
图1.23.LD2001EN消火栓按钮内部接线图(如图1.3所示):3、4脚是二总线端子,TC2、TC1无极性,1、2脚是一组无源常开接点,接直接启泵线(图1.4),通过电压小于30V通过电流 100MA,7脚是24V+,8脚是消防泵的反馈线。
图1.3图1.44. LD3101/B点型可燃气体探测器内部接线示意图(如图1.5所示):TC+,TC-,24V+,24V-四个端子。
3101/B点型可燃气体探测器探头编码方式是将TC+与24V+短接,TC-与24V-短接,用编码器的红色夹子夹在TC+上,黑色夹子夹在TC-上进行编码。
图1.55.LD4400EN-1/2输入模块端子图与接线图示例(如图1.6、1.7所示):6脚5脚是二总线TC+,TC-原则上不分正负极,11脚12脚是一组无源长开点,8脚7脚是一组无源长开点。
端子现场设备上需要加15K线路检测电阻。
图1.6图1.76.LD6800EC-1输入/输出模块内部接线图(如图1.8所示):1脚24V+,2脚24V-必须分极性,5、6脚TC+、TC-,11、12脚现场反馈信号接入点,需要接82K线路检测电阻。
JB-QB-LD128EN(M)火灾报警控制器(联动型)安装使用说明书目录第一章概述 (2)第二章技术特性 (2)第三章结构特性 (4)第四章安装与调试 (7)第五章系统设置 (8)第六章使用与操作 (20)第七章联动控制盘 (28)第八章故障分析与排除 (29)第九章注意事项 (29)第十章售后服务 (29)◇火警指示(红):首次火警发生时灯亮,并保持到系统复位。
◇反馈指示(红):设备有回答时灯亮,无回答时灯灭。
◇启动指示(红):设备被启动后,指示灯亮,无启动设备时灭。
◇延时指示(红):设备尚未启动,正处在延时状态时灯亮,延时结束时灯灭。
◇气体喷洒(红):气体喷洒设备有启动命令时灯亮,无启动命令时灯灭。
◇消音指示(绿):有火警、启动或故障发生时,按消音键后,消音指示灯亮。
◇全局手动(绿):当联动设备的启动状态设置为[全局手动]时灯亮。
◇全局自动(绿):当联动设备的启动状态设置为[全局自动]时灯亮。
◇屏蔽指示(黄):当有未接或故障的设备被屏蔽时灯亮。
无屏蔽设备时灯灭。
◇输出禁止(黄):当任意一联动设备被禁止时灯亮,无设备被禁止时灯灭。
◇系统故障(黄):当控制器主板程序出错时灯亮,主程序运行正常时灯灭。
◇公共故障(黄):控制器有故障时灯亮,全部故障消除后灯灭。
◇主电故障(黄):主电欠压及断线时灯亮,主电正常时灯灭。
◇备电故障(黄):备电欠压及断线时灯亮,备电正常时灯灭。
◇通讯故障(黄):当控制器主板与多线联动盘通讯故障时灯亮,无故障时灯灭。
◇本机发送(红):有火警发生时,本机向其他设备发送出火警信息后灯亮,未送出火警时灯灭。
◇监管报警(红):当漏电报警或断电时灯亮,系统复位后灯灭。
◇本机接收(红):当本机接收到其它设备发送来的火警信息后灯亮,未收到灯灭。
◇漏电报警(红):当漏电保护器发出漏电报警时灯亮,无报警时灯灭。
◇漏电断电(红):当漏电保护器断电时灯亮,正常工作时灯灭。
◇声光报警屏蔽(黄):声光报警屏蔽时灯亮,声光报警取消屏蔽时灯灭。
编号:LD-FJ/Y-157-02 SSJB-QB-LD128EN(M)-AI火灾报警控制器JB-QB-LD5502ENI气体灭火控制器安装使用说明书共 18 页编制: 日期:审核: 日期:批准: 日期:版号 信息 更改人 日期V2.0 完善运输与贮存、布线要求、LD5502ENI设置等内容 张风雨 2009-12-10JB-QB-LD128EN(M)-AI 火灾报警控制器JB-QB-LD5502ENI 气体灭火控制器安装使用说明书 目 录第一章 概述 (2)第二章 技术特性 (2)第三章 结构特性 (3)第四章 安装与调试 (8)第五章 系统设置 (9)第六章 使用与操作 (12)第七章 LD5502ENI气体灭火控制器 (15)第八章 故障分析与排除 (17)第九章 注意事项 (17)第十章 运输与贮存 (18)第十一章 售后服务 (18)声明:如本说明书版本已升级,则以最新版本为准,恕厂家不另行通知第一章 概述JB-QB-LD128EN(M)-AI火灾报警控制器/JB-QB-LD5502ENI气体灭火控制器(以下简称LD128EN(M)-AI、LD5502ENI)是智能化的二总线火灾自动报警设备,采用中文液晶显示, 集LD128EN(M)-AI报警控制器和LD5502ENI气体灭火控制器于一体,1个探测回路,最大地址点数为64点,配备了5路无源继电器输出。
主要针对中、小型消防工程项目设计。
满足GB16806-2006《消防联动控制系统》、GB4717-2005《火灾报警控制器》、GB/T19001-2008《质量管理体系 要求》和《消防产品3C认证实施规则》。
本设备环保和安全符合国家标准,安全可靠。
第二章 技术特性2.1 功能简介2.1.1液晶显示LD128EN(M)-AI采用液晶显示,并用发光二极管指示系统关键状态信息。
通过按键操作和液晶显示,可方便快捷地查询系统火灾信息和系统工作状态,可自由选择中英文菜单,只需按照菜单显示和提示进行操作,就能够快速地查询到所需要的信息。
JB-QB-LD128EN(M)火灾报警控制器(联动型)安装使用说明书目录第一章概述 (2)第二章技术特性 (2)第三章结构特性 (4)第四章安装与调试 (7)第五章系统设置 (8)第六章使用与操作 (20)第七章联动控制盘 (28)第八章故障分析与排除 (29)第九章注意事项 (29)第十章售后服务 (29)◇火警指示(红):首次火警发生时灯亮,并保持到系统复位。
◇反馈指示(红):设备有回答时灯亮,无回答时灯灭。
◇启动指示(红):设备被启动后,指示灯亮,无启动设备时灭。
◇延时指示(红):设备尚未启动,正处在延时状态时灯亮,延时结束时灯灭。
◇气体喷洒(红):气体喷洒设备有启动命令时灯亮,无启动命令时灯灭。
◇消音指示(绿):有火警、启动或故障发生时,按消音键后,消音指示灯亮。
◇全局手动(绿):当联动设备的启动状态设置为[全局手动]时灯亮。
◇全局自动(绿):当联动设备的启动状态设置为[全局自动]时灯亮。
◇屏蔽指示(黄):当有未接或故障的设备被屏蔽时灯亮。
无屏蔽设备时灯灭。
◇输出禁止(黄):当任意一联动设备被禁止时灯亮,无设备被禁止时灯灭。
◇系统故障(黄):当控制器主板程序出错时灯亮,主程序运行正常时灯灭。
◇公共故障(黄):控制器有故障时灯亮,全部故障消除后灯灭。
◇主电故障(黄):主电欠压及断线时灯亮,主电正常时灯灭。
◇备电故障(黄):备电欠压及断线时灯亮,备电正常时灯灭。
◇通讯故障(黄):当控制器主板与多线联动盘通讯故障时灯亮,无故障时灯灭。
◇本机发送(红):有火警发生时,本机向其他设备发送出火警信息后灯亮,未送出火警时灯灭。
◇监管报警(红):当漏电报警或断电时灯亮,系统复位后灯灭。
◇本机接收(红):当本机接收到其它设备发送来的火警信息后灯亮,未收到灯灭。
◇漏电报警(红):当漏电保护器发出漏电报警时灯亮,无报警时灯灭。
◇漏电断电(红):当漏电保护器断电时灯亮,正常工作时灯灭。
◇声光报警屏蔽(黄):声光报警屏蔽时灯亮,声光报警取消屏蔽时灯灭。
◇声光报警故障(黄):声光报警报故障时灯亮,声光报警故障消除后灯灭。
LD128EN(M) 的声音报警:LD128EN(M) 的声音共5种,火警音、故障音、气体喷洒音、监管音和备电欠压音,在有事件发生后,发出相应的声音。
第五章系统设置LD128EN(M)系统设置主要是对系统进行配置,包括:本机地址设置、各设备名称及地址设置、联动设备逻辑设置和设备自动查找设置等。
进入系统设置的方法:打开电源,在系统运行封面菜单下,连续按“↑↓← →”键,进入系统设置菜单。
在系统设置主菜单第一页和系统设置选择菜单(见下图5-3)下按“菜单”键,将在两个菜单间切换,在其它子菜单下,按“菜单”键将返回到系统设置主菜单第一页,按“取消”键,将返回到上一级菜单。
5.1系统设置主菜单系统设置主菜单共2页,主要是对本机在网络中的地址、本机所接回路地址、多线联动控制盘的地址、联网模式和工作方式进行设置。
系统设置主菜单第一页,如下图5-1:系统设置1-2本机地址:00回路地址:000联动首址:00 末址:00图5-1按“←”键:光标左移,按“→”键:光标右移,按“0~9”数字键:修改光标所在位置的数字。
连续按“↑”键四次:返回运行菜单。
按“确认”键:转入系统设置主菜单第二页,如图5-2:系统设置2-2联网机数:00CAN模式:0工作方式:0 单机图5-2按“←”键:光标左移,按“→”键:光标右移,按“0~9”数字键:修改光标所在位置的数字。
按“确认”键:保存所设置的内容,并转入系统设置选择菜单。
按“菜单”键,切换到系统设置选择菜,如图5-3。
注:当按“确认”键时,必须将本机与其它主机之间的CAN总线断开。
(1) CAN模式:即CAN总线协议。
0:CAN2.0B协议;1:CAN2.0A协议。
系统默认CAN模式为0。
(2) 本机地址:即本主机在网络中的地址。
系统默认本主机为单机工作方式,地址为:00。
(3) 回路地址:即本主机所连探测回路的地址,系统默认本主机回路地址为:00。
(4) 联动控制盘地址:首址:即本机所接第一块联动控制盘地址(即本机所带8路联动盘地址)。
末址:即本机所接最后一块联动控制盘地址。
注:本机所接联动控制盘必须为连续地址。
例:首址:02;末址:04其意为:本机所带8路联动盘地址为2号,另外2块联动盘地址分别为3、4号。
(5) 联网机数:即控制器联网时他所连接的控制器总数,包括它自己。
(6) 网络设置:0 单机工作方式:即本机不联网。
1 显示网络情况:即本机联网,但只显示网络情况,不允许其它主机对本机进行控制。
2 允许网络控制:即本机联网,而且允许其它主机对本机进行控制。
注:若接CRT,网络设置不能为0。
“1显示网络情况”功能暂未使用。
5.2系统设置选择菜单系统设置选择菜单可以使调试人员用各种不同的方式对设备进行设置,如图5-3:图5-31.手动4.造词2. 自动5. 快速3.逻辑6. 延时按“1”键进入手动设置回路菜单,见下图5-4、5-5,按“取消”键返回系统设置主菜单第一页。
5.3手动设置回路选择菜单系统设置回路选择菜单共2页,按“▼”或“▲”键,选择要进行手动设置的回路,如图5-4、5-5:图5-4回路0 ▼总量000 探测000模块000 区显000借用000图5-5回路1 ▲总量000 探测000模块000 区显000借用000其中:总数——各回路所接设备总数。
探测——各回路所接报警设备总数。
模块——各回路所接联动模块总数。
区显——各回路所接区域显示器总数。
借用——各回路所接直接输出节点设备总数。
按“取消”键返回系统设置选择菜单。
按“确认”键进入手动设置菜单第1页,如图5-6:地址:00000类型:0 报警状态:0 关名称:0 感烟探测器图5-6按“←”键:光标左移;按“→”键:光标右移。
按“↑”键:显示上一设备设置内容;按“↓”键:显示下一设备设置内容。
先按“复用1”键,再按“↑”键:当前设备地址-10,并显示其内容。
先按“复用2”键,再按“↑”键:当前设备地址-30,并显示其内容。
先按“复用1”键,再按“↓”键:当前设备地址+10,并显示其内容。
先按“复用2”键,再按“↓”键:当前设备地址+30,并显示其内容。
输入“0”~“9”键:光标所在位置的内容按照相应的数字改变。
先按“复用1”键,再按“0”~“5”数字键,可将数字改变为“A”~“F”。
按“取消”键:返回系统设置回路0选择菜单。
如图5-4按“确认”键:进入手动设置菜单第2页,当设备类型为模块或借用时,如图5-7-1;当设备类型为报警时,如图5-7-2。
00楼00层00房间键值:00-I5延时:000模式:0:自动00楼00层00房间报警域值:000复合温值:000图5-7-1 图5-7-2其中:(1) 地址——即当前设备地址。
其中前两位为设备所在回路地址,后三位为设备地址。
(2) 设备类型——即当前设备的类型。
本机设备类型分为四类,分别为:0:报警1:区显2:模块3:借用注:借用即多线联动控制盘借用模块地址。
当设备类型为借用时,图5-6增加了输出方式控制,如图5-8所示:地址:00000类型:3 借用0 电平状态:0 关名称:0 电源图5-80:电平控制方式1:脉冲控制方式当设备类型为模块时,并且设定了键值,如图5-9所示也增加了输出方式控制:地址:00000类型:2 模块0 电平状态:0 关名称:0 电源图5-90:电平控制方式1:脉冲控制方式(3) 状态——即当前设备所处状态。
本机状态类型分为三类,分别为:0:关;1:开;2:屏蔽(4) 设备名称——即当前设备的名称。
本机设备名称按设备类型不同分为不同的种类。
报警类设备名称分别为:0:感烟探测器1:感温探测器2:手报3:可燃气4:红外5:组联模块6:防爆接口7:消火栓按钮8:压力开关9:水流指示器10:防火阀11:感温电缆12:信号阀13:接口14:烟温复合15:其他16:剩余电流17:温度18:A相电流19:B相电流20:C相电流模块及借用类设备名称分别为:0:电源1:消防泵2:喷淋泵3:气体灭火4:泡沫灭火5:干粉灭火6:卷帘门7:防火门8:空调新风9:防排烟10:电梯11:消防广播12:应急照明13:疏散指示14:声光警报15:漏电16:喷雾泵17:排烟口18:正压送风19:正压排烟20:补风机21:新风机22:排风机23:预作用阀24:末端放气25:排烟风机26:防火阀(5) 部位——即当前设备安装的具体位置。
(6) 报警域值——即当前报警设备的报警线。
此值为探测设备出厂默认值,一般不要进行修改,有特殊需要时在手动设置第2页(图5-7-2),输入所需数值按“确认”键可更改报警域值。
如设置利达英杰公司的电气火灾监控探测器的报警阈值时,按表5-1的设置方式:表5-1类型电气火灾监控探测器实际阈值单位电气火灾监控探测器阈值设置值(取整)剩余电流0~1000mA电气火灾监控探测器实际阈值/4三相电流0~1000A电气火灾监控探测器实际阈值/4温度0~150℃电气火灾监控探测器实际阈值例:当名称为:16 剩余电流。
实际阈值为610mA,则报警域值需设置为610/4取整=152 。
(7) 复合温值——即复合探头的温度报警线。
只针对复合探头才有值。
此值为出厂默认值,有特殊需要时在手动设置第2页(图5-7-2),输入所需数值按“确认”键可更改报警域值。
(8) 键值——模块及直接输出节点(借用)所对应的联动控制盘的键号。
其中:前两位为手动盘盘号,范围为0~63号。
后两位为手动盘上的键号,范围为0~63号。
当某设备被设置为模块或借用时,主机将自动读出此设备所对应的键值,如果键值为I5-I5,则表明此设备没有被设置为联动控制盘地址。
例1:00012号设备类型被设置为“模块”,键值地址为01-00,这表明0回路12号模块对应1号总线式联动控制盘第0路,当强制启动1号联动控制盘第0路时,0回路12号模块将被启动。
当0回路12号模块逻辑满足要求时,将向1号联动控制盘第0路发出启动命令。
例2:01012号设备类型被设置为“借用”,键值地址为00-01,这表明1回路12号地址对应0号多线联动控制盘第1路,当1回路12号设备逻辑满足要求时,将向0号联动控制盘第1路发出启动命令。
注:键值的设置要在联动控制盘与主机通讯正常时设置,否则键值传送无效。
当键值为默认值I5-I5时,将不对联动控制盘进行设置。
(9) 延时——模块启动的延时时间。
延时数字范围为0~120,每个数字间隔5秒,最高延时600秒。
延时状态不仅可以通过菜单操作强制启动退出延时状态,还可通过手动报警按钮参与逻辑,用手动报警按钮直接启动退出延时状态。
例如:延时:006 表示此模块启动需带延时30秒。