阀门磅级换算
- 格式:pdf
- 大小:67.18 KB
- 文档页数:2
公称压力由字母PN和其后紧跟的整数数字组成,它与管件系统元件的力学性能和尺寸特性相关。
在我国设计公称压力时为了明确起见,通常给出计量单位,以“MPa”表示。
在美国、英国及欧洲部分国家中,尽管目前在有关标准中已经列入了公称压力PN的概念,但实际应用中仍采用英制单位的压力级制(CL)表示。
PN,CLass,都是压力的一种表示方法,所不同的是,它们所代表承受的压力对应参照温度不同,PN欧洲体系是指在120℃下所对应的压力,而CLass美标是指在425.5℃下所对应的压力。
所以在工程互换中两者没有严格的对应关系,不能单纯的进行压力换算,如CLass300#单纯用压力换算应是2.1MPa,但如果考虑到使用温度的话,它所对应的压力就升高了,根据材料的温度耐压试验测定相当于5.0MPa。
阀门的体系有2种:一种是德国(包括我国)为代表的以常温下(我国是100度、德国是120度)的许用工作压力为基准的“公称压力”体系。
一种是美国为代表的以某个温度下的许用工作压力为代表的“温度压力体系”美国的温度压力体系中,除150LB以260度为基准外,其他各级均以454度为基准。
150磅级(150psi=1MPa)的25号碳钢阀门在260度时候,许用应力为1MPa,而在常温下的许用应力要比1MPa大得多,大约是2.0MPa。
所以,一般说美标150LB对应的公称压力等级为2.0MPa,300LB对应的公称压力等级为5.0MPa等等。
因此,不能随便按照压力变换公式来变换公称压力和温压等级。
PN是一个用数字表示的与压力有关的代号,是提供参考用的一个方便的圆整数,它与管道系统元件的力学性能和尺寸特性相关。
PN是近似于折合常温的耐压MPa数,是国内阀门通常所使用的公称压力。
对碳钢阀体的控制阀,指在200℃以下应用时允许的最大工作压力;对铸铁阀体,指在120℃以下应用时允许的最大工作压力;对不锈钢阀体的控制阀,指在250℃以下应用时允许的最大工作压力。
阀门磅级,MPA, BAR, PSI和公斤的含义和换算class 150 300 400 600 800 900 1500 2500 LBMpa 1.6-2.0 2.5-5.0 6.3 10.0 13.0 15.0 25.0 42.0 MPA150LB对应1.6-2.0MPa,300LB对应2.5-5.0MPa,400LB对应6.3MPa,600LB对应10MPa,800LB对应13MPa,900LB对应15MPa,1500LB对应25MPa,2500LB对应42MPa我通常所用的PN,CLass,都是压力的一种表示方法,所不同的是,它们所代表承受的压力对应参照温度不同,PN欧洲体系是指在120℃下所对应的压力,而CLass美标是指在425.5℃下所对应的压力。
所以在工程互换中不能只单纯的进行压力换算,如CLass300#单纯用压力换算应是2.1MPa,但如果考虑到使用温度的话,它所对应的压力就升高了,根据材料的温度耐压试验测定相当于5.0MPa。
阀门的体系有2种:一种是德国(包括我国)为代表的以常温下(我国是100度、德国是120度)的许用工作压力为基准的“公称压力”体系。
一种是美国为代表的以某个温度下的许用工作压力为代表的“温度压力体系”美国的温度压力体系中,除150LB以260度为基准外,其他各级均以454度为基准。
150磅级(150psi=1MPa)的25号碳钢阀门在260度时候,许用应力为1MPa,而在常温下的许用应力要比1MPa大得多,大约是2.0MPa。
所以,一般说美标150LB对应的公称压力等级为2.0MPa,300LB对应的公称压力等级为5.0MPa等等。
因此,不能随便按照压力变换公式来变换公称压力和温压等级。
PN是一个用数字表示的与压力有关的代号,是提供参考用的一个方便的圆整数,PN是近似于折合常温的耐压MPa数,是国内阀门通常所使用的公称压力。
对碳钢阀体的控制阀,指在200℃以下应用时允许的最大工作压力;对铸铁阀体,指在120℃以下应用时允许的最大工作压力;对不锈钢阀体的控制阀,指在250℃以下应用时允许的最大工作压力。
class 150 300 400 600 800 900 1500 2500 LBMpa 1.6-2.0 2.5-5.0 6.3 10.0 13.0 15.0 25.0 42.0 MPA我们通常所用的PN,CLass,都是压力的一种表示方法,所不同的是,它们所代表承受的压力对应参照温度不同,PN欧洲体系是指在120℃下所对应的压力,而CLass美标是指在425.5℃下所对应的压力。
所以在工程互换中不能只单纯的进行压力换算,如CLass300#单纯用压力换算应是2.1MPa,但如果考虑到使用温度的话,它所对应的压力就升高了,根据材料的温度耐压试验测定相当于5.0MPa。
阀门的体系有2种:一种是德国(包括我国)为代表的以常温下(我国是100度、德国是120度)的许用工作压力为基准的“公称压力”体系。
一种是美国为代表的以某个温度下的许用工作压力为代表的“温度压力体系”美国的温度压力体系中,除150LB以260度为基准外,其他各级均以454度为基准。
150磅级(150psi=1MPa)的25号碳钢阀门在260度时候,许用应力为1MPa,而在常温下的许用应力要比1MPa大得多,大约是2.0MPa。
所以,一般说美标150LB对应的公称压力等级为2.0MPa,300LB对应的公称压力等级为5.0MPa等等。
因此,不能随便按照压力变换公式来变换公称压力和温压等级。
PN是一个用数字表示的与压力有关的代号,是提供参考用的一个方便的圆整数,PN是近似于折合常温的耐压MPa数,是国内阀门通常所使用的公称压力。
对碳钢阀体的控制阀,指在200℃以下应用时允许的最大工作压力;对铸铁阀体,指在120℃以下应用时允许的最大工作压力;对不锈钢阀体的控制阀,指在250℃以下应用时允许的最大工作压力。
当工作温度升高时,阀体的耐压会降低。
美标阀门以磅级为表示公称压力,磅级是对于某一种金属的结合温度和压力的计算结果,他根据ANSI B16.34的标准来计算。
MPA, BAR, PSI和公斤的含义和换算class 150 300 400 600 800 900 1500 2500 LB Mpa 1.6·2.0 2.5·5.0 6.3 10.0 13.0 15.0 25.0 42.0 MPA 150LB对应1.6-2.0MPa,300LB对应2.5-5.0MPa,400LB对应6.3MPa,600LB对应10MPa,800LB对应13MPa,900LB对应15MPa,1500LB对应25MPa,2500LB对应42MPa我通常所用的PN,CLass,都是压力的一种表示方法,所不同的是,它们所代表承受的压力对应参照温度不同,PN欧洲体系是指在120℃下所对应的压力,而CLass美标是指在425.5℃下所对应的压力。
所以在工程互换中不能只单纯的进行压力换算,如CLass300#单纯用压力换算应是2.1MPa,但如果考虑到使用温度的话,它所对应的压力就升高了,根据材料的温度耐压试验测定相当于5.0MPa。
阀门的体系有2种:一种是德国(包括我国)为代表的以常温下(我国是100度、德国是120度)的许用工作压力为基准的“公称压力”体系。
一种是美国为代表的以某个温度下的许用工作压力为代表的“温度压力体系”美国的温度压力体系中,除150LB以260度为基准外,其他各级均以454度为基准。
150磅级(150psi=1MPa)的25号碳钢阀门在260度时候,许用应力为1MPa,而在常温下的许用应力要比1MPa大得多,大约是2.0MPa。
所以,一般说美标150LB对应的公称压力等级为2.0MPa,300LB对应的公称压力等级为5.0MPa等等。
因此,不能随便按照压力变换公式来变换公称压力和温压等级。
PN是一个用数字表示的与压力有关的代号,是提供参考用的一个方便的圆整数,PN是近似于折合常温的耐压MPa数,是国内阀门通常所使用的公称压力。
对碳钢阀体的控制阀,指在200℃以下应用时允许的最大工作压力;对铸铁阀体,指在120℃以下应用时允许的最大工作压力;对不锈钢阀体的控制阀,指在250℃以下应用时允许的最大工作压力。
阀门磅级和公称压力对照表大家都知道:class 150 300 400 600 800 900 1500 2500 LBMpa 1.6-2.0 2.5-5.0 6.3 10.0 13.0 15.0 25.042.0 MPA我们通常所用的PN,CLass,都是压力的一种表示方法,所不同的是,它们所代表承受的压力对应参照温度不同,PN欧洲体系是指在120℃下所对应的压力,而CLass美标是指在425.5℃下所对应的压力。
所以在工程互换中不能只单纯的进行压力换算,如CLass300#单纯用压力换算应是2.1MPa,但如果考虑到使用温度的话,它所对应的压力就升高了,根据材料的温度耐压试验测定相当于5.0MPa。
阀门的体系有2种:一种是德国(包括我国)为代表的以常温下(我国是100度、德国是120度)的许用工作压力为基准的“公称压力”体系。
一种是美国为代表的以某个温度下的许用工作压力为代表的“温度压力体系”美国的温度压力体系中,除150LB以260度为基准外,其他各级均以454度为基准。
150磅级(150psi=1MPa)的25号碳钢阀门在260度时候,许用应力为1MPa,而在常温下的许用应力要比1MPa大得多,大约是2.0MPa。
所以,一般说美标150LB对应的公称压力等级为2.0MPa,300LB对应的公称压力等级为5.0MPa等等。
因此,不能随便按照压力变换公式来变换公称压力和温压等级。
PN是一个用数字表示的与压力有关的代号,是提供参考用的一个方便的圆整数,PN是近似于折合常温的耐压MPa数,是国内阀门通常所使用的公称压力。
对碳钢阀体的控制阀,指在200℃以下应用时允许的最大工作压力;对铸铁阀体,指在120℃以下应用时允许的最大工作压力;对不锈钢阀体的控制阀,指在250℃以下应用时允许的最大工作压力。
当工作温度升高时,阀体的耐压会降低。
美标阀门以磅级为表示公称压力,磅级是对于某一种金属的结合温度和压力的计算结果,他根据ANSI B16.34的标准来计算。
阀门磅级,MPA, BAR, PSI和公斤的含义和换算class 150 300 400 600 800 900 1500 2500 LBMpa 1.6-2.0 2.5-5.0 6.3 10.0 13.0 15.0 25.0 42.0 MPA150LB对应1.6-2.0MPa,300LB对应2.5-5.0MPa,400LB对应6.3MPa,600LB对应10MPa,800LB对应13MPa,900LB对应15MPa,1500LB对应25MPa,2500LB对应42MPa我通常所用的PN,CLass,都是压力的一种表示方法,所不同的是,它们所代表承受的压力对应参照温度不同,PN欧洲体系是指在120℃下所对应的压力,而CLass美标是指在425.5℃下所对应的压力。
所以在工程互换中不能只单纯的进行压力换算,如CLass300#单纯用压力换算应是2.1MPa,但如果考虑到使用温度的话,它所对应的压力就升高了,根据材料的温度耐压试验测定相当于5.0MPa。
阀门的体系有2种:一种是德国(包括我国)为代表的以常温下(我国是100度、德国是120度)的许用工作压力为基准的“公称压力”体系。
一种是美国为代表的以某个温度下的许用工作压力为代表的“温度压力体系”美国的温度压力体系中,除150LB以260度为基准外,其他各级均以454度为基准。
150磅级(150psi=1MPa)的25号碳钢阀门在260度时候,许用应力为1MPa,而在常温下的许用应力要比1MPa大得多,大约是2.0MPa。
所以,一般说美标150LB对应的公称压力等级为2.0MPa,300LB对应的公称压力等级为5.0MPa等等。
因此,不能随便按照压力变换公式来变换公称压力和温压等级。
PN是一个用数字表示的与压力有关的代号,是提供参考用的一个方便的圆整数,PN是近似于折合常温的耐压MPa数,是国内阀门通常所使用的公称压力。
对碳钢阀体的控制阀,指在200℃以下应用时允许的最大工作压力;对铸铁阀体,指在120℃以下应用时允许的最大工作压力;对不锈钢阀体的控制阀,指在250℃以下应用时允许的最大工作压力。
阀门压力单位换算表LB及MPa压力换算阀门压力单位换算表LB及MPa压力换算ANSI标准里的cla ss 150LB、300LB、600LB、900LB、1200LB分别对应多少MPa?LB及MPa如何换算?为美洲系列中的150L B=2.0Mpa、300LB=5.0Mpa、600LB=11.0Mpa、900LB=15.0Mpa、1200LB=26.0Mpa SNSI的标注lb,单位是磅/平方英寸,1lb/in2=6.895X10-3Pa1lb/in2=6.895X103Pa,纠正一下.是查化工工艺手册的压力换算表如下。
14.5psi=0.1Mpa1bar=0.1Mpa30psi=0.21mpa,7bar=0.7mpa现将单位的换算转摘如下:Bar---国际标准组织定义的压力单位。
1 bar=100,000Pa1Pa=F/A,Pa: 压力单位, 1Pa=1 N/㎡F : 力, 单位为牛顿(N)A: 面积, 单位为㎡1bar=100,000Pa=100Kpa1 atm=101,325N/㎡=101,325Pa所以,bar是一种表压力(gaugepressu re)的称呼。
1Kg/c㎡=98.067KPa =0.9806ba r1bar=1.02Kg/ c㎡压力单位:英制(IP) psi ,psf ,in.Hg ,inH2O公制(metric) Kg/㎡, Kg/ c㎡,mH2OISO公制(ISO metric) Pa , bar ,N压力1巴(bar)=100000帕(Pa)1达因/厘米2(dyn/cm2)=0.1帕(Pa)1托(Torr)=133.322帕(Pa)1毫米汞柱(mmHg)=133.322帕(Pa)1毫米水柱(mmH2O)=9.80665帕(Pa)1工程大气压=98.0665千帕(kPa)1千帕(kPa)=0.145磅力/英寸2(psi)=0.0102千克力/厘米2(kgf/cm2)=0.0098大气压(atm)1磅力/英寸2(psi)=6.895千帕(kPa)=0.0703千克力/厘米2(kg/cm2)=0.0689巴(bar)=0.068大气压(atm)1物理大气压(atm)=101.325千帕(kPa)=14.696磅/英寸2(psi)=1.0333巴(bar)压力单位换算表Pa帕bar巴kgf/cm2atm at TorrmmH2OmmHgPsi1 Pa帕 1 0.000010.000010.000010.000010.00750.101970.00750.000141 bar巴1000011.019720.98691.01972750.06210.1972750.06214.5041kgf/cm298066.50.980671 0.9678 1 735.6 10.000 735.6 14.221 atm标准大气压1013251.013251.033 1 760 10.332 760 14.71 at工程大气压980670.980671 0.9678 1 735.6 10.000 735.6 14.221 Torr 托133.3 0.001330.001360.001320.001361 13.6 10.01934H2O1mm 毫米水柱9.80670.0000980.00010.00009680.00010.0735610.073560.001421 mmHg 毫米汞柱133.3220.001330.001360.001320.00136113.595110.019341 Psi 磅/寸2 6894.760.068950.070310.068050.0703151.7149703.0751.71491压力单位换算表单位Pa KPaMPabarmbarkgf/cm2cmH2OmmH2OmmHg p.s.iPa 1 10-310-610-510-210.2×10-61.02×10-3101.97×10-37.5×10-30.15×10-3KPa 103 1 10-310-21010.2×10-310.2 101.97 7.5 0.15MPa 06 1031 10 104 10.21.02×103101.97×1037.5×103 0.15×103bar 105 10210-11 103 1.021.02×10310.2×103750.06 14.5mbar 102 10-110-410 11.02×10-31.02 10.2 0.75 14.5×10-3kgf/c m2 98066.598.0798.07×10-30.98980.671 1000 10.000 735.56 14.22cmH2 O98.0698.07×10-398.07×10-60.98×10-30.9810-3 1 10 0.74 14.22×103mmH 2O9.8069.807×10-39.807×10-698.07×10-698.07×10-310-4 0.1 173.56×10-31.42×10-3mmH g 133.32133.32×10-3133.32×10-61.33×10-31.331.36×10-31.36 13.6 1 19.34×10-3p.s.i 6894.766.896.89×10-368.95×10-368.9570.31×10-370.31 703.07 51.71 1常用压力计量单位及其标识符号:▲兆帕(MPa); 千帕(kPa); 帕(Pa)※:压力单位的兆帕符号为MPa 不要书写为Mpa mpa ; 千帕符号kPa 不要书写为KPa Kpa 或kpa;帕的符号Pa 不要书写为pa▲磅力/英寸2(lbf/in2, psi)※:压力单位的磅力/英寸2符号为lbf/in2, psi 不要书写为Ibf/ln2 Psi ;▲毫米汞柱(mmHg)※:压力单位的毫米汞柱符号为mmHg 不要书写为mmhg ;▲英寸汞柱(inHg)※:压力单位的英寸汞柱符号为inHg 不要书写为inhg ;▲毫米水柱(mmH2O)※:压力单位的毫米水柱符号为mmH2O不要书写为mmh2O;▲英寸水柱(inH2O)※:压力单位的英寸水柱符号为inH2O不要书写为inh2O;▲千克力/厘米2(kgf/cm2)※:压力单位的千克力/厘米2符号为kgf/cm2 不要书写为Kgf/cm2 ;▲物理大气压(atm)※:压力单位的物理大气压符号为atm 不要书写为Atm ;▲巴(bar); 毫巴(mbar)※:压力单位的巴和毫巴符号为bar 和mbar 不要书写为Bar 和mBar ;●托(Torr)※:压力单位的托符号为Torr 不要书写为torr .本压力计量单位换算工具可进行的转换和换算:1.某常用压力单位内部的转换和换算.如:压力单位“帕”中的MPa 与kPa 或 Pa 之间的相互转换或相互换算.2.两个不同的压力单位之间的相互转换或相互换算.如:MPa 与 psi 之间的相互转换或相互换算.※关于压力单位转换与压力单位换算:所谓压力单位的转换,是指在不同压力单位之间,且被转换的压力量值为“1”时的压力单位换算方式.如:1 MPa 等于多少psi、1 mbar 等于多少MPa 等.而压力单位的换算,则不限于压力量值和压力单位.如:1.316 MPa 等于多少psi、1.316 MPa 等于多少kPa 等.严格地讲,压力单位转换与压力单位换算是不同的概念.常用压力计量单位及其标识符号:▲兆帕(MPa); 千帕(kPa); 帕(Pa)※: 压力单位的兆帕符号为MPa 不要书写为Mpa mpa ; 千帕符号kPa 不要书写为KPa Kpa 或kpa; 帕的符号 Pa 不要书写为pa▲磅力/英寸2(lbf/in2, psi)※: 压力单位的磅力/英寸2符号为lbf/in2, psi 不要书写为Ibf/ln2 Psi ;▲毫米汞柱(mmHg)※: 压力单位的毫米汞柱符号为mmHg 不要书写为mmhg ;▲英寸汞柱(inHg)※: 压力单位的英寸汞柱符号为inHg 不要书写为inhg ;▲毫米水柱(mmH2O)※:压力单位的毫米水柱符号为mmH2O不要书写为mmh2O;▲英寸水柱(inH2O)※: 压力单位的英寸水柱符号为inH2O不要书写为inh2O;▲千克力/厘米2(kgf/cm2)※: 压力单位的千克力/厘米2符号为kgf/cm2 不要书写为Kgf/cm2 ;▲物理大气压(atm)※: 压力单位的物理大气压符号为atm 不要书写为Atm ;▲巴(bar); 毫巴(mbar)※: 压力单位的巴和毫巴符号为bar 和mbar 不要书写为Bar 和mBar ;●托(Torr)※: 压力单位的托符号为Torr 不要书写为torr .※常用压力计量单位换算工具功能说明:本压力计量单位换算工具与常见的压力单位换算表有着本质的区别, 压力单位换算表仅能对压力单位之间的对应关系进行列表,且压力单位换算表也不能对特定量值进行同压力单位或不同压力单位的换算或转换. 可以说, 压力单位换算表使用起来会有很大的局限, 但比使用压力单位换算公式进行计算还是有一定优势, 因为它是一个压力单位换算表. 本压力计量单位换算工具可以完全取代常见的压力单位换算表, 且可避免使用压力单位换算公式带来的不便. 它可进行如下的压力单位转换或压力单位换算:1.某常用压力单位内部的转换或换算.如: “帕”单位中的MPa与kP a或Pa的换算.2.两个不同的压力单位之间的相互转换或相互换算. 如: MPa与ps i的换算或转换.※关于压力单位转换与压力单位换算:所谓压力单位的转换, 是指在不同压力单位之间, 且被转换的压力量值为“1”时的压力单位换算方式.如: 1MPa等于多少psi、1mbar等于多少MP a 等. 而压力单位的换算, 则不限于压力量值和压力单位. 如: 1.316MPa等于多少p si、1.316MPa等于多少k Pa 等. 严格地讲, 压力单位转换与压力单位换算是不同的概念.※常用压力计量单位换算工具操作说明:1.首先在第一个文本框(左起第一个△指示处)中输入要换算量的数值,2.在第一个下拉列表框(左起第二个△指示处)中选择要换算量值所属的压力计量单位,3.在第二个下拉列表框(左起第三个△指示处)中选择要将量值转换为何种压力计量单位,4.第二个文本框(左起第四个△指示处)中显示的是换算后的数值,5.最后的文本框中显示的是换算后数值的压力单位.※压力是工业流程中最常用的参量之一, 压力的计量单位也相对之多, 常见的压力计量单位就有十多种, 可见对各种压力单位之间的转换和换算是多么常用. 本工具为方便各位同行而设计, 较常用的压力计量单位换算表相比,其更为灵活实用. 它不但可以实现常用压力单位之间的转换, 还可以实现不同压力单位的实际量值的换算(这是压力计量单位换算表无法实现的), 其小巧、灵活、实用, 希望您能喜欢!。
阀门压力等级的对照表一、常见美标压力等级(磅级 psi)与近似对应的公称压力(PN)1. 150磅级(150 psi)这就像是阀门压力里的小老弟。
大约相当于PN20。
在一些低压的水管路或者不太需要高压的普通工业管道上,这种150磅级的阀门就够用啦。
就好比你给小花园浇水的水管上的阀门,不需要承受太大压力,150磅级完全能搞定。
2. 300磅级(300 psi)比150磅级稍微厉害一点的家伙。
大概对应PN50。
在一般的化工原料输送管道中,如果压力不是特别高,300磅级的阀门就能上场啦。
就像一个可以处理稍微有点压力工作的小助手,能在中等压力的环境下稳稳当当。
3. 600磅级(600 psi)这可算是比较强壮的阀门压力等级了。
近似于PN110。
在一些中高压的蒸汽管道或者石油精炼过程中的部分管道上会用到。
它就像一个压力世界里的中级战士,能承受住比较大的压力冲击。
4. 900磅级(900 psi)已经是相当高的压力等级了,大概和PN150差不多。
在高压的化工生产流程或者一些特殊的工业高压系统里发挥作用。
这就像是压力阀门中的大力士,能在高压环境下坚守岗位,保证系统的密封性和安全性。
5. 1500磅级(1500 psi)超级强大的压力等级,相当于PN260左右。
这种阀门通常用在超高压的特殊化工、石油开采的深层高压区域等极端压力环境下。
它就像是压力阀门中的超级英雄,专门应对那些超高压力的艰巨任务。
二、英标压力等级(class)与近似对应。
1. Class150.和美标150磅级类似,也大约相当于PN20。
在英国或者一些采用英制标准的地区的低压管道系统中使用。
可以想象成是英制管道世界里的低压小能手。
2. Class300.类似于美标300磅级,大概对应PN50。
在中低压的英制管道系统,比如一些传统的英国工业厂房的管道里常见。
就像一个遵循古老英制标准的中低压守护者。
3. Class600.与美标600磅级相近,约为PN110。
阀门的体系有2种:一种是德国(包括我国)为代表的以常温下(我国是100度、德国是120度)的许用工作压力为基准的“公称压力”体系。
一种是美国为代表的以某个温度下的许用工作压力为代表的“温度压力体系”美国的温度压力体系中,除150LB以260度为基准外,其他各级均以454度为基准。
150磅级(150psi=1MPa)的25号碳钢阀门在260度时候,许用应力为1MPa,而在常温下的许用应力要比1MPa大得多,大约是2.0MPa。
所以,一般说美标150LB对应的公称压力等级为2.0MPa,300LB对应的公称压力等级为5.0MPa等等。
因此,不能随便按照压力变换公式来变换公称压力和温压等级管线的级别是如何定义的-ansi的标准Class 150,300,400,600,900,1500,2500 lb,与SI制压力等级对应关系如下:150 lb——2.0MPa600 lb——10.0MPa(ISO将其改为 11.0MPa)300 lb——5.0MPa 900 lb——15.0MPa400 lb——6.8MPa 1500 lb——25.0MPa(ISO将其改为 26.0MPa)DN15~600mm 2500 lb——42.0MPaCL150----------PN2.0、PN1.6 PN2.5CL300----------PN5.0、 PN4.0CL400----------PN6.8、 PN6.3CL600----------PN10.0, PN11.0CL900----------PN15.0、 PN16.0CL1500---------PN25.0、 PN26.0CL2500---------PN42.0阀门公称压力-磅级换算表我国和欧洲所用的公制体系下用于标识阀门压力等级的是:公称压力(或者MPa)。
而美国用于标识阀门的是:磅级(CL)。
两者是不能通过“单位换算”来转换的。
将公称压力(单位是“千克力/平方厘米”,前缀为PN)直接换算成磅级(单位是“磅力/平方英寸”,前缀为CL)得到的结果是不正确的。
磅与压力Mpa换算关系阀门的体系有2种:一种是德国(包括我国)为代表的以常温下(我国是100度、德国是120度)的许用工作压力为基准的“公称压力”体系。
一种是美国为代表的以某个温度下的许用工作压力为代表的“温度压力体系”美国的温度压力体系中,除150LB以260度为基准外,其他各级均以454度为基准。
150磅级(150psi=1MPa)的25号碳钢阀门在260度时候,许用应力为1MPa,而在常温下的许用应力要比1MPa大得多,大约是2.0MPa。
所以,一般说美标150LB对应的公称压力等级为2.0MPa,300LB对应的公称压力等级为5.0MPa等等。
因此,不能随便按照压力变换公式来变换公称压力和温压等级管线的级别是如何定义的-ansi的标准Class 150,300,400,600,900,1500,2500 lb,与SI制压力等级对应关系如下:150 lb――2.0MPa600 lb――10.0MPa(ISO将其改为11.0MPa)300 lb――5.0MPa 900 lb――15.0MPa400 lb――6.8MPa 1500 lb――25.0MPa(ISO将其改为26.0MPa)DN15~600mm 2500 lb――42.0MPaCL150----------PN2.0、PN1.6 PN2.5CL300----------PN5.0、PN4.0CL400----------PN6.8、PN6.3CL600----------PN10.0, PN11.0CL900----------PN15.0、PN16.0CL1500---------PN25.0、PN26.0CL2500---------PN42.0阀门公称压力-磅级换算表我国和欧洲所用的公制体系下用于标识阀门压力等级的是:公称压力(或者MPa)。
而美国用于标识阀门的是:磅级(CL)。
两者是不能通过“单位换算”来转换的。
将公称压力(单位是“千克力/平方厘米”,前缀为PN)直接换算成磅级(单位是“磅力/平方英寸”,前缀为CL)得到的结果是不正确的。
公称压力由字母PN和其后紧跟的整数数字组成,它与管件系统元件的力学性能和尺寸特性相关。
在我国设计公称压力时为了明确起见,通常给出计量单位,以“MPa”表示。
在美国、英国及欧洲部分国家中,尽管目前在有关标准中已经列入了公称压力PN的概念,但实际应用中仍采用英制单位的压力级制(CL)表示。
PN,CLass,都是压力的一种表示方法,所不同的是,它们所代表承受的压力对应参照温度不同,PN欧洲体系是指在120℃下所对应的压力,而CLass美标是指在425.5℃下所对应的压力。
所以在工程互换中两者没有严格的对应关系,不能单纯的进行压力换算,如CLass300#单纯用压力换算应是2.1MPa,但如果考虑到使用温度的话,它所对应的压力就升高了,根据材料的温度耐压试验测定相当于5.0MPa。
阀门的体系有2种:一种是德国(包括我国)为代表的以常温下(我国是100度、德国是120度)的许用工作压力为基准的“公称压力”体系。
一种是美国为代表的以某个温度下的许用工作压力为代表的“温度压力体系”美国的温度压力体系中,除150LB以260度为基准外,其他各级均以454度为基准。
150磅级(150psi=1MPa)的25号碳钢阀门在260度时候,许用应力为1MPa,而在常温下的许用应力要比1MPa大得多,大约是2.0MPa。
所以,一般说美标150LB对应的公称压力等级为2.0MPa,300LB对应的公称压力等级为5.0MPa等等。
因此,不能随便按照压力变换公式来变换公称压力和温压等级。
PN是一个用数字表示的与压力有关的代号,是提供参考用的一个方便的圆整数,它与管道系统元件的力学性能和尺寸特性相关。
PN是近似于折合常温的耐压MPa数,是国内阀门通常所使用的公称压力。
对碳钢阀体的控制阀,指在200℃以下应用时允许的最大工作压力;对铸铁阀体,指在120℃以下应用时允许的最大工作压力;对不锈钢阀体的控制阀,指在250℃以下应用时允许的最大工作压力。
class 150 300 400 600 800 900 1500 2500 LBMpa 1.6-2.0 2.5-5.0 6.3 10.0 13.0 15.0 25.0 42.0 MPA我们通常所用的PN,CLass,都是压力的一种表示方法,所不同的是,它们所代表承受的压力对应参照温度不同,PN欧洲体系是指在120℃下所对应的压力,而CLass美标是指在425.5℃下所对应的压力。
所以在工程互换中不能只单纯的进行压力换算,如CLass300#单纯用压力换算应是2.1MPa,但如果考虑到使用温度的话,它所对应的压力就升高了,根据材料的温度耐压试验测定相当于5.0MPa。
阀门的体系有2种:一种是德国(包括我国)为代表的以常温下(我国是100度、德国是120度)的许用工作压力为基准的“公称压力”体系。
一种是美国为代表的以某个温度下的许用工作压力为代表的“温度压力体系”美国的温度压力体系中,除150LB以260度为基准外,其他各级均以454度为基准。
150磅级(150psi=1MPa)的25号碳钢阀门在260度时候,许用应力为1MPa,而在常温下的许用应力要比1MPa大得多,大约是2.0MPa。
所以,一般说美标150LB对应的公称压力等级为2.0MPa,300LB对应的公称压力等级为5.0MPa等等。
因此,不能随便按照压力变换公式来变换公称压力和温压等级。
PN是一个用数字表示的与压力有关的代号,是提供参考用的一个方便的圆整数,PN是近似于折合常温的耐压MPa数,是国内阀门通常所使用的公称压力。
对碳钢阀体的控制阀,指在200℃以下应用时允许的最大工作压力;对铸铁阀体,指在120℃以下应用时允许的最大工作压力;对不锈钢阀体的控制阀,指在250℃以下应用时允许的最大工作压力。
当工作温度升高时,阀体的耐压会降低。
美标阀门以磅级为表示公称压力,磅级是对于某一种金属的结合温度和压力的计算结果,他根据ANSI B16.34的标准来计算。
阀门产品知识慨论慨论阀门是通过改变其流道面积的大小来控制流体流量、压力和流向的机械产品。
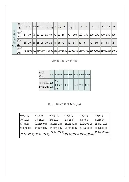
1、阀门的基本参数(1)公称通径公称通径是指阀门与管道连接处通道的名义直径,用DN表示。
它表示阀门规格的大小。
公称通径系列见下表:6 10 15 20 25 32 40 50 65 80 100 125 150 (175)200 (225)250 300 350 400 45 0 500 600 700 800 900 1000 1200 1400 1600 1800 2000 2200 2400 2600 2800 3000注:1)摘自GB1047-70〈管子和管道附件的公称通径〉。
2)黑体字为基本系列,应优先选用。
3)带括号的尺寸仅用于特殊阀门。
(2)公称压力公称压力是指与阀门的机械强度有关的设计给定压力,用PN表示。
公称压力系列见下表:0.05 0.1 0.25 0.4 0.6 0.8 1.0 1.6 2.0 2.5 4.0 5.0 6.3 10.0 15.0 16.0 20.0 25.0 28 .0 32.0 42.0 50.0 63.0 80.0 100.0 125.0 160.0 200.0 250.0 335.0注:摘自GB1048-90〈管道元件公称压力〉。
在我国,涉及公称压力时,为了明显起见,通常给出计量单位,以“Mpa”表示。
对用于电站工业的阀门,当介质最高温度超过530℃时,则一般标注工作压力,如P54 17.0Mpa表示阀门在540℃下的最大允许工作压力为17.0Mpa。
在英、美国家中,尽管目前在有关标准中已列入了公称压力的概念,但仍采用磅级(class)。
由于公称压力和磅级的温度基准不同,因此两者没有严格的对应关系。
两者参考的对应关系见下表:日本的K级制,其温度基准与英、美国家的磅级相同,但计量单位采用米制,K级与磅级之间的关系见下表:2.阀门的压力—温度等级阀门的最大允许工作压力随工作温度的升高而降低。
阀门磅级、psi、MPa、 Bar、公斤的含义和换算class 150 300 400 600 800 900 1500 2500Mpa 1.6-2.0 2.5-5.0 6.3 10.0 13.0 15.0 25.0 42.0我通常所用的PN,CLass,都是压力的一种表示方法,所不同的是,它们所代表承受的压力对应参照温度不同,PN欧洲体系是指在120℃下所对应的压力,而CLass美标是指在425.5℃下所对应的压力。
所以在工程互换中不能只单纯的进行压力换算,如CLass300LB单纯用压力换算应是2.1MPa,但如果考虑到使用温度的话,它所对应的压力就升高了,根据材料的温度耐压试验测定相当于5.0MPa。
阀门的体系有2种:一种是德国(包括我国)为代表的以常温下(我国是100度、德国是120度)的许用工作压力为基准的“公称压力”体系。
一种是美国为代表的以某个温度下的许用工作压力为代表的“温度压力体系”,美国的温度压力体系中,除150LB以260度为基准外,其他各级均以454度为基准。
150磅级(150psi=1MPa)的25号碳钢阀门在260度时候,许用应力为1MPa,而在常温下的许用应力要比1MPa大得多,大约是2.0MPa。
所以,一般说美标150LB对应的公称压力等级为2.0MPa,300LB对应的公称压力等级为5.0MPa等等。
因此,不能随便按照压力变换公式来变换公称压力和温压等级。
PN是一个用数字表示的与压力有关的代号,是提供参考用的一个方便的圆整数,PN 是近似于折合常温的耐压MPa数,是国内阀门通常所使用的公称压力。
对碳钢阀体的控制阀,指在200℃以下应用时允许的最大工作压力;对铸铁阀体,指在120℃以下应用时允许的最大工作压力;对不锈钢阀体的控制阀,指在250℃以下应用时允许的最大工作压力。
当工作温度升高时,阀体的耐压会降低。
美标阀门以磅级为表示公称压力,磅级是对于某一种金属的结合温度和压力的计算结果,他根据ANSI B16.34的标准来计算。
阀门磅级,MPA,BAR,PSI和公斤的含义和换算
class15030040060080090015002500LB
Mpa 1.6-2.0 2.5-5.0 6.310.013.015.025.042.0MPA
150LB对应1.6-2.0MPa,300LB对应2.5-5.0MPa,400LB对应6.3MPa,600LB对应10MPa,800LB对应13MPa,900LB对应15MPa,1500LB对应25MPa,2500LB对应42MPa
我通常所用的PN,CLass,都是压力的一种表示方法,所不同的是,它们所代表承受的压力对应参照温度不同,PN欧洲体系是指在120℃下所对应的压力,而CLass美标是指在425.5℃下所对应的压力。
所以在工程互换中不能只单纯的进行压力换算,如CLass300#单纯用压力换算应是2.1MPa,但如果考虑到使用温度的话,它所对应的压力就升高了,根据材料的温度耐压试验测定相当于5.0MPa。
阀门的体系有2种:一种是德国(包括我国)为代表的以常温下(我国是100度、德国是120度)的许用工作压力为基准的“公称压力”体系。
一种是美国为代表的以某个温度下的许用工作压力为代表的“温度压力体系”
美国的温度压力体系中,除150LB以260度为基准外,其他各级均以454度为基准。
150磅级(150psi=1MPa)的25号碳钢阀门在260度时候,许用应力为1MPa,而在常温下的许用应力要比1MPa大得多,大约是2.0MPa。
所以,一般说美标150LB对应的公称压力等级为2.0MPa,300LB对应的公称压力等级为5.0MPa等等。
因此,不能随便按照压力变换公式来变换公称压力和温压等级。
PN是一个用数字表示的与压力有关的代号,是提供参考用的一个方便的圆整数,PN是近似于折合常温的耐压MPa数,是国内阀门通常所使用的公称压力。
对碳钢阀体的控制阀,指在200℃以下应用时允许的最大工作压力;对铸铁阀体,指在120℃以下应用时允许的最大工作压力;对不锈钢阀体的控制阀,指在250℃以下应用时允许的最大工作压力。
当工作温度升高时,阀体的耐压会降低。
美标阀门以磅级为表示公称压力,磅级是对于某一种金属的结合温度和压力的计算结果,他根据ANSI B16.34的标准来计算。
磅级与公称压力不是一一对应的主要原因是磅级与公称压力的温度基准不同。
我们通常使用软件来计算,但是也要懂得使用表格来查磅级。
日本主要用K值表示压力等级。
对于气体的压力,在中国,我们一般更常用其质量单位“公斤”描述(而不是“斤”),单位kg。
其对应的压强单位是“kg/cm2”,一公斤压力就是一公斤的力作用在一个平方厘米上。
同样,相对应于国外,对于气体的压力,常用的压强单位是“psi”,单位是“1pound/inch2”,就是“磅/平方英寸”,英文全称为Pounds per square inch。
但是更常用的是直接称呼其质量单位,即磅(LB.),实际这LB.就是前面提到的磅力。
把所有的单位换成公制单位就可以算出:
1psi=1磅/inch2≈0.068bar,1bar≈14.5psi≈0.1MPa,欧美等国家习惯使用psi作单位。
在Class600和Class1500中对应欧标和美标有两个不同数值,
11MPa(对应600磅级)是欧洲体系规定,这是在《ISO7005-1-1992Steel Flanges》里面的规定;
10MPa(对应600磅级)是美洲体系规定,这是在ASME B16.5里面的规定。
因此不能绝对地说600磅级对应的就是11MPa或者10MPa,不同体系的规定是不同的。
阀门的体系主要有2种:一种是德国(包括我国)为代表的以常温下(我国是100度、德国是120
度)的许用工作压力为基准的“公称压力”体系。
一种是美国为代表的以某个温度下的许用工作压力为代表的“温度压力”体系,美国的温度压力体系中,除150LB以260度为基准外,其他各级均以454度为基准。
例如,150LB.的25号碳钢阀门在260度时候,许用应力为1MPa,而在常温下的许用应力要比1MPa 大得多,大约是2.0MPa。
所以,一般说美标150LB对应的公称压力等级为2.0MPa,300LB对应的公称压力等级为5.0MPa等等。
因此,不能随便按照压力变换公式来变换公称压力和温压等级。
psig就叫做(英制)蒸气压力,锅炉内[蒸气]的压力.蒸气归蒸气,空气归空气,空气中含有水气时,水分的重量是可以分离计算成(psig)的,但是我以为[psig]单独表示时,应该是指[锅炉内饱和水蒸汽的压力].
psi是磅/平方英吋(念做每平方英吋xx磅)
如果是Kg/cm2换算成psi,
1Kg/cm2=14.21psi
1psi=0.454Kg/(2.54cm)2=0.07037kg/cm2则倒数就是14.21
~~~~~~~~
1大气压=760.00027mHg
1mHg=133.322pa
1大气压=101324.75pa
1kpa=>1000pa/133.322pa X13.6(水银比重)=>102.0087mH2O
PSID,psid
Pounds per Square Inch Differential.Not just a unit,but a comment that the number represents a difference between two pressures.PSID gauges have two input connectors.PSIA is PSID relative to vacuum,PSIG is PSID relative to local atmospheric pressure,and PSIS is PSID relative to a sealed14.7-psi pressure vessel.
PSI=Pound per Square Inch(磅/每平方英吋)
PSID==PSI Differential(PSI压差).
PSIA==PSID to Vacuum(对真空的压差)
PSIG==PSID to environment(对表外环境的压差)
也就是平时说的psi是压力单位磅每平方英寸
1psi=6.894KPa=0.00689MPa
1MPa=145psi=10公斤/平方厘米。