压力单位的换算关系
- 格式:doc
- 大小:136.00 KB
- 文档页数:4
压力单位及换算注:毫米水柱是指4摄氏度状态的水柱高度,毫米汞柱是指0摄氏度状态的水柱高度。
1mmAg = 9.80665Pa = 0.0980665hPa1atm = 760 mmHg = 1013hPa1mmAg = 0.0735793mmHg一、压力(pressure)为单位面积所承受的力压力:绝对压力、表压力、大气压力。
相互关系:绝对压力=表压力+大气压力* 绝对压力(Absolute Pressure):当压力表示与完全真空的差。
测量处的实际压力。
* 表压力(Gage Pressure):当表示其气体数值与该地域大气压力的差值。
* 大气压力:(Pressure Atmospheres)由大气重量所产生之压力,标准大气压力为29.92″寸汞柱压力.风压:包括全压(P.T)=静压(Ps)+动压(Pv)即速度压(V.P)。
Total Pressure=Static Pressure+Dynamic(Velocity)Pressure。
风机所产生之压力,均以水柱来测量,因风机使用之压力均很小;而水银之密度很大(1m mHg=13.6mmAq)使用水银柱(mmHg)来测量时,读数不太明显,故多采用水柱(mmAq 或mmH2O)来测量或计算。
如:采用水银柱表示时,760mm水银柱=760 mmHg 。
选用水柱表示时,100mm水柱=100 mmAq 。
=(4″w g)Aq为拉丁文Aqua之简称。
1mmAq之压力约=1kg/m2 。
1标准气压=1.0332kgf/cm2=10.34mAg=760mmHg=29.92inHg寸汞柱(Kg为质量单位,Kgf为重量单位。
)二、压力常用单位(CNS 7778)(注2)大气压Atm.(Pressure Atmospheres)=760mmHg 。
压力之表示,以大气压为准,高于此压力者为正压,低于此压力者为负压;速度压必为正压。
吋水银(汞)柱:(″Hg) 3.377=KPa 。
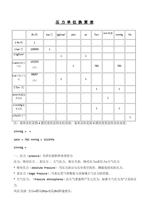
压力单位换算表Pa帕bar巴kgf/cm2atm at Torr mm H2O mmHg Psi 1 Pa帕 1 0.00001 0.00001 0.00001 0.00001 0.0075 0.10197 0.0075 0.00014 1 bar巴100000 1 1.01972 0.9869 1.01972 750.062 10.1972 750.062 14.504 1 kgf/cm298066.5 0.98067 1 0.9678 1 735.6 10.000 735.6 14.221 atm标准大气压101325(约0.1MPa)1.01325 1.033 1 760 10.332 760 14.71 at工程大气压98067(约0.1MPa)0.98067 1 0.9678 1 735.6 10.000 735.6 14.221 Torr 托133.3 0.00133 0.00136 0.00132 0.00136 1 13.6 1 0.01934 1mm H2O毫米水柱9.8067 0.000098 0.0001 0.0000968 0.0001 0.07356 1 0.07356 0.00142 1 mmHg毫米汞柱133.322 0.00133 0.00136 0.00132 0.00136 1 13.5951 1 0.01934 1 Psi磅/寸26894.76 0.06895 0.07031 0.06805 0.07031 51.7149 703.07 51.7149 1 注:毫米水柱是指4摄氏度状态的水柱高度,毫米汞柱是指0摄氏度状态的水柱高度。
1mmAg = 9.80665Pa = 0.0980665hPa1atm = 760 mmHg = 1013hPa1mmAg = 0.0735793mmHg1MPa=106Pa一、压力(pressure)为单位面积所承受的力压力:绝对压力、表压力、大气压力。
1个标准大气压力=1.00336×0.098MPa=0.10108MPa≈0.1Mpa。
1bar=0.1MPa1MPa=1000kPa1kPa=10mbar=101.9716 mmH2O = 4.01463imH2O10mWC=1bar=100kPaPSI英文全称为Pounds per square inch。
P是磅pound,S是平方square,I是英寸inch。
把所有的单位换成公制单位就可以算出:1bar≈14.5psi1psi=6.895kPa=0.06895bar大气压(atm)巴(bar)=0.068大气压(atm)1巴(bar)=0.1兆帕(MPa)=14.503磅/英寸2(psi)=1.0197千克/厘米2(kg/cm2)=0.987大气压(atm)1大气压(atm)=0.101325兆帕(MPa)=14.696磅/英寸2(psi)=1.0333千克/厘米2(kg/cm2)=1.0133巴(bar)-------------------------------------------------------------------------------------压力单位换算方法1. 1atm=0.1MPa=100KPa=1公斤=1bar=10米水柱=14.5PSI2.1KPa=0.01公斤=0.01bar=10mbar=7.5mmHg=0.3inHg=7.5torr=100mmH2O=4inH2O3. 1MPa=1N/mm214.5psi=0.1Mpa1bar=0.1Mpa30psi=0.21mpa,7bar=0.7mpa现将单位的换算转摘如下:Bar---国际标准组织定义的压力单位。
1 bar=100,000Pa1Pa=F/A,Pa: 压力单位, 1Pa=1 N/㎡F : 力, 单位为牛顿(N)A: 面积, 单位为㎡1bar=100,000Pa=100Kpa1 atm=101,325N/㎡=101,325Pa所以,bar是一种表压力(gauge pressure)的称呼。
常见压力单位及其换算psi,bar,Pa,MPa,公斤力2011-03-01 9:43PSI英文全称为Pounds per square inch。
P是磅pound,S是平方square,I 是英寸inch。
把所有的单位换成公制单位就可以算出:1bar≈14.5psi,1psi=6.895kPa=0.06895bar。
欧美等国家习惯使用psi作单位。
在中国,我们一般把气体的压力用“公斤”描述(而不是“斤”),其单位是“kgf/cm2”,一公斤压力就是一公斤的力作用在一个平方厘上。
而在国外常用的单位是“Psi”,具体单位是“lb/in2”,就是“磅/平方英寸”,这个单位就像华氏温标(F)。
此外,还有Pa(帕斯卡,一牛顿作用在一平方米上),KPa,Mpa,Bar,毫米水柱,毫米汞柱等压力单位。
1巴(bar)=0.1兆帕(MPa)=100千帕(KPa)=1.0197公斤/平方厘米1标准大气压(atm)=0.101325兆帕(MPa)=1.0333巴(bar)因为单位相差都很小,你又不是工程人员。
所以,可以这样记:1巴(bar)=1标准大气压(atm)=1公斤/平方厘米=100千帕(KPa)=0.1兆帕(MPa)psi的换算如下:1标准大气压(atm)=14.696磅/英寸2(psi)如果你有闲心,又肯钻研,看看这个换算关系表吧!压力换算关系:压力1巴(bar)=105帕(Pa)1达因/厘米2(dyn/cm2)=0.1帕(Pa)1托(Torr)=133.322帕(Pa)1毫米汞柱(mmHg)=133.322帕(Pa)1毫米水柱(mmH2O)=9.80665帕(Pa)1工程大气压=98.0665千帕(kPa)1/ 21千帕(kPa)=0.145磅力/英寸2(psi)=0.0102千克力/厘米2(kgf/cm2)=0.0098大气压(atm)1磅力/英寸2(psi)=6.895千帕(kPa)=0.0703千克力/厘米2(kg/cm2)=0.0689巴(bar)=0.068大气压(atm)1物理大气压(atm)=101.325千帕(kPa)=14.696磅/英寸2(psi)=1.0333巴(bar2/ 2。
压力单位换算表1mmAg = 9。
80665Pa = 0。
0980665hPa1atm = 760 mmHg = 1013hPa1mmAg = 0。
0735793mmHg一、压力(pressure)为单位面积所承受的力压力:绝对压力、表压力、大气压力。
相互关系:绝对压力=表压力+大气压力*绝对压力(Absolute Pressure):当压力表示与完全真空的差.测量处的实际压力。
* 表压力(Gage Pressure):当表示其气体数值与该地域大气压力的差值。
*大气压力:(Pressure Atmospheres)由大气重量所产生之压力,标准大气压力为29。
92″寸汞柱压力。
风压:包括全压(P.T)=静压(Ps)+动压(Pv)即速度压(V。
P)。
Total Pressure=Static Pressure+Dynamic(Velocity)Pressure.风机所产生之压力,均以水柱来测量,因风机使用之压力均很小;而水银之密度很大(1mmHg= 13。
6mmAq)使用水银柱(mmHg)来测量时,读数不太明显,故多采用水柱(mmAq或mmH2O)来测量或计算。
如:采用水银柱表示时,760mm水银柱=760 mmHg 。
选用水柱表示时,100mm水柱=100 mmAq .=(4″wg)Aq为拉丁文Aqua之简称。
1mmAq之压力约=1kg/m2 。
1标准气压=1。
0332kgf/cm2=10。
34mAg=760mmHg=29.92inHg寸汞柱(Kg为质量单位,Kgf为重量单位。
)二、压力常用单位(CNS 7778)(注2)大气压Atm。
(Pressure Atmospheres)=760mmHg 。
压力之表示,以大气压为准,高于此压力者为正压,低于此压力者为负压;速度压必为正压. 吋水银(汞)柱:(″Hg) 3.377=KPa 。
吋水柱:(″Wg or H2O) 0.249=KPa 。
呎水柱:(′Wg) 2。
?压力单位换算表1mmAg=9.80665Pa=0.0980665hPa1atm=760mmHg=1013hPa1mmAg=0.0735793mmHg一、压力(pressure)为单位面积所承受的力压力:绝对压力、表压力、大气压力。
相互关系:绝对压力=表压力+大气压力*绝对压力(AbsolutePressure):当压力表示与完全真空的差。
测量处的实际压力。
*表压力(GagePressure):当表示其气体数值与该地域大气压力的差值。
*大气压力:(PressureAtmospheres)由大气重量所产生之压力,标准大气压力为29.92″寸汞柱压力.风压:包括全压(P.T)=静压(Ps)+动压(Pv)即速度压(V.P)。
TotalPressure=StaticPressure+Dynamic(Velocity)Pressure。
风机所产生之压力,均以水柱来测量,因风机使用之压力均很小;而水银之密度很大(1mmHg=13.6mmAq)使用水银柱(mmHg)来测量时,读数不太明显,故多采用水柱(mmAq或mmH2O)来测量或计算。
如:采用水银柱表示时,760mm水银柱=760mmHg。
选用水柱表示时,100mm水柱=100mmAq。
=(4″wg)Aq为拉丁文Aqua之简称。
1mmAq之压力约=1kg/m2。
1标准气压=1.0332kgf/cm2=10.34mAg=760mmHg=29.92inHg寸汞柱(Kg为质量单位,Kgf为重量单位。
)二、压力常用单位(CNS7778)(注2)大气压Atm.(PressureAtmospheres)=760mmHg。
压力之表示,以大气压为准,高于此压力者为正压,低于此压力者为负压;速度压必为正压。
吋水银(汞)柱:(″Hg)3.377=KPa。
吋水柱:(″WgorH2O)0.249=KPa。
呎水柱:(′Wg)2.989=Kpa公斤/平方公尺:kg/m2;kg/cm298=KPa(1mmAq=9.797Pa<9.8Pa=9.8Pa)摩擦阻力″wg/100′8.2=Pa/m″wg/100′98.1=Pa/mmAq9.8=KPa;mmAq0.0098=KPa;mmAq/m9.8=Pa/m重量:磅/平方英吋(lbs/in2或Psi6.895KPa)。
压力单位换算表1mmAg = 9.80665Pa = 0.0980665hPa1atm = 760 mmHg = 1013hPa1mmAg = 0.0735793mmHg一、压力〔pressure〕为单位面积所承受的力压力:绝对压力、表压力、大气压力。
相互关系:绝对压力=表压力+大气压力* 绝对压力〔Absolute Pressure〕:当压力表示与完全真空的差。
测量处的实际压力。
* 表压力〔Gage Pressure〕:当表示其气体数值与该地域大气压力的差值。
* 大气压力:〔Pressure Atmospheres〕由大气重量所产生之压力,标准大气压力为29.92″寸汞柱压力.风压:包括全压(P.T)=静压(Ps)+动压(Pv)即速度压(V.P)。
Total Pressure=Static Pressure+Dynamic(Velocity)Pressure。
风机所产生之压力,均以水柱来测量,因风机使用之压力均很小;而水银之密度很大〔1mmHg=13.6mmAq〕使用水银柱〔mmHg〕来测量时,读数不太明显,故多采用水柱〔mmAq或mmH2O〕来测量或计算。
如:采用水银柱表示时,760mm水银柱=760 mmHg 。
选用水柱表示时,100mm水柱=100 mmAq 。
=〔4″w g〕Aq为拉丁文Aqua之简称。
1mmAq之压力约=1kg/m2 。
1标准气压=1.0332kgf/cm2=10.34mAg=760mmHg=29.92inHg寸汞柱(Kg为质量单位,Kgf为重量单位。
)二、压力常用单位〔S 7778〕〔注2〕大气压Atm.(Pressure Atmospheres)=760mmHg 。
压力之表示,以大气压为准,高于此压力者为正压,低于此压力者为负压;速度压必为正压。
吋水银〔汞〕柱:〔″Hg〕3.377=KPa 。
吋水柱:(″Wg or H2O) 0.249=KPa 。
呎水柱:(′Wg) 2. 989=Kpa公斤/平方公尺:kg/m2 ;kg/cm2 98=KPa (1mmAq=9.797Pa<9.8Pa=9.8Pa)摩擦阻力″wg/100′8.2=Pa/m″wg/100′98.1=Pa/mmAq 9.8=KPa ;mmAq 0.0098=KPa ;mmAq/m 9.8=Pa/m重量:磅/平方英吋〔lbs/in2或Psi 6.895KPa〕。
压力单位换算表1mmAg = =1atm = 760 mmHg = 1013hPa1mmAg =一、压力(pressure)为单位面积所承受的力压力:绝对压力、表压力、大气压力。
相互关系:绝对压力=表压力+大气压力* 绝对压力(Absolute Pressure):当压力表示与完全真空的差。
测量处的实际压力。
* 表压力(Gage Pressure):当表示其气体数值与该地域大气压力的差值。
* 大气压力:(Pressure Atmospheres)由大气重量所产生之压力,标准大气压力为″寸汞柱压力.风压:包括全压=静压(Ps)+动压(Pv)即速度压。
Total Pressure=Static Pressure+Dynamic(Velocity)Pressure。
风机所产生之压力,均以水柱来测量,因风机使用之压力均很小;而水银之密度很大(1mmHg =)使用水银柱(mmHg)来测量时,读数不太明显,故多采用水柱(mmAq或mmH2O)来测量或计算。
如:采用水银柱表示时,760mm水银柱=760 mmHg 。
选用水柱表示时,100mm水柱=100 mmAq 。
=(4″wg)Aq为拉丁文Aqua之简称。
1mmAq之压力约=1kg/m2 。
1标准气压=cm2==760mmHg=寸汞柱(Kg为质量单位,Kgf为重量单位。
)二、压力常用单位(CNS 7778)(注2)大气压Atm.(Pressure Atmospheres)=760mmHg 。
压力之表示,以大气压为准,高于此压力者为正压,低于此压力者为负压;速度压必为正压。
吋水银(汞)柱:(″Hg) =KPa 。
吋水柱:(″Wg or H2O) =KPa 。
呎水柱:(′Wg) =Kpa公斤/平方公尺:kg/m2 ;kg/cm2 98=KPa (1mmAq=<=摩擦阻力″wg/100′ =Pa/m″wg/100′ =Pa/mmAq =KPa ;mmAq =KPa ;mmAq/m =Pa/m重量:磅/平方英吋(lbs/in2或Psi )。
压力单位及换算注:毫米水柱是指4摄氏度状态的水柱高度,毫米汞柱是指0摄氏度状态的水柱高度。
1mmAg = 9.80665Pa = 0.0980665hPa1atm = 760 mmHg = 1013hPa1mmAg = 0.0735793mmHg一、压力(pressure)为单位面积所承受的力压力:绝对压力、表压力、大气压力。
相互关系:绝对压力=表压力+大气压力* 绝对压力(Absolute Pressure):当压力表示与完全真空的差。
测量处的实际压力。
* 表压力(Gage Pressure):当表示其气体数值与该地域大气压力的差值。
* 大气压力:(Pressure Atmospheres)由大气重量所产生之压力,标准大气压力为29.92″寸汞柱压力.风压:包括全压(P.T)=静压(Ps)+动压(Pv)即速度压(V.P)。
Total Pressure=Static Pressure+Dynamic(Velocity)Pressure。
风机所产生之压力,均以水柱来测量,因风机使用之压力均很小;而水银之密度很大(1m mHg=13.6mmAq)使用水银柱(mmHg)来测量时,读数不太明显,故多采用水柱(mmAq 或mmH2O)来测量或计算。
如:采用水银柱表示时,760mm水银柱=760 mmHg 。
选用水柱表示时,100mm水柱=100 mmAq 。
=(4″wg)Aq为拉丁文Aqua之简称。
1mmAq之压力约=1kg/m2 。
1标准气压=1.0332kgf/cm2=10.34mAg=760mmHg=29.92inHg寸汞柱(Kg为质量单位,Kgf为重量单位。
)二、压力常用单位(CNS 7778)(注2)大气压Atm.(Pressure Atmospheres)=760mmHg 。
压力之表示,以大气压为准,高于此压力者为正压,低于此压力者为负压;速度压必为正压。
吋水银(汞)柱:(″Hg) 3.377=KPa 。
PSI是什么意思?PSI英文全称为Pou nds per square inch 磅/平方英寸。
P是磅pou nd, S是平方square , I是英寸inch。
压强单位;psi是压力单位,定义为英镑/平方英寸,把所有的单位换成公制单位就可以算出:1bar〜,145psi=1Mpa,1psi==欧美等国家习惯使用psi作单位,换算关系为:1psi=,==,在中国,我们一般把气体的压力用“公斤”描述(而不是“斤”),体单位是“kg/cm2”,一公斤压力就是一公斤的力作用在一个平方厘上。
而在国外常用的单位是“ Psi”,具体单位是“ lb/i n2 ” ,就是“磅/平方英寸”,这个单位就像华氏温标(F )。
此外,还有Pa (帕斯卡,一牛顿作用在一平方米上),KPa, Mpa, Bar,毫米水柱,毫米汞柱等压力单位。
1巴(bar)=兆帕(MPa)=100千帕(KPa)=公斤/平方厘米1标准大气压(ATM =兆帕(MPa)=巴(bar)因为单位相差都很小,你又不是工程人员。
所以,可以这样记:1巴(bar)=1标准大气压(ATM =1公斤/平方厘米=100千帕(KPa)=兆帕(MPapsi的换算如下:1标准大气压(atm)=14.696 磅/英寸2(psi)如果你有闲心,又肯钻研,看看这个换算关系表吧!压力换算关系:压力 1 巴(bar)=105 帕(Pa)1 达因/ 厘米 2 (dyn/cm2)=帕(Pa)1 托(Torr )=帕(Pa)1 毫米汞柱(mmHg =帕(Pa)1毫米水柱(mmH2O =帕(Pa)1工程大气压=千帕(kPa )1千帕(kPa)=0.145磅力/英寸2 (psi )=千克力/厘米2 (kgf/cm2 )=大气压(atm)1磅力/英寸2 (psi )=千帕(kPa)=千克力/厘米2 (kg/cm2)=巴(bar)=大气压(atm )1物理大气压(atm )=千帕(kPa)=14.696磅/英寸2 (psi )=巴(bar)压力换算关系:压力 1 巴(bar)=105 帕(Pa)1 达因/ 厘米 2 (dyn/cm2)=帕(Pa)1 托(Torr )=帕(Pa)1 毫米汞柱(mmHg =帕(Pa)1毫米水柱(mmH2O =帕(Pa)1工程大气压=千帕(kPa )1千帕(kPa)=磅力/英寸2 (psi )=千克力/厘米2 (kgf/cm2 )=大气压(atm )1磅力/英寸2 (psi )=千帕(kPa)=千克力/厘米2 (kg/cm2)=巴(bar)=大气压(atm )1物理大气压(atm )=千帕(kPa)=磅/英寸2 (psi )=巴(bar)1 兆帕(MPa)=145 磅/ 英寸2(psi)= 千克/ 厘米2(kg/cm2)=10 巴(bar)=大气压(atm)1磅/英寸2(psi)= 兆帕(MPa)=千克/厘米2(kg/cm2)=巴(bar)=大气压(atm)1 巴(bar)=兆帕(MPa)=14.503 磅/ 英寸2(psi)= 千克/ 厘米2(kg/cm2)=大气压(atm)1大气压(atm)=兆帕(MPa)=14.696磅/英寸2(psi)=千克/厘米2(kg/cm2)=巴(bar)1Psi=*10A3Pa=*10A-3bar1bar=10A-5Pa=1Pa=10A5bar=145*10A-6Psi。
压力单位换算表1mmAg = =1atm = 760 mmHg = 1013hPa1mmAg =一、压力(pressure)为单位面积所承受的力压力:绝对压力、表压力、大气压力。
相互关系:绝对压力=表压力+大气压力* 绝对压力(Absolute Pressure):当压力表示与完全真空的差。
测量处的实际压力。
* 表压力(Gage Pressure):当表示其气体数值与该地域大气压力的差值。
* 大气压力:(Pressure Atmospheres)由大气重量所产生之压力,标准大气压力为″寸汞柱压力.风压:包括全压=静压(Ps)+动压(Pv)即速度压。
Total Pressure=Static Pressure+Dynamic(Velocity)Pressure。
风机所产生之压力,均以水柱来测量,因风机使用之压力均很小;而水银之密度很大(1mmH g=)使用水银柱(mmHg)来测量时,读数不太明显,故多采用水柱(mmAq或mmH2O)来测量或计算。
如:采用水银柱表示时,760mm水银柱=760 mmHg 。
选用水柱表示时,100mm水柱=100 mmAq 。
=(4″wg)Aq为拉丁文Aqua之简称。
1mmAq之压力约=1kg/m2 。
1标准气压=cm2==760mmHg=寸汞柱(Kg为质量单位,Kgf为重量单位。
)二、压力常用单位(CNS 7778)(注2)大气压Atm.(Pressure Atmospheres)=760mmHg 。
压力之表示,以大气压为准,高于此压力者为正压,低于此压力者为负压;速度压必为正压。
吋水银(汞)柱:(″Hg)=KPa 。
吋水柱:(″Wg or H2O) =KPa 。
呎水柱:(′Wg) =Kpa公斤/平方公尺:kg/m2 ;kg/cm2 98=KPa (1mmAq=<=摩擦阻力″wg/100′ =Pa/m″wg/100′ =Pa/mmAq =KPa ;mmAq =KPa ;mmAq/m =Pa/m重量:磅/平方英吋(lbs/in2或Psi )。
常用压力单位换算表压力单位换算表Pa 帕bar巴kgf/cm2atm at TorrmmH2OmmHgPsi1 Pa 帕10.000010.000010.000010.000010.00750.101970.00750.000141 bar 巴10000011.019720.98691.01972750.06210.1972750.06214.5041 kgf/c m298066.50.980671 0.9678 1735.610.000735.614.221 atm 标准大气压101325(约0.1MPa)1.013251.0331 76010.332760 14.71 at 工程大气压98067(约0.1MPa)0.980671 0.9678 1735.610.000735.614.221 Torr 托133.30.001330.001360.001320.001361 13.6 10.019341mm H2O 毫米水柱9.80670.0000980.00010.00009680.00010.0735610.073560.001421mm133.0.0010.000.00130.00 1 13.5 1 0.01Hg毫米汞柱322 33 136 2 136 951 9341 Psi 磅/寸26894.760.068950.070310.068050.0703151.7149703.0751.714911mmAg = 9.80665Pa = 0.0980665hPa1atm = 760 mmHg = 1013hPa1mmAg = 0.0735793mmHg一、压力(pressure)为单位面积所承受的力压力:绝对压力、表压力、大气压力。
相互关系:绝对压力=表压力+大气压力* 绝对压力(Absolute Pressure):当压力表示与完全真空的差。
测量处的实际压力。
* 表压力(Gage Pressure):当表示其气体数值与该地域大气压力的差值。
压力单位的换算关系 The final edition was revised on December 14th, 2020.压力单位的换算关系压力是单位面积上所承受的垂直作用力(物理上称为压强)。
其物理本质可据气体分子运动理论理解:装在容器中的大量分子,总是处于永远不停的热运动之中,它们除了相互碰撞之外,还不断地和容器壁碰撞。
大量分子碰撞容器壁的总结果,形成了气体对容器壁的压力。
压力的单位为帕(斯卡),单位符号为Pa,1 Pa=1 N/m2,工程上因Pa作为单位太小,常用kPa(千帕)、 MPa(兆帕),1kPa=1000Pa、1MPa=1×106 Pa。
以前在工程上使用的压力单位还有(巴)和(标准大气压)等。
它们与Pa(帕)的换算关系见表(1-1)。
表1-1各种压力单位与帕的换算关系单位名称单位代号与帕的换算关系巴1bar=105 Pa 或标准大气压1atm=101325Pa=毫米水柱1=毫米汞柱1=工程大气压 1 =绝对压力、表压力和真空度工程上测量压力一般常采用弹簧管式压力表,当压力不高时也可用U型管压力计来测定。
目前愈来愈多的采用电子技术的测压设备已进入工程领域。
无论什么压力计,因为测压组件本身都处在当地大气压力的作用下,因此测得的压力值都是工质的真实压力与当地大气压力间的差。
工质的真实压力称为“绝对压力”,以表示。
当地大气压力以表示,绝对压力大于当地大气压力时,压力表指示的压力值称为表压力,用表示:(1-5)当绝对压力低于当地大气压力时,用真空表测得的数值,即绝对压力低于当地大气压力的数值,称“真空度”,用表示:(1-6)当地大气压力的值可用气压计测定,其数值随所在地的纬度、高度和气候等条件而有所不同。
psi 有听过吧,psig 就叫做(英制)蒸气压力,锅炉内[蒸气]的压力.蒸气归蒸气,空气归空气,空气中含有水气时,水分的重量是可以分离计算成(psig)的,但是我以为[psig]单独表示时,应该是指[锅炉内饱和水蒸汽的压力].psi是磅/平方英吋 (念做每平方英吋xx磅)如果是 Kg/cm2 换算成 psi,1Kg/cm2 =1psi = 0.454Kg/(2.54cm)2 = 0.07037kg/cm2 则倒数就是~~~~~~~~1大气压 = mHg1mHg = pa1大气压 = pa1kpa=>1000pa / X (水银比重) =>PSID指的应该是[压力差][PSI为单位]mpa应该写成 Mpa M是[百万],十的六次方.PSI = Pound per Square Inch (磅/每平方英吋)PSID == PSI Differential (PSI 压差).PSIA == PSID to Vacuum (对真空的压差)PSIG == PSID to environment (对表外环境的压差)工作压力 10-40PSID 表示仪器能承受 10-40PSI 的压力差.如果你在海平面操作仪器, 你的仪器可以承受 - PSIA, 或是 10-40PSIG (如果你的仪器有压力表的话)您的仪器最大可以承受约 + 1 大气压力, 也就是压力表可以显示到仪器还不会故障.常用压力计量单位及其标识符号:▲兆帕(MPa); 千帕(kPa); 帕(Pa)※:压力单位的兆帕符号为 MPa 不要书写为 Mpa mpa ; 千帕符号 kPa 不要书写为 KPa Kpa 或 kpa; 帕的符号 Pa 不要书写为 pa▲磅力/英寸2(lbf/in2, psi)※:压力单位的磅力/英寸2符号为 lbf/in2, psi 不要书写为 Ibf/ln2 Psi ;▲毫米汞柱(mmHg)※:压力单位的毫米汞柱符号为 mmHg 不要书写为 mmhg ;▲英寸汞柱(inHg)※:压力单位的英寸汞柱符号为 inHg 不要书写为 inhg ;▲毫米水柱(mmH2O)※:压力单位的毫米水柱符号为 mmH2O 不要书写为 mmh2O ;▲英寸水柱(inH2O)※:压力单位的英寸水柱符号为 inH2O 不要书写为 inh2O ;▲千克力/厘米2(kgf/cm2)※:压力单位的千克力/厘米2符号为 kgf/cm2 不要书写为 Kgf/cm2 ;▲物理大气压(atm)※:压力单位的物理大气压符号为 atm 不要书写为 Atm ;▲巴(bar); 毫巴(mbar)※:压力单位的巴和毫巴符号为 bar 和 mbar 不要书写为 Bar 和 mBar ;●托(Torr)※:压力单位的托符号为 Torr 不要书写为 torr .相关压力换算。
压力单位换算压力是描述力量在单位面积上的作用的物理量。
在工程和科学领域中,常用多种不同的单位来表示压力。
本文将介绍几种常见的压力单位,以及它们之间的转换关系。
常见压力单位1.帕斯卡(Pa):帕斯卡是国际标准单位制(SI)中的压力单位。
1帕斯卡等于1牛顿作用于1平方米面积上的压力。
1.帕斯卡(Pa):帕斯卡是国际标准单位制(SI)中的压力单位。
1帕斯卡等于1牛顿作用于1平方米面积上的压力。
1.帕斯卡(Pa):帕斯卡是国际标准单位制(SI)中的压力单位。
1帕斯卡等于1牛顿作用于1平方米面积上的压力。
1.帕斯卡(Pa):帕斯卡是国际标准单位制(SI)中的压力单位。
1帕斯卡等于1牛顿作用于1平方米面积上的压力。
1.帕斯卡(Pa):帕斯卡是国际标准单位制(SI)中的压力单位。
1帕斯卡等于1牛顿作用于1平方米面积上的压力。
1.帕斯卡(Pa):帕斯卡是国际标准单位制(SI)中的压力单位。
1帕斯卡等于1牛顿作用于1平方米面积上的压力。
1.帕斯卡(Pa):帕斯卡是国际标准单位制(SI)中的压力单位。
1帕斯卡等于1牛顿作用于1平方米面积上的压力。
1.帕斯卡(Pa):帕斯卡是国际标准单位制(SI)中的压力单位。
1帕斯卡等于1牛顿作用于1平方米面积上的压力。
1.帕斯卡(Pa):帕斯卡是国际标准单位制(SI)中的压力单位。
1帕斯卡等于1牛顿作用于1平方米面积上的压力。
2.标准大气压(atm):标准大气压是以地球海平面上的大气压力为基准,定义为帕斯卡。
2.标准大气压(atm):标准大气压是以地球海平面上的大气压力为基准,定义为帕斯卡。
2.标准大气压(atm):标准大气压是以地球海平面上的大气压力为基准,定义为帕斯卡。
2.标准大气压(atm):标准大气压是以地球海平面上的大气压力为基准,定义为帕斯卡。
2.标准大气压(atm):标准大气压是以地球海平面上的大气压力为基准,定义为帕斯卡。
2.标准大气压(atm):标准大气压是以地球海平面上的大气压力为基准,定义为帕斯卡。
压力单位换算表注:毫米水柱是指4摄氏度状态的水柱高度,毫米汞柱是指0摄氏度状态的水柱高度。
1mmAg = 9.80665Pa = 0.0980665hPa1atm = 760 mmHg = 1013hPa1mmAg = 0.0735793mmHg一、压力(pressure)为单位面积所承受的力压力:绝对压力、表压力、大气压力。
相互关系:绝对压力=表压力+大气压力* 绝对压力(Absolute Pressure):当压力表示与完全真空的差。
测量处的实际压力。
* 表压力(Gage Pressure):当表示其气体数值与该地域大气压力的差值。
* 大气压力:(Pressure Atmospheres)由大气重量所产生之压力,标准大气压力为29.92″寸汞柱压力.风压:包括全压(P.T)=静压(Ps)+动压(Pv)即速度压(V.P)。
Total Pressure=Static Pressure+Dynamic(Velocity)Pressure。
风机所产生之压力,均以水柱来测量,因风机使用之压力均很小;而水银之密度很大(1m mHg=13.6mmAq)使用水银柱(mmHg)来测量时,读数不太明显,故多采用水柱(mmAq 或mmH2O)来测量或计算。
如:采用水银柱表示时,760mm水银柱=760 mmHg 。
选用水柱表示时,100mm水柱=100 mmAq 。
=(4″wg)Aq为拉丁文Aqua之简称。
1mmAq之压力约=1kg/m2 。
1标准气压=1.0332kgf/cm2=10.34mAg=760mmHg=29.92inHg寸汞柱(Kg为质量单位,Kgf为重量单位。
)二、压力常用单位(CNS 7778)(注2)大气压Atm.(Pressure Atmospheres)=760mmHg 。
压力之表示,以大气压为准,高于此压力者为正压,低于此压力者为负压;速度压必为正压。
吋水银(汞)柱:(″Hg) 3.377=KPa 。
压力单位的换算关系
压力是单位面积上所承受的垂直作用力(物理上称为压强)。
其物理本质可据气体分子运动理论理解:装在容器中的大量分子,总是处于永远不停的热运动之中,它们除了相互碰撞之外,还不断地和容器壁碰撞。
大量分子碰撞容器壁的总结果,形成了气体对容器壁的压力。
压力的单位为帕(斯卡),单位符号为Pa,1 Pa=1 N/m2,工程上因Pa作为单位太小,常用kPa(千帕)、 MPa(兆帕),1kPa=1000Pa、1MPa=1×106 Pa。
以前在工程上使用的压力单位还有(巴)和(标准大气压)等。
它们与Pa(帕)的换算关系见表(1-1)。
表1-1各种压力单位与帕的换算关系
单位名称单位代号与帕的换算关系
巴1bar=105 Pa 或 0.1MPa
标准大气压1atm=101325Pa=1.01325bar
毫米水柱1=9.80665Pa
毫米汞柱1=133.3224Pa
工程大气压 1 =98066.5Pa
绝对压力、表压力和真空度
工程上测量压力一般常采用弹簧管式压力表,当压力不高时也可用U型管压力计来测定。
目前愈来愈多的采用
电子技术的测压设备已进入工程领域。
无论什么压力计,因为测压组件本身都处在当地大气压力的作用下,因
此测得的压力值都是工质的真实压力与当地大气压力间的差。
工质的真实压力称为“绝对压力”,以表示。
当地大气压力以表示,绝对压力大于当地大气压力时,
压力表指示的压力值称为表压力,用表示:
(1-5)
当绝对压力低于当地大气压力时,用真空表测得的数值,即绝对压力低于当地大气压力的数值,称“真空度”,
用表示:
(1-6)
当地大气压力的值可用气压计测定,其数值随所在地的纬度、高度和气候等条件而有所不同。
psi 有听过吧,psig 就叫做(英制)蒸气压力,锅炉内[蒸气]的压力.蒸气归蒸气,空气归空气,空气中含有水气时,水分的重量是可以分离计算成(psig)的,但是我以为[psig]单独表示时,应该是指[锅炉内饱和水蒸汽的压力].
psi是磅/平方英吋 (念做每平方英吋xx磅)
如果是 Kg/cm2 换算成 psi,
1Kg/cm2 = 14.21psi
1psi = 0.454Kg/(2.54cm)2 = 0.07037kg/cm2 则倒数就是 14.21
~~~~~~~~
1大气压 = 760.00027 mHg
1mHg = 133.322 pa
1大气压 = 101324.75 pa
1kpa=>1000pa / 133.322pa X 13.6(水银比重) => 102.0087mH2O
PSID指的应该是[压力差][PSI为单位]
mpa应该写成 Mpa M是[百万],十的六次方.
PSI = Pound per Square Inch (磅/每平方英吋)
PSID == PSI Differential (PSI 压差).
PSIA == PSID to Vacuum (对真空的压差)
PSIG == PSID to environment (对表外环境的压差)
工作压力 10-40PSID 表示仪器能承受 10-40PSI 的压力差.
如果你在海平面操作仪器, 你的仪器可以承受 24.6 - 54.6 PSIA, 或是 10-40PSIG (如果你的仪器有压力表的话) 您的仪器最大可以承受约 2.7 + 1 大气压力, 也就是压力表可以显示到 2.7ATM 仪器还不会故障.
常用压力计量单位及其标识符号:
▲兆帕(MPa); 千帕(kPa); 帕(Pa)
※:压力单位的兆帕符号为 MPa 不要书写为 Mpa mpa ; 千帕符号 kPa 不要书写为 KPa Kpa 或 kpa; 帕的符号 Pa 不要书
写为 pa
▲磅力/英寸2(lbf/in2, psi)
※:压力单位的磅力/英寸2符号为 lbf/in2, psi 不要书写为 Ibf/ln2 Psi ;
▲毫米汞柱(mmHg)
※:压力单位的毫米汞柱符号为 mmHg 不要书写为 mmhg ;
▲英寸汞柱(inHg)
※:压力单位的英寸汞柱符号为 inHg 不要书写为 inhg ;
▲毫米水柱(mmH2O)
※:压力单位的毫米水柱符号为 mmH2O 不要书写为 mmh2O ;
▲英寸水柱(inH2O)
※:压力单位的英寸水柱符号为 inH2O 不要书写为 inh2O ;
▲千克力/厘米2(kgf/cm2)
※:压力单位的千克力/厘米2符号为 kgf/cm2 不要书写为 Kgf/cm2 ;
▲物理大气压(atm)
※:压力单位的物理大气压符号为 atm 不要书写为 Atm ;
▲巴(bar); 毫巴(mbar)
※:压力单位的巴和毫巴符号为 bar 和 mbar 不要书写为 Bar 和 mBar ;
●托(Torr)
※:压力单位的托符号为 Torr 不要书写为 torr .
相关压力换算。
注意:1兆帕(MPa)=1000000帕(Pa)
1巴(bar)=1000毫巴(mbar)
1毫巴(mbar)=1000微巴(μbar)=1000达因/厘米2(dyn/cm2)
1托(Torr)=1毫米汞柱(mmHg)=133.329帕(Pa)
1工程大气压=1千克力/厘米2(kgf/cm2)
1物理大气压=1标准大气压(atm)
还有一个要说明的是:计算书中出现一个压力单位ama, 而这个可能是俄式压力单位,相当于1千克力/厘米2,也就是1公斤力/厘米2。
常用压力单位换算表
牛顿/米2公斤力/米2公斤力/厘米2巴(bar) 标准大气压(atm) 毫米水柱毫米水银柱0o C 磅/英寸2。