土的静止侧压力系数参考值
- 格式:doc
- 大小:43.50 KB
- 文档页数:1
土体渗透系数参考表
土类k(m/s)土类k(m/s)土类k(m/s)
粘土<5×10-9 粉砂10-6~10-5 粗砂2×10-4~5×10-4 粉质粘土5×10-9~10-8 细砂10-5~5×10-5 砾石5×10-4~10-3
粉土5×10-8~10-6 中砂5×10-5~2×10-4 卵石10-3~5×10-3 另外,湿软黄土的渗透系数是2.68789×10-5 m/s
Flac3D计算中土体的渗透系数k与一般土力学中的概念不同,Flac3D中的k 的国际单位是m2/Pa/sec,与土力学中的k的单位cm/s之间的换算关系为:
K(m2/Pa/sec)=k(cm/s)×1.02×10-6
静止土压力系数
土类坚硬土硬~可塑粘性土;粉质粘土;砂土可~软塑
粘性土
软塑粘性土流塑粘性土
0.2~0.4 0.4~0.5 0.5~0.6 0.6~0.75 0.75~0.8
《建筑基坑工程技术规范》,静止土压力系数
宜由试验确定,当无实验条件时也可按照如下计算:
正常固结土:
=1-
超固结土:
=
另外,可由公式确定:。
有关土的经验参数一、原状土物理性质指标变化范围原状土物理性质指标变化范围,见表3-3-28。
注:粘砂土3<I p≤7;砂粘土7<I p≤17二、土的平均物理、力学性质指标,见表3-3-29。
土的平均物理、力学性质指标,见表3-3-29。
注:①平均比重采取:砂——2.66;粘砂土——2.70;砂粘土——2.71;粘土——2.74;②粗砂和中砂的E 0值适用于不均匀系数C u = = 3者,当C u >5时应按表中所列值减少 。
C u为中间值时E 0 值按内插法确定;③对于地基稳定计算,采用人摩擦角φ的计算值低于标准值2°。
1060d d 32三、土的压缩模量一般范围值土的压缩模量一般范围值,见表3-3-3-。
注:砂粘土7<I p≤7;粘土I p>17四、粘性土剪强度参考值粘性土抗剪强度参考值,见表3-3-31。
注:粘砂土3<I p≤7;砂粘土7<I p≤7;粘土I p>17五、土的侧压力系数(ξ)和泊松比(u)参考值注:粘土I p>17;粉质粘土10<I p≤17;I p≤10五、变形模量于压缩模量的关系变形模量E0是指土体在无侧限条件下应力与应变之比,其中的应变包含弹性应变和塑性应变两部分。
因此,变形模量较弹性模量E小,通常在土与基础的共同作用分析中用变形模量E。
变形模量一般是通过现场载荷试验确定,一些地方通过静力触探、标贯试验与变形模量建立了经验公式。
压缩模量Es是在侧限条件下应力与应变的比值,是通过室内试验获取的参数。
两者的关系:对于软土E0近似等于Es;较硬土层,E0=βEs,β=2~8,土愈坚硬,倍数愈大。
侧压力系数
侧压力系数是指土在半无限条件下受压时,侧向有效压力(σ 'x)与垂直有效压力(σ 'z)之比,土的侧压力系数一般小于1。
中文名
侧压力系数
学科:工程地质学
词目:侧压力系数
英文:coefficient of lateral pressure
释文:在岩体力学中,侧压力系数是指水平压应力与垂直压应力之比,因此,岩体中的侧压力系数可以大于1。
侧压力系数K值得大小可根据实验测定,也可根据经验公式计算。
研究表明,K值除了与土性及密度有关外,还与应力历史很有关系。
对沙土或正常固结土也可根据θ',近似确定其值k=1-sinθ'。
其中K1为超固结土的侧压力系数,K2为正常固结土的侧压力系数,OCR为超固结比,m为经验系数,一般
可用m=0.41。
侧压力系数与泊松比的关系:K=μ/(1-μ)。
一、概述JCY型静止侧压力系数固结仪能测定直径61.8mm土样的静止侧压系数(代号K0),即土样在无侧向变形条件下测得的有效侧压力σ’3与轴向有效压力σ’1之比,是研究土体变形和强度的重要参数。
二、主要技术指标(一)主要技术参数1.试样尺寸:Ф61.8mm×40mm2.轴向负荷:6kN3.侧压力:1MPa4.孔隙压力:1MPa5.轴向位移:0~10mm(二)工作环境1.温度:+5℃~+35℃2.相对湿度:≤85%(三)精度1.轴向位移:0.03mm,分辨率:0.01mm2.体变量:0.1ml三、结构和原理(一)结构仪器主要由底座、中环、上环、透水板、环刀、传压板、定位校正样块、橡胶套、阀门、量表架及百分表等组成,如下图所示。
1.仪器底座、中环、上环三者交界面利用橡胶套两端凸缘部分密封,用固定螺钉连接。
2.中环压力腔较小,环壁钻有两个对称孔,因此体变量小,易于排气;该环采用有机玻璃材料制成,能清晰地观察压力腔在充水过程中的排气情况。
3.在试验过程中,能随时测量其底部的孔隙压力。
4.轴向负荷可用YS-1高压固结仪加荷设备施加。
5.侧向压力由YW-10C液压稳压装置控制,孔隙压力由KY-1-2孔压测量仪测量。
(二)原理仪器试验时土样受轴向负荷,发生轴向位移及相应的侧向变形,有效侧压力σ3‘与有效轴向压力σ1‘之比即为K0值。
四、使用方法1.打开底座三通阀并松开侧向闷头螺钉和中心闷头螺钉。
2.在橡胶套内壁和上下抹一层薄硅脂(类似7501真空硅脂),然后套入中环内。
3.将中环、上环依次叠套在底座上。
4.在仪器中依次放入透水板,定位校正样块,并用6个固紧螺钉对称均匀地将底座、中环、上环三者拧紧,连成整体。
5.阀门14和阀门15分别接上侧压力和孔隙压力测量装置。
6.取出定位校正样块,打开阀门4与阀门14,由下往上缓缓充水排气,如发现尚有残留气泡存在,可依上法重复进行直至全部气泡排出压力腔。
7.通过阀门4对压力腔施加约5kPa起始水头压力,将制备好的粘性土样从环刀中缓缓推入仪器(如为砂性土样,无需对压力腔施加起始水压力,可直接将砂样倒入仪器),在其上依次放入透水石、传压板等,然后关闭阀门4。
侧向土压力1、静止土压力可按下式计算:式中:e0i——计算点处的静止土压力(kN/m2);γj——计算点以上第j层土的重度(kN/m3);h j——计算点以上第j层土的厚度(m);q——坡顶附加均布荷载(kN/m2);K0i——计算点处的静止土压力系数。
2、静止土压力系数宜由试验确定。
当无试验条件时,对砂土可取0.34~0.4 5,对黏性土可取0.5~0.7。
3、根据平面滑裂面假定(图6.2.3),主动土压力合力可按下列公式计算:式中:E a——相应于荷载标准组合的主动土压力合力(kN/m);K a——主动土压力系数;H——挡土墙高度(m);γ——土体重度(kN/m3);c——土的黏聚力(kPa);φ——土的内摩擦角(°);q——地表均布荷载标准值(kN/m2);δ——土对挡土墙墙背的摩擦角(°),可按表6.2.3取值;β——填土表面与水平面的夹角(°);α——支挡结构墙背与水平面的夹角(°)。
表6.2.3 土对挡土墙墙背的摩擦角δ图6.2.3 土压力计算4、当墙背直立光滑、土体表面水平时,主动土压力可按下式计算:式中:e ai——计算点处的主动土压力(kN/m2);当e ai<0时取e ai=0;K ai——计算点处的主动土压力系数,取K ai=tan2(45°-φi/2);c i——计算点处土的黏聚力(kPa);φi——计算点处土的内摩擦角(°)。
5、当墙背直立光滑、土体表面水平时,被动土压力可按下式计算:式中:e pi——计算点处的被动土压力(kN/m2);K pi——计算点处的被动土压力系数,取K pi=tan2(45°+φi/2)。
6、边坡坡体中有地下水但未形成渗流时,作用于支护结构上的侧压力可按下列规定计算:1 对砂土和粉土应按水土分算原则计算;2 对黏性土宜根据工程经验按水土分算或水土合算原则计算;3 按水土分算原则计算时,作用在支护结构上的侧压力等于土压力和静止水压力之和,地下水位以下的土压力采用浮重度(γ′)和有效应力抗剪强度指标(c′、φ′)计算;4 按水土合算原则计算时,地下水位以下的土压力采用饱和重度(γsat)和总应力抗剪强度指标(c、φ)计算。
侧压力标准值侧压力是指物体受到外界作用时,在物体的侧面产生的压力。
在土壤、岩石、结构物、基础、地下水、地层、地震和其他领域中,侧压力都有其特定的标准值。
1. 土壤侧压力土壤侧压力是指土壤在重力作用下产生的侧向压力。
它与土壤的密度、含水量、压缩性和侧向约束有关。
土壤侧压力的标准值通常取决于土壤的类型和性质。
2. 岩石侧压力岩石侧压力是指岩石在重力作用下产生的侧向压力。
它与岩石的密度、强度和侧向约束有关。
岩石侧压力的标准值通常取决于岩石的类型和性质。
3. 结构物侧压力结构物侧压力是指结构物在外部荷载作用下产生的侧向压力。
它与结构物的刚度、材料强度和支撑条件有关。
结构物侧压力的标准值通常取决于结构物的类型和设计规范。
4. 基础侧压力基础侧压力是指建筑物基础在垂直荷载作用下产生的侧向压力。
它与地基土的物理性质、压缩性和侧向约束有关。
基础侧压力的标准值通常取决于地基土的类型和设计规范。
5. 地下水侧压力地下水侧压力是指地下水在静止状态下对土壤或岩石产生的侧向压力。
它与地下水的密度、水位和土壤或岩石的渗透性有关。
地下水侧压力的标准值通常取决于地下水的类型和水文地质条件。
6. 地层侧压力地层侧压力是指地层在构造运动作用下产生的侧向压力。
它与地层的厚度、密度和构造应力场有关。
地层侧压力的标准值通常取决于地层的类型和地质历史。
7. 地震侧压力地震侧压力是指地震在地震波作用下对结构物产生的侧向压力。
它与地震的强度、震源深度和距离有关。
地震侧压力的标准值通常取决于地震的类型和工程地质条件。
8. 其他侧压力除上述常见的侧压力类型外,还有一些特殊的侧压力需要考虑,如风载侧压力、车辆荷载侧压力和流体侧压力等。
这些侧压力的标准值通常取决于具体的外部作用力和相关规范。
总之,侧压力标准值因不同的领域和条件而异。
在实际工程中,需要根据具体情况选择合适的标准值,以确保安全可靠的设计和施工。
地下室挡土墙计算1.室外地面活荷载:一般可取10kN/m2,荷载较小时也可取5.0kN/m22.土侧压力系数:(1)一般可取静止土压力系数0.5;(2)考虑到支座处可认为无侧向位移,为静止土压力,跨中部分随着侧向位移的增大,逐渐趋向于主动土压力,我院综合取0.4,(3)地下室施工采用护坡桩时可取0.33.3.覆土重度:以前习惯取18,现在习惯取20,也有的院取19.4.砼强度:宜取C30,有利于控制裂缝。
5.外侧保护层:《全国民用建筑人防技术措施》3.6.2 注4上规定保护层厚度:“地下室外墙迎水面有外防水层取30”;《防水规范》规定取50是直接取用前苏联的规定,不适用于一般的地下室结构。
6.裂缝限值:有外防水时取0.3mm,无外防水时取0.2mm7.调幅系数:不宜调幅太大,最多0.9,建议0.95。
8.考虑室内填土的有利作用:当基础埋深低于室内地坪较深时(>2m时),可考虑室内填土的有利作用,此时,应要求回填时先回填室内后回填室外(此项作用不大)。
9.配筋:地下室外墙为控制收缩及温度裂缝,水平筋间距不应大于150,配筋率宜取0.4%~0.5%(内外两侧均计入),有扶壁柱处应另增设直径8mm短钢筋,长度为柱宽加两侧各800mm,间距150mm(在原有水平分布筋之间加此短筋)10.其他:(1)无上部结构柱相连的地下室外墙,支乘顶板梁处不宜设扶壁柱,扶壁柱使得此处墙为变截面,易产生收缩裂缝,不设扶壁柱顶板梁在墙上按铰接考虑,此处墙无需设暗柱。
(2)地下室内外墙除了上部为框剪结构或外框架-内核心筒结构的剪力墙延伸者外,在楼层不需要设置暗梁,所有剪力墙在基础底板处均不需要设置暗梁。
(3)单层或多层地下室外墙,均可按单向板或连续单向板计算,最上层地下室楼层板处按铰支座,基础底板处按固端(4)窗井外侧墙顶部敞开无顶板相连,其计算简图可根据窗井深度按三边连续一边自由,或水平多跨连续板计算,如按多跨连续板计算时,因为荷载上下差别大,可上下分段计算弯矩确定配筋。
静止土压力系数静止土压力系数是土力学中一个重要的参数,用于描述土体在不动情况下对结构或支撑的作用。
它是指土体在受到外部荷载作用时,由于土体内部摩擦力的作用而产生的抵抗力。
静止土压力系数通常用字母K0表示,是一个无量纲的参数。
静止土压力系数的定义静止土压力系数K0定义为单位水平面上的土壤土压力与垂直土压力的比值。
即K0 = σh / σv其中,σh代表水平方向的土压力,σv代表垂直方向的土压力。
当土体处于静止情况时,即没有外力作用时,由于土体内部的自重和地层应力的平衡作用,可以认为水平与垂直方向的土压力相等,因此有 K0 = 1。
影响静止土压力系数的因素静止土压力系数受多种因素影响,主要包括土壤的性质、孔隙水压力、土体的密实程度等。
不同类型的土壤具有不同的静止土压力系数,通常可通过试验或理论计算得出。
孔隙水压力会使土体体积增大,从而增大土压力,造成静止土压力系数增大。
而土壤的密实程度则直接影响了土体内部的摩擦力,从而影响静止土压力系数的大小。
静止土压力系数的工程应用静止土压力系数在工程实践中具有重要意义,特别是在土木工程中的土方开挖、基础设计、挡土墙等方面。
通过合理地选取静止土压力系数,可以更准确地分析和设计工程结构,在施工过程中减小风险并提高工程质量。
静止土压力系数的准确性对工程稳定性至关重要,因此需要进行准确的测量和计算。
结语静止土压力系数作为土力学中的重要参数,对于土体的受力分析和工程设计有着重要的意义。
合理地理解和应用静止土压力系数,可以提高工程的安全性和稳定性,减小风险。
因此,在实际工程应用中,我们应该充分考虑土壤性质、孔隙水压力等因素,准确地确定静止土压力系数,保障工程的稳定性和可靠性。
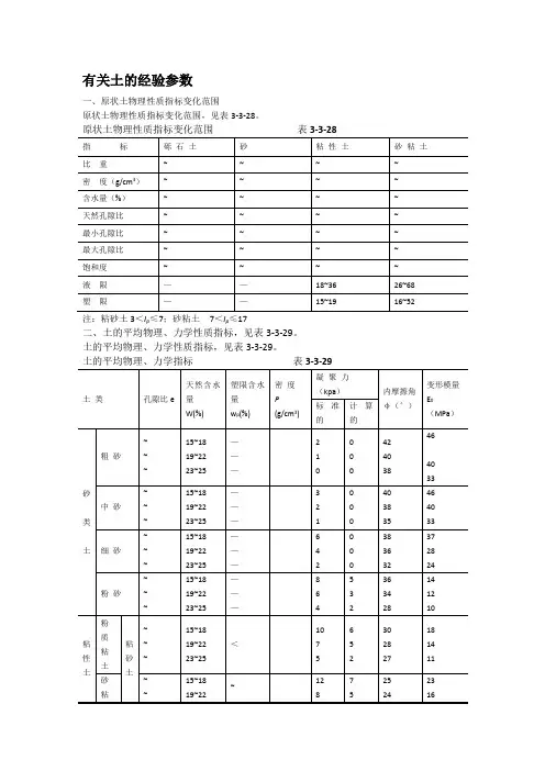
有关土的经验参数一、原状土物理性质指标变化范围原状土物理性质指标变化范围,见表3-3-28。
原状土物理性质指标变化范围表3-3-28注:粘砂土3<I p≤7;砂粘土7<I p≤17二、土的平均物理、力学性质指标,见表3-3-29。
土的平均物理、力学性质指标,见表3-3-29。
土的平均物理、力学指标表3-3-29注:①平均比重采取:砂——;粘砂土——;砂粘土——;粘土——;②粗砂和中砂的E 0值适用于不均匀系数C u = = 3者,当C u >5时应按表中所列值减少 。
C u 为中间值时E 0 值按内插法确定;③对于地基稳定计算,采用人摩擦角φ的计算值低于标准值2°。
三、土的压缩模量一般范围值土的压缩模量一般范围值,见表3-3-3-。
1060d d 32注:砂粘土7<I p≤7;粘土I p>17四、粘性土剪强度参考值粘性土抗剪强度参考值,见表3-3-31。
粘性土抗剪强度参考数值表3-3-31注:粘砂土3<I p≤7;砂粘土7<I p≤7;粘土I p>17五、土的侧压力系数(ξ)和泊松比(u)参考值注:粘土I p>17;粉质粘土10<I p≤17;I p≤10五、变形模量于压缩模量的关系变形模量E0是指土体在无侧限条件下应力与应变之比,其中的应变包含弹性应变和塑性应变两部分。
因此,变形模量较弹性模量E小,通常在土与基础的共同作用分析中用变形模量E。
变形模量一般是通过现场载荷试验确定,一些地方通过静力触探、标贯试验与变形模量建立了经验公式。
压缩模量Es是在侧限条件下应力与应变的比值,是通过室内试验获取的参数。
两者的关系:对于软土E0近似等于Es;较硬土层,E0=βEs,β=2~8,土愈坚硬,倍数愈大。
土的经验参数(物理指标、压缩、变形模量、剪切强度)-CAL-FENGHAI-(2020YEAR-YICAI)_JINGBIAN有关土的经验参数一、原状土物理性质指标变化范围原状土物理性质指标变化范围,见表3-3-28。
注:粘砂土3<I p≤7;砂粘土 7<I p≤17二、土的平均物理、力学性质指标,见表3-3-29。
土的平均物理、力学性质指标,见表3-3-29。
注:①平均比重采取:砂——2.66;粘砂土——2.70;砂粘土——2.71;粘土——2.74;②粗砂和中砂的E 0值适用于不均匀系数C u = = 3者,当C u >5时应按表中所列值减少 。
C u为中间值时E 0 值按内插法确定;③对于地基稳定计算,采用人摩擦角φ的计算值低于标准值2°。
1060d d 32三、土的压缩模量一般范围值土的压缩模量一般范围值,见表3-3-3-。
注:砂粘土7<I p≤7;粘土I p>17四、粘性土剪强度参考值粘性土抗剪强度参考值,见表3-3-31。
注:粘砂土3<I p≤7;砂粘土7<I p≤7;粘土I p>17五、土的侧压力系数(ξ)和泊松比(u)参考值注:粘土I p>17;粉质粘土10<I p≤17;I p≤10五、变形模量于压缩模量的关系变形模量E0是指土体在无侧限条件下应力与应变之比,其中的应变包含弹性应变和塑性应变两部分。
因此,变形模量较弹性模量E小,通常在土与基础的共同作用分析中用变形模量E。
变形模量一般是通过现场载荷试验确定,一些地方通过静力触探、标贯试验与变形模量建立了经验公式。
压缩模量Es是在侧限条件下应力与应变的比值,是通过室内试验获取的参数。
两者的关系:对于软土E0近似等于Es;较硬土层,E0=βEs,β=2~8,土愈坚硬,倍数愈大。
第六章挡土结构物上的土压力1、静止土压力:墙在墙后填土的推力作用下,不产生任何移动或转动时,墙体背后的土压力称为静止土压力。
(1)静止土压力计算:(2)静止侧压力系数:对于无粘性土或正常固结黏土:(经验公式);对于超固结黏土:;式中:为超固结黏土的,为正常固结黏土的;为超固结比;为经验系数,一般取值为0.4~0.5,塑性指数小的取大值;存在问题:超固结黏土的上式如何推导的?超固结土具体是如何影响土体的侧压力的和值的、?2、主动土压力:墙体在土压力的作用下向远离填土方向移动,墙后土体所受约束放松有下滑的趋势,为阻止其下滑,潜在滑动面上剪应力增加。
当剪应力增大至抗剪强度时,墙后土体达到极限平衡状态,此时作用在墙上的土压力达到最小值,称为主动土压力。
3、被动土压力:墙体在外力的作用下向着填土方向移动,墙后土体所受挤压有向上滑动趋势,为阻止其上滑,潜在滑动面上剪应力增加(与主动土压力为反方向),使得墙体背后的土压力逐渐增加。
当剪应力增大至抗剪强度时,墙后土体达到极限平衡状态,此时作用在墙上的土压力达到最大值,称为被动土压力。
4、朗肯土压力:--核心为假设墙背为光滑的,认为墙背与土之间无剪应力(1)朗肯主动土压力:假定墙背与土之间无剪应力,作用任意Z深度处土单元上的竖向应力应是最大主应力,而作用在墙背的水平土压力应是最小主应力。
因此,此时的主应力满足极限平衡条件:由上式可得:①无粘性土:此时:②粘性土:即;令:得:;③上式说明粘性土的主动土压力由两部分组成:一部分为土重产生的土压力;是正值;第二部分为粘聚力产生的抗力,表现为负土压力,起减小土压力的作用,其值为常量不随深度变化。
若,此时;因为土体不能受拉,此时的,此时的;③粘性土:滑动面与水平面夹角为;为有效内摩擦角;(2)朗肯被动土压力:当墙推土,使墙后土体达到被动极限状态时,水平压力比竖向大,此时竖向应力应是最小主应力,而作用在墙背的水平土压力应是最大主应力。
北京常见土体侧压力系数1.引言北京市是我国重要的政治、文化和经济中心,土木工程建设在这里十分活跃。
而土体侧压力系数是土木工程设计中的关键参数之一,对于设计和施工具有重要的影响。
本文将对北京常见土体侧压力系数进行研究和分析,以帮助相关工程师和设计人员更好地理解和应用这一参数。
2.背景知识2.1土体侧压力系数概述土体侧压力系数是指土体中垂直于侧边界方向的有效侧压力与垂直于侧边界的有效垂直应力之比。
它是描述土体侧向抗力分布规律的重要参数,常用符号为*Ka*。
在土木工程中,土体侧压力系数的准确确定对于各种结构的稳定性和安全性分析具有重要意义。
2.2影响土体侧压力系数的因素土体侧压力系数的取值与土体性质、应力状态、水分条件、地下水位等因素有关。
北京地区特有的土壤条件和气候特点使得其土体侧压力系数与其他地区有所不同。
3.北京常见土体侧压力系数案例分析3.1粘土地基3.1.1黏性土北京地区大部分区域的地基土壤主要为黏性土,其土体侧压力系数一般较小。
根据现场实测和后期工程观测数据可知,北京市黏性土的侧压力系数在0.25~0.45之间,常取0.35作为设计值。
3.2砂土地基3.2.1纯砂土纯砂土是指不含黏性颗粒的砂土。
在北京地区,纯砂土广泛分布于市区的一些地段。
根据相关调查研究数据,北京市纯砂土的侧压力系数约为0.3~0.5,一般取0.4作为设计值。
3.2.2含黏性颗粒的砂土北京市的一些地段存在着含黏性颗粒的砂土。
根据实测数据和研究成果,这类土体的侧压力系数一般较小,常取0.3~0.4之间的数值作为设计值。
3.3淤泥地基3.3.1全淤泥全淤泥地基常见于北京市郊区的一些湖泊、河流沿岸地区。
根据相关研究资料,全淤泥的侧压力系数通常取0.3作为设计值。
3.3.2含砂质颗粒的淤泥含砂质颗粒的淤泥地基较为复杂,其侧压力系数的取值较为广泛。
根据北京地区类似工程的实测和理论分析结果,其侧压力系数一般在0.3~0.5之间,但具体数值需要根据较为详细的实地调查和工程试验来确定。
土的经验参数(物理指标、压缩、变形模量、剪切强度)有关土的经验参数一、原状土物理性质指标变化范围原状土物理性质指标变化范围,见表3-3-28。
注:粘砂土3<I p≤7;砂粘土 7<I p≤17二、土的平均物理、力学性质指标,见表3-3-29。
土的平均物理、力学性质指标,见表3-3-29。
注:①平均比重采取:砂——2.66;粘砂土——2.70;砂粘土——2.71;粘土——2.74;②粗砂和中砂的E 0值适用于不均匀系数C u = = 3者,当C u >5时应按表中所列值减少 。
C u为中间值时E 0 值按内插法确定;③对于地基稳定计算,采用人摩擦角φ的计算值低于标准值2°。
1060d d 32三、土的压缩模量一般范围值土的压缩模量一般范围值,见表3-3-3-。
注:砂粘土7<I p≤7;粘土I p>17四、粘性土剪强度参考值粘性土抗剪强度参考值,见表3-3-31。
注:粘砂土3<I p≤7;砂粘土7<I p≤7;粘土I p>17五、土的侧压力系数(ξ)和泊松比(u)参考值注:粘土I p>17;粉质粘土10<I p≤17;I p≤10五、变形模量于压缩模量的关系变形模量E0是指土体在无侧限条件下应力与应变之比,其中的应变包含弹性应变和塑性应变两部分。
因此,变形模量较弹性模量E小,通常在土与基础的共同作用分析中用变形模量E。
变形模量一般是通过现场载荷试验确定,一些地方通过静力触探、标贯试验与变形模量建立了经验公式。
压缩模量Es是在侧限条件下应力与应变的比值,是通过室内试验获取的参数。
两者的关系:对于软土E0近似等于Es;较硬土层,E0=βEs,β=2~8,土愈坚硬,倍数愈大。