反滤料填筑单元评定
- 格式:docx
- 大小:13.72 KB
- 文档页数:1
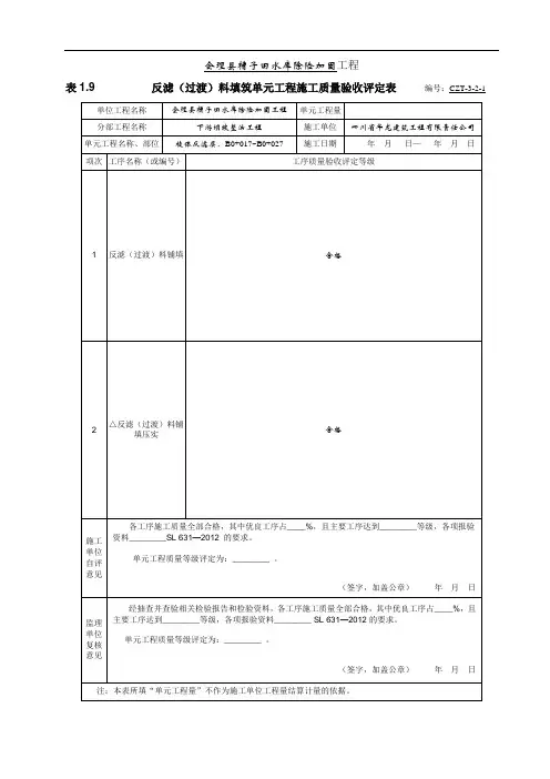
表1.9 反滤(过渡)料填筑单元工程施工质量验收评定表编号:CZT-3-2-1
表1.9.1 反滤(过渡)料铺填工序施工质量验收评定表
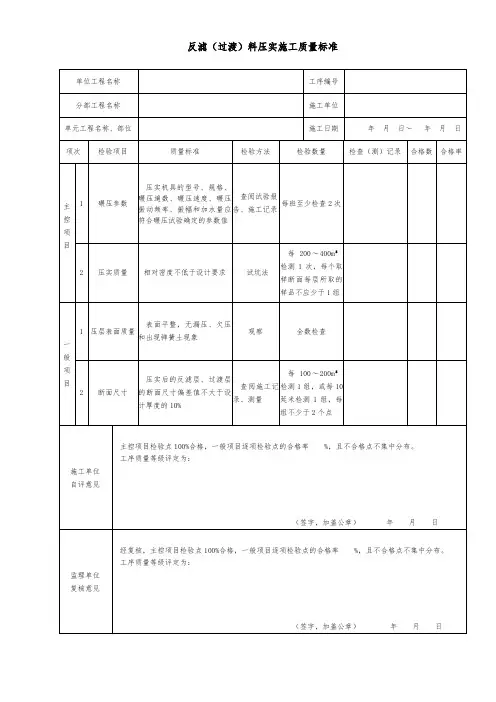
表1.9.2 反滤(过渡)料压实工序施工质量验收评定表
表1.9 反滤(过渡)料填筑单元工程施工质量验收评定表编号:CZT-3-2-2
表1.9.1 反滤(过渡)料铺填工序施工质量验收评定表
表1.9.2 反滤(过渡)料压实工序施工质量验收评定表
表1.9 反滤(过渡)料填筑单元工程施工质量验收评定表编号:CZT-3-2-3
表1.9.1 反滤(过渡)料铺填工序施工质量验收评定表
表1.9.2 反滤(过渡)料压实工序施工质量验收评定表
表1.9 反滤(过渡)料填筑单元工程施工质量验收评定表编号:CZT-3-2-4
表1.9.1 反滤(过渡)料铺填工序施工质量验收评定表
表1.9.2 反滤(过渡)料压实工序施工质量验收评定表。
反滤(过渡)料填筑单元工程施工质量验收评定表填表要求
填表时必须遵守“填表基本规定”,并应符合下列要求:
1.反滤料的材料质量指标应符合设计要求。
反滤(过渡)料在铺填前,应进行碾压试验,以确定碾压方式及碾压质量控制参数。
2.单元工程划分:宜以反滤层、过渡层工程施工的区、段、层划分,每一区、段的每一层划分为一个单元工程。
3.单元工程量填写本单元反滤(过渡)料填筑工程量(m3)。
4.反滤(过渡)料铺填单元工程施工宜分为反滤(过渡)料铺填、压实2个工序,其中反滤(过渡)料压实工序为主要工序,用△标注。
本表是在表1.9.1、表1.9.2工序施工质量验收评定合格的基础上进行。
5.单元工程施工质量验收评定应提交下列资料:
(1)施工单位应提交单元工程中所含工序(或检验项目)验收评定的检验资料。
(2)各项实体检验项目的检验记录资料。
(3)监理单位应提交对单元工程施工质量的平行检测资料。
6.单元工程质量标准:
(1)合格等级标准:各工序施工质量验收评定应全部合格;各项报验资料应符合SL 631—2012的要求。
(2)优良等级标准:各工序施工质量验收评定应全部合格,其中优良工序应达到50%及以上,且主要工序应达到优良等级;各项报验资料应符合SL 631—2012的要求。
________________________工程。
反滤层填筑单元工程验收资料清单
施工单位:江南水利水电工程公司苗尾水电站大坝工程项目部
施工质量负责人:监理单位审核人:
年月日年月日
反滤层填筑单元工程质量等级评定表施工单位:江南水利水电工程公司苗尾水电站大坝工程项目部
反滤料料源质量检查记录表施工单位:江南水利水电工程公司苗尾水电站大坝工程项目部
填筑工程准填证施工单位:江南水利水电工程公司苗尾水电站大坝工程项目部
注:本套表填表一式二份,施工单位一份,监理单位一份。
反滤料填筑参数控制检查记录表施工单位:江南水利水电工程公司苗尾水电站大坝工程项目部
反滤料填筑质量检验单
施工单位:江南水利水电工程公司苗尾水电站大坝工程项目部
合同编号:MIW/C2 单元编号:。