电气试验理论基础及实操
- 格式:pptx
- 大小:948.11 KB
- 文档页数:46
一、实验目的本次电气设备实训实验旨在通过对电气设备的操作、维护与故障排除等方面的学习,提高学生的动手实践能力,加深对电气设备理论知识的理解,培养学生的安全意识和团队合作精神。
二、实验内容1. 电气设备操作(1)熟悉电气设备的操作规程,掌握电气设备的启动、停止、运行、维护等基本操作步骤。
(2)学会使用电气设备的各种控制开关、按钮、指示灯等。
(3)了解电气设备的运行原理,观察设备运行状态,分析设备运行过程中可能出现的问题。
2. 电气设备维护(1)学会检查电气设备的运行状态,发现问题及时处理。
(2)了解电气设备的维护保养知识,掌握电气设备的定期检查、清洁、润滑等维护方法。
(3)学会使用电气设备的维修工具,具备一定的故障排除能力。
3. 电气设备故障排除(1)掌握电气设备常见故障的原因及排除方法。
(2)学会分析电气设备故障现象,找出故障原因。
(3)通过实践操作,提高故障排除能力。
三、实验过程1. 实验准备(1)熟悉实验设备,了解设备的操作规程和维护保养知识。
(2)准备好实验工具,如万用表、螺丝刀、扳手等。
(3)确保实验环境安全,遵循安全操作规程。
2. 实验步骤(1)电气设备操作① 按照操作规程启动设备,观察设备运行状态。
② 学会使用设备的各种控制开关、按钮、指示灯等。
③ 注意观察设备运行过程中可能出现的问题,如噪音、振动、温度等。
(2)电气设备维护① 检查设备运行状态,发现问题及时处理。
② 定期对设备进行清洁、润滑等维护保养。
③ 学会使用维修工具,对设备进行简单的维修。
(3)电气设备故障排除① 分析设备故障现象,找出故障原因。
② 通过实践操作,尝试排除故障。
③ 总结故障排除经验,提高故障排除能力。
3. 实验总结(1)总结电气设备操作、维护与故障排除过程中的经验教训。
(2)对实验过程中遇到的问题进行分析,提出改进措施。
(3)提高自己的动手实践能力,为今后从事电气设备相关工作奠定基础。
四、实验结果与分析1. 实验结果通过本次电气设备实训实验,我们掌握了电气设备的操作、维护与故障排除等方面的知识,提高了自己的动手实践能力,培养了安全意识和团队合作精神。
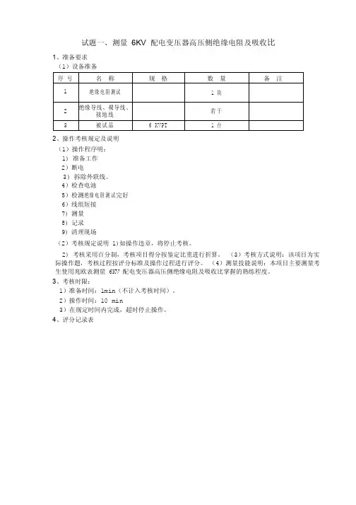
试题一、测量6KV配电变压器高压侧绝缘电阻及吸收比1、准备要求(1)设备准备2、操作考核规定及说明(1)操作程序明:1) 准备工作2)断电3) 拆除外联线。
4)检查电池5)检测绝缘电阻测试完好6)线组短接7)测量8)记录9)清理现场(2)考核规定说明1)如操作违章,将停止考核。
2) 考核采用百分制,考核项目得分按鉴定比重进行折算。
(3)考核方式说明:该项目为实际操作题,考核过程按评分标准及操作过程进行评分。
(4)测量技能说明:本项目主要测量考生使用兆欧表测量6KV配电变压器高压侧绝缘电阻及吸收比掌握的熟练程度。
3、考核时限:1)准备时间:1min(不计入考核时间)。
2)操作时间:10 min3)在规定时间内完成,超时停止操作。
4、评分记录表操作技能考核评分记录表姓名:性别:试题名称:测量6KV配电变压器高压侧绝缘电阻及吸收比考核时间10min试题二、测量6KV配电变压器高压侧直流电阻1、准备要求(1)设备准备2、操作考核规定及说明(1)操作程序:1)准备工作2)接线。
3)调零。
4)选档。
5)测量。
6)读数。
7)归档。
8)综合分析。
9)清理现场(2)考核规定说明1)如操作违章,将停止考核。
2) 考核采用百分制,考核项目得分按鉴定比重进行折算。
(3)考核方式说明:该项目为实际操作题,考核过程按评分标准及操作过程进行评分。
(4)测量技能说明:本项目主要测量考生使用直流电阻测试仪测量6KV配电变压器高压侧直流电阻掌握的熟练程度。
3、考核时限:1)准备时间:1min(不计入考核时间)。
2)操作时间:10 min3)在规定时间内完成,超时停止操作。
4、评分记录表操作技能考核评分记录表姓名:性别:试题名称:测量6KV配电变压器高压侧直流电阻考核时间:10min操作技能考核评分记录表姓名:性别:试题名称:测量6KV配电变压器高压侧直流电阻考核时间:10min 续表。
电工实操考试内容一、安全操作规程在进行电工实操考试时,安全操作是至关重要的。
以下是一些必须遵守的安全操作规程:•检查工具和设备是否完好,确保安全可靠;•穿戴必要的防护装备,如手套、安全帽等;•确保工作区域干净整洁,防止绊倒和其他意外事故的发生;•在操作电气设备时,确保设备处于关机状态以及断开电源;•遵守操作规程,不擅自拆卸或改变电气设备的结构。
二、基本电路连接1. 灯泡电路连接在电工实操考试中,灯泡电路连接是一个基本的实操内容。
考生需要了解电气元件的正负极连接方法,掌握灯泡电路的串联和并联连接方式,并能正确进行实操操作。
2. 开关电路连接开关电路连接是电工实操考试中另一个重要的内容。
考生需熟悉各类开关的工作原理和安装方法,能够正确连接开关电路,并且进行功能测试。
三、电工工具使用1. 万用表的使用考生需要了解万用表的基本使用方法,包括电阻、电压、电流的测量,以及如何正确连接和操作万用表。
2. 绝缘电工工具的使用在电工实操考试中,绝缘电工工具的正确使用至关重要。
考生需要掌握绝缘电钳、绝缘螺丝刀等工具的使用方法,确保安全操作。
四、故障排除与维修在电工实操考试中,考生还需要具备一定的故障排除和维修能力。
能够熟练使用测试仪器对电路进行故障排查,并能够快速准确地解决故障问题,是电工实操考试中的重点内容。
五、实操考试流程在电工实操考试中,通常会按照以下流程进行:1.考试前对考生进行安全知识培训;2.发放考题,要求考生按照要求完成电路连接、工具使用、故障排除等实操内容;3.进行实操考试,考官会根据考生的操作过程和结果进行评分;4.综合评定考生的实操能力,给予相应的评价和建议。
通过以上内容的学习和实操,考生可以更好地准备电工实操考试,提升自己的电工技能水平。
电气试验的基本知识1、电力设备的绝缘缺陷分类:吾电力设备的绝缘缺陷分为两大类:第一类是集中性缺陷,如局部放电、局部受潮、老化、局部机械损伤;第二类是分布性缺陷,如绝缘整体受潮、老化、变质等。
2、电气试验的意义绝缘缺陷的存在必然导致绝缘性能的变化,通过各种试验手段,测量表征其绝缘性能的有关数据参数,查出绝缘缺陷并及时处理,可使事故防患于未燃。
3、电气试验的分类电气试验一般可分为出厂试验、交接验收试验、大修试验、绝缘预防性试验等。
按照试验的性质和要求,电气试验分为绝缘试验和特性试验两大类。
3.1 出厂试验出厂试验是电力设备生产厂家根据有关标准和产品技术条件或《检验规程》规定中的试验项目,对每台产品所进行的检查试验。
试验的目的在于检查产品设计、制造、工艺的质量,防止不合格产品出厂。
3.2 交接验收试验、大修试验交接验收试验、大修试验是指安装部门、检修部门对新投设备、大修设备按照有关标准及产品技术条件或《规程》规定进行的试验。
新设备在投入运行前的交接验收试验,用来检查产品有无缺陷,运输中有无损坏等,大修后设备的试验用来检查检修质量是否合格等。
3.3 绝缘预防性试验绝缘预防性试验是指设备投入运行后,按一定的周期由运行部门、试验部门进行的试验,目的在于检查运行中的设备有无绝缘缺陷和其他缺陷。
与出厂试验及交接验收试验相比,它主要侧重于绝缘试验,其试验项目较少。
3.4 绝缘试验绝缘试验是指测量设备绝缘性能的试验。
绝缘试验一般分为两大类:第一类是非破坏性试验,是指较低电压下,用不损伤设备绝缘的办法来判断绝缘缺陷的试验,如绝缘电阻介质损失角正切试验、泄漏电流试验等。
这类试验对发现缺陷有一定的作用与有效性。
但这类试验由于试验电压低,发现缺陷的灵敏性不高,但目前还不可放弃这类试验手段。
第二类是破坏性试验,如交流耐压试验、直流耐压试验用较高的试验电压来考验设备的绝缘水平。
这类试验优点是为易于发现设备的集中性缺陷,考验设备绝缘水平;缺点在于电压较高,个别情况下有可能给被试验设备造成一定损伤。
10-35kV高压并联电容器电容量测量一、测试目的:测量电容值的目的是检查其电容值的变化情况,把测量值和铭牌值进行比较,可以判断内部接线是否正确及绝缘是否受潮等。
二、测试前准备工作1、仪器仪表的选择2、了解被试设备运行状况和设备缺陷情况及试验条件,查看现场、查阅技术资料。
3、办理工作票并做好现场安全和技术措施。
4、工作负责人对工作班成员做好技术交底工作。
三、危险点及预控措施1、高空坠落应使用专用爬梯上下,在电容器上工作系好安全带,严禁徒手攀爬电容器。
2、坠物伤人高处作业使用工具袋,上下传递物品使用传递绳,严禁抛掷。
3、人员触电拆接试验接线前将被试设备充分对地放电,测量时试验人员应与带电部位保持足够的安全距离,必要时使用个人保安线。
4、试验过程中严格执行《电力安全工作规程(变电部分)》规定内容。
四、测试步骤1、步骤(1)核对现场组织措施和技术措施。
(2)试验现场应装设遮栏,防止无关人员进入试验区。
(3)做好验电、放电和接地等工作。
(4)检查被试品、仪器及试验电源。
(5)合理布置电容电感测试仪、接地线与放电棒位置,正确接线。
(6)启动试验仪器开始测试,仪器复位关闭电源。
(7)整理原始试验数据。
(8)试验完毕、清理现场。
(9)编写试验报告。
2、接线方式:采用电容电感测试仪测量10(35)kV高压并联电容器组电容量,测试接线如图1所示。
图1 电容电感测试仪测量10(35)kV高压并联电容器组电容量接线3、试验电压:使用仪器测试电压测量。
4、测试方法:(1)对高压并联电容器充分放电并接地。
(2)将电容器外壳接地。
(3)拆除电容器高压引线。
(4)按图一进行接线,检查测试接线是否正确。
钳形电流互感器钳口闭合是否良好。
(5)接通电容电感测试仪电源,选择对应的测量参数后测量。
(6)测量结束后对电容器充分放电。
(7)拆除试验测试线,恢复电容器高压引线。
五、试验要求及注意事项(1)测试前后均要对高压并联电容器充分放电。
选择题电气试验工在进行直流耐压试验时,应采用的接线方式是?A. 负极性B. 正极性C. 负极性和正极性均可D. 无需接线在进行电气设备的绝缘电阻测试时,通常使用的仪表是?A. 电流表B. 电压表C. 兆欧表D. 功率表对于交流电路的功率因数,以下描述正确的是?A. 总是等于1B. 总是小于1C. 总是大于1D. 与电路负载性质有关电气试验工在检查电气设备时,首先应当关注的是?A. 设备外观B. 设备接线C. 设备安全标识D. 设备铭牌信息当电气试验工在进行高压试验时,应遵守的基本安全规则是?A. 无需穿戴防护用具B. 可以单独一人操作C. 必须在有监护人的情况下进行D. 可以随意操作电气试验工在读取仪表数据时,应当注意的事项是?A. 快速读取B. 随意读取C. 准确读取D. 无需读取简答题简述电气试验工在进行电气设备安装前,应当进行哪些准备工作?描述电气试验工在测试电气设备绝缘性能时,常用的测试方法和步骤。
电气试验工在试验过程中发现设备异常,应当如何处理?简述电气试验工在试验过程中,如何确保自身和他人的安全?描述电气试验工在进行电气设备维护时,需要注意哪些事项?电气试验工在试验结束后,应当进行哪些工作?填空题电气试验工在进行电气设备试验时,必须遵循_____原则和_____原则。
在进行电气试验前,必须确保试验设备处于_____状态,试验场地_____。
电气试验工在读取仪表数据时,应当注意数据的_____和_____。
电气试验工在试验过程中,必须佩戴_____和_____等防护用具。
电气试验工在试验结束后,应当填写_____并整理_____。
贵州电网公司供电企业技能岗位实操考试题库高压电气试验技师目录主要编审人员 (3)(一)专门技能 (3)1、110K V电容式电压互感器绝缘电阻、介质损耗(TANΔ%)试验 (3)2、110K V油浸式电流互感器绝缘电阻、介质损耗(TANΔ%)试验 (7)3、使用交流法测量10K V干式空芯电抗器阻抗值 (10)4、110K V三相三绕组电力变压器直流泄漏电流试验 (12)5、使用频率响应法测量三相三绕组电力变压器的绕组变形………………………..错误!未定义书签。
6、110K VSF6断路器的动作电压及时间特性试验………………………………………错误!未定义书签。
7、110K V氧化锌避雷器绝缘电阻、直流泄漏电流试验……………………………….错误!未定义书签。
8、110K V三相三绕组电力变压器套管的介损和电容量试验 (22)9、110K V油浸式电流互感器伏安特性试验…………………………………………….错误!未定义书签。
10、10K V并联电容器绝缘电阻及电容量试验………………………………………….错误!未定义书签。
二、相关技能……………………………………………………………………………..错误!未定义书签。
1、安全带的检查、使用方法错误!未定义书签。
2、防毒面具的检查、使用方法 (31)3、干粉灭火器的检查、使用方法 (33)4、绝缘鞋的检查、使用方法 (34)5、绝缘手套的检查、使用方法 (35)6、万用表的检查、使用方法……………………………………………………………….错误!未定义书签。
7、钳形电流表的检查、使用方法………………………………………………………….错误!未定义书签。
8、10K V接地线的检查、使用方法………………………………………………………….错误!未定义书签。
9、脱离低压电源的方法 (41)10、口对口(鼻)人工呼吸方法 (42)主要编审人员主编:副主编:编辑:陈浩、史纯清、邢懿、文峰(一)专门技能(二)相关技能。
电气试验工作流程及步骤总结电气试验是电力系统建设和运维过程中非常重要的一环。
它通过一系列的步骤和流程来评估电气设备和系统的质量和可靠性,确保电力系统的安全稳定运行。
本文将对电气试验的工作流程和步骤进行总结,希望能够帮助读者更好地了解电气试验的过程和注意事项。
一、电气试验的基本概念电气试验是指在电力系统建设、维修或改造中对各种电气设备、线路和系统进行检验和试验的工作。
它是衡量电气设备和系统质量的重要手段,也是保障电力系统安全稳定运行的关键环节。
电气试验可以检测电气设备的运行状态、性能参数、电气特性和绝缘性能等方面的指标,评估设备和系统的质量和可靠性,发现和处理潜在问题,提高系统的安全性和稳定性。
二、电气试验的工作流程电气试验的工作流程包括规划阶段、准备阶段、现场试验阶段和报告归档阶段。
各个阶段的工作都非常重要,影响到整个电气试验的效果和可靠性。
1. 规划阶段在进行电气试验前,必须要进行规划,明确试验的目标、任务、工作流程和步骤。
规划阶段的主要工作包括:(1)编制电气试验方案,明确试验的目标、要求、范围和内容,确定试验的规模和工作周期。
(2)确定试验设备和试验方案,并编制试验实施计划。
(3)制定试验标准和试验方法,根据国家标准和行业标准制定试验标准和方法,确保试验的准确可靠。
(4)确定试验的经费和人员,根据试验的规模和任务确定经费和人员需求,并制定细致的工作计划。
2. 准备阶段准备阶段是为了确保试验能够稳定进行,需要进行试验前的准备工作,明确试验设备的状态和试验条件,保证电气试验的可靠性。
准备阶段的主要工作包括:(1)审核试验设备,检查设备的安装、连接和运行状态,确定设备的正常工作状态。
(2)检查试验仪器,确认试验仪器的正常状态和准确性,确保试验仪器的正确性。
(3)准备试验记录表,建立完整的试验记录表,记录试验设备的名称、试验时间、检测参数、实测数据等信息。
(4)启动安全措施,确保试验过程中人员和设备的安全,规定应急措施和处理方法。
广西电网公司变电检修专业电气试验工种实操题
*******************************************************************************
专业:变电检修
工种:电气试验工
分级:一级
******************************************************************************* 1电流互感器主绝缘、末屏及二次绕组绝缘电阻试验
2、电流互感器直流电阻试验
3、电流互感器交流耐压试验
4、电流互感器励磁特性试验
5、耦合电容器绝缘电阻测试
6、耦合电容器介损及电容量测试
7、耦合电容器交流耐压试验
8、单个并联电容器交流耐压试验
9、电磁式电压互感器感应耐压试验
10、变压器变比试验
11、变压器绕组连同套管介损试验
12、变压器绕组连同套管绝缘、吸收比试验
13、变压器绕组连同套管泄漏电流试验
14、变压器铁芯、夹件绝缘试验
15、变压器绕组直流电阻试验
16、变压器套管介损、绝缘电阻试验
17、变压器外施耐压试验
18、万用表使用
技能操作试题评分卷
姓名: ______________________ 单位: ______________________ 考核日期:____________________ 行业:电力工程工种工种:电气试验工等级:一级
19、避雷器试验。
电气试验基础知识11. 引言在电气工程领域中,电气试验是非常重要的一项工作。
通过进行电气试验,可以对电气设备的安全性能进行评估和验证,以确保设备的正常运行和可靠性。
本文将介绍电气试验的基础知识,包括试验的目的、常用的试验方法、试验设备和安全注意事项。
2. 试验目的电气试验的主要目的是验证电气设备的安全性能和功能是否符合相关标准和要求,并检测设备是否存在潜在缺陷或故障。
通过电气试验可以发现设备的耐压能力、绝缘性能、接地性能和使用可靠性等方面的问题,从而为设备的优化设计和维修提供依据。
3. 试验方法3.1 绝缘电阻测试绝缘电阻测试是一项常用的电气试验方法,用于评估设备的绝缘性能。
该测试通过向设备施加一定的电压,并测量在该电压条件下绝缘材料的电阻值,从而判断设备是否存在绝缘损坏或漏电现象。
3.2 绝缘耐压试验绝缘耐压试验是一种全面检测设备绝缘性能的试验方法。
在该试验中,将设备暴露在高电压下,并观察设备是否存在绝缘击穿现象。
通过该试验可以评估设备的耐压能力和绝缘质量。
3.3 电气安全试验电气安全试验用于检测设备是否符合相关安全标准和要求。
常见的电气安全试验包括接地电阻测试、接触电压测试和跳闸试验等。
这些试验主要用于评估设备的接地性能、触电风险和保护性能。
3.4 故障诊断试验故障诊断试验是一种用于检测设备故障的试验方法。
通过在设备中注入故障信号,并观察设备在故障条件下的响应,可以判断设备是否存在故障,并定位故障的具体位置。
4. 试验设备进行电气试验需要使用一些专门的试验设备,常见的试验设备包括绝缘电阻测试仪、高压发生器、接地电阻测试仪和故障诊断设备等。
这些设备能够提供所需的电压、电流和信号,并具备安全可靠的性能,以确保试验的准确性和可靠性。
5. 安全注意事项在进行电气试验时,需要遵守一些安全注意事项,以确保人员和设备的安全。
首先,必须在合适的试验环境中进行试验,确保设备周围没有易燃、易爆等危险物质。
其次,使用试验设备时应严格按照设备的说明书和操作规程进行操作,确保设备的正常使用和安全性。
一、实训背景电气高压试验是电力系统中一项重要的技术工作,它对于保障电力设备的安全稳定运行具有重要意义。
为了提高我对电气高压试验技术的理解和操作能力,我参加了为期一周的电气高压试验实训。
本次实训旨在通过实际操作,了解电气高压试验的基本原理、方法和安全措施,提高自己的专业技能。
二、实训内容1. 实训目标(1)掌握电气高压试验的基本原理和方法;(2)熟悉电气高压试验设备的使用和操作;(3)了解电气高压试验的安全措施和注意事项;(4)提高实际操作能力,为今后从事相关工作打下基础。
2. 实训过程(1)理论学习在实训开始前,我们首先进行了理论学习,了解了电气高压试验的基本原理、方法、安全措施和注意事项。
主要包括以下内容:1)电气高压试验的基本原理:通过施加高压电压,检测电气设备的绝缘性能和电气参数,以判断设备的运行状态和潜在问题;2)电气高压试验的方法:包括直流耐压、交流耐压、局部放电试验、绝缘电阻测试等;3)电气高压试验设备:如高压发生器、绝缘电阻表、局部放电测试仪等;4)电气高压试验的安全措施:如穿戴防护用品、操作规程、现场管理等。
(2)实际操作在理论学习的基础上,我们进行了实际操作实训。
主要内容包括:1)直流耐压试验:通过高压发生器施加直流电压,检测设备的绝缘性能;2)交流耐压试验:通过高压发生器施加交流电压,检测设备的绝缘性能;3)局部放电试验:通过局部放电测试仪检测设备内部的局部放电现象;4)绝缘电阻测试:通过绝缘电阻表检测设备的绝缘电阻。
(3)安全操作与事故处理在实训过程中,我们严格遵守操作规程,确保人身和设备安全。
同时,我们还学习了事故处理方法,以便在遇到紧急情况时能够及时采取措施。
三、实训成果通过本次电气高压试验实训,我取得了以下成果:1)掌握了电气高压试验的基本原理和方法;2)熟悉了电气高压试验设备的使用和操作;3)了解了电气高压试验的安全措施和注意事项;4)提高了实际操作能力,为今后从事相关工作打下了基础。
一、实训目的本次电气实验技能实训的主要目的是通过实际操作,加深对电气理论知识的理解,提高动手实践能力,培养严谨的科学态度和良好的职业素养。
通过实训,使学生能够掌握基本的电气实验技能,了解电气实验的基本原理和方法,为今后的工作打下坚实的基础。
二、实训内容1. 实验一:基本电路元件识别与测量(1)目的:掌握基本电路元件(电阻、电容、电感、二极管、三极管等)的识别方法,学会使用万用表等测量工具进行测量。
(2)步骤:① 识别电路元件,了解其基本特性和参数;② 使用万用表测量电路元件的阻值、电容值、电感值等;③ 分析测量结果,判断电路元件的好坏。
2. 实验二:电路连接与调试(1)目的:掌握电路连接方法,学会使用电烙铁进行焊接,调试电路,使电路正常工作。
(2)步骤:① 根据电路图,设计电路连接方案;② 使用电烙铁进行焊接,连接电路;③ 调试电路,使电路正常工作;④ 分析电路工作原理,验证电路设计。
3. 实验三:交流电路测量与计算(1)目的:掌握交流电路的测量方法,学会使用示波器等仪器进行测量,计算交流电路的参数。
(2)步骤:① 根据电路图,设计交流电路;② 使用示波器等仪器测量交流电路的电压、电流、相位等参数;③ 计算交流电路的功率、阻抗等参数;④ 分析交流电路的工作原理,验证电路设计。
4. 实验四:直流电源设计与制作(1)目的:掌握直流电源的设计方法,学会使用电子元器件制作直流电源。
(2)步骤:① 设计直流电源的电路图;② 选择合适的电子元器件;③ 制作直流电源;④ 测试直流电源的输出电压、电流等参数;⑤ 分析直流电源的工作原理,验证电路设计。
三、实训总结通过本次电气实验技能实训,我深刻认识到以下几点:1. 电气实验技能是电气工程技术人员必备的基本素质,熟练掌握电气实验技能对今后的工作具有重要意义。
2. 在进行电气实验时,要严谨对待每一个步骤,确保实验结果的准确性。
3. 电气实验技能的提高需要不断实践和总结,要善于发现和解决问题。