材料力学(1)(高起专)阶段性作业
- 格式:doc
- 大小:82.50 KB
- 文档页数:8
材料力学(1)(高起专)阶段性作业3总分:100分得分:0分一、单选题1. 梁横截面面积相同,但横截面分别为圆形.竖放的矩形及工字形截面,这些梁的抗弯截面模量由大到小依次排列为_____。
(5分)(A) 矩形,工字形,圆形(B) 工字形,矩形,圆形(C) 工字形,圆形,矩形(D) 矩形,圆形,工字形参考答案:B2. 双对称截面梁在两相互垂直纵向对称平面内发生弯曲时,截面上中性轴的特点是:_____。
(5分)(A) 各点横截面上的剪应力为零(B) 中性轴是不通过形心的斜直线(C) 中性轴是通过形心的斜直线(D) 与材料的性质有关参考答案:C3. 材料力学中,关于中性轴位置,有以下几种论述,试判断正确的是_______。
(5分)(A) 中性轴不一定在横截面内,但如果在横截面内它一定通过截面的形心;(B) 中性轴只能在横截面内,并且必须通过其形心;(C) 中性轴只能在横截面内,但不一定通过其形心;(D) 中性轴不一定在横截面内,而且也不一定通过其形心。
参考答案:D4. 两端简支直杆受力如题一.4左图所示,分析其轴线变形(右图中以虚线表示)其中合理的是_______。
(5分)(A)(B)(C)(D)参考答案:C5. 图所示,一矩形截面直杆右端固定,左端自由并作用一集中力偶矩M,使梁产生平面弯曲,材料的变形保持在弹性变形的范围内。
梁的固定端横截面A-A上的内力分布,试判断比较合理的是_______。
(5分)(A)(B)(C)(D)参考答案:C6. 材料力学研究的主要问题是变形问题。
这类问题是超静定问题。
超静定问题的求解一般要联立_______的条件才能求解。
(5分)(A) 两方面;(B) 三方面;(C) 四方面;(D) 五方面;参考答案:B7. 材料力学中内力(即轴力.扭矩.剪力.弯矩)的正负号规则是根据构件的_______(5分)(A) 变形(B) 运动(C) 平衡(D) 受载情况参考答案:A8. 梁发生平面弯曲时,其横截面绕_______旋转。
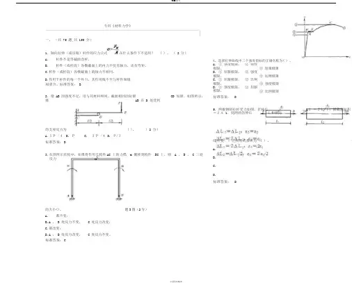
专科《材料力学》一、(共 75 题,共 150 分)1. 轴向拉伸(或压缩)杆件的应力公式在什么条件下不适用?( ) 。
( 2 分)A.杆件不是等截面直杆。
B.杆件(或杆段)各横截面上的内力不仅有轴力,还有弯矩。
C.杆件(或杆段)各横截面上的轴力不相同。
D.作用于杆件的每一个外力,其作用线不全与杆件轴线相重合。
标准答案: B2. 梁 AB 因强度不足,用与其材料相同、截面相同的短梁CD 加固,如图所示,梁AB 在 D 处受到的支座反力为( )。
( 2 分)A.5P /4B. PC. 3P /4D. P/2标准答案:D3.在图所示结构中,如果将作用于构件AC 上的力偶 m 搬移到构件 BC 上,则 A 、 B 、 C 三处反力的大小()。
题3图(2分)A.都不变;B.A 、 B 处反力不变, C 处反力改变;C.都改变;D.A 、 B 处反力改变, C 处反力不变。
标准答案:C 4. 选择拉伸曲线中三个强度指标的正确名称为( ) 。
A. ①强度极限,②弹性极限,③ 屈服极限B. ①屈服极限,②强度极限,③ 比例极限C. ①屈服极限,②比例极限,③ 强度极限D. ①强度极限,②屈服极限,③ 比例极限标准答案: D5. 两根钢制拉杆受力如图,若杆长L2=2L1,横截面面积=2A 1,则两杆的伸长L和纵向线应变ε之间的关系应为 ( ) 。
(分A.B.C.D.标准答案: B9. 变截面梁 AB 如图所示。
梁 AB 在 A 处受到的支座反力为(2 分)A.5P /4B. PC. 3P /4D. P/2标准答案: B10. 材料相同的两矩形截面梁如图示,其中 (B) 梁是用两根高为 0.5h , 宽为 b 的矩形截面梁叠合而成,且相互间磨擦不计,则下面结论中正确的是 ( ) 。
6. 图所示受扭圆轴,正确的扭矩图为图 ( ) 。
(2 分)A.标准答案: C (2分)A. 强度和刚度均不相同B. 强度和刚度均相同 7. 梁在集中力作用的截面处,它的内力图为 ()。
材料力学(2)阶段性作业11(总17页)--本页仅作为文档封面,使用时请直接删除即可----内页可以根据需求调整合适字体及大小--中国地质大学(武汉)远程与继续教育学院材料力学(2) 课程作业1(共 3 次作业)学习层次:专升本 涉及章节:上册第7章一、选择题:(每小题有四个答案,请选择一个正确的结果。
) 1. 提高梁的弯曲强度的措施有 。
A. 采用合理截面;B. 合理安排梁的受力情况;C. 采用变截面梁或等强度梁;D. ABC ;2. 对于一个微分单元体,下列结论中错误的是 。
A. 正应力最大的面上剪应力必为零;B. 剪应力最大的面上正应力为零;C. 正应力最大的面与剪应力最大的面相交成45度;D. 正应力最大的面与正应力最小的面必相互垂直; 3. 下列结论错误的是 。
A. 微分单元体的三对互相垂直的面上均有剪应力,但没有正应力,这种应力状态属于纯剪切状态;B. 纯剪切状态是二向应力状态;C. 纯剪状态中31σσ=;D. 纯剪切状态中的最大剪应力的值与最大正应力的值相等; 4. 一点应力状态有几个主平面 。
A. 两个;B. 最多不超过三个;C. 无限多个;D. 一般情况下有三个,特殊情况下有无限多个;5. 以下结论错误的是 。
A. 如果主应变之和为零,即:0321=++εεε,则体积应变为零;B. 如果主应力之和为零,即:0321=++σσσ,则体积应变为零;C. 如果泊松比5.0=μ,则体积应变为零;D. 如果弹性模量0=E ,则体积应变为零;6.一圆轴横截面直径为d ,危险横截面上的弯矩为M , 扭矩为T ,W 为抗弯截面模量,则危险点处材料的第三强度理论相当应力表达式为____________。
A.W T M 22+ B.W T .M 22750+ C.W T M 224+D.WT M 223+7.一点应力状态主应力作用微截面上剪应力 为零。
A .可能B .必定C .不一定D .不能确定是否8.钢制薄方板的ABDC 的三个边刚好置于图示刚性壁内,AC 边受均匀压应力y σ,且板内各点处0=z σ,则板内靠壁上一点m 处沿x 方向的正应力x σ和正应变x ε应为 。
材料力学的(2)(高起专)阶段性作业1材料力学(2)(高起专)阶段性作业1总分:100分得分:0分一、单选题1. 三种应力状态如图所示,则三者之间的关系为_____。
(5分)(A) 完全等价(B) 完全不等价(C) (b)和(c)等价(D) (a)和(c)等价。
参考答案:D2. 两单元体应力状态如图所示,设σ和τ数值相等,按第四强度理论比较两者的危险程度,则_______。
(5分)(A) a较b危险(B) b较a危险(C) 两者危险程度相同(D) 无法比较参考答案:C3. 塑性材料构件中有四个点处的应力状态分别如图a、b、c、d所示,其中最容易屈服的点是_____。
(5分)(A) 图a;(B) 图b;(C) 图c;(D) 图d。
参考答案:D4. 在纯剪切应力状态中,任意两相互垂直截面上的正应力,必定是_____。
(5分)(A) 均为正值(B) 一为正值;一为负值(C) 均为负值(D) 一为正值一为负值或两者均为零参考答案:D5. 四种应力状态分别如图所示,按第三强度理论,其相当应力最大的是。
(图中应力单位MPa)(5分)(A) 图(A);(B) 图(B);(C) 图(C);(D) 图(D)。
参考答案:A6. 材料许用应力,式中为极限应力,对塑性材料应选。
(5分)(A) 比例极限(B) 弹性极限(C) 屈服极限(D) 强度极限参考答案:C7. 低碳钢轴向拉伸试验,试件材料的应力——应变曲线可分为五个阶段,即:线弹性阶段,非线性弹性阶段,屈服流动阶段,强化阶段和颈缩阶段。
工程强度设计通常取应力值作为极限应力值。
(5分)(A) 非线性弹性阶段最大(B) 屈服流动阶段最大(C) 屈服流动阶段最小(D) 强化阶段最大参考答案:C8. 提高梁的弯曲强度的措施有。
(5分)(A) 采用合理截面;(B) 合理安排梁的受力情况;(C) 采用变截面梁或等强度梁;(D) ABC;参考答案:D9. 表明受力物体内一点应力状态可用一个微元体(单元体)。
专科材料力学作业:1.图不阶梯形圆截面杆,承受轴向载荷Fi=50 kN与尸2作用,如与BC段的直径分别为用=20 mm和4=30 mm,如欲使如与BC段横截面上的正应力相同,试求载荷F,之值。
解:(1)用截面法求出1-1、2-2截面的轴力;(2)求1-1、2-2截面的正应力,利用正应力相同;50X103=159.2MPa1—x^-xO.0224F N, 50 X 10 + F-, n/rn6= =- -------- =<T, = \59.2MPa-A 1 012 — x〃x0.03~4:.F2 = 62.5kN2.图所示圆截面杆,已知载荷Fi=200 kN, F2=100 kN,刀3段的直径用=40 mm,如欲使与段横截面上的正应力相同,试求3C段的直径。
解:(1)用截面法求出1-1、2-2截面的轴力;F N1 =尸1 孩2 =尸1 +尸2(2)求1-1、2-2截面的正应力,利用正应力相同;业=200x103= i59.2MPa1 A 191— x^-xO.0424&=(2。
? + 1。
)棚]592皿2 4 1 o 12—X 勿xd;4 -:.d2 = 49.0 mm3.图示桁架,杆1与杆2的横截面均为圆形,直径分别为4=30 mm与刁2=20 mm,两杆材料相同,许用应力W=160 MPa o该桁架在节点力处承受铅直方向的载荷F=80kN作用,试校核桁架的强度。
V7IF解:(1)对节点/受力分析,求出和/C两杆所受的力;(2)列平衡方程E F,=° -F AB sin30,,+F AC sin45°=0£ 知=0 F AB COS30° + F AC COS45°-F =0 解得:/y 2F AC =^=F =41AkN F AB =^=F =5S.6kNAC V3Z1 AB V3Z1(2)分别对两杆进行强度计算;a AB = & = 82.9MPa Y [a]&a AC = ^ = 131.8MPa Y[(T]△2所以桁架的强度足够。
中国地质大学远程与继续教育学院材料力学(2)(专升本)阶段性作业2单选题1. 一圆轴横截面直径为,危险横截面上的弯矩为,扭矩为,为抗弯截面模量,则危险点处材料的第四强度理论相当应力表达式为_____。
(6分)(A)(B)(C)(D)参考答案:B2. 空心圆杆两端受轴向拉伸和扭转变形,圆杆表面上一点单元体所处应力状态为_____。
(6分)(A) 单向应力状态(B) 二向应力状态(C) 三向应力状态(D) 纯剪切应力状态参考答案:B3. 关于固体材料的物性参数(弹性摸量、泊桑比、剪切弹性模量、体积弹性模量等),下面各种说法,不正确的是。
(6分)(A) 物性参数只取决于材料(B) 物性参数不但取决于材料,而且和构件的受力有关(C) 物性参数不但取决于材料,而且和构件的几何尺寸有关(D) 物性参数不但取决于材料,而且和构件的受力、约束和几何尺寸都有关参考答案:A4. 试求图示杆件2-2截面上的轴力是_____。
(6分)(A)(B)(C)(D)参考答案:B5. 一点应力状态如图所示等腰直角五面体微单元。
已知该单元体上下微截面无应力作用,两直角边微截面上只有剪应力,则三角形斜边微截面上的正应力和剪应力分别为_____。
(6分)(A) ,(B) ,(C) ,(D) ,参考答案:B6. 一点处于平面应力状态如图所示。
已知图示平面三角形微单元的、两微截面上的正应力,剪应力为零。
在竖直微截面上的应力为_____。
(5分)(A) ,(B) ,(C) ,(D) ,参考答案:A7. 钢制薄方板的的三个边刚好置于图示刚性壁内,边受均匀压应力,且板内各点处,则板内靠壁上一点处沿方向的正应力和正应变应为_____。
(5分)(A)(B) ,(C) ,(D) ,参考答案:C8. 微元体应力状态如图示,其所对应的应力圆有如图示四种,正确的是_____。
(5分)(A)(B)(C)(D)参考答案:A9. 构件中危险点应力状态如图所示,材料为低碳钢,许用应力,其正确的强度条件是_____。
中国地质大学()远程与继续教育学院材料力学(2) 课程作业1(共 3 次作业)学习层次:专升本 涉及章节:上册第7章一、选择题:(每小题有四个答案,请选择一个正确的结果。
)1. 提高梁的弯曲强度的措施有 。
A. 采用合理截面;B. 合理安排梁的受力情况;C. 采用变截面梁或等强度梁;D. ABC ; 2. 对于一个微分单元体,下列结论中错误的是 。
A. 正应力最大的面上剪应力必为零;B. 剪应力最大的面上正应力为零;C. 正应力最大的面与剪应力最大的面相交成45度;D. 正应力最大的面与正应力最小的面必相互垂直; 3. 下列结论错误的是 。
A. 微分单元体的三对互相垂直的面上均有剪应力,但没有正应力,这种应力状态属于纯剪切状态;B. 纯剪切状态是二向应力状态;C. 纯剪状态中31σσ=;D. 纯剪切状态中的最大剪应力的值与最大正应力的值相等; 4. 一点应力状态有几个主平面 。
A. 两个;B. 最多不超过三个;C. 无限多个;D. 一般情况下有三个,特殊情况下有无限多个; 5. 以下结论错误的是 。
A. 如果主应变之和为零,即:0321=++εεε,则体积应变为零;B. 如果主应力之和为零,即:0321=++σσσ,则体积应变为零;C. 如果泊松比5.0=μ,则体积应变为零;D. 如果弹性模量0=E ,则体积应变为零;6.一圆轴横截面直径为d ,危险横截面上的弯矩为M , 扭矩为T ,W 为抗弯截面模量,则危险点 处材料的第三强度理论相当应力表达式为____________。
A.W T M 22+ B.W T .M 22750+ C.W T M 224+ D.WT M 223+7.一点应力状态主应力作用微截面上剪应力 为零。
A .可能B .必定C .不一定D .不能确定是否8.钢制薄方板的ABDC 的三个边刚好置于图示刚性壁,AC 边受均匀压应力y σ,且板各点 处0=z σ,则板靠壁上一点m 处沿x 方向的正应力x σ和正应变x ε应为 。
专科《材料力学》一、(共75题,共150分)1. 在集中力作用处剪力图()。
(2分)A.发生转折B.发生突变C.无影响D.发生弯曲标准答案:B2. 厚壁玻璃杯因沸水倒入而发生破裂,裂纹起始于()(2分)A.内壁B.外壁C.壁厚中间D.内外壁同时标准答案:B3. 杆AF、BE、CD、EF相互铰接,并支承,如题3图所示。
今在AF杆上作用一力偶(F、F′),若不计各杆自重,则A支座处反力的作用线( )。
题3图(2分)A.过A点平行于力F;B.过A点平行于BG连线;C.沿AG直线;D.沿AH直线。
标准答案:B4. 根据梁的正应力强度条件,梁的合理截面形状应满足的条件是( )。
(2分)A.W/A越小越好B.W/A 越大越好C.W/A=1D.W/A=2标准答案:B5. 下面四个轴向拉压杆件中哪个杆件的轴力图不正确?( ) (2分)A.B.C.D.标准答案:B6. 下列结论哪些是错误的__________:(2分)A.构件的强度表示构件抵抗破坏的能力,B.构件的刚度表示构件抵抗变形的能力,C.构件的稳定性表示构件维持其原有平衡形式的能力,D.构件的强度、刚度和稳定性愈高愈好。
标准答案:D7. 等截面圆轴上装有四个皮带轮,则四种方案中最合理方案为( )。
(2分)A.将C轮与D轮对调;B.将B轮与D轮对调;C.将B轮与C轮对调;D.将B轮与D轮对调,然后再将B轮与C轮对调。
标准答案:A8. 悬臂梁受载如图,弯矩图有三种答案:图A图B、和图C。
其中正确的为( )。
(2分)A.B.C.标准答案:C9. 梁的截面形状如图示,圆截面上半部分有一圆孔。
在xOz平面内作用有正弯矩M,绝对值最大的正应力位置在图上的( )。
题9图(2分)A.a点B.b点C.c点D.d 点标准答案:A10. 梁的某一段内作用有均匀分布力时,则该段内的内力图为( )。
(2分)A.Q水平线,M 斜直线B.Q斜直线,M 曲线C.Q曲线,M 曲线D.Q斜直线,M 带拐点的曲线标准答案:B11. 梁在集中力偶作用的截面处,它的内力图为( )。
材料力学阶段练习一及答案华东理工大学网络教育学院材料力学课程阶段练习一一、单项选择题1.如图所示的结构在平衡状态下,不计自重。
对于CD折杆的受力图,正确的是( )2.如图所示的结构在平衡状态下,不计自重。
对于AB杆的受力图,正确的是( )A.B.C.D.无法确定3.如图所示悬臂梁,受到分布载荷和集中力偶作用下平衡。
插入端的约束反力为( )4. 简支梁在力 F 的作用下平衡时,如图所示,支座 B 的约束反力为 ( )A. F ,竖直向上B. F/2 ,竖直向上C. F/2 ,竖直向下D. 2F ,竖直向上5.简支梁,在如图所示载荷作用下平衡时,固定铰链支座的约束反力为( )A.竖直向上的力, 大小为B.竖直向上的力, 大小为2qa ;顺时针的力偶, C.竖直向下的力, 大小为2 qa ;逆时针的力偶, 大小为 2qa2 D.竖直向下的力, 大小为2qa ;顺时针的力偶, 大小为 2qa22qa ;逆时针的力偶,大小 2qaA. P ,竖直向上B. P/3 ,竖直向上C. 4P/3 ,竖直向上D. 5P/3 ,竖直向上8. 关于确定截面内力的截面法的适用范围有下列说法,正确的是 ( ) 。
6. 外伸梁,A. F ,竖直向上B. 3F/2 ,竖直向上C.3F/2,竖直向下 D. 2F ,竖直向上 7. 如图所示的梁,平衡时, 支座 B 的约束反力为 ( ) A. qa ,竖直向上 B. qa ,竖直向下 C. 2 qa ,竖直向上 D. 4 qa ,竖直向上A.适用于等截面直杆B.适用于直杆承受基本变形C.适用于不论基本变形还是组合变形,但限于直杆的横截面D.适用于不论等截面或变截面、直杆或曲杆、基本变形或组合变形、横截面或任意截面的普遍情况9.下列结论中正确的是( ) 。
A.若物体产生位移,则必定同时产生变形B.若物体各点均无位移,则该物体必定无变形C.若物体无变形,则必定物体内各点均无位移D.若物体产生变形,则必定物体内各点均有位移10.材料力学根据材料的主要性能作如下基本假设,错误的是( ) 。
一、单选题1. 在一根均质等直圆轴表面画出图示微小的正方形,当圆轴扭转变形时,该正方形随轴表面材料变形,该正方形_____。
(6分)(A) 仍保持为正方形(B) 变形成矩形(C) 变形成菱形(D) 变形成平行四边形参考答案:A2. 如图所示一简支外伸梁,端和处铰支,端自由。
不考虑梁的自重,在力的作用下梁产生弯曲变形,则梁段_____。
(6分)(A) 有变形,无位移(B) 有位移,无变形(C) 既有变形,又有位移(D) 既无变形,也无位移参考答案:D3. 设两根材料不同(一根为钢材,另一根为铝材)的均质等直实心圆轴,具有相等的最大扭矩和最大单位长度扭转角,则钢轴的最大剪应力大小和铝轴最大剪应力大小的关系是_____。
(6分)(A)(B)(C)(D) 不能确定参考答案:D4. 图(a)为矩形面积,图_____为正方形面积。
两面积大小相同。
设它们对面积的对称轴和的惯性矩分别为:、、、,这些惯性矩的下列关系正确的是____ _。
(6分)(A) ,(B) ,(C) ,(D) ,参考答案:C5. 在下列说法中,_____是错误的。
(6分)(A) 应变分为线应变(正应变)和角应变(剪应变)两种(B) 应变是材料变形程度的度量(C) 应变是位移的度量(D) 应变是无量纲的力学量参考答案:C二、名词解释6. 各向同性假设(6分)参考答案:假定物体内各点处材料沿各个方向上的物理力学性质都相同。
解题思路:7. 泊桑比(6分)参考答案:固体材料的泊桑比指的是一维构件在轴向拉(压)变形试验时,试件横向线应变与轴向线应变之比。
所以,泊桑比又称为横向变形系数解题思路:8. 、(6分)参考答案:屈服极限、强度极限解题思路:三、计算题9. 刚性梁ABC由圆杆CD悬挂(铰接)在C 点处,B 端作用集中载荷,如图所示。
已知CD 杆的直径,许用应力,试校核CD杆的强度。
再求:(1).结构的许用载荷;(2).若,设计CD 杆的直径。
题图(13分)参考答案:解:显然CD 杆的受轴向拉伸,如图所示。
材料力学(1)(高起专)阶段性作业4单选题1. 对于塑性材料,下列结论中错误的是_______:(1)试件受拉过程中出现屈服和颈缩现象;(2)抗压缩强度比抗拉伸强度高出许多;(3)抗冲击的性能好;(5分)(A) (1)和(2)(B) (2)和(3)(C) (3)和(1)(D) (2)参考答案:D2. 根据均匀性假设,可以认为固体的_______在各点处相同。
(5分)(A) 应力(B) 应变(C) 材料的力学性质(D) 变形参考答案:C3. 塑性金属材料经过冷作硬化处理后,其力学性质(即机械性质)发生变化。
结果是材料_____。
(5分)(A) 降低了比例极限,提高了塑性(B) 提高了比例极限,降低了塑性(C) 提高了比例极限和弹性模量(D) 降低了屈服极限和延伸率参考答案:B4. 铸铁试件在轴向压缩实验中,试件剪破裂面方位同主压应力方位间的夹角_____。
(5分)(A) 大于45°(B) 小于45°(C) 等于45°(D) 以上三种情况都可能出现参考答案:B5. 单轴拉伸试验如图所示,材料为均质材料,拉伸试样上A、B 两点的距离称为有效标距。
受轴向拉力作用后, 用变形仪量出两点距离的增量为。
若原长为,则杆件轴向线应变为_______。
(5分)(A)(B)(C)(D)参考答案:C6. 抗拉(压)刚度为EA 的等直杆件, 受轴向外力作用,产生轴向拉(压)变形,如图所示。
则该杆件右端横截面相对于左端横截面的轴向位移量为_______。
(5分)(A)(B)(C)(D)参考答案:C7. 圆轴扭转时,轴内危险点处于_____。
(5分)(A) 单向应力状态(B) 纯剪切应力状态(C) 空间应力状态(D) 零应力状态参考答案:B8. 轴向拉压杆件内一点处于单向应力状态。
关于单向应力状态下列结论中错误的是_____ __。
(5分)(A) 正应力最大的微截面上剪应力必为零(B) 剪应力最大的微截面上正应力为零(C) 正应力最大的微截面与剪应力最大的微截面相交成45度(D) 正应力最大的微截面与正应力最小的微截面必相互正交参考答案:B9. 当低碳钢拉伸试件在单轴拉伸实验时,试件內一点轴向应力(屈服极限)时,试件材料将。
材料力学(2)(专升本)阶段性作业3总分:100分得分:0分一、单选题1. 一点应力状态如图所示,前后微截面无应力,图示的彼此正交的微截面上的正应力和剪应力一样大,均为。
则该点应力状态是_____。
(6分)(A) 单向应力状态(B) 二向应力状态(C) 三向应力状态(D) 纯剪切应力状态参考答案:A2. 图示横截面为正方形的短柱承受载荷F作用,若在短柱中间开一切槽,使其最小横截面面积为原面积的一半。
试问开一切槽后柱内最大压应力是未开槽的_____。
(6分)(A) 两倍(B) 四倍(C) 六倍(D) 八倍参考答案:D3. 圆截面杆的四种不同受力情况如图所示,其中压应力最大的是_____杆。
(6分)(A)(B)(C)(D)参考答案:C4. 一均质等直实心圆杆在外力作用下产生轴向拉(压)、扭转和弯曲的组合变形,圆杆内危险点横截面上的应力(在三种基本变形中的应力)依次为:,则按照第三强度理论(即最大剪应力理论)建立的强度条件为。
(6分)(A) ;(B) ;(C) ;(D) 。
参考答案:C5. 题一、5图所示刚架中个段杆件都是实心圆杆。
分析刚架中CD段杆件的变形,正确的结论是_____基本变形的组合。
(6分)(A) 轴向拉伸和扭转(B) 轴向拉伸和平面弯曲(C) 轴向压缩和平面弯曲(D) 扭转和平面弯曲参考答案:B6. 题一、6图所示刚架中个段杆件都是实心圆杆。
分析刚架中CB段杆件的变形,正确的结论是_____基本变形的组合。
(5分)(A) 轴向拉伸和扭转(B) 轴向拉伸和平面弯曲(C) 轴向压缩和平面弯曲(D) 扭转和平面弯曲参考答案:B7. 题一、7图示是五种横截面的梁。
设外力作用在虚线所示的纵向平面内,则产生平面弯曲的梁是_____ 。
试指出图中所示几种截面的梁哪种是平面弯曲?(图中小圆圈是弯曲中心位置)(5分)(A) (1)和(2)(B) (2)和(3)(C) (1)和(3)(D) (1)、(2)和(3)参考答案:B8. 双对称截面梁在两相互垂直纵向对称平面内发生弯曲时,截面上中性轴的特点是:_____。
材料力学(1)(高起专)阶段性作业1
总分:100分得分:0分
一、单选题
1. 下列结论中正确的是_______。
(6分)
(A) 内力是应力的代数和;
(B) 内力是矢量,而应力是标量;
(C) 内力必大于应力;
(D) 应力是内力的集度,是精确的描述内力分布情况的物理量;内力和
应力的量纲不同。
参考答案:D
2. 关于变形和位移的关系,下面不正确的结论是_______。
(6分)
(A) 若物体产生位移,则必定同时产生变形;
(B) 若物体各点均无位移,则该物体必无变形;
(C) 若物体产生变形,则物体内必有一些点有位移。
(D) 通常要了解物体的变形,必须分析物体的变形位移。
参考答案:A
3. 小变形的确切含义是_______。
(6分)
(A) 小变形是指:构件材料在弹性变形范围内的变形量;
(B) 小变形是指:结构上点的位置与其原始位置相比为微小的变化量;
(C) 小变形是指:一维构件内各点在垂直于其轴线方向的变形量;
(D) 小变形是指:构件的变形量与构件自身的主要尺寸相比较要小得多
的变形量。
参考答案:D
4. 图示结构A、B、C三处铰支,在载荷作用下产生变形,而在
和两杆横截面m-m和n-n上必然产生内力。
和两杆的变形属于何类基本变形,下列说法正确的是。
(6分)
(A) AB杆扭转,BC杆轴向拉伸;
(B) AB杆弯曲,BC杆轴向压缩;
(C) AB杆弯曲,BC杆轴向拉伸;
(D) AB杆弯曲,BC杆扭转;
参考答案:C
5. 在图示简易吊车的横梁上作用载荷F,载荷可以左右移动。
且AB杆和BC 杆粗细及和横截面形状一样。
要使得吊车承载量较大的前提下,结构既安全
有经济。
在工程设计选用材料时,正确的方案是_______。
(5分)
(A) AB杆用塑性材料,BC杆用脆性材料;
(B) AB杆用塑性材料,BC杆用塑性材料;
(C) AB杆用脆性材料,BC杆用脆性材料;
(D) AB杆用脆性材料,BC杆用塑性材料;
参考答案:D
6. 材料力学中内力(即轴力、扭矩)的符号规则是根据构件的_____来规定的。
(6分)
(A) 变形
(B) 运动
(C) 平衡
(D) 受载情况
参考答案:A
7. 材料力学求内力的基本方法是_____。
(5分)
(A) 叠加法
(B) 能量法
(C) 截面法
(D) 解析法
参考答案:C
8. 材料力学中两个最基本力学要素是_____。
(5分)
(A) 力和力偶
(B) 力和力矩
(C) 内力和外力
(D) 应力和应变
参考答案:D
9. 长度和横截面面积相同的两根杆件,一为钢杆,一为铜杆,若在相同的轴向拉力作用下,_____。
(杆件的轴线方向为x轴)(5分)
(A) 两杆的应力、应变均相同
(B) 两杆应力相同,应变不同
(C) 两杆的应力,应变均不相同
(D) 两杆应力不同,应变相同
参考答案:B
10. 材料许用应力,式中为极限应力,对脆性材料应选_____。
(5分)
(A) 比例极限
(B) 弹性极限
(C) 屈服极限
(D) 强度极限
参考答案:D
11. 低碳钢轴向拉伸试验,试件材料的应力——应变曲线大致可分为四个阶段,这四个变形阶段依次是_______。
(5分)
(A) 弹性变形阶段,塑性变形阶段,屈服阶段,断裂阶段;
(B) 弹性变形阶段,塑性变形阶段,强化阶段,颈缩阶段;
(C) 弹性变形阶段,屈服流动阶段,强化阶段,破坏阶段;
(D) 弹性变形阶段,屈服流动阶段,强化阶段,颈缩阶段;
参考答案:D
12. 一悬臂梁B端在横向载荷作用下弯曲变形,如题图(a)所示。
若根据
力线平移定理,将力平移到C截面处,同时附加一个力偶,附加力偶的力偶矩为,如图(b)所示。
这样做对研究原梁的变形(图(a)
所示)有影响或无影响的区段是_____。
(a)(b)(5分)
(A) AC段有影响,CB段无影响;
(B) AC段有影响,CB段也有影响;
(C) AC段无影响,CB段无影响;
(D) AC段无影响,但CB段有影响;
参考答案:D
二、判断题
1. 材料力学研究的对象是任意几何形态的物体。
(5分)
正确错误
参考答案:错误
解题思路:
2. 材料力学研究的主要问题是一维构件在外力作用下的变形问题。
(5分)
正确错误
参考答案:正确
解题思路:
3. 材料力学对研究对象所做的基本假设的第一条就是连续性假设。
(5分)
正确错误
参考答案:正确
解题思路:
4. 材料力学中的内力指的是一维构件产生基本变形时,构件横截面上分布内力的合力。
(5分)
正确错误
参考答案:正确
解题思路:
5. 固体材料的泊桑比指的是一维构件在轴向拉(压)变形试验时,试件横向线应变与轴向线应变之比。
所以,泊桑比又称为横向变形系数。
(5分) 正确错误
参考答案:正确
解题思路:
6. 题二、18图所示杆件1-1横截面上轴力的大小是零。
(5分)
正确错误
参考答案:正确
解题思路:
三、填空题
1. 低碳钢试件轴向拉伸试验的整个变形阶段可分为两大变形阶段阶段:第
一阶段是___(1)___ ,第二阶段是___(2)___ 。
(5分)
(1). 参考答案: 弹性变形阶段
(2). 参考答案: 塑性变形阶段
(资料素材和资料部分来自网络,供参考。
可复制、编制,期待你的好评与关注)。