JKLYJ JKLGYJ 1KV绝缘架空线技术参数
- 格式:doc
- 大小:99.50 KB
- 文档页数:3
表2.1.2.1-2 LGJ型钢芯铝绞线规格
表2.1.2.1-3 15kV JKL(G)YJ型架空绝缘导线技术参数表
表2.1.2.1-4 镀锌钢绞线技术参数表
表3.1.2.3-2 交联聚乙烯平行集束绝缘架空电缆
表 3.1.2.3-3 BV、BLV型450/750V铜芯和铝芯聚氯乙烯绝缘电线
变压器额定电流的计算公式为输入额定电流:容量/√3/输入电压/效率输出额定电流:容量/√3/输出电压例如: 10KV/0.4KV 200KVA 效率0.95 的油侵变压器高压侧最大额定电流为12A 低压侧最大额定电流为288A
二次侧近似1.44*KVA(变压器容量,规格10kV/0.4kV)
口诀a :
容量除以电压值,其商乘六除以十。
单位KV
对于高压为10KV低压为0.4KV的50KVA的变压器二次侧的最大电流是:50*1.44=72A。
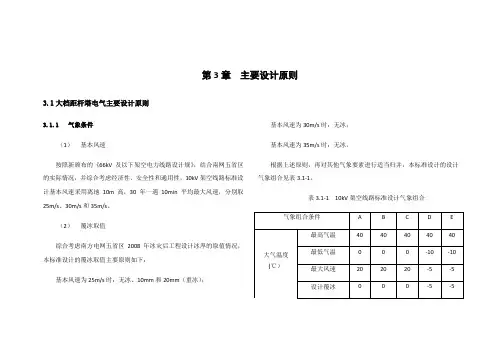
第3章主要设计原则3.1大档距杆塔电气主要设计原则3.1.1气象条件(1)基本风速按照新颁布的《66kV及以下架空电力线路设计规范》,结合南网五省区的实际情况,并综合考虑经济性、安全性和通用性,10kV架空线路标准设计基本风速采用离地10m高,30年一遇10min平均最大风速,分别取25m/s、30m/s和35m/s。
(2)覆冰取值综合考虑南方电网五省区2008年冰灾后工程设计冰厚的取值情况,本标准设计的覆冰取值主要原则如下:基本风速为25m/s时:无冰、10mm和20mm(重冰);基本风速为30m/s时:无冰;基本风速为35m/s时:无冰。
根据上述原则,再对其他气象要素进行适当归并,本标准设计的设计气象组合见表3.1-1。
表3.1-1 10kV架空线路标准设计气象组合3.1.2导线根据南方电网五省区电网规划原则,综合考虑现有工程及远期规划中的导线截面选择情况,10kV 架空线路推荐采用的导线截面和型号如表3.1-2所示,导线的安全系数和主要技术参数分别如表3.1-3和表3.1-4所示。
表3.1-2 导线标称截面和型号表3.1-3 导线安全系数综合考虑实际应用情况并进行适当归并,10kV架空线路标准设计大档距杆塔按120 mm2和240mm2两种导线截面进行的设计。
表3.1-4 钢芯铝绞线主要技术参数表3.1.3海拔高度根据南方电网五省区海拔高度的不同分布情况(广东、广西和海南主要为0~1000m,贵州主要为1000~2000m,云南主要为2000~3000m)以及不同海拔高度对塔头间隙的影响较小,本标准设计模块库海拔高度均按0~3000m考虑。
3.1.4杆塔型式及回路数10kV大档距杆塔标准设计考虑了混凝土杆和螺栓角钢塔型式,均只考虑单回路情况。
3.1.5导线排列方式综合考虑南方电网五省区以往10kV架空线路的工程经验,10kV大档距杆塔标准设计杆塔导线排列方式按表3.1-4所示考虑。
表3.1-4 导线排列方式3.1.6杆塔规划杆塔规划必须技术可行、经济合理,针对南方电网五省区的特点,制定规划原则,既考虑统一性,又兼顾差异性,使其在具体工程的应用中杆塔的利用系数尽量接近1.0,取得较好的经济效益。
第3章主要设计原则3.1大档距杆塔电气主要设计原则3.1.1气象条件(1)基本风速按照新颁布的《66kV及以下架空电力线路设计规》,结合南网五省区的实际情况,并综合考虑经济性、安全性和通用性,10kV架空线路标准设计基本风速采用离地10m高,30年一遇10min平均最大风速,分别取25m/s、30m/s和35m/s。
(2)覆冰取值综合考虑南方电网五省区2008年冰灾后工程设计冰厚的取值情况,本标准设计的覆冰取值主要原则如下:基本风速为25m/s时:无冰、10mm和20mm(重冰);基本风速为30m/s时:无冰;基本风速为35m/s时:无冰。
根据上述原则,再对其他气象要素进行适当归并,本标准设计的设计气象组合见表3.1-1。
表3.1-1 10kV架空线路标准设计气象组合3.1.2导线根据南方电网五省区电网规划原则,综合考虑现有工程及远期规划中的导线截面选择情况,10kV架空线路推荐采用的导线截面和型号如表3.1-2所示,导线的安全系数和主要技术参数分别如表3.1-3和表3.1-4所示。
表3.1-2 导线标称截面和型号表3.1-3 导线安全系数距杆塔按120 mm2和240mm2两种导线截面进行的设计。
表3.1-4 钢芯铝绞线主要技术参数表3.1.3海拔高度根据南方电网五省区海拔高度的不同分布情况(、广西和主要为0~1000m,主要为1000~2000m,主要为2000~3000m)以及不同海拔高度对塔头间隙的影响较小,本标准设计模块库海拔高度均按0~3000m考虑。
3.1.4杆塔型式及回路数10kV大档距杆塔标准设计考虑了混凝土杆和螺栓角钢塔型式,均只考虑单回路情况。
3.1.5导线排列方式综合考虑南方电网五省区以往10kV架空线路的工程经验,10kV大档距杆塔标准设计杆塔导线排列方式按表3.1-4所示考虑。
表3.1-4 导线排列方式3.1.6杆塔规划杆塔规划必须技术可行、经济合理,针对南方电网五省区的特点,制定规划原则,既考虑统一性,又兼顾差异性,使其在具体工程的应用中杆塔的利用系数尽量接近1.0,取得较好的经济效益。
表2.1.2.1-2 LGJ型钢芯铝绞线规格表2.1.2.1-3 15kV JKL(G)YJ型架空绝缘导线技术参数表表2.1.2.1-4 镀锌钢绞线技术参数表表3.1.2.3-2 交联聚乙烯平行集束绝缘架空电缆表 3.1.2.3-3 BV、BLV型450/750V铜芯和铝芯聚氯乙烯绝缘电线电缆线规格型号一览表(一) 2011年04月01日08:28 生意宝生意宝04月01日讯一、电线电缆产品主要分为五大类:1、裸电线及裸导体制品本类产品的主要特征是:纯的导体金属,无绝缘及护套层,如钢芯铝绞线、铜铝汇流排、电力机车线等;加工工艺主要是压力加工,如熔炼、压延、拉制、绞合/紧压绞合等;产品主要用在城郊、农村、用户主线、开关柜等。
2、电力电缆本类产品主要特征是:在导体外挤(绕)包绝缘层,如架空绝缘电缆,或几芯绞合(对应电力系统的相线、零线和地线),如二芯以上架空绝缘电缆,或再增加护套层,如塑料/橡套电线电缆。
主要的工艺技术有拉制、绞合、绝缘挤出(绕包)、成缆、铠装、护层挤出等,各种产品的不同工序组合有一定区别。
产品主要用在发、配、输、变、供电线路中的强电电能传输,通过的电流大(几十安至几千安)、电压高(220V至500kV及以上)。
3、电气装备用电线电缆该类产品主要特征是:品种规格繁多,应用范围广泛,使用电压在1kV及以下较多,面对特殊场合不断衍生新的产品,如耐火线缆、阻燃线缆、低烟无卤/低烟低卤线缆、防白蚁、防老鼠线缆、耐油/耐寒/耐温/耐磨线缆、医用/农用/矿用线缆、薄壁电线等。
4、通讯电缆及光纤(本公司目前不生产该类产品,故作简略介绍)随着近二十多年来,通讯行业的飞速发展,产品也有惊人的发展速度。
从过去的简单的电话电报线缆发展到几千对的话缆、同轴缆、光缆、数据电缆,甚至组合通讯缆等。
该类产品结构尺寸通常较小而均匀,制造精度要求高。
5、电磁线(绕组线)(本公司目前不生产该类产品,故作简略介绍)主要用于各种电机、仪器仪表等。
最全10kV架空绝缘导线技术参数表1标准技术参数...............................1.1JKYJ铜芯交联聚乙烯绝缘架空电缆标准技术参数...............1.2JKLYJ铝芯交联聚乙烯绝缘架空电缆标准技术参数..............1.3JKLGYJ钢芯铝绞线芯交联聚乙烯绝缘架空电缆标准技术参数........... 2项目需求部分................................2.1货物需求及供货范围一览表........................2.2图纸资料提交单位.............................2.3工程概况................................2.4使用条件................................2.5项目单位技术差异............................3 投标人响应部分 ..............................1标准技术参数投标人应仔细阅读“表25货物需求及供货范围一览表”,并认真逐项填写所招标规格的10kV架空绝缘导线技术参数响应表中“投标人保证值” ,不能以“响应” 两字代替,不允许改动标准参数值。
如有偏差,请填写技术偏差表。
1.1 JKYJ铜芯交联聚乙烯绝缘架空电缆标准技术参数表1 JKYJ-25技术参数表表2 JKYJ-35技术参数表表3 JKYJ-50技术参数表表4 JKYJ-70技术参数表表5 JKYJ-95技术参数表表6 JKYJ-120技术参数表表7 JKYJ-150技术参数表表8 JKYJ-185技术参数表表9 JKYJ-240技术参数表表10 JKYJ-300技术参数表1.2 JKLYJ铝芯交联聚乙烯绝缘架空电缆标准技术参数表11 JKLYJ-25技术参数表表12 JKLYJ-35技术参数表表13 JKLYJ-50技术参数表表14 JKLYJ-70技术参数表表15 JKLYJ-95技术参数表表16 JKLYJ-120技术参数表表17 JKLYJ-150技术参数表表18 JKLYJ-185技术参数表表19 JKLYJ-240技术参数表表20 JKLYJ-300技术参数表1.3 JKLGYJ钢芯铝绞线芯交联聚乙烯绝缘架空电缆标准技术参数表21 JKLGYJ-50/8技术参数表表22 JKLGYJ-70/10技术参数表表23 JKLGYJ-70/40技术参数表表24 JKLGYJ-95/15技术参数表表25 JKLGYJ-95/20技术参数表表26 JKLGYJ-95/55技术参数表表27 JKLGYJ-120/20技术参数表表28 JKLGYJ-120/25技术参数表表29 JKLGYJ-150/20技术参数表表30 JKLGYJ-150/25技术参数表表31 JKLGYJ-150/35技术参数表表32 JKLGYJ-185/30技术参数表表33 JKLGYJ-240/30技术参数表表34 JKLGYJ-240/40技术参数表。
第3章主要设计原则3.1大档距杆塔电气主要设计原则3.1.1气象条件(1)基本风速按照新颁布的《66kV及以下架空电力线路设计规》,结合南网五省区的实际情况,并综合考虑经济性、安全性和通用性,10kV架空线路标准设计基本风速采用离地10m高,30年一遇10min平均最大风速,分别取25m/s、30m/s和35m/s。
(2)覆冰取值综合考虑南方电网五省区2008年冰灾后工程设计冰厚的取值情况,本标准设计的覆冰取值主要原则如下:基本风速为25m/s时:无冰、10mm和20mm(重冰);基本风速为30m/s时:无冰;基本风速为35m/s时:无冰。
根据上述原则,再对其他气象要素进行适当归并,本标准设计的设计气象组合见表3.1-1。
表3.1-1 10kV架空线路标准设计气象组合3.1.2导线根据南方电网五省区电网规划原则,综合考虑现有工程及远期规划中的导线截面选择情况,10kV架空线路推荐采用的导线截面和型号如表3.1-2所示,导线的安全系数和主要技术参数分别如表3.1-3和表3.1-4所示。
S. . . . . ..S. . . . . ..表3.1-2 导线标称截面和型号表3.1-3 导线安全系数综合考虑实际应用情况并进行适当归并,10kV 架空线路标准设计大档距杆塔按120 mm 2和240mm 2两种导线截面进行的设计。
表3.1-4 钢芯铝绞线主要技术参数表S. . . . . ..3.1.3海拔高度根据南方电网五省区海拔高度的不同分布情况(、广西和主要为0~1000m,主要为1000~2000m,主要为2000~3000m)以及不同海拔高度对塔头间隙的影响较小,本标准设计模块库海拔高度均按0~3000m考虑。
3.1.4杆塔型式及回路数10kV大档距杆塔标准设计考虑了混凝土杆和螺栓角钢塔型式,均只考虑单回路情况。
3.1.5导线排列方式综合考虑南方电网五省区以往10kV架空线路的工程经验,10kV大档距杆塔标准设计杆塔导线排列方式按表3.1-4所示考虑。
第3章主要设计原则3.1大档距杆塔电气主要设计原则3.1.1气象条件(1)基本风速按照新颁布的《66kV及以下架空电力线路设计规范》,结合南网五省区的实际情况,并综合考虑经济性、安全性和通用性,10kV架空线路标准设计基本风速采用离地10m高,30年一遇10min平均最大风速,分别取25m/s、30m/s和35m/s。
(2)覆冰取值综合考虑南方电网五省区2008年冰灾后工程设计冰厚的取值情况,本标准设计的覆冰取值主要原则如下:基本风速为25m/s时:无冰、10mm和20mm(重冰);基本风速为30m/s时:无冰;基本风速为35m/s时:无冰。
根据上述原则,再对其他气象要素进行适当归并,本标准设计的设计气象组合见表3.1-1。
表3.1-1 10kV架空线路标准设计气象组合3.1.2导线根据南方电网五省区电网规划原则,综合考虑现有工程及远期规划中的导线截面选择情况,10kV 架空线路推荐采用的导线截面和型号如表3.1-2所示,导线的安全系数和主要技术参数分别如表3.1-3和表3.1-4所示。
表3.1-2 导线标称截面和型号表3.1-3 导线安全系数综合考虑实际应用情况并进行适当归并,10kV架空线路标准设计大档距杆塔按120 mm2和240mm2两种导线截面进行的设计。
表3.1-4 钢芯铝绞线主要技术参数表3.1.3海拔高度根据南方电网五省区海拔高度的不同分布情况(广东、广西和海南主要为0~1000m,贵州主要为1000~2000m,云南主要为2000~3000m)以及不同海拔高度对塔头间隙的影响较小,本标准设计模块库海拔高度均按0~3000m考虑。
3.1.4杆塔型式及回路数10kV大档距杆塔标准设计考虑了混凝土杆和螺栓角钢塔型式,均只考虑单回路情况。
3.1.5导线排列方式综合考虑南方电网五省区以往10kV架空线路的工程经验,10kV大档距杆塔标准设计杆塔导线排列方式按表3.1-4所示考虑。
表3.1-4 导线排列方式3.1.6杆塔规划杆塔规划必须技术可行、经济合理,针对南方电网五省区的特点,制定规划原则,既考虑统一性,又兼顾差异性,使其在具体工程的应用中杆塔的利用系数尽量接近1.0,取得较好的经济效益。