施工预算人工汇总表
- 格式:docx
- 大小:6.61 MB
- 文档页数:2
房屋主体工程施工预算**一、房屋基础工程费用**1.1 地基处理费用:包括地基改良、地下水处理等费用,根据土壤勘测报告确定具体费用。
1.2 基础工程费用:包括基础混凝土、钢筋、模板、基槽等材料费用,以及基础施工人工费用。
1.3 地下室工程费用:如地下室混凝土、砌筑墙体等费用。
**二、房屋主体结构工程费用**2.1 主体结构混凝土、钢筋:包括房屋的框架结构、柱梁、楼板等构件的混凝土、钢筋、模板费用。
2.2 砌体结构:包括墙体砌筑、砖砌、混凝土墙等费用。
2.3 钢结构:如建筑物内部的钢结构支撑等费用。
**三、房屋屋面工程费用**3.1 屋面防水材料:包括屋面防水卷材、涂料、胶水等费用。
3.2 屋面保温材料:如屋面保温板、保温砂浆等费用。
3.3 屋面瓦工程:包括屋面瓦片、瓦棒、屋面砖等费用。
**四、房屋墙体工程费用**4.1 外墙装饰:如外墙涂料、瓷砖、石材等费用。
4.2 内墙施工:包括墙体砌筑、粉刷、背景墙等费用。
4.3 隔墙工程:如石膏板隔墙、轻质砌块隔墙等费用。
**五、房屋地面工程费用**5.1 地面铺装:包括地砖、地板、地面涂料等费用。
5.2 地面保温:如地暖、地面隔音层等费用。
5.3 地面防水:如地下室防水、楼层防水等费用。
**六、房屋门窗工程费用**6.1 门窗材料费用:包括门窗框架、玻璃、门扇等费用。
6.2 门窗安装费用:如门窗安装人工费、配件费用等。
**七、其他工程费用**7.1 楼梯扶手:如室内楼梯扶手、外部楼梯扶手等费用。
7.2 室内装饰:如天花板、壁纸、灯具等费用。
7.3 消防设施:包括消防设备、消防通道、灭火器等费用。
以上是房屋主体工程施工预算的详细内容,施工预算的编制需要根据具体项目,结合实际情况进行合理分配费用。
在施工过程中,要做好费用控制,及时调整预算,确保工程质量和进度,最终完成房屋建设任务。
建设工程预算书
工程名称:
建筑面积:平方米
工程造价:元
单方造价:元/平方米
建设单位:
施工单位:
造价工程师
或造价员:(签字盖章)
校对人:(签字盖章)
审定人:(签字盖章)
编制单位:(签字盖章)
编制日期:
许可编号:冀建价200801-A
单位工程费汇总表
工程名称:武安市农行办公楼旧楼暖气改造工程第1页,共2页
工程名称:武安市农行办公楼旧楼暖气改造工程第2页,共2页
措施项目清单与计价表
主要材料、设备明细表
工程名称:武安市农行办公楼旧楼改造工程第1页共3页
页脚.
工程名称:武安市农行办公楼旧楼改造工程第2页共3页
页脚.
工程名称:武安市农行办公楼旧楼改造工程第3页共3页
页脚.
页脚.。
乐昌市人民政府办公室修缮工程预算价预算价(小写):49,181.08(大写):肆万玖仟壹佰捌拾壹元零捌分建设单位:造价咨询人:(单位盖章)(单位资质专用章)法定代表人或其授权人:法定代表人或其授权人:(签字或盖章)(签字或盖章)编制人:复核人:(造价人员签字盖专用章)(造价工程师签字盖专用章)编制时间:复核时间:工程名称:乐昌市人民政府办公室修缮工程标段:第 1 页共 2 页序号汇总内容金额:(元)其中:暂估价(元)招标控制价合计=1+2+3+分部分项合计41138.67 5招标控制价合计=1+2+3+318办公室1057.37 5招标控制价合计=1+2+3+301、302、303办公室5627.12 5招标控制价合计=1+2+3+316办公室109.24 5招标控制价合计=1+2+3+302办公室11.17 5招标控制价合计=1+2+3+走廊334.26 5招标控制价合计=1+2+3+大过道9684.93 5招标控制价合计=1+2+3+大过道尾办公室通道8747.68 5招标控制价合计=1+2+3+5招标控制价合计=1+2+3+木面油漆5939.29 5招标控制价合计=1+2+3+窗帘9627.61 5招标控制价合计=1+2+3+措施合计2739.78 5招标控制价合计=1+2+3+绿色施工安全防护措施费2739.78 5招标控制价合计=1+2+3+其他措施费5招标控制价合计=1+2+3+其他项目1241.81-5工程名称:乐昌市人民政府办公室修缮工程标段:第 2 页共 2 页序号汇总内容金额:(元)其中:暂估价(元)招标控制价暂列金额合计=1+2+3+5招标控制价暂估价合计=1+2+3+5招标控制价计日工合计=1+2+3+5招标控制价总承包服务费合计=1+2+3+5招标控制价预算包干费1241.81合计=1+2+3+5招标控制价工程优质费合计=1+2+3+5招标控制价概算幅度差合计=1+2+3+5招标控制价索赔费用合计=1+2+3+5招标控制价现场签证费用合计=1+2+3+5招标控制价其他费用合计=1+2+3+5招标控制价税前工程造价45120.26合计=1+2+3+5招标控制价增值税销项税额4060.82-合计=1+2+3+5招标控制价总造价49181.08合计=1+2+3+5招标控制价人工费18060.35合计=1+2+3+5合计=1+2+3+549,181.080.00工程名称:乐昌市人民政府办公室修缮工程标段:第 1 页共 2 页序号项目编码项目名称项目特征描述计量单位工程量金额(元)综合单价综合合价其中暂估价318办公室1057.371011406003002满刮腻子1.成品腻子粉(一般型)Y型墙面满刮一遍实际腻子遍数(遍):2m227.414313.15360.502011406001002抹灰面油漆 1.乳胶漆底油二遍面油二遍抹灰面墙柱面m227.414325.42696.87301、302、303办公室5627.123011406003003满刮腻子1.成品腻子粉(一般型)Y型墙面满刮一遍实际腻子遍数(遍):2m2145.893613.151918.504011406001003抹灰面油漆 1.乳胶漆底油二遍面油二遍抹灰面墙柱面m2145.893625.423708.62 316办公室109.245010802001001换门锁1.拆换门窗小五金门锁、锁牌、铁角、碰头拆换装门锁2.不锈钢执柄门锁把1109.24109.24302办公室11.176010802001002换铝窗锁 1.拆换门窗小五金铁插销拆换铁插销弹簧插把111.1711.17走廊334.267011406003004满刮腻子1.成品腻子粉(一般型)Y型墙面满刮一遍实际腻子遍数(遍):2m28.666413.15113.968011406001004抹灰面油漆 1.乳胶漆底油二遍面油二遍抹灰面墙柱面m28.666425.42220.30大过道9684.939011406003005满刮腻子1.成品腻子粉(一般型)Y型墙面满刮一遍实际腻子遍数(遍):2m2251.113.153301.9710011406001005抹灰面油漆 1.乳胶漆底油二遍面油二遍抹灰面墙柱面m2251.125.426382.96大过道尾办公室通道8747.6811011406003006满刮腻子1.成品腻子粉(一般型)Y型墙面满刮一遍实际腻子遍数(遍):2m2226.813.152982.42本页小计19806.51工程名称:乐昌市人民政府办公室修缮工程标段:第 2 页共 2 页序号项目编码项目名称项目特征描述计量单位工程量金额(元)综合单价综合合价其中暂估价12011406001006抹灰面油漆 1.乳胶漆底油二遍面油二遍抹灰面墙柱面m2226.825.425765.26木面油漆5939.2913011404002001窗台板、筒子板、盖板、门窗套、踢脚线油漆1.门及书柜油漆翻新2.单层木门刷底油调和漆二遍3.单层木门润水粉、刮腻子、硝基清漆五遍、磨退出亮4.单层木门润油粉、刮腻子、油色清漆二遍m225.496232.955939.29窗帘9627.6114010810001001窗帘 1.成品窗帘安装装饰布帘办公室窗帘m277.824123.719627.61措施项目433.56 15粤011701012001活动脚手架 1.墙柱面活动脚手架m2200.7222 2.16433.56本页小计21765.72合计41572.23工程名称:乐昌市人民政府办公室修缮工程第 1 页共 3 页序号编码名称单位工程量其中:(元)综合单价(元)人工费材料费机具费管理费利润小计318办公室1011406003002满刮腻子m227.4143 6.74 4.05 1.02 1.3513.15A1-15-150 换成品腻子粉(一般型)Y型墙面满刮一遍实际腻子遍数(遍):2100m20.274143 6.74 4.05 1.02 1.3513.1513.152011406001002抹灰面油漆m227.414314.06 6.43 2.12 2.8125.42A1-15-160乳胶漆底油二遍面油二遍抹灰面墙柱面100m20.27414314.06 6.43 2.12 2.8125.4225.42 301、302、303办公室3011406003003满刮腻子m2145.8936 6.74 4.05 1.02 1.3513.15A1-15-150 换成品腻子粉(一般型)Y型墙面满刮一遍实际腻子遍数(遍):2100m2 1.458936 6.74 4.05 1.02 1.3513.1513.154011406001003抹灰面油漆m2145.893614.06 6.43 2.12 2.8125.42A1-15-160乳胶漆底油二遍面油二遍抹灰面墙柱面100m2 1.45893614.06 6.43 2.12 2.8125.4225.42 316办公室5010802001001换门锁把118.0185.03 2.60 3.60109.24借R1-5-82拆换门窗小五金门锁、锁牌、铁角、碰头拆换装门锁10把0.118.0185.03 2.60 3.60109.24109.24 302办公室6010802001002换铝窗锁把1 6.54 2.380.95 1.3111.17借R1-5-77拆换门窗小五金铁插销拆换铁插销弹簧插10个0.1 6.54 2.380.95 1.3111.1711.17走廊7011406003004满刮腻子m28.6664 6.74 4.05 1.02 1.3513.15工程名称:乐昌市人民政府办公室修缮工程第 2 页共 3 页序号编码名称单位工程量其中:(元)综合单价(元)人工费材料费机具费管理费利润小计A1-15-150 换成品腻子粉(一般型)Y型墙面满刮一遍实际腻子遍数(遍):2100m20.086664 6.74 4.05 1.02 1.3513.1513.158011406001004抹灰面油漆m28.666414.06 6.43 2.12 2.8125.42A1-15-160乳胶漆底油二遍面油二遍抹灰面墙柱面100m20.08666414.06 6.43 2.12 2.8125.4225.42大过道9011406003005满刮腻子m2251.1 6.74 4.05 1.02 1.3513.15A1-15-150 换成品腻子粉(一般型)Y型墙面满刮一遍实际腻子遍数(遍):2100m2 2.511 6.74 4.05 1.02 1.3513.1513.1510011406001005抹灰面油漆m2251.114.06 6.43 2.12 2.8125.42A1-15-160乳胶漆底油二遍面油二遍抹灰面墙柱面100m2 2.51114.06 6.43 2.12 2.8125.4225.42大过道尾办公室通道11011406003006满刮腻子m2226.8 6.74 4.05 1.02 1.3513.15A1-15-150 换成品腻子粉(一般型)Y型墙面满刮一遍实际腻子遍数(遍):2100m2 2.268 6.74 4.05 1.02 1.3513.1513.1512011406001006抹灰面油漆m2226.814.06 6.43 2.12 2.8125.42A1-15-160乳胶漆底油二遍面油二遍抹灰面墙柱面100m2 2.26814.06 6.43 2.12 2.8125.4225.42木面油漆13011404002001窗台板、筒子板、盖板、门窗套、踢脚线油漆m225.496148.2232.7522.3429.64232.95工程名称:乐昌市人民政府办公室修缮工程第 3 页共 3 页序号编码名称单位工程量其中:(元)综合单价(元)人工费材料费机具费管理费利润小计A1-15-2单层木门润油粉、刮腻子调和漆二遍100m20.2549634.32 5.98 5.17 6.8652.33232.95 A1-15-47单层木门润油粉、刮腻子、油色清漆二遍100m20.2549634.77 6.00 5.24 6.9552.96A1-15-31单层木门润水粉、刮腻子、硝基清漆五遍、磨退出亮100m20.2549679.1420.7611.9315.83127.65窗帘14010810001001窗帘m277.824 2.75120.000.400.55123.71A1-9-133成品窗帘安装装饰布帘100m20.77824 2.75120.000.400.55123.71123.71合计279.52292.5641.9955.9669.92669.92总价措施项目清单与计价表工程名称:乐昌市人民政府办公室修缮工程标段:第 1 页共 1 页序号项目编码项目名称计算基础费率(%)金额(元)调整费率(%)调整后金额(元)备注1LSSGCSF00001绿色施工安全防护措施费分部分项人工费+分部分项机具费132306.22以分部分项的人工费与施工机具费之和为计算基础,费率13%2WMGDZJF00001文明工地增加费分部分项人工费+分部分项机具费以分部分项的人工费与施工机具费之和为计算基础,市级文明工地为0.6%;省级文明工地为1.2%3011707002001夜间施工增加费20以夜间施工项目人工费的20%计算4GGCSF0000001赶工措施费分部分项人工费+分部分项机具费赶工措施费=(1-δ)*分部分项的(人工费+施工机具费)*0.3 (0.8≤δ<1式中:δ=合同工期/定额工期)5QTFY00000001其他费用按经批准的专项施工组织方案计算合计2306.22其他项目清单与计价汇总表工程名称:乐昌市人民政府办公室修缮工程标段:第 1 页共 1 页序号项目名称金额(元)结算金额(元)备注1暂列金额明细详见表-12-1 2暂估价2.1材料暂估价—明细详见表-12-22.2专业工程暂估价明细详见表-12-33计日工明细详见表-12-4 4总承包服务费明细详见表-12-5 5预算包干费1241.816工程优质费7概算幅度差8现场签证费用9索赔费用10其他费用合计1241.81—规费、税金项目清单与计价表工程名称:乐昌市人民政府办公室修缮工程标段:第 1 页 共 1 页 编制人(造价人员):复核人(造价工程师):表—13序号项目名称计算基础计算基数计算费率(%)金额(元)1增值税销项税额分部分项合计+措施合计+其他项目45120.2694060.82合 计4060.82单位工程人材机汇总表工程名称:乐昌市人民政府办公室修缮工程第 1 页共 1 页序号编码名称及规格单位数量单价(元)合价(元)品牌厂家10001001综合工日工日0.255296.1924.55 200010010人工费元18035.8138 1.0018035.81 303033516弹簧插销(3")75百付0.01236.01 2.36 403134011水砂纸张69.22830.9666.46 504090160石膏粉kg 2.7417 1.37 3.76 60947011@1不锈钢执柄门锁把185.0085.00 711260010@1布窗帘办公室窗帘m2194.5648.009338.88 813010050醇酸清漆kg 6.225610.6366.18 913010057醇酸调和漆各色kg0.8567 6.76 5.79 1013010130酚醛调和漆kg11.975 6.7680.95 1113010450硝基清漆kg12.8513.88178.36 1213030450内墙乳胶漆底漆kg138.573614.321984.37 1313030460内墙乳胶漆面漆kg157.050114.322248.96 1413030500腻子粉成品(一般型)kg819.564 3.222639.00 1514010010清油kg 1.625913.0721.25 1614010020熟桐油kg 3.283414.5847.87 1714050040溶剂汽油kg 4.67217.1733.50 1814090001地蜡(砂蜡)kg0.935730.7728.79 1914090020光蜡kg0.31118.77 2.73 2014230030大白粉kg12.37180.30 3.71 2114230140氧化铁红kg0.577 4.29 2.48 2214350360酒精kg 1.51227.3411.10 2314350730硝基漆稀释剂(天那水)kg30.90128.51262.97 2414410200骨胶kg0.08929.200.82 2534110010水m30.3299 3.22 1.06 2699450760其他材料费元62.5895 1.0062.59 279946131其他材料费元0.046 1.000.05合计35239.35。
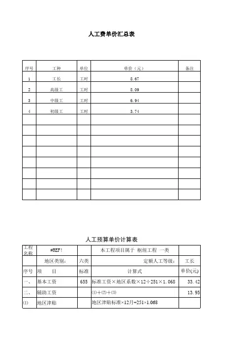
⼈⼯预算单价⼈⼯预算单价(⼀)⼈⼯预算单价计算⽅法1、基本⼯资基本⼯资(元/⼯⽇)=基本⼯资标准(元/⽉)×地区⼯资系数×12⽉÷年应⼯作天数×1.0682、辅助⼯资(1)地区津贴(元/⼯⽇)=津贴标准(元/⽉)×12⽉÷年应⼯作天数×1.068(2)施⼯津贴(元/⼯⽇)=津贴标准(元/天)×365天×95%÷年应⼯作天数×1.068(3)夜餐津贴(元/⼯⽇)=(中班津贴标准+夜班津贴标准)÷2×(20%~30%)(4)节⽇加班津贴(元/⼯⽇)=基本⼯资(元/⼯⽇)×3×10÷年应⼯作天数×35%3、⼯资附加费(1)职⼯福利基⾦(元/⼯⽇)=[基本⼯资(元/⼯⽇)+辅助⼯资(元/⼯⽇)]×费率标准(%)(2)⼯会经费(元/⼯⽇)、[基本⼯资(元/⼯⽇)+辅助⼯资(元/⼯⽇)]×费率标准(%)(3)养⽼保险费(元/⼯⽇)=[基本⼯资(元/⼯⽇)+辅助⼯资(元/⼯⽇)]×费率标准(%)(4)医疗保险费(元/⼯⽇)=[基本⼯资(元/⼯⽇)+辅助⼯资(元/⼯⽇)]×费率标准(%)(5)⼯伤保险费(元/⼯⽇)=[基本⼯资(元/⼯⽇)+辅助⼯资(元/⼯⽇)] ×费率标准(%)(6)职⼯失业保险费基⾦(元/⼯⽇)=[基本⼯资(元/⼯⽇)+辅助⼯资(元/⼯⽇)]×费率标准(%)(7)住房公积⾦(元/⼯⽇)=[基本⼯资(元/⼯⽇)+辅助⼯资(元/⼯⽇)] ×费率标准(%)4、⼈⼯⼯⽇预算单价⼈⼯⼯⽇预算单价(元/⼯⽇)=基本⼯资+辅助⼯资+⼯资附加费5、⼈⼯⼯时预算单价⼈⼯⼯时预算单价(元/⼯时)=⼈⼯⼯⽇预算单价(元/⼯⽇)÷⽇⼯作时间(⼯时/⼯⽇)注:①1.068为年应⼯作天数内⾮⼯作天数的⼯资系数。
单项工程投预算价汇总表工程名称:汕头市潮南区司马浦镇华里西学校教学楼墙体、天花板补漏项目第 1 页 共 1 页序号单位工程名称金额(元)其中:(元)暂估价绿色施工安全防护措施费规费1汕头市潮南区司马浦镇华里西学校教学楼墙体、天花板补漏项目-装饰工程29288.332321.67合计29288.332321.67注:本表适用于单项工程招标控制价或投标报价的汇总。
暂估价包括分部分项工程中的暂估价和专业工程工程暂估价。
表—03单位工程造价汇总表工程名称:汕头市潮南区司马浦镇华里西学校教学楼墙体、天花板补漏项目-装饰工程第 1 页 共 1 页序号费 用 名 称计 算 基 础费率(%)金 额(元)1分部分项合计分部分项合计234472措施合计绿色施工安全防护措施费+其他措施费2321.672.1绿色施工安全防护措施费安全及文明施工措施费2321.67 2.2其他措施费其他措施费3其他项目其他项目合计1101.36 3.1暂列金额暂列金额3.2暂估价暂估价合计3.3计日工计日工3.4总承包服务费总承包服务费3.5预算包干费预算包干费1101.36 3.6工程优质费工程优质费3.7概算幅度差概算幅度差3.8索赔费用索赔费用3.9现场签证费用现场签证费用3.10其他费用其他费用4税前工程造价分部分项合计+措施合计+其他项目26870.035增值税销项税额分部分项合计+措施合计+其他项目92418.36总造价分部分项合计+措施合计+其他项目+增值税销项税额29288.338人工费分部分项人工费+技术措施项目人工费15937.57分部分项工程报价表工程名称:汕头市潮南区司马浦镇华里西学校教学楼墙体、天花板补漏项目-装饰工程第 1 页 共 1 页序号项目编码项目名称项目特征计量单位工程数量金额(元)综合单价合价1011101001001五楼补漏1.砼裂缝修补 裂缝注射 板板下施工m36.8171.736319.662011101001002四楼靠南畔楼梯顶补漏1.砼裂缝修补 裂缝注射 板板下施工m13.9171.732387.053011101001003四楼靠南畔楼梯教室补漏1.砼裂缝修补 裂缝注射 板板下施工m11.8171.732026.414011101001004303班教室补漏1.砼裂缝修补 裂缝注射 板板下施工m9171.731545.575011101001005304班教室补漏1.砼裂缝修补 裂缝注射 板板下施工m15.7171.732696.166011101001006西楼北畔楼梯补漏1.砼裂缝修补 裂缝注射 板板下施工m9.1171.731562.747011101001007西楼中楼梯补漏1.砼裂缝修补 裂缝注射 板板下施工m7.3171.731253.638011101001008西楼厕所补漏1.砼裂缝修补 裂缝注射 板板下施工m 6.4171.731099.079011101001009301班教室补漏1.砼裂缝修补 裂缝注射 墙、柱、梁m 4.9162.21794.8310011101001010302班教室补漏1.砼裂缝修补 裂缝注射 墙、柱、梁m 1.7162.21275.7611011101001011东畔厕所走廊补漏1.砼裂缝修补 裂缝注射 板板下施工m14.3171.732455.7412011101001012东畔教导处补漏1.砼裂缝修补 裂缝注射 板板下施工m6171.731030.3823447本页小计23447合 计23447综合单价计算表工程名称:汕头市潮南区司马浦镇华里西学校教学楼墙体、天花板补漏项目-装饰工程第 1 页 共 1 页序号编码名称单位工程量综合单价(元)综合合价(元)1011101001001五楼补漏m36.8171.736319.66借R1-4-32 换砼裂缝修补 裂缝注射板 板下施工10m 3.681717.276319.552011101001002四楼靠南畔楼梯顶补漏m13.9171.732387.05借R1-4-32 换砼裂缝修补 裂缝注射板 板下施工10m 1.391717.272387.013011101001003四楼靠南畔楼梯教室补漏m11.8171.732026.41借R1-4-32 换砼裂缝修补 裂缝注射板 板下施工10m 1.181717.272026.384011101001004303班教室补漏m9171.731545.57借R1-4-32 换砼裂缝修补 裂缝注射板 板下施工10m0.91717.271545.545011101001005304班教室补漏m15.7171.732696.16借R1-4-32 换砼裂缝修补 裂缝注射板 板下施工10m 1.571717.272696.116011101001006西楼北畔楼梯补漏m9.1171.731562.74借R1-4-32 换砼裂缝修补 裂缝注射板 板下施工10m0.911717.271562.727011101001007西楼中楼梯补漏m7.3171.731253.63借R1-4-32 换砼裂缝修补 裂缝注射板 板下施工10m0.731717.271253.618011101001008西楼厕所补漏m 6.4171.731099.07借R1-4-32 换砼裂缝修补 裂缝注射板 板下施工10m0.641717.271099.059011101001009301班教室补漏m 4.9162.21794.83借R1-4-31砼裂缝修补 裂缝注射墙、柱、梁10m0.491622.11794.8310011101001010302班教室补漏m 1.7162.21275.76借R1-4-31砼裂缝修补 裂缝注射墙、柱、梁10m0.171622.11275.7611011101001011东畔厕所走廊补漏m14.3171.732455.74借R1-4-32 换砼裂缝修补 裂缝注射板 板下施工10m 1.431717.272455.712011101001012东畔教导处补漏m6171.731030.38借R1-4-32 换砼裂缝修补 裂缝注射板 板下施工10m0.61717.271030.36合 计23447工程名称:汕头市潮南区司马浦镇华里西学校教学楼墙体、天花板补漏项目-装饰工程第 1 页 共 1 页序号计算基础项目名称费 率(%)金额(元)1绿色施工安全防护措施费LSSGCSF00001分部分项人工费+分部分项机具费绿色施工安全防护措施费132045.382措施其他项目WMGDZJF00001分部分项人工费+分部分项机具费文明工地增加费0011707002001夜间施工增加费20GGCSF0000001分部分项人工费+分部分项机具费赶工措施费0QTFY00000001其他费用合 计2045.38 '注:本表适用于以“项”计价的措施项目工程名称:汕头市潮南区司马浦镇华里西学校教学楼墙体、天花板补漏项目-装饰工程第 1 页 共 1 页序号项目编码项目名称项目特征计量单位工程数量金额(元)综合单价合价1绿色施工安全防护措施费1.1 1.1综合脚手架项1276.29276.291.1.1粤011701012001活动脚手架 1.天棚活动脚手架m249.9 5.13255.991.1.1.1A1-21-137天棚活动脚手架100m20.4934518.41255.781.1.2粤011701012002活动脚手架 1.墙柱面活动脚手架m210 2.0320.31.1.2.1A1-21-136墙柱面活动脚手架100m20.094216.0120.31.2 1.2靠脚手架安全挡板项11.3 1.3密目式安全网项1 1.4 1.4围尼龙编织布项1 1.5 1.5模板的支架项11.6 1.6施工现场围挡和临时占地围挡项11.7 1.7施工围挡照明项1 1.8 1.8临时钢管架通道项11.9 1.9独立安全防护挡板项11.10 1.10吊装设备基础项11.11 1.11防尘降噪绿色施工防护棚项11.12 1.12施工便道项11.13 1.13样板引路项1小 计276.29 2措施其他项目2.1 2.5模板工程项12.2 2.6垂直运输工程项12.3 2.7材料及小型构件二次水平运输项12.4 2.8成品保护工程项12.5 2.9井点降水工程项1小 计本页小计276.29合 计276.29注:本表使用于以综合单价形式计价的措施项目工程名称:汕头市潮南区司马浦镇华里西学校教学楼墙体、天花板补漏项目-装饰工程第 1 页 共 1 页序号项目名称单位金额(元)备注1暂列金额项2暂估价项2.1材料暂估价项2.2专业工程暂估价项3计日工项4总承包服务费项5预算包干费项1101.36按分部分项的人工费与施工机具费之和的 7.00%计算6工程优质费项按分部分项的人工费与施工机具费之和为计算基础国家级质量奖:12.00%;省级质量奖:7.50%;市级质量奖:4.50%7概算幅度差项按分部分项工程费为计算基础建筑工程:3.00%;8现场签证费用项9索赔费用项10其他费用项按实际发生或经批准的施工方案计算合 计1101.36-注:材料暂估单价进入清单项目综合单价,此处不汇总工程名称:汕头市潮南区司马浦镇华里西学校教学楼墙体、天花板补漏项目-装饰工程第 1 页 共 1 页序号项目名称计算基础取费基数计算费率(%)金额(元)1增值税销项税额分部分项合计+措施合计+其他项目26870.0392418.3合 计2418.3单位工程人材机汇总表工程名称:汕头市潮南区司马浦镇华里西学校教学楼墙体、天花板补漏项目-装饰工第1页 共1页程序号名称及规格单位数量市场价合计一人工1综合工日工日186.0484.5715733.7 2人工费元203.881203.88小计15937.58二材料1改性环氧kg45.1810.05454.03 2合成树脂密封胶kg78.0310.02781.89 3其他材料费元131511315小计2550.92合计18488.5。
工程施工费预算表项目名称:金额单位:元填表说明:1.表中(6)=(4)×(5);工程施工费预算表项目名称:金额单位:元填表说明:1.表中(6)=(4)×(5);2.(5)见表3-2。
工程施工费预算表项目名称:金额单位:元填表说明:1.表中(6)=(4)×(5);工程施工费预算表项目名称:金额单位:元填表说明:1.表中(6)=(4)×(5);工程施工费预算表项目名称:金额单位:元填表说明:1.表中(6)=(4)×(5);2.(5)见表3-2。
工程施工费预算表项目名称:金额单位:元填表说明:1.表中(6)=(4)×(5);2.(5)见表3-2。
工程施工费预算表项目名称:金额单位:元填表说明:1.表中(6)=(4)×(5);工程施工费预算表项目名称:金额单位:元填表说明:1.表中(6)=(4)×(5);工程施工费预算表项目名称:金额单位:元填表说明:1.表中(6)=(4)×(5);2.(5)见表3-2。
工程施工费预算表项目名称:金额单位:元填表说明:1.表中(6)=(4)×(5);工程施工费预算表项目名称:金额单位:元填表说明:1.表中(6)=(4)×(5);2.(5)见表3-2。
工程施工费预算表项目名称:金额单位:元填表说明:1.表中(6)=(4)×(5);2.(5)见表3-2。
工程施工费预算表项目名称:金额单位:元填表说明:1.表中(6)=(4)×(5);2.(5)见表3-2。
13。
工程预算明细表
本工程预算明细表包括如下内容:
一、人工费
1. 工资:
(1)勘察设计:包括对该工程的勘察设计,及设计图纸的制作等;(2)施工现场综合管理:包括工程工地管理、物料材料管理、质量安
全监督管理、工程统计管理、结算管理等;
(3)市场工作:包括工程项目招投标管理、市场推广等;
(4)质量技术管理:包括市试抽检、现场施工检查与现场技术指导等。
二、材料费
1. 建筑材料:主要由建筑用钢、木材、塑料材料、各种施工的管材和
电线、无机表面材料、砂浆砌块等制成;
2. 五金材料:由铁件、钢件、铝件、塑料件、五金工具、五金辅料等
制成;
3. 电气材料:由电器件、电字键和照明等电子仪器及设备、拉线电缆
等制成。
三、设备费
1. 构造设备:主要由施工机械设备、吊装搭建设备、安装设备及配备
辅具等制成;
2. 生产设备:主要由各类生产机械、专用设备及其配备辅具等制成;
3. 专用设备:主要由仪表、仪器、计量器具、绘图机具、安全设备等制成。
四、辅材费
1. 基础工程:主要包括砌筑、混凝土等各种基础工序材料所消耗的费用;
2. 包装材料:包括各种防护膜、布袋、木箱、纤袋、尼龙袋及缠绕膜等;
3. 化学材料:包括密封填料、防腐剂、防水剂、填料剂、无机盐等。
五、其他费用
1. 交通费:包括班车、出差等;
2. 保险费:包括财产险、生命意外险、三者险等;
3. 职工薪饷福利:包括节假日福利、生日礼金等;
4. 办公费:包括办公用品费、租赁费等。
总预算汇总表工程施工费预算表直接费预算表直接费预算直接工程费预算表直接工程费预算表直接工程费预算表直接工程费预算表直接工程费预算表直接工程费预算表直接工程费预算表直接工程费预算表间接费预算表间接费预算表其他费用预算表前期工作费用预算表工程监理费用预算表竣工验收费预算表业主管理费预算表不可预见费预算表甲类工预算工日单价计算表材料预算价格计算表机械台班预算单价计算表混凝土、砂浆配合单价计算表直接工程费单价表定额编号:[40041换]挡土墙、岸墙、翼墙重力式~换:纯混凝土C20 1级配粒径20 水泥32.5 水灰比0.55 换:纯定额编号:[40076换]预制平板~换:纯混凝土C20 1级配粒径20 水泥32.5 水灰比0.55 换:纯混凝土C20 1编号:[80033+80034*(-5)换]水泥混凝土路面厚度10cm~换:纯混凝土C20 1级配粒径20 水泥32.5 水灰比材料汇总表下面总结范文为赠送的资料不需要的朋友,下载后可以编辑删除!祝各位朋友生活愉快!员工年终工作总结【范文一】201x年就快结束,回首201x年的工作,有硕果累累的喜悦,有与同事协同攻关的艰辛,也有遇到困难和挫折时惆怅,时光过得飞快,不知不觉中,充满希望的201x年就伴随着新年伊始即将临近。
可以说,201x年是公司推进行业改革、拓展市场、持续发展的关键年。
现就本年度重要工作情况总结如下:一、虚心学习,努力工作(一)在201x年里,我自觉加强学习,虚心求教释惑,不断理清工作思路,总结工作方法,一方面,干中学、学中干,不断掌握方法积累经验。
我注重以工作任务为牵引,依托工作岗位学习提高,通过观察、摸索、查阅资料和实践锻炼,较快地完成任务。
另一方面,问书本、问同事,不断丰富知识掌握技巧。
在各级领导和同事的帮助指导下,不断进步,逐渐摸清了工作中的基本情况,找到了切入点,把握住了工作重点和难点。
(二)201x年工程维修主要有:在卫生间后墙贴瓷砖,天花修补,二栋宿舍走廊护栏及宿舍阳台护栏的维修,还有各类大小维修已达几千件之多!(三)爱岗敬业、扎实工作、不怕困难、勇挑重担,热情服务,在本职岗位上发挥出应有的作用二、心系本职工作,认真履行职责,突出工作重点,落实管理目标责任制。
施工预算模板以下是一个施工预算模板的示例:
项目名称:
项目地点:
项目起止日期:
1. 人力资源费用:
- 工程师/项目经理人工费用:
- 技术工人/操作人员工资费用:
- 管理人员/行政人员人工费用:
- 其他人力资源费用:
2. 材料费用:
- 建筑材料费用:
- 电气材料费用:
- 水暖材料费用:
- 其他材料费用:
3. 设备租赁费用:
- 建筑设备租赁费用:
- 机械设备租赁费用:
- 其他设备租赁费用:
4. 运输费用:
- 材料运输费用:
- 设备运输费用:
- 劳务人员交通费用:
5. 管理费用:
- 建筑许可证费用:
- 建设管理费用:
- 安全检查费用:
- 其他管理费用:
6. 建筑保险费用:
7. 其他费用:
总预算金额:
注意事项:
- 预算金额必须准确地核实和估算。
- 在预算中考虑到设备和工具的购买或租赁费用。
- 考虑到项目所需的人力资源的费用,包括工程师、技术工人和管理人员等。
- 预算中必须列出所有材料费用、运输费用、管理费用等。
- 预算必须明确考虑到建筑保险和其他费用。
- 最后,确保总预算金额准确并与项目的需求相符。
请根据具体项目的特定需求进行调整和修改。
目次1总则............................................................................................................................... - 1 - 2概算预算编制方法....................................................................................................... - 3 -2.1基本规定 ................................................................................................................ - 3 - 2.2编制依据 ................................................................................................................ - 3 - 2.3文件组成 ................................................................................................................ - 3 - 2.4概预算项目及编码规则 ........................................................................................ - 6 - 2.5费用组成 ................................................................................................................ - 7 - 3概算预算费用标准和计算方法................................................................................... - 9 -3.1建筑安装工程费 .................................................................................................... - 9 - 3.2土地使用及拆迁补偿费 ...................................................................................... - 21 - 3.3工程建设其他费 .................................................................................................. - 22 - 3.4预备费 .................................................................................................................. - 28 - 3.5建设期贷款利息 .................................................................................................. - 29 - 3.6公路工程建设项目各项费用计算程序及计算方式 .......................................... - 30 -附录A 封面、目录及概(预)算表格样式............................. - 32 -附录B 概预算项目表 .............................................. - 58 -附录C 设备与材料的划分标准 ...................................... - 83 -附录D 全国冬季施工气温区划分表................................... - 87 -附录E 全国雨季施工雨量区及雨季期划分表........................... - 90 -附录F 全国风沙地区公路施工区划分表............................... - 93 -附录G 涉水项目施工期通航安全保障费用计算方法..................... - 94 -本办法用词说明.................................................... - 98 -《公路工程建设项目概算预算编制办法》条文说明...................... - 99 -1 总则........................................................... - 92 -3 概算预算费用标准和计算方法..................................... - 93 -3.1建筑安装工程费 .................................................................................................. - 93 -3.2土地使用及拆迁补偿费 ...................................................................................... - 96 -3.3工程建设其他费 .................................................................................................. - 96 -3.5公路工程建设项目各项费用计算程序及计算方式 .......................................... - 97 -I1总则1.0.1为加强公路工程造价管理,合理确定和有效控制工程造价,制定本办法。
总预算汇总表
工程施工费预算表
直接费预算表
直接费预算
直接工程费预算表
直接工程费预算表
直接工程费预算表
直接工程费预算表
直接工程费预算表
直接工程费预算表
直接工程费预算表
直接工程费预算表
间接费预算表
间接费预算表
其他费用预算表
前期工作费用预算表
工程监理费用预算表
竣工验收费预算表
业主管理费预算表
不可预见费预算表
甲类工预算工日单价计算表
材料预算价格计算表
机械台班预算单价计算表
混凝土、砂浆配合单价计算表
直接工程费单价表
定额编号:[40041换]挡土墙、岸墙、翼墙重力式~换:纯混凝土C20 1级配粒径20 水泥32.5 水灰比0.55 换:纯
定额编号:[40076换]预制平板~换:纯混凝土C20 1级配粒径20 水泥32.5 水灰比0.55 换:纯混凝土C20 1
编号:[80033+80034*(-5)换]水泥混凝土路面厚度10cm~换:纯混凝土C20 1级配粒径20 水泥32.5 水灰比
材料汇总表。
道路工程施工预算单项目名称:XX道路工程编制日期:2023年4月10日一、工程概况1.1 工程简介XX道路工程位于我国某城市,是一条连接城市东西方向的重要交通干线。
工程内容包括道路工程、桥梁工程、排水工程、照明工程、绿化工程等。
道路全长约3公里,路基宽度为25米,设计车速为60公里/小时。
1.2 工程目标本项目旨在提高道路通行能力,缓解交通拥堵,提高城市交通服务水平,促进区域经济发展。
二、工程施工预算2.1 人工费根据工程量清单和施工组织设计,本项目人工费预计为500万元。
其中包括:路面施工人工费200万元,桥梁施工人工费150万元,排水施工人工费100万元,照明施工人工费50万元。
2.2 材料费本项目材料费预计为1000万元。
主要包括:沥青混凝土600万元,水泥300万元,砂石料100万元。
2.3 设备费本项目设备费预计为800万元。
主要包括:挖掘机、装载机、压路机、摊铺机、混凝土泵车等。
2.4 施工措施费本项目施工措施费预计为500万元。
主要包括:临时设施搭建费200万元,施工排水费100万元,施工降水费100万元,安全文明施工费100万元。
2.5 企业管理费本项目企业管理费预计为200万元。
主要包括:管理人员工资、办公费用、差旅费、通讯费等。
2.6 规费本项目规费预计为100万元。
主要包括:施工图审查费、施工许可证办理费、质量监督费等。
2.7 税金本项目税金预计为50万元。
主要包括:增值税、营业税、城市维护建设税、教育费附加等。
三、工程总价根据以上各项费用预计,本项目工程总价预计为3450万元。
四、工程结算工程结算将以实际完成工程量和合同约定的单价为基础,按照合同约定的结算方式进行。
五、其他事项1. 本预算单仅供参考,实际施工过程中可能因设计变更、市场行情波动等因素导致费用变动。
2. 工程款支付按照合同约定执行,支付进度与工程进度相匹配。
3. 工程质量保证金在工程验收合格后支付,质量保证期内无质量问题全额退还。
计⽇⼯⼈⼯单价表计⽇⼯⼈⼯单价表投标⼈名称:(名称)(盖单位章)法定代表⼈或授权代表⼿写签名:_________________⽇期:_________________计⽇⼯材料单价表投标⼈名称:(名称)(盖单位章)法定代表⼈或授权代表⼿写签名:_________________⽇期:_________________计⽇⼯施⼯机械使⽤费单价表投标⼈名称:(名称)(盖单位章)法定代表⼈或授权代表⼿写签名:_________________⽇期:_________________资⾦流估算表⾦额单位:___元___投标⼈名称:(名称)(盖单位章)法定代表⼈或授权代表⼿写签名:_________________⽇期:_________________ 费率计算表投标⼈名称:(名称)(盖单位章)法定代表⼈或授权代表⼿写签名:_________________ ⽇期:_________________费率计算表投标⼈名称:(名称)(盖单位章)法定代表⼈或授权代表⼿写签名:_________________⽇期:_________________ ⼈⼯、材料、机械台时单价汇总表投标⼈名称:(名称)(盖单位章)法定代表⼈或授权代表⼿写签名:_________________⽇期:_________________ ⼈⼯、材料、机械台时单价汇总表投标⼈名称:(名称)(盖单位章)法定代表⼈或授权代表⼿写签名:_________________⽇期:_________________ ⼈⼯、材料、机械台时单价汇总表投标⼈名称:(名称)(盖单位章)法定代表⼈或授权代表⼿写签名:_________________ ⽇期:_________________⼈⼯、材料、机械台时单价汇总表第 4 页共 4页投标⼈名称:(名称)(盖单位章)法定代表⼈或授权代表⼿写签名:_________________⽇期:_________________材料预算单价计算表(格式)第 1 页共 1页备注:此表后投标⼈须提供施⼯⽤电、施⼯⽤⽔、砂⽯料预算单价的费⽤组成明细,此预算单价的合理性将作为评标依据。