泵房垫铁、二次灌浆分项
- 格式:doc
- 大小:136.50 KB
- 文档页数:4
1.工程概况工程名称、施工地点和施工范围:工程名称:河北华电石家庄热电有限公司2×400MW级天然气热电联产工程。
施工地点:河北省石家庄市长安区体育北大街173号西厂院内。
施工范围:本次二次灌浆施工主要为B标段柱段、设备基础二次灌浆。
主要工程量柱段和设备基础二次灌浆施工质量好坏直接影响设备运转的安全性能,对机组的安全运行起着极为重要的作用。
根据图纸设计要求,该工程的二次灌浆全部采用高强度微膨胀灌浆料,抗压强度不小于60Mpa。
二次灌浆,要求严格,必须参照灌浆料厂家使用说明严格执行。
施工范围及工程量较大,需配备足够多的专业灌浆人员,施工组织安排合理并保证灌浆连续快速完成。
2.编写依据河北电力工程咨询院有限公司下发的施工图纸有效签证的设计变更文件和图纸会审记录无收缩高强灌浆料使用说明书及施工技术方法介绍《混凝土结构工程施工质量验收规范》GB50204-2015《水泥基灌浆材料施工技术规范》GB50448-2008《水泥基灌浆材料施工技术规程》《电力建设安全工作规程》(第1部分:火力发电厂)—2014《电力建设施工质量验收及评价规程》(第1部分:土建工程)DL/《建筑机械使用安全技术规程》JGJ33-2012《中华人民共和国工程建设标准强制性条文》(房屋建筑部分)2013版《建设工程施工现场供用电安全规范》GB50194-20143.开工应具备的条件各设备、钢柱已就位、校准、验收、垃圾清理完成,并委托建筑公司进行灌浆。
需要灌浆的构件、设备等已经就位且经质检人员检查合格。
接头灌浆部位已凿毛处理完,并经验收合格。
对设备基础及基础短柱灌浆时需机务技术人员现场进一步明确灌浆要求。
施工用的材料,主要机械及工器具备齐待用,二次灌浆进场复试合格。
施工前对全体施工人员进行技术、安全交底。
作业指导书已批准。
4.人员组织、分工及有关人员的资格要求施工需各种劳动力如下所有进入施工现场的人员,必须经安全培训考试合格后持证上岗,年龄在18-50岁之间。
高精度安装的设备设备基础的一次灌浆和二次灌浆灌浆料一、定义:灌浆料是以高强度材料作为骨料,以水泥作为结合剂,辅以高流态、微膨胀、防离析等物质配制而成.它在施工现场加入一定量的水,搅拌均匀后即可使用.具有自流性好,快硬、早强、高强、无收缩、微膨胀;无毒、无害、不老化、对水质及周围环境无污染,自密性好、防锈等特点.在施工方面具有质量可靠,降低成本,缩短工期和使用方便等优点。
从根本上改变设备底座受力情况,使之均匀地承受设备的全部荷载,从而满足各种机械,电器设备(重型设备高精度磨床)的安装要求,是无垫安装时代的理想灌浆材料.二、用途:灌浆料主要用于:地脚螺栓锚固、飞机跑道的抢修、核电设备的固定、路桥工程的加固、机器底座、钢结构与地基怀口、设备基础的二次灌浆、栽埋钢筋、混凝土结构加固和改造、旧混凝土结构的裂缝治理,机电设备安装,轨道及钢结构安装,静力压桩工程封桩,墙体结构的加厚及漏渗水的修复,各种基础工程的塌陷灌浆以及各种抢修工程等。
三、特点:▲早强高强浇后1-3天强度高达30Mpa以上,缩短工期。
▲自流态现场只需加水搅拌,直接灌入设备基础,砂浆自流,施工免振,确保无振动、长距离的灌浆施工。
▲ 微膨胀浇注体长期使用无收缩,保证设备与基础紧密接触,基础与基础之间无收缩,并适当的膨胀压应力确保设备长期安全运行.▲ 抗油渗在机油中浸泡30天后其强度提高10%以上,成型体、密实、抗渗、适应机座油污环保。
▲ 耐久性200万次疲劳试验,50次冻融环境试验强度无明显变化。
▲ 耐侯性好—40℃~600℃长期安全使用▲ 低碱耐蚀严格控制原材料碱含量,适用于碱-集料反应有抑制要求的工程。
四、原材料:1 水泥宜采用硅酸盐水泥或普通硅酸盐水泥,且符合GB 175的规定。
采用其它水泥时应符合相应的标准要求。
2 细骨料应符合G B/T 14684规定的I类天然砂或人工砂。
3 混凝土外加剂混凝土外加剂应符合GB 8076及JC4 76的规定.4 其它材料GB/T50448—2008应符合相关标准要求。
设备基础二次灌浆施工方案设备基础二次灌浆是指在设备基础周围和底部添加一层二次灌浆层,以提高基础的强度和稳定性。
二次灌浆施工方案需要考虑多个因素,包括施工材料选择、施工工艺、施工步骤和质量控制等。
以下是一个设备基础二次灌浆施工方案的详细描述。
1.材料选择(1)灌浆材料:根据基础的设计要求,选择适合的二次灌浆材料,常用的灌浆材料包括高强度水泥、石英砂和高性能添加剂等。
(2)基础清洁剂:在施工前,对设备基础必须进行彻底清洁,以确保灌浆材料能与基础充分接触。
清洁剂可以选择酸洗剂或碱洗剂等。
2.施工工艺(1)基础处理:在施工前,必须对设备基础进行处理,除去表面的杂质和损坏层。
对于有裂缝的基础,应先进行修复,以确保基础的整体性。
(2)灌浆孔安装:根据设计要求,在基础周围和底部布置适量的灌浆孔。
孔的直径和间距应符合设计要求,并保持孔洞的纵横均匀分布。
(3)施工工具准备:准备好灌浆设备和工具,包括灌浆泵、搅拌器、刮板等。
确保这些设备和工具运行正常,并按照要求进行安装和调试。
(4)灌浆施工:将灌浆材料按照一定比例进行混合,并通过灌浆泵注入灌浆孔中。
通过搅拌器和刮板,确保灌浆材料均匀分布,充实基础空间。
3.施工步骤(1)灌浆孔预处理:在进行灌浆前,用清洁剂对灌浆孔进行清洗,除去杂质和灰尘。
(2)灌浆材料混合:按照规定的比例将灌浆材料放入搅拌器中,用刮板搅拌均匀。
确保灌浆材料质量稳定且无团块。
(3)灌浆施工:将灌浆材料倒入灌浆泵中,通过泵送装置将灌浆材料注入灌浆孔中。
在注浆的过程中,要注意保持一定的泵送压力和速度,以确保灌浆材料能充分填充灌浆孔。
(4)灌浆孔封堵:在注浆完成后,用水泥浆或密封胶对灌浆孔进行封堵,防止灌浆材料流失。
4.质量控制(1)施工现场管理:在施工过程中,要确保施工现场干净整洁,避免杂质进入灌浆孔中。
(2)施工记录:对施工过程进行记录,包括施工时间、灌浆材料使用量、灌浆孔布置情况等。
及时记录问题和处理结果,为后续质量验收提供依据。
给排水泵房施工方案一、水泵房设备安装流程图10。
7。
1 水泵房设备安装流程图二、垫铁的安装1。
垫铁组布置的原则为:在地脚螺栓两侧各放置一组,应尽量使垫铁靠近地脚螺栓,当地脚螺栓间距小于 300 毫米时,可在各地脚螺栓的同一侧放置一组垫铁.对于带锚板的地脚螺栓两侧的垫铁组,应放置在预留孔的两侧。
相邻两垫铁组的间距,可根据泵的重量、底座的结构型式以及负荷分布等具体情况而定,一般为 500 毫米左右。
2。
垫铁表面平整,无氧化皮、飞边等。
斜垫铁斜度一般为 1/20~1/10,对于重心较高或振动较大的泵采用1/20 的斜度为宜.3. 斜垫铁应配对使用,与平垫铁组成垫铁组时,一般不超过四层,薄垫铁应放在斜垫铁与厚平垫铁之间。
垫铁组的高度一般为 30~70 毫米。
4.放置垫铁前应铲出垫铁窝,垫铁直接放置在基础上,与基础接触应均匀,其接触面积应不小于50%。
平垫铁顶面水平度的允许偏差为2毫米/米,各垫铁组顶面的标高应与泵底面实际安装标高相符.5。
泵找平后,垫铁组应露出底座10~30毫米。
地脚螺栓两侧的垫铁组,每块垫铁伸入泵底座底面的长度,均应超过地脚螺栓,且应保证泵的底座受力均衡.若泵底座的底面与垫铁接触宽度不够时,垫铁组放置的位置应保证底座坐落在垫铁组承压面的中部。
6. 配对斜垫铁的搭接长度应不小于全长的 3/4 ,其相互间的偏斜角不大于3°。
7. 泵用垫铁找平、找正后,用0。
25或0.5公斤重的手锤敲击检查垫铁组的松紧程度,应无松动现象。
用0.05毫米的塞尺检查,垫铁之间及垫铁与底座底面之间的间隙,在垫铁同一断面处从两侧塞入的长度总和,不得超过垫铁长(宽)度的 1/3 。
检查合格后应随即用电焊在垫铁组的两侧进行层间点焊固定,垫铁与泵底座之间不得焊接.图10。
7。
2 垫铁安装示意图三、地脚螺栓的安装1. 放置在预留孔中的地脚螺栓,应符合下列要求:(1)地脚螺栓的光杆部份应无油污或氧化皮,螺纹部份涂油脂。
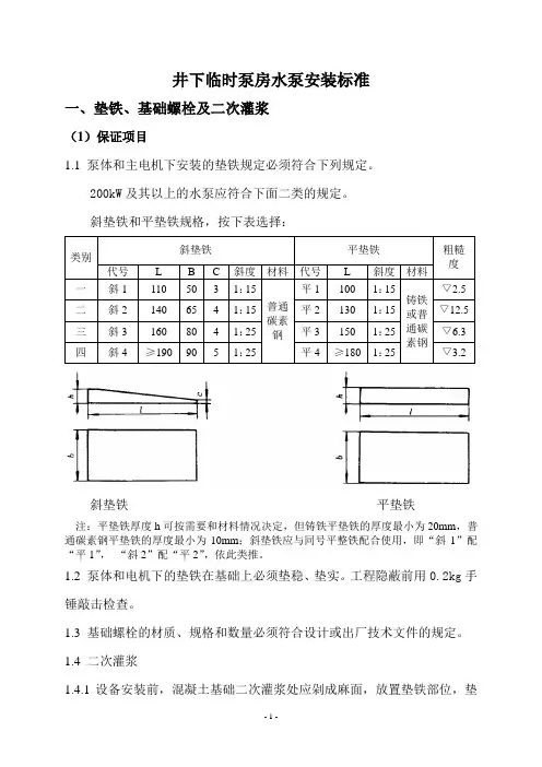
井下临时泵房水泵安装标准一、垫铁、基础螺栓及二次灌浆(1)保证项目1.1 泵体和主电机下安装的垫铁规定必须符合下列规定。
200kW 及其以上的水泵应符合下面二类的规定。
斜垫铁和平垫铁规格,按下表选择:类别斜垫铁 平垫铁 粗糙度 代号 L B C 斜度 材料 代号 L 斜度 材料 一 斜1 110 50 3 1:15 普通碳素钢 平1 1001:15铸铁或普通碳素钢▽2.5二 斜2 140 65 4 1:15 平2 130 1:15 ▽12.5 三 斜3 160 80 4 1:25 平3 150 1:25 ▽6.3四斜4≥1909051:25平4≥180 1:25 ▽3.2斜垫铁 平垫铁注:平垫铁厚度h 可按需要和材料情况决定,但铸铁平垫铁的厚度最小为20mm ,普通碳素钢平垫铁的厚度最小为10mm ;斜垫铁应与同号平整铁配合使用,即“斜1”配“平1”, “斜2”配“平2”,依此类推。
1.2 泵体和电机下的垫铁在基础上必须垫稳、垫实。
工程隐蔽前用0.2kg 手锤敲击检查。
1.3 基础螺栓的材质、规格和数量必须符合设计或出厂技术文件的规定。
1.4 二次灌浆1.4.1设备安装前,混凝土基础二次灌浆处应剁成麻面,放置垫铁部位,垫铁与基础面应接触良好,并在灌浆前用水冲洗干净。
1.4.2灌浆时,必须捣固密实,基础螺栓严禁产生歪斜。
1.4.3二次灌浆所用砂浆或混凝土的强度等级应比基础的混凝土强度等级高一级。
(2)基本项目2.1泵体和主电动机下垫铁组的位置应符合下列标准。
2.1.1合格要求:除机座下有指定的垫铁位置外,轴承下及基础螺栓两侧应设备垫铁,如条件限制可在一侧设置;垫铁组在能放稳和不影响灌浆的情况下,宜靠近基础螺栓;相邻两垫铁组间的距离宜为500~1000mm。
2.1.2优良要求:在合格的基础上,相邻两垫铁组的间距为600~800mm。
2.2泵体和主电动机找正后同组垫铁应符合下列标准。
2.2.1合格要求:各垫铁之间断续焊接牢固(铸铁垫铁可不焊)。
二次灌浆基础明细
电建二公司二次灌浆部位明细乌斯太2×300MW机组工程所有以混凝土为二次灌浆料的设备基础及空冷岛二次灌浆全部改为C60高强无收缩自流平免振捣微膨胀二次灌浆料浇筑,详细部位如下:1.煤仓间各层楼板F131S-T0214 基础1、基础2
2、主厂房附属设备基础(二)F131S-T022502 电动给水泵基础、磨煤机基础
3、主厂房附属设备基础(四)F131S-T022504 润滑油输送泵基础、水环真空泵
基础
4、主厂房附属设备基础(三)F131S-T022503 微热再生压缩空气干燥器基础民、
10m3储气罐基础、25m3储气罐基础、顶轴油泵基础、冷油器基础、主油箱基础、捞渣机基础、排气管道支架基础、保持泵基础、铺膜注射泵铺膜泵基础、反洗泵基础、先进铺膜箱基础、密封机基础、暖风器疏水箱基础、暖风器疏水泵基础、锅炉定期排污扩容器基础、凝结水补充水泵基础
5、主厂房附属设备基础(一)F131S-T022501
轴流送风机基础、一次风机基础
6、中和水泵房及酸碱储存间F131S-T0605 设备基础1、设备基础2、设备基础3
7、锅炉补给水处理室室内地下设施及室外构筑物F131S-T060102
生水泵基础、超滤给水泵基础、超滤反洗水泵基础、启动除盐水泵基础、除盐水泵基础、再生水泵基础、淡水泵基础、反渗透冲洗水泵基础、21#基础、22#基础、12#基础
8、空冷岛支柱基础F131S-S6001 JC-2、JC-2`
9、空冷岛支柱F131S-S6002 柱身斜撑处支座灌浆
10、引风机室建筑与结构F131S-T030502 引风机设备基础
11、汽机大平台结构F131S-T020802 轴封加热器支墩基础2009年11月4日。
1 /2 二次灌浆 基本概述 即用细碎石混凝土或水泥浆将设备底座与基础表面空间的空隙填满并将垫铁埋在混凝土里,以固定垫铁和承受设备的负荷。
二次灌浆法是浇灌基础时预先在基础内留出地脚螺栓的预留孔。
在设备安装时再把地脚螺栓安装在预留孔内浇灌混凝土或水泥砂浆使地脚螺栓牢固。
它的优点是地脚螺栓便于调整和便于设备安装。
缺点是现浇的混凝土与原基础的结合不如一次灌浇牢固。
设备安装过程中的二次灌浆 每台设备安装完毕,通过严格检查符合安装技术标准,并经有关单位审查合格后,即可进行二次灌浆。
所谓二次灌浆,就是将设备底座与基础表面的空隙及地脚螺栓孔用混凝土或砂浆灌满。
其作用之一是固定垫铁(可调垫铁的活动部分不能浇固),另一作用是可以承受设备的负荷。
二次灌浆的操作要点(1)灌浆前,要把灌浆处用水冲洗干净,油污、浮锈等应清除干净,以保证新浇混凝土(或砂浆)与原混凝土结合牢固。
(2)灌浆一般采用细石混凝土(或水泥砂浆),其标号至少应比原混凝土标号高一级。
碎石的粒度约为5~15mm ,水泥用400号或500号。
(3)灌浆时,应放一圈外模板,其边缘距设备底座边缘一般不小于60mm ;如果设备底座下的整个面积不必全部灌浆,而且灌浆层需承受设备负荷时,还要放内模板,以保证灌浆层的质量。
内模板到设备底座外缘的距离应大于100mm ,同时也不能小于底座面边宽。
灌浆层的高度,在底座外面应高于底座的底面。
灌浆层的上表面应略有坡度(坡度向外),以防油、水流入设备底座。
(4)灌浆工作要连续进行,不能中断,要一次灌完。
砂浆灌浆过程中不允许捣动,但可以引流,要保持地脚螺栓和安装平面垂直。
(5)灌浆后,要铺设抹布洒水养护,养护日期不少于一周。
待混凝土养护达到其强度的70%以上时,才允许拧紧地脚螺栓。
注意事项灌浆前1、控制输送时间在运输问题上应尽量缩短外部运输时间,控制好运输距离。
在灌浆料到达工地后应立即把料卸下并进行浇筑,避免停留时间过长引起较大的坍落度损失。
二次灌浆施工方案设计一、工程概述二次灌浆是指在混凝土结构的初次灌浆后,在一定时间内进行再次灌浆,旨在进一步提高结构的密实性和耐久性。
本方案主要针对混凝土结构进行二次灌浆施工,具体工作包括材料准备、工具设备准备、施工工艺、施工方法等。
1.材料准备灌浆材料主要包括水泥、细砂、添加剂等。
水泥应选用符合国家标准GB175-1999的硅酸盐水泥;细砂应选用粒度均匀、含尘率低的建筑用河沙;添加剂应选用能够提高灌浆材料流动性和减少收缩率的高效剂。
2.工具设备准备施工所需的工具和设备有水泵、搅拌机、喷涂机、钢筋刷、切割机、搅拌桶、喷涂枪等。
这些设备应保证正常工作状态,以确保施工效果。
3.施工工艺施工工艺包括配料调制、搅拌、喷涂、养护等。
其中,配料调制要根据具体结构的要求进行合理搭配,搅拌要保证均匀,喷涂要均匀细致,养护要充分确保强度发展。
4.施工方法施工方法主要分为喷涂和浸润两种。
对于较大面积的混凝土结构,在外墙或顶板设置钻孔,通过喷涂机将灌浆材料喷涂到结构内部,确保全部覆盖;对于较小面积的混凝土结构,可采用浸润的方法,将灌浆材料浸润到结构内部,确保各个角落都得到覆盖。
二、施工方案1.施工前准备(1)检查混凝土结构的完好性,修复表面裂缝和凹陷;(2)清除混凝土表面的灰尘、油污和杂物;(3)检查结构内的孔洞和空腔,修复破损部位;(4)对结构进行润湿处理,以提高灌浆材料的粘附性。
2.施工过程(1)配料调制:按比例将水泥、细砂和添加剂进行搅拌,调制成均匀混合的灌浆材料;(2)喷涂施工:在混凝土结构外墙或顶板上钻孔,通过喷涂机将灌浆材料喷涂到结构内部,确保覆盖均匀;(3)浸润施工:在小面积的混凝土结构上,使用搅拌桶将灌浆材料浸润到结构内部,确保各个角落都被覆盖;(4)养护处理:施工后的混凝土结构应进行养护处理,包括保持一定湿度和温度以促进混凝土强度的发展,经过一段时间后方可使用。
3.施工安全措施(1)施工人员应佩戴防护装备,如安全帽、口罩、手套等;(2)使用喷涂机和切割机时,应做好防护措施,避免刺激性气体的吸入;(3)在施工过程中,严禁吸烟和明火作业;(4)施工现场应设置明显的安全警示标志,确保施工区域的安全。
二次灌浆专项施工方案一、工程概述:二次灌浆是指在土体固结处理完成后,为提高地基的承载力和稳定性,对地基进行加固处理的一项工程。
本工程施工区域为xx。
二、施工准备:1.施工前应详细了解地基处理设计要求,并对施工区域进行勘察,确认施工条件和环境。
2.准备所需的设备、材料和人员,确保施工顺利进行。
三、施工步骤:1.清理施工场地:清理施工场地上的杂物,并对必要的设备和机械进行调试、检修。
2. 喷混凝土:在地基上喷涂一层混凝土,厚度为xx,用以增加地基的承载能力和稳定性。
3. 预制灌浆管道:根据设计要求,在地基中预埋灌浆管道,管道直径为xx,间距为xx。
4.配制灌浆材料:按照设计要求,配制灌浆材料,确保配比合理,并按照要求进行搅拌。
5. 灌浆施工:将配制好的灌浆材料通过预埋的灌浆管道,逐段注入地基中。
注浆顺序为xx,注浆量不宜超过xx。
6.施工记录:施工过程中,应做好施工记录,包括注浆量、注浆压力、注浆时间等数据,以及施工中发现的问题和处理方式。
四、质量控制:1.灌浆材料的配制要按照设计要求进行,并严格控制配比比例。
2.施工过程中要对注浆量、注浆压力、注浆时间等进行记录,以便后期检查。
3.施工中发现问题或隐患时,及时进行处理,确保施工质量。
4.完工后,对施工区域进行验收,确保工程达到设计要求。
五、安全措施:1.施工现场应设置明显的安全警示标志,并配备专职安全员进行监督。
2.施工人员应按规定佩戴安全帽、安全鞋等个人防护用品,并接受安全培训。
3.施工设备和机械应经过检修,使用前检查无误后方可使用。
4.施工中严禁违章操作和不安全行为。
六、总结:通过二次灌浆施工,可以有效提高地基的承载能力和稳定性,确保地基的安全可靠。
施工过程中要严格按照设计要求进行,对施工过程进行记录和监控,确保施工质量。
同时,要重视施工安全,采取相应的安全措施,保障施工人员的安全。
最终,要对施工结果进行验收,确保工程质量。
附录E 地脚螺栓、垫铁及二次灌浆E.1 地脚螺栓E.1.1设备安装应使用随机配置的地脚螺栓。
E.1.2 预留孔方式埋设的地脚螺栓应符合下列规定:1 地脚螺栓在预留孔中应垂直、不倾斜。
2 地脚螺栓任一部位距孔壁应大于15mm,底端不应碰孔壁。
3 地脚螺栓表面的锈蚀、油污和氧化皮应清除干净,螺纹部分应涂少量油脂。
4 螺母与垫圈、垫圈与设备底座的接触应紧密。
5 二次灌浆的混凝土达到设计强度的75%以上时,方能拧紧地脚螺栓,各螺栓的拧紧力应均匀。
6 螺栓不应一次拧紧到位,应对称拧紧。
7 拧紧螺栓后,螺栓露出螺母长度应为螺栓直径的1/3~1/2。
E.1.3装设化学锚栓应符合下列规定:1 化学锚栓的中心线应按施工图放线。
2 装设化学锚栓的钻孔应防止与基础或结构中的钢筋、预留管和电缆等埋设物相碰,锚栓孔不得采用预留孔。
3 基础混凝土或钢筋混凝土有裂缝的部位不得使用化学锚栓。
4 成孔后应对钻孔的孔径和孔深进行检查。
检查后应立即清除孔内的粉尘、积水,并应用待装螺栓检查孔深、孔径。
成孔后、浇筑锚固剂前,孔壁应干燥,孔壁不得沾染油污。
5 螺栓插入后,立即校正螺栓的平面位置和顶部标高。
经规定的养护时间后,方可进行设备安装。
注:规定的养护时间,是指随机文件或产品使用说明书注明的时间。
E.1.4装设胀锚螺栓应符合下列规定:1 胀锚螺栓的中心线应按施工图放线。
胀锚螺栓的中心至基础或构件边缘的距离不得小于胀锚螺栓公称直径d的7倍,底端至基础底面的距离不得小于3d,且不得小于30mm;相邻两根胀锚螺栓的中心距离不得小于lOd。
2 装设胀锚螺栓的钻孔应防止与基础或构件中的钢筋、预埋管和电缆等埋设物相碰;不得采用预留孔。
3 安设胀锚螺栓的基础混凝土强度不得小于1OMPa。
4 基础混凝土或钢筋混凝土有裂缝的部位不得使用胀锚螺栓。
5 成孔后应对钻孔的孔径和深度及时进行检查,胀锚螺栓钻孔的直径和深度应符合表E.1.4的规定。
钻孔深度可超过规定值5~lOmm。
二次灌浆施工方案1. 引言本文档旨在介绍二次灌浆施工方案。
在建筑工程中,灌浆是一项常用的修补和加固技术。
通过灌浆可以填充空隙、固化材料以及提高结构的强度和稳定性。
2. 施工前准备在进行二次灌浆施工前,需要进行相应的准备工作。
以下是施工前准备的步骤:1.检查施工区域:检查需要进行二次灌浆的区域,确保没有明显的损坏或缺陷。
2.清洁施工区域:清除施工区域内的杂物、尘土和附着物,以确保灌浆材料能够充分填充并附着到结构表面。
3.准备灌浆材料:根据具体情况选择合适的灌浆材料,并按照供应商提供的要求进行调配。
4.准备施工设备:准备好所需的灌浆设备,包括灌浆泵、搅拌器、输送管道等。
3. 施工步骤2.混合灌浆材料:按照供应商提供的比例,将灌浆材料和水混合均匀,可以使用搅拌器进行混合。
确保灌浆材料的质量符合要求。
3.灌浆准备:根据施工计划,将准备好的灌浆材料输送至施工现场,并进行检查。
4.灌浆施工:使用灌浆泵将灌浆材料注入到需要修补的空隙中,确保灌浆材料充分填充并覆盖到结构表面。
根据具体情况,可以采用压力灌浆或重力灌浆的方式。
5.灌浆充实:在灌浆完成后,通过震动或敲击结构表面,促使灌浆材料充实,并排除空隙和气泡。
6.治理表面:待灌浆材料干燥后,使用砂纸等工具将结构表面进行修整,以获得光滑的表面。
7.检查质量:对二次灌浆后的结构进行质量检查,确保修补效果符合要求。
4. 安全注意事项在进行二次灌浆施工时,需要注意以下安全事项:•确保施工区域的通风良好,避免有害气体积聚;•使用个人防护装备,包括手套、面具、安全鞋等;•确保灌浆材料的操作温度在安全范围内;•注意设备运转和工作环境的安全;•遵循相关的安全操作规程和标准。
5. 后续处理完成二次灌浆施工后,可以进行以下后续处理:•清理施工现场,清除灌浆设备和材料的残留物;•维护施工区域,确保修补的结构能够正常使用;•定期检查修补效果,并进行必要的维修和保养。
6. 总结本文档介绍了二次灌浆施工方案的具体步骤和注意事项。
存期限:长期分发号:15 受控状态:受控xxxx主排水泵房设备安装施工组织设计YKJS-ZY-7.5.1编 制:审 核: 批 准:开发公司安装公司2008年7月10日xxxx主排水泵房设备安装施工组织设计第一章 工程概况一、编制依据1、设计图纸 S1123-2032、《煤矿安装工程质量检验评定标准》(MT5010-95)3、《煤矿安全规程》(2006年版)4、永煤开发安装公司《质量手册》、《程序文件》及有关文件5、施工现场实际条件二、工程简况(一)工程特点:1、xxxx主排水泵房位于xxxx副斜井井底,为满足矿井的排水需要,设计安装七台型号为MD155-30×5水泵,配套为110KW防爆电机。
4台水泵均匀分布在三趟φ219×6循环排水管路上,排出的矿井水经三趟循环管路→主排水管子道管路→副斜井井筒管路→地面排水管路→污水处理站,处理合格后供洗煤厂使用,以此来满足xxxx的排水。
2、水泵电压等级660V,电源引自主变电所4台KBZ-200馈电开关。
(二)施工地点的情况:本主排水泵房位于xxxx副井底,设备的下放和运输必须等副井提升系统形成后方可施工,给安装带来一定的影响。
(三)本次安装的主要内容有:1、MD155-30×5水泵,4套;2、YB315S-4三相异步电动机,4台3、ZPBZ型喷射泵,4套4、H44H-25,DN150 PN25逆止阀,4台5、Z41H-25 DN150 PN25闸阀,4台6、Z41-16DN150 PN25闸阀,10台7、PZ1-400 DN400配水闸阀,3台8、无缝钢管φ25×2.5,220米9、焊接钢管φ219×6,65米10、无缝钢管φ273×8,20米11、无缝钢管φ159×4.5,4米12、电控系统,4套13、接地系统,1套第二章 施工部署一、工程质量、进度、安全目标1、工程质量:优良2、工程工期:合同工期3、安全目标:人员无轻伤、机械无二类以上事故二、工程分包计划、材料供应计划、机械设备供应计划1、工程由永煤开发公司负责施工2、机电设备由永贵五凤煤业五凤煤矿供应3、其它主材、辅材等均由我公司自购三、施工组织项目负责人:赵学彬技术负责人:马 超质量检查员:王永红机械施工负责人:郭跃展、于来涛电气施工负责人:张喜兴安装工人:20人另外,项目部根据工程实际需要增加安装工人,以确保工程保质保量按期完成。
1、CGM灌浆料⼆次灌浆,其⼯艺应符合《设备基础⼆次灌浆施⼯⼯艺》的要求。
2、设备基础⼆次灌浆前,应根据实际情况选择相应的灌浆⽅式。
设备基础⼆次灌浆1、CGM灌浆料⼆次灌浆,其⼯艺应符合《设备基础⼆次灌浆施⼯⼯艺》的要求。
2、设备基础⼆次灌浆前,应根据实际情况选择相应的灌浆⽅式。
3、施⼯准备(1)设备基础表⾯应进⾏凿⽑处理。
清扫设备基础表⾯,不得有碎⽯、浮浆、浮灰、油污和脱模剂等杂物。
灌浆前24⼩时,设备基础表⾯应充分湿润。
灌浆前1⼩时,清除积⽔。
(2)按灌浆施⼯图⽀设模板。
模板与基础、模板与模板间的接缝处⽤⽔泥浆、胶带等封缝,达到整体模板不漏⽔的程度。
(3)模板与设备底座四周的⽔平距离应控制在100mm左右,以利于灌浆施⼯。
(4)模板顶部标⾼应⾼出设备底座上表⾯50mm。
(5)灌浆中如出现跑浆现象,应及时处理。
4、CGM灌浆料的拌和应按本施⼯技术⽅法第“⼆”条规定进⾏。
5、较长设备或轨道基础的灌浆,应采⽤分段施⼯。
即采⽤跳仓法施⼯,每段长度不应超过5m。
6、⽤⾼位漏⽃法灌浆,从设备底座中央或⼀侧开始灌浆。
7、CGM灌浆料进⾏⼆次灌浆时,应符合下列要求。
(1)CGM灌浆料⼆次灌浆时,应从⼀侧或相邻的两侧多点进⾏灌浆,直⾄从另⼀侧溢出为⽌,以利于灌浆过程中的排⽓。
不得从四侧同时进⾏灌浆。
(2)灌浆开始后,必须连续进⾏,不能间断。
并尽可能缩短灌浆时间。
(3)在灌浆过程中严禁振捣。
必要时可⽤灌浆助推器沿灌浆层底部推动CGM灌浆料,严禁从灌浆层的中、上部推动,以确保灌浆层的匀质性。
(4)设备基础灌浆完毕后,应在灌浆后3~6⼩时沿设备边缘向外切45℃斜⾓(见图3 )以防⽌⾃由端产⽣裂缝。
如⽆法进⾏切边处理,应在灌浆后3~6⼩时⽤抹⼑将灌浆层表⾯压光。
承受设备荷载的主要是设备基础和垫铁,如果不对设备基础的面层进行二次灌浆的话,在设备的运行震动下,要不了多久哪些垫铁就会松动,甚至脱落,这样势必造成设备的不牢固和不稳定,而当对设备安装完成后对其设备基础的面层采用高标号或者微膨胀水泥砂浆或者细石砼或者灌浆料进行灌浆后,在设备运行震动时,就不会对设备已经固定好的位置产生任何影响,所以我二次灌浆和垫铁的作用是不同的,但都不可缺少,垫铁承受设备的竖向荷载,而二次灌浆层却主要承受设备运行震动时的水平向荷载,对设备及垫铁其固定作用。
国电建投内蒙古能源有限公司察哈素煤矿工程
工程报验申请表
编号:ZMSJ-AZ-BF-004
单位工程名称:+931水平主排水泵房机械设备安装分项工程名称:垫铁、基础螺栓及二次灌浆(1#泵)分部工程名称:机械安装分项工程性质:一般
单位工程名称:+931水平主排水泵房机械设备安装分项工程名称:垫铁、基础螺栓及二次灌浆(2#泵)分部工程名称:机械安装分项工程性质:一般
单位工程名称:+931水平主排水泵房机械设备安装分项工程名称:垫铁、基础螺栓及二次灌浆(3#泵)分部工程名称:机械安装分项工程性质:一般。