市政建筑给排水管道检验批模板
- 格式:doc
- 大小:909.00 KB
- 文档页数:25
监理单位 验收结论7管道 及设备保温表面平整度施工单位 检查结果主控项 目一 般项目6水平管道纵、横方向弯曲允许偏钢管塑料管复合管铸铁管立管垂直度允许偏差钢管塑料管复合管2021年09月24日专业监理工程师:年 月 日给水管道及配件安装检验批质量验收记录/专业工长:项目专业质量检查员:涂抹10mm///卷材5mm ///厚度+0.1δ -0.05δ///成排管段和成 在同一平面上间距3mm 3/3共3处,全部检查,合格3处100%铸铁管5m以上≤10mm //100%每米3mm ///5m以上≤8mm 3/3共3处,全部检查,合格3处/每米2mm 3/3共3处,全部检查,合格3处100%5m以上≤8mm ///每米3mm ///全长25m以上≤25mm //100%每米2mm ///全长25m以上≤25mm 3/3共3处,全部检查,合格3处/每米1.5mm 3/3共3处,全部检查,合格3处100%全长25m以上≤25mm //共3处,全部检查,合格3处100%每米1mm ///5水表安装第4.2.10条3/3共3处,全部检查,合格3处100%4管道支、吊架第4.2.9条3/3共3处,全部检查,合格3处100%3给水水平管道坡度坡向第4.2.7条3/3共3处,全部检查,合格3处100%2金属给水管道及管件焊接第4.2.6条///1给排水管铺设的平行、垂直净距第4.2.5条3/3符合设计及规范要求√4直埋金属给水管道防腐第4.2.4条///3生活给水系统管道冲洗和消毒第4.2.3条3/3符合设计及规范要求√2给水系统通水试验第4.2.2条3/3符合设计及规范要求√1给水管道水压试验设计要求3/3施工依据建筑给水排水及供暖施工方案验收依据《建筑给水排水及采暖工程施工质量验收规范》GB50242-2002验收项目设计要求及 规范规定最小/实际 抽样数量检查记录检查结果分包单位/分包单位项目负责人/检验批部位半地下室室内给水系统施工单位项目负责人检验批容量3/3GD-C5-7121单位(子单位) 工程名称分部(子分部)工程名称建筑给水排水及供暖-室内给水系统分项工程名称给水管道及配件安装。
单位(子单位)工程质量竣工验收记录
编号:
单位(子单位)工程质量控制资料核查表
编号:
单位(子单位)工程观感质量核查表
编号:
单位(子单位)工程结构安全和使用功能性检测记录表
编号:
分部(子分部)工程质量验收记录
编号:
分项工程质量验收记录
编号:
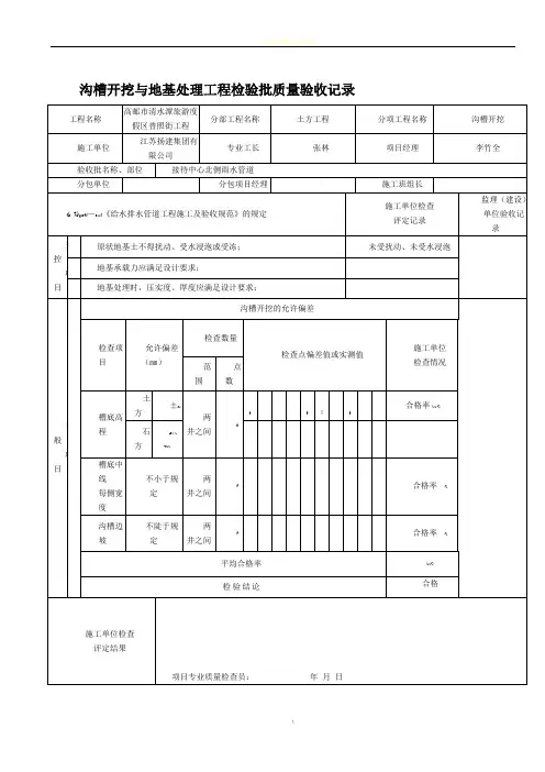
沟槽开挖与地基处理工程检验批质量验收记录
编号:
沟槽支护工程检验批质量验收记录
编号:
沟槽回填(刚性管道)工程检验批质量验收记录Ⅰ
编号:
沟槽回填(刚性管道)工程检验批质量验收记录Ⅱ
编号:
沟槽回填(柔性管道)工程检验批质量验收记录
编号
管道基础工程检验批质量验收记录
编号
钢管接口连接工程检验批质量验收记录
编号:
钢管内防腐层工程检验批质量验收记录
编号
钢管内防腐层工程检验批质量验收记录
编号:
钢管外防腐层工程检验批质量验收记录
编号:
钢管阴极保护工程检验批质量验收记录
编号:
球墨铸铁管接口连接工程检验批质量验收记录
编号:
钢筋混凝土管、预(自)应力混凝土管、预应力钢筒混凝土管接口连接工程检验批质量验收记录
编号:
化学建材管接口连接工程检验批质量验收记录
编号:
管道铺设工程检验批质量验收记录
编号:
井室工程检验批质量验收记录
编号:
雨水口及支、连管工程检验批质量验收记录
编号:
工程检验批质量验收记录
编号:
(以上未列项目执行此表格)。
表B.0.7 沟槽开挖与地基处理报审、报验表工程名称: XX水环境治理工程编号:附件:注:本表一式二份,项目监理机构、施工单位各一份。
4.6.1 沟槽开挖与地基处理分项工程质量验收记录表编号:隐蔽工程检查验收记录年月日质检表4表B.0.7 沟槽回填报审、报验表工程名称: X X水环境治理工程编号:附件:注:本表一式二份,项目监理机构、施工单位各一份。
4.6.3 沟槽回填分项工程质量验收记录表编号:工程名称分部工程名称土石方与地基处理分项工程名称沟槽回填施工单位专业工长项目经理验收批名称、部位井编号W1~W3段沟槽回填分包单位/ 分包项目经理/ 施工班组长主控项目质量验收规范规定的检查项目及验收标准施工单位检查评定记录监理(建设)单位验收记录1 回填材料符合设计要求第4.6 3.1条回填材料符合设计要求符合要求2沟槽不得带水回填,回填应密实第4.6 3.2条沟槽无带水回填,回填密实3柔性管道的变形率不得超过设计要求或本规范第4.5.13规定,管壁不得出现纵向隆起、环向扁平和其他变形情况第4.6.3.3条管道变形率符合设计要求,管壁无隆起、环向扁平和其他变形情况4刚性管道沟槽回填土压实度项目最低压实度(%)量测点(mm)符合要求重型击实标准轻型击实标准石灰土类垫层93 95 / / / / / / / / / / / / / / /合格率/沟槽在路基范围外胸腔部分管侧87 90 / / / / / / / / / / / / / / / /管顶以上500mm 85 87 / / / / / / / / / / / / / / / /其余部分≥90(轻型)或按设计要求/ / / / / / / / / / / / / / /农田或绿地范围表层500mm范围内不宜压实,预留沉降量,表面整平/ /沟槽在路基范围内胸腔部分管侧87 90 / / / / / / / / / / / / / / / /管顶以上250mm 85 87 / / / / / / / / / / / / / / / /由路槽底算起的深度范围≤800快速路及主干路95 98 / / / / / / / / / / / / / / / /次干路93 95 / / / / / / / / / / / / / / / /支路9092/ / / / / / / / / / / / / / / />800~1500快速路及主干路93 95 / / / / / / / / / / / / / / / /次干路90 92 / / / / / / / / / / / / / / / /支路87 90 / / / / / / / / / / / / / / / />1500快速路及主干路87 90 / / / / / / / / / / / / / / / /次干路87 90 / / / / / / / / / / / / / / / /支路87 90 / / / / / / / / / / / / / / / /5柔性管道沟槽回填土压实度槽内部位压实度(%)合格率管道基础管底基础≥9090 92 91 95 90 93 95 91 98 96 98 97 97 96 92 100% 管道有效支撑角≥9595 10098 95 100 97 97 98 10097 95 98 95 87%管道两侧≥95100 10097 96 99 98 99 97 100 96 96 97 99 100 97 100% 管顶以上500mm管道两侧≥9099 91 98 97 91 99 93 92 98 92 93 97 80%管道上部85±2管顶500~1000mm ≥9091 95 92 97 95 97 90 100 94 96 91 96 92 90 93%一般项目1回填应达到设计高程,表面应平整第4.6 3.5条回填达到设计高程,表面平整符合要求2回填时管道及附属构筑物无损伤、沉降、位移第4.6 3.6条回填时附近构筑物无损伤、沉降、位移施工单位检查评定结果经检查,主控项目全部合格,一般项目符合设计及施工规范要求项目专业质量检查员:年月日监理(建设)单位验收结论监理工程师(建设单位项目专业技术负责人)87 6472 70 4886年月日表B.0.7 管道基础报审、报验表工程名称: XX洋河镇洋河水环境治理工程编号:附件:注:本表一式二份,项目监理机构、施工单位各一份。
建筑给排水检验批表格Q/GDW 183—2008室内给水管道及配件安装检验批质量验收记录编号:表5.20.1单位(子单位):(填写单位名称)工程名称:(填写工程名称)分项工程名称:(填写分项工程名称)施工单位:(填写施工单位名称)施工执行标准名称及编号:(填写施工执行标准名称及编号)分包单位类别:(填写分包单位类别)序号检查项目质量标准单位分部(子分部)工程名称验收部位项目经理专业工长(施工员)分包项目经理施工单位自检记录监理(建设)单位验收记录1 生活给水系统管道冲洗和消毒生活给水系统管道在交付使用前必须冲洗和消毒,并经有关部门取样检验,符合国家GB5479方可使用。
主控项目2 给水管道水压试验给水管道水压试验各种材质的给水管道系统试验压力均为工作压力的 1.5倍,但不得小于0.6MPa。
3 给水系统通水试验给水系统交付使用前必须进行通水试验并做好记录。
4 室内直埋给水管道防腐室内直埋给水管道(塑料管道和复合管道除外)应做防腐处理。
埋地管道防腐层材质和结构应符合设计要求。
一般项目5 焊接质量焊缝外形尺寸应符合图纸和工艺文件的规定,焊缝高度不得低于金属给水管道及管母材表面,焊缝与母材应圆滑过渡。
焊缝及热件影响区表面应无裂纹、未熔合、未焊透、夹渣、弧坑和气孔等缺陷。
6 给水水平管道坡度和泄水装置给水水平管道应有2‰~5‰的坡度坡向。
给水水平管道应设置泄水装置。
7 管道的支、吊架安装管道的支、吊架安装应平整牢固、其间距应符合有关标准的规定。
8 给水管道敷设位置给水管应铺在排水管上面,若给水管必须铺在排水管下面时,给水管应加套管,其长度不得小于排水管管道径的3倍。
9 给水管与排水管的净距离和交叉敷设位置给水管与排水管的引入管与排出管水平净间距与位平行敷设,水平钢管管道纵横净距≥0.5m,室内全长25m以上≤25mm的给水管和阀门每米≤1.5mm,塑料管、复合管全长25m以上≤25mm的弯曲合管和每米5m以上的钢管、塑料管、复合管每米≤8mm,室内全长25m以上≤10mm的钢管每米≤2mm。
单位(子单位)工程质量竣工验收记录编号:单位(子单位)工程质量控制资料核查表编号:单位(子单位)工程观感质量核查表编号:单位(子单位)工程结构安全和使用功能性检测记录表编号:分部(子分部)工程质量验收记录编号:分项工程质量验收记录编号:沟槽开挖与地基处理工程检验批质量验收记录编号:沟槽支护工程检验批质量验收记录编号:沟槽回填(刚性管道)工程检验批质量验收记录Ⅰ编号:沟槽回填(刚性管道)工程检验批质量验收记录Ⅱ编号:沟槽回填(柔性管道)工程检验批质量验收记录编号管道基础工程检验批质量验收记录编号钢管接口连接工程检验批质量验收记录编号:钢管内防腐层工程检验批质量验收记录编号钢管内防腐层工程检验批质量验收记录编号:钢管外防腐层工程检验批质量验收记录编号:钢管阴极保护工程检验批质量验收记录编号:球墨铸铁管接口连接工程检验批质量验收记录编号:钢筋混凝土管、预(自)应力混凝土管、预应力钢筒混凝土管接口连接工程检验批质量验收记录编号:化学建材管接口连接工程检验批质量验收记录编号:管道铺设工程检验批质量验收记录编号:井室工程检验批质量验收记录编号:雨水口及支、连管工程检验批质量验收记录编号:工程检验批质量验收记录编号:5合格率% 6合格率%一般项目1234合格率% 5合格率% 6合格率%平均合格率%检验结论施工单位检查评定结果项目专业质量检查员:年月日监理(建设)单位验收结论监理工程师(建设单位项目专业技术负责人)年月日(以上未列项目执行此表格)。
单位(子单位)工程质量竣工验收记录编号:单位(子单位)工程质量控制资料核查表编号:单位(子单位)工程观感质量核查表编号:单位(子单位)工程结构安全和使用功能性检测记录表编号:分部(子分部)工程质量验收记录编号:分项工程质量验收记录编号:沟槽开挖与地基处理工程检验批质量验收记录编号:沟槽支护工程检验批质量验收记录编号:沟槽回填(刚性管道)工程检验批质量验收记录Ⅰ编号:沟槽回填(刚性管道)工程检验批质量验收记录Ⅱ编号:沟槽回填(柔性管道)工程检验批质量验收记录编号管道基础工程检验批质量验收记录编号钢管接口连接工程检验批质量验收记录编号:钢管内防腐层工程检验批质量验收记录编号钢管内防腐层工程检验批质量验收记录编号:钢管外防腐层工程检验批质量验收记录编号:钢管阴极保护工程检验批质量验收记录编号:球墨铸铁管接口连接工程检验批质量验收记录编号:钢筋混凝土管、预(自)应力混凝土管、预应力钢筒混凝土管接口连接工程检验批质量验收记录编号:化学建材管接口连接工程检验批质量验收记录编号:管道铺设工程检验批质量验收记录编号:井室工程检验批质量验收记录编号:雨水口及支、连管工程检验批质量验收记录编号:工程检验批质量验收记录编号:一般项目1 2 34合格率% 5合格率%6合格率%平均合格率%检验结论施工单位检查评定结果项目专业质量检查员:年月日监理(建设)单位验收结论监理工程师(建设单位项目专业技术负责人)年月日(以上未列项目执行此表格)31。
沟槽开挖与地基处理工程检验批质量验收记录
沟槽回填(柔性管道)工程检验批质量验收记录
管道基础工程检验批质量验收记录
管道铺设工程检验批质量验收记录
井室检验批质量验收记录
雨水口及支、连管工程检验批质量验收记录
编号:
井内尺寸
长、宽:
+20,0
1
1
1
5
1
1
2
1
6
1
7
1
5
1
2
1
1
1
3
合格率100%深:0,-20
-
15
-
11
-
12
-
10
-
17
-
12
-
10
-
11
-
15
-
13
合格率100%
井内支、连管管口底高
程
0,-20合格率%
平均合格率95%
检验结论合格
施工单位检查
评定结果
项目专业质量检查员:年月日监理(建设)单位
验收结论
监理工程师:
(建设单位项目专业技术负责人)年月日。
分部(子分部)工程质量验收记录编号:沟槽开挖工程检验批质量验收记录工程名称名山区百丈镇场镇基础设施项目分部工程名称土石方与地基处理分项工程名称沟槽开挖与支护施工单位长胜天建筑工程有限公司专业工长项目经理验收批名称、部位施工执行标准GB50268-2008《给水排水管道工程施工及验收规》施工班组长质量验收规的规定施工单位检查评定记录监理(建设)单位验收记录主控项目1 原状地基土不得扰动、受水浸泡或受冻;2 地基承载力应满足设计要求;3 地基处理时,压实度、厚度应满足设计要求;一般项目4沟槽开挖的允许偏差检查项目允许偏差(㎜)检查数量检查点偏差值或实测值围点数槽底高程土方±20两井之间石方+20、-200槽底中线每侧宽度不小于规定(700)两井之间沟槽边坡不陡于规定(1:0.5)两井之间共检测点,其中合格点,不合格点,合格率%施工单位检查评定结果项目专业质量检查员:项目技术负责人:年月日监理(建设)单位验收结论监理工程师(建设单位项目专业技术负责人)年月日省工程质量安全监督总站制沟槽回填(柔性管道)工程检验批质量验收记录编号:工程名称分部工程名称分项工程名称施工单位专业工长项目经理检验批名称、部位施工执行标准GB50268-2008《给水排水管道工程施工及验收规》施工班组长质量验收规的规定施工单位检查评定记录监理(建设)单位验收记录主控项目1 回填材料符合设计要求;2 沟槽不得带水回填,分层回填密实。
3柔性管道的变形率不得超出设计要求或回填至设计高程时,应在12~24h测量并记录管道变形率,管道变形率应符合设计要求;设计无要求时,变形率应不超过3%;变形率超过5%须返工。
4 回填土压实度应符合设计要求。
5 回填符合设计高程,表面平整。
6 回填时管道及附属物无损伤、沉降、位移。
一般项目4刚性管道沟槽回填土压实度检查项目压实度(%)检查数量检查点偏差值或实测值围点数管道基础管底基础90管道有效支撑角围95管顶以上500mm管道两侧95管道上部85±2管顶500~1000mm 90共检测点,其中合格点,不合格点,合格率%施工单位检查评定结果项目专业质量检查员:项目技术负责人:年月日监理(建设)单位验收结论省工程质量安全监督总站制沟槽回填(刚性管道)工程检验批质量验收记录Ⅰ编号:工程名称名山区百丈镇场镇基础设施项目分部工程名称土石方与地基处理分项工程名称沟槽回填施工单位长胜天建筑工程有限公司专业工长项目经理检验批名称、部位施工执行标准GB50268-2008《给水排水管道工程施工及验收规》施工班组长质量验收规的规定施工单位检查评定记录监理(建设)单位验收记录主控项目1 回填材料符合设计要求;2 沟槽不得带水回填,回填应密实;3 回填土压实度应符合设计或规要求。
给水排水管道工程施工及验收规范(GB50268-2008)沟槽(基坑)土方开挖检验批质量检验记录表A。
0.1编号:010001□□沟槽(基坑)支护检验批质量检验记录表 A.0.1沟槽(基坑)回填检验批质量检验记录表A。
0。
1编号:010003□□开槽施工检验批质量检验记录表A.0。
1编号:020101□□/020201□□/020301□□/020401□□钢筋混凝土管接口连接检验批质量检验记录表A。
0。
1 编号:020202□□020302□□钢筋混凝土类管道铺设检验批质量检验记录表A.0。
1编号:02020砖砌井室检验批质量检验记录表A。
0。
1编号:03000钢管接口连接检验批质量检验记录表A。
0。
1编号:020102□□021301□□金属类管道铺设检验批质量检验记录表A.0。
1编号:020103□□020303□□钢管内防护层(水泥砂浆)检验批质量检验记录表A.0。
1编号:020104钢管内防护层(环氧涂料)检验批质量检验记录表A。
0.1 编号:020104□□钢管外防护层检验批质量检验记录表A.0.1 编号:020104□□021203钢管阴极保护检验批质量检验记录表A.0。
1编号:020107□□020904□□球墨铸铁管接口连接检验批质量检验记录表 A.0.1化学建材管接口连接检验批质量检验记录号:020402□□021201□□注:1、本表由施工项目专业质量检查员填写,监理工程师(建设单位项目技术负责人)组织项目专业质量检查员等进行验收,并应按上表进行记录。
柔性管道铺设检验批质量检验记录表A。
0.1编号:020403□□灌渠基础检验批质量检验记录表A。
0.1 编号:020501□□0灌渠模板检验批质量检验记录表A。
0。
1 编号:020502□□注:1、本表由施工项目专业质量检查员填写,监理工程师(建设单位项目技术负责人)组织项目专业质量检查员等进行验收,并应按上表进行记录。
灌渠钢筋制作检验批质量检验记录表A。
单位(子单位)工程质量竣工验
收记录
编号:
单位(子单位)工程质量控制资料核查表
编号:
单位(子单位)工程观感质量核查表
编号:
单位(子单位)工程结构安全和使用功能性检测记录表
编号:
分部(子分部)工程质量验收记录
编号:
分项工程质量验收记录
编号:
沟槽开挖与地基处理工程检验批质量验收记录
编号:
沟槽支护工程检验批质量验收记录
编号:
沟槽回填(刚性管道)工程检验批质量验收记录Ⅰ
编号:
沟槽回填(刚性管道)工程检验批质量验收记录Ⅱ
编号:
沟槽回填(柔性管道)工程检验批质量验收记录
编号
管道基础工程检验批质量验收记录
编号
钢管接口连接工程检验批质量验收记录
编号:
钢管内防腐层工程检验批质量验收记录
编号
钢管内防腐层工程检验批质量验收记录
编号:
钢管外防腐层工程检验批质量验收记录
编号:
钢管阴极保护工程检验批质量验收记录
编号:
球墨铸铁管接口连接工程检验批质量验收记录
编号:
钢筋混凝土管、预(自)应力混凝土管、预应力钢筒混凝土管
接口连接工程检验批质量验收记录
编号:
化学建材管接口连接工程检验批质量验收记录
编号:
管道铺设工程检验批质量验收记录
编号:
井室工程检验批质量验收记录
编号:
雨水口及支、连管工程检验批质量验收记录
编号:
工程检验批质量验收记录
编号:
(以上未列项目执行此表格)。
单位(子单位)工程质量竣工验收记录
编号:
单位(子单位)工程质量控制资料核查表
编号:
单位(子单位)工程观感质量核查表
编号:
单位(子单位)工程结构安全和使用功能性检测记录表
编号:
分部(子分部)工程质量验收记录
编号:
分项工程质量验收记录
编号:
沟槽开挖与地基处理工程检验批质量验收记录
编号:
沟槽支护工程检验批质量验收记录
编号:
沟槽回填(刚性管道)工程检验批质量验收记录Ⅰ
编号:
沟槽回填(刚性管道)工程检验批质量验收记录Ⅱ
编号:
沟槽回填(柔性管道)工程检验批质量验收记录
编号
管道基础工程检验批质量验收记录
编号
钢管接口连接工程检验批质量验收记录
编号:
钢管防腐层工程检验批质量验收记录
编号
钢管防腐层工程检验批质量验收记录
编号:
钢管外防腐层工程检验批质量验收记录
编号:
钢管阴极保护工程检验批质量验收记录
编号:
球墨铸铁管接口连接工程检验批质量验收记录
编号:
钢筋混凝土管、预(自)应力混凝土管、预应力钢筒混凝土管接口连接工程检验批质量验收记录
编号:
化学建材管接口连接工程检验批质量验收记录
编号:
管道铺设工程检验批质量验收记录
编号:
井室工程检验批质量验收记录
编号:
雨水口及支、连管工程检验批质量验收记录
编号:
工程检验批质量验收记录
编号:
(以上未列项目执行此表格)。
单位(子单位)工程质量竣工验收记录
编号:
单位(子单位)工程质量控制资料核查表
编号:
单位(子单位)工程观感质量核查表
编号:
单位(子单位)工程结构安全和使用功能性检测记录表
编号:
分部(子分部)工程质量验收记录
编号:
分项工程质量验收记录
编号:
沟槽开挖与地基处理工程检验批质量验收记录
编号:
沟槽支护工程检验批质量验收记录
编号:
编号:
编号:
沟槽回填(柔性管道)工程检验批质量验收记录
编号
管道基础工程检验批质量验收记录
编号
编号:
编号
钢管防腐层工程检验批质量验收记录
编号:
钢管外防腐层工程检验批质量验收记录
编号:
钢管阴极保护工程检验批质量验收记录
编号:
球墨铸铁管接口连接工程检验批质量验收记录
编号:
钢筋混凝土管、预(自)应力混凝土管、预应力钢筒混凝土管接口连接工程检验批质量验收记录
编号:
化学建材管接口连接工程检验批质量验收记录
编号:
管道铺设工程检验批质量验收记录
编号:
井室工程检验批质量验收记录
编号:
雨水口及支、连管工程检验批质量验收记录
编号:
工程检验批质量验收记录
编号:
(以上未列项目执行此表格)。