塔吊基础验收确认单
- 格式:wps
- 大小:17.00 KB
- 文档页数:1
LJA-C9-6-1
塔机基础验收表
砼试验报告。
LJA-C9-6-2 塔式起重机安装自检表
塔式起重机安装自检表续表1
2 表中打“—”的表示该处不必填写,而只需在相应“备注”中说明即可;
3 对于不符合要求的项目应在备注栏具体说明,对于要求量化的参数应按规定量化在备注栏内;
4 表中d表示钢丝绳公称直径;
5 钢丝绳磨损量=【(公称直径—实测直径)/公称直径】x100%。
LJA-C9-6-3 塔式起重机安装验收表
LJA-C9-6-4塔式起重机运行、交接班记录
试车检查记录
交接班记录
2、严禁超载和违法操作规程。
3、经试车存在有不安全因素,应立即停车维修,严禁设备带病作业。
4、交接班时,必须由交班司机和接班司机分别签字,严禁代签。
5、交接时间准确。
LJA-C9-6-5塔式起重机每月检查表。
表B42 塔式起重机基础验收单
编号:
工程名称白山市宏泰花园住宅小区17#楼
施工单位白山昌泰建工集团有限公司
塔机编号吉F-YT00135 塔机型号QTZ63 生产厂家中联重科股份有限公司安装单位白山昌泰建工集团有限公司验收日期 2015年 5 月 9 日
序号内容
验收结果
(合格√、不合格×)
备注
1 基础承载力、隐蔽资料齐全
2 基础混凝土强度报告
3 基础表面平整度符合说明书要求
4 预埋锚栓标高(顶部)允差、中心距允差、符合说明书要求
5 基础尺寸(长×宽×厚)mm
6 基础排水措施
7 基础周边与架空输电线安全距离
8 防雷接地、及电器重复接地
9 基础地下有无暗沟、孔洞(附勘探资料)
安装单位:
现场负责人(签字):
年月日基础施工单位:
技术负责人(签字):
年月日
总包单位:
项目技术负责人(签字):
项目安全员(签字):
项目负责人(签字):
年月日监理单位:
监理工程师(安全)(签字):
总监理工程师(签字):
年月日
注:本表由施工单位技术员填写。
塔式起重机基础查收表
工程名称工程地点
使用单位安装单位
设施型号存案登记号
序号检查项目检查结论(合格√不合格×)备注1地基承载力
2基础尺寸误差(长×宽×厚)( mm)
3基础混凝土强度报告
4基础表面平坦度
5基础顶部标高误差( mm)
6预埋螺栓、预埋件地点误差( mm)
7基础周边排水举措
8基础周边与架空输电线安全距离
其余需说明的内容:(含基础形式、履行依照)
总承包单位参加人员署名
使用单位参加人员署名
安装单位参加人员署名
监理单位参加人员署名
查收结论:
施工项目部(盖印)
年月日。
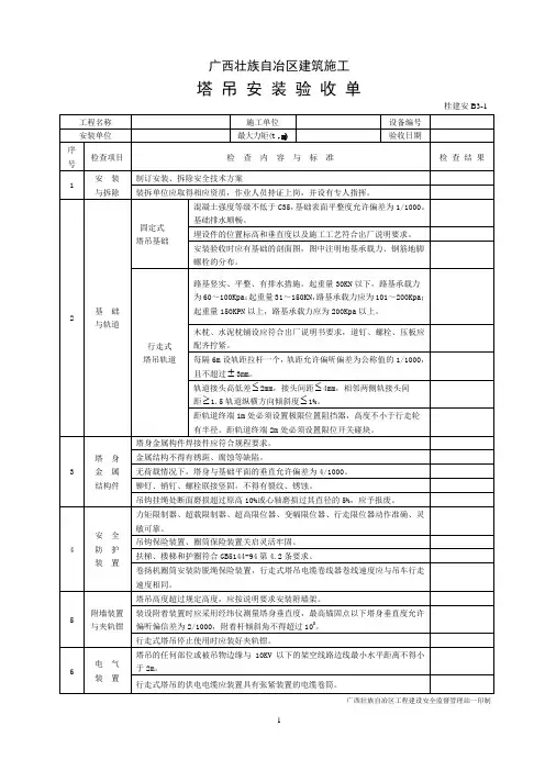
广西壮族自冶区建筑施工
塔吊安装验收单
桂建安B3-1
广西壮族自冶区工程建设安全监督管理站一印制
注:检验结果尽量填写量化数字,没有量化指标的填写“合格”或“不合格”。
附:
GB5144-94第4.2条
4.2.2 设置与水平面是呈75。
~90。
之间的梯子称之直立梯。
直立梯应满足下列条件:
a. 直立梯两撑杆间宽度不小于300mm;
b. 梯级间隔为25~300mm;
c. 直立梯踏杆与后面主结构腹杆间的距离不小于160mm;
d. 踏杆直径不小于16mm;
4.2.3 不允许在与水平呈65。
~75。
之间设置梯梯子。
4.2.4 高于地面2m以上的直立梯应设置护圈,护圈应小路下列条件:
a. 护圈最小直径为650 mm;
b. 护圈间距为700 500 mm;
c. 护圈侧面应用三条沿护圈四周方向均布的板条连接;
d. 对于护圈其任一点都应能承受1000N的集中载荷。
当梯子设于起重机结构内部时,梯子与结构间的距离小于1.2m,则可不设护圈。
GB5144-94第10.5条
两台起重机之间的最小架设距离应保证处于低位的起重机的臂架端部与另一台起重机的塔身之间到少有2Mr 距离。
处于高位起机的最低位置的部件(吊钩升至最高点或最高位置的平衡重)与低位起重机中处于最高位置部件之间的垂直距离不得小于2m。
广西壮族自治区工程建设安全监督管理站统一印制
塔吊安全检查记录表
年月日
固定式塔吊基础验收单
塔机垂直度测量记录。
塔吊基础验收记录表一、项目基本信息项目名称:XXXX工程项目项目地点:XXXX市XXXX区施工单位:XXXX建筑工程有限公司监理单位:XXXX监理有限公司验收日期:XXXX年XX月XX日二、验收内容1. 基础施工过程1.1 基础开挖根据设计要求,施工单位对塔吊基础进行开挖工作。
开挖深度符合设计要求,未发现异常情况。
1.2 基础清理施工单位对基础进行清理,确保基础底面平整、无积水、无杂物。
1.3 钢筋绑扎按照设计图纸要求,在基础内设置钢筋骨架,并进行牢固的绑扎,钢筋间距符合设计要求,连接牢固。
1.4 混凝土浇筑施工单位在钢筋绑扎完成后,进行混凝土浇筑。
混凝土配合比符合设计要求,浇筑过程中无渗漏、无裂缝。
1.5 基础养护施工单位对新浇筑的混凝土基础进行养护,确保混凝土强度达到设计要求。
2. 基础验收结果经现场验收,本次塔吊基础施工符合相关规范和设计要求,基础结构牢固,无明显缺陷和安全隐患,验收合格。
三、存在问题及处理意见1. 钢筋绑扎过程中发现部分钢筋未按设计要求绑扎,施工单位已对问题进行整改,并重新绑扎钢筋,确保符合设计要求。
2. 在混凝土浇筑过程中,发现有少量浇筑不均匀的情况,施工单位已进行了补救措施,保证了混凝土的质量。
3. 在基础养护过程中,施工单位未按要求进行养护时间和方式,监理单位已提出整改意见,施工单位将重新进行基础养护,确保基础强度达到设计要求。
四、验收结论经过基础施工的验收,本次塔吊基础符合设计要求和相关规范,满足安全使用的要求。
施工单位在整个施工过程中与监理单位密切合作,及时处理存在的问题,保证了基础施工的顺利进行。
监理单位对施工单位的整改措施进行了监督和验收,确保了基础的质量和安全性。
五、其它1. 基础验收记录表中的内容仅涵盖了基础施工的主要过程和问题处理,具体的施工细节和资料可在监理单位处查阅。
2. 基础验收记录表作为本工程的重要文件,将保存在工程档案中,以备后续工程验收和维护时参考。