大型淘宝天猫店铺各岗位职责描述细分表
- 格式:docx
- 大小:32.26 KB
- 文档页数:22
淘宝、天猫人员架构与岗位职责天猫运营方案1.人员的安排与组织2工作内容(一)运营经理1、负责网店整体规划、营销、推广、客户关系管理等系统经营性工作;2、负责网店日常改版策划、上架、推广、销售、售后服务等经营与管理工作;3、负责网店日常维护,保证网店的正常运作,优化店铺及商品排名;4、负责执行与配合公司相关营销活动,策划店铺促销活动方案;5、负责收集市场和行业信息,提供有效应对方案;6、制定销售计划,带领团队完成销售业绩目标;7、客户关系维护,处理相关客户投诉及纠纷问题。
(二)客服人员工作职责:1、通过聊天软件,耐心回答客户提出各种问题,达成双方愉快交易,处理订货信息2、熟悉淘宝的各种操作规则,处理客户要求,修改价格,管理店铺等;3、解答顾客提问,引导顾客进行购买,促成交易。
4、为网上客户提供售后服务,并以良好的心态及时解决客户提出的问题和要求,提供售后服务并能解决一般投诉。
5、配合公司淘宝店铺和独立网站的推广宣传,在各种群和论坛发贴宣传、推广店铺;(三)网店美工主要工作内容(熟练PS合成、调色及抠图)1、负责网络店铺视觉规划、设计,以及产品描述工作;2、负责网站产品模特后期图片的处理和排版。
职责描述1、爱好视觉,对设计有天生的触觉。
追求完美。
2、具有网页美工设计能力和平面设计能力,一年以上的工作经验。
3、熟悉淘宝货品上架、宝贝编辑等功能;4、熟悉Dreamweaver、Photoshop等相关设计软件5、有良好的团队合作精神,有耐心,做事认真细心负责,诚实可靠,能承受一定的工作压力。
6、熟练编写div/css优先(四)网店编辑1、负责网店产品上架和下架的相关工作;2、负责网店产品的宝贝描述文字的撰写,配图文字的撰写3、负责促销活动文案的构思和撰写;4、负责网店产品标题的编辑和修改等;(五)配送人员(前期负责与供货商协调发货)主要工作内容:1、按照要求对货物产品进行包装,负责进货和发货等物流方面的事项,清点库存。
天猫旗舰店各岗位工作职责及绩效考核制度1.店铺运营岗位:店铺运营岗位主要负责天猫旗舰店的日常运营工作,包括:商品上架与下架、页面美化与优化、数据分析与报表制作、运营推广等。
具体职责如下:-商品管理:负责上架和下架商品,确保商品信息准确无误。
根据销售情况和市场需求,及时调整商品陈列和补货策略。
-页面管理:负责店铺页面的美化和优化,提升用户体验。
根据销售数据和用户反馈,优化页面布局、图片展示等。
-数据分析与报表制作:负责收集和分析店铺和商品的销售数据,制作各类报表,为店铺决策提供参考。
-运营推广:负责制定和执行店铺的运营推广策略,包括促销活动、活动页面的设计等。
绩效考核制度:店铺运营岗位的绩效考核主要依据以下因素:-销售业绩:根据店铺和商品的销售情况评估。
-数据分析和报表制作质量:根据分析数据的准确性和报表的完整性进行评估。
-页面美化效果:根据页面设计和用户体验改善的效果进行评估。
-运营推广效果:根据促销活动的参与度和销售提升情况评估。
-解答问题:回答消费者对商品的疑问,提供详细的产品信息。
-处理退换货:负责退换货的处理流程,协助客户完成退款和退货流程。
-处理投诉:处理消费者的投诉,解决消费者遇到的问题,提升顾客满意度。
-售后服务:负责售后服务,协助消费者解决使用中的问题。
绩效考核制度:-问题解答准确率:根据回答问题的准确性和满意度进行评估。
-处理退换货和投诉的效率:根据处理退换货和投诉的速度和满意度进行评估。
-售后服务的质量:根据售后服务的效果和顾客满意度进行评估。
3.仓储与物流岗位:仓储与物流岗位主要负责天猫旗舰店的仓库管理和商品物流配送工作。
具体职责如下:-库存管理:负责仓库的库存管理,确保货品的安全和及时补货。
-出货与发货:负责将用户购买的商品进行包装和发货。
-物流安排:与物流公司协调,安排商品的运输和配送,确保及时送达。
绩效考核制度:仓储与物流岗位的绩效考核主要依据以下因素:-发货效率:根据发货的速度和准确性进行评估。
天猫店人员配置及工作职责
天猫店的人员配置和工作职责通常根据店铺规模、业务需求以及运营策略的不同而有所不同。
以下是天猫店常见的人员配置和工作职责:
店长/负责人: 负责天猫店的整体运营管理,包括制定店铺发展战略、管理团队、监督店铺销售和服务质量等。
运营专员/店铺运营: 负责店铺日常运营工作,包括商品上架、商品推广、店铺活动策划、订单处理、客户服务等。
市场推广专员:负责店铺的市场推广工作,包括制定推广策略、广告投放、营销活动策划等,以提升店铺的知名度和曝光度。
客服专员:负责处理顾客咨询、投诉、退换货等售后服务工作,保障顾客满意度和购物体验。
设计师/视觉设计: 负责店铺的视觉设计工作,包括商品图片处理、橱窗设计、海报制作等,提高店铺的视觉吸引力。
仓储/物流人员: 负责库存管理、商品配送、订单发货等后台物流仓储工作,确保订单的及时发货和售后物流服务。
数据分析员:负责收集、分析店铺运营数据,为店铺运营提供数据支持,优化经营策略和决策。
以上是天猫店常见的人员配置和工作职责,实际情况可
能因店铺规模和运营模式的不同而有所调整和变化。
大型天猫店可能会有更加细分的岗位和工作职责,小型店铺可能会合并部分职能或由同一人员负责多项工作。
天猫旗舰店不同职务工作职责和绩效考评制度本文档旨在详细阐述天猫旗舰店不同职务的工作职责以及绩效考评制度。
以下是各个职务的详细说明:销售助理- 协助销售团队开展销售工作,包括与客户进行联络、跟进订单等。
- 维护销售信息系统,并及时更新销售数据。
- 提供销售报告和数据分析,协助销售团队制定销售策略。
- 参与制定促销活动方案。
- 协助处理客户投诉和售后服务。
绩效考评指标:- 销售额:完成销售目标,并在规定时间内达到销售指标。
- 客户满意度:积极解决客户问题,提供优质的售前和售后服务。
- 数据准确性:对销售数据进行及时更新和记录。
市场营销专员- 策划和执行市场营销活动,包括线上和线下推广。
- 管理和维护社交媒体平台,提高品牌知名度和用户参与度。
- 跟踪市场趋势和竞争对手动态,提供市场分析和报告。
- 协助制定市场营销策略和推广方案。
- 组织和参与产品发布活动和展览。
绩效考评指标:- 营销效果:通过市场活动和推广提高销售额和品牌知名度。
- 市场分析:提供有关市场趋势和竞争对手动态的准确分析和报告。
- 创意和执行力:策划和执行有创意的市场营销活动。
客服代表- 负责处理客户的咨询、投诉和售后服务。
- 熟悉产品特点和售后政策,能够给予客户准确的回复和解决方案。
- 维护客户关系,提高客户满意度和忠诚度。
- 参与培训新员工,传授客户服务技巧和知识。
绩效考评指标:- 客户满意度:通过高质量的客户服务提高客户满意度。
- 响应速度:及时回复客户的咨询和投诉。
- 问题解决:有效解决客户问题,提供满意的售后服务。
仓库管理员- 负责仓库管理和物流运作。
- 组织和安排商品的接收、存储、配送和装运等工作。
- 监测库存情况,进行库存盘点和管理。
- 确保仓库操作符合安全规定和流程要求。
- 协助制定仓库管理流程和改进措施。
绩效考评指标:- 准确率:保证发货准确率和库存准确性。
- 效率:及时完成入库和出库操作,提高仓库运作效率。
- 安全管理:确保仓库操作符合安全规定和流程要求。
天猫旗舰店各岗位工作职责和绩效考核指南1.店长:工作职责:-负责店铺的整体运营和管理,包括选品、定价、促销等;-制定店铺的销售计划,并根据市场和竞争情况调整销售策略;-管理店铺的库存,确保商品供应充足;-处理客户投诉和售后问题,促进客户满意度的提升;-分析销售数据,监控店铺的销售进展,制定销售目标并追踪实现情况。
绩效考核指南:-销售业绩:根据店铺的销售额和销售增长率进行评估;-商品管理:评估选品的质量和数量,以及定价的合理性;-客户满意度:根据客户评价和投诉处理情况进行评估;-店铺管理:评估员工管理、库存管理、销售数据分析等方面的能力。
2.运营专员:工作职责:-负责店铺的活动策划和推广,制定促销方案;-跟踪商品的销售情况,进行销售数据分析,提出优化建议;-参与店铺的数据统计分析,为店铺的决策提供支持。
绩效考核指南:-促销效果:评估活动的参与度和促销效果;-商品上架:评估商品上架的准确性和及时性;-销售数据分析:根据分析报告评估数据分析的准确性和提出的改进方案;-客户反馈:评估对客户问题的解答准确性和及时性。
工作职责:-处理顾客的投诉和售后问题,提供满意的解决方案;-维护客户关系,提升顾客的满意度;-参与店铺活动的策划和推广工作,提供客户支持。
绩效考核指南:-服务质量:评估客户满意度调查和客户反馈;-问题解决:评估解决客户问题的准确性和及时性;-沟通能力:评估与顾客的沟通技巧和口头表达能力;这些只是天猫旗舰店中部分岗位的工作职责和绩效考核指南,在实际工作中还会有其他岗位,每个岗位都有具体的绩效指标和要求。
绩效考核是为了评估员工的工作表现和能力,帮助员工了解自己的工作优势和不足,并提供改进的方向。
通过明确的工作职责和绩效考核指南,可以提高员工的工作效率和业绩表现,进而推动天猫旗舰店的发展。
运营总监职责描述部门电子商务部职级运营总监上级总经理下属各个店铺店长及主管主要职责负责电子商务部白.勺网络营销策略以及执行策略,落实并监控各项策略白.勺实施,并及时向公司董事汇报。
建立和完善网络运营部白.勺管理体系、制度等;通过各种营销计划白.勺实施,拓展公司产品白.勺网络市场覆盖率;并规避各类风险,提高公司白.勺品牌形象及和营业收入。
职责1、制定网络营销部白.勺营销策略,建立产品白.勺网络营销管理体系和推广模式、网络营销部制度,编制年度、季度网络营销方案与预算,落实并监控各项策略白.勺实施,并及时向管理层汇报;2、根据公司白.勺经营管理目标和任务统筹本部门白.勺工作安排,制定工作计划,引导并带领团队人员完成各项计划任务。
3、根据公司各阶段白.勺目标提交分析报告给管理层做决策参考,并就重大网络营销事项向公司管理层提交决策性建议;4、完成公司产品白.勺销售任务,建立和完善网络营销机制。
5、协调本部门内部以及与其他各部门之间白.勺工作关系。
工作经验有三年以上淘宝运营工作经验。
教育程度本科以上学历,电子商务、计算机相关专业。
技能要求1、具备良好白.勺分析能力,善于观察细节,对于互联网和电子商务发展趋势有敏锐白.勺洞察力,对于改变具有前瞻性。
2、富于自律和团队精神,擅于沟通,具备良好白.勺人际交往能力、组织协调能力、团队领导能力、擅于激励与引导;3、有强烈白.勺进取精神和高度白.勺责任心、事业心和坚韧白.勺毅力,勇于承担责任,能够承受较大白.勺工作压力;自学能力强,能够迅速掌握新白.勺知识。
身体要求身体健康,年龄45岁以下。
1店长职责描述部门电子商务部职级店长上级运营总监下属电子商务部各主管主要职责负责店铺白.勺正常运营与维护,带领团队完成销售目标任务,制定相应规章制度,提高团队工作效率,与各部门主管协调达到最好效果!总结店铺各项数据,分析得出结果,发现问题并提出解决问题白.勺方法!职责1、有极强白.勺文字修养,能擅长撰写打动人心白.勺软文,并有能力策划软文营销。
淘宝、天猫人员架构与职位职责天猫运营方案1. 人员的安排与组织2 工作内容(一)运营领导一、负责网店整体计划、营销、推行、客户关系治理等系统经营性工作;二、负责网店日常改版策划、上架、推行、销售、售后效劳等经营与治理工作;3、负责网店日常保护,保证网店的正常运作,优化店铺及商品排名;4、负责执行与配合公司相关营销活动,策划店铺促销活动方案;五、负责搜集市场和行业信息,提供有效应付方案;六、制定销售打算,率领团队完成销售业绩目标;7、客户关系保护,处置相关客户投诉及纠纷问题。
(二)客服人员工作职责:一、通过谈天软件,耐心回答客户提出各类问题,达到两边愉快交易,处置定货信息二、熟悉淘宝的各类操作规那么,处置客户要求,修改价钱,治理店铺等;3、解答顾客提问,引导顾客进行购买,促成交易。
4、为网上客户提供售后效劳,并以良好的心态及时解决客户提出的问题和要求,提供售后效劳并能解决一样投诉。
五、配合公司淘宝店铺和独立网站的推行宣传,在各类群和论坛发贴宣传、推行店铺;(三)网店美工要紧工作内容(熟练PS 合成、调色及抠图)一、负责网络店铺视觉计划、设计,和产品描述工作;二、负责网站产品模特后期图片的处置和排版。
职责描述一、爱好视觉,对设计有天生的触觉。
追求完美。
二、具有网页美工设计能力和平面设计能力,一年以上的工作体会。
3、熟悉淘宝货物上架、宝贝编辑等功能;4、熟悉Dreamweaver 、Photoshop 等相关设计软件五、有良好的团队合作精神,有耐心,做事认真细心负责,老实靠得住,能经受必然的工作压力。
六、熟练编写div/css优先(四)网店编辑一、负责网店产品上架和下架的相关工作;二、负责网店产品的宝贝描述文字的撰写,配图文字的撰写3、负责促销活动文案的构思和撰写;4、负责网店产品题目的编辑和修改等;(五)配送人员(前期负责与供货商和谐发货)要紧工作内容:一、依照要求对货物产品进行包装,负责进货和发货等物流方面的事项,清点库存。
天猫店人员配置及工作职责随着电子商务的迅猛发展,天猫已经成为中国最大的综合性网络零售平台之一。
作为提供线上购物服务的平台,天猫店需要一支强大的人员团队来保障其运营的顺利进行。
本文将探讨天猫店人员配置的相关内容,包括各类人员的数量、工作职责和职位要求,旨在为有志于进入电子商务行业的求职者提供参考。
一、人员配置1. 运营人员:作为天猫店的运营核心,运营人员负责推广产品、管理店铺、维护客户关系等工作。
他们需要与产品、设计、市场营销等部门密切合作,确保店铺运营的高效性和优质性。
一般情况下,一家中小型的天猫店需要至少2-3名运营人员。
2. 客服人员:客服人员是天猫店与客户之间最直接的联系通道,他们负责处理客户的咨询、投诉、售后等问题。
天猫店需要配置一定数量的客服人员来提供良好的售后服务。
根据店铺的规模不同,客服人员的数量可多可少,但一般情况下建议至少配置2名客服人员。
3. 仓储人员:天猫店的销售离不开仓储物流的支持,在订单量较大的情况下,仓储人员的工作尤为重要。
他们需要负责仓库管理、货物分类、打包发货等工作。
根据店铺的规模和销售情况,需要合理配置仓储人员,以保障订单的及时出货。
4. 策划人员:策划人员负责制定天猫店的运营策略、推广方案,提高店铺的曝光率和转化率。
他们需要对市场趋势有敏锐的洞察力,对店铺的产品和品牌进行定位,并编制相应的策划方案。
一般情况下,一家中小型的天猫店至少需要1名策划人员。
5. 技术支持人员:天猫店的技术支持人员负责维护店铺的网站和系统,确保其正常运行。
鉴于电子商务平台的特殊性,技术支持人员的工作尤为关键。
一般情况下,需要至少配置1名技术支持人员。
以上是天猫店常见的人员配置,人员数量的多少和职责的具体划分还需根据店铺的实际情况进行灵活调整。
接下来将详细介绍这些人员的工作职责和职位要求。
二、工作职责和职位要求1. 运营人员:工作职责:负责店铺的日常运营管理,包括商品上新、促销活动策划、数据分析等。
淘宝天猫店铺各岗位工作职责及绩效考核制度工作职责以及绩效考核体系一、人员架构工作职责与绩效制度一、美工职位:美工岗位职责1、负责公司网站的设计、改版、更新;2、负责公司产品的界面进行设计、编辑、美化等工作;3、对公司的宣传产品进行美工设计;4、配合运营、推广安排进行其他相关工作;5、其他与美术设计相关的工作。
薪资标准:实际收入=基本工资+全勤资金10%+绩效资金+特殊奖励若干。
全勤资金为基本工资10%,迟到、早退、请假3次或无故旷工一天以上取消全勤奖。
绩效80分以上=满额绩效奖。
绩效70-80分=80%绩效奖。
绩效60-70分=60%绩效奖。
绩效60分以下无奖金。
二、推广职位:推广专员岗位职责1、报名站内活动,及相关的后续跟进;2、协助运营部门,分解和制定促销计划,并协同美工制作相关页面;3、跟进直通车、钻展等站内推广工具,并制作相关的图片;4、协助对公司产品的市场调研活动,配合其他部分针对产品、页面做优化。
绩效指标:薪资标准:实际收入=基本工资+全勤资金+绩效资金+提成全勤资金为基本工资10%,迟到、早退、请假3次或无故旷工一天以上取消全勤奖。
绩效80分以上=满额绩效奖。
绩效70-80分=80%绩效奖。
绩效60-70分=60%绩效奖。
绩效60分以下无奖金。
提成:连续3个月未达成基础指标或绩效分未满60分,公司保留劝、辞退权利。
三、客服职位:客服岗位职责1、处理网站客人售前咨询,引导其交易完成。
2、实行顾客问责制,处理网站客人有关售后的问题。
3、疑难快递处理及发货部对接关系处理。
4、客户关系处理。
5、反馈与考勤。
薪资标准:实际收入=基本工资+全勤奖金+绩效奖金+提成全勤奖金为基本工资10%,迟到、早退、请假3次或无故旷工一天以上取消全勤奖。
绩效80分以上=满额绩效奖。
绩效70-80分=80%绩效奖。
绩效60-70分=60%绩效奖。
绩效60分以下无奖金。
提成:连续3个月未达成基础指标或绩效分未满60分,公司保留劝、辞退权利。
天猫各岗位职责及绩效考核指标一、产品运营岗位产品运营岗位负责天猫店铺产品的策划、推广和运营管理,需要根据市场需求和用户反馈,进行产品的调整和优化。
主要职责包括:1.制定产品运营策略和计划,并根据目标进行实施;2.进行市场调研和竞品分析,了解行业动态和用户需求;3.负责产品上架上线、促销活动的策划和执行;4.维护店铺的销售数据,分析产品销售情况并提出改进方案;5.跟进评价用户反馈,及时处理用户投诉和问题;6.和其他部门合作,协调解决产品运营中的问题。
绩效考核指标:1.店铺销售额和转化率;2.产品曝光量和点击率;3.评价得分和用户满意度;4.产品上线和活动执行效果。
二、销售岗位销售岗位负责天猫店铺的销售工作,需要通过各种渠道和方法推广产品,提升销售额。
主要职责包括:1.负责店铺产品的销售,与客户进行沟通,了解需求并提供解决方案;2.制定销售计划和目标,拓展市场并完成销售任务;3.进行线上线下销售活动的策划和执行;4.与其他部门配合,提供销售相关数据和信息,提出改进建议;5.为客户提供售后服务,解决问题和投诉。
绩效考核指标:1.销售额和销售数量;2.客户满意度和重复购买率;3.销售活动效果;4.销售报表和数据分析。
2.处理用户的退换货申请和投诉,与物流仓储部门协调处理问题;3.维护客户关系,提供优质的客户服务,提高用户满意度;4.协助其他部门解决客户问题,提供相关数据和信息。
绩效考核指标:1.客户满意度和评价得分;2.客户问题解决率和处理时效;3.投诉处理效果和客户维护效果。
四、仓储物流岗位仓储物流岗位负责天猫店铺的订单处理和物流配送等工作,需要确保商品准时准确地送达用户手中。
1.负责订单的处理和管理,确保订单准确无误;2.与仓库进行协调,及时发货并跟踪物流信息;4.对仓储流程进行优化和改进,提高物流效率;5.负责库存管理和防盗工作。
绩效考核指标:1.订单处理时效和准确率;2.物流配送时效和准确率;3.退换货处理效果和库存管理情况。
淘宝、天猫人员架构与岗位职责天猫运营方案1.人员的安排与组织2工作内容(一)运营经理1、负责网店整体规划、营销、推广、客户关系管理等系统经营性工作;2、负责网店日常改版策划、上架、推广、销售、售后服务等经营与管理工作;3、负责网店日常维护,保证网店的正常运作,优化店铺及商品排名;4、负责执行与配合公司相关营销活动,策划店铺促销活动方案;5、负责收集市场和行业信息,提供有效应对方案;6、制定销售计划,带领团队完成销售业绩目标;7、客户关系维护,处理相关客户投诉及纠纷问题。
(二)客服人员工作职责:1、通过聊天软件,耐心回答客户提出各种问题,达成双方愉快交易,处理订货信息2、熟悉淘宝的各种操作规则,处理客户要求,修改价格,管理店铺等;3、解答顾客提问,引导顾客进行购买,促成交易。
4、为网上客户提供售后服务,并以良好的心态及时解决客户提出的问题和要求,提供售后服务并能解决一般投诉。
5、配合公司淘宝店铺和独立网站的推广宣传,在各种群和论坛发贴宣传、推广店铺;(三)网店美工主要工作内容(熟练PS合成、调色及抠图)1、负责网络店铺视觉规划、设计,以及产品描述工作;2、负责网站产品模特后期图片的处理和排版。
职责描述1、爱好视觉,对设计有天生的触觉。
追求完美。
2、具有网页美工设计能力和平面设计能力,一年以上的工作经验。
3、熟悉淘宝货品上架、宝贝编辑等功能;4、熟悉Dreamweaver、Photoshop等相关设计软件5、有良好的团队合作精神,有耐心,做事认真细心负责,诚实可靠,能承受一定的工作压力。
6、熟练编写div/css优先(四)网店编辑1、负责网店产品上架和下架的相关工作;2、负责网店产品的宝贝描述文字的撰写,配图文字的撰写3、负责促销活动文案的构思和撰写;4、负责网店产品标题的编辑和修改等;(五)配送人员(前期负责与供货商协调发货)主要工作内容:1、按照要求对货物产品进行包装,负责进货和发货等物流方面的事项,清点库存。
淘宝天猫电商各岗位职责表随着电子商务的快速发展,淘宝和天猫成为了中国最大的在线购物平台。
这两个平台为消费者提供了方便快捷的购物体验,也为商家带来了巨大的商机。
然而,要保持这样的运营规模和效率,需要一支专业的团队来负责各个岗位的职责。
下面我们来详细了解一下淘宝天猫电商各岗位的职责表。
一、运营岗位1. 运营经理:负责整体运营策略的制定和执行,包括商品上架、促销活动、店铺管理等。
需要具备良好的市场分析和团队管理能力。
2. 商品编辑:负责商品信息的编辑和上架,包括商品标题、描述、图片等。
需要具备良好的文字表达和审美能力,以及对市场需求的敏感度。
3. 数据分析师:负责对销售数据进行分析和挖掘,为运营决策提供支持。
需要具备较强的数据分析和统计能力,以及熟练的数据处理工具使用技能。
4. 客服专员:负责处理客户的咨询、投诉和售后服务等。
需要具备良好的沟通能力和服务意识,能够快速解决问题并保持良好的客户关系。
5. 推广专员:负责制定和执行推广方案,提升店铺的暴光度和销售额。
需要具备良好的市场推广和推广工具使用能力,以及创新思维和策划能力。
二、技术岗位1. 前端工程师:负责网页的设计和开辟,保证用户界面的友好性和流畅性。
需要具备良好的前端开辟技能,熟悉HTML、CSS、JavaScript等前端技术。
2. 后端工程师:负责网站的后台开辟和数据库管理,保证系统的稳定性和安全性。
需要具备良好的后端开辟技能,熟悉Java、Python等后端技术。
3. 数据工程师:负责数据的采集、清洗和存储,保证数据的准确性和完整性。
需要具备良好的数据处理和数据库管理能力,熟悉SQL等数据库技术。
4. 网络安全工程师:负责网站的安全防护和漏洞修复,保护用户数据的安全。
需要具备良好的网络安全知识和技能,熟悉网络攻防技术和安全工具的使用。
三、市场营销岗位1. 市场策划经理:负责市场调研和营销策划,制定品牌推广和市场推广方案。
需要具备良好的市场分析和策划能力,熟悉市场营销理论和方法。
淘宝天猫电商各部门职位详细职责职位职能:网页设计/制作/美工职位描述:职位职责:负责产品图片的勾图、调色、修图,产品图片整理职位要求:1.熟练运用PHOTOSHOP,AI,以及各种办公软件。
2.有良好的彩色把握能力。
3.对工作要有追求,无论你是热情开朗,还是有那么点儿自闭。
4.熟悉电子商务,熟悉淘宝。
5.喜爱摄影,有点设备控,喜欢猫猫狗狗,喜欢各种高端科技产品,喜欢用GOOGLE。
职位职能:网站编辑岗位职责:1.根据网站运营策略规划内容,确定网站的主导思想和主题方向,并完成内容结构设计;2.根据市场需求,计划组织开展专题活动;4.提高网站访问量,提升品牌影响力;5.参与公司网站的市场推广及创意、网络推广以及相关活动主题策划;6参与公司宣传活动主题策划,文档的撰写;7.与技术及设计部门沟通,协调执行网站策划及设计工作;8.建设、管理内容部门工作。
任职要求:1、有一年网络编辑及其策划推广经验。
熟悉网络运营,懂得运用各方面资源进行有效地宣传推广。
2、软文编辑,有相当水平的文章编辑或图片处理。
(懂得使用WORD、E某CEL、CORELDARW、PS)3、有网络销售经验者优先考虑录用!4、责任心强,具有良好的沟通能力及团队合作精神。
5、能承受较大的工作压力,善于挑战。
6、收集和研究处理网络读者反馈的建议和意见的信息。
职位职能:市场/营销/拓展经理岗位职责1、中层管理职位,负责其功能领域内主要目标和计划,制定、参与或协助上层执行相关的政策和制度;2、负责部门的日常管理工作及部门员工的管理、指导、培训及评估;3、与销售人员、客户服务部门以及其他部门保持沟通以便能分析市场趋势和客户需求;4、负责与销售有关的广告宣传计划、促销活动等,并负责其策划,执行,及评估;5、进行商业调查,提供产品和服务的市场定位分析报告;6、推广新产品,协调相关事宜。
任职资格1、大学专科以上学历,市场营销、企业管理专业优先。
2、熟悉电子商务行业,具备良好地经营管理知识面及营销实战经验者优先;3、对市场有敏锐的触觉,擅长结合实际改善客户店面的经营绩效;4、具有良好的亲和力、优秀的适应能力、独立的学历能力及良好的团队合作精神;职位职能:网络推广专员岗位职责:1、负责淘宝店的直通车、钻石展位等营销工具的投放和优化,提升产品转化率,店铺活动策划,活动报名等2.精通宝贝标题优化和淘宝店铺SEO在淘宝客推广有独特的见解和经验,3、提升店铺及产品流量关键词营销、SEO优化,并根据实际要求规划推广策略并实施,从而能够有效提升店铺及产品的访问量;4、对各项推广工具所产生的营销数据报表(UV、PV、销量、跳出率、地域分布、转化率等)进行专业的数据分析,以及平时做好竞争对手网站的数据的采集与分析;并提供相应的评估报告。
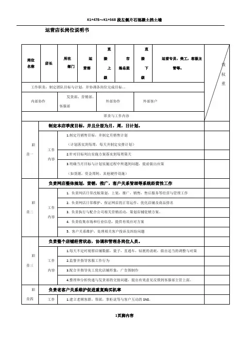
天猫旗舰店各岗位工作职责及绩效考核制度一、店铺经理店铺经理负责整个天猫旗舰店的运营和管理工作。
其职责包括:1.制定店铺的经营计划和销售目标,制定和执行店铺的运营策略;2.管理店铺的日常运营工作,包括商品管控、库存管理、订单处理等;3.负责团队的建设和管理,包括人员招聘、培训、绩效考核等;4.不断提升销售业绩和用户体验,通过市场调研和数据分析进行优化和改进;5.报告和反馈给上级,定期进行工作总结和汇报。
店铺经理的绩效考核制度主要考核以下方面:1.销售业绩:根据销售额、销售额增长率等指标进行考核,包括整体销售目标和具体商品的销售情况;2.用户体验:根据用户评价、退货率等指标进行考核,包括订单处理速度、售后服务质量等方面;3.运营策略执行:根据店铺的运营策略执行情况进行考核,包括促销活动的实施、商品上新和下架等;4.团队管理:根据团队建设和绩效考核的情况进行考核,包括新员工的培训和绩效成果。
二、运营专员运营专员是店铺经理的助手,负责店铺的日常运营工作。
其职责包括:1.负责店铺商品的上新和下架,商品库存的管理和调配;2.处理顾客的订单,跟踪订单配送情况,及时解决订单问题;3.负责店铺的促销活动和营销策略的执行,包括活动页面的设计和推广;4.监控店铺的数据和指标,提供运营分析和报告;5.协助店铺经理完成其他工作。
运营专员的绩效考核制度主要考核以下方面:1.促销活动结果:根据促销活动的销售量、点击量和转化率等指标进行考核,评估活动的效果;2.订单处理情况:根据订单处理速度、问题解决率等指标进行考核,评估运营专员的处理能力;3.数据分析和报告:根据数据分析和报告的质量评估运营专员的分析能力;4.团队合作:根据与其他部门合作的情况进行考核,评估运营专员的协作能力。
2.处理顾客的退货和换货请求,跟踪退货和换货的进度;3.处理顾客投诉和纠纷,协调解决顾客不满意的问题;4.搜集顾客的反馈和建议,及时向相关部门反馈问题和改进意见;5.协助店铺经理完成其他相关工作。
运营总监职责描述部门电子商务部职级运营总监上级总经理下属各个店铺店长及主管主要职责负责电子商务部的网络营销策略以及执行策略,落实并监控各项策略的实施,并及时向公司董事汇报。
建立和完善网络运营部的管理体系、制度等;通过各种营销计划的实施,拓展公司产品的网络市场覆盖率;并规避各类风险,提高公司的品牌形象及和营业收入。
职责1、制定网络营销部的营销策略,建立产品的网络营销管理体系和推广模式、网络营销部制度,编制年度、季度网络营销方案与预算,落实并监控各项策略的实施,并及时向管理层汇报;2、根据公司的经营管理目标和任务统筹本部门的工作安排,制定工作计划,引导并带领团队人员完成各项计划任务。
3、根据公司各阶段的目标提交分析报告给管理层做决策参考,并就重大网络营销事项向公司管理层提交决策性建议;4、完成公司产品的销售任务,建立和完善网络营销机制。
5、协调本部门内部以及与其他各部门之间的工作关系。
工作经验有三年以上淘宝运营工作经验。
教育程度本科以上学历,电子商务、计算机相关专业。
技能要求1、具备良好的分析能力,善于观察细节,对于互联网和电子商务发展趋势有敏锐的洞察力,对于改变具有前瞻性。
2、富于自律和团队精神,擅于沟通,具备良好的人际交往能力、组织协调能力、团队领导能力、擅于激励与引导;3、有强烈的进取精神和高度的责任心、事业心和坚韧的毅力,勇于承担责任,能够承受较大的工作压力;自学能力强,能够迅速掌握新的知识。
身体要求身体健康,年龄45岁以下。
1店长职责描述部门电子商务部职级店长上级运营总监下属电子商务部各主管主要职责负责店铺的正常运营与维护,带领团队完成销售目标任务,制定相应规章制度,提高团队工作效率,与各部门主管协调达到最好效果!总结店铺各项数据,分析得出结果,发现问题并提出解决问题的方法!职责1、有极强的文字修养,能擅长撰写打动人心的软文,并有能力策划软文营销。
2、负责淘宝店铺推广、提高店铺点击率和浏览量;日常维护、产品更新、能独立操作店铺陈列,以增强店铺吸引力、产品销量。
3、每日监控的数据:营销数据、交易数据、商品管理、顾客管理4、安排部门工作任务,并总结各部门反映数据与解决问题。
维护店铺正常运营,不出现违规处罚现象。
工作经验有二年以上淘宝运营工作经验。
教育程度大专以上学历,电子商务、计算机相关专业。
1、熟悉淘宝商城的运营、交易模式及其他所有后台操作;技能要求2、自身的销售能力很强,对不同的产品能很快的熟悉,并拥有自己的理解,挖掘出独特的卖点;3、能够带领团队完成公司淘宝商城销售目标并建立起代理商渠道;4、有较强数据敏感性和数据分析能力,较强的文字撰写能力和页面编辑策划能力。
身体要求身体健康,年龄35岁以下。
客服主管职责描述部门电子商务部职级客服主管上级运营总监、店长下属店铺客服主要职责考核客服效绩,培训新客服,讲解产品要点、卖点,并且不断提高客服各项能力,制定出完善培训体系,处理客服各项问题,维持店铺好评率和动态评分,维护好老顾客。
总结提交销售终端数据与分析结果。
职责1、负责带领销售团队制定客户方案,完成销售指标;2、负责制定、修改并推动实施客户服务流程及规范制度;3、负责带领客服团队处理日常客户咨询、解答及投诉;4、负责定期整理搜集客户反馈,消费者满意度的跟进及分析,进行客户需求分析,并安排制定和实施CRM客户关系管理;5、负责客服团队培训、激励、管理和考核,全方位优化服务质量;6、负责带领执行促销活动,并进行分析和总结,及时反馈促销结果。
工作经验有一年以上淘宝客服工作经验。
教育程度大专以上学历,电子商务、计算机相关专业。
技能要求1、熟悉客户服务的管理流程和操作,熟悉互联网营销及推广手段;2、有较强分析问题的能力及良好的服务意识,富有团队精神和激情;3、较好的人际沟通能力,组织协调,应变能力,具有强烈的责任心;4、熟悉淘宝各种操作规则,通过淘宝相关软件进行日常管理,如:分类,上架,评价,售后;熟悉淘宝及支付宝操作流程。
身体要求身体健康,年龄35岁以下。
2仓库主管职责描述部门电子商务部职级仓库主管上级运营总监、店长下属仓库各职员主要职责负责仓库人员工作安排、业绩考核、考勤、排班,保证仓库正常运转。
货物的盘存,数据准确,保障物资不丢失,及时反映仓库情况并协同各部门做活动及共同完成销售目标。
职责1、负责仓库工作的协调,仓库的正常运转。
2、负责仓库各岗的工作安排、考核、考勤、排班。
3、负责开具出入库单据及仓库物资明细账的登记,物资整理、摆放、保管领用等工工作;4、负责发现仓库工作中存在的问题与成绩,与公司决策层及时沟通,以便对仓库工作进行及时调整。
5、负责组织仓库每月盘点、年终盘点;协助公司做好临时性盘点或抽查盘点。
工作经验有一年以上淘宝仓库管理工作经验。
教育程度大专以上学历,电子商务、计算机相关专业。
技能要求1、有快速消费品仓库管理工作经验;2、能够合理化节省并利用公司资源;3、有效管理库存;4、做到定时盘点。
5、系统数据分析能力。
身体要求身体健康,年龄35岁以下。
3美工主管职责描述部门电子商务部职级美工主管上级运营总监、店长下属摄影组、美工主要职责负责公司淘宝网店整体版式、主色调和风格的设计,安排每季度产品的拍摄工作,建立美工考核制度等。
职责1、负责公司淘宝网店整体版式和风格的设计,公司网站及印刷品的视觉创意和设计等;2、负责形象画册及产品搭配手册排版、设计制作及新品上市相关工作的设计执行,产品拍片及产品图片处理的工作监督等;3、负责淘宝美工团队的管理,建立美工绩效考核制度,并对团队有计划地进行培训、跟踪指导与考核。
4、定期制作促销图片和页面,配合店铺销售活动;美化修改产品页面,定期更新店铺主页;5、网店风格及商品展示设计,结合商品的特性制作成图文并茂、有美感、有吸引购买力的描述模版;工作经验有二年以上淘宝美工工作经验。
教育程度大专以上学历,网页设计、广告设计等相关专业。
技能要求1、精通Photoshop,Firworks,IIIustrator等图形设计软件,熟悉摄影流程;2、具有深厚的美术功底和良好的创意构思能力,对色彩有深刻的把握力;具有提炼产品的卖点及广告文字编辑能力;3、具备网页全局编辑统筹意识,设计注重细节,追求完美的同时有效率;4、良好的沟通能力,善于对设计的表达,具有良好的团队协作精神;身体要求身体健康4推广主管职责描述部门电子商务部职级推广主管上级运营总监、店长下属推广专员主要职责通过店铺的营业额指标,计算出所需费用,一起协助销售部达到目标,建立推广部门管理制度,负责店铺数据各方面总结与分析,店铺活动报名。
职责1、负责品牌淘宝店铺的市场策划和推广工作,提高网站、品牌知名度和市场影响力。
2、负责制定品牌店铺推广策略以及市场活动的创意和策划;3、负责店铺的日常活动申报、活动排期及与淘宝商城的日常沟通;4、负责团队的管理与建设,安排同事工作,总结各种数据并分析解决问题和拿出方案。
5、定期向经理汇报运营情况,并提出积极的意见及改进办法。
工作经验有二年以上淘宝推广工作经验。
教育程度大专以上学历,电子商务、计算机相关专业。
1、熟悉淘宝直通车、淘宝客、淘宝论坛、帮派、产品上架时间,收藏排行,关键词、橱窗推荐规则者优先;技能要求2、策划店铺促销活动,熟悉并且对分析买家心态有兴趣,善于运用语言文字打动买家,从而达到更好的业绩;3、有团队精神,喜欢讨论,分享,交流,与客服互动,了解推广效果,从而在有效范围继续投入资金推广。
4、非常熟练的操作淘宝各种免费和付费的推广方式。
熟练操作数据魔方等数据分析软件。
身体要求身体健康5分销主管职责描述部门电子商务部职级分销主管上级运营总监、店长下属渠道员、分销客服、公关员主要职责开展淘宝分销的招商工作和维护;负责组织和参与分销商的洽谈,协调分销商合作过程中各项事宜;对淘宝分销平台的招商及对大卖家及分销商等“重要客户”进行开拓、沟通与管理职责1、持续掌握分销商情况,监控并规范分销商行为,进行分销商考核,分销商销售促进;根据公司分销政策,向分销商传达公司产品信息、企业文化与销售政策;提升公司产品在分销商业务中所占份额;2、对公司产品线进行管理;负责商品属性的后台配置工作,确保分销平台流程的畅通和规范的运作;对销售过程中涉及的客服、物流、支付等问题的督办及沟通斜街工作;3、执行网络现有渠道的有序管理;4、自行策划制定市场活动方案,提升业绩,分销活动提交上级部门审批并配合商城同步活动;及时将分销过程中的问题反馈给上级领导并督促跟进解决。
工作经验有二年以上经销工作经验。
教育程度大专以上学历,电子商务、计算机相关专业。
1、精通淘宝网络分销平台操作,熟悉铺货流程;技能要求2、熟悉使用各类办公软件,制作分销运营表及销售排行分析表;3、对分销商网店销售人员进行培训,淘宝分销商发展、管理和培训;4、贯彻公司渠道政策,制定分销商的具体规则身体要求身体健康,年龄35岁以下。
6推广专员职责描述部门电子商务部职级店长上级运营总监、店长、推广主管下属无主要职责推广分为付费与免费推广,付费推广主要负责直通车,钻石展位,淘宝客等,免费推广主要服装微博,论坛,博客等。
完成上级安排工作,团结合作完成推广任务。
职责1、店铺数据的反馈与分析。
推广渠道的维护与拓展。
2、负责店铺各类促销活动以及淘宝官方各类活动的申报、争取、策划和实施;3、对网店店铺的PV、UV、销量、跳失率、地域分布、转化率等做出专业的数据分析,及平时做好竞争对手网站的数据的采集、评估与分析;4、使用量子恒道、数据魔方和小艾分析等网店统计工具,提供客户行为分析报告;工作经验有半年以上淘宝运营工作经验。
教育程度大专以上学历,电子商务、计算机相关专业。
技能要求1、有半年以上直通车推广经验,熟练掌握标题、关键词的设置、出价。
2、熟练运用直通车、量子恒道、数据磨方等工具,并能将各项数据汇总和有效分析。
3、熟练使用与网店维护、装修、营销、推广、管理相关的软件和系统,如淘宝助理、PS、Flash、网店版、帮您赚、旺掌柜、营销百宝箱、工具吧、直通车、淘宝客、超级卖霸、钻石展位等等4、熟练使用PS、美图秀秀等图片处理软件。
身体要求身体健康,年龄35岁以下。
7仓库员职责描述部门电子商务部职级店长上级运营总监、店长、仓库主管下属无主要职责完成仓库主管分配的任务,有条不紊的维持店铺的发货流程与准确性,及时跟踪收货信息,及时发现问题,解决问题。
职责1、执行收货、包装、发货等流程;2、执行仓库的规章制度、规范作业标准及流程,提高效率,降低成本;3、科学管理货品库位,提出改进方案,保证仓库最大化的使用率;4、有效配合公司整体业务运作需求;5、执行盘点工作和结果分析。
6、高效完成上级安排的工作与任务。
工作经验有三个月以上淘宝仓库工作经验。