道路石油沥青技术要求表
- 格式:doc
- 大小:47.00 KB
- 文档页数:1
沥青路面上面层AC-13(70#道路石油沥青)施工指导意见根据部颁标准JTG F40-2004《公路沥青路面施工技术规范》规定,特提出如下指导意见。
沥青路面上面层AC-13沥青混合料矿料级配应符合表一的规定。
一、材料要求1、沥青沥青面层均采用优质70#道路石油沥青,其技术要求见表二。
各施工单位和驻地监理组工地试验室应对针入度、延度和软化点进行检验,并由施工单位留样备检。
施工单位每车检测1次,监理单位每5车检测1次。
沥青全套指标检验由施工单位和监理组联合委托有关单位按每2000吨进行,每个标段至少送检1次。
沥青路面上面层用沥青混凝土矿料级配通过率(%)范围表一70#道路石油沥青技术要求表二2、粗集料应采用石质坚硬、清洁、不含风化颗粒、近立方体颗粒的碎石,粒径大于4.75mm。
宜采用玄武岩、辉绿岩等中性石料,也可采用石灰岩等碱性石料,宜用反击式破碎机轧制的碎石,严格控制细长扁平颗粒含量,以确保粗集料的质量。
集料质量应从源头抓起,对不合格的集料不得装车、装船,对进场粗集料每1500T检验一次。
粗集料技术要求见表三。
沥青上面层用粗集料质量技术要求表三3、细集料采用坚硬、洁净、干燥、无风化、无杂质并有适当级配的人工轧制的米砂,石质采用石灰岩,不能采用山场的下脚料。
细集料每500T检验一次。
细集料规格见表四。
根据级配的需要,也可使用少量质量优良的河砂。
沥青上面层用细集料规格表四注:(1)视密度不小于2.5 g/cm3;(2)砂当量不得小于60%。
4、填料宜采用石灰岩碱性石料经磨细得到的矿粉。
矿粉必须干燥、清洁,矿粉质量技术要求见表五,每100T检验一次。
拌和机的粉尘可作为矿粉的一部分回收使用。
但每盘用量不得超过填料总量的25%,掺有粉尘填料的塑性指数不得大于4%。
沥青面层用矿粉质量技术要求表五二、做好施工机械与质量检测仪器的准备工作1、必须配备齐全施工机械和配件,做好开工前的保养、调试和试机,并保证在施工期间一般不发生有碍施工进展和质量的故障。
1. 沥青材料AC-10沥青混凝土采用道路石油沥青的质量应符合表1规定的技术要求。
表1 A级90#道路石油沥青技术要求2 粗集料规格及要求2.1 用于水泥路下面的沥青功能层粗集料为机扎碎石,用于加工集料的源石料的有关技术指标必须满足规定要求,同时加工的成品集料技术指标也必须满足规定,集料规格按给定的要求生产,各碎石厂按规定的级配范围根据碎石机的型号选择振动筛,如生产的级配不满足规定,应对振动筛进行适当调整。
2.2根据级配设计特点,推荐采用以下的集料规格,生产的集料应满足规定的要求,当生产的粗集料不符合规格要求时,但与其它材料配合后的级配符合沥青面层的级配范围时,经项目办批准,经中心试验室认可后也可使用。
路面功能层粗集料规格表22.3基于集料的规格,碎石加工厂必须配置如下尺寸的筛片,12~13mm,6 mm ,3mm。
2.4 路面各面层集料按下表规格采用:功能层集料规格表32.5 粗集料应洁净,干燥、无风化、无杂质,并具有足够的强度和耐磨耗性,其质量应符合以下规定:路面面层粗集料质量要求表42.6 粗集料应具有良好的颗粒形状,用于沥青路面的碎石至少应经过两级破碎,第一级为颚式破碎,第二级为反击破碎,不应单独采用颚式破碎机加工。
3 细集料规格及要求3.1 沥青面层的细集料采用机制砂或石屑,规格为S16,即0~3,其级配要求如表5所示。
3.2 细集料应洁净、干燥、其质量应符合下表的要求。
路面面层细集料质量要求表6注:(1)砂当量宜控制在70%以上。
4 填料4.1 沥青混合料的填料采用石灰岩经磨细得到的矿粉,矿粉要求干燥、洁净,其质量应符合下表的要求,当采用水泥或消石灰做填料时,其用量不宜超过矿料总量的2%。
沥青面层用矿粉的质量技术要求表74.2 不准使用回收粉尘作矿粉。
5 混合料一般规定5.1 热拌沥青混合料应选用符合要求的材料,充分利用同类道路与同类材料的施工实践经验,并应经配合比设计确定矿料级配和沥青用量。
1 透层、黏层、封层1.1透层、黏层、封层1.1.1一般规定下承层表面全面清扫。
用强力吹风机吹净浮尘。
雨后或用水清洗的面层,水分必须蒸发干净、晒干。
桥面及通道表面进行精铣刨处理,应清除桥面的杂物和浮灰、灰浆等,并将排水孔的杂物灰浆彻底清刷干净。
布沥青时的表面要晾干,气温低于10℃或大风、浓雾、下雨时不得施工。
布透层、黏层、封层时,必须用土工布将混凝土护栏、路缘石、路肩石等表面覆盖保护,防止污染。
进行试洒段试验,质量合格经监理人批准后方可正式施工。
1.1.2材料要求层材料主要为具有良好渗透性能,其质量应符合《公路沥青路面施工技术规范》(JTG F40-2004)第4章的要求。
层油的黏度通过调节稀释剂的用量并经试验确定,水稳层透层油渗透深度应不小于5mm。
层油的洒布量应通过试洒确定,不超出规范要求。
层沥青材料采用PCR型改性乳化沥青。
层改性沥青用量通过试洒确定,并符合规范要求。
车沥青均应取样检验,检测内容包括:黏度、蒸发残留物的含量,蒸发残留物的针入度、延度、软化点等。
1.1.3设备要求备清扫机、强力吹风机、洒水车等清理设备。
层、黏层必须采用配有电脑控制洒布量和导热保温装置的智能型沥青洒布车,洒布车应有独立操作的油泵、速率计、压力表、计量器、温度计及罐内循环泵搅拌装置。
层必须使用智能型沥青碎石同步封层车施工。
1.1.4施工工艺流程。
见图5-1 透层、黏层、封层施工工艺流程图:清扫下层材料准备沥青洒布车运输沥青按设计数量喷洒沥青、碎石放边缘线处理接头质量自检报监理验收交通管制进行下道工序图5-1 透层、黏层、封层施工工艺流程图1.1.5 施工要点1)透层(1) 喷洒前先将基层表面的浮尘彻底吹净、表面骨料外露。
透层沥青宜在基层碾压成型后,表面稍变干燥但尚未硬化的情况下喷洒,当基层完工时间较长,表面过分干燥,应在基层表面少量洒水,并待其表面稍干后喷洒透层沥青。
(2) 透层沥青在水泥稳定级配碎石基层的喷洒量为1.1kg/m 2,渗透深度应不小于 5mm 。
聚合物改性沥青主要技术要求应符合表8.1.7-4的规定。
合料试验规程》JTJ052中的“沥青氏旋转粘度试验方法(布洛克菲尔德粘度计法)”进行测定。
若在不改变改性沥青物理力学性质并符合安全条件的温度下易于泵送和搅拌,或经证明适当提高泵送和搅拌温度时能保证改性沥青的质量,容易施工,可不要求测定。
(示
表中①)
2贮存稳定性指标适用于工厂生产的成品改性沥青。
现场制作的改性沥青对贮存稳定性指标可不作要求,但必须在制作后,保持不间断的搅拌或泵送循环,保证使用前没有明显的离析。
(示表中②)。
道路石油沥青技术要求JTGF40-2004
6
的基质沥青。
注【2】:经建设单位同意,PI值、60℃动力粘度、10℃延度可作为选择性指标,也可不作为施工质量检验指标。
注【3】:70号沥青可根据需要要求供应商提供针入度范围为60~70或70~80的沥青,50号沥青可要求提供针入度范围为40~50或50~60的沥青。
注【4】:用于仲裁试验求取PI时的5个温度的针入度关系的相关系数不得小于0.997.
聚合物改性沥青技术要求 JTGF40-2004
6
注【1】:135℃运动粘度可采用布什旋转粘度。
注【2】:贮存稳定性指标适用于工厂生产的成品改性沥青。
现场制作的改性沥青对贮存稳定性指标可不作要求,但必须在制作后,保持不间断的搅拌或泵送循环,保证使用前没有明显的离析。
道路用乳化沥青技术要求 JTGF40-2004
6
6
改性乳化沥青技术要求 JTGF40-2004
6
稀浆封层和微表处混合料技术要求 JTGF40-2004
6。
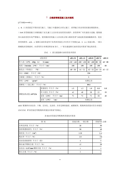
1 总则1.0.1为贯彻“精心施工,质量第一”的方针,保证沥青路面的施工质量,特制定本规范。
1.0.2 本规范适用于各等级新建和改建公路的沥青路面工程。
1.0.3沥青路面施工必须符合国家环境和生态保护的规定。
1.0.4沥青路面施工必须有施工组织设计,并保证合理的施工工期。
沥青路面不得在气温10℃(高速公路和一级公路)或5℃(其他等级公路),以及雨天、路面潮湿的情况下施工。
1.0.5沥青面层宜连续施工,避免与可能污染沥青层的其他工序交叉干扰,以杜绝施工和运输污染。
1.0.6沥青路面施工应确保安全,有良好的劳动保护。
沥青拌和厂应具备防火设施,配制和使用液体石油沥青的全过程严禁烟火。
使用煤沥青时应采取措施防止工作人员吸入煤沥青或避免皮肤直接接触煤沥青造成身体伤害。
1.0.7沥青路面试验检测的实验室应通过认证,取得相应的资质,试验人员持证上岗,仪器设备必须检定合格。
1.0.8沥青路面工程应积极采用经试验和实践证明有效的新技术、新材料、新工艺。
1.0.9沥青路面施工除应符合本规范外,尚应符合国家颁布的现行有关标准、规范的规定。
特殊地质条件和地区的沥青路面工程,可根据实际情况,制订补充规定。
各省、市、自治区或工程建设单位可根据具体情况,制订相应的技术指南,但技术要求不宜低于本规范的规定。
2 术语、符号、代号2.1术语2.1.1沥青结合料 asphalt binder,asphalt cement在沥青混合料中起胶结作用的沥青类材料(含添加的外掺剂、改性剂等)的总称。
2.1.2乳化沥青emulsified bitumen(英), asphalt emulsion,emulsified asphalt(美)石油沥青与水在乳化剂、稳定剂等的作用下经乳化加工制得的均匀的沥青产品,也称沥青乳液。
2.1.3液体沥青 liquid bitumen(英), cutback asphalt(美)用汽油、煤油、柴油等溶剂将石油沥青稀释而成的沥青产品,也称轻制沥青或稀释沥青。
1、沥青根据本地区的气候特点,沥青采用A 级70号道路石油沥青,其性能应符合下表规定。
上面层改性沥青是在A 级70号道路石油沥青的基础上,掺加SBS 改性剂,改性剂剂量应由试验确定,建议用量4%~5%。
透层油、粘层油采用乳化沥青。
道路用乳化沥青技术要求注:1、粘度可选用恩格拉粘度计或沥青标准粘度计之一测定。
2、表中的破乳速度与集料的粘附性、拌和试验的要求、所使用的石料品种有关,质量检验时应采用工程上实际的石料进行试验,仅进行乳化沥青产品质量评定时可不要求此三项指标。
3、储存稳定性根据施工实际情况选用试验时间,通常采用5d ,乳液生产后能在当天使用时也可用1d 的稳定性。
4、当乳化沥青需要在低温冰冻条件下储存或使用时,尚需按T 0656进行-5℃低温储存稳定性试验,要求没有粗颗粒、不结块。
5、如果乳化沥青是将高浓度产品运到现场稀释后使用时,表中的蒸发残留物等各项指标指稀释前乳化沥青的要求。
2、集料本路沥青混合料的粗集料由片块石、卵石及砾石采用反击式破碎机加工制成,集料应洁净、干燥无风化、无杂质,具有足够的强度和耐磨性。
施工时宜先在料场开采符合要求的石料,不宜采用酸性材料(如花岗岩),经验收合格后,再加工成路面用集料。
所加工成的粗集料应具有良好的颗粒形状,碎石不宜采用颚式破碎机加工,用于轧制破碎的砾石必须采用粒径大于100mm 的颗粒,用于加工碎石的材料必须做压碎值等试验并由监理工程师验收。
沥青面层用粗集料质量技术要求表沥青混合料的矿料组成为粗集料、细集料和填料。
本设计要求上面层的矿料最大粒径不大于16mm,下面层的矿料最大粒径不大于19mm。
粗集料是指经机扎加工而成的粒径大于2.36mm 的碎石或破碎砾石;细集料是指天然砂或经机扎加工而成的矿料,粒径为2.36mm~0.075mm。
细集料如采用天然砂,砂应洁净、坚硬,砂的细度模数宜为3.0~2.3,杂质含量不大于3%。
填料是指在沥青混合料中起填充作用的粒径小于0.075mm的矿物质粉末。
1 透层、黏层、封层1.1透层、黏层、封层1.1.1一般规定下承层表面全面清扫。
用强力吹风机吹净浮尘。
雨后或用水清洗的面层,水分必须蒸发干净、晒干。
桥面及通道表面进行精铣刨处理,应清除桥面的杂物和浮灰、灰浆等,并将排水孔的杂物灰浆彻底清刷干净。
布沥青时的表面要晾干,气温低于10℃或大风、浓雾、下雨时不得施工。
布透层、黏层、封层时,必须用土工布将混凝土护栏、路缘石、路肩石等表面覆盖保护,防止污染。
进行试洒段试验,质量合格经监理人批准后方可正式施工。
1.1.2材料要求层材料主要为具有良好渗透性能,其质量应符合《公路沥青路面施工技术规范》(JTG F40-2004)第4章的要求。
层油的黏度通过调节稀释剂的用量并经试验确定,水稳层透层油渗透深度应不小于5mm。
层油的洒布量应通过试洒确定,不超出规范要求。
层沥青材料采用PCR型改性乳化沥青。
层改性沥青用量通过试洒确定,并符合规范要求。
车沥青均应取样检验,检测内容包括:黏度、蒸发残留物的含量,蒸发残留物的针入度、延度、软化点等。
1.1.3设备要求备清扫机、强力吹风机、洒水车等清理设备。
层、黏层必须采用配有电脑控制洒布量和导热保温装置的智能型沥青洒布车,洒布车应有独立操作的油泵、速率计、压力表、计量器、温度计及罐内循环泵搅拌装置。
层必须使用智能型沥青碎石同步封层车施工。
1.1.4施工工艺流程。
见图5-1 透层、黏层、封层施工工艺流程图:清扫下层材料准备沥青洒布车运输沥青按设计数量喷洒沥青、碎石放边缘线处理接头质量自检报监理验收交通管制进行下道工序图5-1 透层、黏层、封层施工工艺流程图1.1.5 施工要点1)透层(1) 喷洒前先将基层表面的浮尘彻底吹净、表面骨料外露。
透层沥青宜在基层碾压成型后,表面稍变干燥但尚未硬化的情况下喷洒,当基层完工时间较长,表面过分干燥,应在基层表面少量洒水,并待其表面稍干后喷洒透层沥青。
(2) 透层沥青在水泥稳定级配碎石基层的喷洒量为1.1kg/m 2,渗透深度应不小于 5mm 。
沥青路面原材料设计技术要求1.沥青路面上面层采用SMA-13的原材料及混合料设计要求(1)、沥青:用于SMA-13的沥青必须具有较高的粘度,与集料有良好的粘附性,设计采用成品SBS改性沥青,其技术要求详见下表(改性沥青的基质沥青宜采用符合“道路石油沥青技术指标”要求的70号A级沥青):SBS改性沥青技术指标要求表1-1注:试验依据《公路工程沥青及沥青混合料试验规程》JTG E20-2011。
PG76-22沥青技术要求表1-2注:1)SHRP指标作为代理商或供应商对每批次沥青结合料的质量承诺,其余常规指标作为施工质量控制。
2)试验依据《公路工程沥青及沥青混合料试验规程》JTG E20-2011。
(2)、粗集料:采用新鲜、坚硬、耐磨、洁净的玄武岩用大型联合碎石机(不少于三级,其中反击破不少于两级)轧制成的碎石,形状接近立方体,其技术指标应满足下表的要求:粗集料质量技术要求表1-3粗集料规格要求表1-4(3)、细集料:上面层沥青马蹄脂碎石细集料采用碱性或中性石料加工生产的机制砂,细集料在加工过程中应具有吸尘或水洗设备,细集料中水洗法<0.075mm的颗粒含量不大于3%,不得含有杂物。
细集料应具有耐嵌挤,颗粒饱满,且粉尘含量低,其技术指标应满足下表的要求:细集料质量技术要求 表1-5机制砂规格要求 表1-6注:1)采用水洗法筛分。
2)细集料中小于0.075mm 颗粒含量的说明:对进场的拌和设备应事先标定经过二级除尘后各级热料仓中小于0.075mm 的颗粒含量是否符合要求(0~3mm 热料仓中小于0.075mm 颗粒含量不得超过3%,其余各级热料仓中小于0.075mm 颗粒含量不得超过1%),如果设备的最大除尘能力仍不能满足此要求,应采取措施严格控制冷料加工过程中的粉尘含量,尤其是细集料中小于0.075mm 颗粒的含量,并据此确定细集料中小于0.075mm 颗粒含量控制上限(将上表中0.075mm 筛孔通过率的上限8%下调,但不得上调)。
石料磨光值不小于(BPN)42 实测注:②用于高速公路、一级公路时,多孔玄武岩的视密度限度可放宽至2.45t/m3,吸水率可放宽至3%,但必须得到主管部门的批准;4.6.5用于高速公路、一级公路沥青路面表层及各类公路抗滑表层的粗集料应符合本规范附录C表C.8中关于石料磨光值的要求。
ﻫ4.7.2细集料应洁净、干燥、无风化、无杂质,并有适当的颗粒组成,其质量应符合本规范附录C表C.11的要求。
表C.11 沥青面层用细集料质量技术要求指标高速公路、一级公路其他等级公路视密度不小于(t/m3) 2.50 2.45砂当量不小于(%)60 50 4.8.1 沥青混合料的填料宜用石灰岩或岩浆中的强基性岩石等憎水性石料经磨细得到的矿粉。
矿粉要求干燥、洁净,其质量应符合本规范附录C表C .12的技术要求。
表C.12沥青面层用矿粉质量技术要求指标高速公路、一级公路其他等级公路视密度不小于(t/m3) 2.5 2.45含水量不大于(%) 1 1粒度范围<0.6mm (%)<0.15mm (%)<0.075mm (%)10090~10075~10010090~10070~100外观无团粒结块7.3.4 对用于高速公路和一级公路沥青路面的上面层和中面层的沥青混凝土混合料进行配合比设计时,应通过车辙试验机对抗车辙能力进行检验。
在温度60℃、轮压0.7MPa条件下进行车辙试验的动稳定度,对高速公路应不小于800次/mm,对一级公路应不小于600次/mm。
7.6.7当高速公路和一级公路施工气温低于10℃、其他等级公路施工气温低于5℃时,不宜摊铺热拌沥青混合料。
7.7.1沥青混合料的分层压实厚度不得大于l0cm。
ﻫ7.9.1 热拌沥青混合料路面应待摊铺层表面温度低于50℃后,方可开放交通。
11.4.4 施工单位在施工过程中必须对各种施工材料进行抽样试验,其项目与频度应不少于本规范附录E表E.1的规定。
表E.1 施工过程中材料质量检查的内容与要求材料检查项目检查频度高速公路、一级公路其他等级公路石油沥青针入度软化点延度含蜡量每100t 1次每100t 1次每100t 1次必要时每100t 1次必要时必要时必要时11.4.5施工过程中工程质量检查的内容、频度、质量标准应符合本规范附录E表E.2、表E.3的规定。
设计文献有关材料技术规定沥青混合料技术规定(1)粗集料沥青混合料用粗集料质量技术规定表1所用粗集料应洁净、干燥、表面粗糙,形状方正、扁平、针片状旳成分较少。
质量应符合表2旳规定。
粗集料与沥青旳粘附性应不不不不大于4级。
(2)细集料沥青路面旳细集料包括天然砂、机制砂、石屑。
细集料应洁净、干燥、无风化、无杂质,并具有合适旳颗料级配,其质量应符合表3旳规定。
沥青混合料用细料质量表2(3)砂本项目公路路面用砂采用机轧砂,其规格应符合表4旳规定。
(4)石屑石屑是采石场破碎石料时通过4.75mm或2.36mm旳筛下部分。
采石场在生产石屑旳过程中应具有抽吸设备,沥青混合料中,选用S15。
石屑规格应符合表4旳规定。
沥青混合料用机制砂或石屑规格表 4(5)矿粉沥青混合料旳矿粉必须采用石灰岩或岩浆岩中旳强基性岩石等憎水性石料经磨细得到旳矿粉,原石料中旳泥土杂质应除净。
矿粉应干燥、洁净,能自由地从矿粉仓流出,其质量应符合表7.5旳技术规定。
拌和机旳粉尘可作为矿粉旳一部分回收使用。
但每盘用量不得超过填料总量旳25%,掺有粉尘填料旳塑性指数不得不不大于4%。
沥青混合料用矿粉质量规定表5(6)道路石油沥青旳技术规定选用90号A级沥青,所用沥青旳质量应符合表6规定旳技术规定。
沥青必须按品种、标号分开寄存。
除长期不使用旳沥青可放在自然温度下存储外,沥青在储罐中旳贮存温度不合适低于1300C,并不得高于1700C。
道路石油沥青在贮存,使用及寄存过程中应有良好旳防水措施,防止雨水或加热管道蒸汽进入沥青中。
道路石油沥青旳技术规定表6(7)沥青混合料矿料级配构成沥青混合料矿料级配构成见表7。
沥青混合料中矿料旳级配构成范围表73稀浆封层技术规定(1)乳化沥青乳化沥青应符合国家现行原则《乳化沥青路面施工及验收规程旳有关规定》;道路用乳化沥青技术规定表8注:[1] P为喷洒型,B为拌和型,C、A、N分别体现阳离子、阴离子、非离子乳化沥青;[2] 粘度可选用恩格拉粘度计或沥青原则粘度计之一测定;[3] 表中旳破乳速度、与集料旳粘附性、拌和试验旳规定与所使用旳石料品种有关,质量检查时应采用工程上实际旳石料进行试验,仅进行乳化沥青产品质量评估时可不规定此三项指标;[4] 贮存稳定性根据施工实际状况选用试验时间,一般采用5d,乳液生产后能在当日使用时也可用1d旳稳定性;[5] 当乳化沥青需要在低温冰冻条件下贮存或使用时,尚需按T 0656进行-5℃低温贮存稳定性试验,规定没有粗颗粒、不结块;[6] 假如乳化沥青是将高浓度产品运到现场经稀释后使用时,表中旳蒸发残留物等各项指标指稀释前乳化沥青旳规定。
JTG F40-2004
公路沥青路面施工技术规范
密度(15℃),g/cm³
针入度(100g,5s,25℃),0.1mm
闪点(≥),℃
软化点(≥),℃
延度(15℃,≥),cm
延度(10℃,≥),cm
201525溶解度(≥),%
蜡含量(蒸馏法,≤),%
TFOT(或RTFOT)后
质量变化(≤),%
残留针入度比(25℃,≥),%
残留延度(10℃,≥),cm
使用的气候分区
1-31-42-2针入度指数(PI)
动力粘度(60℃,≥),Pa·s 260464100A-70#道路石油沥青技术要求
指标实测记录60-80616-1.5 - +1.0180199.52.2±0.8老化实验以TFOT 为准,也可以RTFOT 代替。
气候分区见附图。
试验方法按照《JTJ 052-2000 公路工程沥青及沥青混合料试验规程》规定的方法执行。
经建设单位同意,表中PI 值、60℃动力粘度、10℃延度可作为选择性指标,也可不作为施工质量检验指70号沥青可根据要求要求供应商提供针入度范围为60-70或70-80的沥青。
实验方法T 0603T 0604T 0611T 0606T 06052015T 0605
T 0607T 0615
T 0610或T0609T 0610或T0609T 0604T 06052-32-4
T 060445要求
.0
160
方法执行。
可不作为施工质量检验指标。
表8,1.7-6沥青混合料用粗集料质量技术要求注:1坚固性试验可根据需要进行。
2用于城市快速路、主干路时,多孔玄武岩的视密度可放宽至2.45t/m3,吸水率可放宽至3%,但必须得到建设单位的批准,且不得用于SMA路面。
3对S14即3〜5规格的粗集料,针片状颗粒含量可不予要求,小于0.075mm含量可放宽到3%。
4)粗集料的粒径规格应按表8.1.7-7的规定生产和使用。
8.1.7-73细集料应符合下列要求:1)含泥量,对城市快速路、主干路不得大于3%;对次干路及其以下道路不得大于5%。
2)与沥青的粘附性小于4级的砂,不得用于城市快速路和主干路。
3)细集料的质量要求应符合表8.1.7-8的规定。
表8.1.7-8细集料质量要求注:坚固性试验可根据需要进行。
4)沥青混合料用天然砂规格见表8.1.7-9。
表8.1.7-9沥青混合料用天然砂规格5)沥青混合料用机制砂或石屑规格见苕.1.7-10。
表8,1.7-10沥青混合料用机制砂或石屑规格注:当生产石屑采用喷水抑制扬尘工艺时,应特别注意含粉量不得超过表中要求。
4矿粉应用石灰岩等憎水性石料磨制。
当用粉煤灰作填料时,其用量不得超过填料总量50%。
沥青混合料用矿粉质量要求应符合表8.1.7-11的规定。
表8,1.7-11沥青混合料用矿粉质量要求5纤维稳定剂应在250°C条件下不变质。
不宜使用石棉纤维。
木质纤维素技术要求应符合表8.1.7-12的规定。
表8.1.7-12木质素纤维技术要求8.1.8不同料源、品种、规格的原材料应分别存放,不得混存。
8.1.9沥青混合料配合比设计应符合国家现行标准《公路沥青路面施工技术规范》JTG F40的要求,并应遵守下列规定:1各地区应根据气候条件、道路等级、路面结构等情况,通过试验,确定适宜的沥青混合料技术指标。
2开工前,应对当地同类道路的沥青混合料配合比及其使用情况进行调渊鉴成功经验。
3各地区应结合当地自然条件,充分利用当地资源,选择合格的材料。
1、2、3表注:[1] 破乳速度、与集料粘附性、拌和试验,与所使用的石料品种有关。
工程上施工质量检验时应采用实际的石料试验,仅进行产品质量评定时可不对这些指标提出要求;[2] 当用于填补车辙时,BCR蒸发残留物的软化点宜提高至不低于55℃;[3]贮存稳定性根据施工实际情况选择试验天数,通常采用5天,乳液生产后能在第二天使用完时也可选用1天。
个别情况下改性乳化沥青5天的贮存稳定性难以满足要求,如果经搅拌后能够达到均匀一致并不影响正常使用,此时要求改性乳化沥青运至工地后存放在附有搅拌装置的贮存罐内,并不断地进行搅拌,否则不准使用。
[4]当改性乳化沥青或特种改性乳化沥青需要在低温冰冻条件下贮存或使用时,尚需按T0656进行-5℃低温贮存稳定性试验,要求没有粗颗粒、不结块。
液体沥青AL(M)-1技术指标聚合物改性沥青技术要求表4.6.2注: [1] 表中135℃运动粘度可采用《公路工程沥青及沥青混合料试验规程》(JTJ 052-2000)中的“沥青布氏旋转粘度试验方法(布洛克菲尔德粘度计法)”进行测定。
若在不改变改性沥青物理力学性质并符合安全条件的温度下易于泵送和拌和,或经证明适当提高泵送和拌和温度时能保证改性沥青的质量,容易施工,可不要求测定。
[2] 贮存稳定性指标适用于工厂生产的成品改性沥青。
现场制作的改性沥青对贮存稳定性指标可不作要求,但必须在制作后,保持不间断的搅拌或泵送循环,保证使用前没有明显的离析。
4.6.3 制造改性沥青的基质沥青应与改性剂有良好的配伍性,其质量宜符合表4.2.1-1中A级或B级道路石油沥青的技术要求。
供应商在提供改性沥青的质量报告时应提供基质沥青的质量检验报告或沥青样品。
注:①坚固性试验可根据需要进行;②用于高速公路、一级公路时,多孔玄武岩的视密度可放宽至2.45t/m3,吸水率可放宽至3%,但必须得到建设单位的批准,且不得用于SMA路面;③对S14即3~5规格的粗集料,针片状颗粒含量可不予要求,<0.075mm含量可放宽到3%。
JTG F40-2004《公路沥青路面施工技术规范》[1]1 总则1.0.1为贯彻“精心施工,质量第一”的方针,保证沥青路面的施工质量,特制定本规范。
1.0.2 本规范适用于各等级新建和改建公路的沥青路面工程。
1.0.3沥青路面施工须符合国家环境和生态保护的规定。
1.0.4沥青路面施工须有施工组织设计,并保证合理施工工期。
沥青路面不得在气温10℃(高速公路和一级公路)或5℃(其他等级公路),以及雨天、路面潮湿的情况下施工。
1.0.5沥青面层宜连续施工,避免与可能污染沥青层的其他工序交叉干扰,以杜绝施工和运输污染。
1.0.6沥青路面施工应确保安全,有良好的劳动保护。
沥青拌和厂应具备防火设施,配制和使用液体石油沥青的全过程严禁烟火。
使用煤沥青时应采取措施防止工作人员吸入煤沥青或避免皮肤直接接触煤沥青造成身体伤害。
1.0.7沥青路面试验检测的实验室应通过认证,取得相应的资质,试验人员持证上岗,仪器设备必须检定合格。
1.0.8沥青路面工程应积极采用经试验和实践证明有效的新技术、新材料、新工艺。
1.0.9沥青路面施工除应符合本规范外,尚应符合国家颁布的现行有关标准、规范的规定。
特殊地质条件和地区的沥青路面工程,可根据实际情况,制订补充规定。
各省、市、自治区或工程建设单位可根据具体情况,制订相应的技术指南,但技术要求不宜低于本规范的规定。
2 术语、符号、代号2.1术语2.1.1沥青结合料 asphalt binder,asphalt cement在沥青混合料中起胶结作用的沥青类材料(含添加的外掺剂、改性剂等)的总称。
2.1.2乳化沥青emulsified bitumen(英), asphalt emulsion,emulsified asphalt(美)石油沥青与水在乳化剂、稳定剂等的作用下经乳化加工制得的均匀的沥青产品,也称沥青乳液。
2.1.3液体沥青 liquid bitumen(英), cutback asphalt(美)用汽油、煤油、柴油等溶剂将石油沥青稀释而成的沥青产品,也称轻制沥青或稀释沥青。