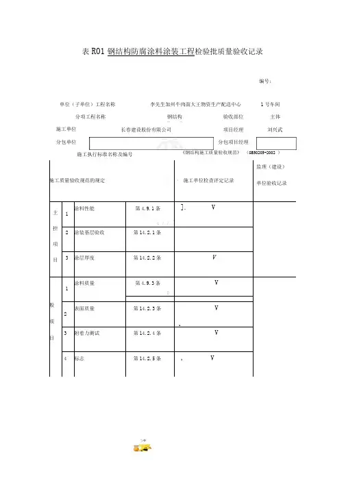
表R01钢结构防腐涂料工程检验批质量验收记录
- 格式:doc
- 大小:26.00 KB
- 文档页数:1
注:主控项目应符合设计及技术变更要求。
SG—T073填写说明
一、本表适用于钢结构防腐涂料涂装工程检验批质量的检查验收。
钢结构涂装工程可按钢结构制作或钢结构安装工程检验批的划分原则划分为一个或若干个检验批。
二、主控项目中:
1.为了保证钢材表面除锈质量,应将喷射除锈作为首选的除锈方法,而手工和动力工具除锈仅作为喷射除锈的补充手段。
当设计无要求时,钢材表面除锈等级为:涂料品种为油性酚醛、醇酸等底漆或防锈漆时,除锈等级为St2;涂料品种为高氯化聚乙烯、氯化橡胶、氯磺化聚乙烯、环氧树脂、聚氨酷等底漆或防锈漆时,除锈等级为Sa2;涂料品种为无机富锌、有机硅、过氯乙烯等底漆时,除锈等级为
Sa2
要求。
2.此项是强制性条文规定,必须严格执行。
应将实测偏差值填写入相应的栏目。
三、一般项目中:
1.在涂装后的钢材表面施焊,焊缝的根部会出现密集气孔,影响焊缝质量。
误涂后,用火焰吹烧
或用焊条引弧吹烧都不能彻底清除油漆,焊缝根部仍会产生气孔,所以规范要求不应有误涂。
2.对于安装单位而言,构件的标志、标记和编号(对于重大构件应标注重量和起吊位置)是构件
安装的重要依据,所以要求清晰完整,且应全数检查。
3.涂层附着力是反映涂装质量的综合性指标,其测试方法简单易行。
本规范规定应按照GB1720《漆
膑附着力测定法》或GB9286《色漆、清漆、漆膜的划格试验》执行,且应全数检查。
钢结构防腐涂料涂装工程检验批质量验收记录
单位(子单位)工程名称
分项工程名称
验收部位 施工单位 项目经理 分包单位
分包项目经理
施工执行标准名称及编号
《钢结构施工质量验收规范》(GB50205-2002)
施工质量验收规范的规定 施工单位检查评定记录
监理(建设)
单位验收记录 主控
项
目 1
涂料性能
第4.9.1条 √
2 涂装基层验收 第14.2.1条 √
3 涂层厚度 第14.2.2条 √ 一
般项目 1 涂料质量 第4.9.3条 √
2 表面质量 第14.2.3条 √
3 附着力测试 第14.2.4条 √ 4
标志
第14.2.5条
√
施工单位检查评定结果:
主控项目合格,一般项目符合设计要求。
专业质量检查员(签字): 年 月 日
施工单位
监理(建设)单位
施工员(签字) 专业监理工程师/建设单位代表(签字):
年 月 日
技术员(签字) 施工班组(签字)。
防腐涂料涂装检验批质量验收记录一、背景介绍为了确保防腐涂料的涂装质量,保障涂装效果,避免腐蚀和破坏,对于每一批次的涂装工程都需要进行质量验收。
本文将介绍防腐涂料涂装检验批质量验收的记录过程。
二、质量验收内容1.防腐涂料的货物检验:对于防腐涂料的货物进行外观检查和包装检查,确保涂料无明显破损和泄漏。
2.防腐涂料的质量检验:对于涂料样品进行实验室检测,包括固体含量、粘度、干燥时间、膜厚、附着力等指标的测量。
1.货物检验记录:日期:________检查项目:外观检查、包装检查结果:________备注:________2.质量检验记录:日期:________样品编号:________检验项目及要求:固体含量、粘度、干燥时间、膜厚、附着力等检验结果:________备注:________四、质量验收结果根据质量验收记录,结合防腐涂料的质量要求,评估涂装工程的质量。
如果质量验收的结果符合相关标准和要求,则验收结果为合格;如果不符合要求,则验收结果为不合格,并需要采取相应的措施进行整改。
五、质量验收的措施1.合格情况下的处理措施:如验收结果为合格,则继续进行后续的涂装工程,并在涂装完成后记录涂装过程中的关键参数和涂装效果,供后续的质量追溯和分析。
2.不合格情况下的处理措施:-原因分析:对不合格的质量验收结果进行原因分析,找出导致不合格的具体原因;-整改措施:根据不合格原因,采取相应的整改措施,如更换涂料品种、调整涂装工艺、增加涂装层次等;-重新验收:在整改措施实施后,对涂装工程进行重新验收,直到达到合格的标准。
六、质量验收记录的保存所有的质量验收记录应当保存在项目档案中,并及时进行整理和归档。
根据需要,质量验收记录可供后续的质量追溯和分析,以及对涂装工程的评估和改进提供参考。
七、总结防腐涂料的涂装检验批质量验收是确保涂装质量的重要环节,只有通过科学的检验和记录过程,才能保障涂装工程的质量。
上述防腐涂料涂装检验批质量验收记录,可作为参考,根据具体项目的要求进行相应的调整和完善。
钢结构防腐涂料工程检验批质量验收记录项目名称:钢结构防腐涂料工程项目地点:验收单位:施工单位:检验单位:一、工程概况本工程是对钢结构进行防腐涂装处理的工程,根据合同约定,施工单位按照相关规范和要求进行施工,本次验收旨在检验施工质量是否符合设计要求和规范要求。
二、施工情况1.防腐涂料工艺:(根据图纸要求和文件说明记录工艺方法和顺序)2.施工进度:(根据实际情况填写施工进度,包括开始日期、完成日期)3.施工人员:(填写施工单位的主要施工人员,包括施工负责人和技术人员)4.施工设备:(填写使用的主要施工设备和工具)5.施工材料:(填写使用的主要施工材料,包括主要涂料品牌、型号和批号)三、质量验收方法本次质量验收采用以下方法进行:1.视觉检查:对钢结构防腐涂料的平整度、颜色、涂层厚度等进行视觉检查;2.抽检:对涂料进行抽检,进行物理性能、化学性能等的检验;3.手工试验:对涂料进行手工试验,检查其附着性、硬度等性能;4.实验室测试:对涂料进行实验室测试,测试涂层的耐久性、耐候性等性能。
四、验收结果经过以上质量验收方法,对施工单位进行验收,验收结果如下:1.钢结构防腐涂料的视觉检查合格,涂料的平整度、颜色及涂层厚度达到设计要求;2.涂料经抽检测试,物理性能、化学性能等符合相关规范要求;3.涂料手工试验合格,附着性、硬度等性能达到设计要求;4.实验室测试结果符合相关规范要求,涂层的耐久性、耐候性等性能满足设计要求。
五、问题及处理措施如果在质量验收过程中发现问题,请具体说明问题及处理措施。
六、工程总结本次钢结构防腐涂料工程的施工质量经过验收,符合设计要求和规范要求,属于合格工程。
施工单位应按照规范对工程进行验收,并提交相应的技术文件和质量报告。
七、相关附件(列出所有与本次质量验收相关的附件,如检测报告、施工记录等)八、质量验收人员签字验收单位:检验单位:签字:签字:。
表R01钢结构防腐涂料涂装工程检验批质量验收记录
编号
:
施工质量验收规范的规定=1—•施工单位检查评定记录监理(建设)单位验收记录
主控项目1
涂料性能第4.9.1条
i「匸~
]. V
2 涂装基层验收第14.2.1条
3 涂层厚度第14.2.2条V
般项目
1
涂料质量第4.9.3条
0 :
V
2
表面质量第14.2.3条
■
V
3 附着力测试第14.2.4条V
4 标志第14.2.5条, V
《钢结构施工质量验收规范》(GB50205-2002 )施工执行标准名称及编号
单位(子单位)工程名称李先生加州牛肉面大王物资生产配送中心1号车间分项工程名称钢结构
II I*
验收部位主体施工单位长春建设股份有限公司项目经理刘兴武分包单位分包项目经理
>*。
钢构造(防腐涂料涂装)分项工程查验批质量查收记录工程名称查验批部位
施工单位项目经理
监理单位总监理工程师施工依照标准分包单位负责人
主控项目合格质量标准施工单位自检监理(建设)单位(按本规范)评定记录或结果查收记录或结果
1产品进场第条2表面办理第条3涂层厚度第条
一般项目合格质量标准施工单位自检监理(建设)单位(按本规范)评定记录或结果查收记录或结果
1产品进场第条
2表面质量第条
3附着力测试第条
4标志第条
施工操作依照
质量检查记录(质量证明文件)
施工单位检查
项目专业项目专业
结果评定质量检查员:技术负责人:
年月日
监理(建设)
专业监理工程师:
单位查收结论(建设单位项目专业技术负责人)
年月日。
涂料防腐蚀工程检验批质量验收记录日期:[填写日期]工程名称:[填写工程名称]工程地点:[填写工程地点]一、前言二、检验批情况1.检验批数量:[填写检验批数量]2.检验批编号:[填写检验批编号]3.涂料品种及规格:[填写涂料品种及规格]4.施工单位:[填写施工单位]5.检验人员:[填写检验人员]三、质量验收内容1.外观检查在本次质量验收中,对涂料防腐蚀层的外观进行了检查。
检查结果如下:-涂料层的颜色均匀,无色差。
-涂料层无泡孔、起皮、剥落等现象。
-涂料层表面平整、光洁。
2.厚度测量使用涂料厚度测量仪对涂料层的厚度进行了测量。
测量结果如下: -涂料层的平均厚度为[填写测量结果]。
-最小厚度为[填写测量结果]。
-最大厚度为[填写测量结果]。
3.粘结强度测试对涂料层的粘结强度进行了测试。
测试结果如下:-粘结强度测试值为[填写测试结果],符合设计要求。
4.化学性能测试进行了涂料防腐蚀层的化学性能测试。
测试结果如下:-抗盐雾腐蚀性能测试:[填写测试结果]-抗腐蚀性能测试:[填写测试结果]四、质量验收结果本次涂料防腐蚀工程的检验批质量验收结果如下:1.检验批合格数量:[填写合格数量]2.检验批不合格数量:[填写不合格数量]3.检验批合格率:[填写合格率]五、存在的问题及处理措施在质量验收过程中,发现了以下问题:1.[填写存在的问题1]处理措施:[填写处理措施1]2.[填写存在的问题2]处理措施:[填写处理措施2]六、其他事项[填写其他需要补充的事项]七、结论本次涂料防腐蚀工程的质量验收结果显示,大部分检验批合格,但存在少量不合格问题。
通过处理措施的执行,相信可以解决存在的问题,并确保工程的质量达标。
质量验收人员签字:[填写质量验收人员签字]。