最新阀门型号表示含义
- 格式:doc
- 大小:95.00 KB
- 文档页数:5
阀门型号上每个字母的含义-lk一、阀门的型号阀门的型号是用来表示阀类、驱动及连接形式、密封圈材料和公称压力等要素的。
由于阀门种类繁杂,为了制造和使用方便,国家对阀门产品型号的编制方法做了统一规定。
阀门产品的型号是由七个单元组成,用来表明阀门类别、驱动种类、连接和结构形式、密封面或衬里材料、公称压力及阀体材料。
阀门型号的组成由七个单元顺序组成(见下表)1.阀门的类型代号表1—1阀门类型代号阀门类型代号阀门类型代号闸阀Z 球阀Q 疏水阀S截止阀J 旋塞阀X 安全阀 A 节流阀L 液面指示器M 减压阀Y 隔膜阀G 止回阀H柱塞阀U 碟阀 D2.传动方式代号用阿拉伯数字表示,按表1—2的规定表1—2传动方式代号传动方式代号电磁阀电磁—液动电—液动蜗轮正齿轮01234伞齿轮气动液动气—液动电动56789注:①手轮、手柄和扳手传动以及安全阀、减压阀、疏水阀省略本代号。
②对于气动或液动:常开式用6K、7K表示;常闭式用6B、7B表示;气动带手动用6S表示。
防爆电动用“9B”表示。
3.连接形式代号用阿拉伯数字表示,按表1—3的规定表 1—3连 节 形 式 代 号 连 节 形 式 代 号 内 螺 纹 外 螺 纹 法 兰 焊 接1 2 4 6对 夹 卡 箍 卡 套7 8 9注:焊接包括对焊和承插焊4.结构形式代号用阿拉伯数字表示1—4~13 表 1—4闸 阀 结 构 形 式 代 号 弹 性 闸 板 0 单 闸 板 1楔 式 双 闸 板 2 单 闸 板 3明 杆平 行 式双 闸 板 4 单 闸 板 5 暗 杆 楔 式刚 性双 闸 板6表 1—5截 止 阀 和 节 流 阀 结 构 形 式 代 号 直 通 式 1 角 式 4 直 流 式5 直 通 式6 平 衡角 式7表 1—6球 阀 结 构 形 式 代 号 直 通 式 1 L 形 4浮 动 T 形三 通 式5 固 定直 通 式7表 1—7蝶 阀 结 构 形 式代 号杠 杆 式 垂 直 板 式 斜 板 式0 1 3表 1—8隔 膜 阀 结 构 形 式代 号 屋 脊 式 1截 止 式 闸 板 式3 7表 1—9旋 塞 阀 结 构 形 式 代 号 直 通 式 3 T 形 三 通 式 4填 料 四 通 式 5 直 通 式 7 油 封T 形 三 通 式8表 1—10止 回 阀 和 底 阀 结 构 形 式 代 号 直 通 式 1 升 降 立 式 2 单 瓣 式 4 多 瓣 式 5旋 启双 瓣 式6表 1—11安 全 阀 结 构 形 式 代 号 带 散 热 片 全 启 式0 12封 闭全 启 式 4 双弹簧微启式 3 微 启 式 7 全 启 式 8带 板 手微 启 式5弹 簧不 封 闭带控制机构全 启 式6 脉 冲 式9注:杠杆式安全阀在类型代号前加“G ”汉语拼音字母。
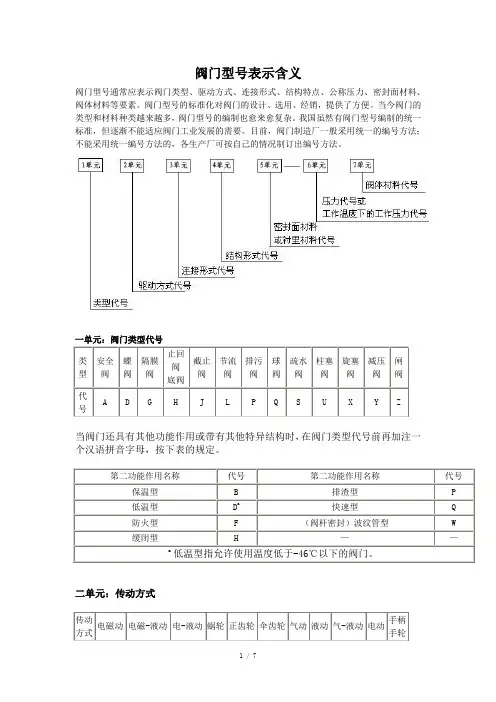
阀门型号表示含义阀门型号通常应表示阀门类型、驱动方式、连接形式、结构特点、公称压力、密封面材料、阀体材料等要素。
阀门型号的标准化对阀门的设计、选用、经销,提供了方便。
当今阀门的类型和材料种类越来越多,阀门型号的编制也愈来愈复杂。
我国虽然有阀门型号编制的统一标准,但逐渐不能适应阀门工业发展的需要。
目前,阀门制造厂一般采用统一的编号方法;不能采用统一编号方法的,各生产厂可按自己的情况制订出编号方法。
拼音字母,按下表的规定。
二单元:传动方式示;对于气动或液动机构操作的阀门:常开式用6K、7K表示;常闭式用6B、7B表示;防爆电动装置的阀门用9B表示。
三单元:连接型式四单元:结构型式阀门结构形式用阿拉伯数字表示,按下表规定。
闸阀结构形式代号截止阀、节流阀和柱塞阀结构形式代号球阀结构形式代号隔膜阀结构形式代号旋塞阀结构形式代号止回阀结构形式代号安全阀结构形式代号蒸汽疏水阀结构形式代号排污阀结构形式代号五单元:密封副材料六单元:公称压力数值用阿拉伯数字直接表示,它是MPa的10倍灰铸铁底压阀和钢制中压省略此项举例:Z543H-16C 伞齿轮传动法兰连接平板闸阀,公称压力1.6MPa,阀体材料为碳钢阀门的命名阀门的名称按传动方式、连接形式、结构形式、衬里材料和类型命名。
但下面内容在命名中均予省略:(1) 连接形式中:“法兰”。
(2) 结构形式中:a:闸阀的“明杆”、“弹性”、“刚性”和“单闸板”;b:截止阀和节流阀的“直通式”;c:球阀的“浮动”和“直通式”;d:蝶阀的“垂直板式”;e:隔膜阀的“屋脊式”;f:旋塞阀的“填料”和“直通式”;g:止回阀的“直通式”和“单瓣式”;h:安全阀的“不封闭”。
Z941H25C电动法兰闸阀DN300。
Z941H/W/Y-16C/P电动闸阀型号选型:阀门类型代号:Z表示闸阀;连接方式代号:4表示法兰式;结构形式代号:1表示楔式闸板;密封面材料代号:W表示阀体直接加工、H表示不锈钢;阀体压力代号:16表示压力十六公斤;阀体材质代号:C表示碳钢、P表示304不锈钢。
国标闸阀型号表示方法
国标闸阀型号表示方法是标准化的命名规则,用于区分不同规格的闸阀。
根据
国标闸阀型号表示方法,闸阀的型号一般由字母和数字组成。
首先,字母部分表示阀门的结构形式和功能特点。
常见的字母表示如下:
1. Z:表示闸阀;
2. Y:表示蜗轮传动闸阀;
3. Q:表示蜗杆传动闸阀;
4. X:表示关闭体为平板型闸阀;
5. H:表示高温用闸阀。
接着,数字部分表示闸阀的规格和尺寸。
一般来说,数字越大,表示闸阀的规
格越大。
其中,数值1-20表示对应的闸阀规格,例如1表示DN50,2表示DN65,3表示DN80,以此类推。
除了以上规范的字母和数字,闸阀型号中还可能包含一些特殊符号或附加信息,用于表示特殊的功能要求或技术要求。
例如,一个闸阀型号为Z45表示:这是一种闸阀,规格为DN450。
总之,国标闸阀型号表示方法通过字母和数字的组合,准确描述了闸阀的结构
形式、功能特点和规格尺寸,为用户选择和使用闸阀提供了方便。
阀门型号表示的含义
阀门的型号是由阀门类型,阀门驱动方式,阀门连接方式,阀门结构形式,密封材料,阀体材料代号来表示。
1、阀门类型代号为Z-闸阀,P-排污阀,Q-球阀,D-蝶阀,J-截止阀等;
2、阀门的驱动方式代号由字母表示,常见的有2-电液动,9-电动,6-气动,5-锥齿轮传动,3-涡轮蜗杆;手动不需要写出来
3、阀门的连接形式代号用字母表示,1-内螺纹,2-外螺纹,4-法兰式,6-焊接时,7-对夹式,9-卡箍,0-卡套;
4、阀门结构形式代号,举例闸阀:0-弹性闸板,1-明杆楔式单闸板,2-明杆楔式双闸板,3-明杆平行式单闸板,4-明杆平行式双闸板,5-暗杆楔式单闸板,6-暗杆楔式双闸板,7-暗杆平行单闸板,9-暗杆平行双闸板;
5、密封材料或衬里材料分别用R-奥氏体不锈钢,T-铜合金,X-橡胶,S-塑料,N-尼龙塑料,F-氟塑料,H-Cr系不锈钢,Y-硬质合金,J-衬胶,M-蒙乃尔合金;
6、阀体材料代号Z-灰铸铁,K-可锻铸铁,Q-球墨铸铁,T-铜及合金,C-碳钢,P-铬镍系不锈钢,R-铬镍钼系不锈钢,V-铬钼钒钢。
举例:对于电动、法兰连接、明杆楔式双闸板,密封面材料由阀体直接加工而成,公称压力PN0.1MPa阀体材料为灰铸铁的闸阀:Z942W-1电动楔式双闸板闸阀。
阀门型号表示含义阀门型号通常应表示阀门类型、驱动方式、连接形式、结构特点、公称压力、密封面材料、阀体材料等要素;阀门型号的标准化对阀门的设计、选用、经销,提供了方便;当今阀门的类型和材料种类越来越多,阀门型号的编制也愈来愈复杂;我国虽然有阀门型号编制的统一标准,但逐渐不能适应阀门工业发展的需要;目前,阀门制造厂一般采用统一的编号方法;不能采用统一编号方法的,各生产厂可按自己的情况制订出编号方法;一单元:阀门类型代号 当阀门还具有其他功能作用或带有其他特异结构时,在阀门类型代号前再加注一个汉语拼音字母,按下表的规定;第二功能作用名称代号 第二功能作用名称代号 保温型 B 排渣型 P 低温型 D a 快速型 Q 防火型 F 阀杆密封波纹管型W 缓闭型H——a低温型指允许使用温度低于-46℃以下的阀门;二单元:传动方式类型 安全阀 蝶阀 隔膜阀 止回阀底阀 截止阀 节流阀 排污阀 球阀 疏水阀 柱塞阀 旋塞阀 减压阀 闸阀代号ADGHJLPQSUXYZ传动 电磁动 电磁-液动 电-液动 蜗轮 正齿轮 伞齿轮 气动 液动 气-液动 电动 手柄,不表示;对于气动或液动机构操作的阀门:常开式用6K、7K表示;常闭式用6B、7B表示;防爆电动装置的阀门用9B表示;三单元:连接型式四单元:结构型式阀门结构形式用阿拉伯数字表示,按下表规定;闸阀结构形式代号截止阀、节流阀和柱塞阀结构形式代号球阀结构形式代号蝶阀结构形式代号隔膜阀结构形式代号旋塞阀结构形式代号止回阀结构形式代号安全阀结构形式代号减压阀结构形式代号蒸汽疏水阀结构形式代号排污阀结构形式代号五单元:密封副材料当密封副的密封面材料不同时,以硬度低的材料代号表示;六单元:公称压力数值用阿拉伯数字直接表示,它是MPa的10倍灰铸铁底压阀和钢制中压省略此项举例:Z543H-16C 伞齿轮传动法兰连接平板闸阀,公称压力,阀体材料为碳钢阀门的命名阀门的名称按传动方式、连接形式、结构形式、衬里材料和类型命名;但下面内容在命名中均予省略:1 连接形式中:“法兰”;2 结构形式中:a:闸阀的“明杆”、“弹性”、“刚性”和“单闸板”;b:截止阀和节流阀的“直通式”;c:球阀的“浮动”和“直通式”;d:蝶阀的“垂直板式”;e:隔膜阀的“屋脊式”;f:旋塞阀的“填料”和“直通式”;g:止回阀的“直通式”和“单瓣式”;h:安全阀的“不封闭”;3 阀座密封面材料中的材料名称;。
阀门型号表示含义
编辑整理:
尊敬的读者朋友们:
这里是精品文档编辑中心,本文档内容是由我和我的同事精心编辑整理后发布的,发布之前我们对文中内容进行仔细校对,但是难免会有疏漏的地方,但是任然希望(阀门型号表示含义)的内容能够给您的工作和学习带来便利。
同时也真诚的希望收到您的建议和反馈,这将是我们进步的源泉,前进的动力。
本文可编辑可修改,如果觉得对您有帮助请收藏以便随时查阅,最后祝您生活愉快业绩进步,以下为阀门型号表示含义的全部内容。
d:蝶阀的“垂直板式”;
e:隔膜阀的“屋脊式”;
f:旋塞阀的“填料”和“直通式”; g:止回阀的“直通式”和“单瓣式”; h:安全阀的“不封闭”.。
阀门型号表示含义阀门型号通常应表示阀门类型、驱动方式、连接形式、结构特点、公称压力、密封面材料、阀体材料等要素。
阀门型号的标准化对阀门的设计、选用、经销,提供了方便。
当今阀门的类型和材料种类越来越多,阀门型号的编制也愈来愈复杂。
我国虽然有阀门型号编制的统一标准,但逐渐不能适应阀门工业发展的需要。
目前,阀门制造厂一般采用统一的编号方法;不能采用统一编号方法的,各生产厂可按自己的情况制订出编号方法。
当阀门还具有其他功能作用或带有其他特异结构时,在阀门类型代号前再加注一个汉语拼音字母,按下表的规定。
第二功能作用名称代号 第二功能作用名称代号 保温型 B 排渣型 P 低温型 D a快速型Q 防火型 F (阀杆密封)波纹管型W 缓闭型H——a低温型指允许使用温度低于-46℃以下的阀门。
二单元:传动方式类型 安全阀 蝶阀 隔膜阀 止回阀底阀 截止阀 节流阀 排污阀 球阀 疏水阀 柱塞阀 旋塞阀 减压阀 闸阀代号ADGHJLPQSUXYZ传动 方式 电磁动 电磁-液动 电-液动 蜗轮 正齿轮 伞齿轮 气动 液动 气-液动 电动 手柄手轮不表示;对于气动或液动机构操作的阀门:常开式用6K、7K表示;常闭式用6B、7B表示;防爆电动装置的阀门用9B表示。
三单元:连接型式四单元:结构型式阀门结构形式用阿拉伯数字表示,按下表规定。
闸阀结构形式代号截止阀、节流阀和柱塞阀结构形式代号球阀结构形式代号蝶阀结构形式代号隔膜阀结构形式代号旋塞阀结构形式代号止回阀结构形式代号安全阀结构形式代号减压阀结构形式代号蒸汽疏水阀结构形式代号排污阀结构形式代号五单元:密封副材料当密封副的密封面材料不同时,以硬度低的材料代号表示。
六单元:公称压力数值用阿拉伯数字直接表示,它是MPa的10倍七单元:阀体材料灰铸铁底压阀和钢制中压省略此项举例:Z543H-16C 伞齿轮传动法兰连接平板闸阀,公称压力1.6MPa,阀体材料为碳钢阀门的命名阀门的名称按传动方式、连接形式、结构形式、衬里材料和类型命名。
阀门型号及含义说明一、通用阀门:所有阀门型号都有下面七个单元组成:1 2 3 4 5 ——6 7通常应表示阀门类型、驱动方式、连接形式、结构特点、密封面材料、公称压力、阀体材料等。
以下图为例:1、阀门类型代号:即:Z 闸阀J截止阀L节流阀H止回阀和底阀Q球阀X旋塞阀D蝶阀A安全阀S蒸汽疏水阀Y减压阀G隔膜阀注明:当阀门还具有其它功能作用或带有其它特异结构时,在阀门类型代号前再加注一个汉语拼音字母(1)阀门类型代号前加“D”为低温阀门(低于-40℃);代号前加“B”为保温的阀门(带加热套);防火型F;缓闭型H。
(2)截止阀类型代号前加“W”,表示波纹管密封阀门。
(3)闸阀类型代号前加“P”表示用于排渣系统阀门,加“X”或“K”为排渣用泥浆阀。
(4)在地下水用闸阀类型代号前加“S”表示竖式安装,加“W”表示卧式安装。
(5)在地下水用闸阀类型代号前加“D1”、“D2”表示短系列,加“Q”表示球蝶阀,加“S”表示用于地下管网蝶阀。
2、传动方式代号:即:0电磁动1电磁-液动2电-液动3蜗轮(蜗杆)4正齿轮5锥齿轮6气动7液动8气-液动9电动若为手动则省略注明:对于齿轮、手柄、扳手等直接传动或自动阀门(安全阀、减压阀、疏水阀、手轮直接连接阀杆操作结构形式的阀门)本代号省略,不表示;对于气动或液动机构操作的阀门,常开式用6K、7K表示,常闭式用6B、7B表示,气动带手动用6S表示。
防爆电动装置的阀门用9B表示,户外耐热式用9R表示。
3、连接方式代号:即:1内螺纹2外螺纹4法兰式6焊接式7对夹式8卡箍9卡套4、结构形式代号阀门结构形式用1位阿拉伯数字表示,如下:(一)闸阀结构形式代号:即:0楔式弹性闸板1楔式单闸板2楔式双闸板3平行式单闸板4平行式双闸板(二)截止阀、截流阀结构形式代号:即:1直通式4角式5直流式(三)止回阀结构形式代号:代号 1 2 3 4 5 6 7 8 9结构型式升降式阀瓣旋启式阀瓣升降式阀瓣蝶式直通流道立式结构角式结构单瓣结构多瓣结构双瓣结构直流式节流再循环式即:1直通式2升降立式3升降角式6旋启单瓣式(四)安全阀结构形式代号:(五)调节阀结构形式代号:(六)球阀结构形式代号:即:1浮球直通式7固定直通式(七)给水分配阀、减压阀、旋塞阀、蝶阀、输水阀、隔膜阀结构形式代号:注明:结构形式如为杠杆式安全阀,在结构形式代号前加“G”,1代表单杆微启,2代表单杆全启,3代表双杆微启,4代表双杆全启.5、密封面材质代号:(用汉语拼音字母表示)注:当阀座与阀瓣材质不同时,用底硬度材料代号表示(隔膜阀除外)即:H合金钢Y硬质合金F氟塑料T铜合金P渗硼钢X橡胶N尼龙塑料B锡基轴承合金(巴氏合金)Q衬铅J衬胶C、P 陶瓷、渗硼钢W本体材质( 碳化钨硬质合金)6、公称压力代号:公称压力数值用阿拉伯数字直接表示,并用短线与前五个单元分开。
阀门型号的编制及字母代号的含义1.型号的组成阀门型号由阀门类型,驱动方式、连接形式、结构形式、密封面或衬里材料、压力、阀体材料七部门组成。
如图所示1.2.1.1阀门类型代号类型代号类型代号安全阀弹簧载荷式、先导式 A球阀整体球Q 重锤杠杆式GA 半球PQ 蝶阀 D 蒸汽疏水阀S 倒流防止器GH 堵阀(电站用)SD 隔膜阀G 控制阀(调节阀)T 止回阀、底阀H 柱塞阀U 截止阀J 旋塞阀X 节流阀L 减压阀(自力式)Y进排气阀单-进排气阀P 减温减压阀(非自力式)WY 复合型FFP 闸阀Z 排污阀PW 排渣阀PZ2.1.2当阀门又同时具有其他功能作用或带有其他结构时,在阀门类型代号前再加注一个汉语拼音字母、典型功能代号按下表规定。
2.2驱动方式代号驱动方式代号用阿拉伯数字表示,按下表规定。
4.3连接形式代号以阀门进口端的连接形式确定代号,代号用阿拉伯数字表示,按下表规定。
4.4阀门结构形式代号阀门结构形式用阿拉伯数字表示,按下列表规定。
4.4.2截止阀和节流阀结构形式代号4.4.3止回阀结构形式代号4.4.5蝶阀结构形式代号4.4.6旋塞阀结构形式代号4.4.7隔膜阀结构形式代号4.4.8减压阀(自力式)结构形式代号4.4.9控制阀(调节阀)结构形式代号4.4.9减温减压阀(非自力式)结构形式代号4.4.10堵阀结构形式代号4.4.11蒸汽疏水阀结构形式代号4.4.12排污阀结构形式代号4.4.13安全阀结构形式代号4.5密封副或衬里材料代号密封副或衬里材料代号,以两个密封面中起密封作用的密封面材料或衬里材料硬度值较低的材料或腐蚀性较低的材料表示;金属密封面中镶嵌非金属材料的,则表示为非金属/金属。
材料代号按下表规定的字母表示。
4.6压力代号压力级代号采用 PN 后的数字表示。
4.7阀体材料代号。
阀门型号型号由七个单元组成:(1)第一单元用汉语拼音字母表示阀件类别,如:闸阀代号为Z;截止阀代号为J;减压阀代号为Y;安全阀代号为A;节流阀代号为L;球阀代号为Q;蝶阀代号为D;隔膜阀代号为G;旋塞阀代号为X;止回阀代号为H;疏水阀代号为S等。
(2)第二单元用一位阿拉伯数字表示驱动方式,但有时要注意阿拉伯数字的脚标。
对手轮、手柄和扳手驱动的闸阀及安全阀、减压阀、疏水阀、则省略本单元。
对于气动或液动的阀门,常闭式用6B、7B表示,常开式用6K、7K表示,气动兼手动的用6S表示,电动防爆的用9B表示。
驱动方式代号:电磁动代号为0;电磁-液动代号为1;电-液动代号为2;蜗轮代号为3;正齿轮代号为4;圆锥齿轮代号为5;气动代号为6;液动代号为7;气-液动代号为8;电动代号为9等。
(3)第三单元用一位阿拉伯数字表示阀件的连接形式,如内螺纹连接代号为1,外螺纹连接代号为2,法兰连接代号为4;焊接连接代号为6(焊接连接包括对焊和承插焊),对夹连接代号为7,卡箍连接代号为8,卡套连接代号为9等。
(4)第四单元用一位阿拉伯数字表示阀件的结构形式。
(5)第五单元用汉语拼音字母表示密封面或衬里材料。
如铜合金的代号为T,橡胶的代号为X,尼龙塑料的代号为N,不锈钢的代号为H,硬质合金的代号为Y,衬胶的代号为J,衬搪瓷的代号为C,衬铅的代号为Q等。
由阀体上直接加工出来的密封面材料用W表示,当阀座和阀瓣的密封材料不同时,用低硬质材料代号表示(隔膜阀除外)。
(6)第六单元用阿拉伯数字表示阀件的公称压力,并以横线“-”与第五单元隔开。
、(7)第七单元用汉语拼间字母表示阀体材料。
对于低温阀、带加热套的保温阀、带波纹管的阀件和杠杆安全阀,在代号前分别加汉语拼音字母D、B、W和G。
阀门型号及含义说明、通用阀门:所有阀门型号都有下面七个单元组成:1 2 3 4 5 ——6 7通常应表示阀门类型、驱动方式、连接形式、结构特点、密封面材1、阀门类型代号:即:Z闸阀J截止阀L节流阀H止回阀和底阀Q球阀X旋塞阀D蝶阀A安全阀S蒸汽疏水阀丫减压阀G隔膜阀注明:当阀门还具有其它功能作用或带有其它特异结构时,在阀门类型代号前再加注一个汉语拼音字母(1)阀门类型代号前加“ D”为低温阀门(低于一40C);代号前加“B” 为保温的阀门(带加热套);防火型F;缓闭型H。
(2)截止阀类型代号前加“ W”,表示波纹管密封阀门。
(3)闸阀类型代号前加“ P”表示用于排渣系统阀门,加“ X”或“ K” 为排渣用泥浆阀。
(4)在地下水用闸阀类型代号前加“ S”表示竖式安装,加“ W ”表示卧式安装。
(5)在地下水用闸阀类型代号前加“ D1 ”、“D2”表示短系列,加“ Q” 表示球蝶阀,加“ S”表示用于地下管网蝶阀。
2、传动方式代号:即:0电磁动1电磁-液动2电-液动3蜗轮(蜗杆)4正齿轮5锥齿轮6气动7液动8气-液动9电动若为手动则省略注明:对于齿轮、手柄、扳手等直接传动或自动阀门(安全阀、减压阀、疏水阀、手轮直接连接阀杆操作结构形式的阀门)本代号省略,不表示;对于气动或液动机构操作的阀门,常开式用6K、7K表示,常闭式用6B、7B表示,气动带手动用6S表示。
防爆电动装置的阀门用9B表示,户外耐热式用9R表示。
3、连接方式代号:即:1内螺纹2外螺纹4法兰式6焊接式7对夹式8卡箍9卡套4、结构形式代号阀门结构形式用1位阿拉伯数字表示,如下:(一)闸阀结构形式代号:即:0楔式弹性闸板1楔式单闸板2楔式双闸板3平行式单闸板4平行式双闸板(二)截止阀、截流阀结构形式代号:即:1直通式4角式5直流式(三)止回阀结构形式代号:即:1直通式2升降立式3升降角式6旋启单瓣式(四)安全阀结构形式代号:(五)调节阀结构形式代号:(六)球阀结构形式代号:即:1浮球直通式7固定直通式(七)给水分配阀、减压阀、旋塞阀、蝶阀、输水阀、隔膜阀结构形式代号:注明:结构形式如为杠杆式安全阀,在结构形式代号前加“G”,1代表单杆微启,2代表单杆全启,3代表双杆微启,4代表双杆全启.5、密封面材质代号:(用汉语拼音字母表示)注:当阀座与阀瓣材质不同时,用底硬度材料代号表示(隔膜阀除外)即:H合金钢丫硬质合金F氟塑料T铜合金P渗硼钢X橡胶N尼龙塑料B锡基轴承合金(巴氏合金)Q衬铅J衬胶C、P陶瓷、渗硼钢W本体材质(碳化钨硬质合金)6、公称压力代号:公称压力数值用阿拉伯数字直接表示,并用短线与前五个单元分开。
阀门型号的各项含义嘿,朋友们!今天咱来聊聊阀门型号那些事儿。
你说这阀门型号啊,就像是人的名字一样,每个字都有它特殊的含义呢!咱就拿常见的一个阀门型号来说吧,比如说“Z41H-16C”。
这里面的“Z”呢,就像是给阀门定了个性,告诉咱它大概是属于哪一类的。
这就好比不同性格的人,有的活泼,有的沉稳,这“Z”就是那个给阀门性格定位的标志。
然后呢,“41”这两个数字呀,就好像是阀门的独特标签。
就跟咱每个人都有自己独特的喜好和特点一样,这“41”能让我们一下子就知道这个阀门有啥特别之处。
再说说这个“H”,你看,它就像给阀门戴了顶特别的帽子,让它更加与众不同。
不同的字母代表着不同的密封材料啥的,这可重要啦,关系到阀门能不能把工作干好呢!还有后面的“16”,这就像是给阀门定了个能力指标。
就好像咱说一个人能扛起多重的东西一样,这个“16”就告诉我们这个阀门能承受多大的压力。
最后那个“C”呢,就像是给阀门穿上了一件特定颜色的衣服,表示它是用啥材料做的。
你想想看,要是没有这些型号的区分,那不乱套啦?咱要找个合适的阀门,不就跟大海捞针似的?所以说呀,这阀门型号可太重要啦!咱平常生活里也经常能看到阀门呢,比如家里的水管上可能就有。
要是咱知道了这些型号的含义,那以后遇到啥问题,咱不就能更清楚该咋处理啦?就好比咱知道了一个人的性格和特长,那跟他打交道不就更得心应手啦?而且啊,这阀门型号就像是一个隐藏的密码,只有懂的人才能解开它的秘密。
你一旦掌握了这个密码,那在阀门的世界里就能游刃有余啦!总之呢,可别小瞧了这阀门型号,它里面的学问大着呢!咱得好好琢磨琢磨,这样以后用到阀门的时候才能选到最合适的那个呀!这就是我对阀门型号的理解,你们觉得是不是这么个理儿呢?原创不易,请尊重原创,谢谢!。
阀门型号上每个字母的含义-lk一、阀门的型号阀门的型号是用来表示阀类、驱动及连接形式、密封圈材料和公称压力等要素的。
由于阀门种类繁杂,为了制造和使用方便,国家对阀门产品型号的编制方法做了统一规定。
阀门产品的型号是由七个单元组成,用来表明阀门类别、驱动种类、连接和结构形式、密封面或衬里材料、公称压力及阀体材料。
阀门型号的组成由七个单元顺序组成(见下表)1.阀门的类型代号表1—1阀门类型代号阀门类型代号阀门类型代号闸阀Z 球阀Q 疏水阀S截止阀J 旋塞阀X 安全阀 A 节流阀L 液面指示器M 减压阀Y 隔膜阀G 止回阀H柱塞阀U 碟阀 D2.传动方式代号用阿拉伯数字表示,按表1—2的规定表1—2传动方式代号传动方式代号电磁阀电磁—液动电—液动蜗轮正齿轮01234伞齿轮气动液动气—液动电动56789注:①手轮、手柄和扳手传动以及安全阀、减压阀、疏水阀省略本代号。
②对于气动或液动:常开式用6K、7K表示;常闭式用6B、7B表示;气动带手动用6S表示。
防爆电动用“9B”表示。
3.连接形式代号用阿拉伯数字表示,按表1—3的规定表 1—3连 节 形 式 代 号 连 节 形 式 代 号 内 螺 纹 外 螺 纹 法 兰 焊 接1 2 4 6对 夹 卡 箍 卡 套7 8 9注:焊接包括对焊和承插焊4.结构形式代号用阿拉伯数字表示1—4~13 表 1—4闸 阀 结 构 形 式 代 号 弹 性 闸 板 0 单 闸 板 1楔 式 双 闸 板 2 单 闸 板 3明 杆平 行 式双 闸 板 4 单 闸 板 5 暗 杆 楔 式刚 性双 闸 板6表 1—5截 止 阀 和 节 流 阀 结 构 形 式 代 号 直 通 式 1 角 式 4 直 流 式5 直 通 式6 平 衡角 式7表 1—6球 阀 结 构 形 式 代 号 直 通 式 1 L 形 4浮 动 T 形三 通 式5 固 定直 通 式7表 1—7蝶 阀 结 构 形 式代 号杠 杆 式 垂 直 板 式 斜 板 式0 1 3表 1—8隔 膜 阀 结 构 形 式代 号 屋 脊 式 1截 止 式 闸 板 式3 7表 1—9旋 塞 阀 结 构 形 式 代 号 直 通 式 3 T 形 三 通 式 4填 料 四 通 式 5 直 通 式 7 油 封T 形 三 通 式8表 1—10止 回 阀 和 底 阀 结 构 形 式 代 号 直 通 式 1 升 降 立 式 2 单 瓣 式 4 多 瓣 式 5旋 启双 瓣 式6表 1—11安 全 阀 结 构 形 式 代 号 带 散 热 片 全 启 式0 12封 闭全 启 式 4 双弹簧微启式 3 微 启 式 7 全 启 式 8带 板 手微 启 式5弹 簧不 封 闭带控制机构全 启 式6 脉 冲 式9注:杠杆式安全阀在类型代号前加“G ”汉语拼音字母。
阀门型号及含义说明一、通用阀门:所有阀门型号都有下面七个单元组成:1 2 3 4 5 ——6 7通常应表示阀门类型、驱动方式、连接形式、结构特点、密封面材料、公称压力、阀体材料等。
以下图为例:1、阀门类型代号:即:Z 闸阀J截止阀L节流阀H止回阀和底阀Q球阀X旋塞阀D蝶阀A安全阀S蒸汽疏水阀Y减压阀G隔膜阀注明:当阀门还具有其它功能作用或带有其它特异结构时,在阀门类型代号前再加注一个汉语拼音字母(1)阀门类型代号前加“D”为低温阀门(低于-40℃);代号前加“B”为保温的阀门(带加热套);防火型F;缓闭型H。
(2)截止阀类型代号前加“W”,表示波纹管密封阀门。
(3)闸阀类型代号前加“P”表示用于排渣系统阀门,加“X”或“K”为排渣用泥浆阀。
(4)在地下水用闸阀类型代号前加“S”表示竖式安装,加“W”表示卧式安装。
(5)在地下水用闸阀类型代号前加“D1”、“D2”表示短系列,加“Q”表示球蝶阀,加“S”表示用于地下管网蝶阀。
2、传动方式代号:即:0电磁动1电磁-液动2电-液动3蜗轮(蜗杆)4正齿轮5锥齿轮6气动7液动8气-液动9电动若为手动则省略注明:对于齿轮、手柄、扳手等直接传动或自动阀门(安全阀、减压阀、疏水阀、手轮直接连接阀杆操作结构形式的阀门)本代号省略,不表示;对于气动或液动机构操作的阀门,常开式用6K、7K表示,常闭式用6B、7B表示,气动带手动用6S表示。
防爆电动装置的阀门用9B表示,户外耐热式用9R表示。
3、连接方式代号:即:1内螺纹2外螺纹4法兰式6焊接式7对夹式8卡箍9卡套4、结构形式代号阀门结构形式用1位阿拉伯数字表示,如下:(一)闸阀结构形式代号:即:0楔式弹性闸板1楔式单闸板2楔式双闸板3平行式单闸板4平行式双闸板(二)截止阀、截流阀结构形式代号:即:1直通式4角式5直流式(三)止回阀结构形式代号:代号 1 2 3 4 5 6 7 8 9结构型式升降式阀瓣旋启式阀瓣升降式阀瓣蝶式直通流道立式结构角式结构单瓣结构多瓣结构双瓣结构直流式节流再循环式即:1直通式2升降立式3升降角式6旋启单瓣式(四)安全阀结构形式代号:(五)调节阀结构形式代号:(六)球阀结构形式代号:即:1浮球直通式7固定直通式(七)给水分配阀、减压阀、旋塞阀、蝶阀、输水阀、隔膜阀结构形式代号:注明:结构形式如为杠杆式安全阀,在结构形式代号前加“G”,1代表单杆微启,2代表单杆全启,3代表双杆微启,4代表双杆全启.5、密封面材质代号:(用汉语拼音字母表示)注:当阀座与阀瓣材质不同时,用底硬度材料代号表示(隔膜阀除外)即:H合金钢Y硬质合金F氟塑料T铜合金P渗硼钢X橡胶N尼龙塑料B锡基轴承合金(巴氏合金)Q衬铅J衬胶C、P 陶瓷、渗硼钢W本体材质( 碳化钨硬质合金)6、公称压力代号:公称压力数值用阿拉伯数字直接表示,并用短线与前五个单元分开。
阀门型号暗示含义之吉白夕凡创作创作时间:二零二一年六月三十日阀门型号通常应暗示阀门类型、驱动方式、连接形式、结构特点、公称压力、密封面资料、阀体资料等要素.阀门型号的标准化对阀门的设计、选用、经销, 提供了方便.现今阀门的类型和资料种类越来越多, 阀门型号的编制也愈来愈复杂.我国虽然有阀门型号编制的统一标准, 但逐渐不能适应阀门工业发展的需要.目前, 阀门制造厂一般采纳统一的编号方法;不能采纳统一编号方法的, 各生产厂可按自己的情况制订出编号方法.一单位:阀门类型代号当阀门还具有其他功能作用或带有其他特异结构时, 在阀门类型代号前再加注一个汉语拼音字母, 按下表的规定.第二功能作用名称代号第二功能作用名称代号类型 平安阀 蝶阀 隔膜阀 止回阀 底阀 截止阀 节流阀 排污阀 球阀 疏水阀 柱塞阀 旋塞阀 减压阀 闸阀 代号ADGHJLPQSUXYZ二单位:传动方式平安阀、减压阀、疏水阀、手轮直接连接阀杆把持结构形式的阀门, 本代号省略, 不暗示;对气动或液念头构把持的阀门:常开式用6K、7K暗示;常闭式用6B、7B暗示;防爆电动装置的阀门用9B暗示.三单位:连接型式四单位:结构型式阀门结构形式用阿拉伯数字暗示, 按下表规定.闸阀结构形式代号截止阀、节流阀和柱塞阀结构形式代号球阀结构形式代号蝶阀结构形式代号隔膜阀结构形式代号旋塞阀结构形式代号止回阀结构形式代号平安阀结构形式代号减压阀结构形式代号蒸汽疏水阀结构形式代号排污阀结构形式代号五单位:密封副资料当密封副的密封面资料分歧时, 以硬度低的资料代号暗示.六单位:公称压力数值用阿拉伯数字直接暗示, 它是MPa的10倍七单位:阀体资料灰铸铁底压阀和钢制中压省略此项举例:Z543H16C 伞齿轮传动法兰连接平板闸阀, 公称压力1.6MPa, 阀体资料为碳钢阀门的命名阀门的名称按传动方式、连接形式、结构形式、衬里资料和类型命名.但下面内容在命名中均予省略:(1) 连接形式中:“法兰”.(2) 结构形式中:a:闸阀的“明杆”、“弹性”、“刚性”和“单闸板”;b:截止阀和节流阀的“直通式”;c:球阀的“浮动”和“直通式”;d:蝶阀的“垂直板式”;e:隔膜阀的“屋脊式”;f:旋塞阀的“填料”和“直通式”;g:止回阀的“直通式”和“单瓣式”;h:平安阀的“不封闭”.。
阀门型号表示含义
阀门型号通常应表示阀门类型、驱动方式、连接形式、结构特点、公称压力、密封面材料、阀体材料等要素。
阀门型号的标准化对阀门的设计、选用、经销,提供了方便。
当今阀门的类型和材料种类越来越多,阀门型号的编制也愈来愈复杂。
我国虽然有阀门型号编制的统一标准,但逐渐不能适应阀门工业发展的需要。
目前,阀门制造厂一般采用统一的编号方法;不能采用统一编号方法的,各生产厂可按自己的情况制订出编号方法。
拼音字母,按下表的规定。
二单元:传动方式
安全阀、减压阀、疏水阀、手轮直接连接阀杆操作结构形式的阀门,本代号省略,不表示;
对于气动或液动机构操作的阀门:常开式用6K、7K表示;常闭式用6B、7B表示;
防爆电动装置的阀门用9B表示。
三单元:连接型式
四单元:结构型式
阀门结构形式用阿拉伯数字表示,按下表规定。
闸阀结构形式代号
截止阀、节流阀和柱塞阀结构形式代号
球阀结构形式代号
蝶阀结构形式代号
隔膜阀结构形式代号
旋塞阀结构形式代号
止回阀结构形式代号
安全阀结构形式代号
减压阀结构形式代号
蒸汽疏水阀结构形式代号
排污阀结构形式代号
五单元:密封副材料
六单元:公称压力数值用阿拉伯数字直接表示,它是MPa的10倍。