特种设备一机一档管理资料清单(参考样表)
- 格式:xls
- 大小:21.00 KB
- 文档页数:4
目录1.特种设备台账 (2)2.气瓶台账 (3)3.在用锅炉每月设备检查记录 (4)4.特种设备日常维护保养记录表 (5)5.特种设备运行故障和事故记录 (6)6.特种设备日常使用状况记录 (7)7.外购气瓶购入和退回台账 (8)8.锅炉排气试验装置手动试验记录 (9)9.锅炉水化验记录 (10)10.供热系统保护装置运行检查记录 (11)11.人员进出锅炉房出入登记 (13)12.还需保存下列文书 (14)13.还需建立下列记录 (14)特种设备台账气瓶台账在用锅炉每月设备检查记录年月特种设备日常维护保养记录表特种设备运行故障和事故记录特种设备日常使用状况记录外购气瓶购入和退回台账锅炉排气试验装置手动试验记录锅炉水化验记录供热系统保护装置运行检查记录人员进出锅炉房出入登记还需保存下列文书1.特种设备登记注册2.电梯安装、改造、维修单位或者电梯制造单位资质3.特种设备作业人员证书4.气瓶检验合格标志还需建立下列记录1.特种设备安全技术档案(档案中应包括:特种设备的设计文件、制造单位、产品质量合格证明、使用维护说明等文件以及安装技术文件和资料;特种设备的定期检验和定期自行检查的记录;特种设备的日常使用状况记录;特种设备及其安全附件、安全保护装置、测量调控装置及有关附属仪器仪表的日常维护保养记录;特种设备运行故障和事故记录;高耗能特种设备的能效测试报告、能耗状况记录以及节能改造技术资料及自行设计或增加的附属安全装置应有设计或产品资料)2.特种设备自行检查记录3.锅炉排气试验装置手动排气试验记录(每周);4.自动排气试验(每月)5.给水和炉水的化验记录6.燃气锅炉现场应配置燃气泄漏报警装置定期检定校准记录7.锅炉及附属设备的运行记录、交接班记录、水处理设备运行及水质化验记录、设备检修保养记录、设备管理人员每月一次的锅炉特种设备检查记录、事件事故记录8.作业现场有岗位操作规程9.设备管理人员每月压力容器进行检查记录10.压力管道月检记录11.输送助燃、易燃、易爆介质的压力管道每年定期监测接地电阻值记录12.起重机械月检记录13.厂内机动车辆每月保养和检查记录。
特种设备安全管理档案目录1 特种设备安全管理档案目录
1 管理组织框架图
2 设备台帐
3 使用登记证
4 注册登记表
5 特种设备出厂资料
5.1 合格证
5.2 监督检验证
5.3 使用说明书(可单独存放) 6 特种设备制造单位资料
6.1 特种设备制造许可证复印件
6.2 营业执照复印件
6.3 组织机构代码复印件 7 特种设备安装单位资料
7.1 特种设备安装合同
7.2 特种设备安装、改造维修许可证复印件
7.3 营业执照复印件
7.4 组织机构代码复印件
7.5 特种设备安装告知书 8 特种设备维修保养单位资料
8.1 特种设备维修保养合同
8.2 特种设备安装、改造维修许可证复印件
8.3 营业执照复印件
8.4 组织机构代码复印件 9 特种设备作业人员花名册
9.1 特种设备管理人员上岗证
9.2 特种设备作业人员上岗证 10 特种设备管理制度及应急救援预案
10.1 各种相关人员的职责
10.2 操作人员守则
10.3 节能管理制度
10.4 安全操作规程
10.5 常规检查制度
10.6 维修保养制度
10.7 定期报检制度
10.8 作业人员、相关运营服务人员的培训考核制度
10.9 意外事件和事故的紧急救援措施及紧急救援演练制度
10.10 技术档案管理制度
11 特种设备检验报告
11.1 特种设备验收检验报告
11.2 特种设备定期检验报告 12 安全责任告知书
注:
锅炉使用单位应当有水质化验单和水质化验人员上岗证
电梯使用单位应当有电梯层门钥匙管理制度。
目录1.特种设备台账 (2)2.气瓶台账 (3)3.在用锅炉每月设备检查记录 (4)4.特种设备日常维护保养记录表 (5)5.特种设备运行故障和事故记录 (6)6.特种设备日常使用状况记录 (7)7.外购气瓶购入和退回台账 (8)8.锅炉排气试验装置手动试验记录 (9)9.锅炉水化验记录 (10)10.供热系统保护装置运行检查记录 (11)11.人员进出锅炉房出入登记 (13)12.还需保存下列文书 (14)13.还需建立下列记录 (14)特种设备台账气瓶台账在用锅炉每月设备检查记录年月特种设备日常维护保养记录表特种设备运行故障和事故记录特种设备日常使用状况记录外购气瓶购入和退回台账锅炉排气试验装置手动试验记录锅炉水化验记录供热系统保护装置运行检查记录人员进出锅炉房出入登记还需保存下列文书1.特种设备登记注册2.电梯安装、改造、维修单位或者电梯制造单位资质3.特种设备作业人员证书4.气瓶检验合格标志还需建立下列记录1.特种设备安全技术档案(档案中应包括:特种设备的设计文件、制造单位、产品质量合格证明、使用维护说明等文件以及安装技术文件和资料;特种设备的定期检验和定期自行检查的记录;特种设备的日常使用状况记录;特种设备及其安全附件、安全保护装置、测量调控装置及有关附属仪器仪表的日常维护保养记录;特种设备运行故障和事故记录;高耗能特种设备的能效测试报告、能耗状况记录以及节能改造技术资料及自行设计或增加的附属安全装置应有设计或产品资料)2.特种设备自行检查记录3.锅炉排气试验装置手动排气试验记录(每周);4.自动排气试验(每月)5.给水和炉水的化验记录6.燃气锅炉现场应配置燃气泄漏报警装置定期检定校准记录7.锅炉及附属设备的运行记录、交接班记录、水处理设备运行及水质化验记录、设备检修保养记录、设备管理人员每月一次的锅炉特种设备检查记录、事件事故记录8.作业现场有岗位操作规程9.设备管理人员每月压力容器进行检查记录10.压力管道月检记录11.输送助燃、易燃、易爆介质的压力管道每年定期监测接地电阻值记录12.起重机械月检记录13.厂内机动车辆每月保养和检查记录。
“一机一档”资料目录(以塔式起重机为例,其他起重机械参照)一、证明文件1、产品出厂合格证2、特种设备制造许可证或工业产品生产许可证3、起重机械制造监督检验证(2007-1-1日至2013-12-31日出厂的需提供)4、产品说明书5、建筑起重机械产权备案证6、安装单位资质证书、安全生产许可证7、安装单位特种作业人员名单及特种作业证书复印件8、安装单位负责建筑起重机械安装(拆卸)工程专职安全生产管理人员、专业技术人员名单9、辅助起重机械资料及其特种作业人员10、使用单位特种作业人员名单及特种作业证书复印件11、履历手册12、钢丝绳、地脚螺栓(支腿)、高强度螺栓合格证,液压表检测报告二、合同、协议和专项方案1、安装单位与使用单位签订的安装(拆卸)合同2、安装单位与施工总承包单位签订的安全协议书3、使用单位与产权(出租租赁)单位签订的租赁合同4、设备维修保养合同5、建筑起重机械使用及维护保养制度6、塔式起重机基础专项施工方案7、塔式起重机安装专项施工方案8、塔式起重机拆卸专项施工方案9、塔式起重机安装(拆卸)工程生产安全事故应急救援预案10、塔式起重机生产安全事故应急救援预案11、塔式起重机顶升附着专项施工方案三、安全技术交底1、塔式起重机安装(拆卸)安全技术交底(GDAQ330601)2、塔式起重机附着爬升(降塔)安全技术交底(GDAQ330602)3、塔式起重机操作安全技术交底(GDAQ330603)4、起重指挥司索工安全技术交底(GDAQ330613)5、新工人入场三级安全教育登记表(GDAQ20502、GDAQ2050201、GDAQ2050202、GDAQ2050203)四、安全操作规程1、高空作业安全操作规程(GDAQ340110)2、建筑电工安全操作规程(GDAQ340111)3、电焊工安全操作规程(GDAQ340112)4、气焊(割)工安全操作规程(GDAQ340113)5、塔式起重机司机安全操作规程(GDAQ340119)6、起重指挥司索工安全操作规程(GDAQ340123)7、流动式起重机司机安全操作规程(GDAQ340124)8、塔式起重机安全操作规程(GDAQ340201)五、检查验收1、安装塔式起重机相关安全条件确认表(GDAQ21008)2、建筑起重机械安装(拆卸)告知表(GDAQ21006)3、机械(电气)设备进场查验登记表(GDAQ2090102)4、建筑起重机械基础验收表(GDAQ2090104)5、建筑起重机械检验检测报告(GDAQ21311)6、塔式起重机安装自检表(GDAQ209010803)7、建筑起重机械安装验收表(GDAQ2090105)8、塔式起重机附着自检表(GDAQ209010804)9、塔式起重机附着验收表(GDAQ2090107)10、建筑起重机械运行记录(GDAQ20613)11、建筑起重机械维护保养记录表(GDAQ20612)12、塔式起重机定期自检表(GDAQ209010902)13、建筑起重机械使用登记牌(塔式起重机)(GDAQ21010)14、安全检查和整改记录(GDAQ1301)15、大型机械设备验收审批表(机施公司内部用表)16、塔吊基础隐蔽验收审批表(机施公司内部用表)17、停工通知书(公司对项目)(GDAQ2030202)18、复工申请书(项目部报公司)(GDAQ2030203)19、隐患整改回复表(机施公司内部用表)20、项目部安全检查及隐患整改记录表(GDAQ2030201)21、塔式起重机基础钢筋及预埋件隐蔽工程质量验收记录表22、塔式起重机桩基础验收表23、塔式起重机基础混凝土强度试验报告24、建筑起重机械使用自查表(施工单位用表)(穗建质(2014)244号)。
中恒通路桥股份有限公司路面分公司外场摊铺机械设备管理档案
(“一机一档”)
设备名称:
设备编号:
外场摊铺机械设备相关资料复印件
1. 购置发票(或租赁协议)复印件
2. 行驶证复印件
3 .检验合格证复印件
4. 操作证复印件
5. 其他必要的相关资料复印件
外场摊铺机械设备维修养护记录表
外场摊铺机械设备行运记录
AQ2.6.3
第页
外场摊铺机械设备配件进场查验登记
机械操作手: 管理人员:
摊铺科长:
外场摊铺机械设备档案
外场摊铺机械设备进场验收登记表
车辆得分为100-80分为良,79-60分为合格;低于60为不合格;自检不合格的设备或车辆不得进入本项目施工。
外场摊铺机械设备维修保养记录
机械操作人员上岗证复印件粘贴处。
特种设备一机一档资料
特种设备备案资料
1、使用报验单,使用登记证,作业人员证件
2、检测报告维修保养制度,四方验收表
3、进场报验,备案证明,产权证明,合格证,制造许可证,监督检验证明,相关构配件合格证明
4、基础验收表,安装方案,应急预案,安装单位资质,安装人员资质,安装合同,租赁合同
5、基础工序报验资料,试块及钢筋复检报告
特种设备使用资料
1、安装维保人员资质审核表,安装令,监控记录表
2、每次加节验收记录表,每周检查记录表,每月维修保养记录表,每月回访记录表
3、日常巡查记录表,司机日常值班记录
4、作业人员教育记录表,交底记录表。
施工起重机械设备安全管理档案( “一机一档”)工程名称:龙泉至蒲城(浙闽界)高速公路LP02 合同段施工单位:江苏省交通工程集团有限公司苏州分公司设备名称:汽车吊设备编号:施工起重机械相关资料复印件1.购置发票(或租赁协议)复印件2.行驶证复印件3.检验合格证复印件4.操作证复印件5.其他必要的相关资料复印件注:本文施工起重机械主要包括旋挖钻机液压抓斗(成槽机)静压桩机汽车(履带)起重机等机械设备维修养护记录表AQ2.6.13 □工程名称:龙泉至蒲城(浙闽界)高速公路LP02 合同段班组:设备名称规格型号自编号码出厂年限上次维修使用年限保养时间检查维修保养记录更换主题配件记录记录人:年月日施工起重机械行运记录AQ2.6.3第页年主要内容司机(签名)月日时分施工用具及配件进场查验登记AQ2.10.1.3 □工程名称:龙泉至蒲城(浙闽界)高速公路 LP02 合同段施工单位:江苏省交通工程集团有限公司苏州分公司序型号规格数量许可合格检验报告验收日期名称证号证号验收人号结论项目负责人 :专职安全员:填表人:填表日期:年月日机械名称型号规格出厂编号机械进检验日期场资料使用部门或队伍操作人员持证情况维修记录:序日期号机械档案生产厂家生产日期年月日进场日期年月日出厂日期年月日验收人年月日/ 验收日期年月日操作人员□是□否操作证号检修情况(维修原因、记录、结果、跟换配件)维修人维修记录:序日期检修情况(维修原因、记录、结果、跟换配件)维修人号机械设备进场验收登记表单位名称:时间:年月日设备名称设备型号使用单位设备状态自用□租赁□序号系统自检项目检查情况得分1外观整洁良好□合格□ 不合格□无□2门锁有效良好□合格□ 不合格□无□3车身系统窗户完整良好□合格□ 不合格□无□4后视镜良好良好□合格□ 不合格□无□5外观整洁(无油、水渍)良好□合格□ 不合格□无□6运转无杂音良好□合格□ 不合格□无□7动力系统动力输出良好□合格□ 不合格□无□8尾气排放良好□合格□ 不合格□无□9操作灵活良好□合格□ 不合格□无□10制作灵敏良好□合格□ 不合格□无□11工作系统转向灵活良好□合格□ 不合格□无□12动力切换良好□合格□ 不合格□无□13主要工作性能部件良好□合格□ 不合格□无□14液压系统密封性能(无油渍)良好□合格□ 不合格□无□15液压油良好□合格□ 不合格□无□16液压泵性能良好□合格□ 不合格□无□17电力系统灯光性能良好□合格□ 不合格□无□18喇叭性能良好□合格□ 不合格□无□19轮胎磨损良好□合格□ 不合格□无□20仪表有效良好□合格□ 不合格□无□综合性能良好□合格□ 不合格□无□检查人填表说明:没单项 5 分,合计 100 分;设备或车辆所列项目单项计分为 5 分;设备或车辆得分为 100-80 分为良, 79-60 分为合格;低于 60 为不合格;自检不合格的设备或车辆不得进入本项目施工。
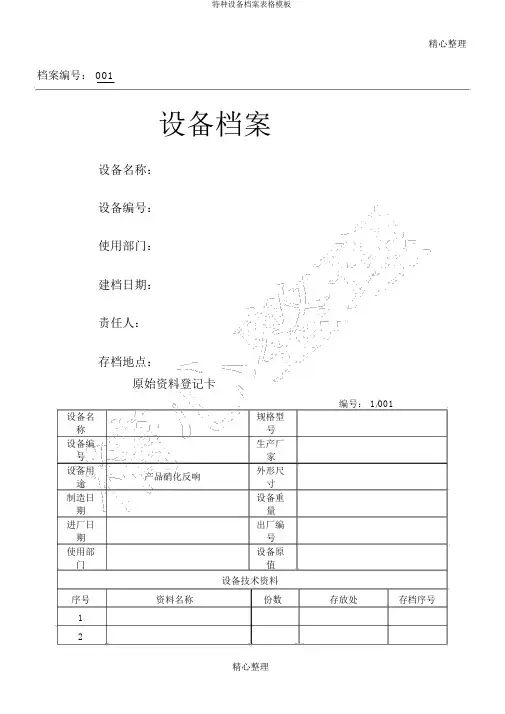
精心整理档案编号: 001
设备档案
设备名称:
设备编号:
使用部门:
建档日期:
责任人:
存档地点:
原始资料登记卡
编号: 1/001设备名规格型
称号
设备编生产厂
号家
设备用
产品硝化反响外形尺
途寸
制造日设备重
期量
进厂日出厂编
期号
使用部设备原
门值
设备技术资料
序号资料名称份数存放处存档序号1
2
3
4
5
存档资料记录卡
编号: 2/001
设备名称规格型号
生产厂家进厂日期
基
本
投用时间运行场所
情
况
注册证编号使用证编号
厂内编号定检周期
本次检测时间检测结论下次检测时间存档序号
釜
体
检
测
情
况
存档资料记录卡
编号: 3/001
设备名称规格型号
生产厂家进厂日期
基
本
投用时间运行场所
情
况
注册证编号使用证编号
厂内编号定检周期
名称检测时间检测结论下次检测时间存档序号
安
全
附
件
检
测
情
况。
上海中铁二局安全生产记录档案特种设备及特种作业人员管理档案安全生产目录1.特种设备和特种装备的定义2.特种设备和特种装备检测证明(附表5-1 )3.特种设备和特种装备台帐(附表5- 9)4.特种设备和特种装备修理验收单(附表5-2 )5.特种设备和特种装备维修(保养)记录(附表5-3 )6.特种设备和特种装备检查记录(附表5-4 )7.特种设备和特种装备事故台帐(附表5-6 )8.特种设备和特种装备作业人员登记台帐9.特种设备和特种装备作业人员安全培训台帐(附表5-7 )特种设备的定义[ 在此处键入 ]特种设备和特种装备是指涉及生命安全、危险性较大的承压、载人和吊运设备或设施,包括锅炉、压力容器(含气瓶)、压力管道、电梯、起重机、客运索道、大型游乐设施、场(厂)内机动车辆等八个种类。
其中锅炉、压力容器(含气瓶)、压力管道为承压类特种设备;电梯、起重机械、客运索道、大型游乐设施、场(厂)内机动车辆为机电类特种设备。
附表 5-9 :特种设备和特种装备台帐序名注册代码类别使用部门内部下次检验备号称(設備代碼)编号日期注12345678共页第页附表 5-1 :设备检测证明申请(报检)单位名称:检验报告编号:使用单位:任务单编号:检验类型:设备地址:设备注册代码:设备类型:设备出厂编号:检验结论:打印日期:附表 5-2 :特种设备和特种装备修理验收单验收日期:编号:设备名称设备编号规格型号出厂日期生产厂家修理单位主修人转竣工时间修理内(可另附相关记录)容验收内(可另附相关记录)容修理单位签字使用单位签字备注主管主管主要修设备员签理人员操作人员日期日期物资装备部签字质检部门签字字主管主管检验专业组人员日期日期[在此处键入 ]附表 5-3 :特种设备维修(保养)记录名称:编号:设备名称使用单位检修时间设备型号检修单位完工时间设备编号检修类别检修负责人序号维修(保养)项目维修(保养)结果备注12345678试运行纪录:使用单位:检修单位:附表 5-4 :特种设备检查记录单位:项目:日期:检查人员:审核人:编号:序检查项目标准实际情况建议改正 / 控制完成时间受检部号措施门确认注: 1、检查人员必须是公司、车间、班组安全人员,审核人为公司安全负责人。
中恒通路桥股份有限公司路面分公司外场摊铺机械设备管理档案
(“一机一档”)
设备名称:
设备编号:
外场摊铺机械设备相关资料复印件
1. 购置发票(或租赁协议)复印件
2. 行驶证复印件
3 .检验合格证复印件
4. 操作证复印件
5. 其他必要的相关资料复印件
外场摊铺机械设备维修养护记录表
外场摊铺机械设备行运记录
AQ2.6.3
第页
外场摊铺机械设备配件进场查验登记
机械操作手: 管理人员:
摊铺科长:
外场摊铺机械设备档案
外场摊铺机械设备进场验收登记表
单位名称:时间:年月日
填表说明:没单项5分,合计100分;设备或车辆所列项目单项计分为5分;设备或车辆得分为100-80分为良,79-60分为合格;低于60为不合格;自检不合格的设备或车辆不得进入本项目施工。
外场摊铺机械设备维修保养记录
机械操作人员上岗证复印件粘贴处
机械设备合格证复印件粘贴处
机械设备年度检测报告复印件粘贴处。
安全生产档案
特种设备及特种作业人员管理档案
目录
1.特种设备的定义
2.设备检测证明(附表5-1 )
3.特种设备台帐(附表5- 9)4.特种设备修理验收单(附表5-2 )5.特种设备维修(保养)记录(附表6.特种设备检查记录(附表5-4 )7 .特种设备事故台帐
5-3 )
(附表5-6 )
8. 特种作业人员登记台帐
9. 特种作业人员安全培训台帐(附表5-7 )
特种设备的定义
特种设备是指涉及生命安全、危险性较大的承压、载人和吊运设备或设施,包括锅炉、压力容器(含气瓶)、压力管道、电梯、起重机、客运索道、大型游乐设施、场(厂)内机动车辆等八个种类。
其中锅炉、压力容器(含气瓶)、压力管道为承压类特种设备;电梯、起重机械、客运索道、大型游乐设施、场(厂)内机动车辆为机电类特种设备。
附表5-9 :特种设备台帐
共页第页
附表5-1 :设备检测证明
申请(报检)单位名称检验报告编号:使用单位:任务单编号:检验类型:设备地址:设备注册代码:设备类型:设备出厂编号:检验结论:打印日期:
附表5-2 :特种设备修理验收单
验收日期:编号:
附表5-3 :特种设备维修(保养)记录名称:编号:
使用单位:检修单位:
单位:项目:日期:检查人员:审核人:编号:
注:1、检查人员必须是公司、车间、班组安全人员,审核人为公司安全负责人。
2、此表由车间、班组安全人员作为安全基础资料保存
附表5-6 :特种设备事故台帐
编号:
特种作业人员登记台帐
附表5-7 :特种作业人员安全培训台帐姓名:
单位负责人签章:填报部门负责人签章
填报人签章:
填报日期:联系电話。