表-液化乙烯的理化性质及危险特性
- 格式:doc
- 大小:29.00 KB
- 文档页数:2
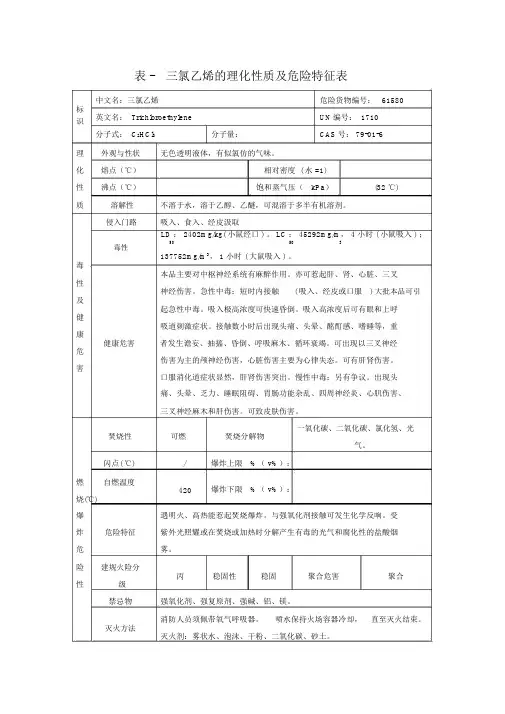
表 -三氯乙烯的理化性质及危险特征表中文名:三氯乙烯危险货物编号: 61580标英文名: Trichloroethylene UN编号: 1710识分子式: C2HCl3分子量:CAS号: 79-01-6理外观与性状无色透明液体,有似氯仿的气味。
化熔点(℃)相对密度 ( 水 =1)性沸点(℃)饱和蒸气压(kPa)(32 ℃)质溶解性不溶于水,溶于乙醇、乙醚,可混溶于多半有机溶剂。
侵入门路吸入、食入、经皮汲取LD : 2402mg/kg( 小鼠经口 ) 。
LC : 45292mg/m, 4 小时 ( 小鼠吸入 ) ;50503毒性137752mg/m3, 1 小时 ( 大鼠吸入 ) 。
毒本品主要对中枢神经系统有麻醉作用。
亦可惹起肝、肾、心脏、三叉性神经伤害。
急性中毒:短时内接触( 吸入、经皮或口服) 大批本品可引及起急性中毒。
吸入极高浓度可快速昏倒。
吸入高浓度后可有眼和上呼健吸道刺激症状。
接触数小时后出现头痛、头晕、酩酊感、嗜睡等,重康健康危害者发生谵妄、抽搐、昏倒、呼吸麻木、循环衰竭。
可出现以三叉神经危伤害为主的颅神经伤害,心脏伤害主要为心律失态。
可有肝肾伤害。
害口服消化道症状显然,肝肾伤害突出。
慢性中毒:另有争议。
出现头痛、头晕、乏力、睡眠阻碍、胃肠功能杂乱、四周神经炎、心肌伤害、三叉神经麻木和肝伤害。
可致皮肤伤害。
一氧化碳、二氧化碳、氯化氢、光焚烧性可燃焚烧分解物气。
闪点( ℃)/爆炸上限%( v%):燃自燃温度420爆炸下限%( v%):烧(℃)爆遇明火、高热能惹起焚烧爆炸。
与强氧化剂接触可发生化学反响。
受炸危险特征紫外光照耀或在焚烧或加热时分解产生有毒的光气和腐化性的盐酸烟危雾。
险建规火险分丙稳固性稳固聚合危害聚合性级禁忌物强氧化剂、强复原剂、强碱、铝、镁。
消防人员须佩带氧气呼吸器。
喷水保持火场容器冷却,直至灭火结束。
灭火方法灭火剂:雾状水、泡沫、干粉、二氧化碳、砂土。
急①皮肤接触:立刻脱去污染的穿着,用肥皂水和清水完全冲刷皮肤。
目录莠灭净的理化性质及危险特性表 (1)甲基丙烯酸的理化性质及危险特性表 (2)丙烯酰胺的理化性质及危险特性表 (3)液化石油气的理化性质及危险特性表 (4)镁粉的理化性质及危险特性表 (5)铜粉的理化性质及危险特性表 (6)间氨基苯酚的理化性质及危险特性表 (7)碳酸二甲酯的理化性质及危险特性表 (8)镍的理化性质及危险特性表 (9)丙烷的理化性质及危险特性表 (10)丙烯的理化性质及危险特性表 (11)氦的理化性质及危险特性表 (12)氩的理化性质及危险特性表 (13)汽油的理化性质及危险特性表 (14)邻氯硝基苯的理化性质及危险特性表 (15)渣油的理化性质及危险特性表 (16)沥青的理化性质及危险特性表 (17)硫酸氢钠的理化性质及危险特性表 (18)二氧化碳的理化性质及危险特性表 (19)硬脂酸钙的理化性质及危险特性表 (20)高密度聚乙烯的理化性质及危险特性表 (21)乙腈的理化性质及危险特性表 (22)尿素的理化性质和危险特性表 (23)对甲苯磺酰氯的理化性质及危险特性表 (24)正戊醇的理化性质及危险特性表 (25)白磷的理化性质及危险特性表 (26)红磷的理化性质及危险特性表 (27)三乙胺的理化性质及危险特性表 (28)叔丁醇的理化性质及危险特性表 (29)邻氨基苯酚的理化性质及危险特性表 (30)异丁酸的理化性质及危险特性表 (31)亚磷酸三乙酯的理化性质及危险特性表 (32)碳酸钾的理化性质及危险特性表 (33)三氯化氮的理化性质及危险特性表 (34)草酰氯的理化性质及危险特性表 (35)五氧化二磷的理化性质及危险特性表 (36)苯磺酰氯的理化性质及危险特性表 (37)硫酸铜的理化性质及危险特性表 (38)二氯甲烷的理化性质及危险特性表 (39)顺丁烯二酸酐的理化性质及危险特性表 (40)一甲胺(无水)的理化性质及危险特性表 (41)丁二酰亚胺的理化性质及危险特性表 (42)氧氯化铜的理化性质及危险特性表 (43)丙烯腈的理化性质及危险特性表 (47)丙烯酸乙酯的理化性质及危险特性表 (48)丙烯酸的理化性质及危险特性表 (49)邻二甲苯的理化性质及危险特性表 (50)间二甲苯的理化性质及危险特性表 (51)对二甲苯的理化性质及危险特性表 (52)莠去津的理化性质及危险特性表 (53)铝粉的理化性质及危险特性表 (54)二氯化铜的理化性质及危险特性表 (55)2,4-二氨基甲苯的理化性质及危险特性表 (56)甲醚的理化性质及危险特性表 (57)甲硫醇的理化性质及危险特性表 (58)乙烯的理化性质及危险特性表 (59)硫酸钠的理化性质及危险特性表 (60)甲醇钠的理化性质及危险特性表 (61)亚硫酸钠的理化性质及危险特性表 (62)氟乐灵的理化性质及危险特性表 (63)甲苯的理化性质及危险特性表 (64)苯乙烯的理化性质及危险特性表 (65)氯化苄的理化性质及危险特性表 (66)煤焦油的理化性质及危险特性表 (67)苯的理化性质及危险特性表 (68)甲醇的理化性质及危险特性表 (69)正丁醇的理化性质及危险特性表 (70)异丁醇的理化性质及危险特性表 (71)异丙醇的理化性质及危险特性表 (72)丁酮的理化性质及危险特性表 (73)乙酸丁酯的理化性质及危险特性表 (74)盐酸的理化性质及危险特性表 (75)三氯化铁的理化性质及危险特性表 (76)硫酸的理化性质及危险特性表 (77)氢氧化钠的理化性质及危险特性表 (78)二氯化苄的理化性质及危险特性表 (79)碳酸氢铵的理化性质及危险特性表 (80)氢氧化钾的理化性质及危险特性表 (81)氯化铝(无水)的理化性质及危险特性表 (82)氨气的理化性质及危险特性表 (83)二氧化硫的理化性质和危险特性表 (84)三氧化硫的理化性质和危险特性表 (85)氯化氢的理化性质及危险特性表 (86)氟化硅的理化性质及危险特性表 (87)氟化氢的理化性质及危险特性表 (88)磷酸的理化性质及危险特性表 (89)硫磺的理化性质及危险特性表 (93)丙酮的理化性质及危险特性表 (94)乙酸乙酯的理化性质及危险特性表 (95)N,N-二甲基甲酰胺的理化性质及危险特性表 (96)环己酮的理化性质及危险特性表 (97)乙醚的理化性质及危险特性表 (98)重铬酸钾的理化性质及危险特性表 (99)过氧化钠的理化性质及危险特性表 (100)硝酸银的理化性质及危险特性表 (101)氨水的理化性质及危险特性表 (102)环氧树脂的理化性质及危险特性表 (103)硝酸钡的理化性质及危险特性表 (104)碳酸钡的理化性质及危险特性表 (105)二氧化氯的理化性质及危险特性表 (106)石油焦油的理化性质及危险特性表 (107)苯酚的理化性质及危险特性表 (108)正辛醇的理化性质及危险特性表 (109)异辛醇的理化性质及危险特性表 (110)仲辛醇的理化性质及危险特性表 (111)甲醛的理化性质及危险特性表 (112)氧气的理化性质及危险特性表 (113)炭黑的理化性质及危险特性表 (114)正己烷的理化性质及危险特性表 (115)亚硝酸钠的理化性质及危险特性表 (116)硝酸钾的理化性质及危险特性表 (117)乌洛托品的理化性质及危险特性表 (118)电石的理化性质及危险特性表 (119)氟利昂-143的理化性质及危险特性表 (120)氟利昂-21的理化性质及危险特性表 (121)氟利昂-22的理化性质及危险特性表 (122)氟利昂-115的理化性质及危险特性表 (123)氟利昂-113的理化性质及危险特性表 (124)溴素的理化性质及危险特性表 (125)苯乙烯的理化性质及危险特性表 (126)辛硫磷的理化性质及危险特性表 (127)氰戊菊酯的理化性质及危险特性表 (128)马拉硫磷的理化性质及危险特性表 (129)毒死蜱的理化性质及危险特性表 (130)甲基硫菌灵的理化性质及危险特性表 (131)氯氰菊酯的理化性质及危险特性表 (132)三氟氯氰菊酯的理化性质及危险特性表 (133)环烷酸锌的理化性质及危险特性表 (134)硫化钠的理化性质及危险特性表 (135)四氯化碳的理化性质及危险特性表 (139)保险粉的理化性质及危险特性表 (140)过氧化氢的理化性质及危险特性表 (141)乙酸酐的理化性质及危险特性表 (142)4-氟苯胺的理化性质及危险特性表 (143)硝酸钠的理化性质及危险特性表 (144)2-丁酮的理化性质及危险特性表 (145)二氯甲烷的理化性质及危险特性表 (146)哌啶的理化性质及危险特性表 (147)三氯甲烷的理化性质及危险特性表 (148)三氧化铬(铬酸酐)的理化性质及危险特性表 (149)氯化钡的理化性质及危险特性表 (150)重铬酸钠(红矾钠)的理化性质及危险特性表 (151)水合肼的理化性质及危险特性表 (152)硫氢化钠的理化性质及危险特性表 (153)二硫化碳的理化性质及危险特性表 (154)五硫化二磷的理化性质及危险特性表 (155)二溴甲烷的理化性质及危险特性表 (156)氯溴甲烷的理化性质及危险特性表 (157)硫化氢的理化性质及危险特性表 (158)溴化氢的理化性质及危险特性表 (159)磷化氢的理化性质及危险特性表 (160)氯气的理化性质及危险特性表 (161)巯基乙酸的理化性质及危险特性表 (162)氯乙酸钠的理化性质及危险特性表 (163)氯乙酸的理化性质及危险特性表 (164)二氯异氰尿酸钠的理化性质及危险特性表 (165)乙二醇的理化性质及危险特性表 (166)正丙醇的理化性质及危险特性表 (167)丙二醇的理化性质及危险特性表 (168)硝酸的理化性质及危险特性表 (169)吡啶的理化性质及危险特性表 (170)2-甲基吡啶的理化性质及危险特性表 (171)3-甲基吡啶的理化性质及危险特性表 (172)乙醛的理化性质及危险特性表 (173)氮的理化性质及危险特性表 (174)润滑油的理化性质及危险特性表 (175)正庚烷的理化性质及危险特性表 (176)均三甲苯的理化性质及危险特性表 (177)硝酸铵的理化性质及危险特性表 (178)高锰酸钾的理化性质及危险特性表 (179)氯甲酸乙酯的理化性质及危险特性表 (180)甲烷的理化性质及危险特性表 (181)五氧化二磷的理化性质及危险特性表 (185)氯化溴的理化性质和危险特性表 (186)锌粉的理化性质和危险特性表 (187)乙胺的理化性质和危险特性表 (188)异丙胺的理化性质和危险特性表 (189)乙醇的理化性质及危险特性表 (190)磷酸三乙酯的理化性质及危险特性表 (191)2-氨基-5-硝基苯酚的理化性质及危险特性表 (192)乙苯的理化性质及危险特性表 (193)碳酸钠的理化性质及危险特性表 (194)氯甲烷的理化性质及危险特性表 (195)2-硝基乙苯的理化性质及危险特性表 (196)4-硝基乙苯的理化性质及危险特性表 (197)对硝基苯甲酸的理化性质及危险特性表 (198)氯化铵的理化性质及危险特性表 (199)氯乙酸甲酯的理化性质及危险特性表 (200)氯酸钠的理化性质及危险特性表 (201)β-萘酚的理化性质及危险特性表 (202)对硝基苯胺的理化性质及危险特性表 (203)2,4-二硝基氯苯的理化性质及危险特性表 (204)2,4-二硝基苯胺的理化性质及危险特性表 (205)2,6-二硝基苯胺的理化性质及危险特性表 (206)3,5-二硝基苯胺的理化性质及危险特性表 (207)溴酸钠的理化性质及危险特性表 (208)氨溶液的理化性质及危险特性表 (209)溴乙烷的理化性质及危险特性表 (210)氢气的理化性质一览表 (211)噻吩的理化性质和危险特性表 (212)四氢呋喃的理化性质和危险特性表 (213)环氧乙烷的理化性质和危险特性表 (214)多聚磷酸的理化性质和危险特性表 (215)氢溴酸的理化性质和危险特性表 (216)氯化亚砜的理化性质和危险特性表 (217)氰化亚铜的理化性质和危险特性表 (218)3-氯丙烯的理化性质和危险特性表 (219)邻苯二甲酸酐的理化性质和危险特性表 (220)次氯酸钠的理化性质和危险特性表 (221)N,N-二甲基甲酰胺的理化性质和危险特性表 (222)三氯氧磷的理化性质和危险特性表 (223)硫酸二甲酯的理化性质和危险特性表 (224)氰化钾的理化性质和危险特性表 (225)氰化钠的理化性质和危险特性表 (226)莠灭净的理化性质及危险特性表镁粉的理化性质及危险特性表铜粉的理化性质及危险特性表镍的理化性质及危险特性表丙烷的理化性质及危险特性表邻氯硝基苯的理化性质及危险特性表高密度聚乙烯的理化性质及危险特性表对甲苯磺酰氯的理化性质及危险特性表正戊醇的理化性质及危险特性表白磷的理化性质及危险特性表红磷的理化性质及危险特性表叔丁醇的理化性质及危险特性表邻氨基苯酚的理化性质及危险特性表异丁酸的理化性质及危险特性表亚磷酸三乙酯的理化性质及危险特性表碳酸钾的理化性质及危险特性表三氯化氮的理化性质及危险特性表草酰氯的理化性质及危险特性表顺丁烯二酸酐的理化性质及危险特性表一甲胺(无水)的理化性质及危险特性表联苯-联苯醚的理化性质及危险特性表。
表- 乙烯的理化性质及危险特性分子式。
| C2H4.|分子量。
| 28.05 g/mol。
|外观。
| 无色气体。
|密度。
| 0. g/cm3 |熔点。
| -169.2 ℃ |沸点。
| -103.7 ℃ |可燃性。
| 易燃。
|爆炸极限。
| 下限: 2.76%,上限: 32.7% |主要用途。
| 乙烯是一种重要的工业原料,广泛用于生产聚乙烯、乙烯醋酸乙酯等化工产品。
|危险特性。
| 乙烯易燃,加热至燃点后能与空气形成爆炸性混合物,容易引发火灾和爆炸事故。
接触高浓度乙烯可导致眼刺激、呼吸困难、意识模糊等。
长期接触可能对肺部和中枢神经系统造成伤害。
|乙烯(C2H4)是一种无色气体,具有低熔点和低沸点。
其密度为0. g/cm3.乙烯可作为燃料,易燃且可与空气形成爆炸性混合物。
其爆炸极限范围在空气中的下限为2.76%,上限为32.7%。
乙烯是一种重要的工业原料,广泛用于生产聚乙烯、乙烯醋酸乙酯等化工产品。
乙烯具有一定的危险特性。
高浓度乙烯接触会导致眼刺激、呼吸困难、意识模糊等症状。
长期接触可能对肺部和中枢神经系统造成伤害。
因此,在乙烯的使用和储存过程中,必须注意防火防爆措施,确保操作环境的安全。
在乙烯的运输和处理过程中,必须遵守相关法规和标准,以减少危险事故的发生。
以上是乙烯的理化性质及危险特性的简要介绍。
如果需要更详细的信息,建议参阅可靠的化学手册或与相关专业人员咨询。
危险化学品物理特性表⽬录莠灭净的理化性质及危险特性表 (1)甲基丙烯酸的理化性质及危险特性表 (2)丙烯酰胺的理化性质及危险特性表 (3)液化⽯油⽓的理化性质及危险特性表 (4)镁粉的理化性质及危险特性表 (5)铜粉的理化性质及危险特性表 (6)间氨基苯酚的理化性质及危险特性表 (7)碳酸⼆甲酯的理化性质及危险特性表 (8)镍的理化性质及危险特性表 (9)丙烷的理化性质及危险特性表 (10)丙烯的理化性质及危险特性表 (11)氦的理化性质及危险特性表 (12)氩的理化性质及危险特性表 (13)汽油的理化性质及危险特性表 (14)邻氯硝基苯的理化性质及危险特性表 (15)渣油的理化性质及危险特性表 (16)沥青的理化性质及危险特性表 (17)硫酸氢钠的理化性质及危险特性表 (18)⼆氧化碳的理化性质及危险特性表 (19)硬脂酸钙的理化性质及危险特性表 (20)⾼密度聚⼄烯的理化性质及危险特性表 (21)⼄腈的理化性质及危险特性表 (22)尿素的理化性质和危险特性表 (23)对甲苯磺酰氯的理化性质及危险特性表 (24)正戊醇的理化性质及危险特性表 (25)⽩磷的理化性质及危险特性表 (26)红磷的理化性质及危险特性表 (27)三⼄胺的理化性质及危险特性表 (28)叔丁醇的理化性质及危险特性表 (29)邻氨基苯酚的理化性质及危险特性表 (30)异丁酸的理化性质及危险特性表 (31)苯磺酰氯的理化性质及危险特性表 (37)硫酸铜的理化性质及危险特性表 (38)⼆氯甲烷的理化性质及危险特性表 (39)顺丁烯⼆酸酐的理化性质及危险特性表 (40)⼀甲胺(⽆⽔)的理化性质及危险特性表 (41)丁⼆酰亚胺的理化性质及危险特性表 (42)氧氯化铜的理化性质及危险特性表 (43)丙烯腈的理化性质及危险特性表 (47)丙烯酸⼄酯的理化性质及危险特性表 (48)丙烯酸的理化性质及危险特性表 (49)邻⼆甲苯的理化性质及危险特性表 (50)间⼆甲苯的理化性质及危险特性表 (51)对⼆甲苯的理化性质及危险特性表 (52)莠去津的理化性质及危险特性表 (53)铝粉的理化性质及危险特性表 (54)⼆氯化铜的理化性质及危险特性表 (55)2,4-⼆氨基甲苯的理化性质及危险特性表 (56)甲醚的理化性质及危险特性表 (57)甲硫醇的理化性质及危险特性表 (58)⼄烯的理化性质及危险特性表 (59)硫酸钠的理化性质及危险特性表 (60)甲醇钠的理化性质及危险特性表 (61)亚硫酸钠的理化性质及危险特性表 (62)氟乐灵的理化性质及危险特性表 (63)甲苯的理化性质及危险特性表 (64)苯⼄烯的理化性质及危险特性表 (65)氯化苄的理化性质及危险特性表 (66)煤焦油的理化性质及危险特性表 (67)苯的理化性质及危险特性表 (68)甲醇的理化性质及危险特性表 (69)盐酸的理化性质及危险特性表 (75)三氯化铁的理化性质及危险特性表 (76)硫酸的理化性质及危险特性表 (77)氢氧化钠的理化性质及危险特性表 (78)⼆氯化苄的理化性质及危险特性表 (79)碳酸氢铵的理化性质及危险特性表 (80)氢氧化钾的理化性质及危险特性表 (81)氯化铝(⽆⽔)的理化性质及危险特性表 (82)氨⽓的理化性质及危险特性表 (83)⼆氧化硫的理化性质和危险特性表 (84)三氧化硫的理化性质和危险特性表 (85)氯化氢的理化性质及危险特性表 (86)氟化硅的理化性质及危险特性表 (87)氟化氢的理化性质及危险特性表 (88)磷酸的理化性质及危险特性表 (89)硫磺的理化性质及危险特性表 (93)丙酮的理化性质及危险特性表 (94)⼄酸⼄酯的理化性质及危险特性表 (95)N,N-⼆甲基甲酰胺的理化性质及危险特性表 (96)环⼰酮的理化性质及危险特性表 (97)⼄醚的理化性质及危险特性表 (98)重铬酸钾的理化性质及危险特性表 (99)过氧化钠的理化性质及危险特性表 (100)硝酸银的理化性质及危险特性表 (101)氨⽔的理化性质及危险特性表 (102)环氧树脂的理化性质及危险特性表 (103)硝酸钡的理化性质及危险特性表 (104)碳酸钡的理化性质及危险特性表 (105)⼆氧化氯的理化性质及危险特性表 (106)⽯油焦油的理化性质及危险特性表 (107)仲⾟醇的理化性质及危险特性表 (111)甲醛的理化性质及危险特性表 (112)氧⽓的理化性质及危险特性表 (113)炭⿊的理化性质及危险特性表 (114)正⼰烷的理化性质及危险特性表 (115)亚硝酸钠的理化性质及危险特性表 (116)硝酸钾的理化性质及危险特性表 (117)乌洛托品的理化性质及危险特性表 (118)电⽯的理化性质及危险特性表 (119)氟利昂-143的理化性质及危险特性表 (120)氟利昂-21的理化性质及危险特性表 (121)氟利昂-22的理化性质及危险特性表 (122)氟利昂-115的理化性质及危险特性表 (123)氟利昂-113的理化性质及危险特性表 (124)溴素的理化性质及危险特性表 (125)苯⼄烯的理化性质及危险特性表 (126)⾟硫磷的理化性质及危险特性表 (127)氰戊菊酯的理化性质及危险特性表 (128)马拉硫磷的理化性质及危险特性表 (129)毒死蜱的理化性质及危险特性表 (130)甲基硫菌灵的理化性质及危险特性表 (131)氯氰菊酯的理化性质及危险特性表 (132)三氟氯氰菊酯的理化性质及危险特性表 (133)环烷酸锌的理化性质及危险特性表 (134)硫化钠的理化性质及危险特性表 (135)四氯化碳的理化性质及危险特性表 (139)保险粉的理化性质及危险特性表 (140)过氧化氢的理化性质及危险特性表 (141)⼄酸酐的理化性质及危险特性表 (142)4-氟苯胺的理化性质及危险特性表 (143)硝酸钠的理化性质及危险特性表 (144)2-丁酮的理化性质及危险特性表 (145)三氧化铬(铬酸酐)的理化性质及危险特性表 (149)氯化钡的理化性质及危险特性表 (150)重铬酸钠(红矾钠)的理化性质及危险特性表 (151)⽔合肼的理化性质及危险特性表 (152)硫氢化钠的理化性质及危险特性表 (153)⼆硫化碳的理化性质及危险特性表 (154)五硫化⼆磷的理化性质及危险特性表 (155)⼆溴甲烷的理化性质及危险特性表 (156)氯溴甲烷的理化性质及危险特性表 (157)硫化氢的理化性质及危险特性表 (158)溴化氢的理化性质及危险特性表 (159)磷化氢的理化性质及危险特性表 (160)氯⽓的理化性质及危险特性表 (161)巯基⼄酸的理化性质及危险特性表 (162)氯⼄酸钠的理化性质及危险特性表 (163)氯⼄酸的理化性质及危险特性表 (164)⼆氯异氰尿酸钠的理化性质及危险特性表 (165)⼄⼆醇的理化性质及危险特性表 (166)正丙醇的理化性质及危险特性表 (167)丙⼆醇的理化性质及危险特性表 (168)硝酸的理化性质及危险特性表 (169)吡啶的理化性质及危险特性表 (170)2-甲基吡啶的理化性质及危险特性表 (171)3-甲基吡啶的理化性质及危险特性表 (172)⼄醛的理化性质及危险特性表 (173)氮的理化性质及危险特性表 (174)润滑油的理化性质及危险特性表 (175)正庚烷的理化性质及危险特性表 (176)均三甲苯的理化性质及危险特性表 (177)硝酸铵的理化性质及危险特性表 (178)⾼锰酸钾的理化性质及危险特性表 (179)氯甲酸⼄酯的理化性质及危险特性表 (180)锌粉的理化性质和危险特性表 (187)⼄胺的理化性质和危险特性表 (188)异丙胺的理化性质和危险特性表 (189)⼄醇的理化性质及危险特性表 (190)磷酸三⼄酯的理化性质及危险特性表 (191)2-氨基-5-硝基苯酚的理化性质及危险特性表 (192)⼄苯的理化性质及危险特性表 (193)碳酸钠的理化性质及危险特性表 (194)氯甲烷的理化性质及危险特性表 (195)2-硝基⼄苯的理化性质及危险特性表 (196)4-硝基⼄苯的理化性质及危险特性表 (197)对硝基苯甲酸的理化性质及危险特性表 (198)氯化铵的理化性质及危险特性表 (199)氯⼄酸甲酯的理化性质及危险特性表 (200)氯酸钠的理化性质及危险特性表 (201)β-萘酚的理化性质及危险特性表 (202)对硝基苯胺的理化性质及危险特性表 (203)2,4-⼆硝基氯苯的理化性质及危险特性表 (204) 2,4-⼆硝基苯胺的理化性质及危险特性表 (205) 2,6-⼆硝基苯胺的理化性质及危险特性表 (206) 3,5-⼆硝基苯胺的理化性质及危险特性表 (207)溴酸钠的理化性质及危险特性表 (208)氨溶液的理化性质及危险特性表 (209)溴⼄烷的理化性质及危险特性表 (210)氢⽓的理化性质⼀览表 (211)噻吩的理化性质和危险特性表 (212)四氢呋喃的理化性质和危险特性表 (213)环氧⼄烷的理化性质和危险特性表 (214)多聚磷酸的理化性质和危险特性表 (215)氢溴酸的理化性质和危险特性表 (216)氯化亚砜的理化性质和危险特性表 (217)氰化亚铜的理化性质和危险特性表 (218)N,N-⼆甲基甲酰胺的理化性质和危险特性表 (222)三氯氧磷的理化性质和危险特性表 (223)硫酸⼆甲酯的理化性质和危险特性表 (224)氰化钾的理化性质和危险特性表 (225)氰化钠的理化性质和危险特性表 (226)莠灭净的理化性质及危险特性表镍的理化性质及危险特性表丙烷的理化性质及危险特性表氦的理化性质及危险特性表。
表-液化石油产品的理化性质及危险特性
本文档旨在介绍液化石油产品的理化性质及危险特性。
液化石油产品是一类重要的能源资源,我们需要了解它们的性质和可能存在的危险特性,以便在使用和处理过程中采取适当的措施。
以下是一些常见的液化石油产品及其理化性质和危险特性的信息。
1. 液化石油气(LPG)
- 理化性质:
- 分子式:C3H8、C4H10等
- 密度:较轻,比空气轻
- 熔点:-188.2°C
- 沸点:约-42°C(丙烷)
- 危险特性:
- 易燃,易爆
- 高压气体,内压力高
- 对皮肤和眼睛有刺激性
2. 液化天然气(LNG)
- 理化性质:
- 分子式:CH4
- 密度:较轻,比空气轻
- 熔点:-161.6°C
- 沸点:约-162°C
- 危险特性:
- 易燃
- 极低温,接触可能导致冷烫伤
- 高压气体,内压力高
3. 煤油
- 理化性质:
- 密度:较重,比水重
- 熔点:约-47°C
- 沸点:约175°C
- 危险特性:
- 易燃
- 挥发性高,蒸气可形成易燃混合物- 对环境有潜在危害
请注意,液化石油产品的性质和危险特性可能因品牌、成分或其他因素而有所不同。
使用和处理液化石油产品时,请仔细阅读和遵守相关的安全操作指南和法规要求,确保安全使用。
以上内容仅供参考,具体的液化石油产品性质和危险特性请参考相关资料和权威机构的发布文件。
表- 液态石油气的理化性质及危险特性
液态石油气是一种无色透明的液体,化学式为C3H8,分子量为44.1。
其密度为0.553 g/cm3(20°C),熔点为-187.6°C,沸点为-42.1°C。
液态石油气具有高度易燃、易爆炸的危险特性。
由于液态石油气具有较低的闪点(-104°C),只需极小的能量
就能引发燃烧。
其爆炸上限为9.5%(体积浓度),爆炸下限为1.8%(体积浓度)。
在燃烧过程中,液态石油气能产生2220 kJ/mol的
燃烧热,并生成二氧化碳和水等燃烧产物。
因此,在涉及液态石油气的操作中,必须采取严格的安全措施,避免火源的接触以及过高的温度和压力。
应储存在通风良好的地方,并远离热源和火源。
同时,在运输、储存和使用液态石油气时,需
要遵循相关法规和标准,确保人身安全和环境保护。
以上是液态石油气的理化性质及危险特性的简要介绍,希望能
对您有所帮助。
表-液化石油气体的理化性质及危险性
液化石油气体是一种常用的工业和家庭燃料。
其外观为无色透
明液体,主要成分为丙烷和丁烷。
其理化性质包括分子式为C3H8,分子量为44.097 g/mol,沸点为-42.2°C,密度为0.493 g/cm³,燃点
为-104°C。
然而,液化石油气体具有一定的危险性。
首先,它是易燃气体,接触明火或高温会引发火灾。
此外,液化石油气体与空气混合后容
易形成爆炸性混合物,存在爆炸的风险。
在过量吸入液化石油气体时,会引起窒息,长期接触对健康有害。
为了确保安全,使用液化石油气体时需要采取相应的防护措施。
用户应穿戴防护服、面罩和手套,保持通风,并远离明火和热源等
潜在的危险因素。
请注意,以上信息仅供参考,具体情况还需根据实际需求进行
进一步确认。
乙烯的理化性质及危险特性
概述
乙烯(又称乙烯烃、乙烯基)是一种无色、无臭的气体,分子
式为C2H4。
它是有机化合物的一种,常见于石油、天然气等化石
燃料的裂解产物中。
乙烯具有一些重要的理化性质和危险特性,本
文将对其进行介绍。
理化性质
1. 熔点和沸点:
- 乙烯的熔点为-169.4℃,沸点为-103.7℃。
由于其较低的沸点,乙烯常以气体形式存在。
2. 密度:
- 乙烯的密度为0.909 g/cm³(20℃,液态),0. g/cm³(0℃,
气态)。
3. 溶解性:
- 在常温下,乙烯几乎不溶于水,但可溶于多数有机溶剂,如
醇类、醚类和脂类等。
4. 燃烧性:
- 乙烯是易燃物质,在空气中与氧气反应会产生火焰,燃烧产物主要为二氧化碳和水。
5. 化学反应:
- 乙烯可以通过加成反应与许多物质发生反应,如与卤素、硫酸、硝酸等。
危险特性
1. 火灾和爆炸:
- 乙烯是易燃气体,与火源接触可能引发爆炸。
在空气中的浓度达到3.4%到36%时,乙烯能够形成可燃气体混合物。
2. 毒性:
- 乙烯对人体有一定的毒性,长时间暴露于高浓度乙烯气体中会引起嗜睡、头痛、头晕等中毒症状。
3. 环境影响:
- 乙烯会对环境造成一定影响,其燃烧生成的二氧化碳是温室
气体之一,对全球气候变化产生影响。
结论
乙烯是一种重要的化学物质,具有独特的理化性质和危险特性。
在使用和处理乙烯时,应注意其易燃性和对人体健康的影响,同时
也要重视其对环境的潜在影响。
表- 煤气的理化性质及危险特性煤气是一种常见的可燃气体,具有一系列特定的理化性质和危险特性。
了解这些属性对于安全和环境保护非常重要。
煤气的理化性质如下:1. 化学性质:煤气主要由甲烷(CH4)组成,还包括少量的乙烯(C2H4)、乙炔(C2H2)等。
它具有较高的燃烧热值和良好的可燃性。
2. 物理性质:- 相态:煤气在常温下为气态。
- 颜色和气味:煤气无色无味,不易被察觉。
- 密度:煤气的密度较轻,低于空气,会上升到较高的位置。
- 溶解性:煤气在水中溶解度较低。
煤气的危险特性主要包括以下几个方面:1. 易燃性:煤气具有较高的可燃性,能与空气形成可燃混合物。
一旦遇到明火、电火花或高温,易引发火灾或爆炸。
2. 窒息性:煤气的密度轻,会上升到较高位置。
因此,在密闭的空间中,煤气能够取代空气,导致氧气不足,引致窒息。
3. 毒性:煤气无色无味,人体对其无感知能力。
当煤气浓度超过一定程度时,可引发中毒,造成身体伤害甚至死亡。
4. 爆炸性:煤气与空气形成爆炸范围,当浓度在爆炸下限和爆炸上限之间时,如果有点火源,就可能发生爆炸事故。
为保障安全,使用煤气时需采取适当的预防措施。
这些措施可能包括但不限于:- 通风良好的使用环境,确保煤气迅速散发;- 安全存储和传输方式,以防止泄漏;- 完善的火灾防控设备和应急处理预案;- 定期进行安全检查和维护,确保设备正常工作。
总之,煤气具有可燃、窒息和毒性等危险特性。
了解和遵守煤气的理化性质,采取相应的安全措施,可以有效降低事故发生的风险,维护人员安全和环境健康。
表F3-1 氢气的理化性质及危险、有害特性表标识中文名氢、氢气英文名Hydrogen 分子式H2相对分子质量 2危险性类别第2.1类易燃气体CAS号1333-74-0 危规号21001 UN编号1049 包装分类Ⅱ包装标志易燃气体化学类别非金属单质火灾危险性类别甲主要用途用于合成氨和甲醇,石油精制、有机物氢化及用作火箭燃料。
理化性质外观与性状无色无味气体溶解性不溶于水,微溶于乙醇、乙醚熔点(℃)-259.2 沸点(℃)-252.8相对密度(水=1)0.07(-252℃)相对蒸气密度(空气=1)0.07燃烧热(kJ/mol)241.0 饱和蒸汽压(kPa)13.3(-257.9℃)临界压力(MPa) 1.30 临界温度(℃)-240燃烧特性与消防燃烧性易燃燃烧(分解)产物H2O 爆炸下限(%) 4.1 爆炸上限(%)75引燃温度(℃)500~571 最小点火能(mJ)0.019最大爆炸压力(MPa)0.720危险特性与空气混合能形成爆炸性混合物,遇热或明火即爆炸。
气体比空气轻,在室内使用和储存时,漏气上升滞留屋顶不易排出,遇火星会引起爆炸。
氢气与氟、氯、溴等卤素会发生剧烈反应。
禁忌物强氧化剂,卤素。
灭火方法切断气源。
若不能切断气源,则不允许熄灭泄漏处的火焰。
喷水冷却容器,可能的话将容器从火场移至空旷处。
灭火剂:雾状水、泡沫、二氧化碳、干粉。
健康危害车间卫生标准中国:未制定标准;美国(ACGIH):未制定标准。
侵入途径吸入健康危害本品在生理学上是惰性气体,仅在高浓度时,由于空气中氧分压降低才引起窒息。
在很高的分压下,氢气可呈现出麻醉作用。
防防护措施工程控制生产过程密闭,全面通风。
呼吸系统防护一般不需要特殊防护,高浓度接触时可佩戴空气呼吸器。
眼睛防护一般不需特殊防护。
身体防护穿防静电工作服。
手防护戴一般作业防护手套。
其他防护工作现场严禁吸烟。
避免高浓度吸入。
进入限制性空间或其它高浓度区作业,须有人监护。