高考物理一轮复习文档:第十一章 第2讲 变压器 电能的输送 讲义
- 格式:doc
- 大小:604.04 KB
- 文档页数:15
第2讲变压器、电能的输送一、理想变压器1.构造如图1所示,变压器是由闭合铁芯和绕在铁芯上的两个线圈组成的.图1(1)原线圈:与交流电源连接的线圈,也叫初级线圈.(2)副线圈:与负载连接的线圈,也叫次级线圈.2.原理电流磁效应、电磁感应.3.理想变压器原、副线圈基本量的关系理想变压器(1)没有能量损失(绕线无电阻、铁芯无涡流)(2)没有磁通量损失(磁通量全部集中在铁芯中)基本关系功率关系根据能量守恒可得:原线圈的输入功率等于副线圈的输出功率,即P入=P出电压关系原、副线圈的电压之比等于其匝数之比,公式:U1U2=n1n2,与负载、副线圈的个数无关电流关系(1)只有一个副线圈时:I1I2=n2n1(2)有多个副线圈时:由P入=P出得I1U1=I2U2+I3U3+…+I n U n或I1n1=I2n2+I3n3+…+I n n n频率关系f1=f2(变压器不改变交变电流的频率)4.几种常用的变压器(1)自耦变压器——调压变压器,如图2甲(降压作用)、乙(升压作用)所示.图2(2)互感器⎩⎪⎨⎪⎧电压互感器(n1>n2):把高电压变成低电压如图丙所示.电流互感器(n1<n2):把大电流变成小电流如图丁所示.自测1关于理想变压器,下列说法正确的是()A.变压器只对变化的电流起作用,对恒定电流不起作用B.变压器不但能改变交变电流的电压,还能改变交变电流的频率C.正常工作的变压器,当副线圈与用电器断开时,副线圈两端无电压D.变压器副线圈并联更多的用电器时,原线圈输入的电流随之减小答案A二、电能的输送如图3所示,发电站输出电功率为P,输电电压为U,用户得到的电功率为P′,用户的电压为U′,输电电流为I,输电线总电阻为R.图31.输电电流I=PU=P′U′=U-U′R.2.电压损失(1)ΔU=U-U′(2)ΔU=IR3.功率损失(1)ΔP =P -P ′ (2)ΔP =I 2R =(P U)2R4.减少输电线上电能损失的方法(1)减小输电线的电阻R .由R =ρlS 知,可加大导线的横截面积、采用电阻率小的材料做导线.(2)减小输电线中的电流.在输电功率一定的情况下,根据P =UI ,要减小电流,必须提高输电电压.自测2 (多选)(2019·山东菏泽市下学期第一次模拟)如图4所示为远距离输电的原理图,升压变压器和降压变压器均为理想变压器,发电厂的输出电压恒定、输电线上的电阻不变,假设用户所用用电器都是纯电阻用电器,若发现发电厂发电机输出的电流增大了,则可以判定( )图4A .通过用户的电流减小了B .用户接入电路的总电阻减小了C .用户消耗的电功率减小了D .加在用户两端的电压变小了 答案 BD解析 如果发电机输出电流增大,输送电流增大,通过用户的电流增大,A 项错误;由于输电线上的损失的电压增大,因此降压变压器输入、输出电压均减小,即加在用户两端的电压变小了,D 项正确;由I 2U 2=I 22R +(n 3n 4I 2)2R 用户可知,输送电流增大,是由于R 用户减小引起的,B 项正确;当用户总电阻减小时,即用户所用用电器增多,用户消耗的电功率增大,C 项错误.例1 (2016·全国卷Ⅰ·16)一含有理想变压器的电路如图5所示,图中电阻R 1、R 2和R 3的阻值分别为3 Ω、1 Ω和4 Ω,为理想交流电流表,U 为正弦交流电压源,输出电压的有效值恒定.当开关S 断开时,电流表的示数为I ;当S 闭合时,电流表的示数为4I .该变压器原、副线圈匝数比为( )图5A .2B .3C .4D .5 答案 B解析 开关断开时,电路如图甲所示,原、副线圈的电流比I I 2=n 2n 1,通过R 2的电流I 2=In 1n 2,副线圈的输出电压U 2=I 2(R 2+R 3)=5In 1n 2,由U 1U 2=n 1n 2可得原线圈两端的电压U 1=5I ⎝⎛⎭⎫n 1n 22,则U =U 1+IR 1=5I ⎝⎛⎭⎫n 1n 22+3I ;开关闭合时,电路如图乙所示,原、副线圈的电流比4I I 2′=n 2n 1,通过R 2的电流I 2′=4In 1n 2,副线圈的输出电压U 2′=I 2′R 2=4In 1n 2,由U 1′U 2′=n 1n 2可得原线圈两端的电压U 1′=4I ⎝⎛⎭⎫n 1n 22,则U =U 1′+4IR 1=4I ⎝⎛⎭⎫n 1n 22+12I ,联立解得n 1n 2=3,选项B 正确.变式1 (多选)(2016·全国卷Ⅲ·19)如图6所示,理想变压器原、副线圈分别接有额定电压相同的灯泡a 和b.当输入电压U 为灯泡额定电压的10倍时,两灯泡均能正常发光.下列说法正确的是( )图6A .原、副线圈匝数比为9∶1B .原、副线圈匝数比为1∶9C .此时a 和b 的电功率之比为9∶1D .此时a 和b 的电功率之比为1∶9 答案 AD解析 设灯泡的额定电压为U 0,两灯泡均能正常发光,所以原线圈输入端电压为U 1=9U 0,副线圈两端电压为U 2=U 0,故U 1U 2=91,n 1n 2=U 1U 2=91,A 正确,B 错误;根据公式I 1I 2=n 2n 1可得,I 1I 2=19,由于小灯泡两端的电压相等,所以根据公式P =UI 可得,灯泡a 和b 的电功率之比为1∶9,C 错误,D 正确.变式2 (多选)(2019·河南郑州市第一次模拟)如图7甲所示,变压器原、副线圈上有L 1、L 2、L 3、L 4四只灯泡,它们的规格均为“9 V 12 W ”,当在该变压器cd 端输入交变电压u (u -t 图象如图乙所示)时,四只灯泡都正常发光,各电表均为理想交流电表.以下说法正确的是( )图7A .a 、b 端输入电压的瞬时值表达式为u =272sin 100πt (V)B .原、副线圈匝数比为3∶1C .流过灯泡L 2的电流方向每秒改变50次D .电流表的示数为4 A,ab 端输入的功率P ab =48 W 答案 BD解析 由输入端交变电压u -t 图象可求出电压有效值为27 V ,灯泡规格均为“9 V 12 W ”,四只灯泡都正常发光,所以a 、b 端输入电压的有效值是27 V +9 V =36 V ,由题图乙知交流电的周期是0.02 s,所以a 、b 端输入电压的瞬时值表达式为u =362sin 100πt (V),故A 错误;四只灯泡都正常发光,所以副线圈电压为9 V ,根据理想变压器电压比规律得出变压器原、副线圈匝数比为3∶1,故B 正确;由题图乙知交流电的周期为0.02 s,交流电的频率为50 Hz,则流过灯泡L 2的电流方向每秒改变100次,故C 错误;电流表的示数为I =3×129 A =4 A,a 、b 端输入的功率P ab =4×12 W =48 W,故D 正确.1.匝数比不变的情况(如图8)图8(1)U 1不变,根据U 1U 2=n 1n 2,输入电压U 1决定输出电压U 2,不论负载电阻R 如何变化,U 2不变.(2)当负载电阻发生变化时,I 2变化,输出电流I 2决定输入电流I 1,故I 1发生变化. (3)I 2变化引起P 2变化,P 1=P 2,故P 1发生变化. 2.负载电阻不变的情况(如图9)图9(1)U 1不变,n 1n 2发生变化,故U 2变化.(2)R 不变,U 2变化,故I 2发生变化.(3)根据P 2=U 22R ,P 2发生变化,再根据P 1=P 2,故P 1变化,P 1=U 1I 1,U 1不变,故I 1发生变化.例2 (2018·天津理综·4)教学用发电机能够产生正弦式交变电流.利用该发电机(内阻可忽略)通过理想变压器向定值电阻R 供电,电路如图10所示,理想交流电流表A 、理想交流电压表V 的读数分别为I 、U ,R 消耗的功率为P .若发电机线圈的转速变为原来的12,则( )图10A .R 消耗的功率变为12PB .电压表V 的读数变为12UC .电流表A 的读数变为2ID .通过R 的交变电流频率不变 答案 B解析 发电机线圈的转速变为原来的12,由E =nBSω2知,原线圈中输入电压变为原来的12,频率变为原来的12.根据U 1U 2=n 1n 2,知U 2变为原来的12,即U 2=12U ,则通过R 的电流变为原来的12,R 消耗的功率P 2=U 22R =14P ,根据I 1I 2=n 2n 1,原线圈上的电流也变为原来的12,即电流表A 的读数变为12I ,故选B.变式3 (2019·贵州毕节市适应性监测(三))如图11所示,变压器为理想变压器,电流表A 1内阻不可忽略,其余的均为理想的电流表和电压表.a 、b 接在电压有效值不变的交流电源两端,R 0为定值电阻,R 为滑动变阻器.将滑动变阻器的滑片沿c →d 的方向滑动时,则下列说法正确的是( )图11A .电压表V 1、V 2示数不变,V 3示数变小B .电压表V 1、V 2示数变小,V 3示数变大C .电流表A 1、A 2的示数都增大D .电流表A 1的示数变小,A 2的示数增大 答案 C解析 当滑动变阻器从c 向d 滑动的时候,滑动变阻器接入电路的电阻变小,副线圈的总电阻减小,假设副线圈的总电压不变,则副线圈的总电流I 2=U 2R 总增大,变压器的电流关系I 1I 2=n 2n 1可知原线圈的总电流I 1增大,则原线圈两端的电压U 1=U 0-I 1R A 减小,又U 1U 2=n 1n 2,可知副线圈两端的电压U 2减小,滑动变阻器两端的电压U 3=U 2-I 2R 0减小,而电压表V 1测量值是U 1;电压表V 2测量值是U 2,电压表V 3测量值是U 3,电流表A 1测量值是I 1,电流表A 2测量值是I 2,故A 、B 、D 错误,C 正确.1.理清三个回路图12远距离输电电网间的基本结构如图12所示.输电过程的电路被划分为三个独立的回路,即电源回路、输送回路和用户回路.在每个回路中,变压器的原线圈是回路的用电器,而相应的副线圈是下一个回路的电源,每个回路均可应用闭合电路欧姆定律、串并联电路的规律,而变压器的电压、电流、功率关系则是联系不同回路的桥梁. 2.抓住联系(1)理想的升压变压器联系了电源回路和输送回路,由理想变压器原理可得:线圈1(匝数为n 1)和线圈2(匝数为n 2)中各个量间的关系是U 1U 2=n 1n 2,P 1=P 2,I 1n 1=I 2n 2.(2)理想的降压变压器联系了输送回路和用户回路,由理想变压器原理可得:线圈3(匝数为n 3)和线圈4(匝数为n 4)中各个量间的关系是U 3U 4=n 3n 4,P 3=P 4,I 3n 3=I 4n 4.3.掌握一个关系发电机把机械能转化为电能,并通过导线将能量输送给线圈1,线圈1上的能量就是远程输电的总能量,在输送过程中,先被输送回路上的导线电阻损耗一小部分,剩余的绝大部分通过降压变压器和用户回路被用户使用消耗,所以其能量关系为P 1=P 线损+P 用户.例3 (多选)(2019·广东深圳市4月第二次调研)如图13为远距离输电示意图,发电厂输出电压U 1=104 V,输出功率P 1=109 W,两个理想变压器的匝数比分别为n 1∶n 2=1∶100、n 3∶n 4=100∶1,输电线总电阻r =50 Ω.则( )图13A .U 4=U 1B .I 4=I 1C .通过电阻r 的电流I 2=2×104 AD .电阻r 损耗的电功率为5×107 W 答案 BD解析 I 1=P 1U 1=105 A,根据I 1I 2=n 2n 1可得,I 2=n 1n 2I 1=1100×105 A =103 A,则通过电阻r 的电流为103A,故C 错误;电阻r 两端的电压为U r =I 2r =103×50 V =5×104 V,根据U 1U 2=n 1n 2可得,U 2=n 2n 1U 1=100×104 V =106 V,则U 3=U 2-U r =106 V -5×104 V =9.5×105 V,U 4=n 4n 3U 3=1100×9.5×105V =9.5×103 V,则U 4≠U 1,故A 错误;由于I 2=I 3,I 4=n 3n 4I 3=1001×103 A =105 A,则I 4=I 1,故B 正确;电阻r 损耗的电功率P r =I 22r =(103)2×50 W =5×107 W,故D 正确.变式4 (2019·广东清远市期末质量检测)如图14所示,一个小型水电站,其交流发电机的输出电压U 1 一定,通过理想升压变压器T 1 和理想降压变压器T 2向远处用户供电,输电线的总电阻为R .T 1的输入电压和输入功率分别为U 1和P 1,它的输出电压和输出功率分别为U 2和P 2;T 2的输入电压和输入功率分别为U 3和P 3,它的输出电压和输出功率分别为U 4和P 4.下列说法正确的是( )图14A .当用户的用电器增多时,U 2减小,U 4减小B .当用户的用电器增多时,P 1增大,P 3减小C .输电线上损失的功率为ΔP =U 22RD .要减小线路的损耗,应增大升压变压器的匝数比n 2n 1,同时应增大降压变压器的匝数比n 3n 4答案 D解析 交流发电机的输出电压U 1一定,匝数不变,根据U 1U 2=n 1n 2,知U 2不变,故A 错误;当用户的用电器增多时,用户消耗的电功率变大,则输入功率增大,即P 3变大,故B 错误;输电线上损失的功率为ΔP =⎝⎛⎭⎫P 2U 22R ,故C 错误;输送功率一定时,根据P =UI 和P 损=I 2R 知,要减小线路的损耗,应增大输送电压,又U 1一定,根据U 1U 2=n 1n 2知,应增大升压变压器的匝数比n 2n 1;U 3=U 2-I 2R ,U 2增大,I 2减小,所以U 3增大,用户电压U 4不变,根据U 3U 4=n 3n 4知,应增大降压变压器的匝数比n 3n 4,故D 正确.1.自耦变压器自耦变压器(又称调压器),它只有一个线圈,其中的一部分作为另一个线圈,当交流电源接不同的端点时,它可以升压也可以降压,变压器的基本关系对自耦变压器均适用,如图15所示.图152.互感器分为电压互感器和电流互感器,两者比较如下:电压互感器电流互感器原理图原线圈的连接 并联在高压电路中 串联在交流电路中 副线圈的连接 连接电压表 连接电流表 互感器的作用 将高电压变为低电压将大电流变为小电流利用的公式 U 1U 2=n 1n 2I 1n 1=I 2n 2例4 如图16所示的调压器,滑动触头P 和Q 都可以调节,在输入交变电压一定的条件下,要使输出电压增大,输入电流增大,下列做法正确的是( )图16A .Q 不动,P 向下移动B .Q 不动,P 向上移动C .P 不动,Q 向上移动D .P 不动,Q 向下移动 答案 A解析 Q 不动,滑动变阻器的有效电阻不变,P 向下移动,原线圈匝数n 1减小,输入电压U 1不变,副线圈匝数n 2不变,根据变压器的变压规律U 1U 2=n 1n 2知,副线圈的电压增大,即输出电压增大,根据欧姆定律可知输出电流增大,输入电流随之增大,故A 正确;Q 不动,滑动变阻器的有效电阻不变,P 向上移动,原线圈匝数n 1增大,输入电压U 1不变,副线圈匝数n 2不变,根据变压器的变压规律U 1U 2=n 1n 2知,副线圈的电压变小,即输出电压变小,根据欧姆定律可知输出电流减小,输入电流随之减小,故B 错误;若P 不动,则原线圈的匝数不变,根据变压器的变压规律U 1U 2=n 1n 2知,副线圈的电压不变,输出电压不变,Q 向上移动,接入电路的电阻变小,输出电流变大,则输入电流随之变大,故C 错误;若P 不动,则原线圈的匝数不变,根据变压器的变压规律U 1U 2=n 1n 2知,副线圈的电压不变,输出电压不变,Q 向下移动,接入电路的电阻变大,输出电流减小,则输入电流随之减小,故D 错误.变式5 (2019·广东“六校”第三次联考)钳形电流表由电流互感器和电流表组合而成,常用来测量电流强度很大的电流,其原理如图17.若原线圈与副线圈的匝数比为1∶500,电流表A 的示数为1 A,则( )图17A .钳形电流表的钳口是电流互感器的铁芯B .钳形电流表能够用来测量直流电的电流C .被测电路电流的平均值为500 AD .被测电路电流的最大值为500 A答案 A解析 钳形电流表的钳口是电流互感器的铁芯,A 正确;互感器利用的是电磁感应的互感原理,不能用于测量直流电,故B 错误;由I 2I 1=n 1n 2得:I 1=n 2I 2n 1=500×11A =500 A,因为电流表测的是有效值,故C 、D 错误.1.下列关于交变电流、变压器和远距离输电的说法中不正确...的是( ) A .理想变压器的输出电压由输入电压和原副线圈匝数比决定B .交变电流的最大值是有效值的2倍C .降低输电损耗有两个途径:减小输电线的电阻和提高输电电压D .如果把升压变压器的原线圈串联在电路中,副线圈的两端接在普通的交流电流表上,可以制成电流互感器答案 B解析 理想变压器的输出电压由输入电压和原副线圈匝数比决定,选项A 正确;正弦交变电流的最大值是有效值的2倍,选项B 错误;降低输电损耗有两个途径:减小输电线的电阻和提高输电电压,选项C 正确;如果把升压变压器的原线圈串联在电路中,副线圈的两端接在普通的交流电流表上,可以制成电流互感器,选项D 正确.2.(2019·江苏卷·1)某理想变压器原、副线圈的匝数之比为1∶10,当输入电压增加20 V 时,输出电压( )A .降低2 VB .增加2 VC .降低200 VD .增加200 V答案 D解析 假设理想变压器原线圈的输入电压为U 1,则由变压器的工作原理可知U 1n 1=U 2n 2,变压器副线圈的输出电压为U 2=10U 1;当输入电压增加20 V 时,即输入电压为U 1+20 V ,则变压器的输出电压为U 2′=10U 1+10×20 V ,则输出电压的变化量为ΔU =U 2′-U 2=10U 1+200 V -10U 1=200 V,即输出电压增加200 V ,A 、B 、C 错误,D 正确.3.(2019·四川绵阳市第三次诊断)如图1甲所示的电路中,L 1、L 2为两只“3 V 3 W ”的灯泡,变压器为理想变压器,电流表和电压表均为理想交流电表.当a 、b 端接如图乙所示的交变电压时,两只灯泡均正常发光.则( )图1A .电压表的示数为3 VB .电压表的示数为6 VC .电流表的示数为0.2 AD .电流表的示数为0.5 A答案 C解析 根据题图乙可知,该正弦交流电压有效值为U 1=3022V =30 V ,电压表测的是有效值,所以电压表示数为30 V ,A 、B 错误;两灯泡均正常发光,根据串联电路功率关系,副线圈功率P 2=2P L =6 W,根据变压器两端功率相等,所以P 1=P 2=6 W,且P 1=I 1U 1,所以I 1=P 1U 1=630A =0.2 A,C 正确,D 错误.4.(2019·山东济宁市第二次摸底)2009年11月的低温雨雪冰冻天气给我国北方部分地区造成严重灾害,其中高压输电线路因结冰而损毁严重.为消除高压输电线上的冰,事后有人设想利用电流的热效应除冰的融冰思路.若在正常供电时,高压线上输电电压为U ,输电电流为I ,热耗功率为ΔP ;除冰时,在输电功率、用户的输入电压和输电线电阻不变的情况下,通过自动调节变压器的变压比,使输电线上的热耗功率变为16ΔP ,则除冰时( )A .输电电流为4IB .输电电流为16IC .输电电压为4UD .输电电压为U 16答案 A解析 高压线上的热耗功率ΔP =I 2R 线①若热耗功率变为16ΔP ,则16ΔP =I ′2R 线②由①②得I ′=4I ,所以A 正确,B 错误.输电功率不变,由P =UI =U ′I ′得U ′=14U ,所以C 、D 错误. 5.(2019·四川达州市第二次诊断)如图2所示,一自耦变压器接在交流电源上,V 1、V 2为理想交流电压表.下列说法正确的是( )图2A .若P 不动,滑片F 向下滑动时,V 1示数不变,V 2示数变小B .若P 不动,滑片F 向下滑动时,灯泡消耗的功率变大C .若F 不动,滑片P 向上滑动时,V 1示数不变,V 2示数变大D .若F 不动,滑片P 向上滑动时,灯泡消耗的功率变小答案 A解析 设变压器的输入电压为U 1,输出电压为U 2;若P 不动,滑片F 向下移动时,输入电压U 1不变,V 1示数不变,根据变压比公式U 1U 2=n 1n 2,由于n 2减小,故输出电压U 2减小,故灯泡消耗的功率减小,V 2的示数变小,故A 正确,B 错误;若F 不动,根据变压比公式U 1U 2=n 1n 2,输入电压U 1不变,则输出电压U 2也不变,V 1示数不变;滑片P 向上滑动时,滑动变阻器R 的电阻减小,根据闭合电路欧姆定律,干路电流增大,小灯泡中电流、电压都增大,灯泡消耗的功率变大;由U =U 2-U L 可知电压表V 2示数变小,故C 、D 错误.6.(2019·四川遂宁市三诊)如图3所示,理想变压器原、副线圈分别接有额定电压相同的灯泡a 和b.当输入电压U 为灯泡额定电压的7倍时,两灯泡均能正常发光.则灯泡a 与b 的功率之比为( )图3 A .3∶1B .1∶3C .6∶1D .1∶6答案 D解析 输入电压为U ,则两灯泡正常发光时两端电压均为U 7,变压器的匝数比n 1n 2=U -U 7U 7=61,则I 1I 2=n 2n 1=16,根据P =IU 可知灯泡a 与b 的功率之比为1∶6,故选D. 7.(多选)某50 Hz 的钳形电流表的工作原理如图4所示.当通有交流电的导线从环形铁芯的中间穿过时,与绕在铁芯上的线圈相连的电表指针会发生偏转.不考虑铁芯的漏磁及各种能量损耗,已知n 2=1 000 匝,当用该表测50 Hz 交流电时( )图4A .电流表G 中通过的是交变电流B .若G 中通过的电流为50 mA,则导线中的被测电流为50 AC .若导线中通过的是10 A 矩形脉冲交流电,G 中通过的电流是10 mAD .当用该表测量400 Hz 的电流时,测量值比真实值偏小答案 AB解析 变压器只改变交流电电压,不改变交流电的频率,电流表G 中通过的仍是交变电流,A 正确;根据变压器原副线圈电流与匝数成反比:I 1I 2=n 2n 1,I 1=n 2n 1I 2=1 0001×0.05 A =50 A,B 正确;若导线中通过的是10 A 矩形脉冲交流电,当电流方向不发生改变时,电流大小不变,副线圈中无感应电流,C 错误;根据法拉第电磁感应定律和变压器互感原理,改变交流电的频率,不影响测量值的准确性,D 错误.8.(2020·安徽马鞍山市质检)图5甲为远距离输电示意图,理想升压变压器原、副线圈匝数比为1∶1 000,理想降压变压器原、副线圈匝数比为1 000∶1,输电线的总电阻为1 000 Ω,若升压变压器的输入电压如图乙所示,用户端电压为220 V .下列说法正确的是( )图5 A .输电线中的电流为3 AB .电站的输出功率为7 500 kWC .输电线路损耗功率为90 kWD .用户端交变电流的频率为100 Hz答案 B解析 由题图乙知升压变压器输入端电压的最大值为U m =250 2 V,有效值为U 1=U m 2=250 V,根据U 1U 2=n 1n 2,得副线圈两端的电压U 2=n 2n 1U 1=1 0001×250 V =2.5×105 V;用户端电压为220 V ,根据U 3U 4=n 3n 4,得降压变压器原线圈两端的电压U 3=n 3n 4U 4=1 0001×220 V =2.2×105 V,故输电线上损失的电压为ΔU =U 2-U 3=3×104 V,则输电线上的电流为I =ΔU R =3×1041 000A =30 A,电站的输出功率为P 1=P 2=U 2I =7 500 kW,输电线路损耗功率为ΔP =I 2R =900 kW,由题图乙可知,原线圈交变电流的周期为T =0.02 s,则频率为f =1T=50 Hz,变压器不会改变交流电的频率,故用户端交变电流的频率为50 Hz,故B 正确,A 、C 、D 错误.9.(2019·福建龙岩市5月模拟)如图6甲所示,理想变压器原、副线圈的匝数比为3∶1,L 1、L 2、L 3为三只规格均为“9 V 3 W ”的灯泡,各电表均为理想交流电表,定值电阻R 1=9 Ω.输入端交变电压u 随时间t 变化的图象如图乙所示,三只灯泡均正常发光,则( )图6A .电压u 的瞬时值表达式为u =362sin πt (V)B .电压表的示数为33 VC .电流表的示数为1 AD .定值电阻R 2=3 Ω答案 B 解析 由题图乙知,交变电压的周期为T =0.02 s,ω=2πT=100π rad/s,电压u 的瞬时值表达式为u =362sin 100πt (V),故A 错误;灯泡正常发光,每个灯泡的电流为I =P U =13A,故副线圈的电流I 2=3I =1 A,根据变流规律:I 1I 2=n 2n 1,解得原线圈电流I 1=13A,故C 错误;电阻R 1的电压U R 1=I 1R 1=3 V ,由题图乙知输入端电压的有效值为36 V ,则变压器原线圈的电压U 1=36 V -3 V =33 V,所以电压表的示数为33 V,故B 正确;根据变压规律:U 1U 2=n 1n 2,可得副线圈的电压U 2=11 V,电阻R 2两端的电压为U R 2=U 2-U L =11 V -9 V =2 V,故R 2=U R 2I 2=2 Ω,故D 错误. 10.(多选)(2019·福建宁德市5月质检)如图7所示,理想变压器的原线圈接有电压为U 的正弦交流电源,输出电压的有效值恒定.R 1和R 2为定值电阻,R 3为光敏电阻,其阻值随照射光强度的增大而减小.现增大照射光强度,则( )图7A .通过原线圈的电流减小B .变压器的输出功率增大C .R 1两端的电压减小D .R 2消耗的功率减小答案 BD解析 理想变压器输出电压一定,光照增强,光敏电阻R 3阻值减小,副线圈的总电阻减小,根据欧姆定律知,副线圈的电流增大,根据理想变压器电流与匝数的关系可知,通过原线圈的电流也增大,故A 错误;理想变压器的输出功率P =UI ,其中U 不变,I 变大,故变压器的输出功率变大,故B 正确;副线圈电流增大,根据欧姆定律知R 1两端电压增大,故R 2两端电压减小,R 2消耗的功率减小,故C 错误,D 正确.11.(多选)(2019·河南普通高中高考模拟)一浮桶式波浪发电灯塔的原理如图8甲所示,浮桶内的磁体由支柱固定在暗礁上,内置线圈与R =15 Ω的灯泡相连,随波浪相对磁体沿竖直方向上下运动且始终处于磁场中,其运动速度v =0.8πsin (πt ) m/s.浮桶下部由内、外两密封圆筒构成(图中阴影部分),其截面如图乙所示,匝数N =100的圆形线圈所在处辐射磁场的磁感应强度大小恒为B =0.2 T,线圈的直径D =0.4 m,总电阻r =1 Ω.取π2=10.则下列说法正确的是( )图8A.线圈中产生电动势的瞬时值为e=64sin (πt) VB.灯泡中电流的瞬时值为i=4sin (πt) AC.灯泡两端电压的有效值为30 2 VD.灯泡的电功率为240 W答案ABC解析线圈在磁场中切割磁感线,产生的电动势为:E max=NBl v maxl=πD联立得:E max=πNBD v max=π×100×0.2×0.4×0.8π V=64 V则波浪发电产生电动势e的瞬时值为:e=E max sin (πt)=64sin (πt)V,故A正确;根据闭合电路欧姆定律得:i=eR+r=4sin (πt) A,故B正确;灯泡电流的有效值为:I=42A=2 2 A,则灯泡两端电压的有效值为:U=IR=22×15 V=30 2 V,故C正确;灯泡的电功率为:P=I2R=(22)2×15 W=120 W,故D错误.12.(多选)(2019·安徽宣城市第二次模拟)有一种理想自耦变压器的构造如图9所示,线圈a、b 绕在一个圆环形的铁芯上,转动滑动触头P就可以调节输出电压.图中电阻R1、R2、R3和R4的阻值分别为10 Ω、5 Ω、10 Ω和10 Ω,电压表为理想交流电表,U为正弦交流电压源,输出电压的有效值恒定,滑动触头P处在线圈a、b的中点.开关S闭合时电压表的示数是7 V,则下列说法中正确的是()图9A.正弦交流电压源U的峰值为35 VB.开关S断开时,理想电压表的示数为5 VC.开关S闭合时,通过电阻R4的电流为0.7 AD .开关S 闭合时,电阻R 2和R 3消耗的电功率相等答案 BC解析 开关S 闭合时,根据欧姆定律可知通过R 1的电流为I 1=U V R 1=0.7 A,根据电流之比等于匝数的反比可知副线圈的电流为I 2=1.4 A;R 3和R 4并联后与R 2串联的电阻为10 Ω,可知副线圈的电压为U 2=14 V ,根据电压之比等于匝数之比可知原线圈的电压为U 1=28 V ,正弦交流电压源U =U V +U 1=35 V,正弦交流电压源的峰值为35 2 V;通过电阻R 4的电流为12I 2=0.7 A;电阻R 2消耗的电功率P 2=I 22R 2=9.8 W,电阻R 3消耗的电功率P 3=(12I 2)2R 3=4.9 W,故选项C 正确,A 、D 错误;开关S 断开时,R 3和R 2串联的电阻为R 23=15 Ω,设副线圈的电流为I 2′,则副线圈的电压为U 2′=I 2′R 23,根据电流之比等于匝数的反比可知原线圈的电流为I 1′=12I 2′,所以原线圈的电压为U 1′=U -I 1′R 1=U -12I 2′R 1,根据电压之比等于匝数之比可得U 1′=2U 2′,联立解得副线圈的电流为I 2′=1 A,理想电压表的示数为I 1′R 1=12I 2′R 1=5 V ,故选项B 正确. 13.(2019·陕西汉中市第二次教学质检)有4个完全相同的灯泡连接在理想变压器的原、副线圈中,电源输出电压U 恒定不变,如图10所示.若将该线路与交流电源接通,且开关S 接在位置1时,4个灯泡发光亮度相同;若将开关S 接在位置2时,灯泡均未烧坏.则下列可能的是( )图10A .该变压器是降压变压器,原、副线圈匝数比为4∶1B .该变压器是升压变压器,原、副线圈匝数比为1∶4C .当接位置2时副线圈中的灯泡仍能发光,只是亮度变亮D .当接位置2时副线圈中的灯泡仍能发光,只是亮度变暗答案 C解析 四个灯泡亮度相同,所以原线圈电流与副线圈电流之比为1∶3,根据电流与匝数成反比知原、副线圈的匝数比为3∶1,可知该变压器是降压变压器,故A 、B 错误;接到位置2,原线圈输入电压变大,根据电压与匝数的关系可知副线圈电压变大,所以副线圈中的灯泡的电流变大,灯泡仍能发光,但亮度变亮,故C 正确,D 错误.14.(2019·广西桂林市、贺州市、崇左市3月联合调研)如图11甲所示的电路中,理想变压器原、副线圈匝数比为5∶1,电流表和电压表均为理想电表,R 是光敏电阻(其阻值随光强增大而减小),L 是理想线圈,C 是耐压值和电容都足够大的电容器,D 是灯泡,K 是单刀双掷开关.当原。
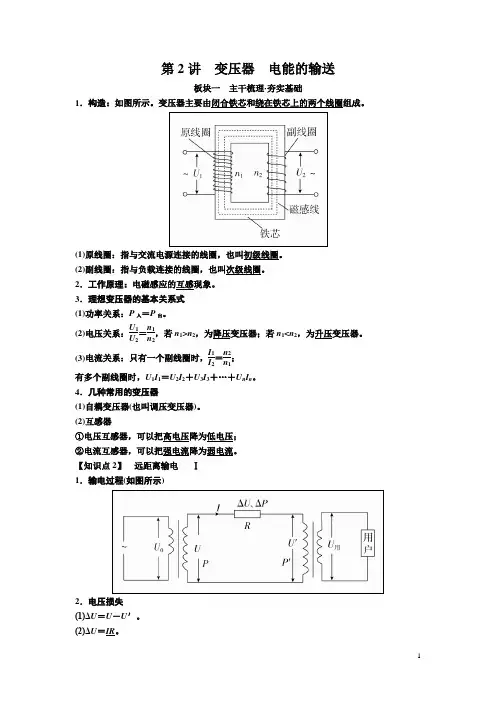
第2讲 变压器 电能的输送板块一 主干梳理·夯实基础1.构造:如图所示。
变压器主要由闭合铁芯和绕在铁芯上的两个线圈组成。
(1)原线圈:指与交流电源连接的线圈,也叫初级线圈。
(2)副线圈:指与负载连接的线圈,也叫次级线圈。
2.工作原理:电磁感应的互感现象。
3.理想变压器的基本关系式 (1)功率关系:P 入=P 出。
(2)电压关系:U 1U 2=n 1n 2,若n 1>n 2,为降压变压器;若n 1<n 2,为升压变压器。
(3)电流关系:只有一个副线圈时,I 1I 2=n 2n 1;有多个副线圈时,U 1I 1=U 2I 2+U 3I 3+…+U n I n 。
4.几种常用的变压器(1)自耦变压器(也叫调压变压器)。
(2)互感器①电压互感器,可以把高电压降为低电压; ②电流互感器,可以把强电流降为弱电流。
【知识点2】 远距离输电 Ⅰ 1.输电过程(如图所示)2.电压损失 (1)ΔU =U -U ′。
(2)ΔU =IR 。
3.功率损失 (1)ΔP =P -P ′。
(2)ΔP =I 2R =⎝⎛⎭⎫P U 2R =ΔU2R 。
4.输送电流 (1)I =P U 。
(2)I =U -U ′R。
板块二 考点细研·悟法培优考点1 理想变压器的工作原理和基本量的关系 [深化理解]1.基本关系(1)无漏磁,故原、副线圈中的Φ、ΔΦΔt相同。
(2)线圈无电阻,因此无电压降,U =E =n ΔΦΔt。
(3)根据U n =ΔΦΔt 得,套在同一铁芯上的线圈,无论是原线圈,还是副线圈,该比例都成立,则有U 1n 1=U 2n 2=U 3n 3=…。
(4)无电能损失,因此P 入=P 出,无论副线圈一个还是多个,总有U 1I 1=U 2I 2+U 3I 3+…,将电压关系代入可得n 1I 1=n 2I 2+n 3I 3+…。
(5)变压器只能改变交变电流的电压和电流,不能改变交变电流的频率。
高考物理一轮复习讲义 第2讲 变压器电能的输送一、变压器1.变压器的构造:如图所示,变压器是由闭合铁芯和绕在铁芯上的两个线圈组成的. (1)原线圈:与交流电源连接的线圈,也叫初级线圈. (2)副线圈:与负载连接的线圈,也叫次级线圈.2.变压器的原理:电流通过原线圈时在铁芯中激发磁场,由于电流的大小、方向在不断变化,铁芯中的磁场也在不断变化.变化的磁场在副线圈中产生感应电动势,所以尽管两个线圈之间没有导线相连,副线圈也能够输出电流.互感现象是变压器工作的基础.3.理想变压器没有能量损失的变压器,即输入功率等于输出功率. 4.基本关系式(1)功率关系:P 入=P 出.(2)电压关系:U 1n 1=U 2n 2;有多个副线圈时,U 1n 1=U 2n 2=U 3n 3=… (3)电流关系:只有一个副线圈时,I 1I 2=n 2n 1.由P 入=P 出及P =UI 推出有多个副线圈时,U 1I 1=U 2I 2+U 3I 3+…+U n I n . 5.几种常用的变压器(1)自耦变压器的原、副线圈共用一个线圈,如图所示.(2)互感器电压互感器电流互感器原理图原线圈的连接 并联在高压电路中 串联在高压电路中作用 把高电压变成低电压 把大电流变成小电流匝数特点 副线圈匝数比原线圈匝数少 副线圈匝数比原线圈匝数多二、电能的输送1.输电线路及其电压、电能损失 (1)输电线路(如图所示)(2)电压和电能损失 ①输电电流:I =P U;②电压损失:ΔU =U -U ′=Ir =P Ur ; ③电能损失:ΔP =P -P ′=I 2r =(P U)2r ;2.减少电能损失的方法:根据P 损=I 2R 线,减小输电电能损失有两种方法.(1)减小输电线的电阻:根据电阻定律R =ρl S,要减小输电线的电阻R ,在输电距离一定的情况下,可采用的方法有选用电阻率小的金属材料,尽可能增大导线的横截面积等.(2)减小输电导线中的电流:在输电功率一定的情况下,根据P =UI ,要减小电流,必须提高输电电压.3.远距离输电(1)远距离输电导线上损失的电功率:输送功率一定时,线路电流I =P U,输电线上损失功率P 损=I 2R 线=P 2U 2R 线,可知P 损∝1U2.远距离输电线路中的功率关系:P 输=P 损+P 用.(2)远距离输电的基本电路:由于发电机组本身的输出电压不可能很高,所以采用高压输电时,在发电站内需要升压变压器升压到几百千伏后再向远距离送电,到达用电区再用降压变压器降到所需的电压,基本电路如图所示.1.如图所示,理想变压器原、副线圈匝数比为2∶1.电池和交变电源的电动势都为6 V ,内阻均不计.下列说法正确的是( )A .S 与a 接通的瞬间,R 中无感应电流B .S 与a 接通稳定后,R 两端的电压为0C .S 与b 接通稳定后,R 两端的电压为3 VD .S 与b 接通稳定后,原、副线圈中电流的频率之比为2∶1 解析: 由理想变压器的原理可知,当S 与a 接通电流稳定时,由于通过原线圈与副线圈中的磁通量不发生变化,故在副线圈中无感应电流,但在刚接通瞬间,副线圈两端的电压不为零,R 中有感应电流,故A 错误,B 正确;当S 与b 接通稳定后,原线圈中接有交变电流,由变压器的变压比可得副线圈电压为3 V ,C 正确;变压器并不改变交变电流的频率,D 错误.答案: BC2.如图所示,原、副线圈匝数比为2∶1的理想变压器正常工作时,以下说法不正确的是( )A .原、副线圈磁通量之比为2∶1B .原、副线圈电流之比为1∶2C .输入功率和输出功率之比为1∶1D .原、副线圈磁通量变化率之比为1∶1解析: 由于原、副线圈共用一个铁芯,故通过原、副线圈磁通量之比和原、副线圈磁通量变化率之比均为1∶1,选项A 错误而D 正确;由I 1∶I 2=n 2∶n 1得,I 1∶I 2=1∶2,选项B 正确;由于理想变压器不考虑变压器自身的功率损失,故选项C 正确,本题选择不正确的选项,故应选A.答案: A3.对于远距离输电,在P 送一定的情况下,设输电线路中的电流为I 送,输电线的总电阻为R 线,为了节能,采用高压U 送输电,下列说法正确的是( )A .由U 送=I 送R 线,输电线路中的电流变大B .由P 送=I 送U 送,输电线路中的电流变小C .由P 耗=U 2送/R 线,输电线路消耗功率增大D .由P 送=I 2送R 线,不会影响输电线路中的电流解析: 由U 线=I 线R 线,I 送=I 线,U 送≠U 线(U 送=U 到+U 线),故U 送≠I 送R 线,选项A 错;公式P送=I送U送,针对的是同一研究对象,故选项B对、D错;P耗=I2线R线=I2送R线=(P送/U送)2R线,因此U送增大时,输电线路消耗功率P耗减小,故选项C错.答案: B4.如图所示,一理想变压器原、副线圈的匝数比为1∶2;副线圈电路中接有灯泡,灯泡的额定电压为220 V,额定功率为22 W;原线圈电路中接有电压表和电流表.现闭合开关,灯泡正常发光.若用U和I分别表示此时电压表和电流表的读数,则( )A.U=110 V,I=0.2 AB.U=110 V,I=0.05 AC.U=110 2 V,I=0.2 AD.U=110 2 V,I=0.2 2 A解析:由于灯泡正常发光,故灯泡两端电压即副线圈两端电压为U2=220 V,通过灯泡的电流即副线圈中的电流为I2=22 W220 V=0.1 A.根据理想变压器电压关系U1∶U2=n1∶n2,得U1=110 V,电流关系I1∶I2=n2∶n1,得I1=0.2 A,则U=U1=110 V,I=I1=0.2 A.故选项A正确,选项B、D、D错误.答案: A5.图甲中的变压器为理想变压器,原线圈的匝数n1与副线圈的匝数n2之比为10∶1.变压器的原线圈接如图乙所示的正弦式电流,两个20 Ω的定值电阻串联接在副线圈两端.电压表为理想电表.则( )A.原线圈上电压的有效值为100 VB.原线圈上电压的有效值约为70.7 VC.电压表的读数为5.0 VD.电压表的读数约为3.5 V解析:本题考查交流电图象的应用及理想变压器与闭合电路.由图乙可得该正弦交流电的峰值为100 V,所以其有效值为:U=U m2=70.7 V,A错误,B正确;由理想变压器原、副线圈的电压比等于相应的匝数比可得:u1u2=n1n2⇒u2=n2u1n1,其中:U1有=U=U m2=70.7 V,所以U2有=7.07 V,故副线圈上的电压表的读数为:U V=RR+RU2有≈3.5 V,D正确,C错误.答案:BD理想变压器基本关系的应用变压器的工作原理及基本关系(2012·课标)自耦变压器铁芯上只绕有一个线圈,原、副线圈都只取该线圈的某部分.一升压式自耦调压变压器的电路如图所示.其副线圈匝数可调.已知变压器线圈总匝数为1 900匝;原线圈为1 100匝,接在有效值为220 V 的交流电源上.当变压器输出电压调至最大时,负载R 上的功率为2.0 kW.设此时原线圈中电流有效值为I 1,负载两端电压的有效值为U 2,且变压器是理想的,则U 2和I 1分别约为( )A .380 V 和5.3 AB .380 V 和9.1 AC .240 V 和5.3 AD .240 V 和9.1 A解析: 根据理想变压器电压比关系U 1U 2=n 1n 2,代入数据解得副线圈两端的电压有效值U 2=380 V ,因理想变压器原、副线圈输入和输出的功率相等,即P 入=P出=U 1I 1,解得I 1=2×103220A≈9.1 A,选项B 正确;选项A 、C 、D 错误.答案: B理想变压器的注意事项(1)在理想变压器中,副线圈的端电压U 2由输入电压U 1和匝数比n 2/n 1共同决定,与负载电阻大小无关.(2)电网送电遵循“用多少送多少”的原则,原线圈中的输入电流I 1是由副线圈中的输出电流I 2决定的,原、副线圈各一个绕组时,I 1=n 2n 1I 2,副线圈有多个绕组时,由P 入=P 出的功率关系来确定.1-1:如图甲所示,矩形金属线框绕与磁感线垂直的转轴在匀强磁场中匀速转动,输出交流电的电动势图象如图乙所示,经原、副线圈的匝数比为1∶10的理想变压器给一灯泡供电如图丙所示,副线圈电路中灯泡额定功率为22 W ,现闭合开关,灯泡正常发光.则( )A .t =0.01 s 时刻穿过线框回路的磁通量为零B .交流发电机的转速为50 r/sC .变压器原线圈中电流表示数为1 AD .灯泡的额定电压为220 2 V 解析: t =0.01 s 时刻交变电流电动势为零,线圈处于中性面,磁通量最大;由图象可知周期T =0.02 s ,转速n =1T=50 r/s ;变压器原线圈中电压有效值为U 1=22 V ,原线圈中输入功率与副线圈输出功率相同,由P =22 W ,P =UI ,得I =1 A ;由U 1U 2=n 1n 2知副线圈两端电压U 2=220 V .正确选项为B 、C.答案: BC理想变压器动态分析问题1.匝数比不变的情况(如图)(1)U 1不变,根据U 1U 2=n 1n 2,输入电压U 1决定输出电压U 2,不论负载电阻R 如何变化,U 2也不变.(2)当负载电阻发生变化时,I 2变化,输出电流I 2决定输入电流I 1,故I 1发生变化. (3)I 2变化引起P 2变化,P 1=P 2,故P 1发生变化. 2.负载电阻不变的情况(如图)(1)U 1不变, n 1n 2发生变化,故U 2变化. (2)R 不变,U 2改变,故I 2发生变化.(3)根据P 2=U 22R,P 2发生变化,再根据P 1=P 2,故P 1变化,P 1=U 1I 1,U 1不变,故I 1发生变化.(2012·福建理综)如图,理想变压器原线圈输入电压u =U m sin ωt ,副线圈电路中R 0为定值电阻,R 是滑动变阻器,和是理想交流电压表,示数分别用U 1和U 2表示;和是理想交流电流表,示数分别用I 1和I 2表示.下列说法正确的是( )A .I 1和I 2表示电流的瞬时值B .U 1和U 2表示电压的最大值C .滑片P 向下滑动过程中,U 2不变、I 1变大D .滑片P 向下滑动过程中,U 2变小、I 1变小解析: 交流电表的示数为有效值,故A 、B 两项均错误;P 向下滑动过程中,R 变小,由于交流电源、原副线圈匝数不变,U 1、U 2均不变,所以I 2=U 2R 0+R 变大,由I 1I 2=n 2n 1,得I 1=n 2n 1I 2变大,故C 项正确,D 项错误.答案: C分析动态问题的思路程序为:2-1:(2013·济南定时练习)自耦调压变压器上的滑动触头P 移动,可以调节输出电压,线圈MN 两端与一个滑动变阻器相连接,Q 为滑动变阻器的滑动触头,V 1、V 2为理想电压表,如图所示,下列说法正确的是( )A .当交流电源接a 、b 时,触头P 上移,Q 也上移,V 1的示数不变,V 2示数可能不变B .当交流电源接a 、b 时,触头P 上移,Q 下移,V 1的示数不变,V 2示数增大C .当交流电源接c 、d 时,触头P 上移,V 1的示数增大,V 2示数不变D .当交流电源接c 、d 时,触头P 上移,V 1的示数减小,V 2示数不变解析: 当交流电源接a 、b 时,P 上移,原线圈匝数变大,电源电压不变,V 1示数不变,由电压关系和U 1、n 2不变、n 1变大.可知副线圈电压U 2减小,Q 上移,cd 间阻值变大,V 2示数可能不变,故A 正确,同理B 错误;当交流电源接cd 时,P 上移,电源电压不变,V 2示数不变,副线圈匝数变大,副线圈电压变大,V 1示数增大,故C 正确、D 错误.答案: AC远距离输电问题远距离高压输电的几个基本关系(以下图为例)(1)功率关系P 1=P 2,P 3=P 4,P 2=P 线+P 3. (2)电压、电流关系U 1U 2=n 1n 2=I 2I 1,U 3U 4=n 3n 4=I 4I 3, U 2=U 线+U 3,I 2=I 3=I 线.(3)输电电流:I 线=P 2U 2=P 3U 3=U 2-U 3r.(4)输电导线上损失的电功率P 损=U 线I 线=I 2线r =(P 2U 2)2r(2012·天津理综)通过一理想变压器,经同一线路输送相同的电功率P ,原线圈的电压U 保持不变,输电线路的总电阻为R .当副线圈与原线圈的匝数比为k 时,线路损耗的电功率为P 1,若将副线圈与原线圈的匝数比提高到nk ,线路损耗的电功率为P 2,则P 1和P 2P 1分别为( )A.PR kU ,1n B.⎝ ⎛⎭⎪⎫P kU 2R ,1n C. PR kU ,1n 2 D. ⎝ ⎛⎭⎪⎫P kU 2R ,1n 2 解析: 根据变压器的变压规律,得U 1U =k ,U 2U=nk ,所以U 1=kU ,U 2=nkU .根据P =UI ,知匝数比为k 和nk 的变压器副线圈的电流分别为I 1=P U 1=P kU ,I 2=P U 2=P nkU.根据P =I 2R ,输电线路损耗的电功率分别为P 1=I 21R =⎝ ⎛⎭⎪⎫P kU 2R ,P 2=I 22R =⎝ ⎛⎭⎪⎫P nkU 2R ,所以P 2P 1=1n 2.选项D 正确,选项A 、B 、C 错误.答案: D1.关于远距离输电问题的处理思路(1)画出输电线路图,将已知量和未知量标在图中相应位置; (2)将输电线路划分为几个独立回路;(3)根据串并联电路特点、欧姆定律、电功率公式等确定各部分回路物理量之间关系; (4)根据升压、降压,原、副线圈的电压、电流关系和功率关系列式求解. 2.远距离输电问题的四个关键(1)画出一个模型——远距离输电模型图 (2)抓住输电的两端——电源和用电器. (3)分析两条导线——输电导线(4)研究两次电压变换——升压和降压3-1:如图所示,有一台交流发电机E ,通过理想升压变压器T 1和理想降压变压器T 2向远处用户供电,输电线的总电阻为R .T 1的输入电压和输入功率分别为U 1和P 1,它的输出电压和输出功率分别为U 2和P 2;T 2的输入电压和输入功率分别为U 3和P 3,它的输出电压和输出功率分别为U 4和P 4.设T 1的输入电压U 1一定,当用户消耗的电功率变大时,有( )A .U 2减小,U 4变大B .U 2不变,U 3变小C .P 1变小,P 2变小D .P 2变大,P 3变大解析: 本题考查远距离输电及理想变压器的基本知识,解决本题的关键是对变压器的工作原理的掌握和闭合电路欧姆定律的应用.由理想变压器输出功率决定输入功率可得,当用户功率增大时,升压变压器的输入功率必增大,即P 1增大,输入电压U 1为定值不变,升压变压器的匝数不变,输入电压不变,故输出电压U 2不变,由于P 1增大,由P 1=U 1I 1=P 2=U 2I 2可得,I 1增加,P 2、I 2增加,由闭合电路欧姆定律:U 3=U 2-I 2R ,故U 3减小,降压变压器原、副线圈匝数不变,所以随U 3减小,U 4减小,A 、C 错误,B 正确;由于用户功率增加,即P 4增加,理想变压器无功率损耗可得:P 3=P 4,功率P 3也增加,故D 正确.答案: BD解决理想变压器问题的常用思路1.思路1 电压思路:理想变压器原、副线圈的电压之比为U 1/U 2=n 1/n 2;当变压器有多个副绕组时U 1/n 1=U 2/n 2=U 3/n 3=…2.思路2 功率思路:理想变压器的输入、输出功率为P 入=P 出,即P 1=P 2;当变压器有多个副绕组时P 1=P 2+P 3+…3.思路3 电流思路:理想变压器原、副线圈的电流比为I 1/I 2=n 2/n 1;当变压器有多个副绕组时n 1I 1=n 2I 2+n 3I 3+…如图所示的理想变压器副线圈为双绕组,两个副线圈n 2、n 3分别通过开关S 1、S 2与电阻R 1、R 2连接,其阻值为R 1=R 2=R ,原线圈n 1接入正弦式交变电压u =102cos 100πt (V).若只闭合开关S 1,则电流表示数为0.2 A ;若只闭合开关S 2,电流表示数为1.25 A .则( )A .R 1消耗的电功率比R 2大B .n 2∶n 3=2∶5C .若两个开关同时闭合,电路消耗的总功率为14.5 WD .若两个开关同时闭合,R 1消耗的电功率比R 2大 解析: 开关分别闭合时,电阻消耗的电功率等于变压器的输入功率,即P =I 1U 1,因此R 1消耗的电功率比R 2小,A 错;开关分别闭合时,I 2I 1=n 1n 2 ①,I 3I ′1=n 1n 3②,而I 1=U 2R ,I 3=U 3R ,U 2U 3=n 2n 3,联立解得n 2n 3=I 1I ′1=25,B 正确;若两个开关同时闭合,有I ″1U 1=I 2U 2+I 3U 3,代入前面的①②和变压比得I ″1=I 1+I ′1=1.45 A ,电路消耗的总功率P =I ″1U 1=14.5 W ,C 正确;若两个开关同时闭合,通过R 1、R 2的电流与原来相同,因此消耗的功率也与原来相同,D 错.答案: BC1.(2012·海南单科)如图,理想变压器原、副线圈匝数比为20∶1,两个标有“12 V,6 W”的小灯泡并联在副线圈的两端.当两灯泡都正常工作时,原线圈电路中电压表和电流表(可视为理想的)的示数分别是( )A .120 V ,0.10 AB .240 V ,0.025 AC .120 V ,0.05 AD .240 V ,0.05 A解析: 副线圈电压U 2=12 V ,由U 1U 2=n 1n 2得U 1=240 V ,副线圈中电流I 2=2·P U =1 A ,由I 1I 2=n 2n 1得I 1=0.05 A.答案: D2.在变电站里,经常要用交流电表去监测电网上的强电流,所用的器材叫电流互感器.如图所示的四个图中,能正确反映其工作原理的是( )解析: 电流互感器是测电流的,应串联在火线上,故B 、D 选项错误;同时,由I 1n 1=I 2n 2知要使I 2<I 1,须n 2>n 1,故A 选项正确,C 选项错误.答案: A3.如图所示,理想变压器的副线圈上通过输电线接有两个相同的灯泡L 1和L 2,输电线的等效电阻为R ,开始时,开关S 断开.当S 接通后,以下说法中正确的是( )A .副线圈两端M 、N 的电压不变B .副线圈输电线等效电阻R 上的电压减小C .通过灯泡L 1的电流增大D .原线圈的输入功率不变解析: 副线圈输出电压决定于原线圈电压和原副线圈匝数比,S 接通后,副线圈两端电压不变,A 项正确;S 接通后,负载总电阻变小,故R 上电流变大,R 上的电压变大,B 项错;灯泡L 1两端的电压和通过其的电流均减小,C 项错;副线圈输出功率变大,故原线圈输入功率变大,D 项错.答案: A4.在远距离输电时,输送的电功率为P ,输送电压为U ,所用导线的电阻率为ρ,横截面积为S ,两地距离为L ,输电线损失的电功率为P ′,用户得到的电功率为P 用,则P ′、P 用的表达式正确的是( ) A .P ′=U 2S ρLB .P ′=2P 2ρL U 2SC .P 用=P -U 2S ρLD .P 用=P (1-2PρL U 2S)解析: 导线的电阻r =ρ2L S ,输送的电流I =P U ,输电线损失的电功率P ′=I 2r =2P 2ρL U 2S,B 项正确.用户得到的电功率P 用=P -P ′=P (1-2PρL U 2S ),D 项正确. 答案: BD5.(2012·重庆理综)如图所示,理想变压器的原线圈接入u =11 0002sin 100πt (V)的交变电压,副线圈通过电阻r =6 Ω的导线对“220 V/880 W”的电器RL 供电,该电器正常工作.由此可知( )A .原、副线圈的匝数比为50∶1B .交变电压的频率为100 HzC .副线圈中电流的有效值为4 AD .变压器的输入功率为880 W解析: 由电器RL 正常工作,可得通过副线圈的电流为I=P U =880220A =4 A ,故C 对;副线圈导线所分电压为U r =4×6 V =24 V ,副线圈两端电压U 2=220 V +24 V =244 V ,因此原、副线圈的匝数比n 1n 2=U 1U 2=11 000244=2 75061,故A 错;又P 1=P 2=U 2I 2=244×4 W =976 W ,故D 错;交变电压的频率f =ω2π=50 Hz ,故B 错.答案: C。
第2讲 变压器 电能的输送板块一 主干梳理·夯实基础1.构造:如图所示。
变压器主要由闭合铁芯和绕在铁芯上的两个线圈组成。
(1)原线圈:指与交流电源连接的线圈,也叫初级线圈。
(2)副线圈:指与负载连接的线圈,也叫次级线圈。
2.工作原理:电磁感应的互感现象。
3.理想变压器的基本关系式 (1)功率关系:P 入=P 出。
(2)电压关系:U 1U 2=n 1n 2,若n 1>n 2,为降压变压器;若n 1<n 2,为升压变压器。
(3)电流关系:只有一个副线圈时,I 1I 2=n 2n 1;有多个副线圈时,U 1I 1=U 2I 2+U 3I 3+…+U n I n 。
4.几种常用的变压器(1)自耦变压器(也叫调压变压器)。
(2)互感器①电压互感器,可以把高电压降为低电压; ②电流互感器,可以把强电流降为弱电流。
【知识点2】 远距离输电 Ⅰ 1.输电过程(如图所示)2.电压损失 (1)ΔU =U -U ′。
(2)ΔU =IR 。
3.功率损失 (1)ΔP =P -P ′。
(2)ΔP =I 2R =⎝⎛⎭⎫P U 2R =ΔU2R。
4.输送电流 (1)I =P U 。
(2)I =U -U ′R。
板块二 考点细研·悟法培优考点1理想变压器的工作原理和基本量的关系[深化理解]1.基本关系(1)无漏磁,故原、副线圈中的Φ、ΔΦΔt相同。
(2)线圈无电阻,因此无电压降,U =E =n ΔΦΔt。
(3)根据U n =ΔΦΔt 得,套在同一铁芯上的线圈,无论是原线圈,还是副线圈,该比例都成立,则有U 1n 1=U 2n 2=U 3n 3=…。
(4)无电能损失,因此P 入=P 出,无论副线圈一个还是多个,总有U 1I 1=U 2I 2+U 3I 3+…,将电压关系代入可得n 1I 1=n 2I 2+n 3I 3+…。
(5)变压器只能改变交变电流的电压和电流,不能改变交变电流的频率。
(6)理想变压器基本关系中的U 1、U 2、I 1、I 2均为有效值。
2.基本关系式中物理量之间的决定关系(1)电压决定关系:输入电压U 1决定输出电压U 2,这是因为输出电压U 2=n 2n 1U 1,当U 1不变时,不论负载电阻R 变化与否,U 2不会改变。
(2)电流决定关系:输出电流I 2决定输入电流I 1。
(3)功率决定关系:输出功率P 2决定输入功率P 1,也可简记为“用决定供”。
例1 如图所示,理想变压器有两个副线圈,L 1、L 2是两盏规格为“8 V ,10 W”的灯泡,L 3、L 4是两盏规格为“6 V ,12 W”的灯泡,当变压器的输入电压为U 1=220 V 时,四盏灯泡恰好都能正常发光,如果原线圈的匝数n 1=1100匝,求:(1)副线圈的匝数n 2、n 3? (2)电流表的读数?(1)变压器的输入电压U 1=220 V 是什么值?电流表的读数是什么值?提示:有效值,有效值。
(2)电灯泡正常发光,如何确定副线圈n 2、n 3上的电压? 提示:U 2=8 V ,U 3=U L3+U L4=12 V 。
尝试解答 (1)40匝__60匝__(2)0.2_A 。
(1)由变压器原理可知,n 1∶n 2∶n 3=U 1∶U 2∶U 3,则 n 2=U 2U 1n 1=8220×1100=40n 3=U 3U 1n 1=2×6220×1100=60。
(2)由P 入=P 出可得,I 1U 1=P 1+P 2+P 3+P 4,所以 I 1=2P 2+2P 3U 1=2×10+2×12220 A =0.2 A总结升华1.变压器原线圈含有负载问题的分析(1)在原线圈回路中,原线圈两端的电压与负载两端电压之和等于电源的电压;(2)要求解原线圈中负载的电流、电压和功率,一般需先求副线圈中的电流,然后根据理想变压器的关系求得原线圈中负载的电流。
原、副线圈的电流关系往往是解决问题的突破口。
2.含有多个副线圈的变压器电路分析副线圈有两个或两个以上时,一般从原、副线圈的功率相等入手。
由于电压与匝数仍然成正比,当副线圈的用电器为纯电阻时,应用P 2=U 22R 求副线圈功率,或副线圈的用电器正常工作时,而原线圈的功率应用P 1=U 1I 1,之后根据P 1=P 2求解相关量。
3.变压器与二极管相结合的分析当副线圈回路中含有二极管时,由于二极管具有单向导电性,会使交变电流只有一半时间导通,经过二极管后的输出电压的有效值与副线圈两端交流电压的正常有效值不相等,应根据电流的热效应进行计算。
[跟踪训练](多选)如图所示,理想变压器输入端接在电动势随时间变化、内阻为r的交流电源上,输出端接理想电流表及阻值为R的负载,变压器原、副线圈匝数的比值为r∶R。
如果要求负载上消耗的电功率最大,则下列说法正确的是()A.交流电源的效率为50%B.电流表的读数为E m22RrC.负载上消耗的热功率为E2m 4rD.该交流电源电动势的瞬时值表达式为e=E m sin100πt V★答案★AB解析把变压器和R看作一个整体,等效电阻为R′,当R′=r时,负载上的电功率最大,此时总功率为P总=⎝⎛⎭⎫E m222r=E2m4r,负载功率为P负载=⎝⎛⎭⎫12·E m22r=E2m8r,其效率为50%,则A选项正确,C选项错误。
电流表的读数为副线圈电流的有效值,原线圈电流有效值为I1=E m 2 2r=E m 22r ,则I2=n1n2I1=rRI1=E m22Rr,故B选项正确。
由题图知周期为0.04 s,则ω=2πT=50πrad/s,则瞬时值表达式为e=E m sin50πt V,故D选项错误。
考点2理想变压器的动态分析[解题技巧]常见的理想变压器的动态分析问题一般有两种:匝数比不变的情况和负载电阻不变的情况。
1.匝数比不变的情况(如图所示)(1)U 1不变,根据U 1U 2=n 1n 2,输入电压U 1决定输出电压U 2,可以得出不论负载电阻R 如何变化,U 2不变。
(2)当负载电阻发生变化时,I 2变化,根据输出电流I 2决定输入电流I 1,可以判断I 1的变化。
(3)I 2变化引起P 2变化,根据P 1=P 2,可以判断P 1的变化。
2.负载电阻不变的情况(如图所示)(1)U 1不变,n 1n 2发生变化,U 2变化。
(2)R 不变,U 2变化,I 2发生变化。
(3)根据P 2=U 22R 和P 1=P 2,可以判断P 2变化时,P 1发生变化,U 1不变时,I 1发生变化。
3.分析动态问题的步骤例2 有一种调压变压器的构造如图所示。
线圈AB 绕在一个圆环形的铁芯上,C 、D 之间加上输入电压,转动滑动触头P 就可以调节输出电压。
图中为交流电流表,为交流电压表,R 1、R 2为定值电阻,R 3为滑动变阻器,C 、D 两端接正弦交流电源,变压器可视为理想变压器,则下列说法正确的是()A.当R3不变,滑动触头P顺时针转动时,电流表读数变小,电压表读数变小B.当R3不变,滑动触头P逆时针转动时,电流表读数变小,电压表读数变小C.当P不动,滑动变阻器滑动触头向上滑动时,电流表读数变小,电压表读数变小D.当P不动,滑动变阻器滑动触头向下滑动时,电流表的读数变大,电压表的读数变大(1)滑动触头P顺时针转动,原、副线圈的匝数比如何变?提示:增大。
(2)滑动变阻器滑动触头向上滑动,副线圈的总电阻如何变?提示:增大。
尝试解答选A。
当R3不变,P顺时针转动时,n MN减小,由U CDU MN=n CDn MN知U MN减小,则电压、电流表读数均减小,A项正确,同理知B项错。
当P不动时,匝数n MN不变,输出电压U MN不变,滑片向上滑动,R3阻值变大,根据串反并同,得电压表示数变大,电流表示数变小,C项错误,同理知D项也错误。
总结升华理想变压器的动态分析(1)解决这类问题的方法是:首先要分清变量和不变量,弄清“谁决定谁”,然后利用直流电路中的动态分析方法即可。
(2)对变压器的负载电路进行分析时,可以把变压器的副线圈看作是给用户供电的无阻电源,分析方法与直流电路的分析方法基本相同。
[跟踪训练][2017·湖南长沙模拟](多选)如图,一理想变压器原线圈接入一交流电源,副线圈电路中R1、R2、R3和R4均为定值电阻,开关S是闭合的。
V1和V2为理想电压表,读数分别为U1和U2;A1、A2和A3为理想电流表,读数分别为I1、I2和I3。
现断开S,U1数值不变,下列推断中正确的是()A .U 2变小、I 3变小B .U 2不变、I 3变大C .I 1变小、I 2变小D .I 2变大、I 3变大★答案★ BC解析 理想变压器有n 1n 2=U 1U 2,由于原线圈电压不变,所以V 2的示数U 2也不变,A 错误;当S 断开后,负载的总电阻变大,由于副线圈电压不变,所以总电流减小,即I 2变小,故D 错误;由于n 1n 2=I 2I 1,当副线圈的电流减小时,原线圈的电流也要减小,所以I 1变小,C 正确;由于副线圈的总电流减小,R 1的电压减小,并联电路的电压U 3就会增大,所以R 3的电流I 3就会增大,故B 正确。
考点3远距离输电[拓展延伸]1.远距离输电的处理思路对高压输电问题,应按“发电机→升压变压器→远距离输电线→降压变压器→用电器”这样的顺序,或从“用电器”倒推到“发电机”一步一步进行分析。
2.远距离高压输电的几个基本关系(以下图为例)(1)功率关系:P 1=P 2,P 3=P 4,P 2=P 损+P 3。
(2)电压、电流关系:U 1U 2=n 1n 2=I 2I 1,U 3U 4=n 3n 4=I 4I 3U 2=ΔU +U 3,I 2=I 3=I 线。
(3)输电电流:I 线=P 2U 2=P 3U 3=U 2-U 3R 线。
(4)输电线上损耗的电功率P 损=I 线ΔU =I 2线R 线=⎝⎛⎭⎫P 2U 22R 线。
当输送的电功率一定时,输电电压增大到原来的n 倍,输电线上损耗的功率就减小到原来的1n2。
例3 某村在距村庄较远的地方修建了一座小型水电站,发电机输出功率为9 kW ,输出电压为500 V ,输电线的总电阻为10 Ω,允许线路损耗的功率为输出功率的4%。
求: (1)村民和村办小企业需要220 V 电压时,所用升压变压器和降压变压器的原、副线圈的匝数比各为多少?(不计变压器的损耗)(2)若不用变压器而由发电机直接输送,村民和村办小企业得到的电压和功率是多少?(1)画出输电电路图,并标上各个物理量。
提示:(2)分析升压变压器、降压变压器的功率及电压关系? 提示:U 送=ΔU +U 1 P 输出=P 输送=P 用+ΔP 。