最新铸件表面质量验收规范
- 格式:doc
- 大小:81.00 KB
- 文档页数:8
铸件表面质量提升验收技术条件1 范围本文件规定了铸件分类、目测铸件技术要求、检验规则.本标准适用于中国一拖集团有限公司内/外供方采用砂型铸造,金属型铸造方法获得的黑色、有色合金铸件产品。
2 规范性引用文件下列文件对于本文件的应用是必不可少的.凡是注日期的引用文件,仅所注日期的版本适用于本文件。
凡是不注日期的引用文件,其最新版本(包括所有的修改单)适用于本文件.GB/T 6060。
1—1997 表面粗糙度比较样块铸造表面GB/T 15056-1994 铸造表面粗糙度评定方法Q/YT 014.2—2009 图样通用技术要求Q/YT 022。
4—2011 砂型机器造型铸件尺寸公差Q/YT 022。
10—2011 铸铁件机械加工余量Q/YT 303。
1-2011 球墨铸铁件验收技术条件Q/YT 303.2—2011 灰铸铁件验收技术条件Q/YT 303.3—2011 铸造碳钢件验收技术条件Q/YT 303.5-2011 铝合金铸件验收技术条件Q/YT 303。
6-2011 高锰钢履带板验收技术条件Q/YT 303。
7-2011 铜合金铸件验收技术条件Q/YT 303.9-2011 硅锰钢履带板验收技术条件3 铸件分类铸件根据其所处安装位置、工作条件及表面是否加工分三类,其定义和检验项目见表1。
表1 铸件分类4 目测铸件技术要求4.1 一般要求4.1.1 砂型铸造全部外露件和部分外露件表面粗糙度要求Ra25~Ra50。
金属铸造和有色件表面粗糙度要求Ra25,待加工表面允许降低一级。
4.1.2 铸件表面不得有影响零件强度、密封性能及严重影响外观的缺陷。
4.1.3 铸件采购、质量检查和供方可在保证铸件满足铸件验收技术条件的前提下,鼓励三方协商建立铸件外观质量标杆样件(即合格的最低标准实物)库,便于铸件外观质量验收参照标杆样件执行,低于此实物标准时为不合格。
4.2 灰铸铁件及碳钢铸件4.2.1 表面缺陷4.2.1.1 铸件表面不允许有冷隔、裂纹、孔洞贯穿内外表面的缺陷及机械加工不能去除的其它缺陷.4.2.1.2 铸件上的型砂、芯砂、披缝必须清理干净;其中,披缝非加工面不大于 2 mm,加工面不大于 3 mm;4.2.1.3 灰铸铁件表面允许存在的孔洞类缺陷见表 2;表 2 砂型铸造灰铸铁件表面允许存在的孔洞类缺陷4.2.1.4 碳钢铸件表面允许存在的孔洞类缺陷见表 3表 3 碳钢铸件表面允许存在的孔洞类缺陷4.2.1.5 铸件内、外表面应清理干净,不应有浮砂、粘砂、氧化皮。
铸件外观质量验收规程 The manuscript was revised on the evening of 2021铸件表面质量验收规程编制:审核:批准目录1、目的为加强本公司对外协铸件的质量控制,保证本公司产品的外观质量及加工性能,特制订铸件表面质量验收规程。
2、适用范围本规范适用于公司所有采用砂型铸造,黑色和有色合金铸件的外观质量验收,包括表面缺陷、尺寸精度、重量偏差、表面粗糙度的验收。
3、引用标准(1)JB/T 重型机械通用技术条件第4部分铸铁件(2)JB/T 重型机械通用技术条件第6部分铸钢件(3)GB6414-1999 铸件尺寸公差与机械加工余量(4)GB/ 表面粗糙度比较样块。
(5)GB/T15056-1994 铸造表面粗糙度评定方法。
(6) Q/XC5101-2001 铸铁件通用技术条件。
(7) Q/XC512-90 有色合金通用技术条件。
4、验收方案及检验频次表面缺陷项目为全检项,样件首检和批量供货,均要进行逐个检验,检验频次为100%。
关键尺寸实行100%全检,非关键尺寸抽检10%。
重量偏差与表面粗糙度的验收根据具体技术要求执行,无要求时可不做检验。
5、验收项目及标准铸件的表面质量主要包括铸件的表面缺陷、尺寸精度、重量偏差、形状偏差、表面粗糙度和铸件表面清理质量等。
铸件表面缺陷的检验5.1.1表面缺陷检验一般要求(1)铸件非加工表面上的浇冒口应尽可能清理得与铸件表面同样平整,加工面上的浇冒口残留量应符合技术要求,若无要求,则按表8执行。
(2)在铸件上不允许有裂纹、通孔、穿透性的冷隔和穿透性的缩松、夹渣等机械加工不能去除的缺陷。
(3)铸件非加工表面的毛刺、披缝、型砂、砂芯等应清理干净。
(4)铸件一般待加工表面,允许有不超过加工余量范围内的任何缺陷存在;重要加工面允许有不超过加工余量2/3的缺陷存在,但裂纹缺陷应予清除;加工后的表面允许存在φ≤2mm,深度<2mm 的单个孔洞的铸造缺陷。
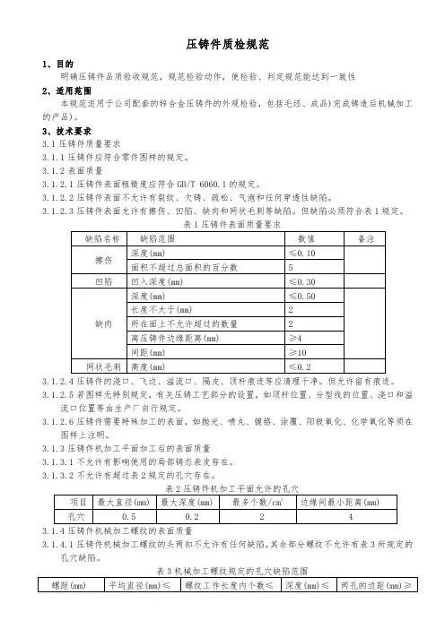
压铸件质检规范1、目的明确压铸件品质验收规范,规范检验动作,使检验、判定规范能达到一致性2、适用范围本规范适用于公司配套的锌合金压铸件的外观检验,包括毛坯、成品)完成铸造后机械加工的产品)。
3、技术要求3.1压铸件质量要求3.1.1压铸件应符合零件图样的规定。
3.1.2表面质量3.1.2.1压铸件表面粗糙度应符合GB/T6060.1的规定。
3.1.2.2压铸件表面不允许有裂纹、欠铸、疏松、气泡和任何穿透性缺陷。
3.1.2.3压铸件表面允许有擦伤、凹陷、缺肉和网状毛刺等缺陷。
但缺陷必须符合表1规定。
表1压铸件表面质量要求缺陷名称缺陷范围数值备注擦伤深度(mm)≤0.10面积不超过总面积的百分数5凹陷凹入深度(mm)≤0.30缺肉深度(mm)≤0.50长度不大于(mm)2所在面上不允许超过的数量2离压铸件边缘距离(mm)≥4间距(mm)≥10网状毛刺高度(mm)≤0.23.1.2.4压铸件的浇口、飞边、溢流口、隔皮、顶杆痕迹等应清理干净。
但允许留有痕迹。
3.1.2.5若图样无特别规定,有关压铸工艺部分的设置,如顶杆位置、分型线的位置、浇口和溢流口位置等由生产厂自行规定。
3.1.2.6压铸件需要特殊加工的表面,如抛光、喷丸、镀铬、涂覆、阳极氧化、化学氧化等须在图样上注明。
3.1.3压铸件机加工平面加工后的表面质量3.1.3.1不允许有影响使用的局部铸态表皮存在。
3.1.3.2不允许有超过表2规定的孔穴存在。
表2压铸件机加工平面允许的孔穴项目最大直径(mm)最大深度(mm)最多个数/cm2边缘间最小距离(mm)孔穴0.50.2243.1.4压铸件机械加工螺纹的表面质量3.1.4.1压铸件机械加工螺纹的头两扣不允许有任何缺陷,其余部分螺纹不允许有表3所规定的孔穴缺陷。
表3机械加工螺纹规定的孔穴缺陷范围螺距(mm)平均直径(mm)≤螺纹工作长度内个数≤深度(mm)≤两孔的边距(mm)≥≤0.751122>0.75 1.54 1.553.1.4.2压铸件不铸底孔加工后的螺纹表面质量见表4的规定。
铸造材料技术要求和验收规范铸造材料是工业生产过程中常用的材料之一,具有制造复杂形状零件的能力。
为了确保铸造材料的质量和性能,制定了一系列的技术要求和验收规范。
本文将介绍铸造材料技术要求和验收规范的相关内容。
一、原材料选择铸造材料的质量直接影响到铸件的性能和寿命,因此原材料的选择非常重要。
铸造材料通常包括铸铁、铸钢、铸铝合金等。
对于铸造材料的选择要满足以下几个要求:1. 材料成分稳定,合金元素含量符合要求;2. 材料的机械性能和物理性能要满足标准要求;3. 材料的表面质量应无裂纹、气孔等缺陷。
采购铸造材料时,需要查看原材料的相关证书和检验报告,确保原材料符合技术要求。
二、铸造过程控制铸造过程是确保铸造材料质量的关键环节。
以下是铸造过程中需要注意的几个环节:1. 熔化过程:控制熔炼温度和熔炼时间,确保合金成分均匀一致;2. 浇注过程:控制铸型温度,避免温度过高或过低造成缺陷;3. 热处理过程:根据不同的铸造材料,进行适当的热处理,提高材料的性能;4. 温度控制:铸造材料的温度对最终产品的性能影响很大,需要控制好铸造温度。
三、铸造材料的质量检验铸造材料的质量检验是保证产品质量的重要环节。
以下是一些常见的铸造材料的质量检验方法:1. 成分分析:通过化学分析仪器来检测铸造材料的合金成分,以确保其符合标准要求;2. 金相检验:利用金相显微镜观察铸造材料的显微组织,评估其组织性能;3. 机械性能测试:通过拉伸试验、冲击试验等方法来测试铸造材料的力学性能;4. 铸件表面检查:观察铸件表面是否存在缺陷、夹杂物等;根据不同的铸造材料,可以选择相应的检验方法来确保铸造材料质量。
四、验收规范为了确保铸造材料的质量,制定了一系列的验收规范。
以下是一些常见的验收规范要求:1. 材料的外观质量:表面应无裂纹、气孔、夹杂物等缺陷;2. 成分符合要求:合金成分应符合设计要求,不得低于或高于标准限制;3. 机械性能:铸造材料的抗拉强度、屈服强度、伸长率等力学性能应符合标准;4. 金相组织:铸造材料的金相组织应均匀细致,不得存在夹杂物和非金属夹杂。
压铸件图纸无特殊要求时,表面质量按二级进行检验,有关内容如下:1、铸件清理后的表面质量⑴铸件的浇口、飞边、溢流口、隔皮等应清理干净,但允许流有清理痕迹。
⑵顶浇口、端浇口、环行浇口的处理按相关规定执行。
⑶在不影响使用的情况下,因去除浇口、溢流口时所形成的缺肉或高出均不得超过壁厚的四分之一,并且不得超过1.5mm。
2、铸件不加工表面的质量⑴不允许有裂纹、欠铸、疏松和任何穿透性的缺陷。
⑵不允许有超过表1 规定范围的花纹、麻面和有色斑点。
表1⑶在不影响使用和装配的情况下网状毛刺和痕迹不超过以下规定:锌合金、铝合金铸件其高度不大于0.2mm,铜合金铸件不大于0.4mm。
⑷由于模具组合镶并或受分形面影响而形成铸件表面高低不平的偏差,不得超过有关尺寸公差。
⑸推杆痕迹凹入铸件表面的深度不得超过该处壁厚的十分之一,并不超过0.4mm。
在不影响铸件使用的情况下,推杆痕迹允许凸起,凸起高度不大于0.2mm。
⑹工艺基准面、配合面上不允许存在任何凸起的痕迹;装饰面上不允许有推杆痕迹。
⑺穿孔顶端的隔皮厚度不允许超过表 2 规定。
表2⑻铸件上的图案、文字、线条、符号必须清晰,文字笔划宽度不小于0.25mm;高度不大于笔划宽度。
⑼各类铸件的表面缺陷详见表3。
3、待加工表面的质量⑴不允许有超过加工余量范围的表面缺陷和痕迹。
⑵不允许有凸起高度超过1mm 以上的推杆痕迹,对工艺基准面上不准有凸起的推杆痕迹。
表34、铸件机械加工后的表面质量⑴不允许有影响使用的局部铸态表皮存在。
⑵不允许有超过表4 所规定的孔穴存在。
表 4每种铸件按标准制作极限样件。
附录名词解释1、孔穴:气孔、缩孔和夹杂物所形成的孔洞。
⑴气孔:卷入压铸件内部的气体所形成的形状较规则的表面光滑的孔洞。
⑵缩孔:压铸件在冷凝过程中,由于内部补偿不足所造成的形状不规则的表面较粗糙的孔洞。
⑶夹杂物:混入压铸件内的金属或非金属杂质。
2、气泡:压铸件皮下气孔中的气体鼓起所形成的泡。
3、凹陷:压铸件平滑表面上出现凹瘪的部分。
铸件外观质量检验规范(ISO9001-2015)1、目的为加强本公司对铸件的质量控制,保证本公司产品的外观质量及加工性能,特制订铸件表面质量验收规范;2、适用范围本规范适用于公司所有外来铸铁(钢)件的外观质量验收,包括表面缺陷、尺寸精度、表面粗糙度的验收;3、引用标准(1)JB/T5000.4-2007重型机械通用技术条件第4部分铸铁件;(2)JB/T5000.6-2007重型机械通用技术条件第6部分铸钢件;(3)GB6414-1999铸件尺寸公差与机械加工余量;(4)GB/T6060.1-1997表面粗糙度比较样块;(5)GB/T15056-1994铸造表面粗糙度评定方法;(6)Q/XC5101-2001铸铁件通用技术条件;(7GB/T11351-1989铸件重量公差4、名词解释(1)全数选别:检验项目100%检测;5、验收项目及标准铸件的表面质量主要包括铸件的表面缺陷、尺寸精度、形状偏差、表面粗糙度、表面清理质量等;5.1铸件表面缺陷的检验5.1.1表面缺陷检验的一般要求(1)铸件非加工表面上的浇冒口必须清理得与铸件表面同样平整,加工面上的浇冒口残留量应符合技术要求,若无要求,则按表8执行;(2)在铸件上不允许有裂纹、通孔、穿透性的冷隔和穿透性的缩松、夹渣等机械加工不能去除的缺陷;(3)铸件非加工表面的毛刺、披缝、型砂、砂芯等应清理干净;(4)铸件一般待加工表面,允许有不超过加工余量范围内的任何缺陷存在;重要加工面允许有不超过加工余量2/3的缺陷存在,但裂纹缺陷应予清除;加工后的表面允许存在直径*长度*深度小于等于2*2*2的非连片孔洞的铸造缺陷;(5)作为加工基准面(孔)和测量基准的铸件表面,平整度小于等于2.0毫米、粗糙度Ra50以内;(6)铸件表面气孔、砂眼、夹渣面积不大,但比较分散或者有连片麻点的表面不予接收;(7)除技术要求特别注明的铸件外,对于表面有气孔、缩孔、砂眼等缺陷的铸钢件允许补焊,但铸铁件未经允许不得焊补(铸铁件实行一案一判的原则)但补焊面积不允许超过铸件面积的10%,焊接质量应符合JB/T5000.7-2007标准要求,补焊后必须退火、机械性能达到图纸要求,且不得有渗漏及影响外观的缺陷;5.1.2铸件外观质量等级缺陷项目等级A B C飞边不允许飞边高度≤1.5毫米允许不易于伤手的飞边毛刺不允许允许不易于伤手的毛刺允许不易伤手的毛刺孔眼气孔 100cm 2面积内允许直径不大于φ2mm 深度不超过壁厚1/4的孔眼2个,两处距离>60mm ;整个铸件不超过4个100cm 2面积内允许直径不大于φ3mm 深度不超过壁厚1/3的孔眼2处,两处距离>60mm ;整个铸件不超过8个不致于影响强度,其余不做要求 针孔 渣眼 缩孔 不致于影响强度裂纹 不允许 不允许不允许 冷隔 沟槽 夹砂结疤 不允许 100cm 2面积内允许面积不超过8cm 2的缺陷2处;整个铸件不超过4处不致于影响强度 皱皮 不允许 不明显引人注意缩陷不允许不允许 不允许缺肉1、一般零部件采用B 级精度,在检查过程中,如有一个或多个项目超出B 级精度要求的零部件均判定为不合格;2、影响到零部件安全、性能的部位,外观质量采用A 级精度,如果有一个或多个项目超出规定级精度要求的零部件均判定为不合格;5.2铸件尺寸的检验 5.2.1铸件毛坯尺寸公差铸件尺寸公差应按毛坯图或技术条件规定的尺寸公差等级执行,当技术文件未规定尺寸公差时,则应以GB6414为依据,并按照下表选定公差值(粗线框内为推荐使用公差等级);毛坯铸件基本尺寸(mm )尺寸公差等级CT12CT13 CT14 CT15 CT16 ≤10~16 4.4 --- --- --- --- >16~25 4.6 6 8 10 12 >25~40 5.0 7 9 11 14 >40~63 5.6 8 10 12 16 >63~100 6 9 11 14 18 >100~160 7 10 12 16 20 >160~250 8 11 14 18 22 >250~400912162025>400~630 10 14 18 22 28 >630~1000 11 16 20 25 32 >1000~1600 13 18 23 29 37 >1600~2500 15 21 26 33 42 >25004000 17 24 30 38 49 >4000~6300 20 28 35 44 56 >6300~100002332405064注:1、毛坯铸件基本尺寸是指机械加工前毛坯铸件的尺寸,包括加工余量和起模斜度; 2、毛坯基本尺寸按铸件最大尺寸选取,该铸件较小尺寸公差等级与最大尺寸公差等级相同;3、壁厚采用低一级的公差等级;4、公差带应对称于毛坯铸件基本尺寸配置,例:基本尺寸30mm ,CT13公差值为±7mm ;如有特殊要求非对称式配置时,应在技术要求中单独列出公差范围;5.2.2铸件分型面处最大错型值应不得超过表2所示公差值,当需进一步限制错型量时,应从表中选取;公差等级CT 错型值(mm )11~13 1.5 14~162.55.2.3铸件加工余量应符合表的规定,有特殊要求的表面应在技术要求中单独标注加工余量;最大轮廓尺寸加工余量一个面顶面加量≤30 4 2>30~50 5 >50~180 6 >180~315 7 >315~500 8 >500~800 103>800~1250 12 >1250~1600 144>1600~250016>2500~3150 18>3150~4000 205>4000~6300 25>6300~10000 30 7注:1、属于该铸件的较小尺寸的加工余量与最大轮廓尺寸的加工余量相同;2、此表加工余量仅指一个面的加工余量,对于柱面和两面加工的铸件,铸件轮廓尺寸应为最终机械加工后成品尺寸与两倍加工余量之和;5.3表面粗糙度检测表面粗糙度总体检测原则依据图纸要求,当图纸无要求是执行国标GB/T15056;5.3.1一般情况下,表面粗糙度要求Ra50,铸件难以清理的部位,局部允许Ra100,待加工表面允许降低1级;5.3.2.使用面积法作为验收依据面积法常用的比较样块评定铸件表面粗糙度;方法如下:(1)铸造表面粗糙度比较样块应符合GB6060.1-1997标准;(2)按照国标BWZ001-88评定铸件表面粗糙度的等级;(3)铸件的浇道、冒口、修补的残余表面及铸造表面缺陷(如粘砂、结疤等)不列为被检表面;(4)以铸造表面粗糙度比较样块为对照标准,对被检铸件的铸造表面用视觉或触觉的方法进行对比;(5)用样块对比时,应选用适于铸造合金材料和工艺方法的样块进行对比;(6)被检的铸造表面必须清理干净,样块表面和被检表面均不得有锈蚀处;(7)用样块对比时,砂型铸造表面被检点数应符合表的规定;特种铸造表面被检点数应按表8的规定加倍;被检点应平均分布,每点的被检面积不得小于与之对比面的面积;被检铸造表面面积(cm2)<200 200~1000 100~10000 >10000被检点数(个) 不少于2 每200cm2不少于1 每1000cm2不少于1不少于40 (8)当被检铸造表面的粗糙度介于比较样块两级参数值之间者,所确定的被检铸造表面的粗糙度等级为粗的一级;(9)对被检铸造表面,以其80%的表面所达到的最粗表面粗糙度等级,为该铸造表面粗糙度等级;5.3.3铸件表面清理检测5.3.1铸件几何形状必须完整,非加工面上的清理损伤不应大于该处的尺寸偏差,加工面上的损伤不应大于该处加工余量的1/2;5.3.2允许铸件表面有少量的局部低凹或打磨痕迹,在直径不大于8mm,并能保证铸件规定的最小的壁厚;5.3.3为去除铸造缺陷而打磨后的铸件表面粗糙度应与一般铸件表面粗糙度基本一致;5.3.4除特殊情况外,铸件表面允许残留的浇冒口、毛刺,多肉残余量应按表8的要求进行;类别非加工面凸出高度(mm)加工面凸出高度(mm) 外表面非外表面浇冒口残余量-0.5~0.5 <2 <2~4毛刺残余量0 <2 <1~2多肉残余量<1 <2 <25.3.5铸件表面须经过防锈处理,保证在铸件进入面加工时不得有任何的锈蚀;5.3.6铸件表面如有油漆要求的,必须按有关涂装规定执行;5.4铸件重量检测5.4.1对于没有特殊要求的铸件,重量偏差可以不作为验收依据;如果技术条件有要求,供需双方协商后,铸件的重量偏差也应作为验收依据,一般应符合表的规定;公称重量(Kg) ≤200>200~500>500~1000>1000~5000>5000~10000>10000~30000>30000~50000>50000铸件重量上偏差(%)8 7.5 7 6.5 6 5.5 5 4.5。
铸件外观质量验收技术条件铸件外观质量验收技术条件一、范围本要求适用于一汽锡柴W.X.F.K.L.M.N系列柴油机,采用砂型铸造,金属型铸造方法获得的黑色、有色合金铸件。
(主要铸件机体、缸盖按专用铸件验收技术条件)二、主要内容质量部门组织评价和判定铸件外观质量,作为交货验收的技术依据。
三、引用标准a)GB/T6060.1-1997表面粗糙度比较样块。
b)GB/T15056-1994 铸造表面粗糙度评定方法。
c)Q/XC5101-2001 铸铁件通用技术条件。
d)Q/XC512-90有色合金通用技术条件。
四、目测铸件外观质量技术要求1、一般要求1.1,表面粗糙度要求Ra50,铸件难以清理的部位,局部允许Ra100。
待加工表面允许降低1级。
1.2,铸件外观可参照样品执行。
2、表面缺陷2.1,铸件表面不允许有冷隔、裂纹、孔洞贯穿内外表面的缺陷及机械加工不能去除的其它缺陷。
2.2,铸件上的型砂、芯砂、披缝必须清理干净2.3,铸件非加工表面上允许铸件中存在顶杆、排气塞等痕迹,但凸出和凹下表面不超过0.5mm。
2.4,非加工面上允许存在的不需要修补的缺陷见表1。
2.5 加工前的加工面上允许存在深度不得超过加工余量2/3的铸造缺陷。
2.6 加工后的加工面上允许存在ф≤1mm,深度<1mm的单个孔洞的铸造缺陷。
3、浇冒口残根3.1,需加工的表面上的浇冒口残根高度允许≤1mm。
3.2,非加工表面的浇冒口残根可以高于非加工表面,但高度不得超过0.5mm,同时不得影响机加工时的定位基准。
4、铸件的错型值铸件分型面处最大错型值≤0.8mm。
铸件各表面突起的分型线,或者与铸件表面圆滑过渡,或者突出高度小件不超过0.5mm, 中、大件不超过0.8 mm,分型面上的飞边不应有锋利锐边,以免引起人身伤害。
5、铸件缺陷的修补铸件缺陷的修补按有关技术条件执行,修补后的`铸件不得有渗漏和影响外观质量的缺陷。
6、铸件表面的防锈处理6.1,铸件表面须经过防锈处理,保证在铸件进入面加工时不得有任何的锈蚀。
编制审核批准变更经历批准日期
制成
△1
△2
文件号HHMC/ZCBZ-003 △3
铸件外观质量检验标准
一目的
为使铸造产品品质得到有效控制,同时使检验人员在进行检验作业时有据可循,特制定此标准.
二适用范围
本标准适用于本公司铸件外观质量控制.
三内容
1.检验项目
铸件表面质量检验标准见表1
2.各项目检验频率及取样方法、检验方法及检验结果处理见表2。
3.检验标准
1)定义
铸件外观质量即指铸件表面状况及其达到用户要求的程度
铸件外观质量包括:铸件的直线度、非加工面的错箱量、铸件表面质量、尺寸公差、重量公差。
2)铸件外观质量要求
➢铸件的直线度
树脂砂铸件外露的非加工表面的直线度误差,在同一铸型平面内任意600mm长度上不大于2mm. 铸件表面质量
a)铸件表面粗糙度
铸件表面粗糙度指铸件表面不光滑和凹凸不平的程度。
铸件表面粗糙度的评定方法按BWZ001-88的规定,以全国铸造标准化技术委员会监制生产的铸造表面粗糙度比较样块为对照标准,对被检铸件的铸造表面用视觉或触觉的方法进行比对。
b)铸件表面及内腔上的粘砂和粘结物应清理干净。
c)对铸件外露的非加工面上的浇冒口及局部凸起、飞边、毛刺,一律要先铲平,后磨平,磨后只。
铸件外观检验规范
一、范围
本规范适用于本厂产品的精铸件、砂型铸件的外观检验。
本规范规定了精铸件、砂型铸件的外观检验要求和具体验收准则。
二、铸件外观缺陷名称及分类
铸件不得有明显孔眼(气孔、缩孔、缩松、渣眼、砂眼、铁豆),裂纹(热裂、冷裂、温裂),表面缺陷(粘砂、结疤、夹砂、冷隔),形状缺陷(多肉、浇不足、变形、料口毛刺)等严重影响产品的外观和强度缺陷。
四、具体验收准则
(一)手轮
序号缺陷
名称
验收准则
可接收不可接收
1 气孔
2 多肉
3 浇不足
4 料口毛刺
注:如出现其它严重影响产品的外观缺陷,一律不可接收。
序号缺陷
名称
验收准则
可接收不可接收
1 气孔
2 多肉
3 浇不足
4 料口毛刺
注:如出现其它严重影响产品的外观缺陷,一律不可接收。
铸件表面质量验收规程编制:审核:批准目录1、目的 (2)2、适用范围 (3)3、引用标准 (3)4、验收方案及检验频次 (3)5、验收项目及标准 (3)5.1铸件表面缺陷的检验 (3)5.1.1表面缺陷检验一般要求 (3)5.1.2铸件外观质量等级 (4)5.1.3检验方法 (5)5.2 铸件尺寸的检验 (5)5.2.1铸件毛坯尺寸公差 (5)5.2.6铸件尺寸检验的规范 (8)5.2.7铸件尺寸的检验方法 (9)5.3 铸件重量检验 (9)5.4 表面粗糙度检验 (9)5.5 表面清理质量检验 (11)6、其他验收要求 (11)1、目的为加强本公司对外协铸件的质量控制,保证本公司产品的外观质量及加工性能,特制订铸件表面质量验收规程。
2、适用范围本规范适用于公司所有采用砂型铸造,黑色和有色合金铸件的外观质量验收,包括表面缺陷、尺寸精度、重量偏差、表面粗糙度的验收。
3、引用标准(1)JB/T 5000.4-2007重型机械通用技术条件第4部分铸铁件(2)JB/T 5000.6-2007重型机械通用技术条件第6部分铸钢件(3)GB6414-1999 铸件尺寸公差与机械加工余量(4)GB/T6060.1-1997 表面粗糙度比较样块。
(5)GB/T15056-1994 铸造表面粗糙度评定方法。
(6) Q/XC5101-2001 铸铁件通用技术条件。
(7) Q/XC512-90 有色合金通用技术条件。
4、验收方案及检验频次4.1表面缺陷项目为全检项,样件首检和批量供货,均要进行逐个检验,检验频次为100%。
4.2关键尺寸实行100%全检,非关键尺寸抽检10%。
4.4重量偏差与表面粗糙度的验收根据具体技术要求执行,无要求时可不做检验。
5、验收项目及标准铸件的表面质量主要包括铸件的表面缺陷、尺寸精度、重量偏差、形状偏差、表面粗糙度和铸件表面清理质量等。
5.1铸件表面缺陷的检验5.1.1表面缺陷检验一般要求(1)铸件非加工表面上的浇冒口应尽可能清理得与铸件表面同样平整,加工面上的浇冒口残留量应符合技术要求,若无要求,则按表8执行。
铸铁件验收项目及标准铸件的表面质量主要包括铸件的表面缺陷、尺寸精度、形状偏差、表面粗糙度、表面清理质量等;1、铸件表面缺陷的检验1.1表面缺陷检验的一般要求1.1.1铸件非加工表面上的浇冒口必须清理得与铸件表面同样平整,加工面上的浇冒口残留量应符合技术要求,若无要求,则按表8执行;1.1.2在铸件上不允许有裂纹、通孔、穿透性的冷隔和穿透性的缩松、夹渣等机械加工不能去除的缺陷;1.1.3铸件非加工表面的毛刺、披缝、型砂、砂芯等应清理干净;1.1.4铸件一般待加工表面,允许有不超过加工余量范围内的任何缺陷存在;重要加工面允许有不超过加工余量2/3的缺陷存在,但裂纹缺陷应予清除;加工后的表面允许存在直径*长度*深度小于等于2*2*2的非连片孔洞的铸造缺陷;1.1.5作为加工基准面(孔)和测量基准的铸件表面,平整度小于等于2.0 毫米、粗糙度Ra50以内;1.1.6铸件表面气孔、砂眼、夹渣面积不大,但比较分散或者有连片麻点的表面不予接收;1.1.7除技术要求特别注明的铸件外,对于表面有气孔、缩孔、砂眼等缺陷的铸钢件允许补焊,但铸铁件未经允许不得焊补(铸铁件实行一案一判的原则)但补焊面积不允许超过铸件面积的10%,焊接质量应符合JB/T 5000.7-2007标准要求,补焊后必须退火、机械性能达到图纸要求,且不得有渗漏及影响外观的缺陷;1.2铸件外观质量等级表1 铸件外观质量等级1、一般零部件采用B级精度,在检查过程中,如有一个或多个项目超出B级精度要求的零部件均判定为不合格;2、影响到零部件安全、性能的部位,外观质量采用A级精度,如果有一个或多个项目超出规定级精度要求的零部件均判定为不合格;2、铸件尺寸的检验2.1铸件毛坯尺寸公差铸件尺寸公差应按毛坯图或技术条件规定的尺寸公差等级执行,当技术文件未规定尺寸公差时,则应以GB6414-1999为依据,并按照表2选定公差值(粗线框内为推荐使用公差等级);表2铸件尺寸公差(单位:mm)2.2铸件分型面处最大错型值应不得超过表2所示公差值,当需进一步限制错型量时,应从表3中选取;表 3 错型值(GB6414-1999)2.3铸件加工余量应符合表4的规定,有特殊要求的表面应在技术要求中单独标注加工余量;表4加工余量(单位:mm)3、表面粗糙度检测表面粗糙度总体检测原则依据图纸要求,当图纸无要求是执行国标GB/T15056-1994;3.1一般情况下,表面粗糙度要求Ra50,铸件难以清理的部位,局部允许 Ra100,待加工表面允许降低1级;3.2.使用面积法作为验收依据面积法常用的比较样块评定铸件表面粗糙度;方法如下:3.2.1铸造表面粗糙度比较样块应符合GB6060.1-1997标准;3.2.2按照国标BWZ001-88评定铸件表面粗糙度的等级;3.2.3铸件的浇道、冒口、修补的残余表面及铸造表面缺陷(如粘砂、结疤等)不列为被检表面;3.2.4以铸造表面粗糙度比较样块为对照标准,对被检铸件的铸造表面用视觉或触觉的方法进行对比;3.2.5用样块对比时,应选用适于铸造合金材料和工艺方法的样块进行对比;3.2.6被检的铸造表面必须清理干净,样块表面和被检表面均不得有锈蚀处;3.2.7用样块对比时,砂型铸造表面被检点数应符合表7的规定;特种铸造表面被检点数应按表8的规定加倍;被检点应平均分布,每点的被检面积不得小于与之对比面的面积;表7 被检铸造表面最低检测数3.2.8当被检铸造表面的粗糙度介于比较样块两级参数值之间者,所确定的被检铸造表面的粗糙度等级为粗的一级;3.2.9对被检铸造表面,以其80%的表面所达到的最粗表面粗糙度等级,为该铸造表面粗糙度等级;3.3铸件表面清理检测3.3.1铸件几何形状必须完整,非加工面上的清理损伤不应大于该处的尺寸偏差,加工面上的损伤不应大于该处加工余量的1/2;3.3.2允许铸件表面有少量的局部低凹或打磨痕迹,在直径不大于8mm,并能保证铸件规定的最小的壁厚;3.3.3为去除铸造缺陷而打磨后的铸件表面粗糙度应与一般铸件表面粗糙度基本一致;3.3.4除特殊情况外,铸件表面允许残留的浇冒口、毛刺,多肉残余量应按表 8的要求进行;表8 浇冒口、毛刺、多肉等允许残留量值3.3.5铸件表面须经过防锈处理,保证在铸件进入面加工时不得有任何的锈蚀;3.3.6铸件表面如有油漆要求的,必须按有关涂装规定执行;4、铸件重量检测对于没有特殊要求的铸件,重量偏差可以不作为验收依据;如果技术条件有要求,供需双方协商后,铸件的重量偏差也应作为验收依据,一般应符合表6的规定;表6铸件重量偏差。
Q/JLJ 上海建设路桥机械设备有限公司企业标准Q/JLJ 20.24-2004代替Q/JLJ 20.24-1999铸铁件、碳钢铸件检验规范2004-11-04发布2004-11-10实施上海建设路桥机械设备有限公司发 布前 言本标准根据国家现有的铸件通用标准及本公司相关的技术文件而制定,指导检验人员用于铸件质量检验。
本标准对Q/JLJ 20.24-1993第3.1和3.3条款进行了修改,补充了相应的理化试验内容,作为进货检验和试验工作指导性文件。
本标准的格式按照GB/T 1.1-2000《标准化工作导则 第1部分:标准的结构和编写规则》进行编辑性修改,具体内容与Q/JLJ 20.24-1999完全一致。
本标准由公司标准化委员会提出;本标准由总工程师室归口;本标准主要起草人:张兰;本标准审核人:陈志兴;本标准标准化审查人:王定华;本标准由公司总工程师李本仁审定;本标准由公司总经理张庆伟批准。
本标准所代替标准的历次发布情况为:——Q/JLJ 20.24-1993、Q/JLJ 20.24-1999。
I铸铁件、碳钢铸件检验规范1 范围本规范规定了质量检查项目和检验频次等事项。
本规范适用于本公司外协铸铁件、碳钢铸件的检验。
不适用高锰钢件及高铬铸铁件。
2 规范性引用文件下列文件中的条款通过本标准的引用而成为本标准的条款。
凡是注日期的引用文件,其随后所有的修改单(不包括勘误的内容)或修订版均不适用于本标准,然而,鼓励根据本标准达成协议的各方研究是否可使用这些文件的最新版本。
凡是不注日期的引用文件,其最新版本适用于本标准。
GB/T 1348 球墨铸铁件GB/T 6414 铸件尺寸公差GB/T 9439 灰铸铁件GB/T 9441 球墨铸铁金相GB/T 11352 一般工程用铸造碳钢件3 质量检查项目3.1 铸件进厂应含有下列内容的质量证明书a ) 铸造厂名;b ) 炉批号;c ) 材质牌号;d ) 机械性能;e ) 化学成分(铸钢件);f ) 浇注随炉试样(重要铸件);3.2 几何形状和尺寸检查按图纸规定的尺寸检查,毛坯中未注公差的尺寸按 GB/T 6414 检验。
本标准规定了铸件表面质量评定的有关技术要求及评定方法;本标准适应于本厂所需铸件的表面质量评定。
1. 技术要求铸件的铸造表面粗糙度应符合产品技术要求,当无明确技术要求时,按Rz8000 验收;铸件的几何形状及尺寸应符合产品图纸及订货协议的要求;清理后的铸件外表面一般不允许有粘砂、氧化皮、结疤和影响零件装配及外表美观的缺陷;除特殊情况外,铸件表面允许存留浇冒口、毛刺、飞边、胀砂、多肉残余量,见表1:2. 评定方法铸造表面粗糙度评定方法(GB15056-942.1.1本标准适用于采用GB6060.1规定的铸造表面粗糙度比较样块对铸件铸造表面粗糙度进行评定,对铸件铸造表面缺陷(如粘砂、结疤等)不列为被检表面; 2.1.2铸件表面粗糙度参数等级:铸件表面粗糙度参数数值等级应符合GB6060.1规定。
2.1.3铸造表面粗糙度比较样块的比对方法:2.131以符合GB6060.1规定的铸造表面粗糙度比较样块,对被检铸件的铸造表面用视觉或触觉的方法进行比较;2.1.3.2试验前被检的铸造表面必须清理干净,样块表面和被检铸造表面都不得有锈蚀;2.1.3.3视觉比对时,应在光线充足的场地用肉眼直观比对,也可用放大镜观察比对;2.1.3.4触觉比对时,应用手指在被检铸造表面和相近2个参数等级比较样块表面触摸,获得同样感觉的那个等级,即为被检铸造表面粗糙度数值;2.1.3.5用样块比对时,应选用适于铸造合金材质和工艺方法的样块进行比对。
2.1.4铸造表面粗糙度等级的评定:2.1.4.1对被检铸造表面均匀划分若干个检测单元,用样块对检测单元逐一进行比对;2.1.4.2划分检测单元的数目应符合表2的规定,每个检测单元面积不得小于样块的面积;2.1.4.3检测单元的表面粗糙度参数值等级应以该表面内表面粗糙度参数值最大的等级评定。
当表面粗糙度介于比较样块两级参数值之间时,以数值大的等级评^定。
2.1.4.4将所有检测单元的表面粗糙度参数值从小到大加以整理,以最小等级起的80%佥测单元数中的最大数值等级定为该铸造表面粗糙度等级,但其余20%佥测单元表面粗糙度参数等级比所定等级不得大于一个等级以上;2.1.4.5当20%佥测单元的表面粗糙度等级比80%佥测单元表面粗糙度等级大二个或二个等级以上时。
熔模铸钢件、镍合金铸件和钴合金铸件表面质量目视检测方法1 范围本文件规定了熔模铸钢件、镍合金铸件和钴合金铸件表面质量的目视检测方法及质量等级。
本文件适用于熔模铸钢件、镍合金铸件和钴合金铸件的表面质量目视检测与质量等级判定。
2 规范性引用文件下列文件中的内容通过文中的规范性引用而构成本文件必不可少的条款。
其中,注日期的引用文件,仅该日期对应的版本适用于本文件;不注日期的引用文件,其最新版本(包括所有的修改单)适用于本文件。
GB/T 5611 铸造术语3 术语和定义GB/T 5611界定的以及下列术语和定义适用于本文件。
表面凹陷 surface pit凹陷的长度小于其宽度的三倍。
表面不连续 linear discontinuity凹陷的长度等于或大于其宽度的三倍。
表面凸起 positive metal铸件表面的凸起。
表面粗糙度 surface roughness表面状态的测试。
注:表面粗糙度通常通过使用目测或者接触仪来确定。
分型线 parting line工具或模具的结合造成的表面状态。
注:分型线是连续的直线。
起模顶杆印记 eiector-pin mark脱模过程顶杆造成的铸件表面印记。
浇注系统印记 gate stub切除浇注系统后剩余的凸起部分。
4 检测方法人员资质4.1.1 检验人员应具备开展目视检测的能力。
4.1.2 检验人员应每年进行视力检查,视力检查的结果需满足如下要求:a)在不小于3 0cm距离内,一只或两只眼睛的近视力应能读出Jacjer 1号或Ti mes New Roman4.5号或同样大小字符 (高为1.6 mm);b)检验人员应具有足够的色觉,能够辨别和区分目视检测所涉及的颜色或灰度的差别。
检测条件4.2.1 目视检测应当在照明度不小于1 000 LM的条件下进行,特定条件下,也可用手提照明灯辅助照明。
4.2.2 应使用放大倍数不超过3倍的光学辅助仪器进行检测。
操作方法4.3.1 目视距离应小于600 mm,视线与待检测平面之间的夹角应不小于30º。
青岛222精密机械有限公司企业标准
编号:YQB/0004-2016-A
铸件表面质量验收规范
发布时间:2016年 7 月 13 日实施时间:2016年 7 月 13 日青岛222精密机械有限公司发布
1、目的
为加强本公司对铸件的质量控制,保证本公司产品的外观质量及加工性能,特制订铸件表面质量验收规范;
2、适用范围
本规范适用于公司所有外来铸铁(钢)件的外观质量验收,包括表面缺陷、尺寸精度、表面粗糙度的验收;
3、引用标准
(1)JB/T 5000.4-2007 重型机械通用技术条件第4部分铸铁件;
(2)JB/T 5000.6-2007 重型机械通用技术条件第6部分铸钢件;
(3)GB6414-1999 铸件尺寸公差与机械加工余量;
(4)GB/T6060.1-1997 表面粗糙度比较样块;
(5)GB/T15056-1994 铸造表面粗糙度评定方法;
(6)Q/XC5101-2001 铸铁件通用技术条件;
(7GB/T11351-1989 铸件重量公差
4、名词解释
(1)全数选别:检验项目100%检测;
5、验收项目及标准
铸件的表面质量主要包括铸件的表面缺陷、尺寸精度、形状偏差、表面粗糙度、表面清理质量等;
5.1铸件表面缺陷的检验
5.1.1表面缺陷检验的一般要求
(1)铸件非加工表面上的浇冒口必须清理得与铸件表面同样平整,加工面上的浇冒口残留量应符合技术要求,若无要求,则按表8执行;
(2)在铸件上不允许有裂纹、通孔、穿透性的冷隔和穿透性的缩松、夹渣等机械加工不能去除的缺陷;
(3)铸件非加工表面的毛刺、披缝、型砂、砂芯等应清理干净;
(4)铸件一般待加工表面,允许有不超过加工余量范围内的任何缺陷存在;重要加工面允许有不超过加工余量2/3的缺陷存在,但裂纹缺陷应予清除;加工后的表面允许存在直径*长度*深度小于等于2*2*2的非连片孔洞的铸造缺陷;
(5)作为加工基准面(孔)和测量基准的铸件表面,平整度小于等于2.0毫米、粗糙度Ra50以内;
(6)铸件表面气孔、砂眼、夹渣面积不大,但比较分散或者有连片麻点的表面不予接收;
(7) 除技术要求特别注明的铸件外,对于表面有气孔、缩孔、砂眼等缺陷的铸钢件允许补焊,但铸铁件未经允许不得焊补(铸铁件实行一案一判的原则)但补焊面积不允许超过铸件面积的10%,焊接质量应符合JB/T 5000.7-2007标准要求,补焊后必须退火、机械性能达到图纸要求,且不得有渗漏及影响外观的缺陷;
5.1.2铸件外观质量等级
表1 铸件外观质量等级
5.2 铸件尺寸的检验
5.2.1铸件毛坯尺寸公差
铸件尺寸公差应按毛坯图或技术条件规定的尺寸公差等级执行,当技术文件未规定尺寸公差时,则应以GB6414-1999为依据,并按照表2选定公差值(粗线框内为推荐使用公差等级);
表2铸件尺寸公差(单位:mm)
5.2.2铸件分型面处最大错型值应不得超过表2所示公差值,当需进一步限制错型量时,应从表3中选取;
表3 错型值(GB6414-1999)
5.2.3铸件加工余量应符合表4的规定,有特殊要求的表面应在技术要求中单独标注加工余量;
表4 加工余量(单位:mm)
5.3表面粗糙度检测
表面粗糙度总体检测原则依据图纸要求,当图纸无要求是执行国标
GB/T15056-1994;
5.3.1一般情况下,表面粗糙度要求 Ra50,铸件难以清理的部位,局部允许 Ra100,待加工表面允许降低1级;
5.3.2.使用面积法作为验收依据
面积法常用的比较样块评定铸件表面粗糙度;方法如下:
(1)铸造表面粗糙度比较样块应符合GB6060.1-1997标准;
(2)按照国标BWZ001-88评定铸件表面粗糙度的等级;
(3)铸件的浇道、冒口、修补的残余表面及铸造表面缺陷(如粘砂、结疤等)不列为被检表面;
(4)以铸造表面粗糙度比较样块为对照标准,对被检铸件的铸造表面用视觉或触觉的方法进行对比;
(5)用样块对比时,应选用适于铸造合金材料和工艺方法的样块进行对比;
(6)被检的铸造表面必须清理干净,样块表面和被检表面均不得有锈蚀处;
(7)用样块对比时,砂型铸造表面被检点数应符合表7的规定;特种铸造表面被检点数应按表8的规定加倍;被检点应平均分布,每点的被检面积不得小于与之对比面的面积;
表7 被检铸造表面最低检测数
(8)当被检铸造表面的粗糙度介于比较样块两级参数值之间者,所确定的被检铸造表面的粗糙度等级为粗的一级;
(9)对被检铸造表面,以其80%的表面所达到的最粗表面粗糙度等级,为该铸造表面粗糙度等级;
5.3.3铸件表面清理检测
5.3.1铸件几何形状必须完整,非加工面上的清理损伤不应大于该处的尺寸偏差,加工面上的损伤不应大于该处加工余量的1/2;
5.3.2允许铸件表面有少量的局部低凹或打磨痕迹,在直径不大于 8mm,并能保证铸件规定的最小的壁厚;
5.3.3为去除铸造缺陷而打磨后的铸件表面粗糙度应与一般铸件表面粗糙度基本一致;
5.3.4除特殊情况外,铸件表面允许残留的浇冒口、毛刺,多肉残余量应按表8的要求进行;
表8 浇冒口、毛刺、多肉等允许残留量值
5.3.5铸件表面须经过防锈处理,保证在铸件进入面加工时不得有任何的锈蚀;
5.3.6铸件表面如有油漆要求的,必须按有关涂装规定执行;
5.4铸件重量检测
5.4.1对于没有特殊要求的铸件,重量偏差可以不作为验收依据;如果技术条件有要求,供需双方协商后,铸件的重量偏差也应作为验收依据,一般应符合表6的规定;
表6 铸件重量偏差
6.铸件外观图片参考
——本规范由222品质部提出
编制:陈雪刚审核:陈雪刚批准:。