资产损失清单申报明细表附表一
- 格式:doc
- 大小:126.00 KB
- 文档页数:5
企业资产损失税纳税人名称:
纳税人电脑编码:纳税人识别号:
填报说明:
1.本表一式两份,主管税务机关受理签章后退纳税人一份,另一份纳入征管档案资料
中一份分支机构留存,一份报总机构。
2.跨省市(含厦门)以及省内跨市(县、区)经营汇总纳税总机构纳税人,仅填报总
3.第10列根据资产损失项目实际情况填列,如:固定资产项目=第4列+第9列-第8列;股票项目=第4
4.第10列、第11列损失金额不一致的,年度纳税申报时应按规定进行纳税调整。
金额单位:元(列至角分)
损失税前扣除清单申报汇总表
别号:
案资料管理;就地预缴企业所得税的分支机构,一式叁份,主管税务机关受理签章后退分
填报总机构本部及不实行就地预缴企业所得税的分支机构发生的需清单申报的资产损失事4列+第9列-第8列;股票项目=第4列-8列。
位:元(列至角分)
后退分支机构两份,其损失事项。
年 月 日。
A105090资产损失税前扣除及纳税调整明细表填表说明一、适用范围本表适用于实行查账征收企业所得税的居民纳税人填报。
二、填报依据和内容根据《中华人民共和国企业所得税法》及其实施条例、相关税收政策,以及国家统一会计制度的规定,填报企业财务会计处理与税收规定不一致、进行纳税调整项目的金额。
三、有关项目填报说明1.第1行“一、清单申报资产损失”:填报以清单申报的方式向税务机关申报扣除的资产损失项目账载金额、税收金额以及纳税调整金额。
填报第2行至第8行的合计数。
2.第2行至第8行,分别填报相应资产损失类型的会计处理、税法规定及纳税调整情况。
第1列“账载金额”填报纳税人会计核算计入当期损益的资产损失金额,已经计入存货成本的正常损耗除外;第2列“税收金额”填报根据税法规定允许税前扣除的资产损失金额;第3列“纳税调整金额”为第1-2列的余额。
3.第9行“二、专项申报资产损失”:填报以专项申报的方式向税务机关申报扣除的资产损失项目的账载金额、税收金额以及纳税调整金额。
本行根据《资产损失(专项申报)税前扣除及纳税调整明细表》(A105091)填报,第1列“账载金额”为表A105091第20行第2列金额;第2列“税收金额”为表A105091第20行第6列金额;第3列“纳税调整金额”为表A105091第20行第7列金额。
4.第10行“(一)货币资产损失”:填报企业当年发生的货币资产损失(包括现金损失、银行存款损失和应收及预付款项损失等)的账载金额、税收金额以及纳税调整金额,根据《资产损失(专项申报)税前扣除及纳税调整明细表》(A105091)第1行相应数据列填报。
5.第11行“(二)非货币资产损失”:填报非货币资产损失的账载金额、税收金额以及纳税调整金额,根据《资产损失(专项申报)税前扣除及纳税调整明细表》(A105091)第6行相应数据列填报。
6.第12行“(三)投资损失”:填报应进行专项申报扣除的投资损失账载金额、税收金额以及纳税调整金额,根据《资产损失(专项申报)税前扣除及纳税调整明细表》(A105091)第11行相应数据列填报。
《资产损失税前扣除及纳税调整明细表》填报说明本表适用于发生资产损失税前扣除项目及纳税调整项目的纳税人填报。
纳税人根据税法、《财政部国家税务总局关于企业资产损失税前扣除政策的通知》(财税〔2009〕57号)、《国家税务总局关于发布〈企业资产损失所得税税前扣除管理办法〉的公告》(国家税务总局公告2011年第25号)、《国家税务总局关于商业零售企业存货损失税前扣除问题的公告》(国家税务总局公告2014年第3号)、《国家税务总局关于企业因国务院决定事项形成的资产损失税前扣除问题的公告》(国家税务总局公告2014年第18号)等相关规定,及国家统一企业会计制度,填报资产损失的会计处理、税收规定,以及纳税调整情况。
一、有关项目填报说明(一)行次填报跨地区经营汇总纳税企业第1行至第6行、第8行填报总机构情况,第7行填报各分支机构汇总后情况。
1.第1行“一、清单申报资产损失”:填报以清单申报的方式向税务机关申报扣除的资产损失的账载金额、资产处置收入、赔偿收入、资产计税基础、资产损失的税收金额以及纳税调整金额。
本行金额等于第2行至第8行的合计金额。
2.第2行至第8行,分别填报相应清单申报资产损失类型的会计处理、税收规定及纳税调整情况。
3.第9行“二、专项申报资产损失”:填报以专项申报的方式向税务机关申报扣除的资产损失的账载金额、资产处置收入、赔偿收入、资产计税基础、资产损失的税收金额以及纳税调整金额。
本行金额等于第10行至第13行的合计金额。
4.第10行“(一)货币资产损失”:填报企业当年发生的货币资产损失(包括现金损失、银行存款损失和应收及预付款项损失等)的账载金额、资产处置收入、赔偿收入、资产计税基础、货币资产损失的税收金额以及纳税调整金额。
5.第11行“(二)非货币资产损失”:填报应进行专项申报扣除的非货币资产损失的账载金额、资产处置收入、赔偿收入、资产计税基础、非货币资产损失的税收金额以及纳税调整金额。
6.第12行“(三)投资损失”:填报应进行专项申报扣除的投资损失的账载金额、资产处置收入、赔偿收入、资产计税基础、投资损失的税收金额以及纳税调整金额。
资产处置损益明细表填报时间:年月日金额单位:元(列至角分)行次项目账面价值(1)计税基础(2)可变现价值或交易价格(3)资产处置损益(4)=(3)-(2)1 货币资金2 短期投资*3 交易性金融资产#4 应收票据5 应收账款6 预付账款7 应收利息8 应收股利9 应收补贴款*10 其他应收款11 存货12 待摊费用*13 一年内到期的非流动资产14 其他流动资产15 可供出售金融资产#16 持有至到期投资#17 长期应收款#18 长期股权投资19 长期债权投资*20 投资性房地产#21 固定资产22 在建工程23 工程物资24 固定资产清理25 生物资产#26 油气资产#27 无形资产28 开发支出#29 商誉#30 长期待摊费用31 其他非流动资产32 总计经办人签字:纳税人盖章:附表一《资产处置损益明细表》填报说明一、适用范围本表适用于按税收规定进行清算、缴纳企业所得税的居民企业纳税人(以下简称纳税人)申报。
二、填报依据根据《中华人民共和国企业所得税法》及其实施条例和相关税收政策规定计算填报。
三、有关项目填报说明1.标有*行次由执行企业会计制度的纳税人填报;标有#行次由执行企业会计准则的纳税人填报;其他行次执行企业会计制度和企业会计准则的纳税人均填报。
执行企业会计制度和企业会计准则以外的纳税人,按照本表的行次内容根据其资产情况分析填报。
2.“账面价值(1)”列:填报纳税人按照国家统一会计制度规定确定的清算开始日的各项资产账面价值的金额。
3.“计税基础(2)”列:填报纳税人按照税收规定确定的清算开始日的各项资产计税基础的金额,即取得资产时确定的计税基础减除在清算开始日以前纳税年度内按照税收规定已在税前扣除折旧、摊销、准备金等的余额。
4.“可变现价值或交易价格(3)”列:填报纳税人清算过程中各项资产可变现价值或交易价格的金额。
5.“资产处置损益(4)”列:填报纳税人各项资产可变现价值或交易价格减除其计税基础的余额。
附表二十企业资产损失税前扣除清单申报表附表二十企业资产损失税前扣除清单申报表填报单位: 申报扣除年度: 单位:元
本级机构申报扣除资产损失情况
项目损失类型损失金额备注
本级机构合计
下级分支机构已做清单和专项申报资产损失情况下级分支机构名称清单申报金额专项申报金额小计
下级分支机构合计
总计 * *
纳税人声明
我单位以上申请在****年度扣除的资产损失*****元是真实的,相关证明材料
真实、合法、完整。
如出现虚报多报资产损失行为,愿承担相应法律责任。
法人代表签章: 企业公章:
接收税务机关: 接收人: 接收日期: 填表说明:
1.一般企业仅填列本级机构相应内容;设有下级分支机构,且下级分支机构应
按规定进行清单和专项申报的,上级机构或总机构根据自身发生损失情况填列本级清单申报内容,同时根据下级分支机构报送的申报资料填列本表相应内容实现对下级分支机构资产损失的清单申报。
设有三、四级分支机构的,在分别实行清单申报和专项申报的基础上,可选择逐级汇总清单申报,也可直接由二级机构统一进行清单申报。
2.项目按存货、固定资产、股权投资、生物性资产等会计核算科目填列
3.损失类型按照管理办法第九条清单申报的类型填列,即按照公允价格销售、转让、变卖非货币资产的损失;存货正常损耗;固定资产达到或超过使用年限正常报废;生产性生物资产达到或超过使用年限而正常死亡发生;按照市场公平交易原则,通过各种交易场所、市场等买卖债券、股票、期货、基金以及金融衍生产品等发生的损失。
4.税务机关接收意见为不同意接收的,需注明理由。
同时按管理办法第八条要求改正,纳税人拒绝改正的,不予受理。
本表一式两份,主管税务机关留存一份,企业留存一份。
资产损失税前扣除申报表附表1企业资产损失清单申报税前扣除表企业名称(公章):金额单位:元序号损失类别笔数处置收入资产净值或计税成本(含税费)申报损失扣除金额会计处理凭证号会计处理年度1 销售、转让、变卖固定资产损失2 销售、转让、变卖无形资产损失3 销售、转让、变卖在建工程损失4 销售、转让、变卖生产性生物资产损失5 销售、转让、变卖存货损失6 各项存货发生的正常损耗7 固定资产达到使用年限正常报废清理损失8 固定资产超过使用年限正常报废清理损失9 生产性生物资产达到使用年限正常报废清理损失10 生产性生物资产超过使用年限正常报废清理损失11 通过交易所、银行间市场买卖债券损失12 通过交易所、银行间市场买卖股票损失13 通过交易所、银行间市场买卖期货损失14 通过交易所、银行间市场买卖基金损失15 通过交易所、银行间市场买卖金融衍生产品等损失16 清单申报的其他资产损失总计※※※※资产损失税前扣除申报表附表2--1企业资产损失专项申报税前扣除表—货币资产损失企业名称(公章):金额单位:元序号损失类别笔数损失发生金额赔偿及分配金额申报损失扣除金额会计处理凭证号会计处理年度一现金损失小计※※1 一般性责任2 刑事犯罪3 收缴假币4 其他原因二在金融机构存款损失三应收及预付款项损失小计※※1 属于债务人破产清算的2 属于诉讼案件的3 属于债务人停止营业的※4 属于债务人死亡、失踪的※5 属于债务重组的※6 属于债务人自然灾害、战争的7 逾期三年以上的※8 逾期一年以上不超过规定数额的※9 其他原因总计※※※※资产损失税前扣除申报表附表2--2企业资产损失专项申报税前扣除表—非货币资产损失企业名称(公章):金额单位:元序号损失类别笔数账面净值或计税成本资产减值部分已在税前扣除的折旧或摊销额残值赔偿金额进项税转出申报损失扣除金额会计处理凭证号会计处理年度一存货损失小计※※1 存货盘亏2 存货报废、毁损、变质3 存货被盗4 其他原因二固定资产损失小计※※1 固定资产盘亏、丢失2 固定资产报废、毁损3 固定资产被盗4 其他原因三在建工程损失小计※※1 在建工程因质量停建、报废2 在建工程因自然灾害、意外事故停建、报废3 其他原因四工程物资损失小计※※1 工程物资盘亏2 工程物资报废、毁损、变质3 工程物资被盗4 其他原因五生产性生物资产损失小计※※1 生产性生物资产盘亏2 生产性生物资产因森林病虫害、疫情、死亡3 生产性生物资产被伐、被盗、丢失4 其他原因六抵押资产损失七无形资产损失小计※※1 无形资产被其他新技术代替2 无形资产超过法律保护期限3 其他原因总计※※※※※※※资产损失税前扣除申报表附表2—3企业资产损失专项申报税前扣除表—投资损失企业名称(公章):金额单位:元序号损失类别笔数贷款(理财、借款)金额已收回金额申报损失扣除金额会计处理凭证号会计处理年度一贷款(理财、借款)类债权损失小计※※1 债务人或担保人破产2 债务人或担保人关闭、被解散、撤销3 债务人或担保人注销、吊销营业执照4 债务人或担保人失踪、死亡5 债务人遭受重大自然灾害6 债务人遭受意外事故7 债务人承担法律责任8 法院对债务人和担保人强制执行9 企业被法院驳回起诉10 法院不予受理11 法院不予支持12 仲裁机构裁决免责13 国务院专案核批14 其他原因资产损失税前扣除申报表附表2—3企业资产损失专项申报税前扣除表—投资损失(续)企业名称(公章):金额单位:元序号损失类别笔数转让收入投资或转让计税成本对外提供担保额已收回投资或担保额申报损失扣除金额会计处理凭证号会计处理年度二股权投资损失小计※※※※1 被投资企业破产※※2 被投资企业关闭、被解散、撤销※※3 被投资企业注销、吊销营业执照※※4 被投资企业终止经营活动※※5 被投资企业失踪※※6 被投资企业其他原因※※三对外担保损失小计※※※※1 属于被担保人破产清算的※※2 属于诉讼案件的※※3 属于被担保人停止营业的※※4 属于被担保人死亡、失踪的※※5 属于被担保人债务重组的※※6 属于被担保人自然灾害、战争的※※7 被担保单位其他原因※※四向关联企业转让资产损失※※总计※※※※※※资产损失税前扣除申报表附表2—4企业资产损失专项申报税前扣除表—其他资产损失企业名称(公章):金额单位:元序号损失类别笔数出售收入计税成本已收回金额残值申报损失扣除金额会计处理凭证号会计处理年度一资产捆绑(打包)小计※※※※1 资产捆绑出售损失※※2 资产打包出售损失※※二内控制度不健全形成的损失※※三业务创新形成的损失※※四刑事案件形成的损失※※总计※※※※※※资产损失税前扣除申报表附表3 (适用于省外各二级分支机构)跨地区经营汇总纳税企业资产损失税前扣除清单式申报汇总表企业名称(公章):金额单位:元损失类别申报损失扣除金额会计处理年度清单申报类小计专项申报类小计清单式申报损失总计※资产损失税前扣除申报表附表4跨地区经营汇总纳税企业资产损失分布表企业名称(公章):类型序号损失发生的机构名称(省内各申报机构)所在地清单申报类专项申报类类型序号损失发生的机构名称(省外各二级分支机构)所在地清单式申报类企业资产损失税前扣除申报及申报表填写事项说明一、企业资产损失税前扣除申报事项说明(一)企业(非汇总纳税)向主管国税机关申报时,报送以下报表:1、企业资产损失税前扣除申报表(主表);2、企业资产损失清单申报税前扣除表(附表1);3、企业资产损失专项申报税前扣除表(附表2)。
企业所得税资产损失税前扣除申报、报告表
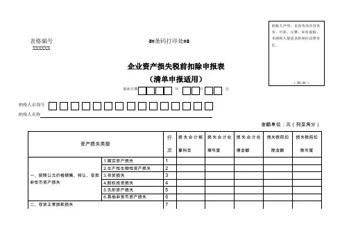
资产损失清单申报明细表(附表一)编号:
填报时间:年月日
纳税人识别号: 纳税编码:扣除年度:年
纳税人名称: 金额单位:元
本表一式三份,主管税务机关资料接收人签收并加盖受理专用盖后退一份企业留存,主管税务机关留二份。
企业经办人及联系电话:法定代表人:(签章)年月日资料接收人:主管税务机关(受理专用章):年月日
编号:
资产损失专项申报明细表(附表二)
填报时间:年月日
纳税人识别号: 纳税编码:扣除年度:年
纳税人名称: 金额单位:元
本表一式三份,主管税务机关资料接收人签收并加盖受理专用盖后退一份企业留存,主管税务机关留二份。
企业经办人及联系电话:法定代表人:(签章)年月日资料接收人:主管税务机关(受理专用章):年月日
汇总纳税企业分支机构资产损失清单申报汇总表(附表三)编号:
填报时间:年月日
纳税人识别号: 纳税编码:扣除年度:年
纳税人名称: 金额单位:元
本表一式三份,主管税务机关资料接收人签收并加盖受理专用盖后退一份企业留存,主管税务机关留二份。
企业经办人及联系电话:法定代表人:(签章)年月日
资料接收人:主管税务机关(受理专用章):年月日
资产损失专项申请报告表(附表四)编号:
、
1、本表一式三份,主管税务机关资料接收人签收并加盖受理专用盖后退一份企业留存,主管税务机关留二份。
2、汇总纳税企业机构级次:按总机构、二级分支机构、三级分支机构……填写。
3、专项申报项目:按照资产损失内容逐项(或逐笔)填写,如“固定资产一报废损失”、
“债权投资—贷款损失”、“关联企业—转让资产损失”等逐一填写。
4、凡报送的资料为复印件的,注明“与原件相符”字样并加盖公章,并附上目录按编号顺序装订成册。
企业经办人及联系电话:法定代表人(签章):年月日资料接收人:主管税务机关(受理专用章):年月日。