消火栓灭火系统阀门抽样检查试验记录
- 格式:doc
- 大小:26.50 KB
- 文档页数:1
检查项目检查标准标准图片责任人一月二月三月四月五月六月七月八月九月十月十一月十二月
消防柜、安全标示是否完好1、消防玻璃是否破损。
2、消防标识是否缺乏、完好 。
3、消防柜是否存在损坏
消防柜内部。
1、消防柜内是否有杂物。
2、消防柜内是否生锈。
消防水带1、消防水带是否盘好。
2、消防水带是否潮湿。
消防水袋接头1、水带接口是否腐蚀。
2、水带垫圈是否完好。
消防阀门1、阀门开启是否灵活。
2、铅封是否缺失。
3、阀口是否腐蚀。
消防报警器1、报警器是否连接。
2、报警器是否复位。
消防水枪1、水枪接口是否腐蚀。
2、水枪垫圈是否完好。
灭火器完好性1、外观无腐蚀。
2、灭火器喷嘴完好 3、压力在1.0至2.2之间。
灭火器压力压力必须在绿区或黄区内
灭火器铅封灭火器保险栓是否完好
灭火器年检灭火器是否在有效期内
(部门)消防栓、灭火器检查记录
填表人
填写人员请注意:1、必须标明部门、责任人;2、1-12月份检查区域填写“A”表示完好、B:干净、整洁“C”标示需要做防腐“D”表示损坏需要维修、“E”表示需要清洁;3.每月18日未定期检查时间。
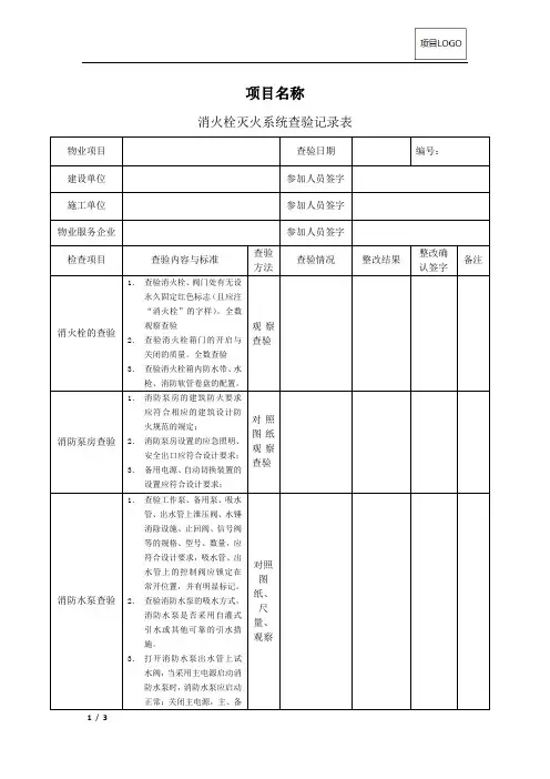
室外消火栓系统安装检验批质量验收记录
05060302001
填写说明
一、填写依据
1 《建筑给水排水及采暖工程施工质量验收规范》GB50242-2002。
2 《建筑工程施工质量验收统一标准》GB50300-2013。
二、检验批划分
可按设计系统、楼层、施工段、单元划分。
三、GB50242-2002规范摘要
主控项目
9.3.1 系统必须进行水压试验,试验压力为工作压力的1.5倍,但不得小于0.6MPa。
检验方法:试验压力下,10min内压力降不大于0.05MPa,然后降至工作压力进行检查,住力保持不变,不渗不漏。
9.3.2 消防管道在竣工前,必须对管道进行冲洗。
检验方法:观察冲洗出水的浊度。
9.3.3 消防水泵接合器和消火栓的位置标志应明显,栓口的位置应方便操作。
消防水泵接合器和室外消火栓当采用墙壁式时,如设计未要求,进、出水栓口的中心安装高度距地面应为1.10m,其上方应设有防坠落物打击的措施。
检验方法:观察和尺量检查。
一般项目
9.3.4 室外消火栓和消防水泵接合器的各项安装尺寸应符合设计要求,栓口安装高度允许偏差为±20mm。
检验方法:尺量检查。
9.3.5 地下式消防水泵接合器顶部进水口或地下式消火栓的顶部出水口与消防井盖底面的距离不得大于400mm,井内应有足够的操作空间,并设爬梯。
寒冷地区井内应做防冻保护。
检验方法:观察和尺量检查。
9.3.6 消防水泵接合器的安全阀及止回阀安装位置和方向应正确,阀门启闭应灵活。
检验方法:现场观察和手扳检查。
附录四—C消火栓灭火系统施工安装质量记录目 录序号资 料 名 称编号页数1消火栓灭火系统质量保证资料核查表C-12图纸会审记录13设计变更明细表24技术交底记录35施工技术核定单46施工组织设计(方案)57开工报告68设备材料相关证件汇总表79设备开箱检查记录810材料检查记录911消火栓灭火系统阀门抽样试验记录C-212消火栓灭火系统管道安装检查记录C-313消火栓灭火系统管道支架制作安装检查记录C-414消火栓灭火系统管道试压记录C-515消火栓灭火系统管道冲洗记录C-616消火栓灭火系统管道防腐记录C-717消火栓灭火系统管道保温记录C-818消防配电线路敷设检查记录1019消防配电线路隐蔽验收记录1120消火栓灭火系统水源设施安装检查记录C-1021消火栓灭火系统水泵安装检查记录C-1122消火栓灭火系统稳压装置安装检查记录C-1223消火栓灭火系统消火栓箱安装检查记录C-1324消火栓灭火系统水泵试验记录C-1525消火栓灭火系统稳压装置试验记录C-16序资 料 名 称编号页数号26消火栓灭火系统启泵按钮启泵试验记录C-1727消火栓灭火系统屋顶放水试验记录C-1828消火栓灭火系统调试报告C-1929消火栓灭火系统自检报告C-2030竣工报告1231设备移交清单13第册第页消火栓灭火系统 技术交底记录编号:3工程名称微山创达工业园12#厂房建设单位微山县创达投资建设有限公司分项工程名称消火栓灭火系统施工单位山东朝阳伟业建筑工程有限公司技术交底内容一、严格按图纸施工,现场与图纸不符的征得业主同意后再施工;二、采用镀锌钢管丝扣连接,工作压力0.8Mpa 试验压力1.6 Mpa 试压30min,目测管网无渗漏、变形,且压力下降不大于0.05 Mpa;三、消火栓箱安装牢固,栓口一致向外且离地1.1m安装,并注意成品保护;四、立管应垂直,管道长度超过5.5m应设一支(吊)架,支(吊)架制作符合工艺要求;焊接处作防腐处理,刷漆色泽应均匀一致;采用定位放线措施,以保证间距统一,固定点位置正确、牢固;五、管道切口断面平整,丝扣处作防腐处理,管道表面刷调和漆两遍;六、过结构沉降缝处加设金属波纹管等技术措施。
消火栓系统施工检查记录表1施工现场质量管理检查记录
消火栓系统施工检查记录
表2-1施工过程质量检查记录
消火栓系统施工检查记录表2-2施工过程质量检查记录
消火栓系统施工检查记录表2-3施工过程质量检查记录
消火栓系统施工检查记录表2-4施工过程质量检查记录
消火栓系统施工检查记录
消火栓系统施工检查记录表2-9施工过程质量检查记录
消火栓系统施工检查记录表2-10施工过程质量检查记录
消火栓系统施工检查记录表2-11系统试压记录
消火栓系统施工检查记录
消火栓系统施工检查记录
表2-13安全阀、减压孔板、减压阀试验记录
消火栓系统施工检查记录表2-14阀门及水泵接合器试验记录
消火栓系统施工检查记录
消火栓系统施工检查记录表2-15联动试验记录
消火栓系统工程验收记录表3工程质量控制资料核查记录
消火栓系统工程验收记录表4-1工程验收记录
消火栓系统工程验收记录表4-2工程验收记录
消火栓系统工程验收记录
表4-3工程验收记录
消火栓系统工程验收记录表4-4工程验收记录
消火栓系统工程验收记录表4-8工程验收记录
消火栓系统工程验收记录表4-9工程验收记录
消火栓系统工程验收记录。
消火栓灭火器检查记录卡
消火栓灭火器检查记录卡
单位名称:检查日期:检查人:
消火器编号检查内容检查结果备注
一、消火栓检查
1 消火栓箱开启情况合格 / 不合格
2 消火栓箱内阀门是否正常合格 / 不合格
3 消火栓门上的标志内容是否清晰、准确合格 / 不合格
4 消火栓处标志是否完好合格 / 不合格
5 消火栓处周边安全旁通是否畅通合格 / 不合格
6 消火栓内外表面是否损坏、变形合格 / 不合格
7 消火栓处是否有杂物堆积、污垢等情况合格 / 不合格
8 消火栓橡皮圈是否损坏或老化合格 / 不合格
9 消火栓处水管是否漏水合格 / 不合格
10 检查人员是否清理现场合格 / 不合格
二、灭火器检查
1 灭火器是否在指定位置合格 / 不合格
2 灭火器上的压力表显示是否正常合格 / 不合格
3 灭火器上的安全销是否完好合格 / 不合格
4 灭火器外观是否损坏、破损或锈蚀合格 / 不合格
5 灭火器的使用说明是否完好合格 / 不合格
6 灭火器上的发射控制装置是否正常合格 / 不合格
7 灭火器上的喷头口是否损坏、变形合格 / 不合格
8 灭火器内部是否有物质沉淀、结块等情况合格 / 不合格
9 检查人员是否清理现场合格 / 不合格
三、备注:
检查人签字:审核人签字:
注意事项:
1、消防设施设备每季度至少检查一次,并进行记录。
2、记录卡存档时间至少6年以上。
3、如有不合格情况,应及时修复或更换,并注明处理情况。