密封件选型手册(二)2024
- 格式:docx
- 大小:12.39 KB
- 文档页数:3
在机械设备中密封的功能是防止泄漏。
起密封作用的零件称为密封件,简称密封。
密封件是机械产品中应用最广的零部件之一。
在石油、石化、化工等的生产、加工、储运乃至销售环节,常常伴随着易燃、易爆、高温、高压、有毒有害和腐蚀等危险因素,机器及设备在使用中工作介质和润滑油的“跑、冒、滴、漏”,给生产带来了极大危害。
设备中的工作介质或润滑剂的泄漏,会造成浪费并污染环境,泄漏到环境中的物质一般难以回收,严重污染了空气、水以及土壤。
例如,很多化工厂区气味难闻,烟雾弥漫,对环境造成严重污染,严重危害职工的身体健康;易燃、易爆、剧毒、腐蚀性、放射性物质的泄漏,有可能发生着火、爆炸、中毒等事故,造成厂毁人亡,会危及人身及设备的安全:环境中的气体、灰尘、水等进入机械设备内会导致轴承、齿轮等过早地磨损报废,混入化工装置内会影响化工产品纯度;流体机械内部泄漏会影响容积效率等。
随着生产装置的大型化,生产工艺向高温、高压、高速的方向发展,出现泄漏的机会越来越多,发生事故的危险越来越大,造成的经济损失也越来越大。
往往一处管线、一台设备的泄漏就有可能导致一套装置,乃至全厂停产,还极可能会引起火灾、爆炸,造成人员伤亡等重大事故发生。
因此,密封性能已成为评定机械产品质量的一个重要指标。
常用密封包括机械密封、液压与气动密封、垫密封、填料密封、胶密封、迷宫密封、螺旋密封、磁流体密封、高压密封等。
以下是我们在非标设备设计中需要常用到的一些密封件的选型步骤、设计技术要求等资料,各种常见密封的密封原理、基本结构、特点、使用性能、适用条件,如何根据使用条件,合理地选择密封材料、密封型式,正确进行密封结构的设计。
一、密封的分类密封件可分为相对静止接合面间的静密封和相对运动接合面间的动密封两大类。
静密封的密封部位是静止的,如管道法兰、螺纹连接、压力容器与盖间的密封等。
动密封的密封部位有相对运动,可分为旋转密封和往复密封,还可以分为接触式密封和非接触式密封及无轴封三类。
电缆船舱密封件MCT,用法指南(二)引言概述:电缆船舱密封件MCT是一种用于电缆船舱的密封装置,能够有效防止水、气体和灰尘进入船舱,保护电缆和设备的安全运行。
本文将详细介绍电缆船舱密封件MCT的使用方法,包括安装准备工作、安装步骤、常见问题解决等。
正文:一、安装准备工作1. 确定密封件种类和规格,根据实际需要选择合适的MCT密封件。
2. 检查密封件是否完好无损,如有损坏或松动的部分,应及时更换或修复。
3. 清洁安装区域,确保船舱表面干净、平整,并且没有其他杂物。
二、安装步骤1. 将MCT密封件放置在安装位置,确保密封件与船舱表面紧密贴合。
2. 用螺丝刀或扳手将密封件固定在船舱表面,注意力度不要过大,以免损坏密封件。
3. 检查密封件安装是否牢固,可以轻轻拉动密封件,确认其稳定性。
4. 检查密封件是否能够密封船舱,如果有漏水或漏气情况,应及时调整或更换密封件。
5. 清理安装过程中产生的杂物和垃圾,确保船舱清洁。
三、常见问题解决1. 密封件松动:如果发现密封件松动,可以使用螺丝刀或扳手将密封件重新固定。
2. 密封效果不好:如果发现密封效果不好,可以检查是否有杂物或污垢堆积在密封件上,清洁后重新安装。
3. 密封件破损:如果密封件破损,应及时更换新的密封件,确保船舱安全。
四、注意事项1. 在安装密封件前,一定要确保船舱表面干净,以免影响密封效果。
2. 在操作过程中,注意力度控制,不要用力过大,以免损坏密封件。
3. 定期检查密封件的状态,如有问题及时修复或更换。
五、总结电缆船舱密封件MCT用法指南的内容包括了安装准备工作、安装步骤、常见问题解决等。
正确使用MCT密封件可以有效地保护电缆和设备的安全运行,延长使用寿命。
在使用过程中,要经常检查密封件的状态,并采取适当的维护措施,确保船舱的密封效果。
密封元件选型手册一、密封元件简介密封元件主要用于防止流体或固体颗粒从机器或设备中泄漏,或阻止气体、液体等介质相互渗透。
密封元件种类繁多,广泛应用于化工、石油、制药、食品、电力、船舶、航空航天等工业领域。
二、密封材料类型1.橡胶密封件:由天然橡胶、合成橡胶等材料制成,具有良好的弹性和耐腐蚀性,但不耐高温。
2.聚四氟乙烯密封件:由聚四氟乙烯材料制成,具有极佳的耐腐蚀性和耐高温性,但不耐磨。
3.金属密封件:由不锈钢、铜、铝等金属材料制成,具有良好的耐腐蚀性和耐磨性,但弹性较差。
4.塑料密封件:由尼龙、聚甲醛等塑料材料制成,具有较好的弹性和耐腐蚀性,但不耐高温。
三、密封件尺寸选择根据密封容器的尺寸、工作压力、工作温度以及介质特性等因素选择合适的密封件尺寸。
具体选择可参考密封件制造商提供的产品样本和技术数据表。
四、工作环境对选型的影响1.工作压力:根据工作压力选择能承受相应压力的密封件。
2.工作温度:根据工作温度选择能耐受相应温度的密封件。
3.介质特性:根据所密封的介质选择耐腐蚀、耐磨等性能合适的密封件。
4.环境因素:考虑环境因素对密封件的影响,如湿度、紫外线等。
五、密封件安装指南1.清洁:确保密封件安装表面和密封件本身的清洁,避免杂质的混入。
2.对中:确保密封件正确地对中,避免偏心或扭曲。
3.预紧:在安装过程中对密封件施加适当的预紧力,以保证其良好的密封性能。
4.润滑:在某些情况下,需要使用润滑剂以减小摩擦和磨损。
5.储存:密封件应存放在干燥、避光的地方,避免与有害物质接触。
六、密封件维护与更换1.定期检查:定期检查密封件的状况,如发现损坏或磨损应及时更换。
2.更换:根据实际情况和制造商的建议定期更换密封件。
更换时应选用与原规格相匹配的密封件。
3.维护:保持密封件的清洁和良好的工作环境,如清洁的流体和低尘的环境。
对于特殊类型的密封件,可能需要特殊的维护方法,如润滑或冷却。
七、密封件性能测试为确保密封件的可靠性和性能,应定期进行性能测试。
2024年机械密封的安装注意事项检查机械密封的型号、规格、数量是否符合设计图纸的要求,所有零件(特别是密封面、辅助密封圈)有无损伤、变形、裂纹等现象,若有缺陷,必须更换或修复。
检查机械密封各零件的配合尺寸、粗糙度、平行度是否符合设计要求。
检查轴套或压盖的倒角是否恰当,如不符合要求则必须进行修整。
使用小弹簧机械密封时,应检查小弹簧的长短和刚性是否相同。
检查主机的窜动量、摆动量和挠度是否符合技术要求,密封腔是否符合安装尺寸,密封端盖与轴是否垂直,一般要求:轴窜动量不大于0.5mm;轴摆动量(旋转环密封圈处)不大于0.06mm;轴最大挠度不大于0.05mm;密封端盖与垫片接触平面对中心线的不垂直度允许差0.03~0.05mm。
机械密封各元件及其有关的装配接触面,在安装前必须用丙酮或无水酒精清洗干净,不允许用不清洁的布擦拭密封面。
安装过程中应保持清洁,特别是动、静环及辅助密封元件应无杂质、灰尘。
动、静环表面涂上一层清洁的机油或透平油。
上紧压盖应在联轴器找正后进行。
螺栓应均匀上紧,防止压盖断面偏斜,用塞尺或专用工具检查各点,其误差不大于0.05毫米。
检查压盖与轴或轴套外径的配合间隙(及同心度),必须保证四周均匀,用塞尺检查各点允差不大于0.10毫米。
弹簧压缩量要按规定进行,不允许有过大或过小的现象,要求误差2.00毫米,过大会增加断面比压,加速断面磨损。
过小会造成比压不足而不能起到密封作用,弹簧装上后在弹簧座内要移动灵活。
用单弹簧时要注意弹簧的旋向,弹簧的旋向应与轴的转动方向相反。
动环安装后须保持灵活移动,将动环压向弹簧后应能自动弹回来。
先将静环密封圈套在静环背部后,再装入密封端盖内。
注意保护静环断面,保证静环断面与端盖中心线的垂直度,且将静环背部的防转槽对准防转销,但勿使其中互相接触。
安装过程中决不允许用工具直接敲打密封元件,需要敲打时,必须使用专用工具进行敲打,以防密封元件的损坏。
组装时所有密封圈应该涂以肥皂水等润滑剂,这样可以避免组装过程中损坏胶圈。
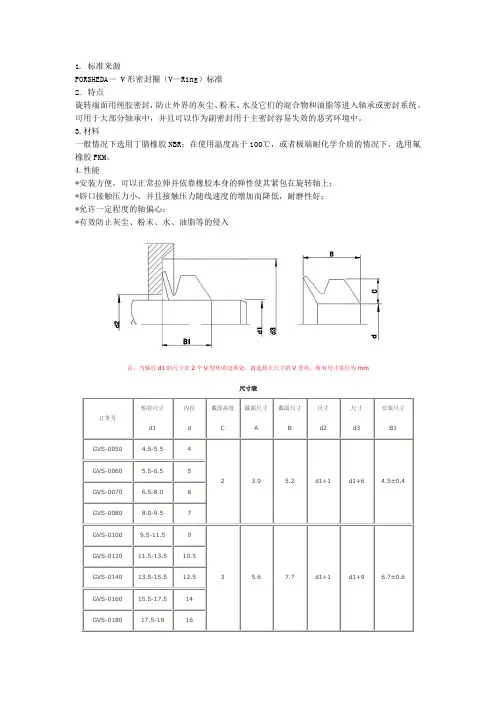
1. 标准来源
FORSHEDA— V形密封圈(V—Ring)标准
2. 特点
旋转端面用纯胶密封,防止外界的灰尘、粉末、水及它们的混合物和油脂等进入轴承或密封系统。
可用于大部分轴承中,并且可以作为副密封用于主密封容易失效的恶劣环境中。
3.材料
一般情况下选用丁腈橡胶NBR;在使用温度高于100℃,或者极端耐化学介质的情况下,选用氟橡胶FKM。
4.性能
*安装方便,可以正常拉伸并依靠橡胶本身的弹性使其紧包在旋转轴上;
*唇口接触压力小,并且接触压力随线速度的增加而降低,耐磨性好;
*允许一定程度的轴偏心;
*有效防止灰尘、粉末、水、油脂等的侵入
注:当轴径d1的尺寸在2个V型环的边界处,请选择大尺寸的V型环。
所有尺寸单位为mm
尺寸表
注:大于900mm内径的VS形水封需要特别定制订货示例:
型号为V S的水封
轴径尺寸d1=105~115mm
用订货号来标注:GV S1100-NBR。
密封元件选型手册密封元件是一种常用于防止气体、液体或者其他物质泄漏的装置。
在工业生产和日常生活中,我们经常需要使用密封元件来保证设备的正常运行和安全性。
本手册将介绍密封元件的选型原则和常见的密封元件类型,帮助读者选择合适的密封元件。
在选择密封元件时,首先需要考虑的是密封性能。
密封性能主要包括阻止液体或气体泄漏、防止尘埃或湿气进入以及抵抗高温、高压等特殊环境的能力。
因此,密封元件的材料选择非常重要。
一般来说,常用的密封元件材料有橡胶、塑料、金属等。
不同的材料具有不同的物理和化学特性,适用于不同的工作环境。
例如,橡胶密封件适用于温度较低、压力较低的环境,而金属密封件则适用于高温、高压的工作条件。
其次,选择密封元件时需要考虑设备的形状和尺寸。
密封元件通常需要与其他部件配合使用,例如密封垫圈需要与螺栓紧密结合。
因此,在选型时需要确保密封元件与设备的形状和尺寸相匹配,以确保密封效果。
此外,还需要考虑设备的工作压力和温度范围。
不同的工作压力和温度会对密封元件的选型产生影响,因此需要选择适用于具体工作条件的密封元件。
常见的密封元件类型包括密封垫圈、密封胶圈、密封圈等。
密封垫圈是最常用的密封元件之一,它通常由橡胶或金属制成,用于填充和密封由两个部件连接处。
密封胶圈则是一种圆形的密封元件,通常由橡胶制成,用于填充和密封两个平面连接处。
密封圈与密封垫圈类似,但其截面形状为环形,通常由橡胶或塑料制成。
除了以上提到的密封元件,还有一些特殊用途的密封元件,如旋转密封、活塞密封、流体密封等。
旋转密封主要用于旋转轴向的密封,例如汽车发动机的曲轴密封。
活塞密封则主要用于活塞和缸体之间的密封,防止液体或气体泄漏。
流体密封则是用于控制液体或气体流动的密封元件,例如阀门密封。
在选购密封元件时,还需要考虑其耐久性和使用寿命。
密封元件通常需要经受长时间的使用和不同的工作条件,因此需要选择耐久性好、使用寿命长的产品。
一般来说,品牌和制造商的声誉以及产品的质量认证可以作为选择的参考依据。
门模块密封件设计指南部分博泽pdf(二)引言概述:本文是关于门模块密封件设计指南部分博泽pdf(二)的文档。
本文将重点探讨门模块密封件的设计原则和注意事项,以帮助读者在设计过程中避免常见问题和提高设计质量。
正文:一、材料选择1. 密封件材料应具备良好的耐磨性和耐腐蚀性,以确保长时间使用不发生泄漏。
2. 根据门模块的使用环境选择合适的材料,包括温度、湿度和化学物质的影响。
3. 密封件的材料应具备良好的弹性和回弹性,以确保在门模块的开关过程中始终保持良好的密封性能。
二、结构设计1. 密封件的尺寸应严格按照门模块的设计要求进行计算,确保密封件与门框之间存在适当的间隙,以便在开关过程中能够实现完全密封。
2. 密封件的结构应简单,避免过多的凹凸或复杂的结构,以减少制造过程中的成本和难度。
3. 密封件的边缘要求平整,不得存在任何刺激物或锋利的边缘,防止对门框或门扇造成不必要的损伤。
4. 对于大型门模块,应使用较宽的密封件,以确保在门扇关闭时能够完全密封。
5. 密封件的连接方式应牢固可靠,能够经受住长时间使用的振动和冲击。
三、安装要点1. 在安装密封件前,应先清洁门框和门扇的表面,确保无尘、无水和无油。
2. 在安装过程中,密封件应均匀地与门框和门扇接触,避免出现过度挤压或松弛。
3. 密封件的安装应注意角部和连接处的处理,确保密封性能不受影响。
4. 在安装完成后,应进行密封性能测试,以确保密封件的安装质量符合要求。
5. 定期检查和维护门模块的密封件,确保其正常工作并及时更换磨损严重的部分。
四、常见问题及解决方案1. 密封件老化和磨损,导致泄漏问题。
解决方案:定期更换密封件,选用耐磨耐老化的材料。
2. 密封件安装不当,导致无法实现完全密封。
解决方案:规范安装流程,确保密封件均匀接触、无松动。
3. 密封件尺寸设计不准确,导致无法与门框完全贴合。
解决方案:严格按照门模块的设计要求计算密封件尺寸。
4. 密封件材料选择不当,无法适应环境变化。
密封件选型手册USER MANUAL OF SEAL泸州江阳长江液压技术研究所莱芙特密封2012年第一版目 录密封件材料的选用----------------------------------------1O形橡胶密封(GB1235-76)----------------------------------2O形橡胶密封(GB/T3452.1-2005)----------------------------5活塞专用密封---------------------------------------A1-A27--------LFK01矩形密封---------------------------------A1 LFK02阶梯密封-----------------------------------------A6 LFK03密封--------------------------------------------A11 LFK04组合式密封---------------------------------------A14 LFK05V形密封-----------------------------------------A16 LFK06Y形密封-----------------------------------------A19 LFK07Y形密封-----------------------------------------A22 LFK08组合密封----------------------------------------A24 LFK09组合密封----------------------------------------A26活塞杆专用密封-------------------------------------B1-B20LFZ01矩形密封-----------------------------------------B1 LFZ02轴用阶梯密封-------------------------------------B5 LFZ03轴用V形密封--------------------------------------B10 LFZ04Y形密封-----------------------------------------B16 LFZ05Y形密封-----------------------------------------B19活塞及活塞杆通用密封---------------------------------C1-C6LFT01活塞及活塞杆通用Y形密封----------------------------C1 LFT02活塞及活塞杆通用Y形密封----------------------------C4回转密封-------------------------------------------D1-D4 LFH01轴用回转密封--------------------------------------D1 LFH02孔用回转密封--------------------------------------D3防尘密封--------------------------------------------E1-E8 LFG01防尘密封-----------------------------------------E1 LFG02防尘密封-----------------------------------------E3 LFG03防尘密封-----------------------------------------E5 LFG04摆动用防尘密封------------------------------------E7旋转密封-------------------------------------------F1-F4 LFX01旋转油封-----------------------------------------F1 LFX02旋转水封-----------------------------------------F3其它-----------------------------------------------G1-G7 LFD01支承环(活塞用)------------------------------------G1 LFD02支承环(活塞杆用)----------------------------------G4 LFB01档圈---------------------------------------------G7密封件材料的选用一.标准材料丁腈胶NBR或氟胶FKM二.工作温度-35~+200℃(取决于O形圈的材质,有-40℃或更低温度要求需注明)三.设计标准本系列符合 GB1235-76四.标注方法公称外径D=50mm,断面直径d0=3.1mm的O形圈,标注为:GB1235-76;50×3.1dd d1D一.标准材料丁腈胶NBR或氟胶FKM二.工作温度-35~+200℃(取决于O形圈的材质,有-40℃或更低温度要求需注明)三.设计标准本系列符合 GB3452.1-2005四.标注方法内径d1=50mm,断面直径d0=3.55mm的O形圈,标注为:GB/T3452.1-2005;50×3.55d2d1活塞密封LFK01矩形密封一.用途与性能由一个抗磨的改性填充聚四氟乙烯环和O 形橡胶密封圈组成。
密封件作业指导书(一)引言概述:本文档旨在为密封件作业提供指导,帮助操作人员正确进行密封件的安装和维护。
密封件的正确使用对于确保设备的正常运行以及预防泄漏至关重要。
本指导书将按照以下5个大点进行详细说明:选择适当的密封件、准备工作、安装密封件、维护密封件以及常见问题解答。
通过遵循本指导书的步骤,可有效提高密封件的使用寿命和性能。
正文:一、选择适当的密封件:1. 根据工作环境和介质选择适当的密封材料,如橡胶密封件适用于常见的液体介质,而金属密封件适用于高温和高压环境。
2. 考虑密封件的尺寸和形状,确保其能够完全覆盖密封表面,防止泄漏。
3. 确定密封环的硬度和耐磨性,以适应实际工作环境的要求。
4. 如果可能,选择符合国际或行业标准的认证密封件,以确保质量和性能。
二、准备工作:1. 在安装密封件之前,清洁密封表面,确保其平整、干净、无杂质。
2. 检查密封面的平行度和光洁度,必要时进行研磨或抛光处理。
3. 仔细检查密封件的外观和尺寸,确保没有损坏或变形。
三、安装密封件:1. 根据密封件的形状和尺寸,在正确的位置安装密封件。
2. 使用适当的工具和设备,确保密封件能够正确压紧,并均匀分布在密封表面上。
3. 避免过度拉伸或压缩密封件,以免影响其密封性能。
4. 严格按照安装步骤和要求,确保密封件与相关设备的连接牢固可靠。
四、维护密封件:1. 定期检查密封件的工作状态,如有损坏或老化现象,及时更换。
2. 注意保持密封表面清洁,防止杂质积累或磨损损坏密封件。
3. 定期润滑密封件,使用适当的润滑剂,以延长其使用寿命。
4. 注意避免过度扭转、挤压或拉伸密封件,以免损坏其密封性能。
五、常见问题解答:1. 为什么密封件会泄漏?可能原因包括材料老化、不合适的安装或损坏的密封表面。
2. 密封件适用于哪些工作环境?可适用于高温、高压、化学腐蚀等不同环境。
3. 如何选择正确的润滑剂?应根据密封件材料和工作环境选择合适的润滑剂。
4. 密封件的寿命有多长?密封件的寿命取决于工作条件和密封件质量,一般在数年至数十年之间。
高性能橡塑密封件项目建议书及建设实施方案目录概论 (4)一、建设单位基本情况 (4)(一)、公司基本信息 (4)(二)、公司简介 (5)(三)、公司竞争优势 (5)(四)、公司主要财务数据 (6)(五)、核心人员介绍 (7)(六)、经营宗旨 (8)(七)、公司发展规划 (9)二、发展规划分析 (10)(一)、公司发展规划 (10)(二)、保障措施 (12)三、法人治理 (13)(一)、股东权利及义务 (13)(二)、董事 (14)(三)、高级管理人员 (15)(四)、监事 (19)四、高性能橡塑密封件项目概论 (20)(一)、高性能橡塑密封件项目提出的理由 (20)(二)、高性能橡塑密封件项目概述 (21)(三)、高性能橡塑密封件项目总投资及资金构成 (22)(四)、资金筹措方案 (23)(五)、高性能橡塑密封件项目预期经济效益规划目标 (24)(六)、高性能橡塑密封件项目建设进度规划 (25)(七)、研究结论 (27)五、高性能橡塑密封件项目监理与质量保证 (28)(一)、监理体系构建 (28)(二)、质量保证体系实施 (30)(三)、监理与质量控制流程 (31)六、风险评估分析 (35)(一)、高性能橡塑密封件项目风险分析 (35)(二)、公司竞争劣势 (38)七、进度计划 (39)(一)、高性能橡塑密封件项目进度安排 (39)(二)、高性能橡塑密封件项目实施保障措施 (40)八、企业合规与伦理 (42)(一)、合规政策与程序 (42)(二)、伦理规范与培训 (43)(三)、合规风险评估 (44)(四)、合规监督与执行 (46)九、知识产权管理与保护 (47)(一)、知识产权管理体系建设 (47)(二)、知识产权保护措施 (48)十、高性能橡塑密封件项目运行方案 (49)(一)、高性能橡塑密封件项目运行管理体系建设 (49)(二)、运营效率提升策略 (51)(三)、风险管理与应对 (53)(四)、绩效评估与监测 (54)(五)、利益相关方沟通与合作 (55)(六)、信息化建设与数字化转型 (56)(七)、持续改进与创新发展 (56)(八)、运营经验总结与展望 (58)十一、人力资源管理与开发 (59)(一)、人力资源规划 (59)(二)、人力资源开发与培训 (60)十二、高性能橡塑密封件项目质量与标准 (61)(一)、质量保障体系 (61)(二)、标准化作业流程 (62)(三)、质量监控与评估 (63)(四)、质量改进计划 (64)十三、创新驱动 (65)(一)、企业技术研发分析 (65)(二)、高性能橡塑密封件项目技术工艺分析 (66)(三)、质量管理 (67)(四)、创新发展总结 (68)十四、高性能橡塑密封件项目安全与环保管理 (69)(一)、安全管理体系建设 (69)(二)、安全风险评估与防范 (71)(三)、环境保护与可持续发展 (73)(四)、安全文化建设与培训 (74)(五)、监督与检查机制 (75)(六)、事故应对与处置 (77)(七)、社会责任与公众参与 (79)(八)、安全与环保绩效评估 (81)概论随着项目管理深度与复杂性的增长,制定全面而精细的项目可行性研究报告及运营方案显得尤为关键。
2024精选标书密封条(二)引言:标书密封条是在标书投递和保密过程中起到关键作用的材料。
有效的标书密封条可以保护标书的完整性和机密性,确保标书在递交过程中没有被篡改或泄露。
在2024年,精选标书密封条对于保障标书的质量和安全性至关重要。
本文将从材料的选用、制造工艺、质量控制、安全性和环保性等角度对2024精选标书密封条进行详细介绍。
概述:一、材料选用1.1高强度纤维材料1.2耐温材料1.3阻燃材料1.4防水材料1.5防震材料二、制造工艺2.1原材料处理2.2成型工艺2.3表面处理2.4品质检测2.5包装与储存三、质量控制3.1原材料质量控制3.2生产工艺控制3.3检测与测试控制3.4产品外观检验3.5品质追溯体系四、安全性4.1密封性能4.2防篡改性能4.3信息隐蔽性4.4检测与验证4.5安全应用指南五、环保性5.1材料可再利用性5.2生产过程环境友好性5.3废弃处理5.4环境影响评估5.5可持续发展意识总结:2024精选标书密封条作为标书投递和保密过程中不可或缺的一环,在材料选用、制造工艺、质量控制、安全性和环保性等方面都具备了一定的特点和要求。
只有在这些方面都有严格的控制和把握,才能确保标书在投递和保密过程中的完整性和安全性。
未来,随着科技的不断进步和市场的发展,我们相信2024精选标书密封条将持续不断地进行创新与发展,并为标书投递和保密提供更加可靠和安全的解决方案。
引言:在现代商业竞争激烈的环境下,提交精心编写的标书对于企业争取项目和合同至关重要。
2024精选标书密封条作为一个不可或缺的组成部分,为标书提供了保密性和可信度。
本文将详细介绍2024精选标书密封条的特点、优势以及在标书编写过程中的重要性。
概述:2024精选标书密封条是一种特殊设计的密封条,它由高品质的材料制成,具有独特的防伪特点和密封性能。
它广泛应用于标书文件的密封,以确保文件内容的安全性和完整性。
在标书评审过程中,2024精选标书密封条是一种可靠的辅助工具,有助于打造出专业、可信赖的标书,提高企业的竞争力。
2024年指定品牌密封胶采购合同本合同目录一览第一条定义与解释1.1 合同1.2 双方1.3 密封胶1.4 指定品牌1.5 采购1.6 交付1.7 价格1.8 质量1.9 数量1.10 交货期1.11 支付方式1.12 违约1.13 争议解决1.14 法律适用第二条合同范围与产品规格2.1 产品范围2.2 产品规格2.3 产品质量标准第三条数量与计量3.1 数量3.2 计量单位3.3 允许的偏差第四条价格与支付条件4.1 价格4.2 支付条件4.3 发票4.4 支付方式第五条交付与交货期5.1 交付地点5.2 交货期5.3 运输5.4 风险转移第六条质量保证6.1 质量标准6.2 检验6.3 质量问题处理第七条售后服务7.1 技术支持7.2 产品更换7.3 维修服务第八条违约责任8.1 卖方违约8.2 买方违约第九条争议解决9.1 协商解决9.2 调解9.3 仲裁9.4 法律诉讼第十条合同的生效、变更与终止10.1 合同生效10.2 合同变更10.3 合同终止第十一条保密条款11.1 保密义务11.2 例外情况11.3 泄露后果第十二条法律适用与争议解决12.1 法律适用12.2 争议解决第十三条其他条款13.1 通知13.2 合同附件13.3 合同的语言版本13.4 合同的完整性与修改第十四条签署14.1 双方授权代表14.2 签署日期14.3 签署地点第一部分:合同如下:第一条定义与解释1.1 合同:本合同是指由双方签订的,关于买方购买卖方指定品牌密封胶的合同。
1.2 双方:本合同中的双方是指买方和卖方,买方是指需要购买指定品牌密封胶的实体或个人,卖方是指提供指定品牌密封胶的实体或个人。
1.3 密封胶:本合同中的密封胶是指由卖方提供的,符合本合同约定的产品规格和质量标准的密封胶。
1.4 指定品牌:本合同中的指定品牌是指买方要求购买的,由卖方提供的品牌密封胶。
1.5 采购:本合同中的采购是指买方根据本合同的约定,向卖方购买指定品牌密封胶的行为。
密封件选型手册(二)引言:
密封件在各种机械设备和工程中起着重要的作用,其正确选型对于设备的正常运行、故障防止和寿命的延长至关重要。
本文档将分享密封件的选型原则和步骤,帮助读者在实际应用中正确选择合适的密封件。
正文:
一、密封材料的选择
1.1 密封材料的性能要求
1.2 常见的密封材料类型及其特点
1.3 根据工作条件选择材料
1.4 密封材料的耐腐蚀性评估
1.5 密封材料的可靠性与寿命预测
二、密封件的结构设计
2.1 密封件的基本结构类型
2.2 不同结构类型的优缺点及适用范围
2.3 探讨结构设计对密封性能的影响
2.4 密封件结构设计的常见问题及解决方法
2.5 密封件结构设计的可靠性评估与优化
三、密封件的安装与使用
3.1 密封件的安装方法和注意事项
3.2 密封件的预紧力控制与调整
3.3 密封件的实际工作条件与使用限制
3.4 密封件的故障分析与排除
3.5 密封件的维护与更换
四、密封性能的测试与评估
4.1 密封性能的测试方法和标准
4.2 密封性能测试的常见问题及解决方法
4.3 密封性能的评估标准和指标
4.4 密封性能测试数据的分析与判断
4.5 密封性能测试结果的有效使用与应用
五、特殊工况下的密封件选型
5.1 高温环境下的密封件选型
5.2 低温环境下的密封件选型
5.3 高压环境下的密封件选型
5.4 腐蚀性介质下的密封件选型
5.5 特殊工况下的密封件选型注意事项
总结:
本文档从密封材料的选择、密封件的结构设计、密封件的安装
与使用、密封性能的测试与评估,以及特殊工况下的密封件选型等
方面,提供了一套完整的密封件选型手册。
通过正确的选型和应用,
可以有效提高设备的可靠性,降低故障风险,并延长设备的使用寿命。
希望本手册对读者在密封件选型过程中有所帮助。