(完整word版)塔吊附着方案(塔吊附着)
- 格式:doc
- 大小:35.51 KB
- 文档页数:5
一、方案背景为确保塔式起重机在施工现场的安全稳定运行,根据《塔式起重机安装、拆卸安全技术规程》(GB 5031-2010)等相关规定,结合施工现场实际情况,特制定本附着专项方案。
二、方案目的1. 确保塔式起重机在施工过程中的安全稳定性;2. 保障施工现场人员和设备的安全;3. 避免因附着不当导致的意外事故。
三、方案内容1. 附着前准备(1)检查塔式起重机基础和附着设施,确保其符合设计要求;(2)检查塔式起重机各项性能指标,确保其正常工作;(3)检查施工现场环境,确保附着作业安全。
2. 附着作业流程(1)确定附着点位置,确保其满足设计要求;(2)安装附着装置,包括撑杆、连接件等;(3)调整附着装置,确保其垂直度偏差不超过2/1000;(4)检查附着装置与塔式起重机的连接牢固性;(5)检查附着装置与建筑物的连接牢固性;(6)检查附着装置的撑杆布置、相互间隔和附墙距离是否符合要求;(7)检查附着装置在塔身和建筑物上的框架固定情况,确保其无松动。
3. 附着作业注意事项(1)附着作业前,应确保塔式起重机处于顶升平衡状态,并将回转部分制动住;(2)附着作业时,严禁旋转臂杆及其他作业;(3)风力在四级以上时,不得进行附着作业;(4)附着作业过程中,如遇突发情况,应立即停止作业,并采取相应措施;(5)附着作业完成后,应检查各连接螺栓按规定的预紧力紧固。
四、安全措施1. 作业人员必须佩戴安全帽、安全带等防护用品;2. 作业人员应接受专业培训,具备相应的操作技能;3. 作业现场设置安全警示标志,明确作业区域;4. 作业现场配备必要的应急救援设备,如急救箱、消防器材等;5. 作业过程中,专人负责指挥,确保作业安全。
五、方案实施与监控1. 本方案由项目负责人负责组织实施;2. 施工过程中,严格执行本方案要求,确保附着作业安全;3. 定期对附着作业进行检查,发现问题及时整改;4. 对附着作业进行全程监控,确保方案实施到位。
塔吊附着安全专项施工方案一、项目概述本项目为塔式起重机在施工过程中的附着安全专项施工方案。
二、目标确保塔吊在进行施工作业时,附着安全得以保障,以减少事故的发生。
三、施工环境1. 塔吊操作场地:平整、无障碍物,具备足够承载能力的基础。
2. 物料和人员运输道路:车辆和人员需要有合适的通道,确保安全,并保持适当距离,防止无关人员靠近工作区域。
四、施工前的准备工作1. 项目施工单位需提供塔吊操作员的操作合格证明,并清楚确定责任。
2. 保证塔吊的机械性能良好,运行正常,并进行定期的维护保养。
3. 确认场地的基础结构和地基地质的强度,并根据需要采取相应的加固措施。
4. 建立责任清单,确保每位施工人员的职责和权限清晰明确。
五、施工方案1. 确认塔吊操作位置:按照设计要求和实际情况,确定塔吊布置的位置,并确保操作视野良好。
2. 安装固定设备:根据需要,在塔身上安装防倾斜装置、防风装置和限位器等设备,确保塔吊的稳定性和安全性。
3. 填筑塔基:根据设计要求,在场地上进行塔基的填筑和固定,确保塔吊基础牢固可靠。
4. 安装卷扬机构:根据实际施工需要,安装配套的卷扬机构,并进行必要的测试和调试,确保其正常运行和安全可靠。
5. 载荷悬挂:在塔吊的吊钩上进行上吊负载,并进行必要的检查和测试,确保悬挂负载的安全可靠。
6. 施工操作:在施工过程中,严格按照作业规范和安全操作要求进行操作,确保各项作业过程的顺利进行。
7. 移位和拆除:在需要移位或拆除塔吊时,需按照规范要求进行操作,确保整个过程的安全顺利。
8. 完工验收:施工结束后,进行全面的验收,确保塔吊附着施工的任务完成,并做好相关文档和记录。
六、施工安全措施1. 塔吊相关人员应持证上岗,并进行专业培训,熟悉操作规程和安全操作流程。
2. 在施工现场,设置安全警示标识,确保相关人员了解安全警示内容。
3. 施工现场必须设置安全防护设施(如围挡、安全网等),保证无关人员无法进入施工区域。
以德为先诚信服务塔式起重机附着专项施工方案使用单位中国建筑股份有限公司工程项目平潭综合实验区金井湾商务营运中心Ⅱ标工程编制单位厦门中环建建设集团有限公司施工组织设计(施工方案)审批表一、编制依据1、《钢结构设计规范》(GB 50017-2003)2、《混凝土结构设计规范》(GB 50010-2010)3、《MC120B塔式起重机使用说明书》(马尼托瓦克)4、《塔式起重机设计规范》(GBT3811-2008)5、塔机平面布置图、建筑物立面图和各层结构施工图(项目提供)6、《塔式起重机安全规程》(GB5144-2006)7、《建筑起重机械安全监督管理规定》(建设部166号令)8、《建筑施工高处作业安全技术规范》(JGJ80-91)9、《建筑机械使用安全技术规程》(JGJ33-2012)二、工程概况1、工程概况1.1工程名称:平潭综合实验区金井湾商务营运中心Ⅱ标工程1.2工程地点:平潭1.3建设单位:中国建筑股份有限公司1.4结构形式:框剪结构1.5塔式起重机安装单位:厦门中环建建设集团有限公司根据施工需要,计划装伍台,型号为:马尼托瓦克起重设备中国有限公司产的MC120B 自升塔式起重机,额定起重力矩为1200kN.m, 幅度为60m, 最大幅度额定起重量为1.15t.建筑层数地上主体4层,局部最高24层,地下室3层。
太平洋广场(1-2地块)工程工地总建筑面积32090.60m2,其中首层基底建筑面积1605.60m2.其中B1楼主体4层,局部20层,高78.4m;B2楼4层,高20.8m,B2-1楼共24层,高78.8m;B3楼共24层,高78.8m;1.6工程工地的平面图如下:塔机编号大臂长度附着数量安装方式初始安装高度(m)最终安装高度(m)1#塔60m 3 外附28.5(7节)106(32节)2#塔60m 4 外附25.5(6节)110(33节)5#塔60m 4 外附28.5(7节)106(32节)当塔机工作高度超过上表中的初始安装高度时,必须对塔机进行锚固(附着),附着后方可加节顶升。
QTZ80(TCT5512)型塔吊附着安装方案一、编制依据1、《塔式起重机使用说明书》2、《塔式起重机操作使用规程》3、《塔式起重机安全规程》4、《特种设备质量监督与安全监察规定》5、《起重设备安装工程施工及验收规范》6、《设备作业人员监督管理办法》二、工程概况本工程地下层,地上层,总高度m、我公司设置了1台塔吊负责主体施工的材料垂直运输工作,塔吊型号为QTZ80(TCT5512)。
三、塔吊附着前期准备根据塔吊自身建造过程中的属性,塔吊自由高度为40米,塔吊自身设计第一道附着高度为27m,约塔吊的第4个标准节,标准节高度5m。
最后一道附着距吊钩允许最大高度30m.我方参考了塔吊说明书,结合现场实际情况.QZT80(TCT5512)型塔吊需加设5道附着,其中附着的高度分别为:第一道附着:27米,第4个标准节;第二道附着:42米,第7个标准节;第三道附着:57米,第10个标准节;第四道附着:72米,第13个标准节;第五道附着:87米,第16个标准节;塔吊锚板均为t=16nm 厚的钢板,与附着斜拉杆采用M=30的螺栓连接,斜拉杆由2面的20#槽钢背对背焊接而成,尾部连接有钢板,钢板厚16mm ,钢板与锚板用M30的高强螺栓进行连接,连接完成后进行焊接.钢板及斜拉杆材质均为Q335B。
四、附着拉杆的安装和拆卸应符合要求1、塔吊附着前,检查塔吊附着点,附着点的强度必须满足塔吊附着的受力要求;2、安装附着拉杆时,必须使起重机处于顶升时的平衡状态,且使两臂位于与附着方向相垂直的位置;3、在安装每一道附着拉杆时,不得任意升高塔身,必须保证在未附着前起重机的自由高度必须符合产品的有关规定;4、分段拼装的附着拉杆各联接件(如螺栓、销轴等)必须安装齐全,各联接件的固定要符合要求;5、建筑物与附着拉杆之间的联接必须牢固,保证起重机作业中塔身与建筑物不产生相对运动,需要在建筑物上打孔与附着拉杆联接时,在建筑物上所开的孔径应和与它相连接的销轴(螺栓)的直径相称;6、附着后,最高点以下的塔身轴线垂直度偏差不大于2%°;7、各附着框架与塔身之间的联接应符合要求;8、各附着点的高度必须严格遵照说明书的规定;9、附着框架在相应的塔身节的联接位置,不应超过规定的误差,附着框架应保持水平,不应偏斜;10、对于塔身在附着框架相连处有辅助装置的起重机在锚固时,必须将其安装齐全;11、附着框架与塔身之间应按规定的方法固定牢靠,不得松动;12、附着装置的安装应有专人负责,工作时应系安全带,戴好安全帽,并应遵守高处作业的有关安全操作的规定;14、起重机作业时,应经常检查附着锚固装置,发现松动或异常情况时,应立即停止作业,故障未排除不得继续作业。
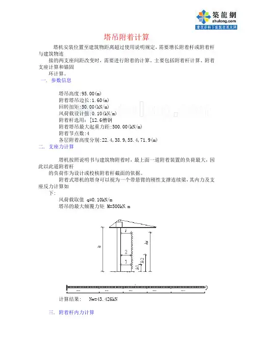
塔吊附着计算塔机安装位置至建筑物距离超过使用说明规定,需要增长附着杆或附着杆与建筑物连接的两支座间距改变时,需要进行附着的计算。
主要包括附着杆计算、附着支座计算和锚固环计算。
一. 参数信息塔吊高度:95.00(m)附着塔吊边长:1.60(m)回转扭矩:50.00(kN/m)风荷载设计值:0.10(kN/m)附着杆选用:[12.6槽钢附着塔吊最大起重力距:500.00(kN/m)附着节点数:4各层附着高度分别:22.4,38.9,55.4,71.9(m)二. 支座力计算塔机按照说明书与建筑物附着时,最上面一道附着装置的负荷最大,因此以此道附着杆的负荷作为设计或校核附着杆截面的依据。
附着式塔机的塔身可以视为一个带悬臂的刚性支撑连续梁,其内力及支座反力计算如下:风荷载取值 q=0.10kN/m塔吊的最大倾覆力矩 M=500kN.mqM22.4m 16.5m 16.5m 16.5m 23.1m计算结果: Nw=43.426kN三. 附着杆内力计算计算简图:计算单元的平衡方程为:其中:四. 第一种工况的计算塔机满载工作,风向垂直于起重臂,考虑塔身在最上层截面的回转惯性力产生的扭矩和风荷载扭矩。
将上面的方程组求解,其中从0-360循环,分别取正负两种情况,分别求得各附着最大的轴压力和轴拉力:杆1的最大轴向压力为:64.47 kN杆2的最大轴向压力为:9.74 kN杆3的最大轴向压力为:55.36 kN杆1的最大轴向拉力为:0.00 kN杆2的最大轴向拉力为:64.09 kN杆3的最大轴向拉力为:69.67 kN五. 第二种工况的计算塔机非工作状态,风向顺着起重臂,不考虑扭矩的影响。
将上面的方程组求解,其中=45,135,225,315, Mw=0,分别求得各附着最大的轴压力和轴拉力。
杆1的最大轴向压力为:31.9 kN杆2的最大轴向压力为:26.69 kN杆3的最大轴向压力为:60.64 kN杆1的最大轴向拉力为:20.51 kN杆2的最大轴向拉力为:36.41 kN杆3的最大轴向拉力为:40.77 kN六. 附着杆强度验算1.杆件轴心受拉强度验算验算公式:=N/An≤f其中 N──为杆件的最大轴向拉力,取N=69.67kN;──为杆件的受拉应力;An──为杆件的的截面面积,本工程选取的是[12.6槽钢,查表可知 An=1569.00mm2;经计算,杆件的最大受拉应力=69.67×1000/1569.00=44.40N/mm2。
目录1 编制依据 (1)1.1 编制说明 (1)1.2 编制依据 (1)2 工程概况 (2)3 施工部署 (2)4 作业工艺 (4)4.1 预埋件安装 (4)4.2 附墙架选用 (5)4.3 安装工具选用 (6)4.4 作业人安排 (6)4.5 附墙安装程序 (7)4.6 顶升作业 (8)4.7 塔吊升高完毕后检查、调整,验收工作 (10)5 安全注意事项 (10)6 计算书 (11)6.1 1#塔吊附着计算计算书 (11)6.2 2#塔吊附着计算计算书 (17)6.3 3#塔吊附着计算计算书 (23)6.4 5#塔吊附着计算计算书 (29)6.5 6#附着计算计算书 (36)7 附图: (43)7.1 附着平面布置图 (43)7.2 附着高度示意图 (46)1编制依据1.1编制说明为保证xxx八期工程施工现场的5台TC6010塔机的各级顶升满足塔机使用说明书中附着高度及自由高度的要求,错开群塔高度,落实群塔防碰撞措施,保证塔吊作业安全,特编制本方案1.2编制依据(1)《特种设备安全监察条例》((2009修正)国务院令第549号)(2)《建筑起重机械安全监督管理规定》(中华人民共和国建设部令第166号)(3)《起重机械安全监察规定》(国家质量监督检验检疫总局令第92号)(4)《建筑施工安全检查标准》(JGJ59-99)(5)《建筑机械使用安全技术规程》(JGJ33—2001)(6)《塔式起重机安全规程》(GB5144-2006)(7)《建筑施工塔式起重机安装、使用、拆除安全技术规程》JGJ196-2010(8)《起重机械安全规程》GB6067-85(9)《建筑起重机械安全评估技术规程》JGJT1879-2009(10)xxx八期工程塔吊基础平面布置图(11)xxx八期工程施工图纸(12)TC6010-6型自升式塔式起重机使用说明书2工程概况深业xxx八期项目,位于广东省惠州市惠城古塘坳片区金榜南地块,占地面积约102996.0平方米,本期总建筑面积约160112.57平方米。
目录一、工程概况二、编制依据三、住宅塔吊附墙布置四、施工方法五、附着设计与施工的注意事项六、塔吊的附着的安装七、安全保证措施附计算书一、工程概况本工程位于成都市成华区迎晖路塔子山六号地块,南邻迎晖路,西邻待建3B项目及一期已入住项目、东邻御风二路,北邻二期业主已入住项目。
本工地为华侨城华侨城滨江壹号小区三期一标段、二标段及相应地下室施工总承包工程;一标段为地下三层,地上三层,总建筑面积为46877.80㎡,地下室主要用做地下商业及车库,设有人防,地上19#楼为多层商业,其余为过街连廊及C连廊引桥;二标段为地下三层,地上39-46层(其中:20#楼为地上39层、21#楼地上46层、22#楼1单元地上46层、22#楼地上40层、20#21#楼之间为2层过街连廊),总建筑面积为181580.8㎡,地下室主要用做地下商业及车库,设有人防,本标段主要为带商业网点的住宅;本工程+0.000标高相当于绝对标高508.900m。
根据现场情况及进度要求,设置4台塔吊,塔机一览表如下:本方案为高层住宅楼塔吊附着施工方案,本工程塔吊平面布置图,见下图:二、编制依据1、华侨城滨江壹号小区三期一标段、二标段结构图(5月30日版)2、华侨城滨江壹号小区三期一标段、二标段建筑图(5月30日版)3、本工程塔吊基础施工方案4、华侨城滨江壹号小区三期一标段、二标段塔吊平面布置图5、《建筑塔式起重机安全规程》GB5144-20066、《建筑起重器建筑安全监督管理规定》建设部令第166号7、《施工现场临时用电安全技术规范》JGJ46-20058、《建筑施工高处作业安全技术规范》JGJ80-919、华侨城华侨城滨江壹号小区三期一标段、二标段工程塔吊安装方案10、适用的相关法律、法规以及有关标准规范11、QTZ5013型、S315K16型塔吊施工说明书12、品茗计算软件(2017版)13、PKPM安全计算软件三、住宅塔吊附墙布置根据本工程结构特点、业主提供的结施图、建施图结合塔吊使用说明书中的规定,对本工程塔吊附墙作如下布置:住宅部位塔吊附墙布置见下表:(1)19#楼(1)号塔吊附墙平面布置(2)21#楼塔吊附墙平面布置(3)22#楼塔吊附墙平面布置2、住宅塔吊附墙剖面图(1)1号塔吊附墙剖面布置QTZ5013 (2)2号塔吊附墙剖面布置(3)3号塔吊附墙剖面布置四、施工方法1、根据现场实际情况制作附着拉杆,附着采用三拉杆的形式,21#楼塔吊及22#楼塔吊附着拉杆采用22b槽钢对扣制作的伸缩拉杆。
塔吊附着固定安装方案
1、本工程主体已完工至六层进入7层施工,为保证施工安全应在5层部位高度20.7米部位安装附着固定塔吊。
2、该工程主体在年月层主体工程完工,没有安装预埋件。
3、工程主体设计要求,没有柱,只有剪力墙200㎜厚,固定附着强度不够,应固定在15轴至18轴之间。
纵向A轴有梁400㎜×200毫米㎜,楼板设3个固定点楼板,厚为150㎜,砼强度等级C30。
4、附着钢管穿过阳台栏板,板厚80㎜,附着管直径∅133无缝钢管,长度5.4m二根,5.9 m一根。
5、附着固定点每个件设24个螺丝,四根。
固定钢板厚度16㎜,下面是10㎜厚度钢板,双层固定,符合使用要求。
塔吊附着施工方案一、施工前准备工作1.确定使用的塔吊型号和参数,并检查其技术性能和安全状况。
2.建立塔吊的施工文件档案和工程指导书,并组织相关人员对塔吊的使用方法和安全注意事项进行培训。
3.验收塔吊附着设备,包括吊杆、吊索、吊具等,并检查其质量合格证明和使用情况记录。
二、塔吊附着方案设计1.根据建筑结构、工程要求和塔吊的技术参数,确定塔吊的附着位置和悬挂点的布置。
2.检查建筑结构的承载能力和安全性,确保塔吊附着工作的稳定和安全。
3.根据现场实际情况,制定塔吊的安全操作程序和应急预案,并组织现场人员进行演练。
三、塔吊附着施工操作流程1.进行塔吊的基础测量和布设,确保塔吊安装的平整和稳固。
2.在塔吊安装位置处设置警示牌和安全防护措施,保障附着作业的安全进行。
3.根据悬挂点的位置和建筑结构的要求,进行吊杆的选择和调整,并同时进行安全检查。
4.将吊杆或吊索与塔吊臂上的吊钩连接,并进行钢丝绳或链条的固定和调整。
5.检查塔吊的水平度和稳定性,确保塔吊附着作业的安全进行。
6.在塔吊附着位置处进行试吊,检查吊杆和吊索的连接是否牢固,塔吊的工作是否正常。
四、塔吊附着施工的安全措施1.在塔吊附着作业现场设置安全围栏,防止无关人员进入危险区域。
2.加强现场安全巡查,及时发现和解决存在的安全隐患。
3.提前制定塔吊的使用限制和操作规程,确保塔吊的使用符合技术要求和安全规范。
4.配备专业的塔吊操作人员,确保其持证上岗并具备相关工作经验。
5.配备特种作业人员,如吊装信号员和吊装指挥员,并加强沟通和配合。
五、塔吊附着施工的质量控制1.对吊杆、吊索和吊具的质量和使用情况进行检查,确保其能够满足施工需求。
2.定期检查塔吊的安全装置和运行状况,确保其吊装作业的质量和安全。
3.进行塔吊附着施工的现场监督和检查,及时发现并纠正存在的质量问题。
综上所述,塔吊附着施工方案涉及到塔吊的选择和准备、附着方案的设计和实施、施工操作流程的规范和安全措施的落实等多个方面。
塔吊附着施工方案一、项目概述得了解一下项目的具体情况。
这是一栋超高层建筑,高度达到了200米,需要用到塔吊进行材料的垂直运输。
塔吊的附着高度为60米,需要依附在楼体上。
这样一来,我们就要确保塔吊的附着施工方案既能保证施工效率,又要确保安全。
二、施工准备1.技术准备:在施工前,要对塔吊司机、信号工、维修工等进行技术培训,确保他们熟悉塔吊的性能、操作规程和安全要求。
2.物资准备:提前准备好塔吊附着所需的材料,如预埋件、连接件、焊接材料等。
3.施工图纸:根据建筑图纸和塔吊说明书,绘制出塔吊附着施工图,明确附着位置、预埋件位置等。
三、施工流程1.预埋件施工:在楼体施工过程中,按照图纸要求预埋连接件。
预埋件要牢固,确保塔吊在附着时不会出现问题。
2.塔吊安装:待楼体施工到一定高度,开始安装塔吊。
安装时要注意塔吊的垂直度,确保塔吊在运行过程中不会出现倾斜。
3.塔吊附着:当塔吊高度达到60米时,开始进行附着施工。
将预埋件与塔吊连接,确保连接牢固。
然后,用焊接方法将连接件与楼体焊接在一起,形成稳定的附着体系。
4.检查验收:在塔吊附着施工完成后,要对附着部位进行检查,确保连接牢固、焊接质量合格。
验收合格后,塔吊方可投入使用。
四、安全措施1.安全防护:在塔吊附着施工过程中,要设置安全防护措施,如安全网、防护栏等,确保施工现场的安全。
2.定期检查:对塔吊的附着部位进行定期检查,发现问题及时处理,防止事故发生。
3.应急预案:制定应急预案,一旦发生突发事件,能够迅速采取措施,确保人员安全。
五、施工注意事项1.塔吊司机、信号工、维修工等操作人员要严格遵守操作规程,确保施工安全。
2.施工过程中,要密切关注塔吊的运行状态,发现问题及时处理。
4.加强施工现场的安全管理,确保施工现场的秩序井然。
六、施工进度安排1.预埋件施工:在楼体施工过程中,同步进行预埋件施工。
2.塔吊安装:预计在楼体施工到10层时,开始安装塔吊。
3.塔吊附着:预计在楼体施工到60米时,开始进行塔吊附着施工。
塔吊附着设置方案导言塔吊是建筑施工中常用的起重设备,用于搬运和安装建筑材料。
为了确保塔吊的安全和稳定性,在使用过程中需要进行附着设置。
本文档将介绍塔吊附着设置的方案。
1. 附着设置的目的附着设置是为了确保塔吊在使用过程中对地面和建筑结构的影响最小化,并确保塔吊的稳定性和安全性。
附着设置的目的包括: - 确保塔吊在操作过程中不会倾斜或倒塌。
- 减少塔吊振动对建筑结构的影响。
- 降低塔吊操作的风险。
2. 附着设置的原则附着设置需要遵循以下原则: - 附着点的位置应能够承受塔吊的风载荷和工作载荷,并且在输送材料时不会发生倾斜。
- 附着点的选择应尽量远离建筑物,以减少对建筑结构的影响。
- 附着材料应具有足够的强度和稳定性,并定期检查和维护。
- 附着设置需要考虑塔吊的运动范围和操作要求。
3. 附着设置的方案根据塔吊的类型、工作环境和使用要求,可以采用不同的附着设置方案。
下面是几种常见的附着设置方案:3.1 单点附着单点附着是最简单的附着设置方案,适用于小型塔吊。
在单点附着方案中,塔吊通过一个支撑点与地面相连。
这个支撑点可以是一个钢丝绳、链条或者螺旋桩。
优点: - 设计简单,成本较低。
- 安装和拆卸方便。
缺点:- 对地面影响较大,可能会对地基结构造成损害。
- 塔吊受到风载荷时,容易发生倾斜。
3.2 多点附着多点附着是对单点附着的改进,通过增加附着点的数量来提高塔吊的稳定性。
附着点可以设置在建筑物附近的不同位置,例如楼顶、梁柱等。
优点: - 塔吊的稳定性和安全性更高。
- 对地基和建筑结构影响较小。
缺点: - 设计和安装较为复杂,成本较高。
- 需要考虑附着点的位置和数量,以及附着材料的选择和强度。
3.3 固定附着固定附着是将塔吊与建筑物固定连接的附着设置方案。
可以通过螺栓连接、焊接或者预埋螺栓等方式进行固定。
优点: - 塔吊的稳定性和安全性最高。
- 对建筑结构的影响最小。
缺点: - 设计和安装复杂度大,成本高。
塔吊附着施工方案(1)在高空建筑施工中,塔吊的运用起着至关重要的作用。
塔吊的附着施工方案是确保施工作业安全和高效进行的关键环节之一。
本文将详细讨论塔吊的附着施工方案,旨在为工程施工提供指导和参考。
一、施工前的准备工作在进行塔吊的附着施工前,必须进行详细的施工准备工作,包括但不限于以下几点: 1. 施工方案制定:根据工程要求和实际情况,制定详细的塔吊附着施工方案,包括附着点选取、附着方式确定等内容。
2. 安全措施落实:制定安全施工方案,明确安全防护措施,确保施工过程中安全可控。
3. 人员培训:对参与施工的人员进行必要的培训和指导,提高他们对塔吊附着施工的认识和技能水平。
4. 设备检查:对使用的塔吊设备进行全面检查,确保设备完好无损,符合安全要求。
二、附着点选取在确定塔吊的附着点时,需要考虑以下因素: 1. 建筑结构承载能力:选择能够承受塔吊荷载的结构部位作为附着点。
2. 安全距离:附着点与施工区域之间要保持一定的安全距离,以避免施工过程中发生意外。
3. 附着点固定性:附着点必须具有足够的固定性能,确保塔吊在施工过程中不会发生移动或摇晃。
三、附着方式确定根据具体的施工要求和实际情况,可以采用不同的附着方式,常见的有以下几种: 1. 悬吊式附着:将塔吊悬挂在建筑结构上方,通过吊索或吊臂与建筑物连接,适用于高层建筑的施工。
2. 支撑式附着:通过支撑系统将塔吊支撑在建筑结构侧面或底部,适用于狭窄空间或特殊施工环境。
3. 固定式附着:将塔吊固定在建筑结构上,通过膨胀螺栓或焊接固定,适用于建筑物顶部等空间有限的情况。
四、安全施工要点在塔吊附着施工过程中,必须严格遵守以下安全要点: 1. 严格按照施工方案操作:严格按照制定的施工方案进行操作,不得擅自更改或调整附着方式。
2. 熟练操作设备:操作人员必须熟练掌握塔吊的操作技巧,确保施工过程中安全可靠。
3. 定期检查设备:定期对附着设备进行检查和维护,确保设备运行正常。
塔吊附着工程施工组织方案为保证塔吊附着工程施工的安全和顺利进行,我们制定了以下施工组织方案。
一、工程概况本次施工的塔吊附着工程位于XX地区XX市的中心区域,该区域内有多座高层建筑正在建设,需要使用塔吊作为起重设备。
本次施工的主要任务是在高层建筑上搭设起塔吊,并确保塔吊的稳定、安全运行。
二、施工准备1.确定施工部位:根据设计图纸和现场情况,确定塔吊需要安装的位置和数量。
2.选购合适的塔吊:根据施工需要,选购适用于本项目的塔吊设备,并进行检测和试运行,确保其性能安全可靠。
3.安装基础设施:在塔吊安装位置预留好基础设施,包括塔基、混凝土基座和支撑桩等。
4.聘请专业人员:聘请经验丰富、熟悉附着工程的专业施工队伍,并由相关技术人员进行指导和监督。
三、施工流程1.预先安装:在开始正式施工之前,需要提前安装塔吊的塔基、混凝土基座和支撑桩等。
2.塔吊组装:将塔吊设备按照使用手册进行组装,确保每个零部件的准确位置和良好连接。
3.塔身吊装:使用其他起重设备将塔身吊装至预先安装好的基础设施上,并进行调整和配平。
4.耐力钢丝绳附着:在塔身上固定耐力钢丝绳,并经过检测和调整,确保其牢固。
5.开始使用:完成附着工程后,经过施工队伍和技术人员的检验和试运行,确认塔吊处于安全可靠的状态后,方可开始正式使用。
四、施工安全措施1.塔吊安装人员必须持有合法的操作证件,并接受过相关培训。
2.施工现场必须设置明显的警示标识,禁止无关人员靠近施工区域,并配备专人负责安全监督。
3.施工过程中必须配备防护设备,包括安全帽、安全带和防滑鞋等。
4.施工人员必须熟悉操作规程,并按照规定进行操作,不得擅自修改或忽略任何安全保护措施。
5.施工现场必须保持整洁有序,避免杂物堆积或随意堆放,确保施工安全。
五、应对突发情况与应急预案1.准备足够数量和种类的灭火器,并在施工现场设置明显的消防器材标识。
2.针对塔吊附着工程可能出现的突发情况,制定应急预案,并进行演练和培训。
塔吊附着方案范文塔吊是一种用于建筑工地和大型基础设施工程的起重机械。
它能够高效地提升和移动重型建筑材料,对工程项目的施工起到了重要的作用。
然而,由于塔吊操作的高度和重量,安全附着是使用塔吊的关键问题之一、下面将介绍几种常见的塔吊附着方案。
一、锚固式附着方案这种方案适用于需要长期使用塔吊的工地。
在塔吊的周围,需要事先设立可靠的重型锚固点。
一般情况下,使用混凝土基础将塔吊的支脚固定在地面上,并在基础上设置锚固点来增加稳定性。
此外,还可以利用其他附近的结构物,如建筑物或桥梁来作为锚固点。
在选择锚固点时,需要确保其坚固,可以承受塔吊产生的重力和扭矩。
二、中电吊臂附着方案这种方案适用于需要频繁移动的工地。
中电吊臂附着方案是通过将塔吊的臂与支撑构件相连,使塔吊保持平衡,并防止倾倒。
在这种方案中,塔吊的臂设置了一个固定的连接处,可以连接到一组支撑梁上。
支撑梁可以支撑塔吊的重量,并防止其倾倒。
当需要移动塔吊时,可以通过移动支撑梁来改变塔吊的位置。
这种方案需要在工地上设立固定的支撑梁,以确保其坚固稳定。
三、软附着方案这种方案适用于需要在短时间内完成工程的临时工地。
软附着方案是通过使用重型钢丝绳将塔吊固定在周围的结构物上,以保持稳定。
在这种方案中,钢丝绳通过连接固定在周围建筑物或临时支撑结构上的点来实现。
通过适当的设计和计算,可以确定钢丝绳的数量和位置,以确保塔吊的稳定性和安全性。
无论选择哪种附着方案,安全都是首要考虑。
在选择附着方案时,需要进行详细的工程测量和计算,确保选择的方案能够满足塔吊的稳定性和安全要求。
此外,还需要定期对附着设备进行检查和维护,以确保其良好的工作状态。
总之,塔吊的安全附着方案是确保塔吊在工程项目中安全运行的关键。
无论是锚固式附着方案、中电吊臂附着方案还是软附着方案,都需要根据具体的工程要求和现场情况选择合适的方案,并严格按照标准和工程规范来执行。
只有做好附着工作,才能确保塔吊的安全运行,为工程项目的顺利进行提供支持。
塔吊附着施工方案
名仕嘉园商住楼工程采用QTZ80塔式起重机,根据塔机的性能,为确保塔机的安全及工程施工进度,附着埋件做法如下:
1、塔吊附着点位置:
1#楼设4道附着点,分别为4层、8层、12层、16层底。
2#楼设6道附着点,分别为4层、7层、11层、15层、23层柱下部、19层柱上部。
2、附着点预埋件位置:
1#楼设在C轴与35轴相交处的柱、C轴与45轴相交处柱。
2#楼N1轴与33轴相交处的柱、N1轴与42轴相交处柱。
3、预埋件制作:
侧面图
预埋件共二十块,规格为400*400的20厚钢板,塞焊6根Φ22*6焊脚,焊脚焊缝Hf=12,
带螺栓孔与连墙件相铰接的钢板与埋件钢板进行双面满焊,焊脚焊缝Hf=12,两螺栓孔间距为220。
4、附着柱加固措施:
1#楼在C轴与35轴相交处的柱、C轴与45轴相交处柱分别增设塔吊附着埋件一只,因两根柱截面偏小,为保证柱和塔吊的安全使用需对两根砼柱采取内外两侧各增加柱主筋3Φ22(长3.5米)进入上下层梁内的钢筋进行加固,同时该层两柱箍筋另增加29道箍筋加强。
2#楼在N1轴与33轴相交处的柱、N1轴与42轴相交处柱分别增设塔吊附着埋件一只,因N1轴与42轴相交处柱截面偏小,为保证柱和塔吊的安全使用需对该砼柱采取内外两侧各增加柱主筋3Φ22(长3.5米)进入上下层梁内的钢筋进行加固。
南通建工程总承包有限公司
淄博名仕嘉园商住楼项目部
二00七年九月二十九日。
塔式起重机附着安装施工方案一、编制说明本方案用于指导保利公园198-丁香郡1-8# 工程项目部(QTZ 5013 )塔式起重机附着安装工作,以保证塔机附着安装工作安全、有序、高效的完成。
本方案主要依据(QTZ 5013 )自升式塔式起重机使用说明书、安装方案、《建筑起重机械安全监督管理规定》(建设部令第166号)《JG/T100塔式起重机操作使用规程》、《DB51/T588塔式起重机安装与拆卸规则》等法规标准编制。
方案主要内容包括对安装单位安装工作的具体要求,同时提出了对工程承建单位有关协作工作的基本要求,提请工程承建单位予以落实。
二、工程概况招标单位:成都市新都区保利投资有限公司设计单位:成都市基准方中建筑设计事务所工程名称:保利·公园198-丁香郡A区1—3#、5—8#楼工程工程地址:成都市新都区蜀龙大道三段西南侧建筑面积:146325 m2,建筑层数:5—8#楼为地上18层,地下2层。
1—3#楼为地上26层,地下2层。
建筑高度:5-8#楼:地上60.85m,地下-12.2m,总高度为73.05m;1-3#楼: 地上84.3m,地下-11.9m,总高度为96.2m。
建筑层高:3m。
结构型式:框架-剪力墙结构本塔机附着安装概况:本塔机型号为QTZ 5013,塔机独立高度为40 米,塔机在约25米处开始安装第一道附着,之后每隔9米安装第二道附着,5-8#楼分别在4F、7F、10F、13F、16F共安装5道附着,1-3#楼分别在4F、7F、10F、13F、16F、19F、22F、25F共安装8道附着。
3、塔机概况整机参数表4、塔机安装概况本项目7 台塔机2010年1月由我公司进行首次安装,安装高度为35米。
三、附着设置指导书1、基本要求(依据地方标准《DB51/T588塔式起重机安装与拆卸规则》)。
2、塔机安装的高度超过独立高度时,必须按照使用说明书的要求安装附着装置。
附附装置的安装位置必须符合使用说明书的规定。
附着方案1)、在安装附着框位置的塔身横腹杆上,用钢管扎一个井字架,在相同高度楼层的楼板上预埋地角螺栓和连接钢板。
2)、利用塔机吊钩将两个半梁吊放在井字架上,拼成一个框形框住塔身。
3)、安装拉杆,并用销轴与附着框连接起来。
4)、用经纬仪测量塔身的垂直度,分别将三根拉杆用调节螺杆和销轴与预埋钢板上的连接耳板铰接。
塔身的垂直度误差应控制在2/1000以内。
5)、塔机安装应设3道附墙装置(见附墙安装立面图),第一道附墙装置设于塔吊基础以上32m处,第二道以上每15m设一道,塔机塔身悬高(塔身在起重臂连接处至最高一个附着点的垂直距离)不大于30m,附着点的高度或间距允许根据楼层高度做适当的调整。
6)、附着架必须完全夹住标准节,附着杆与建筑物的连接一定要在建筑物的梁或柱子连接,不能与楼板连接。
7)、附墙的连接必须是销轴,不能焊接,销轴的材料为40Cr;安装附着装置可利用其他辅助起重设备将附着架,吊装到附着位置。
8)、在安装附着架位置的塔身横腹杆上,用脚手架钢管扎一个井字架,四周铺好脚手板;附着架吊放在井字架四周,形成一个框形住塔身,用可调长短拉杆将附着架与柱或梁上的铰点联接起来,用经纬仪一边测量塔身垂直度,一边调整个拉杆的长短,最高附着架以下塔身垂直度不大于2/1000,附着杆倾角不得超过10°。
9)、在安装过程中,附着装置与塔身应保持紧固联接,故应随时检查各节点是否有松动现象,如发现有异常情况,应迅速停止操作采取措施调整。
10)、自升塔式起重机的塔身接高到设计规定的独立高度后,须使用锚固装置将塔身与建筑物相联结(附着),以减少塔身的自由高度,保持塔机的稳定性,减小塔身内力,提高起重能力。
金地国际花园塔吊附着方案目录
一、工程概况
二、塔吊附着考虑的因素、附着高度及附着后塔吊顶升高度
三、各座楼塔吊附着
四、工程施工单位提供给塔吊附着安装单位的资料
金地国际花园塔吊附着方案
一、工程概况
1、工程名称:金地国际花园R1,2座楼、R3,4座楼、R5,6座楼、R7,8座楼、R9,10座楼
2、工程施工单位:中建一局五公司
3、施工地点:北京朝阳区大望桥北
4、塔吊附着安装单位:北京中建博瑞恩建筑设备安装工程有限责任公司
5、各楼座楼塔吊型号
1)R1,2座楼:H3/36B (外单位)
2)R3,4座楼:MC230A
3)R5,6座楼:G25/15
4)R7,8座楼:H30/30C
5)R9,10座楼:F0/23B
二、塔吊附着考虑的因素、附着高度及附着后塔吊顶升高度
1、塔吊附着考虑的因素
1)、考虑施工单位的施工要求:施工高度由高至低依次为R5,6座楼、R1,2座楼和R7,8座楼、R3,4座楼和R9,10座楼。
2)、塔吊的布置:对角R1`,2座楼和R7,8座楼塔吊、R3,4座楼和R9,10座楼塔吊无起重臂交叉现象。
3)、考虑结构施工用的爬升脚手架高度为15米,附着需考虑与附着与爬升脚手架干涉。
4)、考虑起重臂有交叉的塔吊须保证高差不小于5米。
2、附着高度及附着后塔吊顶升高度
1)、综合考虑以上因素,确定R3,4座楼和R9,10座楼塔吊在同一高度且低
于R1,2座楼和R7,8座楼塔吊,高差为6米(两节塔身标准节);R1,2座楼和R7,8座楼塔吊均且低于R5,6座楼塔吊,高差为6米(两节塔身标准节)。
2)、各塔附着高度见图1、图2、图3、图4、图5。
三、各座楼塔吊附着
一)、附着形式、位置、高度及塔吊顶升高度
1、附着形式
均采用N型
2、附着高度、位置及塔吊顶升高度
1)、R1,2座楼:共设6道附着。
附着高度及塔吊顶升高度见图1。
附着位置:见图6。
2)、R3,4座楼:共设5道附着。
附着高度及塔吊顶升高度见图2。
附着位置:见图7。
3)、R5,6座楼:共设3道附着。
附着高度及塔吊顶升高度见图3。
附着位置:见图8。
4)、R7,8座楼:共设5道附着。
附着高度及塔吊顶升高度见图4。
附着位置:见图9。
5)、R9,10座楼:共设5道附着。
附着高度及塔吊顶升高度见图5。
附着位置:见图10。
二)、塔吊附着的予埋
1、塔吊附着的予埋件高度及位置
予埋件高度及位置由工程施工单位与塔吊附着安装单位共同确定。
1)、R1,2座楼:予埋件高度见图1,位置见图6。
2)、R3,4座楼:予埋件高度见图2,位置见图7。
3)、R5,6座楼:予埋件高度见图3,位置见图8。
4)、R7,8座楼:予埋件高度见图4,位置见图9。
5)、R9,10座楼:予埋件高度见图5,位置见图10。
2、予埋件位置塔吊附着对结构的作用力
塔吊附着对结构的作用力,见附件1。
3、予埋件位置结构承载力计算
工程施工单位须根据所提供的予埋件位置,计算附着对结构的作用力(见附件1)并对结构承载力进行验算,保证满足受力需要。
4、各楼塔吊附着予埋件的设计、制作及予埋
1)塔吊附着予埋件的设计
塔吊的附着予埋件由附着安装单位提供设计图(见图11)。
2)塔吊附着予埋件的制作
塔吊附着予埋件的制作由工程施工单位制作。
要求:工程施工单位必须严格按照所提供的附着予埋件图纸进行制作。
3)塔吊附着予埋件的予埋
塔吊附着予埋件的工作由工程施工单位完成予埋。
要求:
(1)、工程施工单位必须严格按照所提供的予埋高度、位置进行予埋并且要与建筑物结构内部钢筋相连。
(2)、予埋件予埋时要垂直于水平面,并且外露平面尺寸600×600mm。
四)、塔吊附着杆制作
塔吊附着杆制作,见图12、图13、图14、图15。
五)、塔吊附着安装脚手架的搭设
由工程施工单位在附着安装前搭设下列附着安装脚手架,作为附着安装作业面。
1)、塔吊塔身附着位置中心下方1.5米处四周搭设1米高、0.5米宽脚手架(上铺脚手板)且四周及下方挂安全网。
2)、在塔吊每个予埋件位置中心下方1.5米处搭设1米高、0.8米宽脚手架(上铺脚手板),长度以予埋件中心线为基准两边各1米长;且除建筑物边外其余三边及下方挂安全网。
六)、塔吊附着的安装
塔吊附着的安装由安装单位完成,由工程施工单位配合测量塔吊垂直度。
1、附着安装
1)、在所设计的附着高度位置上安装附着围框,同时把附墙件与预埋件焊接在一起。
预埋件中心与附墙件中心重合。
2)、把附着杆安装到位。
3)、测量塔吊两方向的垂直度,如超过2/1000,须用变幅小车吊起重物调整两方向的垂直度,使其不超过2/1000。
4)、调整好垂直度后,焊接附着附着短杆与附着长杆的插接部分。
焊接长度不小于300mm,采用满焊形式。
2、安装过程的安全要求
1)、施工人员进入现场必须戴好安全帽,高处作业系好安全带、穿防滑鞋。
焊工作业时必须戴好保护用具。
作业人员须持证上岗。
2)、附着作业前,确定施工区域,并加警示标志。
作业时严禁无关人员进入该区域。
3)、各种作业工具须检验合格后方准使用。
4)、附着作业时,将销轴、螺栓等小件放在工具箱内,不得抛接,在打销时有专人接销,以防坠落。
5)、服从指挥,紧密配合,严格遵守各工种安全操作规程。
6)、焊接作业时必须做好焊接区域内的防护,防止发生火灾。
3、附着垂直度要求
附着时须检测塔吊的垂直度并调整垂直度其不得超过2/1000。
四、工程施工单位提供给塔吊附着安装单位的资料
1、每台每道塔吊附着安装后塔吊垂直度测量值。