融资工作标准化流程
- 格式:doc
- 大小:41.00 KB
- 文档页数:5
融资管理工作流程第一步:申请融资企业首先需要确定融资的目的和金额,并准备相关资料,如财务报表、商业计划书和融资方案等。
然后,企业向金融机构或投资者提交融资申请,并提供所需的资料。
第二步:审查和评估金融机构或投资者对企业的申请进行审查和评估。
他们会对企业的财务状况、经营情况和风险进行评估,并对企业的融资需求和可行性进行分析。
同时,他们还会参考企业的行业背景和市场竞争情况作为参考。
第三步:谈判和协议如果企业的申请通过审查和评估,接下来会进行融资的谈判和协议。
这个阶段的目标是确定融资的利率、期限、还款方式和担保措施等重要条款,并达成双方认可的协议。
第四步:资金获取和使用一旦融资协议达成并签署,企业就可以开始获取资金,并按照协议的约定使用资金。
企业需要建立相应的账户或制定专门的资金使用计划,以确保资金的有效控制和使用。
第五步:监控和报告融资后,企业需要对资金的使用和还款进行监控,并按照协议的要求定期向金融机构或投资者提供融资报告。
这些报告通常包括财务报表、经营数据和还款计划等信息,以便金融机构或投资者了解企业的经营状况和还款能力。
第六步:还款和结清在融资期限届满时,企业需要按照协议的要求进行还款,并将融资项的结清。
企业可以选择一次性还款或分期还款,具体还款方式和时间会在协议中约定。
第七步:评估和总结融资结束后,企业需要对整个融资过程进行评估和总结。
企业可以分析融资的结果和效果,评估成本和收益,以及融资的成功因素和不足之处。
这有助于企业在将来进行类似融资活动时做出更好的决策和准备。
以上是融资管理工作流程的主要步骤和环节。
这些步骤是有序进行的,并需要不同的参与方之间的密切合作和沟通。
通过正确执行这些步骤,企业可以提高融资的成功率,并实现自身的融资需求。
银行工作中的项目融资流程介绍随着经济的发展和市场竞争的不断加剧,越来越多的企业开始寻求融资支持以推动其业务发展。
在这个过程中,银行作为主要的融资渠道之一,扮演着至关重要的角色。
本文将介绍银行工作中的项目融资流程,详细解析其具体步骤和个环节。
一、贷前阶段1. 项目意向确认银行与借款企业首先进行初步洽谈,明确企业融资需求和项目具体内容。
在这个阶段,借款企业需要提供项目基本情况、财务状况、担保情况等相关材料,以供银行初步评估。
2. 风险评估和审批银行根据提供的材料进行风险评估,并进行项目可行性研究。
综合各项数据和分析,决定是否推进此项目。
如果项目获得初步通过,进入贷款审批阶段。
3. 权益调整和谈判当融资项目通过初步审批后,银行与借款企业进入权益调整和谈判阶段。
此阶段,双方将就贷款金额、利率、还款方式等进行详细商议,并根据双方需求做出最终协商。
4. 各项手续办理在商议达成一致后,银行开始办理各项手续,包括签订担保合同、法律文件的准备、评估报告的编制等。
借款企业也需要按照银行的要求提供相关材料并办理登记手续。
二、贷中阶段1. 贷款发放所有手续办理完毕后,银行开始向借款企业发放贷款。
根据协议约定,贷款可以一次性发放,也可以分期发放。
借款企业在收到贷款后,按照约定使用资金。
2. 监控和管理银行在贷款发放后,会进行项目的监控和管理。
这包括对借款企业的用款情况、经营状况、财务报表的审核等。
银行会对借款企业的还款情况进行跟踪和核对。
3. 资金结算和账务处理在贷中阶段,银行负责对借款企业的资金结算和账务处理。
银行会根据协议约定的还款方式和时间要求借款企业进行还款,并及时进行账务处理,确保贷款款项的安全和准确性。
三、贷后阶段1. 资金回收在贷后阶段,银行会继续对借款企业进行监控和管理,以确保贷款款项的安全回收。
银行会及时与借款企业沟通,了解其财务状况等情况,帮助借款企业解决实际经营中遇到的问题。
2. 后期服务与支持除了贷后的监控和管理外,银行还会提供一系列的后期服务和支持。
融资流程及注意事项
融资流程和注意事项如下:
融资流程:
1. 确定融资需求:确定融资金额和融资用途。
2. 选择融资途径:选择合适的融资渠道,如银行贷款、股权融资、债券融资等。
3. 准备融资材料:准备公司财务报表、股权结构、商业计划书等融资材料。
4. 与融资方对接:与融资方进行沟通,提交融资材料,进行谈判和协商。
5. 签署融资协议:达成协议后,签署融资协议,完成融资手续。
6. 财务管理:做好财务管理,定期还款和履行融资协议中的义务。
注意事项:
1. 合理规划融资:避免过度融资或不足融资。
2. 提高信用评级:维护公司的信用评级,提高获得融资的可能性。
3. 建立良好关系:与融资方建立良好关系,提高合作的信任度和长期关系的可持续性。
4. 注意融资成本:关注融资成本,包括利率、手续费等。
需在融资渠道选择方面谨慎权衡。
5. 提前规划偿还计划:提前规划偿还计划,避免因融资导致的财务风险。
融资管理工作流程(5篇)第一篇:融资管理工作流程融资管理工作流程工作目标知识准备关键点控制细化执行流程图1.规范公司融资管理的各项工作,提高公司融资能力2.通过合理的融资方式筹集资本,调整和完善公司的资本结构3.为公司生产运营和投资筹集足够的资本1.深入掌握融资管理的理论知识2.掌握融资的方法、途径及各种方法的操作要点3.熟悉国家筹资相关的法律法规1.资金需求分析公司融资管理人员根据公司的战略发展规划、公司生产经营状况、投资计划以及公司当前的资金状况,对公司的资金需求进行预测和分析《资金需求分析表》2.融资风险分析公司融资管理人员进行融资成本和风险分析,如信用风险分析、市场风险分析、金融风险分析、政治风险分析等《融资风险变动分析表》3.制订融资计划3.1融资管理人员在融资风险分析的基础上,选择合适的融资方式、融资对象等,并编制融资计划《融资计划书》3.2融资计划经主管领导审批通过后生效,由融资管理人员传达给相关人员执行4.实施融资计划公司融资实施人员执行融资计划,与融资的相关单位进行谈判,或者向银行等金融机构提出融资申请《融资申请书》5.签订融资合同5.1公司融资人员与融资对象进行商谈,签订融资合同,确定融资的金额、利率、偿还时间、偿还方式等内容5.2融资合同经主管领导审批通过后生效6.资金到位管理公司财务部门根据融资计划和公司资金需求状况对筹集到的资金进行合理的分配和运用《资金筹集运用报告表》7.融资账务处理公司财务部根据融资人员提交的相关凭证,进行融资账务处理,明确每一笔融资资金的到位情况、分配情况和收益情况8.融资评价报告公司财务部对整个融资过程进行监督和指导,收集相关信息,编制融资分析报告,提出融资管理建议《融资评价报告》第二篇:管理工作流程安全隐患排查工作流程(4-1)安全隐患排查按路局电报、通知要求开展安全隐患排查责任:客运处针对系统存在典型问题开展安全隐患排查责任:客运处安全隐患信息分析与现场排查相结合召开专题会议,明确要求,制定细化措施及工作安排责任:客运处各单位按要求开展安全隐患排查责任:各单位检查指导推进落实责任:客运处督促整治落实情况评比验收、整改存在问题责任:客运处对安全隐患排查整治不力的进行督办总结通报情况责任:客运处安全隐患排查工作结束劳动安全隐患排查整治工作流程(4-2)劳动安全隐患排查治理按路局要求开展劳动安全隐患排查责任:客运处针对系统存在典型问题开展劳动安全隐患排查责任:客运处劳动安全隐患信息分析与现场排查相结合召开专题会议,明确要求,制定细化措施及活动安排责任:客运处开展劳动安全隐患排查治理责任:各单位检查指导,推进落实责任:客运处督促整治落实情况评比验收、整改存在问题责任:客运处对劳动安全隐患排查整治不力的进行督办总结通报排查治理情况责任:客运处劳动安全隐患排查治理工作结束安全专项整治工作流程(4-3)总公司、路局安全专项整治工作部署召开处务工作会议,传达会议精神,明确客运系统安全专项整治责任分工责任:处领导制定客运系统安全专项整治工作实施方案、推进计划,明确整治重点责任:客管科N报主管副处长、处长审核Y发文组织实施责任:客运处对整治工作进行评估通报督促各单位细化具体整治措施责任:客运处采取现场检查、专项督办等形式,确保整治落实责任:客运处追踪整治结果责任:客运处检查各单位推进落实情况责任:客运处明确解决方案和整改期限责任:客运处、各单位汇总存在突出问题责任:客运处、各单位安全信息深度分析工作流程(4-4)客运安全信息信息筛选及处理责任:客运处安全事故事故苗子及隐患倾向性、突出性问题坚持“管理问题是最大的风险源”、“眼睛向内、充分暴露、重在整改”、“四不放过”原则进行深度分析责任:客管科科长N向主管副处长、处长汇报责任:客管科科长Y形成月度深度分析报告高铁、动车、客车安全信息处置流程(4-5)高铁、动车、客车安全信息接收高铁、动车、客车客运安全信息责任:值班人员通知处领导及相关科室责任:值班人员研判准确及时,不延误处置相关单位能否进行处理责任:客运处处领导YN迅速安排人员赶往现场组织处置指导相关单位处置责任:客运处对安全信息处置情况进行分析形成报告责任:客运处、相关站段总结经验教训,提出整改措施责任:客运处、相关站段全面总结分析处置情况,措施明确高铁、动车、客车安全信息处置结束事故调查处理流程(4-7)接收铁路交通事故信息责任:值班人员通知处领导及相关人员责任:值班人员处领导、客管科长、技术科长、客票管理所主任、客户服务中心主任参加路局事故调查组责任:客运处领导制定客运处置方案责任:客运处领导现场处置并协助调查取证责任:客管科列车开行调整及相应处置责任:技术科参加小组会议责任:客运现场调查负责人参加事故分析会责任:客管科形成专题报告责任:客管科根据总公司、路局确定事故等级、事故责任认定和责任追究。
融资流程标准模式
前提条件,我们叙述的新项目开发流程均是针对政府平台类项目而言的,步骤如下:
第一步,确定营销目标是XX省Xx市或县级政府平台有融资需求;
第二步,了解平台融资需求要素,即融资年限最短要求、融资成本年华最高接受上限;
第三步,抵押物情况,是否可以提供应收账款或土地抵押;
第四步,可提供的风控措施,是否有AA平台担保、政府、财政、人大是否可以出支持性文件;
第五步,搜集平台公司和担保主体资料清单;
第六步,出具具体融资方案,协调与沟通确定最终操作方案;
第七步,进场尽调、立项、过会签合同、放款!
备注:一般项目操作周期为2-3月,具体因融资产品不同会适当延长!
案例加入流程
第一步,确定目标是贵州省贵阳市或下面区县级政府平台公司有融资需求不,如有需求就要沟通,沟通人一般为平台公司老总或者金融办主任;
第二步,平台公司融资金额5亿,融资时间2年、融资成本年华10;
第三步,平台公司沟通抵押物情况,是否可以提供应收账款或土地抵押(平台公司自己都就知道是否可以办到);
第四步,提供风控措施,是否有AA平台担保(双AA至少三个分管领导签子)、政府、财政、(这个文件平台公司自己可以协调出否)人大是否可以出支持性文件(这个沟通要和政府人大);
第五步,搜集平台公司和担保主体资料清单(以上沟通好了我们就可以自己收集资料);
第六步,出具具体融资方案,协调与沟通确定最终操作方案;
第七步,进场尽调、立项、过会签合同、放款!(6、7我们就可以自己办理)总结1-6需要政府介如协调办理。
融资的流程融资是指企业或个人在资金需求方面,通过借贷、股权投资、债券发行等方式筹集资金的过程。
融资可以帮助企业或个人解决短期或长期的资金需求,促进企业或个人的发展和成长。
本文将详细介绍融资的流程,帮助有融资需求的企业或个人更好地理解融资的过程和步骤。
一、融资前的准备工作在进行融资前,企业或个人需要做好以下准备工作:1.确定融资的目的和用途企业或个人在申请融资前,需要明确融资的目的和用途,例如扩大生产规模、研发新产品、购买设备等。
只有明确了融资的目的和用途,才能更好地选择合适的融资方式和融资对象。
2.制定融资计划和预算企业或个人需要根据融资的目的和用途,制定详细的融资计划和预算,包括融资金额、融资期限、融资成本等。
只有制定了详细的融资计划和预算,才能更好地评估融资风险和选择合适的融资方式。
3.准备好相关资料和文件企业或个人需要准备好相关的资料和文件,例如企业营业执照、财务报表、经营计划书等。
只有准备好了相关的资料和文件,才能更好地向融资对象展示企业或个人的实力和潜力。
二、选择融资方式和融资对象企业或个人需要根据融资的目的和用途,选择合适的融资方式和融资对象。
常见的融资方式包括银行贷款、股权融资、债券发行等。
常见的融资对象包括银行、风险投资机构、天使投资人等。
不同的融资方式和融资对象,有着不同的优缺点和适用范围,企业或个人需要根据实际情况进行选择。
三、提交融资申请企业或个人需要向选择的融资对象提交融资申请,包括融资计划和预算、相关资料和文件等。
融资对象会对融资申请进行评估和审批,包括对企业或个人的资信状况、经营状况、融资需求等进行评估和审批。
审批通过后,融资对象会与企业或个人签订融资合同和相关协议,约定融资的具体条件和规定。
四、履行融资合同和相关协议企业或个人需要按照融资合同和相关协议的约定,履行融资的具体条件和规定。
例如按时还款、提供抵押物、履行财务承诺等。
只有履行了融资合同和相关协议的约定,企业或个人才能更好地维护融资对象的信任和合作关系。
正规的投资公司融资流程投资公司的融资流程包括筹备阶段、谈判阶段、尽调阶段、投资协议签署阶段、资金到位阶段和退出阶段等。
下面是一个正规的投资公司融资流程的详细介绍:1.筹备阶段:在这个阶段,投资公司会确定融资的目标和策略,并制定相应的融资计划。
首先,他们会评估市场需求和机会,确定投资的方向和领域。
然后,他们会制定一份详细的商业计划书,包括公司的历史和发展情况、业务模式、市场分析、财务预测、融资需求和筹资计划等。
此外,投资公司还会准备必要的文件和资料,如公司章程、财务报表、法律文件等。
2.谈判阶段:在这个阶段,投资公司会与潜在投资者进行初步接触并进行初步谈判。
他们可能会通过网络、金融圈子、行业协会等渠道寻找潜在投资者。
一旦找到合适的投资者,投资公司会向他们介绍公司和融资计划,讨论融资条件和利益分配等方面的问题。
如果双方有兴趣继续合作,他们就会进一步进行详细的谈判,包括商讨估值、融资金额、股权结构、投资回报等具体事项。
3.尽调阶段:在这个阶段,投资公司会对潜在投资项目进行调查和尽职调查。
他们会收集和检查与项目相关的各种信息和资料,如财务报表、公司文件、市场数据、商业合同、法律文件等。
同时,他们还会进行实地调查,包括参观公司现场、与相关人员交流、与客户和供应商进行沟通等。
通过这些调查和调查,投资公司可以更全面地了解潜在项目的风险和潜力,并作出是否投资的决策。
4.投资协议签署阶段:在这个阶段,投资公司和潜在投资者会就投资事项达成一致,并签署正式的投资协议。
投资协议通常包括股权投资协议、认购协议、股东协议等。
其中,股权投资协议规定了融资的金额、价格和股权结构;认购协议规定了双方的权利和义务,如投资者的投资条件、退出机制、融资用途、融资进度等;股东协议规定了股东的权益、决策程序、会议制度、盈利分配等。
5.资金到位阶段:在投资协议签署后,投资公司会向潜在投资项目提供资金。
资金到位的方式可以是现金注资、股权转让、股份增发等。
融资工作流程融资是企业发展的重要环节,对于初创企业或者需要扩大规模的企业来说,获得融资是非常关键的一步。
融资工作流程是指企业进行融资活动时所需要经历的一系列步骤和程序。
下面将从融资前的准备工作、融资方式选择、融资申请、尽调和谈判、融资决策以及融资后的管理等方面,对融资工作流程进行详细介绍。
首先,融资前的准备工作非常关键。
企业在进行融资活动之前,需要做好充分的准备工作。
这包括对企业自身的资产负债情况、经营状况、市场前景等方面进行全面的评估和分析。
同时,还需要准备好相关的融资材料,如商业计划书、财务报表、资产清单等,以便向投资者展示企业的价值和潜力。
其次,选择合适的融资方式也是至关重要的一步。
根据企业的实际情况和融资需求,可以选择不同的融资方式,如银行贷款、股权融资、债券融资等。
在选择融资方式时,需要考虑到融资成本、融资期限、融资规模等因素,以及与投资者的利益契合度。
接下来是融资申请阶段。
企业需要向潜在的投资者提交融资申请,包括融资意向书、融资申请书等。
在提交申请时,需要向投资者清晰地说明融资的具体用途、预期收益、风险控制措施等信息,以便投资者能够全面了解企业的融资需求和计划。
随后是尽调和谈判阶段。
投资者在接收到融资申请后,会进行尽调,对企业的经营状况、财务状况、管理团队等方面进行深入了解。
在尽调的基础上,双方进行谈判,就融资的具体条件、方式、规模等进行协商,并最终达成一致意见。
然后是融资决策阶段。
在谈判结束后,投资者会对企业的融资申请进行评估和决策。
他们会考虑到企业的价值、市场前景、风险状况等因素,最终决定是否向企业提供融资支持。
最后是融资后的管理阶段。
一旦融资决策达成,企业就需要开始履行融资协议,按照约定的条件和方式获取资金,并将其用于企业的发展和经营活动。
同时,企业还需要与投资者保持密切的沟通和合作,及时向投资者汇报企业的经营情况和财务状况,以维护投资者的利益。
综上所述,融资工作流程是一个复杂而又关键的过程,需要企业在每一个阶段都做好充分的准备和规划,以确保融资活动的顺利进行和取得成功。
融资工作流程融资工作流程是指企业为了筹集资金,进行融资活动的一系列流程和步骤。
融资是企业发展壮大的重要手段,对企业的发展起着至关重要的作用。
下面将介绍融资工作流程的具体步骤。
第一步,确定融资需求。
企业在进行融资前,首先需要确定自身的融资需求。
融资需求的确定需要考虑到企业的发展阶段、资金用途、融资规模等因素。
只有明确了融资需求,企业才能有针对性地进行后续的融资工作。
第二步,选择融资方式。
企业可以通过债务融资和股权融资两种方式筹集资金。
债务融资是指企业向金融机构借款,以债务形式筹集资金;股权融资是指企业向投资者发行股票,以股权形式筹集资金。
企业需要根据自身的实际情况和融资需求,选择适合的融资方式。
第三步,制定融资计划。
制定融资计划是企业进行融资工作的重要步骤。
融资计划需要包括融资的时间节点、融资的规模、融资的成本、融资的风险控制等内容。
融资计划的制定可以帮助企业有条不紊地进行融资工作,提高融资的成功率。
第四步,寻找融资渠道。
企业在确定了融资计划后,需要开始寻找融资渠道。
融资渠道可以包括银行、证券市场、投资机构等。
企业需要根据自身的融资需求和融资方式,选择合适的融资渠道进行融资。
第五步,准备融资材料。
企业在进行融资前,需要准备好相关的融资材料。
融资材料包括企业的财务报表、商业计划书、融资申请书等。
准备充分的融资材料可以提高企业融资的成功率。
第六步,进行谈判和协商。
一旦确定了融资渠道,企业需要与融资方进行谈判和协商。
在谈判和协商过程中,企业需要明确自身的融资需求和条件,与融资方协商融资的具体细节和条件。
第七步,签订融资协议。
谈判和协商成功后,企业与融资方需要签订正式的融资协议。
融资协议是企业与融资方之间的法律文件,规定了双方在融资过程中的权利和义务。
签订融资协议标志着企业融资工作的正式完成。
第八步,履行融资协议。
一旦签订了融资协议,企业需要按照协议的约定履行融资协议。
履行融资协议包括资金的使用、还款和利息支付等内容。
融资工作流程及风险内控措施
1、确定融资方案
根据公司项目安排、投资计划及现金流情况,在与银行接洽的基础上制定融资方案,报公司总经理、主管副总经理审核,并经公司经理会讨论通过后,确定融资方案。
根据银行初步审核结果,公司召开董事会并作相关贷款的董事会决议。
2、编制贷款报告
(1)报告编制。
根据确定的融资方案,与银行公司业务部接洽,提供银行所需的公司基础资料及项目资料,编制贷款报告。
(2)必备资料。
公司营业执照正副本、组织机构代码证正副本、税务登记证正副本、公司章程、验资报告、开户许可证、贷款卡、法人证明材料、法人身份证复印件、近三年审计报告及近期报表、其他项目基本资料等。
3、银行审批
(1)银行公司业务部将公司资料及贷款报告上报分行信审部门,需上报银行总行的通过分行上报总行信审部门。
(2)银行根据贷款报告安排审贷会议,会议直接审核通过贷款或提出审贷意见并反馈银行公司业务部,并由其对反馈的意见进行回复,银行信审部门做出最终批复。
4、放款
根据银行信审部门的批复文件,协助银行落实放款工作。
5、贷后管理
贷款发放后,配合银行公司业务部做好项目情况及公司情况的定期监控。
6、贷款资金的使用
项目贷款依据银行提款要求,向银行提供用款申请、工程计量、资金计划等相关资料,申请批复后拨付使用。
融资如何操作流程融资操作流程是指企业在获得资本支持时需要经过的一系列步骤。
这个过程通常包括制定融资计划、寻找投资者、进行谈判、签署协议和完成交易等环节。
一般来说,融资操作流程可以分为以下几个步骤:1. 制定融资计划企业首先需要制定一份详细的融资计划,该计划应该明确说明企业需要多少资金、用途以及预期收益等信息。
同时,企业还需要评估自身的财务状况和风险承受能力,以便更好地确定融资方式和目标投资者。
2. 寻找投资者企业可以通过多种途径寻找潜在投资者,比如通过中介机构、参加各种商业活动或者直接联系已知的投资人。
无论采用哪种方式,都需要准备好相关材料,如商业计划书、财务报表和预测数据等。
3. 进行谈判一旦找到了潜在投资者,企业就需要开始与他们进行谈判。
在谈判过程中,双方将讨论投资金额、股权比例、回报率、管理和控制权等问题。
企业需要充分了解投资者的背景和需求,以便更好地协商出双方都能接受的条件。
4. 签署协议如果谈判成功,企业和投资者将签署一份融资协议。
该协议应该详细说明投资金额、股权比例、回报率、管理和控制权等内容,并明确各方的责任和义务。
同时,还需要确定交易完成的时间表和流程。
5. 完成交易最后,企业需要按照融资协议的要求完成交易。
这可能涉及到股权转让、注册公司变更、财务报表披露等流程。
在完成交易后,企业需要与投资者保持良好的沟通,并及时履行自己在协议中承担的义务。
总之,融资操作流程是一个复杂而严谨的过程,需要企业具备充分的准备和专业知识。
只有通过认真制定计划、寻找合适的投资者、进行有效谈判并签署完善的协议,才能顺利完成融资过程并实现企业发展目标。
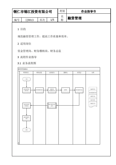
融资工作标准化流程
一、融资准备阶段
1、根据公司项目资金运作需求和长远发展的资金需求目标,
结合具体项目的特点,按照资金市场运作模式,确定大体的融资工作方向;
2、与金融机构(包括银行、信托公司、私募基金)接触,提
供项目可行性报告予金融机构初审,确定合作意向,并根据金融机构的反馈意见确定融资结构与方式,包括:融资的主体、金额、期限、方式、增信措施等
二、融资谈判阶段
1、房地产开发贷款方式:根据银行要求提交公司基本资料、
财务资料和项目资料(包括可行性报告及项目“四证”等),与银行协调沟通,进一步完善、细化操作方案;
2、信托方式:协助信托公司完成尽职调查,提供信托公司要
求的资料,根据项目的具体情况与信托公司设定信托计划的交易结构,确定信托资金的利率,明确信托资金的监管方式、进入和到期退出的形式及需具备的条件,并由公司法律顾问评估此过程的法律风险。
3、私募基金形式:协助基金公司完成尽职调查,提供基金公
司要求的资料,与基金公司协商基金的持股比例和基金回报率,根据项目的具体情况确定基金的监管方式、进入和到期退出方式及需具备的条件,并由公司法律顾问评估此过程的法律
风险。
三、融资执行阶段
1、金融机构通过审批后,与金融机构签订经法律顾问审核后
的相关融资合同
2、与财务部紧密配合,确保资金的运用不超出合同规定的范
围。
公司融资制度及流程
公司融资制度及流程可以参考以下步骤:
1. 准备融资申请材料:包括融资计划书、财务报表、合作方评估报告等。
2. 提交融资申请:并进行内部审批流程。
根据公司内部审批结果,进行融资申请的修改或补充,直至获得批准。
3. 谈判与签署:根据融资申请获批结果,与合作方进行融资合同的谈判。
确定合同内容并进行签署。
4. 履行融资合同:包括按时支付利息,偿还本金等。
此外,在融资过程中需要注意一些问题。
首先,需要仔细评估公司的财务状况,包括资产、负债和盈利能力等指标,以便制定合理的融资计划。
其次,需要充分了解市场上的融资渠道和相关政策法规,以便选择最适合公司的融资方式。
最后,需要在融资合同中明确双方的权利和义务,以避免未来的纠纷和风险。
项目融资业务流程一、融资需求确认1.确定融资目的(1)确定项目融资的具体用途和目标。
2.资金需求评估(1)评估项目所需资金数量和融资规模。
二、融资方案设计1.选择融资方式(1)确定适合项目的融资方式,如银行贷款、股权融资等。
2.制定方案(1)设计详细的融资方案,包括融资金额、利率、期限等。
三、资金准备1.材料准备(1)准备融资所需的各类资料和文件,如财务报表、项目计划书等。
2.审批准备(1)准备提交给融资机构审批的材料和申请表格。
四、融资申请1.提交申请(1)将融资申请材料提交给选定的融资机构。
2.资格审查(1)融资机构对申请人的资质和信用进行审查。
五、融资协商1.利率协商(1)协商融资利率、还款方式等贷款条款。
2.条件谈判(1)谈判融资条件,如担保方式、抵押物等。
六、融资审批1.审批流程(1)融资机构对申请材料进行审批,确定是否批准融资。
2.签订合同(1)若审批通过,签订正式的融资合同。
七、资金到账1.放款流程(1)融资机构将融资款项划入申请人指定账户。
2.资金确认(1)申请人确认收到融资款项,并开始使用资金。
八、还款管理1.还款安排(1)根据合同约定,安排还款计划和方式。
2.按时还款(1)按照约定时间和金额,按时还清融资款项。
九、融资监控1.资金使用监控(1)融资机构对融资资金的使用情况进行监控和审查。
2.风险管理(1)随时跟踪项目进展,及时发现并应对可能出现的风险。
十、项目进展报告1.定期报告(1)向融资机构提交项目进展报告,说明资金使用情况和项目进展。
2.沟通协调(1)与融资机构保持沟通,及时解决项目中遇到的问题和困难。
投融资管理流程及工作标准
投融资管理流程包括以下几个步骤:
1. 投资策略制定:制定投资策略,明确投资目标和风险承受能力。
2. 项目筛选与评估:对潜在的投资项目进行筛选和评估,包括市场分析、商业模式评估和财务分析等。
3. 尽职调查:对选定的投资项目进行深入调查,包括了解项目背景、法律风险和市场前景等。
4. 投资决策:根据尽职调查结果,进行投资决策,确定投资金额和股权结构。
5. 合同谈判与签署:与被投资企业进行合同谈判,并最终签署投资协议。
6. 投后管理:对投资项目进行跟踪和监控,确保项目的正常运作和价值实现。
7. 退出机制:根据投资计划的要求,制定退出策略,包括IPO、并购、股权转让等。
投融资工作标准包括以下几个方面:
1. 内部控制:建立完善的投融资管理制度和流程,确保规范和合规性。
2. 风险管理:对投资项目进行风险评估和管理,避免投资损失。
3. 尽职调查:进行全面、深入的尽职调查,确保对项目的了解准确。
4. 投资决策:基于科学的分析和评估,做出明智的投资决策。
5. 合同管理:进行合同谈判和签署,确保合同的有效性和执行。
6. 投后管理:对投资项目进行有效的跟踪和管理,确保项目的盈利能力和成长性。
7. 沟通与协调:与投资方、被投资企业等各方进行有效的沟通与协调,解决问题和促进合作。
以上是一般投融资管理流程及标准,具体流程和标准可能会根据不同公司或行业的实际情况有所变化。
提前做好abs标准化融资
要提前做好ABS(资产支持证券)标准化融资,可以采取以
下几个步骤:
1.准备资料:整理和准备与标准化融资相关的文件和资料,包
括借款合同、信用评级报告、资产证券化计划书等。
2.选择合适的资产:选择适合资产证券化的贷款资产,确保其
风险可控并符合标准化要求。
可以考虑选择稳定现金流、良好信用质量的贷款资产。
3.进行风险评估:进行风险评估,并向评级机构提交评级申请。
评级结果对于ABS产品的定价和融资成功与否至关重要,因
此需要确保风险评估的准确性和客观性。
4.制定ABS计划:制定ABS计划,包括产品设计、发行规模、期限、利率等方面的具体安排。
这一步骤需要综合考虑市场需求、投资者偏好和公司自身情况。
5.寻找合适的投资者:根据ABS计划,寻找合适的投资者进
行融资。
可以通过公开招标、协商发行等方式进行。
6.履行相关法律程序:进行ABS融资需要履行一些相关的法
律程序,如证券登记、备案等。
确保融资的合法有效。
7.进行发行与交易:进行ABS产品的发行与交易。
这一步骤
需要与投资者、托管行、交易所等各方进行协商和沟通,确保
发行和交易的顺利进行。
8.监测与追踪:一旦完成标准化融资,需要进行监测与追踪,
确保ABS产品的运作和还款情况符合预期。
及时解决可能出
现的问题和风险。
总之,提前做好ABS标准化融资需要充分准备资料、进行风
险评估、制定ABS计划、寻找投资者、履行法律程序等步骤,并且需要注意监测和追踪ABS产品的运作情况。
融资工作标准化流程
一、融资准备阶段
1、根据公司项目资金运作需求和远期发展的资金需求为主要目的,结合具体项
目特点,按照资金市场运作形式,确定大体融资工作方向。
2、与金融机构(包括银行、信托以及私募基金等),提供项目可行性报告给金融
机构初审,确定合作意向,并根据金融机构的反馈意见确定融资的方案,包含融资主体、额度、期限、方式和增信措施等。
二、融资谈判阶段
1、房地产开发贷款方式:根据银行的要求提供公司的基本资料、财务资料和项
目资料(包含公司的各项经营证明、近三年的审计报告、项目的可行性报告、“四证”等),与银行协调沟通,进一步完善和细化操作方案。
2、信托方式:协助信托公司完成尽职调查,按信托公司的要求准备资料,根据
项目的具体情况与信托公司设定融资的交易结构,确定融资的利率,明确信托资金的监管方式,进入和退出的方式以及必须具备的条件,并由公司法律顾问评估此过程的相关法律风险。
3、私募基金方式:协助基金公司完成尽职调查,按基金公司的要求准备资料,
与基金公司协商基金的持股比例和基金的回报率,根据项目的具体情况确定基金的监管方式,进入和退出的方式以及必须具备的条件,并由公司法律顾问评估此过程的相关法律风险。
三、融资执行阶段
1、金融机构通过审批后与金融机构签订经法律顾问审核后的相关融资合同。
2、与项目财务部紧密配合,对贷后资金的进行管理和跟踪,还本付息。
总有一天你会渐渐明白,对自己笑的人不一定是真爱,对方表面的伪善是为博取信赖,暗里他可能会伺机将你伤害。
总有一天你会渐渐明白,不是所有人都对你心门敞开,即使你用善良和真心对待,有的人依然会悄悄将你出卖。
总有一天你会渐渐明白,哪怕你拿到了幸福的号码牌,命运之神也不一定对你温柔相待,你的余生仍有可能会被忧伤覆盖。
总有一天你会渐渐明白,人世间每个人都会有孽缘和无奈,有的人不值得你为他付出和慷慨,命中注定的灾祸你想躲也躲不开。
总有一天你会渐渐明白,不管你在人群中出不出彩,不管你对生活认真抑或懈怠,该来的一切总是会因你而来。
总有一天你会渐渐明白,人生总有预料不到的惊喜和意外,纵然你处在绝望的谷底和天台,转身就有可能看到晴天驱走阴霾。
总有一天你会渐渐明白,无论人生之路宽畅还是狭窄,如果你能用勇敢和坦然对待,一切困难都不是前进的阻碍。
天下总有地方是专属于你的舞台,你的江湖你才是真正的主宰,对于前尘和过往少问应不应该,无论何处你都要展现自己的风采。
别去管自己是不是栋梁人才,世上每个人都是特别的存在,无论你踏步于尘世内外,尽力和无悔才是对命运最好的交差。
这段时间,被电视剧《知否》刷屏了。
明兰和顾二叔幸福甜蜜的婚姻,让不少网友唏嘘羡慕,有人说,“这部剧简直就是现代婚姻的教科书。
”
剧中庶女出身,却高嫁侯府,被顾二叔万千宠爱的明兰,把一段很多人都不看好的婚姻,过成了最幸福的样子。
细细思量,与她身上鲜明而独特的三种品质是分不开的。
自信独立,不卑不亢
明兰嫁入侯府后,面对侯府小秦氏等人的挑衅,毫不胆怯。
从巧妙应对顾家长辈的发难,到立院别住、人前立威,明兰都能靠着她的聪慧和果敢,不卑不亢地处理。
屡屡想出面维护明兰的顾廷烨,也被明兰的表现所惊喜到,连小秦氏也只能兀自生气感叹,“我真是小看了这个庶女,能演会装,识字记账都不在话下……”
在大多数女人都靠婚姻才能实现自我价值的宋代,明兰一直就看得通透,这实在难能可贵。
出阁前,她就对祖母说,“若为了在男人面前争一口饭吃,反倒把自己变成面目可憎的疯婆子,这一生多不划算”.结婚后,婢女问她,“若是侯爷心不在了该如何”?她坦然回答,“那我们便只有守住自己。
”
对她而言,爱情,有,则锦上添花,没有,也没有关系。
只要守住自己,亦能守住自己生命中的一方晴空。
这样的女人,不管经历什么,也既能与男人比肩同行,又能独自傲然绽放。
去年很火的《我的前半生》里的罗子君,尽管以前的她穿金戴银,背名牌包,喷贵香水,过着养尊处优的生活,看似很有品位,实际上却恰恰相反。
她所拥有的东西都是因为“陈太太”这个身份得来的,所以一旦失去了这个身份后,她变得一无所有。
后来她终于明白了这样的人生只是美丽的泡沫,浮华的表面,糟糠的内里。
当她努力抛弃这种依附于人的生活后,成为独立的女性后,她的品位也渐渐浮现出来了,连职场精英贺涵都被吸引住了。
正如亦舒在书里也写到的那样,“没有任何人会成为,你以为的今生今世的避风港”.
幸福的婚姻,从来都不是谁攀缘了谁,不是谁滋养了谁,而是两个独立的个体,彼此独立,相互成就。
理解宽容,不急不躁。