融资性担保业务操作流程图
- 格式:docx
- 大小:108.40 KB
- 文档页数:51
企业融资担保业务流程图
企业融资担保业务介绍
恒信投资担保公司热忱为中小企业,专门是高新技术企业提供融资担保服务。
•流淌资金贷款担保
•银行承兑汇票担保
•进出口贸易融资担保
♦申请担保企业的差不多要求♦
•在黑龙江省注册的企业,注册资本不低于人民币100万元
•经营治理完善,财务制度健全
•财务状况良好,有还本付息能力i
•诚实信用,情愿同意本公司的监督i
•能提供必要的,我公司能同意的反担保措施
♦灵活多样的反担保措施♦
•不动产
•动产
•股权
•债权
•经营权
•无形资产
•第三方信用反担保措施
♦企业所需提供的差不多资料♦
•企业简介,产品/项目介绍i
•营业执照复印件
•贷款证复印件
•近期财务报表《企业差不多情形表》
•《托付担保申请书》
注:企业的担保申请正式受理后,须提供《资料清单》所列示的全部资料
♦企业融资担保申请资料清单♦。
---------------------------------------------------------精品文档---------------------------------------------------------------------担保项目审批及保后管理流程申请担保项目经过营销管理委员会审查同意,报风险控制部后即进入风险审查及申请上会程序,分为项目受理、风控调查、项目审批、签约、档案移交和保后管理等六个阶段。
具体流程如下:项目受理不合格阶段合格风控调查阶段项风险控制部按照“担保项目资料清单”所载资料明细接收完整的担保业务资料。
合规性审查召开担保项目审担会:1、项目经理和项目经理助理汇报项目情况;2、风险专审员发表风险审查意见和做财务分析,法务专员发表法律意见,人力资产分析专员发表对企业领导团队评价意见;3、各评委依次提问,项目经理和项目经理助理解答,项目(副)总监协助;4、评委独立填写《审担会委员表决单》。
正式受理,根据需要再到企业实地调查。
撰写《风险审查报告(财务分析)》、《法务报告》、《人力资产分析报告》。
备齐项目上会相关资料:《调查分析评估报告》2份、《风险审查报告(财务分析)》、《法务报告》、《人力资产分析报告》、企业近3年和即期财务报表等。
确定审担会时间,至少在会议召开2日之前通知各审担会委员及其他参会人员,并向委员发送拟审项目资料。
发补充资料通知项目组完成项目调查和撰写报告,营销委审查通过。
---------------------------------------------------------精品文档---------------------------------------------------------------------目审批阶段不同续议意担保是否同意担保不同意担保同意担保复议变更不变更变更签约是否阶段审担会下达《担保项目审批意见通知书》。
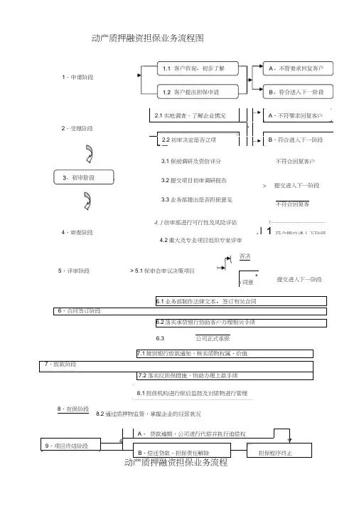
动产质押融资担保业务流程图动产质押融资担保业务流程一、流程概述:申请阶段——受理阶段-—初审阶段-—审查阶段——评审阶段——合同签订阶段--放款阶段——在保阶段—-项目终结二、流程说明:(一)申请阶段:(1个工作日)客户经理接到客户的咨询及担保申请信息(客户、银行、仓库、开发等),主动电话联系或上门拜访,介绍公司动产质押业务的操作流程、操作要求、收费标准、监管要求等,并初步了解企业概况(客户名称、经营地址、经营品种、存放仓库、注册资本,大概融资需求、是否办理贷款卡等),初步确定是否符合担保要求,不符合要求第一时间回复客户,符合要求转入下一程序。
(二)受理阶段:(4个工作日)对意向客户实地调查,了解企业情况,确定是否立项。
主要工作内容有:1、收集客户资料:常规资料:·营业执照·税务登记证(国税、地税)·组织机构代码证·贷款证(卡)·公司章程·验资报告·信用等级证书及评信报告(指定机构)·近三年的审计报告(指定机构)·基本户开户许可证·公司简介·法定代表人及全体股东的身份证复印件(与原件核对)·法定代表人及全体股东的签名(现场鉴证)项目资料:·融资担保审理书(含委托担保申请书、董事会同意申请担保决议书、承诺函)·当期财务报表及附注说明·购货合同·付款凭证、运输凭证·增值税发票·出质物清单2、详细了解企业情况,主要了解如下内容:(1)企业概况:主要包括企业名称、法人代表、企业性质(国有、集体、股份、私营等)、法定地址、注册资金总额、股份的主要构成、生产经营范围、经济核算形式、成立时间、所属行业、职工人数、演变过程、老企业名称、收购(拍买、转让)总价格(其中出资现金金额)、债务转让金额等,属关联企业的还要说明关联企业的有关情况。
1、融资融券申请投资者提交申请证券公司对客户进行业务知识讲解及风险提示后考试进行网上风险测评证券公司受理申请并进行资质审查,信用评级和授信签订合同协议、开立信用证券账户、信用资金账户、提交保证金(先进、可充抵保证金)先进、可充抵2、融资融券交易A、融资买入融资买入标的证券发送追加保证金通知投资者需要在规定时间内追加保证金道警戒线继续持有B、证券卖出融券卖出标的证券发送追加保证金通知投资者需要在规定时间内追加保证金到警戒线继续持有3、融资融券交易结束A、主动结束交易主动结束交易B、被动结束交易主动结束交易不能参与融资融券业务不能参与融资融券业务需要提交的资料(个人);身份证件、普通股东账户、相关收入资产证明、信用证明、历史交易情况等保证金(先进、可充抵保证金)先进、可充抵保证金证券非标的证券交易系统检测账户中保证金可用余额融资买入成交保证金比例跌破维持但保线强行平仓至警戒线或全部平仓非标的证券交易系统检测账户中保证金可用余额融券卖出或成交保证金比例跌破维持但保线强行平仓至警戒线或全部平仓了结融资合约了结融券合约了结融资合约了结融券合约、历史交易情况等无效委托无效委托协议期内持有余额包持续持有或被继续追索无效委托无效委托协议期内持有目前最长不超过6个月(账户计入卖出债券资金、同时计债券负债)余额继续持有或被继续追索卖券还款或直接还款协议有效、协议直至到期买券还款或直接还款协议有效、协议直至到期卖券还款或直接还款买券还款或直接还款。
***担保有限公司融资担保业务流程二O一O年一月***担保有限公司融资担保业务流程目录................................................第一部分融资担保业务操作流程图 (2)第二部分融资担保业务操作流程 (3)第一章客户申请及受理 (3)第二章项目立项 (4)第三章保前尽职调查 (6)第四章风险审查 (8)第五章项目审批及变更 (10)第六章合同起草、审查及签订、公证 (11)第七章放款程序 (13)第八章保后检查 (13)第九章台账登记 (17)第十章资料管理 (18)第十一章代偿及追偿 (18)第十二章项目完结、解保 (20)第十三章资料入库 (21)第三部分附件 (22)第一部分融资担保业务操作流程图第二部分融资担保业务操作流程第一章客户申请与受理第一条融资担保部是接受客户委托担保申请的受理部门。
第二条融资担保部接受客户业务咨询,并就担保有关事项、要求和承诺与客户进行沟通,达成初步意向。
第三条客户提出委托担保申请时应当提交的资料包括:证明客户主体资格的相关证件、会计报表或有关填报数据、与借款和反担保有关的证明材料等。
第四条融资担保部部门负责人应组织项目经理根据客户提交的申请材料,按照第八条规定的受理条件进行初审。
符合受理条件的,方可通知客户,备齐相关资料并填制《担保业务立项审批表》报送立项部。
第五条对初审后不予受理的委托担保申请,融资担保部应及时告知申保客户并陈述原因,业务即行终止。
第六条融资担保部应当在收到客户申请之日起2个工作日内作出受理或不予受理的决议。
第七条融资担保部应做好不予受理申请的备案工作。
第八条委托担保申请受理条件:1、申保企业按照公司要求提供了规定的证明文件和材料.2、申保企业生产经营正常,目前未涉及刑事或经济诉讼案件,申请担保期间内具备可持续发展能力.3、申请担保的资金在用途上不存在违规违法风险。
4、所属行业符合国家产业政策、信贷政策要求导向,不属于“三高一低”和其他国家或银行整顿、限制的行业。
担保公司担保业务操作流程担保公司担保业务操作流程担保业务操作流程(1)第一章总则第一条为保证担保业务的规范化、制度化和程序化,防范和控制担保风险,特制定本流程。
第二条担保业务应遵守国家的法律、法规,遵循自愿、公平、诚实信用和合理分担风险的原则。
第二章担保业务程序第三条担保业务程序如下:(1) 企业申请(2) 担保受理(3) 项目初审(4) 项目评审(5) 签订合同(6) 抵押登记(7) 担保收费(8) 发放贷款(9) 保后管理(10) 代偿和追偿(11) 担保终结第四条担保业务程序细化列示:企业申请-《委托担保申报表》- 企业提供担保申请材料担保受理-《担保项目受理登记表》项目初审- 确定第一调查人、第二调查人- 项目初审基本内容- 实地调查- 担保调查报告-《担保项目处理表》项目评审- 资信评估部- 复议项目评审签订合同-《同意担保通知函》- 准备空白合同文本(借款合同、担保合同、反担保合同)- 审核空白合同文本(担保部、综合部、律师、总经理),填写《合同审核表》- 正式签订合同,填写《合同登记表》- 填《担保费认缴单》抵押登记- 准备抵(质)押登记资料,包括主合同、担保合同、反担保合同及其他资料。
- 他项权力证书或抵(质)押登记表(登记机关签章)发放贷款-《担保贷款业务联系单》- 复印借款借据担保收费保后管理- 日常检查、重点检查-《担保项目检查表》- 保后检查报告-《担保到期通知函》- 担保项目展期(逾期)报告- 业务档案管理代偿和追偿- 代偿和追偿方案- 提起法律诉讼担保终结- 还贷收据复印件- 注销抵(质)押登记- 退还抵押、代管原件-《免除担保责任确认表》担保收费保后管理- 日常检查、重点检查-《担保项目检查表》- 保后检查报告-《担保到期通知函》- 担保项目展期(逾期)报告- 业务档案管理代偿和追偿- 代偿和追偿方案- 提起法律诉讼担保终结- 还贷收据复印件- 注销抵(质)押登记- 退还抵押、代管原件-《免除担保责任确认表》(三)反担保方式为抵押或质押,应提供的材料为:1、抵押物、质物清单;2、抵押物、质物权力凭证;3、抵押物、质物评估资料;4、保险单;5、董事会同意抵押、质押的决议;6、抵押物、质物为共有的,提供全体共有人同意抵押的声明;7、抵押物、质物为海关监管的,提供海关同意抵押或质押的证明;8、抵押物、质物为国有企业,提供主管部门及国有资产管理部门同意抵押或质押的证明;9、其他有关资料。
担保业务操作流程(1)第一章总则第一条为保证担保业务的规范化、制度化和程序化,防范和控制担保风险,特制定本流程。
第二条担保业务应遵守国家的法律、法规,遵循自愿、公平、诚实信用和合理分担风险的原则。
第二章担保业务程序第三条担保业务程序如下:(1) 企业申请(2) 担保受理(3) 项目初审(4) 项目评审(5) 签订合同(6) 抵押登记(7) 担保收费(8) 发放贷款(9) 保后管理(10) 代偿和追偿(11) 担保终结担保公司业务流程图要求:企业提供《贷款申请书》并准备相关资料责任人:担保业务部目的:判断企业是否符合担保条件要求:完成企业资料的审查责任人:项目经理2、担保业务部对申保企业进行初审企业不符合担保要求、书面回复企业担保责任自动解除担保公司履行代偿责任制定追偿计划,实施追偿担保业务程序细化列示:企业申请-《委托担保合同》- 企业提供担保申请材料担保受理-《担保项目受理登记表》项目初审- 确定第一调查人、第二调查人- 项目初审基本内容- 实地调查- 担保调查报告-《担保项目处理表》项目评审- 资信评估部- 复议项目评审签订合同-《同意担保通知函》- 准备空白合同文本(借款合同、担保合同、反担保合同)- 审核空白合同文本(担保部、综合部、律师、总经理),填写《合同审核表》- 正式签订合同,填写《合同登记表》- 填《担保费认缴单》抵押登记- 准备抵(质)押登记资料,包括主合同、担保合同、反担保合同及其他资料。
- 他项权力证书或抵(质)押登记表(登记机关签章)发放贷款-《担保贷款业务联系单》- 复印借款借据担保收费保后管理- 日常检查、重点检查-《担保项目检查表》- 保后检查报告-《担保到期通知函》- 担保项目展期(逾期)报告- 业务档案管理代偿和追偿- 代偿和追偿方案- 提起法律诉讼担保终结- 还贷收据复印件- 注销抵(质)押登记- 退还抵押、代管原件-《免除担保责任确认表》担保收费保后管理- 日常检查、重点检查-《担保项目检查表》- 保后检查报告-《担保到期通知函》- 担保项目展期(逾期)报告- 业务档案管理代偿和追偿- 代偿和追偿方案- 提起法律诉讼担保终结- 还贷收据复印件- 注销抵(质)押登记- 退还抵押、代管原件-《免除担保责任确认表》(三)反担保方式为抵押或质押,应提供的材料为:1、抵押物、质物清单;2、抵押物、质物权力凭证;3、抵押物、质物评估资料;4、保险单;5、董事会同意抵押、质押的决议;6、抵押物、质物为共有的,提供全体共有人同意抵押的声明;7、抵押物、质物为海关监管的,提供海关同意抵押或质押的证明;8、抵押物、质物为国有企业,提供主管部门及国有资产管理部门同意抵押或质押的证明;9、其他有关资料。
动产质押融资担保业务流程图4.2重大及专业项目组织专家评审6.1业务部制作法律文本,签订有关合同6、合同签订阶段6.2落实承贷银行协助客户办理相关手续7.1接到银行放款通知,核实质物权属、价值7、放款阶段\ ___________ _______________.7.2落实反担保措施,协助办理上款手续尸8.1担保机构进行保后监控及对质物进行管理\ ____________________________________________________________ _____________________________________8.2通过质押物监管,掌握企业的经营状况A 、 贷款逾期,公司进行代偿并执行追偿权4 1 F 9、项目终结阶段广 X. J B 、偿还贷款、担保责任解除 担保程序终止动产质押融资担保业务流程1、申请阶段2、受理阶段 r 2.1实地调查,了解企业情况―► r >A 、不符要求回复客户 L d *■f ------------------------------------------------------------- ]2.2初审决定是否立项 ■ —―► B 、符合进入下一阶段 1 」 3.1保前调研及资信评分3.2提交项目初审调研报告3.3业务部提出是否担保意见4.1信审部进行可行性及风险评估不符合回复客户 > 提交进入下一阶段 不符合回复客4、审查阶段f ------------------------------------- J 1符合提交进入下阶段 5、评审阶段> 5.1保审会审议决策项目 否决■'I 同意 提交进入下一阶段6.3公司正式承保8、在保阶段一、流程概述:申请阶段——受理阶段——初审阶段——审查阶段——评审阶段——合同签订阶段——放款阶段——在保阶段——项目终结二、流程说明:(一)申请阶段:(1 个工作日)客户经理接到客户的咨询及担保申请信息(客户、银行、仓库、开发等),主动电话联系或上门拜访,介绍公司动产质押业务的操作流程、操作要求、收费标准、监管要求等,并初步了解企业概况(客户名称、经营地址、经营品种、存放仓库、注册资本,大概融资需求、是否办理贷款卡等),初步确定是否符合担保要求,不符合要求第一时间回复客户,符合要求转入下一程序。