单层厂房设计示例a柱内力组合
- 格式:xls
- 大小:41.50 KB
- 文档页数:4
《单层工业厂房》课程设计预制混凝土牛腿柱设计姓名:--------------学号:-------------班级:-------------指导教师:----------单层工业厂房预制混凝土牛腿柱课程设计一、设计任务本工程为某单层单跨工业产房,无抗震设防要求。
跨度为27m,长度为90m,柱距为15 m。
选用二台20/5t软钩吊车,起重机总质量30.5t的A5工作级别桥式吊车,吊车轨顶标高为9.000m,厂房柱采用钢筋混凝土结构,混凝土强度等级为C30,采用HRB335级钢筋。
恒载部分:仅计入屋盖自重设计值(6 m=300kN、9 m=450 kN、12 m=600kN、15m=750 kN)、吊车梁自重(轨道及零件重标准值为0.8 kN/m)、柱自重。
纵向维护墙为支撑在基础梁上的自承重空心砖砌体墙,厚240mm,双面粉刷,排架柱外侧伸出拉结筋与其相连。
二、柱截面尺寸与高度的确定基础采用单独杯形基础,已知轨顶标高为+9.000m,拟室内标高为相对标高零点,室外地坪标高为—0.100m,基础顶面标高-1.100m,柱子插入杯口深度为900mm。
吊车梁采用图12-64(b),高为1.2m,取轨道顶面至吊车梁顶面距离为0.2m,屋架下弦至吊车顶距离0.2m。
查附录12,吊车轨顶至吊车顶部高度为2.3m,柱子尺寸:(1)、柱子高度:从基础顶面算起柱高=11.5+1.1=12.6m;上柱高H U=11.5-7.6=3.9m下柱高H L=12.6-3.9=8.7m柱总高=12.6+0.9=13.5m;(2)、柱截面形式和尺寸:上柱采用矩形截面b x h=400mm x400mm下柱采用I形截面b f x h x b x h f=400x900x100x150.三、柱网及计算单元(1)定位轴线B1:由附表12可查得轨道中心线至吊车端部距离为260mm;B2:吊车桥架至上柱内边缘距离,一般取B2大于80mm;B3:封闭的纵向定位轴线至上柱内边缘的距离,为400mm;B1+B2+B3=740mm<750mm,满足要求;厂房全长90m,小于所要求的最小变形缝间距100m,无抗震设计要求,结合实际,可不设变形缝。
单层工业厂房课程设计一、 工程名称二、 设计资料某单层单跨钢筋混凝土装配车间跨度21米,长72米,柱距6米; ① 建筑地点:杭州市境内② 车间所在场地,地坪下0.7米内为杂填土,填土下层3米内为亚粘土,地基容许承载力标准值2/200m kN f k =,地下水位-1.5米,该地区历年最大冻深为0.5米,地下水及土质无腐蚀性。
基本风压20/45.0m kN W =,基本雪压20/45.0m kN S =。
屋面活荷载为0.5kN/m 2。
三、 结构构件选型及柱截面尺寸确定因该厂房跨度为21m ,在15~36m 之间,且柱顶标高大于8m ,故采用钢筋混凝土排架结构。
为了使屋盖具有较大刚度,选用预应力混凝土折线屋架及预应力混凝土屋面板。
选用钢筋混凝土吊车梁及基础梁。
厂房各主要构件选型见下表:主要承重构件选型表四、排架的荷载计算1.排架计算简图的确定(1)确定柱高。
牛腿标高=7.2m柱顶标高=10.5m吊车梁顶标高=吊车梁高+牛腿标高=1.2+7.2=8.4m轨顶标高=吊车梁顶标高+轨道构造高度=8.4+0.2=8.6m上柱高H u=柱顶标高--牛腿标高=10.5-7.2=3.3m全柱高H=柱顶标高—基顶标高=10.5-(-0.5)=11m下柱高H l=H--H u=11-3.3=7.7m,λ= H u/H=3.3/11=0.3(2)初步拟订柱尺寸根据表一的参考尺寸,取上柱b×h=400mm×400mm, 下柱b×h×h f=900mm×400mm ×200mm,截面尺寸如图所示。
(3)参数计算 上柱: 493102.133********1mm I u ⨯=⨯⨯= 下柱:36/150254 -650100121650400121900400121I 3333L ⨯⨯⨯⨯+⨯⨯-⨯⨯=410102.532mm ⨯=比值:0.0842==l uI I n排架计算简图如图(6)2.荷载计算 (1)恒载计算。
单层厂房结构课程设计实例1.结构构件选型及柱截面尺寸确定因该厂房跨度在15~36m之间,且柱顶标高大于8m,故采用钢筋混凝土排架结构。
为了使屋2.屋面活荷载 屋面活荷载标准值为20.5kN/m ,雪荷载标准值为20.4kN/m ,后者小于前者,故仅按前者计算。
作用于柱顶的屋面活荷载设计值为: .8kN 3718/2m 6m kN/m5.04.121=⨯⨯⨯=Q1Q 的作用位置与1G 作用位置相同,如图2-56所示。
3.风荷载 风荷载的标准值按0s z z k w w μμβ=计算,其中20kN/m5.0=w ,0.1=z β,z μ根据厂房各部分标高(图2-54)及B 类地面粗糙度确定如下: 柱顶(标高9.6m ) 000.1z =μ 檐口(标高11.75m ) 049.1z =μ 屋顶(标高12.80m ) 078.1z =μsμ如图2-57所示,则由上式可得排架迎风面及背风面的风荷载标准值分别为:220s1z z k /4.00.5kN/m1.00.81.0mkN w w =⨯⨯⨯==μμβ220s2z z 2k /2.00.5kN/m1.00.41.0mkN w w =⨯⨯⨯==μμβ6m 1200F pmax 0.80.1334000F pmax 0.3331.06m4000F pmax =174KNF pmax1112⎪⎫ ⎛--λ310.011181113411=⎥⎦⎤⎢⎣⎡⎪⎭⎫ ⎝⎛-+⎥⎦⎢⎣⎪⎭⎫ ⎝⎛-+=n n C λλ)( kN 52.100.3110.1m -3.36kN/m 111A ←-=⨯⨯=-=HC q R)( kN 52.100.3110.1m kN/m 112C ←-=⨯⨯-=HC q R)( 26.67kN 10.89kN5.26kN kN 52.10W C A ←-=---=++=F R R R各柱顶的剪力分别为)( 3.13kN 26.67kN 0.277kN 52.10A A A ←-=⨯+-=-=R R V η )( .89kN 1126.67kN 0.446B B →=⨯==R V η)( 2.13kN 26.67kN 0.277kN 26.5C C C →=⨯+-=-=R R V η排架内力如图2-62b 所示q 1BF wq 2CBC10.50139.7642.80120.0918.5519.10107.2011.8930.81(a) (b)图2-62 左吹风时排架内力图(2)右吹风时计算简图如图2-63a 所示。
焊接车间单跨单层厂房建设结构设计一、结设计资料1.1 工程概况某工厂拟建一个焊接车间,根据工艺布置的要求,车间为单跨单层厂房,跨度为18m,设吊车15/3t、20/5t吊车各一台,两台吊车工作级别均为A5,厂房不设天窗,地面工作级别为B类。
1.2 结构设计资料a 自然条件基本雪压:0.5kN/m2。
基本风压:0.3kN/m2。
屋面活载:0.5 kN/m2。
抗震设防烈度:该工程位于非地震区,故不需抗震设防。
b 地质条件场地平坦,地面以下0~1.5m为素填土层,1.5m以下为粉质粘土层,ηb=0.3,ηd=1.5。
该土层ƒak =230 kN/m2,Es=8.9MPa,场地地下水位较低,可不考虑其对地基的影响。
1.3建筑设计资料屋面:采用25mm卷材防水屋面,0.3kN/m2,不设保温层,不考虑积灰荷载。
围护墙:采用240mm厚蒸压粉煤灰砖墙,16kN/m3。
外墙为水刷石,0.5kN/m2。
内墙为混合灰砂浆抹面,0.34kN/m2。
门窗:钢门、钢窗,0.45kN/m2。
地面:采用150厚C15素混凝土地面,室内外高差为300mm。
1.4 吊车资料表1 吊车参数1.5 材料a 柱混凝土取C30,主筋用HRB400,箍筋选用HPB235。
b 基础混凝土选用C25,钢筋选用HPB235或HRB335。
二、结构选型2.1 确定屋面做法APP改性沥青防水层20厚水泥砂浆找平层100厚水泥蛭石保温层APP改性沥青隔气层20厚水泥砂浆找平层预应力混凝土大型屋面板围护结构:240mm厚蒸压粉煤灰砖墙,柱距范围内塑钢窗宽度3.6m。
2.2 屋面板选型APP改性沥青防水层 0.3kN/m220厚水泥砂浆找平层 20kN/m3×0.02m=0.4kN/m2100厚水泥蛭石保温层 5kN/m3×0.1m=0.5kN/m2APP改性沥青隔气层 0.05kN/m220厚水泥砂浆找平层 20kN/m3×0.02m=0.4kN/m2——————————————————————————————————共计G1.65kN/m21屋面活荷载为0.5kN/m2,雪荷载为0.5kN/m2。
单层单跨厂房排架结构设计 一设计内容和条件 某厂装配车间,该车间为单跨厂房,柱距距为6米,厂房纵向长度为96米,跨度为27米,15/3t 中级工作制吊车二台,牛腿面标高9.00米,柱顶标高为13米。
设计条件1屋面活荷载:2/5.0M KN q =,不考虑积灰荷载,雪荷载2/25.0M KN q = 2基本风压: 20/40.0M KN W = 3屋面做法三毡四油:2/35.0M KN20mm 水泥砂浆找平层2/4.0M KN 合计21/75.0M KN g g k ==∑屋面活荷载:2/5.0M KN q =屋面板采用G410标准图集6.15.1⨯m 预应力混泥土屋面板(卷材防水) 允许外荷载:2/5.2M KN(板自重:22/40.1M KN g k = 灌缝重:23/1.0M KN g k =)大型屋面板(包括填缝2/50.1M KN屋架:屋架自重24/133M KN g k = 则KN g g g G k k k k k 75.2485.0g 2)(43211=⨯+⨯⨯++=厂房跨度柱距 4采用370mm 厚烧结粘土空心砖(重度2/8M KN )吊车梁以上设高侧窗,洞口尺寸为8.12.4⨯m,吊车梁以下设低侧窗,洞口尺寸42.4⨯⨯高宽m ,圈梁设在柱顶处。
5排架柱:混泥土C30 钢筋:纵向受力钢筋HRB400级 箍筋:HPB235级 柱下独立基础:混泥土:C20,钢筋:HRB335级 6吊车:Q15/3t 桥式吊车 中级工作制吊车梁:先张法预应力混泥土吊车梁,自重根/5.47KN 轨道及联结重量M KN /5.1 桥跨:m L k 5.25= 桥宽:m B 6400= 轮距:mm K 5250=小车重:KN g 74= 最大轮压:KN P 195max = 最小轮压:KN P 60min =7柱高:柱顶H=13m 檐口=15.1m 屋顶=17。
35m 二荷载及内力计算 1柱截面尺寸的确定Q 在15~20t 之间:m H m k 1210<<,由于是单跨结构,结构形式对称,因此A 、B 柱截面尺寸相同。
1XX钢筋混凝土装配式单层单跨厂房设计一、设计资料:1、工程情况:本工程为某城市郊区某铸造车间,无抗震设防要求。
工艺要求为一单跨单层厂房,跨度为18m,长度为66m,柱距为6m。
选用二台Q=150/30kN的中级工作制桥式吊车,吊车轨顶标高为9.2m,由于散热要求需设置天窗和挡风板。
厂房采用钢筋混凝土装配式结构。
2、工程地质情况:由勘探资料得知天然地面下1.2m处为褐黄色粘土老土层,可作为基础的持力层,该层土修正后的地基承载力特征值f a为105kN/m2。
初见地下水位在天然地面下0.7m(标高为-0.85m)处,无侵蚀性。
345、土:柱用C20 6吊车轨道联结[G159]二、结构选型:选用的结构形式:1、 屋面板:选自[G410㈠],见图20板重:1.3kN/m 2(沿斜面)嵌缝重:0.1kN/m 2(沿斜面) 2、 天沟板:选自[G410㈢],见图21 3、 天沟重(包括水重):17.4kN/根 4、5、 预[G415㈠]榀屋架重图236、 7、 8910a )b )×150mm ,1、恒载(1(防水层+隔气层)自重2/35.0m kNmm 20厚水泥砂浆找平层33/40.002.0/20m kN m m kN =⨯预应力混凝土屋面板(包括灌缝)2/40.1m kN 屋盖钢支撑2/05.0m kN 天窗架kN 7.37天沟重(包括水重)根/4.17kN屋架重力荷载为榀/5.60kN ,则作用于柱顶的屋盖结构重力荷载设计值: (2)吊车梁及轨道重力荷载设计值: (3)柱自重重力荷载设计值:上柱kN m m kN G G B A 28.176.3/42.144=⨯⨯== 下柱kN m m kN G G B A 76.444.8/44.42.155=⨯⨯== 2、屋面活荷载屋面活荷载标准值为2/5.0m kN ,学荷载标准值为2/2.0m kN ,后者大于前者,故仅按前者计算。
1Q 3k ω=按4150/30kN p max ,的平衡关系:g Q G F F p p ++=+)(2min ,max ,得:kN F p 5.65min ,=。
某单层工业厂房设计一、设计资料某机械加工车间为单层单跨等高厂房,跨度为30m,柱距6m,车间总长60m,无天窗。
设有两台10t相同的软钩吊车,吊车工作级别为A5级,轨顶标高+11.4m。
采用钢屋盖、预制钢筋混凝土柱、预制钢筋混凝土吊车梁和柱下独立基础。
屋面不上人。
室内外高差为0.15m,基础顶面离室外地平为1.0m。
纵向围护墙为支承在基础梁上的自承重空心砖砌体墙,厚240mm,双面采用20mm厚水泥砂浆粉刷,墙上有上、下钢框玻璃窗,窗宽为3.6m,上、下窗高为1.8m和4.8m,钢窗自重0.45kN/m2,排架柱外侧伸出拉结筋与其相连。
基本风压值W0=0.3kN/m2,地面粗糙类别为B类;基本雪压为0.2 kN/m2,雪荷载的准永久值系数ψq=0.5;地基承载力特征值为200kN/m2。
不考虑抗震设防。
二、构件选型(一)钢屋盖采用如图1所示的30m钢桁架,桁架端部高为1.5m,中央高度为3.0m,屋面坡度为1/10。
刚檩条长6m,屋面板采用彩色钢板,厚4mm。
图1 30m钢桁架(二)预制钢筋混凝土吊车梁和轨道连接采用标准图G323(二),中间跨DL—9Z,边跨DL—9B,梁高hb=1.2m。
轨道连接采用标准图集G325(二)。
查标准图集《04G323-2钢筋混凝土吊车梁(工作级别A4、A5)》,预制钢筋混凝土吊车梁截面及尺寸如图2所示。
图2 预制钢筋混凝土吊车梁截面查标准图集《04G325吊车轨道联结及车档》,轨道连接剖面图如图3所示。
图3 轨道连接剖面图(三)预制钢筋混凝土柱预制钢筋混凝土柱示意图如图4所示。
图4预制钢筋混凝土柱取轨道顶面至吊车梁顶面距离h a=0.2m,故牛腿顶面标高=轨顶标高-吊车梁高度 -轨顶至吊车梁顶高度。
由附录12查得,吊车轨顶至吊车顶部的高度为2.19m,考虑到屋架下弦及支撑可能产生的下垂挠度,以及厂房地基可能产生不均匀沉降时对吊车正常运行的影响,屋架下弦至吊车顶部所需空隙高度最小尺寸为220mm,故柱顶标高 轨顶标高 吊车轨至吊车顶部高 屋架下弦至吊车顶高 。
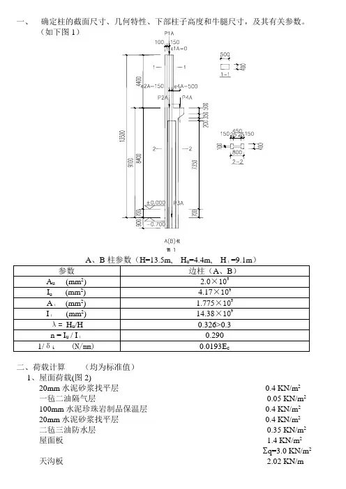
一、确定柱的截面尺寸、几何特性、下部柱子高度和牛腿尺寸,及其有关参数。
(如下图1)二、荷载计算(均为标准值)1、屋面荷载(图2)20mm水泥砂浆找平层0.4 KN/m2一毡二油隔气层0.05 KN/m2 100mm水泥珍珠岩制品保温层0.4 KN/m220mm水泥砂浆找平层0.4 KN/m2二毡三油防水层0.35 KN/m2屋面板 1.4 KN/m2Σq=3.0 KN/m2天沟板 2.02 KN/m此外,屋架自重为106.0KN/榀,天窗架2×36KN/榀,天窗端壁 2×57KN/榀P1A=P1B=3.0×6×(12+0.77)+106/2+36+57+2.02×6=387.98KNM1A=M1B=0M2A=M2B= P1A×e2A=387.98×0.15=193.99KN.2、屋面活载(图3)屋面活载取 0.5KN/m2P1A=P1B=0.5×6×(12+0.77)=38.31KNM1A=M1B=0M2A=M2B= P1A×e2A=38.31×0.15=5.75KN.3P2A=P2B=0.4×0.5×4.4×25=22KNM2A=M2B= P2A×e2A=22×0.15=3.3KN.mP3A=P3B=[(7.35+0.7)×0.1775+(1.05×0.8×0.4)+(0.4×0.35×0.5)+(0.352×0.4)/2]×25=46.48KN4、吊车轨道连接及吊车梁自重(图5)P4A=P4B=44.2+1×6=50.2KNM4A=M4B= P4A×4A=50.2×0.5=25.1KN.m5设有20/5t和30/5t吊车各一台D max=290×(1+0.2)+215×(0.058+0.792)=530.75KND min=70×(1+0.2)+45×(0.058+0.792)=122.25KND max在A柱:P4A = D max =530.75KNM4A = P4A×e4A =530.75×0.5=265.38KN.mP4B = D min =122.25KNM4B = P4B×e4B =122.25×0.5=61.13KN.mD max在B柱:P4B = D max =530.75KNM4B = P4B×e4B =530.75×0.5=265.38KN.mP4A = D min =122.25KNM4A = P4A×e4A =122.25×0.5=61.13KN.m②水平荷载横向水平荷载(a=0.1)20/5t吊车一个轮子横向水平制动力 T20=0.1×(200+78)/4=6.95KN30/5t吊车一个轮子横向水平制动力 T30=0.1×(300+118)/4=10.45KN 当一台30/5t吊车作用时:T max=10.45×(1+0.2)=12.54KN当一台30/5t和20/5t吊车共同作用时:T max=10.45×(1+0.2)+6.95×(0.792+0.058)=18.45KN 纵向水平荷载不参与横向排架结构内力分析6、风荷载基本风压W o=0.55 KN/m22q1k=2.8KN/mq2k=1.75KN/mF wk=(3.19+2)×2.3+(-0.8+2.4)×1.19+(2.4+2.4)×2.67=26.66KN7、荷载汇总三、各荷载作用下的排架内力(A柱)四、排架内力组合(A柱)如下表:A: 1.2×恒载效应标准值+0.9×1.4×(活+吊车+风)荷载效应标准值B: 1.2×恒载效应标准值+0.9×1.4×(吊车+风)荷载效应标准值五、柱的配筋计算(A柱)1、材料:混凝土C30,f c=14.3N/mm2, f tk=2.01N/mm2, f t=1.43N/mm2钢筋(HRB335), f y=f y′=300N/mm2, E s=2.0×105N/mm2箍筋 (HPB235), f y=210N/mm2, E s=2.0×105N/mm22、柱截面参数:①上柱Ⅰ-Ⅰ截面b=400mm,h=500mm,a==a′=40mm,h o=460mm,A c=2.0×105mm2, ξb=0.55求得大小偏心受压破坏界限时的轴力N b,用以判断截面的大小偏心受压情况,选择最不利的荷载组合。
四、内力组合在采用标准组合时,也可参照承载力极限状态的基本组合,采用简化规则,但各项系数为1。
关于荷载的组合系数,风荷载:0.6,其它0.7。
准永久值系数:风:0。
屋面活荷载:不上人:0;上人:0.4;吊车:0.6。
四台吊车转换系数0.8/0.9。
说明:控制截面:上柱底I-I 、下柱顶II-II 、下柱底III-III 。
每一个控制截面均进行基本组合,用于柱配筋计算和基础设计;标准组合:用于柱裂缝宽度验算和地基承载力设计。
由于地质条件较好,本题不进行地基变形验算,否则还应增加III-III 截面的准永久组合。
基本组合采用的荷载组合方式用规范给出的简化组合方式,即: (1) 恒荷载+0.9(任意两个或者两个以上活荷载之和) (2) 恒载+任意活载标准组合,也可采用上述的基本组合规则,但荷载的分项系数均为1.0。
最不利内力:VM N V M N V N M VN M MIN MAX MAX MAX 、及相应的、及相应的、及相应的、及相应的-+祥见例表-3。
五、柱截面设计 A 柱截面设计砼:强度等级C25(f c =11.9N/MM 2,f t =1.27N/MM 2),B ξ=0.55 上柱: 9.1146550055.010⨯⨯⨯==αξc b b bf h N =1521.71KN 下柱:mm h 12653513000=-=75.6951265*55.000==h ξ 在腹板范围内KNbf h f b b h N c b c f f b 2.13189.1175.659100112)100500()(101=⨯⨯+⨯-=+-''=αξα上柱高3.5m,下柱高8.55m ,总高12.05m ,柱截面尺寸见表,确定柱的计算长度。
排架方向:当考虑吊车荷载时上柱: 下柱:m H l L l 55.80.1== 当不考虑吊车荷载时上柱 下柱:m H l L l 12.1505.1225.125.1=⨯== 垂直于排架方向:(按无柱间支撑) 当考虑吊车荷载时m H l U u 0.75.30.20.2=⨯==m H l U u 0.75.30.20.2=⨯==上柱: 下柱 m H l L l 55.80.1== 当不考虑吊车荷载时上柱:下柱m Hu l l 25.55.1== 下柱:m H l l 46.1405.122.12.1=⨯==该厂房工作环境属一类环境,预制构件砼保护层。
《单层工业厂房混凝土排架课程设计》1.1 柱截面尺寸确定由图2可知柱顶标高为12.4 m,牛腿顶面标高为8.6m ,设室内地面至基础顶面的距离为0.5m ,则计算简图中柱的总高度H、下柱高度H、上柱高度Hu分l别为:H=12.4m+0.5m=12.9m,H=8.6m+0.5m=9.1mlHu=12.9m-9.1m=3.8m根据柱的高度、吊车起重量及工作级别等条件,可由表2.4.2并参考表2.4.4确定柱截面尺寸,见表1。
本例仅取一榀排架进行计算,计算单元和计算简图如图1所示。
1.2 荷载计算1.2.1 恒载(1).屋盖恒载:两毡三油防水层0.35KN/m220mm厚水泥砂浆找平层20×0.02=0.4 KN/m2100mm厚水泥膨胀珍珠岩保温层4×0.1=0.4 KN/m2一毡二油隔气层0.05 KN/m215mm厚水泥砂浆找平层;20×0.015=0.3 KN/m2预应力混凝土屋面板(包括灌缝) 1.4 KN/m22.900 KN/m2天窗架重力荷载为2×36 KN /榀,天沟板2.02 KN/m,天沟防水层、找平层、找坡层1.5 KN/m,屋架重力荷载为106 KN /榀,则作用于柱顶的屋盖结构重力荷载设计值为:G1=1.2×(2.90 KN/m2×6m×24m/2+2×36 KN/2+2.02 KN/m×6m +1.5 KN/m×6m+106 KN/2) =382.70 KN(2) 吊车梁及轨道重力荷载设计值:G3=1.2×(44.2kN+1.0KN/m×6m)=50.20 KN(3)柱自重重力荷载设计值:上柱 G 4A = G 4B =1.2×4kN/m ×3.8m =18.24 KN 下柱 G 5A = G 5B =1.2×4.69kN/m ×9.1m =51.21KN各项恒载作用位置如图2所示。
3.9单层厂房排架结构设计实例A Design of Example for Mill Bents of One-story Industrial Workshops3.9.1 设计资料及要求1.工程概况某机修车间为单跨厂房,跨度为24m,柱距均为6m,车间总长度为66m。
每跨设有起重量为20/5t吊车各2台,吊车工作级别为A5级,轨顶标高不小于9.60m。
厂房无天窗,采用卷材防水屋面,围护墙为240mm厚双面清水砖墙,采用钢门窗,钢窗宽度为3. 6m,室内外高差为l50mm,素混凝土地面。
建筑平面及剖面分别如图3-76和图3-77所示。
图3-76图3-772.结构设计原始资料厂房所在地点的基本风压为2/35.0m kN ,地面粗糙度为B 类;基本雪压为。
.2/30.0m kN 。
风荷载的组合值系数为0.6,其余可变荷载的组合值系数均为0 7。
土壤冻结深度为0.3m ,建筑场地为I 级非自重湿陷性黄土,地基承载力特征值为l65kN/m :,地下水位于地面以下7m ,不考虑抗震设防。
3.材料基础混凝土强度等级为C20;柱混凝土强度等级为C30。
纵向受力钢筋采用HRB335级、HRB400级;箍筋和分布钢筋采用HPB235级。
4.设计要求分析厂房排架内力,并进行排架柱和基础的设计;3.9.2 构件选型及柱截面尺寸确定因该厂房跨度在l5-36m 之间,且柱顶标高大于8m ,故采用钢筋混凝土排架结构。
为了保证屋盖的整体性和刚度,屋盖采用无檩体系。
由于厂房屋面采用卷材防水做法,故选用屋面坡度较小而经济指标较好的预应力混凝土折线形屋架及预应力混凝土屋面板。
普通钢筋混凝土吊车粱制作方便,当吊车起重量不大时,有较好的经济指标,故选用普通钢筋混凝土吊车粱。
厂房各主要构件造型见表3-16。
由设计资料可知,吊车轨顶标高为9. 80m 。
对起重量为20/5t 、工作级别为A5的吊车,当厂房跨度为24m 时,可求得吊车的跨度k L =24-0. 75×2=22. 5m ,由附表4可查得吊车轨顶以上高度为2.3m;选定吊车梁的高度b h =1.20m ,暂取轨道顶面至吊车梁顶面的距离a h =0.2m ,则牛腿顶面标高可按下式计算:牛腿顶面标高=轨顶标高-b h -a h =9.60-1.20-0.20=8.20m由建筑模数的要求,故牛腿顶面标高取为8. 40m 。
单层混凝土工业厂房设计示例一、设计条件及要求 1.设计条件某双跨等高金工车间,厂房长度60m ,柱距为6m ,不设天窗。
跨度分别为18m 和15m ,其中18m 跨设有两台32t 中级载荷状态桥式吊车;15m 跨设有两台10t 中级载荷状态桥式吊车。
吊车采用大连起重机厂“85系列95确认”的桥式吊车,轨顶标志高度均为为7.8m 。
厂房围护墙厚240,下部窗台标高为1.2m ,窗洞4.8m ×3.6m ;中部窗台标高为6.3m ,窗洞4.8m ×1.5m ;上部窗台标高为9.6m ,窗洞4.8m ×1.2m 。
采用钢窗。
室内外高差为0.30m 。
屋面采用大型屋面板,卷材防水(两毡三油防水屋面),为非上人屋面。
厂房所在地的地面粗糙度为B 类,基本风压w 0=0.35kN/m 2,组合值系数ψc =0.6;基本雪压S 0=0.4kN/m 2,组合值系数ψc =0.6。
基础持力层为粉土,埋深为-2.0m ,粘粒含量ρc =0.8,地基承载力特征值f ak =140kN/m 2,基底以上土的加权平均重度γm =17kN/m 3、基底以下土的重度γ=18kN/m 3。
排架柱拟采用C30砼,基础采用C20砼;柱中受力钢筋采用HRP335钢,箍筋、构造筋、基础配筋采用HPB235钢。
2.设计要求除排架柱、抗风柱和基础外,其余构件均选用标准图集。
设计内容包括:(1)选择厂房结构方案, 进行平面、剖面设计和结构构件的选型; (2)设计中柱及柱下单独基础;(3)绘制施工图,包括结构平面布置图、排架(中)柱的模板图和配筋图等。
二、 结构方案设计 1.厂房平面设计厂房的平面设计包括确定柱网尺寸、排架柱与定位轴线的关系和设置变形缝。
柱距为6m ,横向定位轴线用①、②…表示,间距取为6m ;纵向定位轴线用(A )、(B )(C )表示,间距取等于跨度,即(A )~(B )轴线的间距为18m ,(B )~(C )轴线的间距为15m 。
混凝土结构课程设计任务书单层厂房设计1、设计资料(1)、平面图和剖面图:某金工车间为两跨等高厂房,跨度均为18m,柱距均为6m,车间总长度为72m。
每跨设有200/50kN吊车各两台,吊车工作级别为A5级,轨顶标高为7.8m,柱顶标高为10.5m。
车间平面图和剖面图分别见如下图示。
厂房剖面图(2)、建筑构造:屋面:SBS卷材防水保温屋面维护结构:240mm厚双面粉刷围护砖墙门窗:纵墙窗3.6m*4.2m(低窗),3.6m*1.8m(高窗)基础:室内外高差-0.15m,基顶标高—1.0m,素混凝土地面(3)、自然条件:建筑地点:衡阳,无抗震设防要求基本风压:0.4kN/㎡地面粗糙度为B类基本雪压:0.35kN/㎡地质条件:修正后的地基承载力特征值为100kN/㎡~300kN/㎡(4)、材料:混凝土:柱混凝土C25~C30,基础C25钢筋:钢筋等级为Ⅱ级或Ⅲ级(5)、组合系数:活荷载组合值系数Ψc=0.7;风荷载组合值系数取0.6。
厂房平面图2、设计要求:(1)、排架内力,设计柱子及基础,整理并打印计算书一份。
(2)、施工图一份(结构设计说明,屋盖柱网及基础布置图,柱及基础等配筋图。
)3、设计期限:两周4、参考资料:(1)、混凝土结构设计规范(GB50010-2002)(2)、荷载规范(GB50009-2001)(3)、基础设计规范(GB50007-2002)(4)、混凝土结构设计原理(5)、屋面板(G410)、屋架(G415)、吊车梁(G426)、基础梁(G320)、柱间支撑(G326)等。
摘要:单层工业厂房是形式简单的建筑结构物之一。
单层工业厂房设计的主要任务是排架柱和基础设计及配筋计算。
首先要充分了解设计任务,并根据相关资料选择合适的构件和确定柱网、基础的平面布置,然后对构件进行内力分析、内力组合进而设计截面、选择配筋并写出计算书,最后根据规范绘制施工图和注写图纸说明。
主要计算内容是排架内力的分析计算与组合。
单层厂房课程设计计算书院系:土木工程学院班级:土木10-1班设计者:王荣学号: 1015020101指导教师:林莉设计时间: 2013-05-25目录一、设计项目二、设计资料三、计算简图四、荷载计算(标准值)1、恒荷载2、屋面活荷载3、吊车荷载4、风荷载五、内力分析1、剪力分配系数的计算2、恒荷载作用下的内力分析3、屋面活荷载作用下的内力分析4、吊车竖向荷载作用下的内力分析不考虑厂房整体空间工作5、吊车水平荷载作用下的内力分析(不考虑厂房整体空间工作)6、风荷载作用下的内力分析六、内力组合七、柱截面设计1、柱的纵向钢筋计算2、柱的吊装与运输验算3、柱的裂缝宽度验算4、牛腿设计八、基础设计一、 设计项目某金工车间,单跨无天窗厂房,跨度为24m ,柱距为6m ,车间总长度150m ,中间设置一道温度缝;厂房的横剖面图如下图所示:二、 设计资料1、建设地点:哈尔滨市某厂区。
2、自然条件:(1)基本风压:2/6.0m kN 。
(2)屋面均布活荷载标准值:2/5.0m kN 。
(4)地质条件:地基持力层为e 及L I 均小于0.85的粘性土(弱冻胀土),承载力特征值kPa f ak 180 。
(5)抗震设防烈度:6度。
3、建筑平面:车间长度为150m ,柱距为m 6;车间跨度为24m 。
4、建筑剖面:单跨等高排架,室内外高差0.15m ,柱牛腿顶标高7.9m ,轨道顶标高9.0m ,上柱顶标高11.5m 。
5、吊车系统计算参数:(1)吊车:设有两台20/5t ,双钩电动桥式吊车,工作级别均为4A ,桥架跨度m L K 5.22=, 宽度B=5.55m , 轮距m K 4.4=, 最大轮压标准值kN P k 215m ax,=, 大车质量t m 0.321=, 小车质量t m 8.72=。
(2)吊车梁: 采用预应力钢筋混凝土等截面薄腹吊车梁,梁高0.9m , 自重标准值为30.4kN 。
(3)轨道:高为0.184m , 轨道及连接件自重标准值为m kN /8.0。