2018全国高中学生化学(奥林匹克)竞赛考纲
- 格式:docx
- 大小:16.50 KB
- 文档页数:4
2018全国高中学生化学奥林匹克竞赛考纲2018全国高中学生化学奥林匹克竞赛考纲一、竞赛概述2018年全国高中学生化学奥林匹克竞赛是由教育部主办,全国各省(区、市)教育厅(委)、全国高中学生化学奥林匹克竞赛委员会承办的一项高水平化学科技竞赛活动。
竞赛旨在鼓励和表彰我国高中学生化学方面的优秀学生,为培养素质全面、掌握创新能力和实践能力的高素质人才做出积极贡献。
竞赛依据教育部《普通高中课程实验教学方案》制定。
二、竞赛对象全国普通高中在读的高一(含)以上学生,年龄不超过18岁(截止竞赛当年12月31日)。
三、竞赛内容1. 竞赛形式:面试。
2. 竞赛范围:(1) 物理化学:1) 物质和化学反应;2) 热力学和化学平衡;3) 物理化学基础实验(如测定物质的密度、酸碱反应、电化学实验等)。
(2) 有机化学:1) 结构和性质;2) 烃的化学性质;3) 单官能团有机化合物的性质;4) 多官能团有机化合物的化学反应;5) 有机化学基础实验(如制备简单有机化合物、分离提纯、鉴定等)。
(3) 分析化学:1) 量的测定和分析;2) 催化分析和红外光谱分析。
四、竞赛方法1. 竞赛采用现场组织方式,每人每场考试时间不超过两个小时。
2. 竞赛题目由全国高中学生化学奥林匹克竞赛委员会负责编制。
3. 竞赛分为初赛、复赛和决赛,采取逐级淘汰的方式,初赛和复赛成绩按百分制计算,决赛成绩按奖项评定标准计算。
五、奖项设置和评定标准1. 根据成绩,将初赛、复赛和决赛的考生分为一等奖、二等奖、三等奖、优胜奖和参赛证书。
2. 评定标准如下:(1) 一等奖:成绩在299分(含)以上。
(2) 二等奖:成绩在266分至298分(含)之间。
(3) 三等奖:成绩在233分至265分(含)之间。
(4) 优胜奖:成绩在200分至232分(含)之间。
(5) 参赛证书:成绩在200分以下。
3. 获得奖项的考生,根据奖项级别给予相应的荣誉证书和奖金。
六、竞赛注意事项1. 参赛考生必须严格遵守竞赛纪律,不得抄袭、剽窃、泄露试题等行为。
全国高中生奥林匹克化学竞赛试题及答案2018可能用到的相对原子质量:H—1 C—12 N—14 O—16 Cl—35、5 K—39 Cu—64一、选择题(共36分)1、关于“舌尖上的化学”,下列说法不科学的是()A、为了身体健康,必须均衡膳食B、为预防缺碘性疾病,可食用适量海带C、为延长食品保质期,在食品中添加大力防腐剂D、为使发面食品松软可口,制作时可添加适量碳酸氢钠2、下列生活用品所含的主要材料,属于有机合成材料的是()A、铁锅B、瓷碗C、塑料盆D、玻璃杯3、二氧化锡(SnO2)可用作液晶元件电极,其中氧元素为—2价,则锡元素的化合价为()A、+1B、+2C、+3D、+44、实验室用高锰酸钾制取氧气的部分操作如图1所示,其中正确的是()5、下列化学式表示的物质是某化学肥料的主要成分,其中属于复合肥料的是()A、KNO3B、K2CO3C、CO(NH2)2D、Ca(H2PO4)26、下列保护自然资源的措施错误的是()A、为防止空气污染,应加强工业废气处理B、为节约用水,用工业废水直接浇灌农田C、为节约化石燃料,应开发和使用新能源D、为防止铁制品生锈,常在其表面覆盖保护层7、用分子观点解释“干冰升华”,下列说法错误的是()A、分子不停地运动B、分子间隔变大C、分子体积急剧增大D、分子本身不发生改变8、下列事实和解释相符的是()A、铜丝作导线——铜有良好的导电性B、盐酸清除铁锈——盐酸能与铁反应C、汽油清洗油污——汽油起乳化作用D、活性炭净水——活性炭能与水中杂质反应9、某物质的分子模型如图2所示,下列说法错误的是()A、该物质属于有机物B、该物质的化学式为CH4C、该物质的1个分子中含有5个原子D、该物质中碳、氢元素质量比为1:410、实验室用蔗糖配制50、0g溶质的质量分数为10%的蔗糖溶液,下列说法错误的是()A、用托盘天平称取5、0g蔗糖B、用量程为10mL的量筒量取所需的水C、溶解蔗糖时,使用的玻璃仪器有烧杯、玻璃棒D、将配制好的溶液装入细口瓶中,塞好瓶塞并贴上标签11、鉴别下列物质所用的方法或试剂,错误的是()A、硬水和软水——观察颜色B、纯铝和硬铝——比较硬度C、碳酸钠和氯化钠——稀盐酸D、羊毛纤维和合成纤维——点燃闻气味12、将铁丝、铜丝分别伸入盛有同种试剂的两支试管中,下列试剂能迅速比较出铁、铜金属活动性强弱的是()A、蒸馏水B、稀硫酸C、硫酸钠溶液D、氢氧化钠溶液二、非选择题(共64分)13、(15分)多角度认识物质,能帮助我们更全面了解物质世界。
全国高中学生化学奥林匹克竞赛基本要求说明:1.本基本要求旨在明确全国高中学生化学竞赛初赛及决赛试题的知识水平,作为试题命题的依据;本基本要求不包括国家代表队选手选拔赛的要求;2.现行中学化学教学大纲、普通高中化学课程标准及高考说明规定的内容均属初赛要求;高中数学、物理、生物、地理与环境科学等学科的基本内容包括与化学相关的我国基本国情、宇宙、地球的基本知识等也是本化学竞赛的内容;初赛基本要求对某些化学原理的定量关系、物质结构、立体化学和有机化学作适当补充,一般说来,补充的内容是中学化学内容的自然生长点;3.决赛基本要求在初赛基本要求的基础上作适当补充和提高;4.全国高中学生化学竞赛是学生在教师指导下的研究性学习,是一种课外活动;针对竞赛的课外活动的总时数是制定竞赛基本要求的重要制约因素;本基本要求估计初赛基本要求需40单元每单元3小时的课外活动注:40单元是按高一、高二两年约40周,每周一单元计算的;决赛基本要求需追加30单元课外活动其中实验至少10单元注:30单元是按10、11和12月共三个月约14周,每周2~3个单元计算的; 5.最近三年同一级别竞赛试题所涉及的符合本基本要求的知识自动成为下届竞赛的要求;6.本基本要求若有必要做出调整,在竞赛前4个月发出通知;新基本要求启用后,原基本要求自动失效;初赛基本要求1.有效数字在化学计算和化学实验中正确使用有效数字;定量仪器天平、量筒、移液管、滴定管、容量瓶等等测量数据的有效数字;数字运算的约化规则和运算结果的有效数字;实验方法对有效数字的制约; 2.气体理想气体标准状况态;理想气体状态方程;气体常量R;体系标准压力;分压定律;气体相对分子质量测定原理;气体溶解度亨利定律; 3.溶液溶液浓度;溶解度;浓度和溶解度的单位与换算;溶液配制仪器的选择;重结晶方法以及溶质/溶剂相对量的估算;过滤与洗涤洗涤液选择、洗涤方式选择;重结晶和洗涤溶剂包括混合溶剂的选择;胶体;分散相和连续相;胶体的形成和破坏;胶体的分类;胶粒的基本结构;4.容量分析被测物、基准物质、标准溶液、指示剂、滴定反应等基本概念;酸碱滴定曲线酸碱强度、浓度、溶剂极性对滴定突跃影响的定性关系;酸碱滴定指示剂的选择;以高锰酸钾、重铬酸钾、硫代硫酸钠、EDTA为标准溶液的基本滴定反应;分析结果的计算;分析结果的准确度和精密度;5.原子结构核外电子的运动状态:用s、p、d等表示基态构型包括中性原子、正离子和负离子核外电子排布;电离能、电子亲合能、电负性; 6.元素周期律与元素周期系周期;1~18族;主族与副族;过渡元素;主、副族同族元素从上到下性质变化一般规律;同周期元素从左到右性质变化一般规律;原子半径和离子半径;s、p、d、ds、f区元素的基本化学性质和原子的电子构型;元素在周期表中的位置与核外电子结构电子层数、价电子层与价电子数的关系;最高氧化态与族序数的关系;对角线规则;金属与非金属在周期表中的位置;半金属类金属;主、副族的重要而常见元素的名称、符号及在周期表中的位置、常见氧化态及其主要形体;铂系元素的概念;7.分子结构路易斯结构式;价层电子对互斥模型;杂化轨道理论对简单分子包括离子几何构型的解释;共价键;键长、键角、键能;σ键和π键;离域π键;共轭离域体系的一般性质;等电子体的一般概念;键的极性和分子的极性;相似相溶规律;对称性基础限旋转和旋转轴、反映和镜面、反演和对称中心;8.配合物路易斯酸碱;配位键;重要而常见的配合物的中心离子原子和重要而常见的配体水、羟离子、卤离子、拟卤离子、氨、酸根离子、不饱和烃等;螯合物及螯合效应;重要而常见的配合反应;配合反应与酸碱反应、沉淀反应、氧化还原反应的关系定性说明;配合物几何构型和异构现象的基本概念和基本事实;配合物的杂化轨道理论;用杂化轨道理论说明配合物的磁性和稳定性;用八面体配合物的晶体场理论说明TiH2O63+的颜色;软硬酸碱的基本概念和重要的软酸软碱和硬酸硬碱; 9.分子间作用力范德华力、氢键以及其他分子间作用力的能量及与物质性质的关系;10.晶体结构分子晶体、原子晶体、离子晶体和金属晶体;晶胞定义、晶胞参数和原子坐标及以晶胞为基础的计算;点阵晶格能;配位数;晶体的堆积与填隙模型;常见的晶体结构类型:NaCl、CsCl、闪锌矿ZnS、萤石CaF2、金刚石、石墨、硒、冰、干冰、金红石、二氧化硅、钙钛矿、钾、镁、铜等;11.化学平衡平衡常数与转化率;弱酸、弱碱的电离常数;溶度积;利用平衡常数的计算;熵混乱度的初步概念及与自发反应方向的关系; 12.离子方程式的正确书写;13.电化学氧化态;氧化还原的基本概念和反应式的书写与配平;原电池;电极符号、电极反应、原电池符号、原电池反应;标准电极电势;用标准电极电势判断反应的方向及氧化剂与还原剂的强弱;电解池的电极符号与电极反应;电解与电镀;电化学腐蚀;常见化学电源;pH、络合剂、沉淀剂对氧化还原反应影响的说明;14.元素化学卤素、氧、硫、氮、磷、碳、硅、锡、铅、硼、铝;碱金属、碱土金属、稀有气体;钛、钒、铬、锰、铁、钴、镍、铜、银、金、锌、汞、钼、钨;过渡元素氧化态;氧化物和氢氧化物的酸碱性和两性;常见难溶物;氢化物的基本分类和主要性质;常见无机酸碱的基本性质;水溶液中的常见离子的颜色、化学性质、定性检出不包括特殊试剂和一般分离方法;制备单质的一般方法;15.有机化学有机化合物基本类型——烷、烯、炔、环烃、芳香烃、卤代烃、醇、酚、醚、醛、酮、酸、酯、胺、酰胺、硝基化合物以及磺酸的命名、基本性质及相互转化;异构现象;加成反应;马可尼科夫规则;取代反应;芳环取代反应及定位规则;芳香烃侧链的取代反应和氧化反应;碳链增长与缩短的基本反应;分子的手性及不对称碳原子的R、S 构型判断;糖、脂肪、蛋白质的基本概念、通式和典型物质、基本性质、结构特征及结构表达式;16. 天然高分子与合成高分子化学的初步知识单体、主要合成反应、主要类别、基本性质、主要应用;决赛基本要求本基本要求在初赛要求基础上增加下列内容,数学工具不涉及微积分; 1.原子结构四个量子数的物理意义及取值;氢原子和类氢离子的原子轨道能量的计算;s、p、d原子轨道轮廓图及应用;2.分子结构分子轨道基本概念;定域键键级;分子轨道理论对氧分子、氮分子、一氧化碳分子、一氧化氮分子的结构和性质的理解及应用;一维箱中粒子模型对共轭体系电子吸收光谱的解释;超分子的基本概念; 3.晶体结构点阵的基本概念;晶系;根据宏观对称元素确定晶系;晶系与晶胞形状的关系;十四种空间点阵类型;点阵的带心体心、面心、底心结构的判别;正当晶胞;布拉格方程;4.化学热力学基础热力学能内能、焓、热容、自由能和熵;生成焓、生成自由能、标准熵及有关计算;反应的自由能变化与反应的方向性;吉布斯-亥姆霍兹方程及其应用;范特霍夫等温方程及其应用;标准自由能与标准平衡常数;平衡常数与温度的关系;热化学循环;相、相律和单组分相图;克拉贝龙方程及其应用;5.稀溶液的通性不要求化学势;6.化学动力学基础反应速率基本概念;速率方程;反应级数;用实验数据推求反应级数;一级反应积分式及有关计算速率常数、半衰期、碳-14法断代等;阿累尼乌斯方程及计算活化能的概念与计算;速率常数的计算;温度对速率常数影响的计算等;反应进程图;活化能与反应热的关系;反应机理一般概念及推求速率方程速控步骤、平衡假设和稳态假设;离子反应机理和自由基反应机理基本概念及典型实例;催化剂及对反应的影响反应进程图;多相反应的反应分子数和转化数;7.酸碱质子理论缓冲溶液的基本概念、典型缓冲体系的配制和pH计算;利用酸碱平衡常数的计算;溶度积原理及有关计算;8.Nernst方程及有关计算;原电池电动势的计算;pH对原电池的电动势、电极电势、氧化还原反应方向的影响;沉淀剂、络合剂对氧化还原反应方向的影响;用自由能计算电极电势和平衡常数或反之;9.配合物的晶体场理论化学光谱序列;配合物的磁性;分裂能、电子成对能、稳定化能;利用配合物平衡常数的计算;络合滴定;软硬酸碱;配位场理论对八面体配合物的解释;10.元素化学描述性知识达到国际竞赛大纲二级水平;11.自然界氮、氧、碳的循环;环境污染及治理、生态平衡、绿色化学的一般概念;12.有机化学描述性知识达到国际竞赛大纲二级水平不要求不对称合成,不要求外消旋体拆分;13.氨基酸、多肽与蛋白质的基本概念;DNA与RNA;14.糖的基本概念;葡萄糖、果糖、甘露糖、半乳糖;糖苷;纤维素与淀粉;15.有机立体化学基本概念;构型与构象;顺反异构trans-、cis-和Z-、E-构型;对映异构与非对映异构;endo-和exo-;D,L构型;16.利用有机物的基本反应对简单化合物的鉴定和结构推断;17.制备与合成的基本操作用电子天平称量;配制溶液、加热、冷却、沉淀、结晶、重结晶、过滤含抽滤、洗涤、浓缩蒸发、常压蒸馏与回流、倾析、分液、搅拌、干燥;通过中间过程检测如pH、温度、颜色等对实验条件进行控制;产率和转化率的计算;实验室安全与事故紧急处置的知识与操作;废弃物处置;仪器洗涤与干燥;实验工作台面的安排和整理;原始数据的记录与处理;18.常见容量分析的基本操作、基本反应及分析结果的计算;容量分析的误差分析;19.分光光度法;比色分析;。
(最新版)全国高中化学竞赛考纲中国化学会通知,2016年第30届中国化学奥林匹克由中国化学会统一命题,竞赛定于2016年8月28日上午9:00-12:00在全国各地统一进行。
决赛暨冬令营拟定于2016年11月底至12月初在湖南省长沙市举行。
1.本基本要求旨在明确全国高中学生化学竞赛初赛及决赛试题的知识水平,作为试题命题的依据。
本基本要求不包括国家代表队选手选拔赛的要求。
2.现行中学化学教学大纲、普通高中化学课程标准及高考说明规定的内容均属初赛要求。
高中数学、物理、生物、地理与环境科学等学科的基本内容也是本化学竞赛的内容。
初赛基本要求对某些化学原理的定量关系、物质结构、立体化学和有机化学作适当补充,一般说来,补充的内容是中学化学内容的自然生长点。
3.决赛基本要求在初赛基本要求的基础上作适当补充和提高。
4.全国高中学生化学竞赛是学生在教师指导下的研究性学习,是一种课外活动。
针对竞赛的课外活动的总时数是制定竞赛基本要求的重要制约因素。
本基本要求估计初赛基本要求需40单元的课外活动;决赛基本要求需追加30单元课外活动。
5.最近三年同一级别竞赛试题所涉及的符合本基本要求的知识自动成为下届竞赛的要求。
6.本基本要求若有必要做出调整,在竞赛前4个月发出通知。
新基本要求启用后,原基本要求自动失效。
1.有效数字在化学计算和化学实验中正确使用有效数字。
定量仪器测量数据的有效数字。
数字运算的约化规则和运算结果的有效数字。
实验方法对有效数字的制约。
2.气体理想气体标准状况。
理想气体状态方程。
气体常量R。
体系标准压力。
分压定律。
气体相对分子质量测定原理。
气体溶解度。
3.溶液溶液浓度。
溶解度。
浓度和溶解度的单位与换算。
溶液配制。
重结晶方法以及溶质/溶剂相对量的估算。
过滤与洗涤。
重结晶和洗涤溶剂的选择。
胶体。
分散相和连续相。
胶体的形成和破坏。
胶体的分类。
胶粒的基本结构。
4.容量分析被测物、基准物质、标准溶液、指示剂、滴定反应等基本概念。
全国高中学生化学比赛根本请求1.本根本请求旨在明白全国高中学生化学比赛初赛及决赛试题的常识程度,作为试题命题的根据.本根本请求不包含国度代表队选手提拔赛的请求.2.现行中学化学教授教养大纲.通俗高中化学课程尺度及高考解释划定的内容均属初赛请求.高中数学.物理.生物.地理与情况科学等学科的根本内容(包含与化学相干的我国根本国情.宇宙.地球的根本常识等)也是化学比赛的内容.初赛根本请求对某些化学道理的定量关系.物资构造.立体化学和有机化学作恰当填补,一般说来,填补的内容是中学化学内容的天然发展点.3.决赛根本请求是在初赛根本请求的基本上作恰当填补和进步.4.全国高中学生化学比赛是学生在教师指点下的研讨性进修,是一种课外活动.针对比赛的课外活动的总时数是制订比赛根本请求的重要制约身分.本根本请求估量初赛根本请求需40单元(每单元3小时)的课外活动(注:40单元是按高一.高二两年约40周,每周一单元盘算的);决赛根本请求需追加30单元课外活动(个中试验至少10单元)(注:30单元是按10.11和12月共三个月约14周,每周2~3个单元盘算的).5.比来三年统一级别比赛试题涉及相符本根本请求的常识主动成为下届比赛的请求.6.本根本请求如有须要做出调剂,在比赛前4个月发出通知.新根本请求启用后,原根本请求主动掉效.初赛根本请求:1.有用数字在化学盘算和化学试验中精确运用有用数字.定量仪器(天平.量筒.移液管.滴定管.容量瓶等等)测量数据的有用数字.数字运算的约化规矩和运算成果的有用数字.试验办法对有用数字的制约.2.气体幻想气体尺度状况(态).幻想气体状况方程.气体常量R.系统尺度压力.分压定律.气体相对分子质量测定道理.气体消融度(亨利定律).3.溶液溶液浓度.消融度.浓度与消融度的单位与换算.溶液配制(仪器的选择).重结晶的办法及溶质/溶剂相对量的估算.过滤与洗涤(洗涤液选择.洗涤方法选择).重结晶和洗涤溶剂(包含糊合溶剂)的选择.胶体.疏散相和持续相.胶体的形成和损坏.胶体的分类.胶体的根本构造.4.容量剖析被测物.基准物资.尺度溶液.指导剂.滴定反响等根本概念.酸碱滴定曲线(酸碱强度.浓度.溶剂极性对滴定突跃影响的定性关系).酸碱滴定指导剂的选择.以高锰酸钾.重铬酸钾.硫代硫酸钠.EDTA为尺度溶液的根本滴定反响.剖析成果的盘算.剖析成果的精确度和周详度.5.原子构造核外电子活动状况: 用s.p.d等来暗示基态构型(包含中性原子.正离子和负离子)核外电子排布.电离能.电子亲合能.电负性.6.元素周期律与元素周期系周期.1—18族.主族与副族.过渡元素.主.副族本家元素从上到下性质变更一般纪律;同周期元素从左到右性质变更一般纪律.原子半径和离子半径.s.p.d.ds区元素的根本化学性质和原子的电子构型.元素在周期表中的地位与核外电子构造(电子层数.价电子层与价电子数)的关系.最高氧化态与族序数的关系.对角线规矩.金属与非金属在周期表中的地位.半金属(类金属).主.副族的重要而罕有元素的名称.符号及在周期表中的地位.罕有氧化态及重要形态.铂系元素的概念.7.分子构造路易斯构造式.价层电子对互斥模子.杂化轨道理论对简略分子(包含离子)几何构型的解释.共价键.键长.键角.键能.σ键和π键.离域π键.共轭(离域)系统的一般性质.等电子体的一般概念.键的极性和分子的极性.类似相溶纪律.对称性基本(限扭转和扭转轴.反应和镜面.反演和对称中间).8.合营物路易斯酸碱.配位键.重要而罕有的合营物的中间离子(原子)和重要而罕有的配体(水.羟离子.卤离子.拟卤离子.氨分子.酸根离子.不饱和烃等).螯合物及螯合效应.重要而罕有的合营反响.合营反响与酸碱反响.沉淀反响.氧化还原反响的关系(定性解释).合营物几何构型和异构现象根本概念和根本领实.合营物的杂化轨道理论.用杂化轨道理论解释合营物的磁性和稳固性.用八面体合营物的晶体场理论解释Ti(H2O)63+的色彩.软硬酸碱的根本概念和重要的软酸软碱和硬酸硬碱.9.分子间感化力范德华力.氢键以及其他分子间感化力的能量及与物资性质的关系.10.晶体构造分子晶体.原子晶体.离子晶体和金属晶体.晶胞(界说.晶胞参数和原子坐标及以晶胞为基本的盘算).点阵(晶格)能.配位数.晶体的聚积与填隙模子.罕有的晶体构造类型:NaCl.CsCl.闪锌矿(ZnS).萤石(CaF2).金刚石.石墨.硒.冰.干冰.金红石.二氧化硅.钙钛矿.钾.镁.铜等.11.化学均衡均衡常数与转化率.弱酸.弱碱的电离常数.溶度积.运用均衡常数的盘算.熵(凌乱度)的初步概念及与自觉反响偏向的关系.12.离子方程式的精确书写.13.电化学氧化态.氧化还原的根本概念和反响的书写与配平.原电池.电极符号.电极反响.原电池符号.原电池反响.尺度电极电势.用尺度电极电势断定反响的偏向及氧化剂与还原剂的强弱.电解池的电极符号与电极反响.电解与电镀.电化学腐化.罕有化学电源.pH.络合剂.沉淀剂对氧化还原反响影响的解释.14.元素化学卤素.氧.硫.氮.磷.碳.硅.锡.铅.硼.铝.碱金属.碱土金属.罕见气体.钛.钒.铬.锰.铁.钴.镍.铜.银.金.锌.汞.钼.钨.过渡元素氧化态.氧化物和氢氧化物的酸碱性和两性.罕有难溶物.氢化物的基本分类和重要性质.罕有无机酸碱的基赋性质.水溶液中的罕有离子的色彩.化学性质.定性检出(不包含特别试剂)和一般分别办法.制备单质的一般办法.15.有机化学有机化合物根本类型——烷.烯.炔.环烃.芬芳烃.卤代烃.醇.酚.醚.醛.酮.酸.酯.胺.酰胺.硝基化合物以及磺酸的定名.基赋性质及互相转化.异构现象.加成反响.马可尼科夫规矩.代替反响.芳环代替反响及定位规矩.芬芳烃侧链的代替反响和氧化反响.碳链增长与缩短的根本反响.分子的手性及不合错误称碳原子的R.S构型断定.糖.脂肪.蛋白质的根本概念.通式和典范物资.基赋性质.构造特点及构造表达式.16.天然高分子与合成高分子化学的初步常识(单体.重要合成反响.重要类别.基赋性质.重要运用).决赛根本请求:本根本请求在初赛请求基本上增长下列内容,数学对象不涉及微积分.1.原子构造四个量子数的物理意义及取值.氢原子和类氢离子的原子轨道能量的盘算.s.p.d原子轨道轮廓图及运用.2.分子构造分子轨道根本概念.定域键键级.分子轨道理论对氧分子.氮分子.一氧化碳分子.一氧化氮分子的构造和性质的懂得及运用.一维箱中粒子模子对共轭系统电子接收光谱的解释.超分子的根本概念.3.晶体构造点阵的根本概念.晶系.根据宏不雅对称元素肯定晶系.晶系与晶胞外形的关系.14种空间点阵类型.点阵的带心(体心.面心.底心)构造的判别.合法晶胞.布拉格方程.4.化学热力学基本热力学能(内能).焓.热容.自由能和熵.生成焓.生成自由能.尺度熵及有关盘算.反响的自由能变更与反响的偏向性.吉布斯-亥姆霍兹方程及其运用.范特霍夫等温方程及其运用.尺度自由能与尺度均衡常数.均衡常数与温度的关系.热化学轮回.相.相律和单组分相图.克拉贝龙方程及其运用.5.稀溶液的通性(不请求化学势).6.化学动力学基本反响速度根本概念.速度方程.反响级数.用试验数据推寻反响级数.一级反响积分式及有关盘算(速度常数.半衰期.碳-14法断代等).阿累尼乌斯方程及盘算(活化能的概念与盘算;速度常数的盘算;温度对速度常数影响的盘算等).反响过程图.活化能与反响热的关系.反响机理一般概念及推寻速度方程(速控步调.均衡假设和稳态假设).离子反响机理和自由基反响机理根本概念及典范实例.催化剂及对反响的影响(反响过程图).多相反响的反响分子数和转化数.7.酸碱质子理论缓冲溶液的根本概念.典范缓冲系统的配制和pH值盘算.运用酸碱均衡常数的盘算.溶度积道理及有关盘算.8.Nernst方程及有关盘算原电池电动势的盘算.pH对原电池的电动势.电极电势.氧化还原反响偏向的影响.沉淀剂.络合剂对氧化还原反响偏向的影响.用自由能盘算电极电势和均衡常数或反之.9.合营物的晶体场理论化学光谱序列.合营物的磁性.决裂能.电子成对能.稳固化能.运用合营物均衡常数的盘算.络合滴定.软硬酸碱.配位场理论对八面体合营物的解释.10.元素化学描写性常识达到国际比赛大纲二级程度.11.天然界氮.氧.碳的轮回.情况污染及治理.生态均衡.绿色化学的一般概念.12.有机化学描写性常识达到国际比赛大纲二级程度(不请求不合错误称合成,不请求外消旋体拆分).13.氨基酸.多肽与蛋白质的根本概念.DNA与RNA.14.糖的根本概念.葡萄糖.果糖.甘露糖.半乳糖.糖苷.纤维素与淀粉.15.有机立体化学根本概念.构型与构象.顺反异构(trans-.cis-和Z-.E-构型).对映异构与非对映异构.endo-和exo-.D,L构型.16.运用有机物的根本反响对简略化合物的判定和构造揣摸.17.制备与合成的根本操纵用电子天平称量.配制溶液.加热.冷却.沉淀.结晶.重结晶.过滤(含抽滤).洗涤.浓缩蒸发.常压蒸馏与回流.倾析.分液.搅拌.湿润.经由过程中央过程检测(如pH.温度.色彩等)对试验前提进行掌握.产率和转化率的盘算.试验室安然与变乱紧迫处置的常识与操纵.放弃物处置.仪器洗涤和湿润.试验工作台面的安插和整顿.原始数据的记载与处理.18.罕有容量剖析的根本操纵.根本反响及剖析成果的盘算.容量剖析的误差剖析.19.分光光度法.比色剖析.。
附件1:2018年广西高中学生化学竞赛大纲(高一卷)(2018年2月1日发布)说明:1、本大纲旨在明确2018年广西高中学生化学竞赛(5月中旬)试题命题的知识范围,作为试题命制的依据。
2、竞赛试题的命题知识范围是人民教育出版社高中化学系列教材(第三版,2007),即《必修1 化学》、《必修2 化学》和《选修4 化学反应原理》、《选修5 有机化学基础》、《选修6 实验化学》较基础的部分内容(不拓展)。
一、化学竞赛的目的和命题的指导思想(一)举办广西高中学生化学竞赛(高一)的目的1、在广西中学生中普及化学知识,培养学生的学习兴趣,精选学生发展所必备的化学基础知识和基本技能。
发展学生的个性和特长,培养他们的创新精神和实践能力。
2、激励中学生选学化学,了解化学对科学技术、国民经济和人民生活以及社会发展的意义,学习化学学科的思想方法和研究方法,推动中学化学教育教学改革,提升我区高中化学教育教学水平。
3、为明年参加高二选拔考试做好能力和知识准备,同时在广西早期培养和发现化学竞赛人才。
(二)广西高中学生化学竞赛的命题指导思想根据教育部《全日制普通高级中学化学课程标准》以及《全日制义务教育化学课程标准》的要求,紧密结合广西高中化学教学的实际情况,初步考查学生的基础知识、基本能力、科学素养。
命题以能力测试为主,体现新课程标准对能力的要求,使学生初步学会获取信息和加工信息的基本方法,能初步应用化学和其他科学知识、技能解释和解决一些简单的实际问题。
了解化学与社会生活和科学技术的密切联系。
二、竞赛能力要求和内容范围(一)能力要求1、在义务教育初中化学的基础上,初步具备接受、吸收、整合化学信息的能力。
(1)能够对《必修1 化学》、《必修2 化学》中的基础知识融会贯通,有正确复述、再现、辨认的能力。
(2)初步能够通过对实际事物、实验现象、实物、模型、图形、图表的观察,以及对自然界、社会、生产和生活中的化学现象的观察,获取有关的感性知识和印象,并进行初步加工、吸收、有序存储的能力。
2018全国高中学生化学奥林匹克竞赛考纲第一部分:考试目的与要求为了开展高中生化学学科的竞赛活动,总结高中生化学学科的教学成果,提高学生的化学实验和理论思维能力,决定组织全国高中学生化学奥林匹克竞赛。
本次竞赛旨在考查高中生基本化学知识和实验技能,培养学生的科学探究精神和创新意识,激发学生对化学的兴趣和爱好。
并适当考查学生数理化综合应用能力和科学分析问题的能力。
第二部分:竞赛组织与考试方式本次全国高中学生化学奥林匹克竞赛由各地化学学会组织,分为初赛、复赛和决赛三个阶段。
竞赛采取笔试、实验和分析解题等方式进行,考试时间为4小时。
具体考试方式和内容如下:(一)初赛初赛主要考查学生对基础化学知识的掌握情况,包括化学实验相关知识、化学计算和原子结构等基础知识。
考试题型为单项选择和填空题。
试题难易度逐步递增,试卷总分为150分。
(二)复赛复赛主要考查学生的实验技能和综合应用能力。
考生需在规定时间内完成若干道实验题,包括定量分析、有机合成和物理化学实验等内容。
考试分值为300分。
(三)决赛决赛主要考查学生的科学探究精神和创新意识。
考试形式为分析解题,考生需通过对给定化学问题的综合分析和解决,显示科学思维和分析能力。
试题难易度逐步递增,试卷总分为200分。
第三部分:考试内容和要求本次竞赛内容包括以下几个方面:(一)化学实验考查学生实验技能和分析能力。
包括有机合成、分离与纯化、定量分析、物理化学实验等内容。
(二)基础化学知识考查学生对基础化学知识的掌握和应用能力。
包括化学计算、原子结构、化学键、化学反应和化学平衡等知识点。
(三)综合化学问题考查学生综合应用化学知识,进行科学思考和分析解题的能力。
包括通过实验数据分析化学问题、应用化学原理解决实际问题等内容。
考试要求:(一)考生需具备扎实的基础化学知识和实验技能,掌握基本的化学实验技巧。
(二)考试时应注意安全,遵守实验室规定,严格执行实验操作规程。
(三)考生应严格按照考试要求操作和计算,正确填写答题卡。
2018年第32届中国化学奥林匹克(初赛)试题答案与解析 第1题(8分)根据所给条件按照要求书写化学反应方程式(要求系数为最简整数比。
1-1 氮化硅可用作 LED 的基质材料,它可通过等离子法用 SiH 4 与氨气反应制得。
1-2 将擦亮的铜片投入装有足量的浓硫酸的大试管中,微热片刻,有固体析出但无气体产生, 固体为 Cu 2S 和另一种白色物质的混合物。
1-3 在 50o C 水溶液中,单质碲与过量 NaBH 4 反应制备碲氢化钠,反应过程中析出硼砂[Na 2B 4O 5(OH)4·8H 2O] 1-4 天然气的无机成因十分诱人。
据称,地幔主成分之一的橄榄石与水和二氧化碳反应,可生成甲烷。
橄榄石以 Mg 2SiO 4 和 Fe 2SiO 4 表示,反应后变成蛇纹石[Mg 3Si 2O 5(OH)4]和磁铁矿。
第2题(8分)2-1 195K ,三氧化二磷在二氯甲烷中与臭氧反应生成 P 4O 18,画出 P 4O 18 分子的结构示意图。
2-2 CH 2SF 4 是一种极性溶剂,其分子几何构型符合价层电子对互斥理论(VSEPR)模型。
画出CH 2SF 4 的分子结构示意图(体现合理的成键及角度关系)。
2-3 2018 年足球世界比赛用球使用了生物基元三元乙丙橡胶(EPDM)产品 Keltan Eco 。
EPDM 属三元共聚物,由乙烯、丙烯、及第三单体经溶液共聚而成。
2-3-1 EPDM 具有优良的耐紫外光、耐臭氧、耐腐蚀等性能。
写出下列分子中不可用于制备 EPDM 的第三单体(可能多选,答案中含错误选项不得分) 2-3-2 合成高分子主要材料分为塑料、纤维和橡胶三大类,下列高分子中与 EPDM 同为橡胶的是: F 聚乙烯 G 聚丙烯氰 H 反式聚异戊二烯 I 聚异丁烯 第3题(12分)为纪念门捷列夫发现元素周期表 150 周年,国际纯粹和应用化学联合会将 2019 年设为“国际化学元素周期表年”。
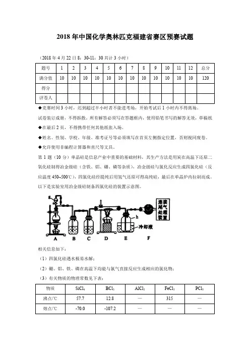
2018年中国化学奥林匹克福建省赛区预赛试题(2018年4月22日8:30-11:30共计3小时)题号 1 2 3 4 5 6 7 8 9 1011 12 总分满分值 10 1010 10 10101010101010 10 120 得分评卷人◆竞赛时间3小时,迟到超过半小时者不能进考场,开始考试后1小时内不得离场。
试卷装订成册,不得拆散。
所有解答必须写在答题框内,使用铅笔书写的解答无效,草稿纸◆在最后2页,不得携带任何其他纸张入场。
◆姓名、性别、学校、年级、准考证号等必须填写在首页左侧指定位置,否则视同废卷。
◆允许使用非编程计算器和直尺等文具。
第1题(10分)单晶硅是信息产业中重要的基础材料,其生产方法是用炭在高温下还原二氧化硅制得冶金级硅(含铁、铝、硼、磷等杂质),冶金级硅与氯化反应生成四氯化硅(反应温度450~500℃),四氯化硅经提纯后用氢气还原可得高纯硅,最后在单晶炉内拉制而成。
以下是实验室用冶金级硅制备四氯化硅的装置示意图。
相关信息如下:(1)四氯化硅遇水极易水解;(2)硼、铝、铁、磷在高温下均能与氯气直接反应生成相应的氯化物;(3)有关物质的物理常数见下表:物质 SiCl4 BCl3 AlCl3 FeCl3 PCl5沸点/℃ 57.7 12.8 — 315 —熔点/℃ -70.0 -107.2 ———升华温度/℃ — — 180 300 1621-1写出装置A 中发生反应的离子方程式。
1-11-2写出装置A 中仪器g 的名称及装置C 中的试剂名称。
1-3装置E 中h 瓶收集到的粗产物可通过精馏(类似多次蒸馏)得到高纯度四氯化硅,精馏后的残留物中,除铁元素外可能还含有什么杂质元素?(填写元素符号) 1-2仪器g 的名称: C 中的试剂名称:1-3(填写元素符号)1-4为分析残留物中铁元素的含量,先将残留物预处理,使铁元素还原成Fe 2+,再用KMnO4标准溶液在酸性条件下进行氧化还原滴定,反应的离子方程式是: 5Fe 2++MnO 4-+8H +=5Fe 3++Mn 2++4H 2O称取5.000g 残留物,经预处理后在容量瓶中配制成100mL 溶液,移取25.00mL 试样溶液,用1.000×10-2mol/L KMnO 4标准溶液滴定,达到滴定终点时,消耗标准溶液20.00mL 。
全国高中化学竞赛大纲说明:1. 本基本要求旨在明确全国初赛和决赛试题的知识水平,作为试题命题的依据。
本基本要求不涉及国家队选手选拔的要求。
2. 现行中学化学教学大纲、新近发布的普通高中化学课程标准实验教科书(A1-2,B1-6)及高考说明规定的内容均属初赛要求。
具有高中文化程度的公民的常识以及高中数学、物理、生物、地理与环境科学等学科的基本内容(包括与化学相关的我国基本国情、宇宙、地球的基本知识等)也是化学竞赛的内容。
初赛基本要求对某些化学原理的定量关系、物质结构、立体化学和有机化学作适当补充,一般说来,补充的内容是中学化学内容的自然生长点。
3. 决赛基本要求是在初赛基本要求的基础上作适当补充。
4. 全国高中学生化学竞赛是学生在教师指导下的研究性学习,是一种课外活动。
课外活动的总时数是制定竞赛基本要求的重要制约因素。
本基本要求估计初赛基本要求需40单元(每单元3小时)的课外活动(注:40单元是按高一、高二两年约40周,每周一单元计算的);决赛基本要求需追加30单元课外活动(其中实验至少10单元)(注:30单元是按10、11和12月共三个月约14周,每周2~3个单元计算的)。
5. 最近三年同一级别竞赛试题涉及符合本要求的知识自动成为下届竞赛的要求。
6. 本基本要求若有必要做出调整,在竞赛前三个月发出通知。
新基本要求启用后,原基本要求自动失效。
初赛:1. 有效数字。
在化学计算和化学实验中正确使用有效数字。
定量仪器(天平、量筒、移液管、滴定管、容量瓶等等)测量数据的有效数字。
运算结果的有效数字。
2. 气体。
理想气体标准状态。
理想气体状态方程。
气体密度。
分压定律。
气体相对分子质量测定原理。
气体溶解度(亨利定律)。
3. 溶液。
溶液浓度。
溶解度。
溶液配制(按浓度的精确度选择仪器)。
重结晶及溶质/溶剂相对量的估算。
过滤与洗涤(洗涤液选择、洗涤方式选择)。
溶剂(包括混合溶剂)。
胶体。
4. 容量分析。
被测物、基准物质、标准溶液、指示剂、滴定反应等基本概念。
文档收集于互联网,已重新整理排版.word版本可编辑.欢迎下载支持.全国高中学生化学竞赛基本要求1.本基本要求旨在明确全国高中学生化学竞赛初赛及决赛试题的知识水平,作为试题命题的依据。
本基本要求不包括国家代表队选手选拔赛的要求。
2.现行中学化学教学大纲、普通高中化学课程标准及高考说明规定的内容均属初赛要求。
高中数学、物理、生物、地理与环境科学等学科的基本内容(包括与化学相关的我国基本国情、宇宙、地球的基本知识等)也是化学竞赛的内容。
初赛基本要求对某些化学原理的定量关系、物质结构、立体化学和有机化学作适当补充,一般说来,补充的内容是中学化学内容的自然生长点。
3.决赛基本要求是在初赛基本要求的基础上作适当补充和提高。
4.全国高中学生化学竞赛是学生在教师指导下的研究性学习,是一种课外活动。
针对竞赛的课外活动的总时数是制定竞赛基本要求的重要制约因素。
本基本要求估计初赛基本要求需40单元(每单元3小时)的课外活动(注:40单元是按高一、高二两年约40周,每周一单元计算的);决赛基本要求需追加30单元课外活动(其中实验至少10单元)(注:30单元是按10、11和12月共三个月约14周,每周2~3个单元计算的)。
5.最近三年同一级别竞赛试题涉及符合本基本要求的知识自动成为下届竞赛的要求。
6.本基本要求若有必要做出调整,在竞赛前4个月发出通知。
新基本要求启用后,原基本要求自动失效。
初赛基本要求:1.有效数字在化学计算和化学实验中正确使用有效数字。
定量仪器(天平、量筒、移液管、滴定管、容量瓶等等)测量数据的有效数字。
数字运算的约化规则和运算结果的有效数字。
实验方法对有效数字的制约。
2.气体理想气体标准状况(态)。
理想气体状态方程。
气体常量R。
体系标准压力。
分压定律。
气体相对分子质量测定原理。
气体溶解度(亨利定律)。
3.溶液溶液浓度。
溶解度。
浓度与溶解度的单位与换算。
溶液配制(仪器的选择)。
重结晶的方法及溶质/溶剂相对量的估算。
全国高中学生化学竞赛基本要求说明:1。
全国高中学生化学竞赛分初赛(分赛区竞赛)和决赛(冬令营)两个阶段,加上冬令营后的国家队选手选拔赛共三个阶段。
本基本要求旨在明确全国初赛和决赛试题的水平,作为试题命题的依据。
国家队选手选拔赛需根据国际化学奥林匹克竞赛预备题确定,本基本要求不涉及。
2。
现行中学化学教学要求以及考试说明规定的内容均属初赛内容。
初赛基本要求在原理知识上大致与人民教育出版社《化学读本》的水平一致,但对某些化学原理的定量关系、物质结构、立体化学和有机化学上作适当补充,一般说来,补充的内容是中学化学内容的自然生长点。
初赛要求的描述化学知识以达到国际化学竞赛大纲一级水平为准,该大纲的二、三级知识均不要求在记忆基础上应用。
3。
决赛基本要求是在初赛基本要求的基础上作适当补充,描述化学知识原则上以达到国际化学竞赛二级知识水平为度,该大纲的三级知识均不要求在记忆基础上应用。
4。
本基本要求若有必要作出调整,在20XX年8月中旬通告。
初赛基本要求1。
有效数字的概念。
在化学计算和化学实验中正确使用有效数字。
定量仪器(分析天平、量筒、移液管、滴定管、容量瓶等)的精度与测量数据有效数字。
运算结果的有效数字。
2。
理想气体标准状态。
理想气体状态方程。
气体密度。
气体相对分子质量测定。
气体溶解度。
3。
溶液浓度与固体溶解度及其计算。
溶液配制(浓度的不同精确度要求对仪器的选择)。
重结晶估量。
过滤与洗涤操作、洗涤液选择、洗涤方式选择。
溶剂(包括混合溶剂)与溶质的相似相溶规律。
4。
容量分析的基本概念——被测物、标准溶液、指示剂、滴定反应等。
分析结果计算。
滴定曲线与突跃的基本概念(酸碱强度、浓度、溶剂极性对滴定突跃影响的定性关系)不要求滴定曲线定量计算。
酸碱滴定指示剂选择的基本原则。
高锰酸钾、重铬酸钾、硫代硫酸钠为标准溶液的滴定基本反应与分析结果计算。
5。
原子结构——核外电子运动状态。
用s、p、d等来表示基态构型(包括中性原子、正离子和负离子),不要求对能级交错、排布规律作解释;不要求量子数;不要求带正负号的波函数角度分布图象。
全国高中学生化学竞赛大纲说明:1.全国高中学生化学竞赛分初赛(分赛区竞赛)和决赛(冬令营)二个阶段。
加上冬令营后的国家集训队的培训和出国竞赛总共三个阶段这三个阶段的水是不平相同的。
本大纲旨在界定各级竞赛的试题水平,作为竞赛试题命题的依据。
2.本大纲分为两部分:第一部分是初赛大纲,第二部分是决赛大纲。
国家集训队选拔与培训需根据国际化学奥林匹克大纲和竞赛预备题来定,本大纲不涉及。
3.中国化学会原来下发的“奥林匹克化学竞赛培训大纲”的“几点说明”仍然是这份大纲的指导思想。
仍然有效,不再复述。
4.现行中学化学大纲以及考试大纲的内容均属初赛内容。
初赛大纲的基本出发点是:在现行中学化学大纲及考试大纲的基础上,在原理水平上大致与人民教育出版社《化学读本》的水平相当,但对某些化学原理的定量关系,物质结构、立体化学、有机化学和化学实验上作适当补充。
一般说来.补充的内容是中学化学内容的自然生长点。
5.决赛大纲则在初赛大纲的基础上对基础化学原理、基础无机化学,基础有机化学.定量分析原理与实验数据处理、实验技术等方面作适当补充。
6.本大纲若在试行后认为有必要作出调整.将在1998年11月发出通知。
初赛大纲1.有效数字的概念。
在化学计算和化学实验中正确使用有效数字。
定量仪器(天平、量简、移液管、滴定管、容量瓶等)的精度与测量数据有效数字。
运算结果的有效数字。
2.理想气体标准状态。
理想气体状态方程。
气体分压定律。
气体密度。
气体相对分子质量测定。
气体溶解度。
3.溶液浓度与固体溶解度及其计算。
溶溶配制(浓度的不同精确度要求对仪器的选择〕、重结晶法提纯的量的估算。
洗涤操作中洗涤液的选择和洗涤方式的选择。
重结晶溶剂(包括混合溶剂)的选择。
4.容量分析的基本概念¬ not;——被测物、标准溶液、指示剂、滴定反应等。
分析结果计算。
滴定曲线与突跃概念〔酸碱强度、浓度、溶剂极性对滴定突跃大小的定性关系。
不要求滴定曲线定量计算)。
全国高中化学竞赛大纲决赛:本基本要求在初赛要求基础上增加下列内容,不涉及微积分。
1. 原子结构。
四个量子数的物理意义及取值。
单电子原子轨道能量的计算。
S、p、d原子轨道图像。
2. 分子结构。
分子轨道基本概念。
定域键键级。
分子轨道理论对氧分子、氮分子、一氧化碳分子、一氧化氮分子的结构和性质的解释。
一维箱中粒子能级。
超分子基本概念。
3. 晶体结构。
点阵的基本概念。
晶系。
宏观对称元素。
十四种空间点阵类型。
4. 化学热力学基础。
热力学能(内能)、焓、热容、自由能和熵的概念。
生成焓、生成自由能、标准熵及有关计算。
自由能变化与反应的方向性。
吉布斯-亥姆霍兹方程及其应用。
范特霍夫等温方程及其应用。
标准自由能与标准平衡常数。
平衡常数与温度的关系。
热化学循环。
热力学分解温度(标态与非标态)。
相、相律和相图。
克拉贝龙方程及其应用(不要求微积分)。
5. 稀溶液通性(不要求化学势)。
6. 化学动力学基础。
反应速率基本概念。
反应级数。
用实验数据推求反应级数。
一级反应积分式及有关计算(速率常数、半衰期、碳-14法推断年代等等)。
阿累尼乌斯方程及计算(活化能的概念与计算;速率常数的计算;温度对速率常数影响的计算等)。
活化能与反应热的关系。
反应机理一般概念。
推求速率方程。
催化剂对反应影响的本质。
7. 酸碱质子理论。
缓冲溶液。
利用酸碱平衡常数的计算。
溶度积原理及有关计算。
8. Nernst方程及有关计算。
原电池电动势的计算。
pH对原电池的电动势、电极电势、氧化还原反应方向的影响。
沉淀剂、络合剂对氧化还原反应方向的影响。
9. 配合物的配位场理论的初步认识。
配合物的磁性。
分裂能与稳定化能。
利用配合物的平衡常数的计算。
络合滴定。
软硬酸碱。
10. 元素化学描述性知识达到国际竞赛大纲三级水平。
11. 自然界氮、氧、碳的循环。
环境污染及治理、生态平衡、绿色化学的一般概念。
12. 有机化学描述性知识达到国际竞赛大纲三级水平(不要求不对称合成,不要求外消旋体拆分)。
全国高中学生化学(奥林匹克)竞赛基本要求说明:1.本基本要求旨在明确全国高中学生化学竞赛初赛及决赛试题的知识水平,作为试题命题的依据。
本基本要求不包括国家代表队选手选拔赛的要求。
2.现行中学化学教学大纲、普通高中化学课程标准及高考说明规定的内容均属初赛要求。
高中数学、物理、生物、地理与环境科学等学科的基本内容(包括与化学相关的我国基本国情、宇宙、地球的基本知识等)也是本化学竞赛的内容。
初赛基本要求对某些化学原理的定量关系、物质结构、立体化学和有机化学作适当补充,一般说来,补充的内容是中学化学内容的自然生长点。
3.决赛基本要求在初赛基本要求的基础上作适当补充和提高。
4.全国高中学生化学竞赛是学生在教师指导下的研究性学习,是一种课外活动。
针对竞赛的课外活动的总时数是制定竞赛基本要求的重要制约因素。
本基本要求估计初赛基本要求需40单元(每单元3小时)的课外活动(注:40单元是按高一、高二两年约40周,每周一单元计算的);决赛基本要求需追加30单元课外活动(其中实验至少10单元)(注:30单元是按10、11和12月共三个月约14周,每周2~3个单元计算的)。
5.最近三年同一级别竞赛试题所涉及的符合本基本要求的知识自动成为下届竞赛的要求。
6.本基本要求若有必要做出调整,在竞赛前4个月发出通知。
新基本要求启用后,原基本要求自动失效。
初赛基本要求1.有效数字在化学计算和化学实验中正确使用有效数字。
定量仪器(天平、量筒、移液管、滴定管、容量瓶等等)测量数据的有效数字。
数字运算的约化规则和运算结果的有效数字。
实验方法对有效数字的制约。
2.气体理想气体标准状况(态)。
理想气体状态方程。
气体常量R。
体系标准压力。
分压定律。
气体相对分子质量测定原理。
气体溶解度(亨利定律)。
3.溶液溶液浓度。
溶解度。
浓度和溶解度的单位与换算。
溶液配制(仪器的选择)。
重结晶方法以及溶质/溶剂相对量的估算。
过滤与洗涤(洗涤液选择、洗涤方式选择)。
全国高中学生化学(奥林匹克)竞赛基本要求说明:1.本基本要求旨在明确全国高中学生化学竞赛初赛及决赛试题的知识水平,作为试题命题的依据。
本基本要求不包括国家代表队选手选拔赛的要求。
2.现行中学化学教学大纲、普通高中化学课程标准及高考说明规定的内容均属初赛要求。
高中数学、物理、生物、地理与环境科学等学科的基本内容(包括与化学相关的我国基本国情、宇宙、地球的基本知识等)也是本化学竞赛的内容。
初赛基本要求对某些化学原理的定量关系、物质结构、立体化学和有机化学作适当补充,一般说来,补充的内容是中学化学内容的自然生长点。
3.决赛基本要求在初赛基本要求的基础上作适当补充和提高。
4.全国高中学生化学竞赛是学生在教师指导下的研究性学习,是一种课外活动。
针对竞赛的课外活动的总时数是制定竞赛基本要求的重要制约因素。
本基本要求估计初赛基本要求需40单元(每单元3小时)的课外活动(注:40单元是按高一、高二两年约40周,每周一单元计算的);决赛基本要求需追加30单元课外活动(其中实验至少10单元)(注:30单元是按10、11和12月共三个月约14周,每周2~3个单元计算的)。
5.最近三年同一级别竞赛试题所涉及的符合本基本要求的知识自动成为下届竞赛的要求。
6.本基本要求若有必要做出调整,在竞赛前4个月发出通知。
新基本要求启用后,原基本要求自动失效。
初赛基本要求1.有效数字在化学计算和化学实验中正确使用有效数字。
定量仪器(天平、量筒、移液管、滴定管、容量瓶等等)测量数据的有效数字。
数字运算的约化规则和运算结果的有效数字。
实验方法对有效数字的制约。
2.气体理想气体标准状况(态)。
理想气体状态方程。
气体常量R。
体系标准压力。
分压定律。
气体相对分子质量测定原理。
气体溶解度(亨利定律)。
3.溶液溶液浓度。
溶解度。
浓度和溶解度的单位与换算。
溶液配制(仪器的选择)。
重结晶方法以及溶质/溶剂相对量的估算。
过滤与洗涤(洗涤液选择、洗涤方式选择)。
重结晶和洗涤溶剂(包括混合溶剂)的选择。
胶体。
分散相和连续相。
胶体的形成和破坏。
胶体的分类。
胶粒的基本结构。
4.容量分析被测物、基准物质、标准溶液、指示剂、滴定反应等基本概念。
酸碱滴定曲线(酸碱强度、浓度、溶剂极性对滴定突跃影响的定性关系)。
酸碱滴定指示剂的选择。
以高锰酸钾、重铬酸钾、硫代硫酸钠、EDTA为标准溶液的基本滴定反应。
分析结果的计算。
分析结果的准确度和精密度。
5.原子结构核外电子的运动状态: 用s、p、d等表示基态构型(包括中性原子、正离子和负离子)核外电子排布。
电离能、电子亲合能、电负性。
6.元素周期律与元素周期系周期。
1~18族。
主族与副族。
过渡元素。
主、副族同族元素从上到下性质变化一般规律;同周期元素从左到右性质变化一般规律。
原子半径和离子半径。
s、p、d、ds、f区元素的基本化学性质和原子的电子构型。
元素在周期表中的位置与核外电子结构(电子层数、价电子层与价电子数)的关系。
最高氧化态与族序数的关系。
对角线规则。
金属与非金属在周期表中的位置。
半金属(类金属)。
主、副族的重要而常见元素的名称、符号及在周期表中的位置、常见氧化态及其主要形体。
铂系元素的概念。
7.分子结构路易斯结构式。
价层电子对互斥模型。
杂化轨道理论对简单分子(包括离子)几何构型的解释。
共价键。
键长、键角、键能。
σ键和π键。
离域π键。
共轭(离域)体系的一般性质。
等电子体的一般概念。
键的极性和分子的极性。
相似相溶规律。
对称性基础(限旋转和旋转轴、反映和镜面、反演和对称中心)。
8.配合物路易斯酸碱。
配位键。
重要而常见的配合物的中心离子(原子)和重要而常见的配体(水、羟离子、卤离子、拟卤离子、氨、酸根离子、不饱和烃等)。
螯合物及螯合效应。
重要而常见的配合反应。
配合反应与酸碱反应、沉淀反应、氧化还原反应的关系(定性说明)。
配合物几何构型和异构现象的基本概念和基本事实。
配合物的杂化轨道理论。
用杂化轨道理论说明配合物的磁性和稳定性。
用八面体配合物的晶体场理论说明Ti(H2O)63+的颜色。
软硬酸碱的基本概念和重要的软酸软碱和硬酸硬碱。
9.分子间作用力范德华力、氢键以及其他分子间作用力的能量及与物质性质的关系。
10.晶体结构分子晶体、原子晶体、离子晶体和金属晶体。
晶胞(定义、晶胞参数和原子坐标)及以晶胞为基础的计算。
点阵(晶格)能。
配位数。
晶体的堆积与填隙模型。
常见的晶体结构类型:NaCl、CsCl、闪锌矿(ZnS)、萤石(CaF2)、金刚石、石墨、硒、冰、干冰、金红石、二氧化硅、钙钛矿、钾、镁、铜等。
11.化学平衡平衡常数与转化率。
弱酸、弱碱的电离常数。
溶度积。
利用平衡常数的计算。
熵(混乱度)的初步概念及与自发反应方向的关系。
12.离子方程式的正确书写。
13.电化学氧化态。
氧化还原的基本概念和反应式的书写与配平。
原电池。
电极符号、电极反应、原电池符号、原电池反应。
标准电极电势。
用标准电极电势判断反应的方向及氧化剂与还原剂的强弱。
电解池的电极符号与电极反应。
电解与电镀。
电化学腐蚀。
常见化学电源。
pH、络合剂、沉淀剂对氧化还原反应影响的说明。
14.元素化学卤素、氧、硫、氮、磷、碳、硅、锡、铅、硼、铝。
碱金属、碱土金属、稀有气体。
钛、钒、铬、锰、铁、钴、镍、铜、银、金、锌、汞、钼、钨。
过渡元素氧化态。
氧化物和氢氧化物的酸碱性和两性。
常见难溶物。
氢化物的基本分类和主要性质。
常见无机酸碱的基本性质。
水溶液中的常见离子的颜色、化学性质、定性检出(不包括特殊试剂)和一般分离方法。
制备单质的一般方法。
15.有机化学有机化合物基本类型——烷、烯、炔、环烃、芳香烃、卤代烃、醇、酚、醚、醛、酮、酸、酯、胺、酰胺、硝基化合物以及磺酸的命名、基本性质及相互转化。
异构现象。
加成反应。
马可尼科夫规则。
取代反应。
芳环取代反应及定位规则。
芳香烃侧链的取代反应和氧化反应。
碳链增长与缩短的基本反应。
分子的手性及不对称碳原子的R、S构型判断。
糖、脂肪、蛋白质的基本概念、通式和典型物质、基本性质、结构特征及结构表达式。
16. 天然高分子与合成高分子化学的初步知识(单体、主要合成反应、主要类别、基本性质、主要应用)。
决赛基本要求本基本要求在初赛要求基础上增加下列内容,数学工具不涉及微积分。
1.原子结构四个量子数的物理意义及取值。
氢原子和类氢离子的原子轨道能量的计算。
s、p、d原子轨道轮廓图及应用。
2.分子结构分子轨道基本概念。
定域键键级。
分子轨道理论对氧分子、氮分子、一氧化碳分子、一氧化氮分子的结构和性质的理解及应用。
一维箱中粒子模型对共轭体系电子吸收光谱的解释。
超分子的基本概念。
3.晶体结构点阵的基本概念。
晶系。
根据宏观对称元素确定晶系。
晶系与晶胞形状的关系。
十四种空间点阵类型。
点阵的带心(体心、面心、底心)结构的判别。
正当晶胞。
布拉格方程。
4.化学热力学基础热力学能(内能)、焓、热容、自由能和熵。
生成焓、生成自由能、标准熵及有关计算。
反应的自由能变化与反应的方向性。
吉布斯-亥姆霍兹方程及其应用。
范特霍夫等温方程及其应用。
标准自由能与标准平衡常数。
平衡常数与温度的关系。
热化学循环。
相、相律和单组分相图。
克拉贝龙方程及其应用。
5.稀溶液的通性(不要求化学势)。
6.化学动力学基础反应速率基本概念。
速率方程。
反应级数。
用实验数据推求反应级数。
一级反应积分式及有关计算(速率常数、半衰期、碳-14法断代等)。
阿累尼乌斯方程及计算(活化能的概念与计算;速率常数的计算;温度对速率常数影响的计算等)。
反应进程图。
活化能与反应热的关系。
反应机理一般概念及推求速率方程(速控步骤、平衡假设和稳态假设)。
离子反应机理和自由基反应机理基本概念及典型实例。
催化剂及对反应的影响(反应进程图)。
多相反应的反应分子数和转化数。
7.酸碱质子理论缓冲溶液的基本概念、典型缓冲体系的配制和pH计算。
利用酸碱平衡常数的计算。
溶度积原理及有关计算。
8.Nernst方程及有关计算。
原电池电动势的计算。
pH对原电池的电动势、电极电势、氧化还原反应方向的影响。
沉淀剂、络合剂对氧化还原反应方向的影响。
用自由能计算电极电势和平衡常数或反之。
9.配合物的晶体场理论化学光谱序列。
配合物的磁性。
分裂能、电子成对能、稳定化能。
利用配合物平衡常数的计算。
络合滴定。
软硬酸碱。
配位场理论对八面体配合物的解释。
10.元素化学描述性知识达到国际竞赛大纲二级水平。
11.自然界氮、氧、碳的循环。
环境污染及治理、生态平衡、绿色化学的一般概念。
12.有机化学描述性知识达到国际竞赛大纲二级水平(不要求不对称合成,不要求外消旋体拆分)。
13.氨基酸、多肽与蛋白质的基本概念。
DNA与RNA。
14.糖的基本概念。
葡萄糖、果糖、甘露糖、半乳糖。
糖苷。
纤维素与淀粉。
15.有机立体化学基本概念。
构型与构象。
顺反异构(trans-、cis-和Z-、E-构型)。
对映异构与非对映异构。
endo-和exo-。
D,L构型。
16.利用有机物的基本反应对简单化合物的鉴定和结构推断。
17.制备与合成的基本操作用电子天平称量。
配制溶液、加热、冷却、沉淀、结晶、重结晶、过滤(含抽滤)、洗涤、浓缩蒸发、常压蒸馏与回流、倾析、分液、搅拌、干燥。
通过中间过程检测(如pH、温度、颜色等)对实验条件进行控制。
产率和转化率的计算。
实验室安全与事故紧急处置的知识与操作。
废弃物处置。
仪器洗涤与干燥。
实验工作台面的安排和整理。
原始数据的记录与处理。
18.常见容量分析的基本操作、基本反应及分析结果的计算。
容量分析的误差分析。
19.分光光度法。
比色分析。