梯形螺纹基本尺寸
- 格式:xls
- 大小:63.51 KB
- 文档页数:5
30度梯形螺纹标准螺距表普通螺纹直径与螺距系列GB/T193 —1981普通螺纹基本尺寸GB/T196 —1981普通螺纹公差与配合GB/T197 —1981普通螺纹偏差表GB/T2516 —1981商品紧固件的普通螺纹选用系列JB/T7912 —1999商品紧固件的中等精度普通螺纹极限尺寸GB/T9145 —1988 光学螺纹光学仪器特种细牙螺纹ZBN30006—1988光学仪器用目镜螺纹JB/T8204—1995光学仪器用短牙螺纹JB/T5450-1991紧配合螺纹过渡配合螺纹GB/T1167—1996过盈配合螺纹GB/T1181—1998小螺纹小螺纹牙型GB/T1505 4.1—1994小螺纹直径与螺距系列GB/T1505 4.2—1994小螺纹基本尺寸GB/T1505 4.3—1994小螺纹公差GB/T15054.4-1994小螺纹极限尺寸GB/T15054.5-1994MJ螺纹MJ螺纹基本牙型GJB/T3.1 —1982MJ螺纹螺栓与螺母螺纹的尺寸与公差GJB/T3.2 —1982MJ螺纹管路件螺纹的尺寸与公差GJB/T3.3 —1985MJ螺纹结构件的尺寸与公差GJB/T3.4 —1985MJ螺纹计算公式GJB/T3.5 —1985MJ螺纹首尾GJB52-1985梯形螺纹梯形螺纹牙型GB/T5796 .1—1986梯形螺纹直径与螺距系列GB/T5796 .2—1986梯形螺纹基本尺寸GB/T5796 .3—1986梯形螺纹公差GB/T5796 .4—1986梯形螺纹极限尺寸GB/T12359—1990机床梯形螺纹丝杠、螺母技术条件JB/T2886—1992锻钢阀门用短牙梯形螺纹JB/TQ374—1985锯齿形螺纹锯齿形(3 °、30°)螺纹牙型GB/T13576.1—1992 锯齿形(3 °、30°)螺纹直径与螺距系列GB/T13576.2—1992 锯齿形(3 °、30°)螺纹基本尺寸GB/T13576.3—1992锯齿形(3 °、30°)螺纹公差GB/T13576.4—1992水压机45 °锯齿形螺纹牙型与基本尺寸JB2076—1984管螺纹用螺纹密封的管螺纹GB/T7306 —1987非螺纹密封的管螺纹GB/T7307 —198760°圆锥管螺纹GB/T12716—1991米制锥螺纹GB/T1415—1992管路旋入端用普通螺纹尺寸系列GB/T1414—1978气瓶专用螺纹GB/T8335-1998通用基准螺纹术语GB/T1479 1—1993。
梯形螺纹尺寸对照表梯形螺纹在工业发展中扮演着重要的作用,其尺寸具有多种规格,梯形螺纹尺寸对照表是了解梯形螺纹标准尺寸的重要参考资料。
下面将介绍梯形螺纹尺寸对照表,以及各尺寸之间的关系和差异。
梯形螺纹尺寸对照表是指列出梯形螺纹标准尺寸的一个表格。
梯形螺纹尺寸对照表通常分为三个部分:一个部分包含内螺纹尺寸(称为主尺寸),另一个部分包含一般的外螺纹尺寸(称为次尺寸),还有一个部分包含特殊尺寸(称为特殊尺寸)。
表中所列出的每一个尺寸都包含四个参数:直径、孔径、螺距和螺纹深度。
梯形螺纹尺寸对照表中的主尺寸一般用于螺纹组件的标准尺寸,主要用于安装常规的内螺纹和外螺纹部件。
例如,标准的M6 1.0mm内螺纹直径为6mm,孔径为1 mm,螺距为1 mm,螺纹深度为1.29 mm,而其对应的M6 1.0mm外螺纹直径为6mm,孔径为1mm,螺距为1 mm,螺纹深度为1.76 mm。
梯形螺纹尺寸对照表中的次尺寸一般用于标准化组件的次尺寸,其特殊尺寸可用于特殊应用。
例如,主要应用于汽车制动系统的M10 1.25mm外螺纹直径为10mm,孔径为1.25 mm,螺距为1.25 mm,螺纹深度为1.76 mm,而用于汽车发动机气缸盖和气缸套之间的M20 1.5mm 外螺纹直径为20mm,孔径为1.5mm,螺距为1.5mm,螺纹深度为2.21mm。
梯形螺纹尺寸对照表中的特殊尺寸一般用于特殊应用,或者用于特定的组件。
特殊尺寸的直径可能比次尺寸更大,而孔径也可能比次尺寸更大。
例如,在一些螺纹产品中,为了节省成本并增加强度,可以使用特殊尺寸。
例如,用于国内某种自动化产品的M30 1.5mm外螺纹直径为30mm,孔径为1.5mm,螺距为1.5mm,螺纹深度为2.66mm。
梯形螺纹尺寸对照表的主尺寸、次尺寸和特殊尺寸之间的差异在于直径、孔径、螺距和螺纹深度的大小。
这些参数的不同维度不仅直接影响着梯形螺纹的尺寸,而且也会影响螺纹的性能和使用寿命。
梯形螺纹(内外螺纹)基本尺寸表螺距2-24梯形螺纹是一种常见的螺纹结构,它具有内外两种螺纹形式,被广泛应用于机械制造、汽车制造、航空航天等领域。
梯形螺纹的基本尺寸对于螺纹的加工和使用至关重要,下面我们将介绍梯形螺纹的基本尺寸表,并对螺距为2-24的梯形螺纹进行详细解析。
梯形螺纹的基本尺寸包括螺纹直径、螺距、螺纹高度、螺纹角等参数。
这些参数的精准度和符合标准对于螺纹的配合、连接和传动性能起着至关重要的作用。
下面是梯形螺纹的基本尺寸表:螺距 | 螺纹直径 | 螺纹高度 | 螺纹角。
2 | 4 | 0.5 | 30。
3 | 5 | 0.75 | 30。
4 | 6 | 1 | 30。
5 | 7 | 1.25 | 30。
6 | 8 | 1.5 | 30。
8 | 10 | 2 | 30。
10 | 13 | 2.5 | 30。
12 | 16 | 3 | 30。
14 | 18 | 3.5 | 30。
16 | 21 | 4 | 30。
18 | 23 | 4.5 | 30。
20 | 25 | 5 | 30。
22 | 28 | 5.5 | 30。
24 | 30 | 6 | 30。
从上表可以看出,梯形螺纹的螺距范围为2-24,螺距越大,螺纹的间距越大,螺纹的高度和直径也会相应增加。
螺纹角为30度,这是梯形螺纹的标准角度,它决定了螺纹的牙型和牙距。
在实际应用中,梯形螺纹的基本尺寸表可以作为加工和检测的参考,确保螺纹的质量和精度。
对于螺距为2-24的梯形螺纹,我们需要特别关注以下几点:1. 螺距为2-24的梯形螺纹的加工工艺需要根据不同的螺距进行调整,确保螺纹的牙型和牙距符合标准要求。
加工过程中需要使用合适的刀具和设备,保证螺纹的精度和表面质量。
2. 螺距为2-24的梯形螺纹的配合要求严格,螺纹的连接和传动性能直接影响机械设备的使用效果和安全性。
在螺纹的配合过程中,需要严格按照基本尺寸表进行检测和调整,确保螺纹的配合间隙符合标准要求。
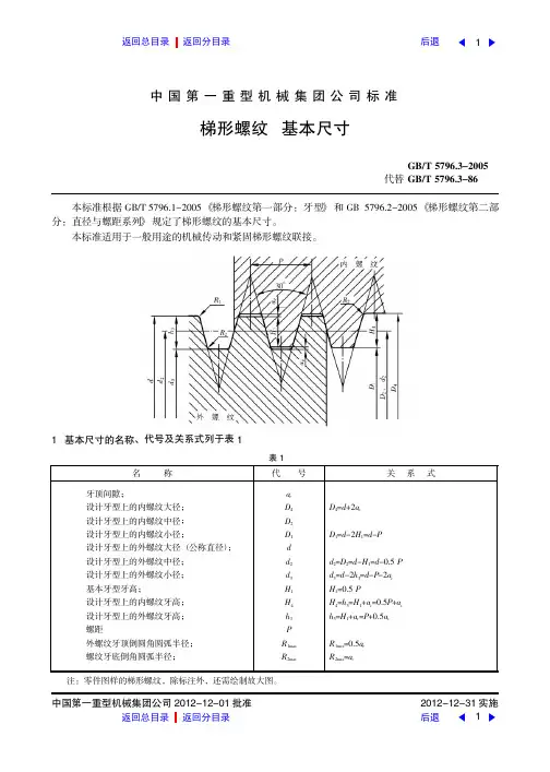
1基本尺寸的名称、代号及关系式列于表1中国第一重型机械集团公司标准梯形螺纹基本尺寸GB /T 5796.3-2005代替GB /T 5796.3-86本标准根据GB /T 5796.1-2005《梯形螺纹第一部分:牙型》和GB 5796.2-2005《梯形螺纹第二部分:直径与螺距系列》规定了梯形螺纹的基本尺寸。
本标准适用于一般用途的机械传动和紧固梯形螺纹联接。
名称代号关系式牙顶间隙;设计牙型上的内螺纹大径;设计牙型上的内螺纹中径;设计牙型上的内螺纹小径;设计牙型上的外螺纹大径(公称直径);设计牙型上的外螺纹中径;设计牙型上的外螺纹小径;基本牙型牙高;设计牙型上的内螺纹牙高;设计牙型上的外螺纹牙高;螺距外螺纹牙顶倒圆角圆弧半径;螺纹牙底倒角圆弧半径;a cD 4D 2D 1d d 2d 3H 1H 4h 3P R 1max R 2maxD 4=d+2a cD 1=d-2H 1=d-Pd 2=D 2=d-H 1=d-0.5P d 3=d-2h 3=d -P -2a c H 1=0.5PH 4=h 3=H 1+a c =0.5P +a c h 3=H 1+a c =P +0.5a c R 1max =0.5a c R 2max =a c表1注:零件图样的梯形螺纹,除标注外,还需绘制放大图。
中国第一重型机械集团公司2012-12-01批准2012-12-31实施1返回总目录返回分目录后退2各直径基本尺寸列于表2表2基本尺寸mm公称直径d螺距P 中径d 2=D 2大径D 4小径第一系列d 3D 181.57.2508.3006.2006.5001.528.2508.0009.3009.5007.2006.5007.5007.000101.529.2509.00010.30010.5008.2007.5008.5008.0002310.0009.50011.50011.5008.5007.5009.0008.000122311.00010.50012.50012.5009.5008.50010.0009.0002313.00012.50014.50014.50011.50010.50012.00011.000162415.00014.00016.50016.50013.50011.50014.00012.0002417.00016.00018.50018.50015.50013.50016.00014.000202419.00018.00020.50020.50017.50015.50018.00016.00035820.50019.50018.00022.50022.50023.00018.50016.50013.00019.00017.00014.0002435822.50021.50020.00024.50024.50025.00020.50018.50015.00021.00019.00016.00035824.50023.50022.00026.50026.50027.00022.50020.50017.00023.00021.00018.0002835826.50025.50024.00028.50028.50029.00024.50022.50019.00025.00023.00020.000361028.50027.00025.00030.50031.00031.00026.50023.00019.00027.00024.00020.00032361030.50029.00027.00032.50033.00033.00028.50025.00021.00029.00026.00022.000第二系列第三系列9111418222630公称直径d螺距P 中径d2=D2大径D4小径第一系列d3D13 6 1032.50031.00029.00034.50035.00035.00030.50027.00023.00031.00028.00024.00036361034.50033.00031.00036.50037.00037.00032.50029.00025.00033.00030.00026.000 371036.50034.50033.00038.50039.00039.00034.50030.00027.00035.00031.00028.00040371038.50036.50035.00040.50041.00041.00036.50032.00029.00037.00033.00030.000 371040.50038.50037.00042.50043.00043.00038.50034.00031.00039.00035.00032.00044371242.50040.50038.00044.50045.00045.00040.50036.00031.00041.00037.00032.000 381244.50042.00040.00046.50047.00047.00042.50037.00033.00043.00038.00034.00048381246.50044.00042.00048.50049.00049.00044.50039.00035.00045.00040.00036.000 381248.50046.00044.00050.50051.00051.00046.50041.00037.00047.00042.00038.00052381250.50048.00046.00052.50053.00053.00048.50043.00039.00049.00044.00040.000 391453.50050.50048.00055.50056.00057.00051.50045.00039.00052.00046.00041.00060391458.50055.50053.00060.50061.00062.00056.50050.00044.00057.00051.00046.0004101663.00060.00057.00065.50066.00067.00060.50054.00047.00061.00055.00049.000第二系列第三系列34384246505565公称直径d螺距P 中径d2=D2大径D4小径第一系列d3D1704101668.00065.00062.00070.50071.00072.00065.50059.00052.00066.00060.00054.000 4101673.00070.00067.00075.50076.00077.00070.50064.00057.00071.00065.00059.000804101678.00075.00072.00080.50081.00082.00075.50069.00062.00076.00070.00064.000 4121883.00079.00076.00085.50086.00087.00080.50072.00065.00081.00073.00067.000904121888.00084.00081.00090.50091.00092.00085.50077.00070.00086.00078.00072.000 4121893.00089.00086.00095.50096.00097.00090.50082.00075.00091.00083.00077.0001004122098.00094.00090.000100.500101.000102.00095.50087.00078.00096.00088.00080.000 41220103.00099.00095.000105.000106.000107.000100.00092.00083.000101.00093.00085.000 41220108.000104.000100.000110.500111.000112.000105.50097.00088.000106.00098.00090.000 61422112.000108.000104.000116.000117.000117.000108.00099.00091.000109.000101.00093.00012061422117.000113.000109.000121.000122.000122.000113.000104.00096.000114.000106.00098.00061422122.000118.000114.000126.000127.000127.000118.000109.000101.000119.000111.000103.00061422127.000123.000119.000131.000132.000132.000123.000114.000106.000124.000116.000108.000第二系列第三系列758595105110115125130公称直径d螺距P 中径d 2=D 2大径D 4小径第一系列d 3D 161424132.000128.000123.000136.000137.000137.000128.000119.000109.000129.000121.000111.00014061424137.000133.000128.000141.000142.000142.000133.000124.000114.000134.000126.000116.00061424142.000138.000133.000146.000147.000147.000138.000129.000119.000139.000131.000121.00061624147.000142.000138.000151.000152.000152.000143.000132.000124.000144.000134.000126.00061624152.000147.000143.000156.000157.000157.000148.000137.000129.000149.000139.000131.00016061628157.000152.000146.000161.000162.000162.000153.000142.000130.000154.000144.000132.00061628162.000157.000151.000166.000167.000167.000158.000147.000135.000159.000149.000137.00061628167.000162.000156.000171.000172.000172.000163.000152.000140.000164.000154.000142.00081628171.000167.000161.000176.000177.000177.000166.000157.000145.000167.000159.000147.00018081828176.000171.000166.000181.000182.000182.000171.000160.000150.000172.000162.000152.00081832181.000176.000169.000186.000187.000187.000176.000165.000151.000177.000167.000153.00081832186.000181.000174.000191.000192.000192.000181.000170.000156.000182.000172.000158.00081832191.000186.000179.000196.000197.000197.000186.000175.000161.000187.000177.000163.00020081832196.000191.000184.000201.000202.000202.000191.000180.000166.000192.000182.000168.000第二系列第三系列135145150155165170175185190195公称直径d螺距P 中径d 2=D 2大径D 4小径第一系列d 3D 182036206.000200.000192.000211.000212.000212.000201.000188.000172.000202.000190.000174.00022082036216.000210.000202.000221.000222.000222.000211.000198.000182.000212.000200.000184.00082036226.000220.000212.000231.000232.000232.000221.000208.000192.000222.000210.000194.00024082236236.000229.000222.000241.000242.000242.000231.000216.000202.000232.000218.000204.000122240244.000239.000230.000251.000252.000252.000237.000226.000208.000238.000228.000210.000260122240254.000249.000240.000261.000262.000262.000247.000236.000218.000248.000238.000220.000122440264.000258.000250.000271.000272.000272.000257.000244.000228.000258.000246.000230.000280122440274.000268.000260.000281.000282.000282.000267.000254.000238.000268.000256.000240.000122444284.000278.000268.000291.000292.000292.000277.000264.000244.000278.000266.000246.000300122444294.000288.000278.000301.000302.000302.000287.000274.000254.000288.000276.000256.000第二系列第三系列210230250270290。
梯形螺纹内外螺纹基本尺寸表螺距梯形螺纹内外螺纹基本尺寸表螺距。
梯形螺纹是一种常见的机械连接元件,它广泛应用于机械设备、汽车、航空航天等领域。
梯形螺纹具有良好的抗拉强度和密封性能,因此在工程中得到了广泛的应用。
梯形螺纹的尺寸标准化是非常重要的,它可以确保不同厂家生产的螺纹元件之间能够互换使用,降低了生产成本,提高了生产效率。
梯形螺纹的基本尺寸包括螺距、螺纹直径、螺纹长度等。
其中,螺距是梯形螺纹的一个重要参数,它决定了螺纹每一圈的螺纹数量和螺距的大小。
螺距的大小直接影响到螺纹的使用性能和承载能力。
因此,对于梯形螺纹的螺距尺寸表格的制定和使用是非常重要的。
内外螺纹的基本尺寸表螺距是按照国际标准化组织(ISO)制定的标准进行设计的。
根据ISO标准,梯形螺纹的螺距是按照公制单位进行规定的,主要包括粗螺纹和细螺纹两种类型。
粗螺纹的螺距范围为0.5mm至6mm,细螺纹的螺距范围为0.25mm至3mm。
在实际应用中,根据不同的工程要求和材料特性,可以选择不同螺距的梯形螺纹。
除了螺距外,梯形螺纹的基本尺寸表还包括螺纹直径、螺纹长度、螺纹角度等参数。
这些参数的规定可以帮助工程师和设计师在设计和选择梯形螺纹时进行参考和计算,确保螺纹元件的质量和使用性能。
在实际生产和使用中,梯形螺纹的基本尺寸表螺距是非常重要的。
它可以帮助生产厂家制定生产工艺和生产设备,确保生产出符合要求的螺纹元件。
同时,基本尺寸表还可以帮助使用者正确选择和安装梯形螺纹,确保螺纹元件的正常使用和性能。
总之,梯形螺纹的基本尺寸表螺距是梯形螺纹设计和使用中的重要参考依据,它可以帮助生产厂家和使用者正确选择和使用梯形螺纹,确保螺纹元件的质量和性能。
因此,在实际工程中,需要严格按照国际标准化组织(ISO)的标准进行设计和使用梯形螺纹,以确保工程的质量和安全。
公制梯形螺纹尺寸对照表公制梯形螺纹是一种常用的螺纹标准,其尺寸对照表是工程设计和制造中不可或缺的参考资料。
本文将从公制梯形螺纹的定义、特点、尺寸对照表的组成以及常见尺寸进行介绍,帮助读者更好地了解和应用公制梯形螺纹尺寸对照表。
一、公制梯形螺纹的定义和特点公制梯形螺纹是一种以等腰梯形为截面的螺纹形状,常用于连接和固定零部件。
其特点是牢固可靠、承载能力强、拆卸方便等。
公制梯形螺纹的标准规定了其螺距、螺纹高度、螺纹角度等参数,以确保螺纹的互换性和可靠性。
公制梯形螺纹尺寸对照表通常由以下几个部分组成:螺纹直径、螺距、螺纹高度、螺纹角度等。
螺纹直径表示螺纹的外径或内径尺寸,螺距表示相邻螺纹之间的距离,螺纹高度表示螺纹的高度或深度,螺纹角度表示螺纹的斜率或倾斜角度。
三、公制梯形螺纹尺寸对照表的常见尺寸公制梯形螺纹尺寸对照表中常见的螺纹尺寸有M2、M2.5、M3、M4、M5、M6、M8、M10、M12、M14等。
其中,M表示公制螺纹的意思,数字表示螺纹直径的大小,单位为毫米。
例如,M8表示螺纹直径为8毫米的公制梯形螺纹。
四、公制梯形螺纹尺寸对照表的应用公制梯形螺纹尺寸对照表广泛应用于机械制造、汽车制造、船舶制造、航空航天等领域。
在设计和制造过程中,工程师可以根据具体需求选择合适的螺纹尺寸,以满足连接、固定、传递力和密封等要求。
五、公制梯形螺纹尺寸对照表的注意事项在使用公制梯形螺纹尺寸对照表时,需要注意以下几点:首先,要根据实际需求选择合适的螺纹尺寸,以确保连接的牢固性和可靠性;其次,要正确使用尺寸对照表,对照表中的数值进行准确读取和理解;最后,要注意螺纹的制造和加工精度,以确保螺纹的互换性和质量要求。
六、总结公制梯形螺纹尺寸对照表是工程设计和制造中重要的参考资料,它包含了螺纹的直径、螺距、螺纹高度、螺纹角度等重要参数。
在应用过程中,我们需要根据实际需求选择合适的螺纹尺寸,并正确使用尺寸对照表。
通过对公制梯形螺纹尺寸对照表的了解和应用,我们可以更好地进行螺纹设计和制造,提高工程质量和效率。