石材干挂检验批记录
- 格式:doc
- 大小:82.50 KB
- 文档页数:4
干挂石材幕墙隐蔽工程检查验收记录石材幕墙工程检验批质量验收的主控项目1、石材幕墙工程所用材料的品种、规格、性能和等级,应符合设计要求及国家现行产品标准和工程技术规范的规定。
石材的弯曲强度不应小于8MP;吸水率应小于8%。
石材幕墙的铝合金挂件厚度不应小于4,不锈钢挂件厚度不应小于3。
观察和尺量检查;检查产品合格证书、性能检测报告、材料进场验收记录和复验报告。
、石材幕墙的造型、立面分格、颜色、光泽、花纹和图案应符合设计要求。
观察检查。
3、石材孔、槽的数量、深度、位置、尺寸应符合设计要求。
检查进场验收记录或施工记录。
4、石材幕墙主体结构上的预埋件和后置埋件的位置、数量及后置埋件的拉拔力必须符合设计要求。
检查拉拔力检测报告和隐蔽工程验收记录。
5、石材幕墙的金属框架立柱与主体结构预埋件的连接、立柱与横梁的连接、连接件与金属框架的连接、连接件与石材面板的连接必须符合设计要求,安装必须牢固。
手扳检查;检查隐蔽工程验收记录。
6、金属框架和连接件的防腐处理应符合设计要求。
检验方法:检查隐蔽工程验收记录。
、石材幕墙的防雷装置必须与主体结构防雷装置可靠连接。
观察和检查隐蔽工程验收记录和施工记录。
8、石材幕墙的防火、保温、防潮材料的设置应符合设计要求,填充应密实、均匀、厚度一致。
检查隐蔽工程验收记录。
9、各种结构变形缝、墙角的连接节点应符合设计要求和技术标准的规定。
检查隐蔽工程验收记录和施工记录。
1、石材表面和板缝的处理应符合设计要求。
观察检查。
11、石材幕墙的板缝注胶应饱满、密实、连续、均匀、无气泡,板缝宽度和厚度应符合设计要求和技术标准的规定。
观察和尺量检查;检查施工记录。
1、石材幕墙应无渗漏。
在易渗漏部位进行淋水检查。
欢迎您的下载,资料仅供参考!致力为企业和个人提供合同协议,策划案计划书,学习资料等等打造全网一站式需求。
A4干挂石材幕墙工程报验申请表工程名称:编号:石材幕墙工程检验批质量验收记录表(一)(主控项目)说明主控项目1、石材幕墙工程所用材料的品种、规格、性能和等级,应符合设计要求及国家现行产品标准和工程技术规范的规定。
石材的弯曲强度度不应小于8.0MPa;吸水率应小于0.8%。
石材幕墙的铝合金挂件厚度不应小于4.0mm。
不锈钢挂件厚度不应小于3.0mm。
观察和尺量检查;检查产品合格证书、性能检测报告、材料进场验收记录和复验报告。
2、石材幕墙的造型、立面分格、颜色、光泽、花纹和图案应符合设计要求。
观察检查。
3、石材孔、槽的数量、深度、位置、尺寸应符合设计要求。
检查进场验收记录或施工记录。
4、石材幕墙主体结构上的预埋件和后置埋件的位置、数量及后置埋件的拉拔力必须符合设计要求。
检查拉拔力检测报告和隐蔽工程验收记录。
5、石材幕墙的金属框架立柱与主体结构预埋件的连接、立柱与横粱的连接、连接件与金属框架的连接、连接件与石材面板的连接必须符合设计要求,安装必须牢固。
手扳检查;检查隐蔽工程验收记录。
6、金属框架和连接件的防腐处理应符合设计要求。
检验方法:检查隐蔽工程验收记录。
7、石材幕墙的防雷装置必须与主体结构防雷装置可靠连接。
观察和检查隐蔽工程验收记录和施工记录。
8、石材幕墙的防火、保温、防潮材料的设置应符合设计要求,填充应密实、均匀、厚度一致。
检查隐蔽工程验收记录。
9、各种结构变形缝、墙角的连接节点应符合设计要求和技术标准的规定。
检查隐蔽工程验收记录和施工记录。
10、石材表面和板缝的处理应符合设计要求。
观察检查。
11、石材幕墙的板缝注胶应饱满、密实、连续、均匀、无气泡,板缝宽度和厚度应符合设计要求和技术标准的规定。
观察和尺量检查;检查施工记录。
12、石材幕墙应无渗漏。
在易渗漏部位进行淋水检查。
石材幕墙工程检验批质量验收记录表(二)(一般项目)GB50210—2001说明(二)030703一般项目1、石材幕墙表面应平整、洁净,无污梁、缺损和裂痕。
施工单位 检查结果主控项目全部合格,一般项目满足规范规定要求监理单位 验收结论验收合格石材安装检验批质量验收记录主 控 项 目一 般 项 目5安装 允许 偏差项目专业质量检查员:2017年08月31日专业监理工程师:2017年08月31日9抽查9处,合格9处100%专业工长:接缝宽度1229/100%接缝高低差0.53-9/9抽查9处,合格9处100%抽查9处,合格9处100%墙裙勒角上口直线度2339/9抽查9处,合格9处9抽查9处,合格9处100%接缝直线度2449/9/9抽查9处,合格9处100%阴阳角方正2449/9/9抽查9处,合格9处100%表面平整度2319立面垂直度233项目抽查9处,合格9处100%允许偏差(mm)石材光面剁斧石蘑菇石最小/实际 抽样数量检查记录检查 结果4饰面板孔洞套割第8.2.8条9/9抽查9处,合格9处100%3湿作业施工第8.2.7条9/9抽查9处,合格9处100%2饰面板嵌缝第8.2.6条9/9抽查9处,合格9处√1饰面板表面质量第8.2.5条9/9抽查9处,合格9处100%3饰面板安装第8.2.4条9/9质量证明文件齐全,试验合格,报告编号×××√2饰面板孔、槽、位置、尺寸第8.2.3条9/9抽查9处,合格9处√1饰面板品种、规格、质量第8.2.2条/施工依据《住宅装饰装修工程施工规范》GB50327-2001验收依据《建筑装饰装修工程施工质量验收规范》GB50210-2001验收项目设计要求及 规范规定最小/实际 抽样数量检查记录检查 结果分包单位/分包单位项目 负责人/检验批部位施工单位项目负责人检验批容量900㎡GD-C5-711189单位(子单位) 工程名称分部(子分部) 工程名称建筑装饰装修-饰面板分项工程名称石板安装。
干挂石材幕墙 隐蔽工程检查验收记录石材幕墙工程检验批质量验收的主控项目、石材幕墙工程所用材料的品种、规格、性能和等级,应符合设计要求及国家现行产品标准和工程技术规范的规定。
石材的弯曲强度不应小于 ;吸水率应小于 。
石材幕墙的铝合金挂件厚度不应小于 ,不锈钢挂件厚度不应小于 。
观察和尺量检查;检查产品合格证书、性能检测报告、材料进场验收记录和复验报告。
、石材幕墙的造型、立面分格、颜色、光泽、花纹和图案应符合设计要求。
观察检查。
、石材孔、槽的数量、深度、位置、尺寸应符合设计要求。
检查进场验收记录或施工记录。
、石材幕墙主体结构上的预埋件和后置埋件的位置、数量及后置埋件的拉拔力必须符合设计要求。
检查拉拔力检测报告和隐蔽工程验收记录。
、石材幕墙的金属框架立柱与主体结构预埋件的连接、立柱与横梁的连接、连接件与金属框架的连接、连接件与石材面板的连接必须符合设计要求,安装必须牢固。
手扳检查;检查隐蔽工程验收记录。
、金属框架和连接件的防腐处理应符合设计要求。
检验方法:检查隐蔽工程验收记录。
、石材幕墙的防雷装置必须与主体结构防雷装置可靠连接。
观察和检查隐蔽工程验收记录和施工记录。
、石材幕墙的防火、保温、防潮材料的设置应符合设计要求,填充应密实、均匀、厚度一致。
检查隐蔽工程验收记录。
、各种结构变形缝、墙角的连接节点应符合设计要求和技术标准的规定。
检查隐蔽工程验收记录和施工记录。
、石材表面和板缝的处理应符合设计要求。
观察检查。
、石材幕墙的板缝注胶应饱满、密实、连续、均匀、无气泡,板缝宽度和厚度应符合设计要求和技术标准的规定。
观察和尺量检查;检查施工记录。
、石材幕墙应无渗漏。
在易渗漏部位进行淋水检查。
石材安装检验批质量验收记录检验批石材安装检验批质量验收记录检验批1. 项目概述本是为了对石材安装工程进行质量验收的记录和检验批,旨在确保石材安装工程符合相关标准和要求。
本次石材安装工程位于[具体位置],涉及面积为[具体面积],具体工程内容包括[具体工程内容]。
2. 检验要点本次石材安装工程的质量验收将主要关注以下几个方面:2.1 石材材质及规格检查石材材质是否符合设计要求,包括石材的种类、质地、颜色、纹理等。
同时检查石材的规格是否符合设计要求,包括尺寸、厚度等。
2.2 贴面工艺检查石材的贴面工艺是否符合要求,包括平整度、垂直度、水平度等。
同时,检验背胶、胶缝填充等工艺是否符合要求。
2.3 石材安装固定检查石材的安装固定方法是否符合要求,包括使用的固定件、固定间距等。
同时检验石材的嵌缝工艺是否合格,嵌缝材料是否牢固、平整。
2.4 石材表面处理检查石材表面的处理是否符合要求,包括打磨、抛光、防护处理等。
3. 检验方法和要求根据国家相关标准和工程设计要求,采用视觉检查、量尺、取样送检、试验等方法进行石材安装质量验收。
要求检查人员具备相关专业知识和经验,并依据检验现场的具体情况采取合适的检验方法。
4. 检验结果记录根据上述检验要点和方法,记录本次石材安装工程的质量验收结果。
包括合格项、不合格项及其原因、整改措施等详细情况。
如发现不合格项,需要记录照片、样品编号等相关信息。
5. 合格证书及附件根据本次石材安装工程的质量验收结果,填写合格证书,并附上相应照片、样品等附件。
6. 法律名词及注释本所涉及的法律名词及其注释如下:6.1 建造工程质量验收规范建造工程质量验收规范是由国家相关部门颁布的,规定了建造工程质量验收的标准和要求。
6.2 石材贴面石材贴面是指将石材用胶粘贴在建造物的墙面或者地面上,作为装饰和保护材料的方式。
6.3 质量验收记录质量验收记录是对工程质量进行检验并记录的文件,用于评估工程的质量状况和进行整改。
干挂石材幕墙隐蔽工程检查验收记录石材幕墙工程检验批质量验收的主控项目1、石材幕墙工程所用材料的品种、规格、性能和等级,应符合设计要求及国家现行产品标准和工程技术规范的规定。
石材的弯曲强度不应小于8MP;吸水率应小于8%。
石材幕墙的铝合金挂件厚度不应小于4,不锈钢挂件厚度不应小于3。
观察和尺量检查;检查产品合格证书、性能检测报告、材料进场验收记录和复验报告。
、石材幕墙的造型、立面分格、颜色、光泽、花纹和图案应符合设计要求。
观察检查。
3、石材孔、槽的数量、深度、位置、尺寸应符合设计要求。
检查进场验收记录或施工记录。
4、石材幕墙主体结构上的预埋件和后置埋件的位置、数量及后置埋件的拉拔力必须符合设计要求。
检查拉拔力检测报告和隐蔽工程验收记录。
5、石材幕墙的金属框架立柱与主体结构预埋件的连接、立柱与横梁的连接、连接件与金属框架的连接、连接件与石材面板的连接必须符合设计要求,安装必须牢固。
手扳检查;检查隐蔽工程验收记录。
6、金属框架和连接件的防腐处理应符合设计要求。
检验方法:检查隐蔽工程验收记录。
、石材幕墙的防雷装置必须与主体结构防雷装置可靠连接。
观察和检查隐蔽工程验收记录和施工记录。
8、石材幕墙的防火、保温、防潮材料的设置应符合设计要求,填充应密实、均匀、厚度一致。
检查隐蔽工程验收记录。
9、各种结构变形缝、墙角的连接节点应符合设计要求和技术标准的规定。
检查隐蔽工程验收记录和施工记录。
1、石材表面和板缝的处理应符合设计要求。
观察检查。
11、石材幕墙的板缝注胶应饱满、密实、连续、均匀、无气泡,板缝宽度和厚度应符合设计要求和技术标准的规定。
观察和尺量检查;检查施工记录。
1、石材幕墙应无渗漏。
在易渗漏部位进行淋水检查。
精品文档word文档可以编辑!谢谢下载!。
干挂石材幕墙隐蔽工程检查验收记录石材幕墙工程检验批质量验收的主控项目1、石材幕墙工程所用材料的品种、规格、性能和等级,应符合设计要求及国家现行产品标准和工程技术规范的规定。
石材的弯曲强度不应小于8MP;吸水率应小于8%。
石材幕墙的铝合金挂件厚度不应小于4,不锈钢挂件厚度不应小于3。
观察和尺量检查;检查产品合格证书、性能检测报告、材料进场验收记录和复验报告。
、石材幕墙的造型、立面分格、颜色、光泽、花纹和图案应符合设计要求。
观察检查。
3、石材孔、槽的数量、深度、位置、尺寸应符合设计要求。
检查进场验收记录或施工记录。
4、石材幕墙主体结构上的预埋件和后置埋件的位置、数量及后置埋件的拉拔力必须符合设计要求。
检查拉拔力检测报告和隐蔽工程验收记录。
5、石材幕墙的金属框架立柱与主体结构预埋件的连接、立柱与横梁的连接、连接件与金属框架的连接、连接件与石材面板的连接必须符合设计要求,安装必须牢固。
手扳检查;检查隐蔽工程验收记录。
6、金属框架和连接件的防腐处理应符合设计要求。
检验方法:检查隐蔽工程验收记录。
、石材幕墙的防雷装置必须与主体结构防雷装置可靠连接。
观察和检查隐蔽工程验收记录和施工记录。
8、石材幕墙的防火、保温、防潮材料的设置应符合设计要求,填充应密实、均匀、厚度一致。
检查隐蔽工程验收记录。
9、各种结构变形缝、墙角的连接节点应符合设计要求和技术标准的规定。
检查隐蔽工程验收记录和施工记录。
1、石材表面和板缝的处理应符合设计要求。
观察检查。
11、石材幕墙的板缝注胶应饱满、密实、连续、均匀、无气泡,板缝宽度和厚度应符合设计要求和技术标准的规定。
观察和尺量检查;检查施工记录。
1、石材幕墙应无渗漏。
在易渗漏部位进行淋水检查。
高考是我们人生中重要的阶段,我们要学会给高三的自己加油打气。
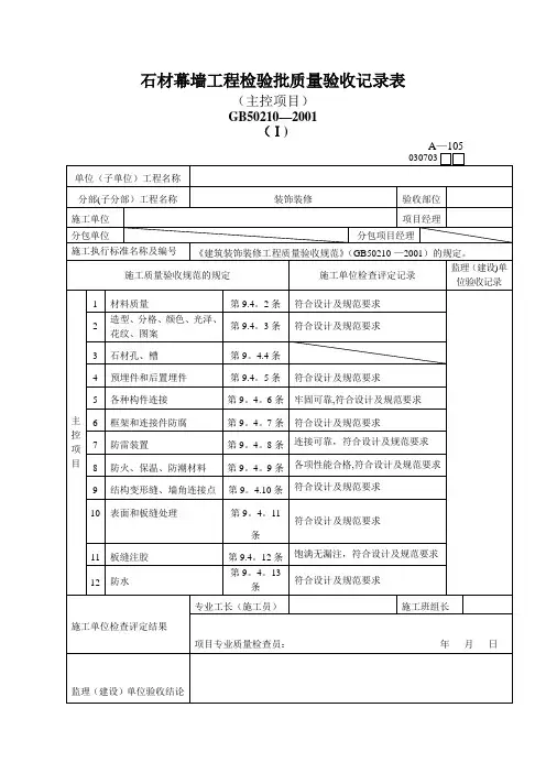
石材幕墙工程检验批质量验收记录表
(主控项目)
GB50210-2001
(Ⅰ)
A—105
03070
3
单位(子单位)工程名称
分部(子分部)工程名称装饰装修验收部位
施工单位项目经理
分包单位分包项目经理
施工执行标准名称及编号《建筑装饰装修工程质量验收规范》(GB50210--2001)的规定。
施工质量验收规范的规定施工单位检查评定记录
监理(建设)单
位验收记录
主控项目1 材料质量第9.4.2条符合设计及规范要求
2 造型、分格、颜色、光泽、
花纹、图案
第9.4.3条符合设计及规范要求
3 石材孔、槽第9.4.4条
4 预埋件和后置埋件第9.4.5条符合设计及规范要求
5 各种构件连接第9.4.6条牢固可靠,符合设计及规范要求
6 框架和连接件防腐第9.4.7条符合设计及规范要求
7 防雷装置第9.4.8条连接可靠,符合设计及规范要求
8 防火、保温、防潮材料第9.4.9条各项性能合格,符合设计及规范要
求
9 结构变形缝、墙角连接点第9.4.10条符合设计及规范要求
1
表面和板缝处理第9.4.11条
符合设计及规范要求
1 1 板缝注胶第9.4.12条
饱满无漏注,符合设计及规范要求
1
2
防水第9.4.13条符合设计及规范要求
施工单位检查评定结果
专业工长(施工员)施工班组长
项目专业质量检查员:年月日
监理(建设)单位验收结论
专业监理工程师:
(建设单位项目专业技术负责人):年月日石材幕墙工程检验批质量验收记录表
(一般项目)
GB50210-2001
(Ⅱ)
03070
3
单位(子单位)工程名称
分部(子分部)工程名称建筑装饰装修验收部位外墙西立面
施工单位项目经理
分包单位分包项目经理
施工执行标准名称及编号《建筑装饰装修工程质量验收规范》(GB50210--2001)的规定。
施工质量验收规范的规定施工单位检查评定记录
监理(建设)单
位验收记录
一1 表面质量第9.4.14条符合设计及规范要求
2 压条第9.4.15条
3 细部质量第9.4.16条符合设计及规范要求
般项目4 密封胶缝第9.4.17条饱满平整,符合要求
5 滴水线第9.4.18条符合设计及规范要求
6 石材表面质量第9.4.19条合格,符合规范要求
7
安装
允许
偏差
(mm
)
幕墙
垂直
度
幕墙高度≤30m 10
4,3,5,1,2,3,4,2,0,
2
30m<幕墙高度≤60m 15
60m<幕墙高度≤90m 20
幕墙高度>90m 25
幕墙水平度 3
1,3,0,1,3,0,2,2,1,
1
幕墙表面平整度光2 麻3
1,2,3,2,2,1,3,1,3,
2
板材立面垂直度 3
2,1,2,1,3,2,2,3,2,
板材上沿水平度 2
0,1,2,2,1,0,1,2,1,
2
相邻板材板角错位 1
0,0,1,1,1,1,0,1,1,
1
阳角方正光2 麻4
3,2,1,3,2,3,2,2,4,
3
接缝直线度光3 麻4
3,2,0,2,1,1,3,3,1,
2
接缝高低差光1 麻1
0,1,1,0,1,0,1,1,0,
1
接缝宽度光1 麻2
1,0,1,1,2,1,2,2,1,
2
施工单位检查评定结果
专业工长(施工员)施工班组长
项目专业质量检查员:年月日
监理(建设)单位验收结论
专业监理工程师:
(建设单位项目专业技术负责人):年月日
THANKS !!!
致力为企业和个人提供合同协议,策划案计划书,学习课件等等
打造全网一站式需求
欢迎您的下载,资料仅供参考。