闸门预埋件安装
- 格式:doc
- 大小:177.00 KB
- 文档页数:6
闸门安装工艺顺序、双方的分工和工期要求1、底枢承轴台安装(土建方施工,工期8天);2、浇筑承轴台二期砼-—使用微膨胀水泥保证早强和精度(土建方施工,工期2天);3、安装焊接端柱(钢结构方施工,工期14天);同时等待二期砼强化;4、闸门落门(钢结构方施工,工期4天);5、下拉杆预埋件安装(土建方施工,工期12天);6、底枢总成安装(钢结构方施工,工期8天);7、顶枢预埋件安装(土建方施工,工期8天);8、顶枢总成安装(钢结构方施工,工期8天);可以与7、同时进行实配安装;9、浇筑顶、底枢预埋件二期砼-—使用微膨胀水泥保证早强和精度(土建方施工,工期2天);10、等待二期同强化(空闲14天);11、去除门底支撑,转换受力(钢结构方施工,工期12天);12、预埋底槛钢结构(土建方施工,工期8天);13、浇筑底槛二期砼-—使用微膨胀水泥保证早强和精度(土建方施工,工期2天);14、阀门门轨、底槛、门楣(土建方自行安装,工期可交叉作业)。
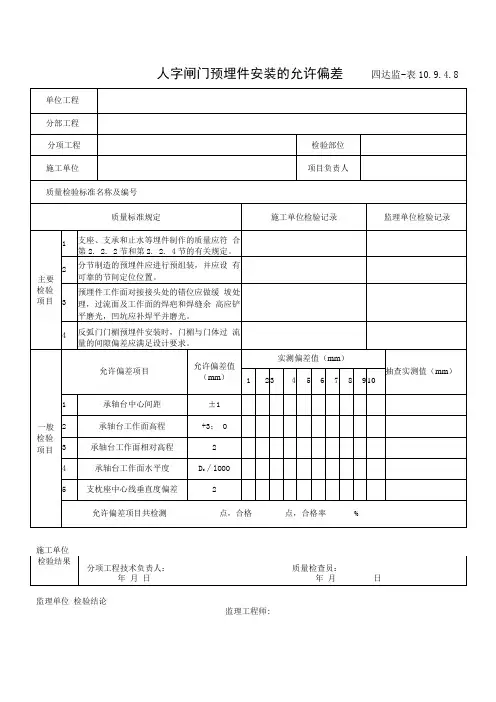
注1:总工期为102天,所有工期为预估工期,部分施工可交叉作业缩短工期,根据具体情况调整;注2:所有预埋件浇筑二期砼之前,要用钢筋焊接牢固,此工作由土建方施工,经监理复测数据符合设计和规范要求后方可浇筑;一、底枢承轴台、底槛、下拉杆安装顶底枢是保证闸门安全、正常运转的关键,所以施工时对顶、底枢安装精度要求较高(24736±1mm),尤其是旋转中心的准确定位。
(一)放样1、旋转中心放样(单位mm)承轴台底槛放样图依据各自闸首的土建预设的基准放样点和船闸中心线,做船闸中心线的垂线,垂线向两边延伸,两端各取长度23000/2+868=12368(总长24736mm即为旋转中心距)。
制作空间支撑架,将承轴台悬吊预定位。
2、底槛放样以旋转中心为圆心画圆,R=12725mm,作为轨道的外边,R=11725mm,作为轨道的内边。
底槛中心线R=12225mm。
3、下拉杆预埋件放样下拉杆互成60度角,按找三角定位法放样,样线如下图所示(二)、安装放样完毕后,可进行底枢钢筋的制作及安装前的准备工作等。
闸门门槽埋件的安装(1)埋件安装工艺流程(2)埋件安装前准备工作1.进行图纸审核(包括厂家指导),制定施工方案、质量保证措施以及安全文明施工条例等技术文件,报监理工程师审批。
2.清点埋件数量,检查埋件构件在运输、存放过程中是否有损伤,检查各构件的安装标记,不属于同一孔的埋件,不许装到一起。
3. 检查埋件的几何尺寸,如有超差应制定措施(经监理人批准)修复后进行安装。
4.检查并清理门槽中的模板等杂物,一期砼的结合面应全部凿毛。
5.设置控制点线,控制点线由专业测量单位测量设置,测量点线的设置应能满足埋件里程、高程及桩号偏差的控制。
6.安装用各种工具准备齐全,测量工具应经相关部门校验并在有效使用期内。
(3)埋件运输及吊装闸门槽埋件等采用反铲、12t吊车运输、吊装。
(4)埋件就位、调整、加固底坎预留槽及门槽内设插筋。
底坎安装时在插筋上铺设工字钢,或直接在插筋上用调整螺栓就位:门槽轨道待底坎二期砼回填就位后在底坎上依次向上安装,用插筋和调整螺栓固定;门楣座在轨道上或在轨道上焊接定位板就位,用插筋和调整螺栓固定。
埋件调整时挂钢琴线,利用千斤顶、调整螺栓等进行调整,调整后按设计图纸的要求进行加固。
加固应牢靠,确保埋件在浇筑二期砼过程不发生变形或移位。
安装调整后埋件的允许偏差应符合招标文件、设计图纸及DL/T5018-94规范的规定。
(5)砼回填埋件安装完,经检查合格,应在5~7表内浇筑二期砼。
如过期或有碰撞,应予以复测,复测合格,方可浇筑砼。
浇筑时,砼应均匀下料并采取措施振捣密实。
(6)复测及清理埋件的二期砼拆模后,应对埋件进行复测,并做好记录。
同时检查砼面尺寸,清除遗留的钢筋和杂物,以免影响闸门的启闭。
(7)节间防腐及面漆涂刷除主轨面、水封座的不锈钢表面外,其余外露表面按设计图纸及DL/T5018-94《水利水电工程钢闸门制造安装及验收规范》的有关条款进行防腐。
(8)埋件安装质量要求闸门埋件安装完成后,其质量要求按招标及有关国家标准执行,主要项目满足下列误差要求:a.主轨工作面、止水座板表面节间接头处的错位允许偏差≤0.5mm;b.主轨、止水座板工作表面扭曲在工作范围内,允许偏差≤0.5mm。
第09篇闸门、启闭机及机电设备的安装与预埋件埋设施工09.1概况09.1.1概述本工程闸门、启闭机及机电设备安装的施工内容包括施工图纸所示的需由我方负责的首部所有闸门、启闭机(含液控装置等附件)、一次、二次设备及其它机电设备的安装。
全部安装项目包括闸门门叶、门槽(含门库)埋件、拦污栅、启闭机机械和机电设备,以及与本工程有关的拉杆、锁定装置、自动挂脱梁、移动式启闭机轨道、液压管道、基础埋件、接地扁铁各种电缆及埋管等附属设施;负责机电设备的安装、调试,接地电阻的测量及处理,电站蓄水、试运行期间机电设备运行、检修维护工作。
金属结构及机电设备全部安装项目的规格和数量详以发包人到货为准。
安装工作还包括合同规定的各项设备调试和试运转工作,以及试运转所必需的各种临时设施的安装。
本合同预埋件埋设的施工内容包括施工图纸所示的电气、给排水与消防管道(或套管);设备基础、支架、吊架、框架、锚钩等固定件以及接地装置等预埋件的埋设。
具体规格和数量详见后续图纸。
09.1.2施工准备09.1.2.1技术准备一、熟悉、阅读设计单位提供的施工图以及设计说明书。
二、认真阅读和熟悉制造厂家设备图纸及有关技术文件。
三、对业主提供的测量基准点进行复测,并自行设置整套安装控制点。
四、全面认真清扫、检查设备情况,对主要部件的主要尺寸及配合公差按图纸进行校核。
五、准备好施工验收规范和有关技术规定以及《水利水电施工记录表》、《水利水电施工质量评定表》等,以便在施工过程中记录、评定及监理签证。
六、编写安装技术措施,对参加施工的全体人员进行技术交底。
09.1.2.2生产准备一、编制生产计划,根据土建工程的进度情况编制出详细的进度网络计划交监理工程师审批。
二、编制设备供货计划交监理工程师审批。
三、作好场地规划和设备卸车方案。
四、制作安装专用器具,施工设备进场。
五、消耗性材料采购。
六、设备到货后,与甲方、监理、制造厂家四方按订货合同的规定进行开箱清点、检查,并作出记录。
闸门安装施工方法闸门安装施工方法在进行闸门安装之前,必须对整体闸门的各项尺寸进行复查,以确保符合设计要求和施工规范规定。
止水橡皮的物理机械性能也应符合国家规定和要求。
安装时,止水橡皮的螺栓孔位置应与门叶或止水压板上的螺孔位置一致,孔径应比螺栓直径小1.0mm,使用橡皮冲子打孔,严禁烫孔。
拧紧螺栓后,其端部分可低于止水橡皮自由表面8.0mm,螺栓应均匀拧紧,橡皮的压缩量要一致。
止水橡皮接头可用生胶热压的方法胶合,胶合接头处不得有错位凹凸不平和疏松现象。
钢闸门的橡皮柔性止水是在闸门总装配时完成的,安装后需要进行橡皮止水的调整,以保证其止水效果。
调整后,使用灯光检验法检查橡皮柔性止水的密封性。
在闸门安装时,需要清除门槽内的杂物和清净门轨上的混凝土,并用润滑液浸湿门轨和闸门止水橡皮。
检查闸门配装件是否牢固,轮子是否机动灵活无卡阻,该加油的地方加好油。
注意保护好门体锌层,吊点部位垫上橡皮及木块,用汽车起重机吊起闸门沿门槽缓缓放下,放在底部。
在闸门试验中,进行闸门静平衡试验,测量上、下游与左右方向的倾斜,一般平面闸门的倾斜不应超过门高的1/1000且不大于8.0mm。
在全行程启闭试验中,检查升降是否自如,有无卡阻现象,止水有无损坏,闸门处于工作状态时用灯光检查。
止水橡皮的压缩面不应有透光现象,在设计水的压力时,通过任意1m长止水范围内漏水量不应超过0.1L/s。
闸门门体的质量要求包括止水橡皮顶面平整度不大于2mm,止水橡皮与滑轮的距离允许偏差-1mm,反向滑块至滚轮距离允许偏差±2mm,两侧止水中心距离和顶止水至底止水边缘距离允许偏差±3 mm。
预埋件埋设的工作内容包括埋件的短途运输、安装、检验、施工期的维护以及参加设备制造厂的出厂验收工作。
在安装场地布置时,需要注意相关说明。
1.闸门预埋件可以是焊接件或铸钢埋件,单件重量较轻。
为了方便安装,预埋件的布置应与土建工程的现场布置统一。
可以利用土建工程施工的起重吊装设备进行吊装,利用土建工程的脚手架作适当的改装后作为预埋件安装脚手架,利用土建工程的供电设施供电。
闸门及启闭机安装一、埋件安装(一)、埋件安装工艺流程图(二)、埋件安装方法1、采用16T汽车吊将埋件吊至门槽,并利用千斤顶调节螺杆,进行精调、检查验收后再加固。
2、利用电动葫芦在门槽内搭建活动工作平台,以便于埋件安装、尺寸测量及焊接。
3、埋件就位调整完毕,与一期混凝土中的预留锚栓、锚筋或一期预埋连接件焊牢。
严禁将加固材料直接焊接在主轨、反轨、底槛等的工作面上或水封座板上。
4、埋件上所有不锈钢材料的焊接接头,必须使用相应的不锈钢焊条进行焊接。
5、埋件所有工作面上的连接焊缝,在安装工作完毕和浇筑二期混凝土后,仔细打磨,其表面粗糙度应与焊接构件一致。
6、埋件安装完毕后,对所有的工作表面进行清理,门槽范围内,影响闸门安全运行的外露物必须清除干净,并对埋件的最终安装精度进行复测,作好记录报送监理。
7、安装好的门槽,除了主轨道轨面、水封座的不锈钢表面外,其余外露表面,进行防腐处理。
二、闸门安装(一)、工作闸门安装工艺流程图(二)、检修门安装工艺流程图(三)、工作闸门安装方法1、闸门现场拼装应严格控制焊接变形:(1)、从事现场安装焊缝的焊工,必须持有有效的合格证书;(2)、无损检测人员必须持有国家专业部门签发的资格证书,评定焊缝质量应由Ⅱ级或Ⅱ级以上的检测人员担任;(3)、每批焊接材料都必须具有产品质量证明书和使用说明书,并进行抽样检验;(4)、所有焊缝的外观检查、无损探伤都要按照《水利水电工程钢闸门制造安装及验收规范》(DL/T5018-94)的规定进行。
焊缝无损探伤的抽查率,除符合上述规范规定外,还必须遵照监理的指定,抽查容易发生缺陷的部位;(5)、施工过程中,必须按照监理指示,以有效消除焊接应力。
2、安装支铰座,用葫芦将铰座吊起对准预埋螺栓,先留出四孔螺孔(上、下、左、右各一个)不要拧紧,检查铰底座与底盘之间间隙,调整好铰座的位置,最后再拧紧四孔螺栓,铰座安装后,严格检查两铰座的同轴度,相互调整达到规范要求。
一〕平面闸门埋件安装平面闸门埋件主要包括底槛、主轨、反轨及门楣等,埋件运至工地且土建具备安装条件后即可进行埋件安装工序。
将埋件由现场仓库运至安装地后,卸至闸墩前的护坦上,接着进行一期砼深凿毛,用高压水将碎屑、浮尘清理,调整预埋插筋或基础螺栓,清理门槽内渣土,积水,设置孔口中心,门槽中心及高程控制点等基准线。
之后,逐节将配套埋件转至门槽内,再在门槽顶部搭设脚手架,设置安全围栏,埋件安装样架及一着力点,起吊埋件进行安装。
为避免误工,确保安装质量。
安装过程中应注意以下几点:(1)严格遵照下列施工顺序(见图1)和施工样图及DL/T5018-94规范进行安装、检查。
(2)门槽构件和安装单元的连接,应按照施工详图进行,采用现场焊接,焊接前应制定稳妥的焊接工艺措施。
(3)用水准仪、经纬仪、吊线等严格控制安装精度。
(4)分节埋件及接合处焊后应磨平并进行防腐处理。
(5)二期砼浇筑过程中应对门槽构件工作面进行必要的保护,避免碰伤和污物吸附。
(6)埋件安装前应对一期砼预留槽尺寸进行检测,对一期插筋位置进行检查。
二〕闸门安装根据技术数据并结合现场施工条件,拟定采取以下安装方案进行:门叶运至工地后,利用8T汽车吊将门叶由启闭机平台吊装至闸室底板34。
70 高程上,利用机具将门叶调整固定,布设固定机具,塔设脚手架和安全设施,安装闸门附件(止水橡皮、滑块等),再将闸门落槽就位,与拉杆连接,待启闭机安装后进行闸门进行起落试验,至此,一块闸门安装完成。
三〕螺杆式启闭机安装本工程闸门设200 螺杆式启闭机1台。
螺杆式启闭机安装待土建工作基本结束后进行。
安装程序同下所示:(1)埋地脚螺栓应准确,二期砼达到强度要求后才能进行启闭机的安装操作试验:(2)利用水准仪、经纬仪控制安装精度;(3)安装完后严格按照有关规范进行空载及负荷试验。
十、启闭机房、工作桥启闭机房、砖房均为砖混结构。
根据图纸、预先制作门、窗框架,在砖墙砌体施工时,门窗随砌体安装。
闸门与埋件安装指南闸门和埋件是水利工程建设中常见的两种设备,它们的安装对于水利工程的正常运转和稳定性都至关重要。
本文将详细介绍闸门和埋件的安装流程及注意事项,帮助读者正确安装和维护设备。
闸门安装1. 测量并标记位置在进行闸门安装前,需要先进行现场勘测,确定每个位置的具体尺寸和大小。
然后在需要安装闸门的位置以及闸门上进行标记,确保安装位置准确。
2. 准备工具之后,根据闸门的大小及数量准备相应的起重及安装工具,包括:起重机、吊车、钢丝绳、千斤顶等。
同时,准备好所需的安装材料,如锚螺钉、膨胀螺栓、螺栓、垫片等,确保闸门的安装牢固。
3. 确定安装方向在安装闸门之前,需要先确定闸门的方向,如果不是沿当前流向,则需要进行更改。
安装方向的确定将会影响闸门的使用效果,如果方向不正确,将会影响闸门的防洪效果。
4. 安装闸门安装闸门时,需要注意以下几点:•将闸门缓缓放下,确保安装位置准确;•向两侧挂上起重能力强的起重机,逐渐将闸门吊升到安装位;•使用螺栓、垫片、膨胀螺栓等材料将闸门固定到墙壁上;•若闸门较大,则需要在安装时设置垂直定位装置,以保证闸门装至平衡状态。
5. 闸门保养安装过程完毕后,还需要对闸门积水情况进行定时检查,及时清理或更换损坏的部件,确保闸门能够正常工作。
埋件安装1. 准备基础在进行埋件安装前,需要首先确定基础材料,按照基础材料要求施工。
基础要求平整、坚实,确保埋件安装在固定的基础上。
2. 布置材料安装埋件前,将埋件每个部位进行拼装、调整,然后按照设计图布置好所有的杆子、支撑管、管卡、转角器等材料。
3. 安装埋件在安装埋件时需要注意以下几点:•按照设计要求逐级搭建埋件,确保缝隙均匀,支撑牢固;•使用卡夹将管道连接紧密;•定期检查各部位的紧密度,如若松动及时调整。
4. 埋件保养安装完成后,需对埋件进行检查、保养工作。
尤其是在高温季节,要定期检查埋件运行状态,确保其稳定性和可靠性。
闸门和埋件是水利工程中不可或缺的设备,在安装和维护过程中,需要严格按照标准操作,确保安装的牢固性,及时对设备损坏进行检修。
建设工程教育网
建设工程教育网常年提供一级建造师、二级建造师、造价工程师、监理工程师、房地产估价师等考试辅导培训 闸门预埋件的安装
闸门预埋件有如下两种安装方法;在预留二期混凝土块的安装方法和不设二期混凝土块的安装方法。
宜采用预留二期混凝土块的安装方法。
埋件安装
闸门埋件包括主轨、反轨、侧轨、门楣、底坎、铰座基础螺栓架、铰座钢梁及混凝土棱角保护装置等。
埋件安装前应完成以下工作:
(1)埋件检查和变形校正,校正一般有两种方法:一种用油压机或千斤顶借外力来矫正;另一种用氧气乙炔火焰加热。
(2)门槽一期混凝土凿毛,调整预埋插筋或基础螺栓。
(3)清除门槽内渣土、积水。
(4)设置孔口中心、高程及里程测量控制点,用红铅油标示。
控制点是闸门安装的基准点,控制点应设的可靠牢固。
(5)搭设脚手架及安全防护设施。
(6)清理埋件堆放场地。
(7)布置电焊机、起吊设备及作业室。
(8)配合吊装用的锚栓应在一期混凝土浇筑时预埋。
埋件安装的主要内容有基础螺栓调整、埋件就位、调整、固定、检查、验收、接头焊接、磨平、复测等;埋件安装完,经检查合格,应在5~7d 内浇筑二期混凝土。
埋件的二期混凝土拆模后,应对埋件进行复测,并做好记录;同时检查混凝土结构尺寸,清除遗留的钢筋和杂物,以免影响闸门启闭。
弧形闸门及埋件的安装一、埋件安装弧形闸门的埋件包括底槛、侧止水座板、侧轮导板均为二期混凝土埋设。
闸门埋件的安装精度是保证闸门启闭灵活、封水严密的关键。
闸门埋件的安装偏差严格遵守《水利水电工程钢闸门制造安装及验收规范》DL/T5018--94 (以下简称《规范》),并严格按隐蔽工程程序组织验收,合格后,方进行二期混凝土浇筑。
1、安装前的准备工作埋件安装前首先完成以下工作:1.1门槽一期混凝土凿毛,调直锚筋并打磨出金属光泽(与埋件连接处);1.2清除门槽内渣土、积水;1.3设置孔口中心、高程及里程测量控制点,用红油漆标示;1.4搭设脚手架及安全防护措施;1.5布置电焊机及起吊设备,清理埋件堆放场地;1.6根据埋件制造图逐一检查各个构件的制造质量,对不合格的埋件进行矫形,直至合格。
2、基准线的确定2.1横向中心线:根据土建施工单位提供的中心线做为闸孔横向中心线。
2.2纵向中心线:以横向中心线的中点,用经伟仪做横向中心线的垂线,并和土建施工单位提供的纵向中心线复合吻合后做为闸孔纵向中心线。
2.3高程线:根据土建施工提供的标高引至闸孔,于每孔闸底板均作标记。
3、固定铰座安装弧门铰座(铰座钢梁)中心的里程、高程和对孔口中心线距离、钢梁的倾斜的偏差大小,是决定铰座位置的关键,安装时必须反复测量、严格控制、确保精度。
固定铰座安装的允许偏差为:铰座钢梁中心的里程、高程和对孔口中心线距离的允许偏差为±5mm,钢梁的倾斜按其水平投影尺寸L的偏差值来控制,要求L的偏差不大于L/1000;弧门铰座的基础螺栓中心和设计中心的位置偏差不大于1mm.4、底槛安装4.1在底槛上划出纵横向中心线;4.2底槛就位,并用水准仪找正、找平,延长度方向每米至少测量一点,并控制以下误差不超过规范要求:A 对门槽、孔口中心线偏离;B 高程偏差;C 工作表面一端对另一端的高差、工作表面平面度;D 工作表面组合处的错位。
4.3埋件安装调整好后,将锚筋和锚板焊牢,锚固焊接之前将锚筋弯曲部分调直,确保埋件在浇筑二期混凝土过程中不发生变形或移位,焊接加固后重新检查上述误差值,确认无误方才进行二期混凝土浇筑。
平面闸门及埋件安装闸门埋件的安装精度是闸门活动自如,有效止水的关键,而且二期砼浇筑后又无法调正。
因此必须严格保证安装精度符合DL/T5018-94。
1、施工前期准备工作熟采图纸准备技术文件且密切配合土建在混凝土预留槽中预埋一期埋件。
此次工作应由专人从始至终全盘负责,因此预埋工作要在土建过程中配合进行施工安装,没有固定的作业时间,工作面相对拥挤,且安装位置必须保证准确无误。
1.1闸门埋件(闸槽)安装前,预留闸槽中的模板等杂物必须清理干净,一、二期砼的结合面全部凿毛,门槽断面尽寸、倾斜度、弧度和预埋铁件的位置必须符合图纸要求。
1.2核对闸门埋件的位置必须符合图纸要求。
1.3根据图纸逐一检查各个构件的制造质量,其允许偏差符合规范要求。
对不合格的埋件绝对不能安装。
1.4自制量具。
闸门埋件(门槽)是闸门上下运动的轨道,同时是闸门的止水口,精度要求高,所以自制量具是保证精度的必要措施。
1.5施工用具:电气焊工具,钢板尺,钢卷尺,尼龙小线0.5mm钢丝,5kg 铅锤,三角架或吊车,导链,手锤,水准仪,经纬仪、铁水平、墨斗、自制找正样板,木梯及搬手等。
2、平面闸门埋件(门槽)安装工艺1放线1.1用经纬仪和重锤配合根据建筑轴线,将门槽中心线,画在闸墩平台并弹出墨线。
1.2用重锤将闸门孔、槽中心线引至闸门槽底面,并弹出墨线。
1.1.3根据土建提供的标高点,在闸墩的下部做出标记。
2吊装就位:1利用汽吊或卷扬机从闸门安装孔内放入,如汽吊或卷扬机无法作业,可用三角架配合导链作业。
2捆扎点要垫好木方,防止损坏门框,捆绑点位置要适当。
3用经纬仪和钢丝找正埋件,其顺序是:利用调整螺栓先同时找正上下两端,再校核中间。
每0.8m测一点,埋件是否扭曲,用拉尼龙小线的办法测量,其间隙应符合DL/T5018-94。
4埋件与预埋铁或钢筋固定牢固,把不直的锚栓扳直,使其受力均匀。
3技术复核:埋件安装完毕后,全面复核一次精度,做出隐蔽工程检验记录。
金属结构平面闸门门槽埋件安装摘要:在我国大型的水利水电建设中:无论是水库、水电站都离不开金属结构件的制造和安装。
而闸门安装是金属结构安装项目中必不可少的金属结构安装项目之一。
闸门安装主要是由闸门门槽安装和闸门门叶安装两部分组成,但无论是在大型还是小型电站金属结构安装中,闸门门槽埋件的安装质量都直接影响闸门的整个安装效果。
由此可见,闸门门槽埋件安装在金属结构闸门安装过程是非常重要。
【关键词】平面闸门门槽埋件安装一、概述平面闸门安装主要包括门叶和门槽埋件安装,其中门槽埋件的安装主要包括底槛、主轨、反轨、止水座板、门楣等安装。
图1平面闸门门槽埋件机构布置图1、主轨2、止水座板3、反轨4、底槛二、平面闸门门槽施工方法(一)施工前准备工作1、门槽安装前,组织技术人员和监理、业主对已到轨道埋件再次清点。
2、根据设计图纸对制作厂家制作的埋件进行测量以防止埋件长度不够,止水不锈钢厚度、平面度超差而影响安装质量及进度。
3、安装前组织施工人员对安装措施和安全进行讲解和交底。
(二)、埋件安装方法1、测量放线控制:根据设计图纸对门槽安装放出安装基准线。
根据现场实际情况,在现有的水泥地面上利用全站仪放出门槽埋件安装的中心线、高程、水平线,并将放出的基准点进行有效的保护,以防止放出的基准点被破坏,而影响安装质量和进度。
2、底槛的安装:由于闸门门槽主轨、反轨均是以底槛为基准进行安装,可见底槛的安装工作是整个门槽安装的重要部位。
底槛在安装时根据安装精度及测量放出的高程、中心、水平线,利用水准仪、盒尺、花纹螺栓进行底槛调整,并进行有效的加固,完成后再次进行复测,确保符合设计图纸、DL/T5018规范的要求后通知监理验收。
3、埋件轨道安装:在底槛二期混凝土浇筑完成后,对底槛进行复测,确认复测结果无误后,在将门槽的孔口中线投放在已经固定的底槛上,同时按照图纸尺寸对各主反轨根据投放在底槛的中心线放出两边的轨道轮廓线,并对其采取保护措施,所有的测量控制点由测量监理核对合格后进行下道工序。
闸门埋件安装埋件主要包括底槛、主轨、反轨、门楣等。
安装方案为埋件运至工地后,将其卸至闸墩前的堤坡上,接着进行一期砼凿毛, 调整预埋插筋或基础螺栓, 清理门槽内渣土、积水,设置孔口中心线, 门槽中心线及高程控制点。
之后,逐节将配套埋件转至门槽内,再在门槽顶部搭设脚手架,设置安全围栏、埋件安装样架及一着力点,起吊埋件。
为避免误工,确保安装质量,在埋件安装过程中,严格遵照下列施工工序及DL/T5018-94规范进行。
平面闸门埋件安装程序3.2.7.4.3、闸门安装本工程平面闸门重量和尺寸不大,结合施工现场条件,拟采用整体吊装安装。
在门叶运至工地前,进行组装、复测门叶外形几何尺寸、扭曲及直线度值、清点附件。
安装前,清理门槽孔口安全围栏及盖板,门槽内杂物,清理出门叶及附件的堆放场地。
闸门运至工地后,用8T汽车吊将闸门卸至闸墩前堤坡侧,之后利用启闭平台启吊孔处设置的5T手拉葫芦进行吊装安装,尔后进行闸门调试及启闭试验。
闸门安装合格后,应在门槽孔口设置安全围栏及盖板,防止再落杂渣和出现人身安全事故。
3.2.7.4.4 螺杆式启闭机安装待土建工程基本退场且具备安装条件后进行启闭机安装工作。
①启闭机机座吊装粗略就位:拟将启闭机机座用8T汽车吊吊至启闭机房并粗略就位。
②启闭机机座精确安装:先进行机座精确位移,再进行机座整平。
机座位移及整平,采用2T手拉葫芦、千斤顶等工具进行,整平后调节好地脚螺栓并与金属锚板焊好,浇灌混凝土。
③螺杆安装:人力将螺杆拉放至门槽内,再在启闭机顶设一三角扒杆用2T 手拉葫芦将螺杆安装上,检测螺杆纵横中心轴线达到规范要求。
④电气接线进行空载调试后,螺杆与闸门吊杆连接进行无水、有水操作试验,启闭机安装程序见图所示。
3.2.7.5、电气设备安装3.2.7.5.1、电缆敷设电缆敷设前应按要求进行检查,电缆型号、电压、规格应符合设计,外观应无损伤,绝缘良好。
敷设前应按设计和实际路径计算每根电缆的长度,合理安排每盘电缆。
钢闸门的安装与调试主要施工方法1、闸门埋件安装(1)埋件安装工艺流程:埋件安装工艺流程图(2)底槛和门槽凿毛、清理利用浇筑闸墩时架设的脚手架将底槛和门槽二期砼浇筑部位凿毛并清理干净,凿毛后将插筋调直。
(3)底槛安装底槛安装前,将搭焊筋、连接板底槛腹板、肋板焊接,再与一期砼的预埋插筋按设计要求焊接,焊接后,根据底槛的腹板、肋板的位置相应调整搭焊筋的位置。
安装前,按设计要求将待拼接的底槛焊接部位打坡口。
底槛用人工抬运就位。
底槛焊接后人工进行精确调整底槛安装位置。
底槛的位置调整准确后,用钢筋与底槛肋板和一期预埋插筋焊牢。
(4)底槛二期砼浇筑底槛安装就位后,开始浇筑底槛二期砼。
砼浇筑时,注意振捣棒不要碰到底槛及其它埋件,底槛下的砼从腹板处向两边浇筑,并用钢筋插捣使砼密实。
砼浇筑后,在底槛部位的上方搭设防护设施。
(5)主反轨拼接拼接场地设在上游铺盖上。
拼接前,首先按设计要求将待拼接的主反轨焊接部位打坡口,主、反轨节间焊接时,在满足焊接要求的前提下,尽量将电焊机电流调小,并采用薄层焊,这样可以有效的控制焊接变形。
主、反轨焊接后将焊缝余高磨光。
(6)门槽二期砼浇筑主、反轨加固好后,开始门槽二期砼浇筑。
门槽二期砼浇筑时,模板每75cm高立一次,待该部分的砼浇筑后,继续向上立模板。
砼浇筑每30cm一层,振捣时注意不要碰到主、反轨及其它预埋件。
(7)涂装防腐用细砂纸将焊缝部位及其它磨损部位的污物及铁锈打磨干净。
在打磨干净后,首先将表面做防腐处理,涂装要均匀无杂物,表面光滑,颜色一致,严禁出现漏涂、流挂、皱皮、凹凸不平等缺陷。
做涂装时,空气相对湿度超过85%时不能进行涂装,施工现场环境温度低于10℃不能进行涂装,钢材表面温度未高于大气露点3℃以上不能进行涂装。
2、闸门安装及调试(1)闸门吊装施工流程:闸门吊装施工流程(2)闸门检查整体闸门安装前,对其各项尺寸进行复查,合格后方可进行下一步工序。
止水橡皮表面应光滑平直,胶合接头不得有错位、凹凸不平和疏松现象。
闸门及启闭机安装工艺闸门设备制造完成后,应进行制造验收。
设备进场后应会同监理工程师进行开箱清点、检查、验收,并做好验收记录。
1、安装前的检查和清理旧闸门及启闭机已经拆除。
各项设备安装前,应按施工图纸规定的内容,全面检查安装部位的情况、设备构件以及零部件的完整性和完好性。
对重要构件和部件应通过预拼装进行检查。
2、预埋件安装包括闸门埋件、启闭机埋件安装。
3、闸门设备起吊和运输制定详细的闸门起吊和运输方案,其内容包括采用的起重和运输设备、闸门起吊和运输方法以及防止吊运过程中构件变形和设备损坏的保护措施。
4、闸门安装(1)复核门槽的尺寸、中心线、垂直度。
(2)按照吊装方案进行试吊。
(3)系好缆风绳;缓慢下放闸门,检查无卡阻现象;最后确认闸门吊装到达安装位置。
(4)安装好平面闸门后,应拆除所有安装用的临时焊件,清除杂物;造成防腐损坏的部位,进行防腐处理;检查止水橡皮情况。
5、螺杆式启闭机安装、调试手电两用螺杆启闭机应按制造厂提供的图纸和技术说明书要求进行安装、调试和试运转。
安装好的启闭机,其机械和电气设备等的各项性能应符合施工图纸及制造厂技术说明书的要求。
(1)按照设计图纸,确认各启闭机的相关型号、安装位置。
(2)检查启闭机机架的基础铁板埋件(根据设计要求,或预留螺栓孔)位置正确、固定牢固;根据起吊中心线找正机架的安装位置。
(3)启闭机与机架:就位、固定。
(4)启闭机与闸门不连接,进行启闭机空载试验。
(5)启闭机与闸门连接,将进行联门试验。
6、闸门试运行闸门、启闭机安装完毕,经自检合格后,报监理工程师复查,并进行运行试验。
(1)无水全行程启闭试验。
(2)静水情况下的全行程启闭试验。
(3)动水启闭试验。
闸门与埋件安装指南1.概述2.安装场地布置3.设备的运输、吊装与存放4.设备安装程序及工艺要求5.埋件安装6.闸门及拦污栅的安装7.启闭机的安装8.质量、安全保证措施闸门安装1概述安装工作施工范围包括所有安装设备(包括附属设备),从点收、接货、运输、保管、安装、防腐、现场试验和试运转、以及试运转所必须的各种临时设备的安装、质量检查和验收,以及移交前的维护、临时运行等工作。
安装项目包括闸门门叶、门槽埋件以及与本合同项目有关的附属设施。
安装工作还包括各项设备调试和试运转工作。
2安装场地布置在现场规划金属结构及设备存放场地并配备适当的起吊设备。
3设备的运输、吊装与存放3.1运输与吊装设备(1)闸门和埋件由存放场至工作面运输方案:设备单件重量超过15t的用拖车运输,15t以下用载重汽车运输。
(2)安装现场吊装设备设备吊装原则上使用现场原有的起吊设备吊装,当现场起吊设备小或没有时,使用汽车吊或履带吊,超大设备要制定详细的吊装方案。
3.2设备的保管闸门及其埋件存放闸门及其埋件采用露天存放,为了防止受潮、锈蚀和风沙等,使用防雨布遮盖,为防止设备变形,结构下面用枕木等支撑垫平。
4设备安装程序及工艺要求4.1一般要求(1)本合同各项安装前应具备的资料:1)设备总图、部件总图,重要零件图等施工安装图纸及安装技术说明书;2)设备出厂合格证和技术说明书;3)制造验收资料和质量证书;(2)安装使用的基准线,应能有效控制门槽总尺寸、埋件各部位构件的安装尺寸和安装精确度。
为设置安装基准线用的基准点应牢固、可靠、便于使用,并应保留到安装验收合格后方能拆除。
(3)安装检测必须选用满足精度要求,并经权威计量检定机构检定合格的仪器设备。
(4)在安装工作中使用的所有材料,应有产品质量证明书,并应符合施工图纸和有关现行标准的要求。
4.2安装前的检查和清理(1)安装前的检查在进行本合同各项设备安装前,应按施工图纸与合同文件规定的内容全面检查安装部位的情况、设备构件以及零部件的完整性和完好性。
钢筋混凝土闸门预制安装工艺钢筋混凝土闸门预制安装工艺水利工程中,闸门是重要的水工建筑物之一,其作用是控制水流,调节水位、泄洪和保障水利工程的运行安全。
其中,钢筋混凝土闸门由于其优良的耐久性、结构性能和经济效益,得到了广泛的应用。
本文将详细介绍钢筋混凝土闸门的预制安装工艺,包括工艺流程、材料选择、预制过程和安装注意事项等方面。
一、工艺流程钢筋混凝土闸门的预制安装工艺流程包括以下几个步骤:1、原材料准备:包括钢筋、水泥、砂石等材料的检验和进场。
2、模板制作:根据设计图纸制作钢筋绑扎胎具和混凝土模板。
3、钢筋绑扎:在胎具上按照设计要求进行钢筋绑扎。
4、混凝土浇筑:在钢筋骨架上浇筑混凝土,并进行养护。
5、预埋件安装:在混凝土浇筑过程中,安装预埋件、止水橡皮等配件。
6、闸门吊装:将预制好的闸门吊装到指定位置。
7、调试与验收:调整闸门位置和密封性,进行验收。
二、材料选择钢筋混凝土闸门的质量取决于原材料的选择和使用,因此,材料的选择至关重要。
主要原材料包括:1、钢筋:应采用符合设计要求的钢筋,并确保其质量合格。
2、水泥:应采用符合规范要求的水泥,以保证混凝土的强度和耐久性。
3、砂石:应采用质量稳定、颗粒级配良好的砂石,以保证混凝土的和易性和强度。
4、预埋件:包括止水橡皮、门槽等,应选用质量可靠的产品,确保其功能和使用寿命。
三、预制过程钢筋混凝土闸门的预制过程包括以下步骤:1、模板制作:根据设计图纸,制作适合于钢筋绑扎和混凝土浇筑的模板。
模板应具有足够的强度和稳定性,以保证混凝土的成型质量。
2、钢筋绑扎:在模板上按照设计要求进行钢筋绑扎。
钢筋的规格、尺寸和布置应符合设计要求,绑扎过程中应注意钢筋间距和绑扎顺序。
3、混凝土浇筑:在钢筋骨架上浇筑混凝土,浇筑时应保证混凝土的均匀性和密实度,避免出现蜂窝、麻面等质量缺陷。
4、养护:混凝土浇筑完成后,应进行适当的养护,包括覆盖、浇水、保温等措施,以确保混凝土的强度和耐久性。