附着计算计算书(附着撑杆类型为类型Ⅲ)
- 格式:doc
- 大小:109.50 KB
- 文档页数:7
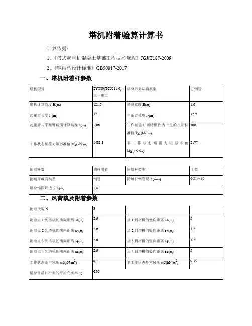
塔机附着验算计算书塔机附着验算计算书计算依据:1、《塔式起重机混凝土基础工程技术规程》JGJ/T187-20092、《钢结构设计规范》GB50017-2003一、塔机附着杆参数塔机型号QTZ40(浙江建机)塔身桁架结构类型型钢塔机计算高度H(m) 30 塔身宽度B(m) 1.6 起重臂长度l1(m) 57 平衡臂长度l2(m) 12.9 起重臂与平衡臂截面计算高度h(m) 1.06 工作状态时回转惯性力产生的扭矩标准值T k1(kN·m)60工作状态倾覆力矩标准值M k(kN·m) 60 非工作状态倾覆力矩标准值M k'(kN*m)60附着杆数四杆附着附墙杆类型Ⅰ类附墙杆截面类型格构柱塔身锚固环边长C(m) 1.8附着次数N 4附着点1到塔机的横向距离a1(m) 9.5 点1到塔机的竖向距离b1(m) 9.5 附着点2到塔机的横向距离a2(m) 5.7 点2到塔机的竖向距离b2(m) 5.7 附着点3到塔机的横向距离a3(m) 5.7 点3到塔机的竖向距离b3(m) 5.7 附着点4到塔机的横向距离a4(m) 9.5 点4到塔机的竖向距离b4(m) 9.5 工作状态基本风压ω0(kN/m2) 0.2 非工作状态基本风压ω0'(kN/m2) 1塔身前后片桁架的平均充实率α00.35第N次附着附着点高度h1(m)附着点净高h01(m)风压等效高度变化系数μz工作状态风荷载体型系数μs非工作状态风荷载体型系数μs'工作状态风振系数βz非工作状态风振系数βz'工作状态风压等效均布线荷载标准值q sk非工作状态风压等效均布线荷载标准值q sk'第1次附着9 9 0.65 1.95 1.95 1.977 1.977 0.269 1.347第2次附着15 6 0.734 1.95 1.95 1.901 1.963 0.293 1.51第3次附着20 5 0.738 1.95 1.95 1.825 1.934 0.282 1.496第4次附25 5 0.751 1.95 1.95 1.798 1.944 0.283 1.53 着悬臂端30 5 0.774 1.95 1.95 1.79 1.945 0.29 1.578 Array塔机附着立面图三、工作状态下附墙杆内力计算1、在平衡臂、起重臂高度处的风荷载标准值q kq k=0.8βzμzμsω0α0h=0.8×1.79×0.774×1.95×0.2×0.35×1.06=0.16kN/m2、扭矩组合标准值T k由风荷载产生的扭矩标准值T k2T k2=1/2q k l12-1/2q k l22=1/2×0.16×572-1/2×0.16×12.92=246.607kN·m集中扭矩标准值(考虑两项可变荷载控制的组合系数取0.9)T k=0.9(T k1+ T k2)=0.9×(60+246.607)=275.946kN·m3、附着支座反力计算计算简图塔身上部第一附着点(塔身悬臂支承端)的支承反力最大,应取该反力值作为附着装置及建筑物支承装置的计算载荷。
塔机附着验算计算书一、塔机附着杆参数二、风荷载及附着参数塔机附着立面图三、工作状态下附墙杆内力计算1、扭矩组合标准值T k回转惯性力及风荷载产出的扭矩标准值:T k=T k1=402kN·m2、附着支座反力计算计算简图剪力图得:R E=195.919kN在工作状态下,塔机起重臂位置的不确定性以及风向的随机性,在计算支座7处锚固环截面内力时需考虑塔身承受双向的风荷载和倾覆力矩及扭矩。
3、附墙杆内力计算支座7处锚固环的截面扭矩T k(考虑塔机产生的扭矩由支座7处的附墙杆承担),水平内力N w=20.5R E=277.071kN。
计算简图:塔机附着示意图塔机附着平面图α1=arctan(b1/a1)=68.039°α2=arctan(b2/a2)=61.477°α3=arctan(b3/a3)=64.026°α4=arctan(b4/a4)=59.808°β1=arctan((b1-c/2)/(a1+c/2))=58.57°β2=arctan((b2+c/2)/(a2+c/2))=58.57°β3=arctan((b3+c/2)/(a3+c/2))=60.124°β4=arctan((b4-c/2)/(a4+c/2))=49.6°四杆附着属于一次超静定结构,用力法计算,切断T4杆并代以相应多余未知力X1=1。
δ11× X1+Δ1p=0X1=1时,各杆件轴力计算:T11×sin(α1-β1)×(b1-c/2)/sinβ1+T21×sin(α2-β2)×(b2+c/2)/sinβ2-T31×sin(α3-β3)×(b3+c/2)/sinβ-1×sin(α4-β4)×(b4-c/2)/sinβ4=03T11×cosα1×c-T31×sinα3×c-1×cosα4×c-1×sinα4×c=0T21×cosα2×c+T31×sinα3×c-T31×cosα3×c+1×sinα4×c=0当N w、T k同时存在时,θ由0~360°循环,各杆件轴力计算:T1p×sin(α1-β1)×(b1-c/2)/sinβ1+T2p×sin(α2-β2)×(b2+c/2)/sinβ2-T3p×sin(α3-β3)×(b3+c/2)/sinβ-T k=03T1p×cosα1×c-T3p×sinα3×c-N w×sinθ×c/2+N w×cosθ×c/2-T k=0T2p×cosα2×c-T3p×sinα3×c+T3p×cosα3×c-N w×sinθ×c/2-N w×cosθ×c/2-T k=0δ11=Σ(T12L/(EA))=T112(a1/cosα1)/(EA)+T212(a2/cosα2)/(EA)+T312(a3/cosα3)/(EA)+12(a4/co sα4)/(EA)Δ1p=Σ(T1×T p L/(EA))=T11×T1p(a1/cosα1)/(EA)+T21×T2p(a2/cosα2)/(EA)+T31×T3p(a3/cosα3) /(EA)X1= -Δ1p/δ11各杆轴力计算公式如下:T1= T11×X1+ T1p,T2= T21×X1+T2p,T3=T31×X1+T3p,T4=X1(1)θ由0~360°循环,当T k按图上方向设置时求解各杆最大轴拉力和轴压力:最大轴压力T1=494.945kN,T2=209.245kN,T3=594.77kN,T4=0kN最大轴拉力T1=0kN,T2=781kN,T3=141.923kN,T4=364.272kN(2)θ由0~360°循环,当T k按图上反方向设置时求解各杆最大轴拉力和轴压力:最大轴压力T1=0kN,T2=781kN,T3=141.924kN,T4=364.272kN最大轴拉力T1=494.945kN,T2=209.246kN,T3=594.769kN,T4=0kN四、非工作状态下附墙杆内力计算此工况下塔机回转机构的制动器完全松开,起重臂能随风转动,故不计风荷载产生的扭转力矩。
塔吊附着计算书1、附着装置布置方案根据塔机生产厂家提供的标准,附着距离一般为3~5 m,附着点跨距为7~8 m[1,2],塔机附着装置由附着框架和附着杆组成,附着框架多用钢板组焊成箱型结构,附着杆常采用角钢或无缝钢管组焊成格构式桁架结构,受力不大的附着杆也可用型钢或钢管制成。
根据施工现场提供的楼面顶板标高,按照QTZ63 系列5013 型塔式起重机的技术要求,需设4道附着装置,以满足工程建设最大高度100 m 的要求。
附着装置布置方案如图2 所示。
图1塔吊简图与计算简图塔吊基本参数附着类型类型1 最大扭矩270.00 kN·m最大倾覆力矩1350.00 kN·m 附着表面特征槽钢塔吊高度110 m 槽钢型号18A塔身宽度1645*1645*2800 mm风荷载设计值(福州地区)0.41附着框宽度 3.00 m 尺寸参数附着节点数 4 附着点1到塔吊的竖向距离 3.00 m第I层附着附着高度附着点1到塔吊的横向距离 3.00 m第8层23.45 m 附着点1到附着点2的距离9.00 m第16层46.65 m 独立起升高度40 m第24层70.85 m 附着起升高度151.2 m第31层95.95 m图2塔吊附着简图三、第一道附着计算塔机按照说明书与建筑物附着时,最上面一道附着装置的负荷最大,因此以此道附着杆的负荷作为设计或校核附着杆截面的依据。
第一道附着的装置的负荷以第四道附着杆的负荷作为设计或校核附着杆截面计算,第一道附着高度计划在第8层楼层标高为23.45米。
(一)、支座力计算附着式塔机的塔身可以简化为一个带悬臂的刚性支撑连续梁,其内力及支座反力计算如下:风荷载取值:Q = 0.41kN;塔吊的最大倾覆力矩:M = 1668.00kN;弯矩图变形图剪力图计算结果: N w = 105.3733kN ;(二)、附着杆内力计算计算简图:计算单元的平衡方程:其中:2.1 第一种工况的计算:塔机满载工作,风向垂直于起重臂,考虑塔身在最上层截面的回转惯性力产生的扭矩合风荷载扭矩。
附着计算计算书本计算书主要依据施工图纸及以下规范及参考文献编制:《塔式起重机设计规范》(GB/T13752-1992)、《建筑结构荷载规范》(GB50009-2001)、《建筑安全检查标准》(JGJ59-99)、《建筑施工手册》、《钢结构设计规范》(GB50017-2003)等编制。
塔机安装位置至附墙或建筑物距离超过使用说明规定时,需要增设附着杆,附着杆与附墙连接或者附着杆与建筑物连接的两支座间距改变时,必须进行附着计算。
主要包括附着支座计算、附着杆计算、锚固环计算。
一、支座力计算塔机按照说明书与建筑物附着时,最上面一道附着装置的负荷最大,因此以此道附着杆的负荷作为设计或校核附着杆截面的依据。
附着式塔机的塔身可以简化为一个带悬臂的刚性支撑连续梁,其内力及支座反力计算如下:风荷载标准值应按照以下公式计算:ωk=ω0×μz×μs×βz= 0.390×1.170×1.450×0.700 =0.463 kN/m2;其中ω0──基本风压(kN/m2),按照《建筑结构荷载规范》(GBJ9)的规定采用:ω0 = 0.390 kN/m2;μz──风压高度变化系数,按照《建筑结构荷载规范》(GBJ9)的规定采用:μz = 1.450 ;μs──风荷载体型系数:μs = 1.170;βz──高度Z处的风振系数,βz = 0.700;风荷载的水平作用力:q = W k×B×K s = 0.463×1.600×0.200 = 0.148 kN/m;其中 W k──风荷载水平压力,W k= 0.463 kN/m2;B──塔吊作用宽度,B= 1.600 m;K s──迎风面积折减系数,K s= 0.200;实际取风荷载的水平作用力 q = 0.148 kN/m;塔吊的最大倾覆力矩:M = 1090.000 kN·m;弯矩图变形图剪力图计算结果: N w = 60.8891kN ;二、附着杆内力计算计算简图:计算单元的平衡方程:ΣF x=0T1cosα1+T2cosα2-T3cosα3=-N w cosθΣF y=0T1sinα1+T2sinα2+T3sinα3=-N w sinθΣM0=0T1[(b1+c/2)cosα1-(α1+c/2)sinα1]+T2[(b1+c/2)cosα2-(α1+c/2)sinα2]+T3[-(b1+c/2)cosα3+ (α2-α1-c/2)sinα3]=M w其中:α1=arctan[b1/a1] α2=arctan[b1/(a1+c)] α3=arctan[b1/(a2- a1-c)]2.1 第一种工况的计算:塔机满载工作,风向垂直于起重臂,考虑塔身在最上层截面的回转惯性力产生的扭矩和风荷载扭矩。
附着梁的弯矩计算附箱梁的受力根据附着的立柱数M,通常可分为两种类型,一种为用者两根立柱,另一种为附着多根立柱.一、受力分析1.1第一种类型可简化如下筒支梁受力模型(作川点均在梁上,其它情况计霓方法类似).图一受力模型1兵中F1.、F,.Fa代表受附着掠杆的对梁的拉力或质力,F”与FW为曰沿坐标轴的分解力•径向力:根据受力平衡条件与弯矩平衡,可得两未知量FM与F”,即径向反力.∑F.1=0;ZM=Zfg=O;式中:X,为作用点的X轴坐标,i为1、2、3...或A.B;轴向力:可将梁分成3段:两怂球段和AB段,在支点的作用下,A、B两点的位移为冬,故各段之间转向力为单独的受力系统。
悬野段:对A、B支点的轴向力分别为F1.x、0.AB段:可将各个外力单独进行计算,然后计算合力,设外力F)在梁上的作用点与A点距离为a,与B点跖离为b.在FM的作用"作用点产生了AX的位移.即作用点左端伸长了Ax,右端质缩了Aχ,由于梁的截面一致,故其对A支点与B支点的轴向力比值为帅,合力为Fjχ.由此可得AB段外力对两支点的轴向力,进而得出两支点的轴向反力。
1.2笫二种类型可建立如下的简支梁受力模型图(其它情况可参照计算).图二受力模型!2从图中可知,该结构为超群定结构,制要求解3个未知力.其中.各支点轴向反力的求解方式与第一种类型一致,故只需求解径向力。
根据超静定结构的力法计算原理.取C点作为节点.假设去掉C点对梁的约束,F CY为未知外力,则C 点的挠度«>为0,结合受力平衡和弯矩平衡,共计3个等式方程,可解得3个未知力。
其中。
的计售同样可以分解为单个外力卜的挠度,然后总和。
梁在简单载荷作用卜的挠曲找方程式可查问材料力学相关课程书侪•在此不再赘述.(可参见简中的我作川卜的挠代和中角)二、二力与弯矩计算打力:大小:等于该点任意则所受外力之和:正负:若一傀外力之和促使该点微元顺时针旋转,则为正:代入图中坐标系可汨如下的力方程:月为因誉粢在该点左债的外力:*三ι大小:等于任.位-侧所有外力对该点的药矩之和;正负:该点徵元底部•受控则为正:代入图中坐标系可得如下弯矩方程:Fi为闪若梁在该点左蒯的外力:Ii为该外力作用点的X轴坐标;或对剪力方程积分可得:M㈤=rF(X)三'计算实例以惠来FZQ240Of1.IOt附眠吊的着梁为例.如下是其受力简图.向受力情况,绘出剪力图及玛矩图.解:从左往右将各支点命名为A 、B.C (各立柱接触面中心点),将两个已知力(尸八三)作用点命名为D 点、E 点,以A 点为O 点、梁中心釉为X 轴建立坐标系. 轴向力:F 1,对AD 段的轴向力为Fh 对DB 点轴向力为-6.2×IO s JV+2.3×IO s N=-3.9×IO 5A'.同理求得F 2t 对BE 段轴向力为-1.7×3O 5JV.对EC 段为“X 1.O 55N.轴向力:设取消梁在B 点的约束,用未知外力A 代皆:i 殳A 点、B 点反力分别为8.£.根据平衡条件和B 点挠度3为零可得:F =用y++吊+殳+吊=0M=5400F υ,+14400^y +8600fi,+18900F f =Oω=<υjβ+ωbe +ω2β=0式中;ω1.β>ωb0,分别代表B 点在外力F3星、Fzy 作用下的挠度, 杳询也处邀但B 卜的挠晨川M 川可知序号10中的挠曲雄方程可适用于此.代入相关数据, 约去共式6日1..∖吁利用EXC1.表格篇化过珈.可求得F ),=-7.JX1.O 5V.代入求得Fa=10. O 5N.(8600-540O)FIXXIO 4W8600 =-2.3XIO 5W 根据厂家提供的计算结果,Fh=∙62hFh=-1031、FA38hF iy =27t ,令G=IQN 做.计豫该梁的轴∕∙>√.3×105N:可列出剪力方程如下:式中,力的单位为X1.o'N,距离单位为m°弯矩方程可对剪力方程积分.得:式中力矩垠位为X1.OSNm.(由于求褥的各支点反力JS 行了四舍五入∙故此方程中的C 点弯矩做大于零,取零)。
深圳萝岗长岭居3#
QTZ6015塔机附着计算书补充资料一、塔机附着杆参数
附图如下:
塔机附着立面图
三、工作状态下附墙杆内力计算
1、在平衡臂、起重臂高度处的风荷载标准值q k
q k=0.8βzμzμsω0α0h=0.8×1.92×2.21×1.95×0.2×0.35×1.06=0.5kN/m
2、扭矩组合标准值T k
由风荷载产生的扭矩标准值T k2
T k2=1/2q k l12-1/2q k l22=1/2×0.5×552-1/2×0.5×14.42=704.4kN·m
集中扭矩标准值(考虑两项可变荷载控制的组合系数取0.9)
T k=0.9(T k1+ T k2)=0.9×(397.6+704.4)=991.8kN·m
3、附着杆内力计算
由计算机通过有限元计算(详见本公司提供的T6015塔机非标附着计算书)
在工作状态下,塔机起重臂位置存在不确定性以及风向的随机性,在计算中已通过有限元分析出最危险角度,在计算最上层附着杆内力时已考虑塔身承受双向的风荷载和倾覆力矩及扭矩。
四、非工作状态下附墙杆内力计算
此工况下塔机回转机构的制动器完全松开,起重臂能随风转动,故不计风荷载产生的扭转力矩.
2、附墙杆内力计算(计算过程详见有限元分析计算书)
五、附墙杆强度验算
计算过程及结论详见附着杆图纸及计算书。
塔机附着验算计算书一、塔机附着杆参数二、风荷载及附着参数附图如下:塔机附着立面图三、工作状态下附墙杆内力计算1、在平衡臂、起重臂高度处的风荷载标准值q kq k=0.8βzμzμsω0α0h=0.8×1.695×1.206×1.95×0.2×0.35×1.06=0.237kN/m 2、扭矩组合标准值T k由风荷载产生的扭矩标准值T k2T k2=1/2q k l12-1/2q k l22=1/2×0.237×572-1/2×0.237×12.92=365.287kN·m 集中扭矩标准值(考虑两项可变荷载控制的组合系数取0.9)T k=0.9(T k1+ T k2)=0.9×(270+365.287)=571.758kN·m3、附着支座反力计算计算简图剪力图得:R E=77.975kN在工作状态下,塔机起重臂位置的不确定性以及风向的随机性,在计算支座4处锚固环截面内力时需考虑塔身承受双向的风荷载和倾覆力矩及扭矩。
4、附墙杆内力计算支座4处锚固环的截面扭矩T k(考虑塔机产生的扭矩由支座4处的附墙杆承担),水平内力N w=20.5R E=110.273kN。
计算简图:塔机附着示意图塔机附着平面图α1=arctan(b1/a1)=53.241°α2=arctan(b2/a2)=46.353°α3=arctan(b3/a3)=46.353°α4=arctan(b4/a4)=53.241°β1=arctan((b1-c/2)/(a1+c/2))=46.185°β2=arctan((b2+c/2)/(a2+c/2))=46.185°β3=arctan((b3+c/2)/(a3+c/2))=46.185°β4=arctan((b4-c/2)/(a4+c/2))=46.185°四杆附着属于一次超静定结构,用力法计算,切断T4杆并代以相应多余未知力X1=1。
一、计算书塔机附着验算(32层)计算书计算依据:1、《塔式起重机混凝土基础工程技术规程》JGJ/T187-20092、《钢结构设计规范》GB50017-2003一、塔机附着杆参数二、风荷载及附着参数第2次附着40 15 0.832 1.95 1.95 1.763 1.801 0.308 0.471 第3次附着55 15 0.922 1.95 1.95 1.755 1.792 0.339 0.52 第4次附着70 15 1.008 1.95 1.95 1.733 1.766 0.366 0.56 第5次附着85 15 1.087 1.95 1.95 1.708 1.746 0.389 0.597 第6次附着100 15 1.16 1.95 1.95 1.699 1.734 0.413 0.633 悬臂端121 21 1.254 1.95 1.95 1.686 1.728 0.443 0.681 附图如下:塔机附着立面图三、工作状态下附墙杆内力计算1、在平衡臂、起重臂高度处的风荷载标准值q kq k=0.8βzμzμsω0α0h=0.8×1.686×1.254×1.95×0.2×0.35×1.06=0.245kN/m2、扭矩组合标准值T k由风荷载产生的扭矩标准值T k2T k2=1/2q k l12-1/2q k l22=1/2×0.245×562-1/2×0.245×12.92=363.775kN·m集中扭矩标准值(考虑两项可变荷载控制的组合系数取0.9)T k=0.9(T k1+ T k2)=0.9×(269.3+363.775)=569.768kN·m3、附着支座反力计算计算简图剪力图得:R E=146.645kN在工作状态下,塔机起重臂位置的不确定性以及风向的随机性,在计算支座7处锚固环截面内力时需考虑塔身承受双向的风荷载和倾覆力矩及扭矩。
附着式脚手架计算书一、工程概况本工程为具体工程名称,位于具体地点。
建筑结构形式为结构形式,建筑高度为高度数值m,标准层层高为层高数值m。
二、编制依据1、《建筑施工扣件式钢管脚手架安全技术规范》(JGJ130-2011)2、《建筑结构荷载规范》(GB50009-2012)3、《钢结构设计规范》(GB50017-2017)4、具体工程的施工图纸三、附着式脚手架设计参数1、脚手架搭设高度:从起始楼层至终止楼层,总高度为总高度数值m。
2、立杆纵距:纵距数值m。
3、立杆横距:横距数值m。
4、步距:步距数值m。
5、内立杆距建筑物距离:距离数值m。
四、荷载计算1、恒载标准值 G1k每米立杆承受的结构自重标准值:具体数值kN/m脚手板自重标准值:具体数值kN/m²栏杆与挡脚板自重标准值:具体数值kN/m安全网自重标准值:具体数值kN/m²2、活载标准值 Q1k施工均布活荷载标准值:具体数值kN/m²3、风荷载标准值ωk基本风压ω0:具体数值kN/m²风压高度变化系数μz:根据建筑物高度和地面粗糙度确定风荷载体型系数μs:具体数值五、纵向水平杆计算1、荷载计算均布恒载:计算过程及结果均布活载:计算过程及结果2、强度验算最大弯矩:计算过程及结果弯曲应力:计算过程及结果,小于钢材的抗弯强度设计值,满足要求。
3、挠度验算最大挠度:计算过程及结果,小于允许挠度,满足要求。
六、横向水平杆计算1、荷载计算集中恒载:计算过程及结果集中活载:计算过程及结果2、强度验算最大弯矩:计算过程及结果弯曲应力:计算过程及结果,小于钢材的抗弯强度设计值,满足要求。
3、挠度验算最大挠度:计算过程及结果,小于允许挠度,满足要求。
七、扣件抗滑力计算1、纵向水平杆单扣件抗滑承载力:具体数值kN纵向水平杆通过扣件传给立杆的竖向力:计算过程及结果,小于单扣件抗滑承载力,满足要求。
2、横向水平杆单扣件抗滑承载力:具体数值kN横向水平杆通过扣件传给立杆的竖向力:计算过程及结果,小于单扣件抗滑承载力,满足要求。
塔机附着验算计算书计算依据:1、《塔式起重机混凝土基础工程技术规程》JGJ/T187-20092、《钢结构设计标准》GB50017-2017一、塔机附着杆参数附着次数N 3附着点1到塔机的横向距离a1(m) 2.6 点1到塔机的竖向距离b1(m) 5附着点2到塔机的横向距离a2(m) 2.6 点2到塔机的竖向距离b2(m) 3.2 附着点3到塔机的横向距离a3(m) 2.6 点3到塔机的竖向距离b3(m) 3.2 附着点4到塔机的横向距离a4(m) 2.6 点4到塔机的竖向距离b4(m) 5工作状态基本风压ω0(kN/m2) 0.2 非工作状态基本风压ω0'(kN/m2) 0.35 塔身前后片桁架的平均充实率α00.35塔机附着立面图三、工作状态下附墙杆内力计算1、在平衡臂、起重臂高度处的风荷载标准值q kq k=0.8βzμzμsω0α0h=0.8×1.695×1.206×1.95×0.2×0.35×1.06=0.237kN/m2、扭矩组合标准值T k由风荷载产生的扭矩标准值T k2T k2=1/2q k l12-1/2q k l22=1/2×0.237×572-1/2×0.237×12.92=365.287kN·m集中扭矩标准值(考虑两项可变荷载控制的组合系数取0.9)T k=0.9(T k1+ T k2)=0.9×(300+365.287)=598.758kN·m3、附着支座反力计算计算简图剪力图得:R E=100.427kN在工作状态下,塔机起重臂位置的不确定性以及风向的随机性,在计算支座4处锚固环截面内力时需考虑塔身承受双向的风荷载和倾覆力矩及扭矩。
4、附墙杆内力计算支座4处锚固环的截面扭矩T k(考虑塔机产生的扭矩由支座4处的附墙杆承担),水平内力N w=20.5R E=142.025kN。
???????塔吊三附着计算工程信息:工程名称:未命名工程;方案编制人:张工;编制日期:2019-11-28。
施工单位:建科研施工;建设地点:和平西桥;地上层数:13;地下层数:3层;建筑高度:40米;建筑面积:10000m2;建设单位:建科研建设公司;设计单位:建科研设计院;监理单位:建科研监理公司;勘查单位:建科研勘察院;总工期:360天;结构类型:框架;计算依据:依据《塔式起重机混凝土基础工程技术规程》(JGJ/T187-2009)、《塔式起重机设计规范》(GB/T13752-2017)、《钢结构设计规范》(GB50017-2003)编制。
一、参数信息塔机安装位置至建筑物距离超过使用说明规定,需要增长附着杆或附着杆与建筑物连接的两支座间距改变时,需要进行附着的计算。
主要包括附着杆计算、附着支座计算和锚固环计算。
塔吊高度:50.00(m)附着塔吊边长:3.00(m)回转扭矩:50.00(kN/m)风荷载设计值:0.10(kN/m)附着杆选用:12.6号工字钢附着塔吊最大起重力距:500.00(kN/m)附着节点数:3各层附着高度分别:10;20;30(m)二、支座力计算塔机按照说明书与建筑物附着时,最上面一道附着装置的负荷最大,因此以此道附着杆的负荷作为设计或校核附着杆截面的依据。
附着式塔机的塔身可以视为一个带悬臂的刚性支撑连续梁,其内力及支座反力计算如下:风荷载取值 q=0.10kN/m塔吊的最大倾覆力矩 M=500.00kN.m计算结果: N w=68.394kN三、附着杆内力计算计算简图:计算单元的平衡方程为:其中:四、第一种工况的计算塔机满载工作,风向垂直于起重臂,考虑塔身在最上层截面的回转惯性力产生的扭矩和风荷载扭矩。
将上面的方程组求解,其中从0-360循环,分别取正负两种情况,分别求得各附着最大的轴压力和轴拉力:杆1的最大轴向压力为:91.96 kN杆2的最大轴向压力为:0.00 kN杆3的最大轴向压力为:60.54 kN杆1的最大轴向拉力为:44.82 kN杆2的最大轴向拉力为:24.85 kN杆3的最大轴向拉力为:76.25 kN五、第二种工况的计算塔机非工作状态,风向顺着起重臂,不考虑扭矩的影响。
附着计算计算书塔机安装位置至附墙或建筑物距离超过利用说明规按时,需要增设附着杆,附着杆与附墙连接或附着杆与建筑物连接的两支座间距改变时,必需进行附着计算。
要紧包括附着支座计算、附着杆计算、锚固环计算。
一、支座力计算塔机依照说明书与建筑物附着时,最上面一道附着装置的负荷最大,因此以此道附着杆的负荷作为设计或校核附着杆截面的依据。
附着式塔机的塔身能够简化为一个带悬臂的刚性支撑持续梁,其内力及支座反力计算如下:风荷载取值:Q = ;塔吊的最大倾覆力矩:M = ;弯矩图变形图剪力图= ;计算结果: Nw二、附着杆内力计算计算简图:计算单元的平稳方程:其中:第一种工况的计算:塔机满载工作,风向垂直于起重臂,考虑塔身在最上层截面的回转惯性力产生的扭矩合风荷载扭矩。
将上面的方程组求解,其中θ从 0 - 360 循环, 别离取正负两种情形,求得各附着最大的。
塔机满载工作,风向垂直于起重臂,考虑塔身在最上层截面的回转惯性力产生的扭矩合。
杆1的最大轴向压力为: kN;杆2的最大轴向压力为: kN;杆3的最大轴向压力为: kN;杆1的最大轴向拉力为: kN;杆2的最大轴向拉力为: kN;杆3的最大轴向拉力为: kN;第二种工况的计算:塔机非工作状态,风向顺着着起重臂, 不考虑扭矩的阻碍。
= 0,别将上面的方程组求解,其中θ= 45, 135, 225, 315,Mw离求得各附着最大的轴压和轴拉力。
杆1的最大轴向压力为: kN;杆2的最大轴向压力为: kN;杆3的最大轴向压力为: kN;杆1的最大轴向拉力为: kN;杆2的最大轴向拉力为: kN;杆3的最大轴向拉力为: kN;三、附着杆强度验算1.杆件轴心受拉强度验算验算公式:σ= N / A n≤f其中σ --- 为杆件的受拉应力;N --- 为杆件的最大轴向拉力,取 N = kN;--- 为杆件的截面面积,本工程选取的是 10号工字钢;An查表可知 A=1430.00 mm2。
QTZ63(5610)塔式起重机附着计算一、附着杆安装示意图:二、计算条件1,附着杆截面特性:材料为Q235如上图形式加强。
A=1927mm2I x= I y=11500563mm4W x=W y=127753mm32,附着布置第一道附着距离地面距离为34.5米;两道附着间距为25.0米;悬空高度为35.0米。
3, 计算工况分为四个工况a :附着与起重臂成0度角时的工作状态b :附着与起重臂成90度角时的工作状态c :附着与起重臂成0度角时的非工作状态d :附着与起重臂成90度角时的非工作状态三、计算方法采用整机有限元计算方法,依据QTZ63塔机整机计算模型,添加两层附着,添加附着杆以及附着框架材料,分别计算上述四种工况中,附着杆以及附着框架的应力;最后在以稳定系数加以修正;如图:四、结果1,经过计算,上述四个工况中,(a )工况下产生附着杆的最大应力为:2, a 工况长杆最大应力P=A N =42.98Mpa ;短杆最大应力P=AN =-57.47Mpa b 工况长杆最大应力P=A N =-40.70Mpa ;短杆最大应力P=AN =-43.15Mpa c 工况长杆最大应力P=A N =-25.58Mpa ;短杆最大应力P=AN =-33.98Mpa d 工况长杆最大应力P=A N =3.57Mpa ;短杆最大应力P=AN =-75.34MpaAN 3,取以上abcd 四种工况中长杆最大应力P==42.98Mpa ;短杆最大应力P=AN =-75.34Mpa 。
2,刚度计算长杆:l 0=5620mm r=A I x =77mm λ=rl 0=73 λhx =x x A A 1240+λ=73.23<[λ]=120 根据塔式起重机设计规范,计算得长细比λhx =73.23,材料为Q235的轴心受压构件的稳定系数ϕ =0.687根据公式σ=AN ϕ=62.56Mpa短杆:l 0=3550mm r=A I x =77mm λ=rl 0=46 λhx =x x A A 1240+λ=46.37<[λ]=120 根据塔式起重机设计规范,计算得长细比λhx =46.37,材料为Q235的轴心受压构件的稳定系数ϕ =0.687根据公式σ=AN ϕ=109.66Mpa 五、结论:本附着架采用Q235B 材料,σs=235 Mpa 计算工况为载荷组合B ,允许的安全系数为1.34,[σs]=235/1.34=175.4,计算应力109.66<[σs]=175.4 Mpa ,计算通过。
塔吊附墙支撑计算及塔吊基础节强度验算一、概况:该工程位于浦东新区花木路东绣路路口。
由于安装位置有限,塔吊附墙距离与建筑物超过了出厂的规定设计要求(小于3米5),本附墙中心距5米8。
根据说明书给出的技术指标和参数,分别取如下数据:S=200KN(合外力)Mn=300KN·ma=1205mmb=1475mmL1=4800mmL2=4800mmL=9600mmH=5800mmE=210Gpaδp=240Mpa[δ]=157MPa只要计算出各杆所受的内力极大值,对设计撑杆进行稳定性校验即可。
一、三根支撑杆的内力极限值:1)DF杆的内力极限值P1max(S a²+b²+Mn)* (L1-a) ²+(H-b) ²P1max=2H(L-b)=45.44KN2) CF杆的内力极限值P2max[S a² (L1-2b) ²+(2aH-bL) ²+Mn(L1-2a)] (L1+a) ²+(H-b) ²P2max=2 b L (H -a)=97.3KN3)CE杆的内力极限值P3max[S(L1L+H²)+Mn L²+H²]P2max= * (H-b)²+(L2-a)²2LL²+H²*(b-H)=77.99KN二、对三根支撑杆的稳定性校核三根支撑杆都是采用ø152mm、壁厚8mm的无缝钢管制成。
D=152 mm、d=144mm、&=8mm两端为铰支。
取nw=2.0(1)DF杆稳定性:DF杆的长度:L3= 6700mmi= IAП(D²-d²)= 64П(D²-d²)4= D²+d²4=52.345(mm)L3=i=128 ( =1)由于 p= п².Eδp=92.9可知 > pPcrn=P1maxп².E пPcr1= * (D²-d²)²4=243.9KNPcrn= =5.3P1maxn=5.3> nw=2.0所以,DF杆的稳定性足够。
QTZ80塔机附墙撑杆计算书附墙撑杆计算说明:1、将附墙撑杆支座简化为铰支座。
2、整个附墙撑杆的自重在垂直方向作为均布载荷处理。
3、撑杆水平方向考虑作用均布风载荷。
4、根据水平与垂直两个方向所产生的弯矩,取最大弯矩值验算撑杆整体稳定性。
一、设计参数附墙撑杆轴向力 N 1800Kg撑杆自重 W=4*G1*L+4*G2*L1*n 171.10 KgG1 0.05 Kg/cmG2 0.01 Kg/cm 撑杆主弦杆长度 L 677.6 cm 撑杆缀条长度 L1 54.5 cmn 13.5二、载荷计算撑杆均布载荷 q G=W/L 0.25 Kg/cm 撑杆自重引起的弯矩 M y= q G*L2/2 57969.66 Kg.cm 标准风压值qⅡ0.0025 Kg/cm2撑杆风压高度修正系数 K h 1撑杆风载体形系数 c 1.4撑杆高宽 h 24 cm 撑杆轮廓面积 F=Fx=Fy=ΦL*h 6504.96 cm2撑杆挡风系数Φ0.4风载荷 W f= qⅡ*K h*c*F 22.76736 Kg撑杆风载荷 q f=W f/L 0.0336 Kg/cm 作用在撑杆上的风载荷引起的弯矩Mx=q f*L2/2 7713.582 Kg.cm 三、撑杆截面参数撑杆主弦杆为L63*5角钢,由表查得:主弦杆面积 A1 6.14 cm2主弦杆总面积 A=4* A1 24.57 cm2单肢惯性矩 I x0 23.17 cm4i x 1.94 cmi y0 1.25 cmz0 1.74 cm撑杆缀条为L30*3角钢,由表查得:缀条面积 A1 1.749 cm2主弦杆总面积 A=4*A1 6.996 cm2单肢惯性矩 I x0 1.46 cm4i x 0.91 cmi y0 0.59 cmz0 0.85cm撑杆横截面几何特性I x=I y=4*﹝I x0+A1*(h/2-z0)2﹞2679.32cm4I r=(I x/A)1/2 10.44cm四、撑杆稳定性计算按垂直方向验算撑杆整体稳定性撑杆长细比λx=L/r 64.89〔λ〕 120.00λx<〔λ〕 OK四肢格构构件换算长细比λhx=λhy=〔λx2+40*(A/A1x)〕1/2 67.02偏心率ε1=(M y/N)*(A*(h/2+z0)/I y) 0.30由表查偏心受压构件的稳定系数Φpg 0.50撑杆整体稳定性验算σ=N/Φpg*A 1465.08Kg/cm2〔σ〕 1700Kg/cm2σ<〔σ〕 OK五、单肢稳定性验算省略计算注:QTZ63塔机附墙撑杆计算书(四撑杆)因与QTZ80差别不大且小于QTZ80,故计算略。
施工升降机附着计算书施工升降机,听起来是不是有点儿高大上?其实它就是工地上那种能把人和材料从地面送到高空的“飞天小能手”。
说起这个家伙,咱们不得不聊聊它的附着计算。
嘿,别以为这只是个无聊的工程术语,实际上,这可是个关乎安全的大事儿呢!先说说什么是附着。
你想啊,施工升降机在高空中工作,像是在走钢丝,稳不稳关键在于附着的设计。
好比你爬树,得找个结实的树枝,才能放心大胆地往上爬。
附着的强度,关系着升降机的稳定性,影响到每一个在上面工作的人的安全。
没错,安全第一,咱们可不想在工地上上演“飞天遁地”的戏码。
计算这东西,可不是随便一算了事,得认真对待。
首先得考虑建筑物的高度、风速和载荷。
简单来说,就是多高的楼,风刮得多大,以及要搬运多少重的东西。
你想,万一风大得像是要把升降机吹飞,那可就麻烦了,甚至会有“失重”的感觉。
为了防止这种情况,设计师们可是要认真地计算每一个细节,确保升降机的附着力能承受住这些外部压力。
真是不能马虎啊!然后呢,还得考虑材料的强度。
别小看这些铁铁的升降机,材料的选择可有讲究。
钢材、混凝土,各种材质各有千秋,就像挑选食材一样,得挑最适合的。
有时候设计师还得做点儿实验,看看这些材料在高空中是个什么表现。
就像我们在做菜时,得试试味道,不能让吃的人失望。
计算附着力也是在为大家的安全保驾护航。
施工升降机的结构设计也很重要。
这就像搭积木,基础越稳,越高也越安全。
设计师们在纸上画出各种形状,然后计算每一根支撑杆的受力情况。
很多时候,这些设计图纸看起来就像是艺术品,简直令人赞叹。
看着那些高耸的升降机,就像看着一座座坚固的城堡,内心总是涌起一阵自豪感。
说到这里,得提提工地上的小伙伴们。
操作升降机的师傅们,个个都是“飞天战士”。
他们可得经过严格培训,才能上岗作业。
操作这玩意儿可不是开玩笑,稍不留神,后果可不堪设想。
每次升降,师傅们都得认真检查升降机的各项指标,确保万无一失。
有些师傅甚至在工作时还会唱歌,活跃气氛,工作起来既安全又开心,真是太棒了!最后呢,咱们不能忽视的是,施工升降机的日常维护。
附着计算计算书
塔机安装位置至附墙或建筑物距离超过使用说明规定时,需要增设附着杆,附着杆与附墙
连接或者附着杆与建筑物连接的两支座间距改变时,必须进行附着计算。
主要包括附着支座计
算、附着杆计算、锚固环计算。
一、支座力计算
塔机按照说明书与建筑物附着时,最上面一道附着装置的负荷最大,因此以此道附着杆
的负荷作为设计或校核附着杆截面的依据。
附着式塔机的塔身可以简化为一个带悬臂的刚性支撑连续梁,其内力及支座反力计算如
下:
风荷载取值:Q = 0.18kN;
塔吊的最大倾覆力矩:M = 500.00kN;
弯矩图
变形图
剪力图
= 29.4464kN ;计算结果: N
w
二、附着杆内力计算
计算简图:
计算单元的平衡方程:
其中:
2.1 第一种工况的计算:
塔机满载工作,风向垂直于起重臂,考虑塔身在最上层截面的回转惯性力产生的扭矩合
风荷载扭矩。
将上面的方程组求解,其中θ从 0 - 360 循环, 分别取正负两种情况,求得各
附着最大的。
塔机满载工作,风向垂直于起重臂,考虑塔身在最上层截面的回转惯性力产生的扭矩合。
杆1的最大轴向压力为: 34.84 kN;
杆2的最大轴向压力为: 0.00 kN;
杆3的最大轴向压力为: 28.60 kN;
杆1的最大轴向拉力为: 25.04 kN;
杆2的最大轴向拉力为: 5.75 kN;
杆3的最大轴向拉力为: 30.62 kN;
2.2 第二种工况的计算:
塔机非工作状态,风向顺着着起重臂, 不考虑扭矩的影响。
= 0,分将上面的方程组求解,其中θ= 45, 135, 225, 315,M
w
别求得各附着最大的轴压
和轴拉力。
杆1的最大轴向压力为: 54.06 kN;
杆2的最大轴向压力为: 49.73 kN;
杆3的最大轴向压力为: 39.85 kN;
杆1的最大轴向拉力为: 54.06 kN;
杆2的最大轴向拉力为: 49.73 kN;
杆3的最大轴向拉力为: 39.85 kN;
三、附着杆强度验算
1.杆件轴心受拉强度验算
验算公式:
σ= N / A n≤f
其中σ --- 为杆件的受拉应力;
N --- 为杆件的最大轴向拉力,取 N =54.063 kN;
--- 为杆件的截面面积,本工程选取的是 10号工字钢;
A
n
查表可知 A
=1430.00 mm2。
n
经计算,杆件的最大受拉应力σ=54.063/1430.00 =37.807N/mm2,
最大拉应力不大于拉杆的允许拉应力 215N/mm2, 满足要求。
2.杆件轴心受压强度验算
验算公式:
σ= N / φA n≤f
其中σ --- 为杆件的受压应力;
N --- 为杆件的轴向压力,杆1: 取N =54.063kN;
杆2: 取N =49.728kN;
杆3: 取N =39.850kN;
--- 为杆件的截面面积, 本工程选取的是 10号工字钢;
A
n
查表可知 A
=1430.00 mm2。
n
λ --- 杆件长细比,杆1:取λ=121,杆2:取λ=147,杆3:取λ=162
φ --- 为杆件的受压稳定系数,是根据λ查表计算得:
杆1: 取φ=0.432,杆2: 取φ=0.318,杆3: 取
φ=0.270;
经计算,杆件的最大受压应力σ=74.083 N/mm2,
最大拉应力不大于拉杆的允许拉应力 215N/mm2,满足要求。
四、附着支座连接的计算
附着支座与建筑物的连接多采用与预埋件在建筑物构件上的螺栓连接。
预埋螺栓的规格
和施工要求如果说明书没有规定,应该按照下面要求确定:
1.预埋螺栓必须用Q235钢制作;
2.附着的建筑物构件混凝土强度等级不应低于C20;
3.预埋螺栓的直径大于24mm;
4.预埋螺栓的埋入长度和数量满足下面要求:
其中n为预埋螺栓数量;d为预埋螺栓直径;l为预埋螺栓埋入长度;f 为预埋螺栓与混
凝土粘接强度(C20为1.5N/mm^2,C30为3.0N/mm^2);N为附着杆的轴向力。
5.预埋螺栓数量,单耳支座不少于4只,双耳支座不少于8只;预埋螺栓埋入长度不
少于15d;螺栓埋入端应作弯钩并加横向锚固钢筋。
五、附着设计与施工的注意事项
锚固装置附着杆在建筑结构上的固定点要满足以下原则:
1.附着固定点应设置在丁字墙(承重隔墙和外墙交汇点)和外墙转角处,切不可设置
在轻质隔墙与外墙汇交的节点处;
2.对于框架结构,附着点宜布置在靠近柱根部;
3.在无外墙转角或承重隔墙可利用的情况下,可以通过窗洞使附着杆固定在承重内墙
上;
4.附着固定点应布设在靠近楼板处,以利于传力和便于安装。