沥青砂生产工艺及技术要求
- 格式:doc
- 大小:31.50 KB
- 文档页数:4
沥青路面工程施工工艺与技术第一节沥青路面的特点、分类和结构组成一、特点沥青路面是采用沥青材料作结合料,粘结矿料或混合料修筑面层的路面结构。
沥青路面由于使用了粘结力较强的沥青材料作结合料,不仅增强了矿料颗粒间的粘结力,而且提高了路面系列的技术品质,使路面具有平整、耐磨。
不扬尘、不透水、耐久等优点。
由于沥青材料具有弹性、粘性、塑性,在汽车通过时,震动小、噪声低、略有弹性、平稳舒适,是高等级公路的主要面层。
沥青路面的缺点是:易被履带车辆和尖硬物体所破坏;表面易被磨光而影响安全,温度稳定性差,夏天易软、冬天易脆并产生裂缝。
此外,铺筑沥青面层受气脚施工季节的限制。
雨天不宜铺筑各种沥青面层,冰冻地区在气温较低时铺筑沥青面层难以保证质量。
沥青路面属于柔性路面,其力学强度和稳定性主要依赖于基层与土基的特性。
为了保证路面的各项技术要求,最好铺筑在用结合料处治过的整体性基层上。
由于沥青路面的抗弯拉能力较低,要求基础有足够的强度和稳定性,因此翻浆路段的土基必须事先处理,强度不足的路段要预先补强。
在有冻胀现象的地区通常需设置防冻层,以防止路面冻胀产生裂缝。
修筑沥青路面后,由于隔绝了土基与大气间气态水的流通,路基路面内部的水分可能积聚在沥青结构层下,使土基和基层变软,导致路面破坏因此必须强调基层的水稳定性。
对交通量较大的路段,为使沥青路面具有一定的抗弯拉和抗疲劳开裂的能力,宜在沥青面层下设置沥青混合料封层。
采用较薄的沥青面层时,特别是在旧路面上加铺面层时,要采取措施(如设置粘层)加强面层与基层之间的粘结,以防止水平力作用而引起沥青面层的剥落、推挤、拥包等破坏。
修筑沥青路面一般要求等级高的矿料,等级稍差的矿料借助于沥青的粘结作用,也可用来修路面。
当沥青与矿料之间粘附得不好时,在水分作用下会逐步剥落,因此在潮湿地区修筑沥青路面时,应采用碱性矿料,或采取一定的技术措施提高矿料与沥青间的粘结力。
沥青类路面施工时要求温暖的气候条件,各工序要紧密配合。
1.道路石油沥青沥青路面采用的沥青标号,宜按照公路等级、气候条件、交通条件、路面类型及在结构层中的层位及受力特点、施工方法等确定。
对于高速公路、一级公路一般采用针入度指数大的沥青,即重交通石油沥青。
国产重交通道路石油沥青特点是:沥青含蜡低,高温粘度大,低温延伸性好,抗老化性能强,能符合重交通道路石油沥青技术要求,可满足高等级公路的使用要求。
具体指标见下表。
重交通道路石油沥青技术要求表1注:沥青标号由针入度值划分。
此外还有中、轻道路石油沥青技术要求,液体石油沥青技术标准,乳化沥青技术标准,详见规范。
2.改性沥青改性沥青可单独或符合采用高分子聚合物、天然沥青及其他改性材料制作。
制造改性沥青的改性剂能要符合技术规范要求,基质沥青应与改性剂有良好的配伍性,其质量宜符合道路石油沥青的技术规范。
改性沥青对粘度、贮存稳定性等有严格要求,见规范。
改性沥青宜在固定式工厂或在现场设厂集中制作,也可在拌和厂现场边制造边使用,改性沥青的加工温度不宜超过180℃.胶乳类改性剂可直接投入拌和缸中生产改性沥青混合料。
3. 粗集料沥青层用粗集料包括碎石、破碎砾石、钢渣、矿渣等,但在高速公路和一级公路不得使用筛选砾石和矿渣。
粗集料必须用生产许可证的采石场生产或施工单位自行加工。
粗集料必须洁净、干燥、表面粗糙、无风化、不含杂质,质量应符合下表规定沥青混合料质量技术要求表2采石场在生产过程中必须彻底清除覆盖层及泥土夹层,并不得含有土块,杂物等。
对用于抗滑表层沥青混合料中的粗集料,应该选用坚硬、耐磨、韧性好的碎石或碎砾石,因此高速公路、一级公路沥青路面的表面层(或磨耗层)对粗集料的磨耗值有严格的要求,详见下表。
粗集料与沥青的粘附性决定着混合料的基本性能,其指标见下表。
3细集料沥青路面的细集料包括天然砂、机制砂、石屑。
细集料应洁净、干燥、无风化、不含杂质,并有适当的级配范围。
细集料的洁净程度,天然砂以小于0.075mm含量的百分数表示,石屑和机制砂以砂当量(适用于0-4.75)或亚甲蓝值(适用于0-2.36mm或0-0.15mm)表示,对细集料的技术要求见下表。
第一章工程概况工程名称:茂名北山岭原油商业储备基地工程(库区部分)工程地点:广东省茂名市电白县电城镇北山岭工程范围: 库区部分15台罐基础沥青砂绝缘层建设单位:中国石化集团石油商业储备有限公司管理单位:中国石化集团茂名石化分公司监理单位:广东国信工程监理有限公司施工单位:中国石化集团第十建设公司质量标准:合格率100%,优良率60%以上。
第二章总体施工部署一、施工管理目标1、项目质量目标本工程质量达到图纸设计要求及国家规定验收规范合格标准。
单位工程质量合格率100%;工程一次交验合格率100%、顾客满意度90%以上。
2、文明施工目标参照国家及市有关规定和标准,本工程达到文明施工合格工地标准。
3、环境保护目标达到2004《环境管理体系规范》:GB/T24001-2004idt IS014001的要求。
二、施工总体方案阐述按照各项要求,根据本工程的施工特点和性质,尤其针对本标段的施工环境和地理位置,参照我公司以往罐区工程的施工经验,总揽全局,合理编制进度网络计划,优化资源配置,抓住关键工序,层层把关,确保工程质量。
高效、优质地完成本标段施工任务,干出让业主满意的工程。
施工过程中,充分利用施工所在地的地缘优势,提前深入材料等措施的进场,提前收集施工各类资源,加快施工进度。
针对本标段土建工程所处茂名北山岭,充分考虑当地交通、资源、人文情况。
因此,必须努力做好施工前准备工作,特别是地方关系工作,取得南疆港区行政部门的支持使施工不受干扰。
施工措施、手段、器材等事项提前做好预案准备,按工期要求施工时调整好各项资源投入使用,保证施工进度要求。
在项目人员选派上,我们将抽调内部懂技术、有经验、具有专长的技术骨干,组建精良的项目班子,围绕缩短工期、降低造价、高质量、高效率的总目标,对工程项目进行统筹管理。
在施工设备的准备上,对工程所需设备进行全面的检修和保养,确保工程设备的完好率和利用率。
在施工管理上,确定关键工期线路。
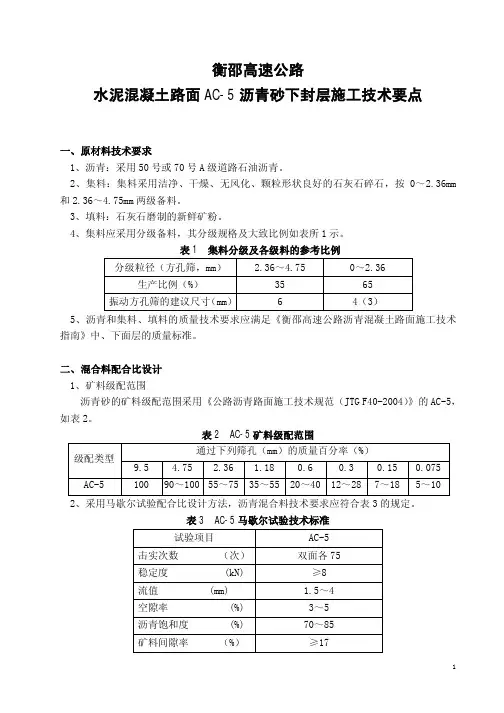
衡邵高速公路水泥混凝土路面AC-5沥青砂下封层施工技术要点一、原材料技术要求1、沥青:采用50号或70号A级道路石油沥青。
2、集料:集料采用洁净、干燥、无风化、颗粒形状良好的石灰石碎石,按0~2.36mm 和2.36~4.75mm两级备料。
3、填料:石灰石磨制的新鲜矿粉。
4、集料应采用分级备料,其分级规格及大致比例如表所1示。
表1 集料分级及各级料的参考比例分级粒径(方孔筛,mm) 2.36~4.75 0~2.36生产比例(%)35 65振动方孔筛的建议尺寸(mm) 6 4(3)5、沥青和集料、填料的质量技术要求应满足《衡邵高速公路沥青混凝土路面施工技术指南》中、下面层的质量标准。
二、混合料配合比设计1、矿料级配范围沥青砂的矿料级配范围采用《公路沥青路面施工技术规范(JTG F40-2004)》的AC-5,如表2。
表2 AC-5矿料级配范围通过下列筛孔(mm)的质量百分率(%)级配类型9.5 4.75 2.36 1.18 0.6 0.3 0.15 0.075AC-5 100 90~100 55~75 35~55 20~40 12~28 7~18 5~10 2、采用马歇尔试验配合比设计方法,沥青混合料技术要求应符合表3的规定。
表3 AC-5马歇尔试验技术标准试验项目AC-5击实次数(次)双面各75稳定度 (kN) ≥8流值 (mm) 1.5~4空隙率 (%) 3~5沥青饱和度 (%) 70~85矿料间隙率(%)≥173、AC-5混合料水稳定性指标和渗水系数必须符合表4所列的要求。
表4 水稳定性能指标和渗水系数指标AC-5浸水马歇尔试验(48h)残留稳定度,不低于(%)≥80冻融劈裂试验的残留强度比不低于(%)≥75渗水系数 (ml/min) ≤120三、施工准备1、在浇洒改性沥青封层前,应对已喷洒透层的基层顶面进行检查,有破损地方应进行修补;若有其他污染或杂物应进行冲洗或清扫,当用水冲洗时,应等水分蒸发表面完全干燥后才可进行沥青砂下封层的施工。
中华人民共和国行业标准公路沥青路面施工技术规范Standard Specification for Construction andAcceptance of Highway Asphalt PavementsJTJ 032-94主编单位:交通部公路科学研究所批准单位:中华人民共和国交通部施行日期:1994年12月1日人民交通出版社1994·北京关于发布交通行业标准《公路沥青路面施工技术规范》的通知交公路发[ 1994 ] 536号现批准发布交通行业标准《公路沥青路面施工技术规范》(编号为JTJ032-94),自1994年12月1日起实行。
1983年我部发布的《公路沥青路面施工技术规范》同时废止。
该规范由交通部公路科学研究所负责解释。
希各单位在实践中注意积累资料,总结经验,及时将发现的问题和修改意见函告部公路科学研究所,以便修订时参考。
中华人民共和国交通部一九九四年六月七日目录1 总则2 术语、符号、代号2.1 术语2.2 符号及代号3 基层4 材料4.1 一般规定4.2 道路石油沥青4.3 乳化石油沥青4.4 液体石油沥青4.5 煤沥青4.6 粗集料4.7 细集料4.8 填料5 沥青表面处治路面5.1 一般规定5.2 材料规格和用量5.3 施工机械5.4 施工准备5.5 施工方法6 沥青贯入式路面6.1 一般规定6.2 材料规格和用量6.3 施工机械6.4 施工准备6.5 施工方法7 热拌沥青混合料路面7.1 一般规定7. 2 施工准备7. 3 热拌沥青混合料的配合比设计7.4 热拌沥青混合料的拌制7.5 热拌沥青混合料的运输7.6 热拌沥青混合料的摊铺7.7 热拌沥青混合料的压实及成型7. 8 接缝7.9 开放交通及其他8 乳化沥青碎石混合料路面8.1 一般规定8.2 施工准备8.3 乳化沥青碎石混合料的配合比设计 8.4 乳化沥青碎石混合料的路面施工9 透层、粘层与封层9.1 透层9.2 粘层9.3 封层10 其他工程10.1 一般规定10.2 行人道路10. 3 重型车停车场、公共汽车站10.4 水泥混凝土桥面的沥青铺装10.5 路缘石11 施工质量管理与检查验收11.1 一般规定11.2 施工前的材料与设备检查11.3 铺筑试验路段11.4 施工过程中的质量管理与检查11.5 交工验收阶段的工程质量检查与验收11.6 工程施工总结附录A 沥青路面施工气候分区附录B 热拌沥青混合料配合比设计方法B. 1 一般规定B.2 材料准备B.3 矿料配合比计算B.4 马歇尔试验B.5 水稳定性检验B.6 高温稳定性检验B.7 钢渣活性检验附录C 路用材料质量要求C.l 重交通道路石油沥青技术要求C.2 中、轻交通道路石油沥青技术要求C.3 道路用乳化石油沥青技术要求C.4 道路用液体石油沥青技术要求C. 5 道路用煤沥青技术要求C.6 沥青面层用粗集料规格(方孔筛)C.7 沥青面层用粗集料规格(圆孔筛)C.8 沥青面层用粗集料质量技术要求C.9 沥青面层用天然砂规格C.10 沥青面层用石屑规格C.11 沥青面层用细集料质量技术要求C.12 沥青面层用矿粉质量技术要求附录D 路用材料规格和用量D.1 沥青表面处治材料规格和用量(方孔筛)D.2 沥青表面处治材料规格和用量(圆孔筛)D.3 沥青贯入式面层材料规格和用量(方孔筛)D.4 沥青贯入式面层材料规格和用量(圆孔筛)D.5 表面加铺拌和层时贯入层部分的材料规格和用量(方孔筛) D.6 表面加铺拌和层时贯入层部分的材料规格和用量(圆孔筛) D.7 沥青混合料矿料级配及沥青用量范围(方孔筛)D.8 沥青混合料矿料级配及沥青用量范围(圆孔筛)D.9 沥青路面透层及粘层材料的规格和用量D.10 乳化沥青稀浆封层的矿料级配及沥青用量范围附录E 施工质量管理与检查验收标准E.1 施工过程中材料质量检查的内容与要求E.2 沥青面层施工过程中工程质量的控制标准E.3 施工过程中沥青面层外形尺寸的质量控制标准E.4 公路沥青面层工程交工检查与验收质量标准(-)E.5 公路沥青面层工程交工检查与验收质量标准(二)E.6 行人道路沥青面层工程质量标准E.7 桥面沥青铺装工程质量标准E.8 路线石工程质量标准附录F 沥青面层压实度计算及标准密度的确定方法附录G 施工质量动态管理的方法附录H 本规范用词说明附加说明1 总则1.0.1 为贯彻“精心施工,质量第一”的方针,确保沥青路面的施工质量,使铺筑的沥青路面坚实、平整、稳定、耐久,有良好的抗滑性能,特制定本规范。
浅谈桥面沥青砂封水找平层施工工艺摘要:桥面沥青砂封水找平层施工质量是影响桥面沥青面层使用的重要一环,它的施工质量是可以有效的防止路面水进入桥面混凝土中,避免了钢筋的腐蚀,增强了桥梁的使用效果;同时可以将原本不平整的桥面进行修整,使其平整度符合要求,继而为摊铺沥青上面层奠定了一个良好的基础,提高了行车的舒适性。
本文结合乐宜高速公路桥面沥青砂封水找平层的施工实践,简要介绍了桥面沥青砂封水找平层的施工工艺。
关键词:桥面沥青砂现场准备施工工艺交通管制质量检验1 工程概况乐宜高速公路工程是国家重点工程成渝环线的重要组成部分,连接四川省乐山市和宜宾市,全长137公里。
按四车道高速公路技术标准执行,全线设计速度采用80km/h,路基宽度采用24.5米,结合本高速公路公路所经过地区的雨水较多情况,以及桥面砼的喷砂凿毛情况,同时兼顾沥青砂的防水能力和行车舒适要求,采用桥面水泥砼铺装层+桥面热沥青碎石封层+桥面沥青砂封水找平层+沥青上面层。
2现场准备(1)在摊铺桥面沥青砂封水找平层之前提前两个小时洒布桥面热改性沥青碎石封层,报经监理工程师进行验收,验收合格后方进行下道工序。
(2)测量挂线a.恢复中桩,10m设一桩,等桥面热改性沥青碎石封层施工完毕各项指标达到技术要求后,紧靠两侧护栏放置指示桩。
b.进行水准测量,根据松铺系数计算出标高,然后在两侧指示桩上用红笔标出沥青砂封水找平层虚铺的标高,并在红线上方10cm 处拉线,拉力不小于150kg,确保摊铺线不下垂,用于摊铺机摊铺行走线。
3施工工序准备下承层→施工测量放样→厂拌料(试验室取样) →运输→摊捕→压实→交通管制4施工工艺1、混合料拌和:(1) 沥青混合料在沥青拌合厂采用dg4000型间歇式拌合机械拌制,其额定产量为320t/h,并装有温度检测系统及保温的成品储料仓和二次除尘设施,能够满足施工要求。
经检验矿料级配及沥青含量均符合规范及设计要求。
(2)对称进行称量精度标定,对冷料给料系统标定,并对计量控制系统进行调试,保证拌和机处于良好的工作状态。
沥青面层施工质量控制一、设备1、沥青已由沥青硅搅拌站供应。
沥青砂搅拌站必须配备足够试验设备的实验室,并能及时提供必须的试验资料。
2、拌和机应能按重量分批配料,并有装有温度计及保温的成品贮料仓和二次除尘设置。
拌和设备的产量应和生产进度相匹配,在安装完成后应按批准的配合比进行试拌调试直到符合要求。
3、摊铺设备应装配有电子或机械调平系统及可调振幅的振动夯具和振动整平板,能保证达到理想的平整度。
4、压实设备应配有钢轮式、轮胎式及振动压路机,能够按合理的压实工艺进行组合压实。
5、在该项工程开工之前,承包人应将准备用于本项工程的所有设备的型号列单报监理工程师批准,监理工程师如随时提出要求,承包人应及时无偿增加或更换。
二、路面材料及混合料组成L必须严格加强料源质量控制,杜绝不合格材料和未经批复的材料用于工程施工中,必须加大原材料检测力度,细粒式SBS改性沥青密级配AC-13和中粒式密级配SBS改性沥青AC-20满足《公路沥青路面施工技术规范》要求必须严格控制关键筛孔(16mm、2.36mm、0.6mm、0.15mm)的通过率。
粗、细集料应洁净、干燥、无杂质、无风化、无软弱颗粒,具有足够的强度、耐磨性,料源特性指标满足设计及规范的要求。
原材料:路用材料沥青、碎石、水泥、矿粉等,其质量要求应符合设计及交通部有关行业规范的技术要求。
1)粗集料:必须是反击破或立轴式破碎机经两次以上破碎工艺,且最后一次为整形破碎。
粗集料相关技术要求符合设质量要求2 )细集料:应洁净、干燥、无风化、无杂质,并有适当的颗粒级配,禁止使用天然砂。
3 )填料:矿粉必须是采用石灰岩或岩浆岩中的强基性岩石等憎水性石料经磨细得到的矿粉,采用粗集料专门加工(必须除净泥土杂质),原石料中的泥土杂质应除净,禁止使用回收粉。
矿粉应干燥、洁净、无结团,能自由从矿粉仓流出。
4)沥青:针入度、软化点、延度等指标符合设计及规范要求。
2、沥青混合料配合比1)配合比设计沥青混合料配合比设计包括目标配合比、生产配合比及配合I:搐佥证三个阶段。
目录1 简述 (1)2 参建单位 (1)3 编制依据 (1)4 工程特点及技术要求 (1)5 施工准备 (2)5.1 技术准备 (2)5.2资源准备 (3)5.3检试验计划 (3)6施工部署 (4)6.1机械设备使用计划 (4)6.2沥青砂施工进度计划 (4)7主要施工方法及技术措施 (4)7.1主要施工程序 (4)7.2成品保护措施 (8)8 质量保证措施 (8)8.1 材料控制 (8)8.2施工过程控制 (9)8.3施工技术质量要求 (9)9 HSE保证措施 (10)9.1安全施工要求 (10)9.2劳动保护 (10)9.3文明施工措施 (11)9.4 HSE管理体系 (11)10 质量保证措施 (12)11劳动安全及保护 (12)1 简述本工程为山西平陆80万吨∕年氧化铝项目“分解分级及种子过滤”子项,根据设计图纸要求,本工程中所有的槽罐基础均需要做沥青砂绝缘层。
对于单个罐基础,沥青砂绝缘层为土建工作的最后一道工序。
2 参建单位建设单位:山西复晟铝业有限公司监理单位:新疆昆仑工程监理有限责任公司施工单位:浙江锦鑫建设工程有限公司工程检测单位:山西运城建设工程质量检测有限公司3 编制依据《工程测量规范》GB50026—2007《石油化工钢储罐地基与基础施工及验收规范》SH/T3528-2005《建筑工程施工质量验收统一标准》GB50300-2001《建筑机械使用安全技术规程》JGJ33-2012《建筑施工安全检查标准》JGJ59-2011《石油化工建设工程项目交工技术文件规定》SH/T3503-2007相关法律法规和现行国家及行业标准施工图纸4 工程特点及技术要求4.1本工程特点1)本工程质量目标一次交验合格率为100%。
2)沥青砂标高、表面平整度要求很高,标高控制点应经过多次复核确保测设的准确性。
3)沥青砂铺设为了不产生施工裂缝,在施工中应采取相应措施,减小沥青砂变形伸缩量,力求沥青表面平整连续无裂缝。
油罐基础沥青砂生产工艺及技术要求一、沥青砂的定义和构造原理沥青砂是由一定细度模数,连续级配的砂子和沥青胶结材料组成的混合物。
它的构造是由砂子颗粒形成嵌镶模样的组织,砂粒之间有一定的嵌固力和摩阻力。
沥青胶结材料把砂子的颗粒间隙填充,并把它们粘结在一起,使其具有一定的物理力学性能。
在材料性质和施工工艺不变的情况下,沥青砂的质量与以下几个因素有关:1)沥青和砂子的配合比是否适当。
2 )沥青和砂粒的结合能力,这与材料质量有关,如沥青炒焦,砂中含水或含泥量过大都会使结合力降低。
3)沥青胶结料所形成的薄膜厚度与最大可能的粒结表面。
试验证明砂子颗粒间的总表面积决定沥青薄膜的厚度。
沥青掺量一定的情况下,砂粒越细,沥青膜愈薄,强度也愈高。
但沥青膜薄到不能将砂子颗粒包裹粘结,强度又会急剧降低。
因此,细砂和特细砂总表面积大,需沥青胶结料多一些,中砂和粗砂总表面积小,需沥青胶结料少一些。
二、垫层沥青砂的技术性能要求1)不发生火花不导电在和金属发生摩察,碰撞等机械作用时,就不发生火花和产生灼热。
并具有一定的绝缘性能。
这是保证储油安全和防止油罐底板腐蚀的重要性能。
2)有足够的力学强度在油罐全充装的情况下,不发生大的变形。
作为油罐基础的表面,承载力要能满足油罐安全储油的要求。
3)有良好的温度稳定性由于沥青砂是一种弹塑性材料,它的主要缺点是:强度随温度变化。
温度升高时强度降低,温度降低时强度升高。
一般在设计时已作了考虑,使沥青砂在当地最高气温下具有足够的强度,在当地最低温度时以保持一定的塑性,不致破裂。
在没有极端气候的地区,有时在设计中没有具体规定。
4)密实性沥青砂的容重为2200-2340kg/m 3。
如果容重低于这个数值区间,则可判定沥青砂的密实性不好。
如果施工时没压实或砂粒中掺杂有大量有机物就会出现这种现象。
5)不透水性质量良好,压实率符合要求的沥青砂垫层有一定的耐水性和不透水性。
施工时若配合比不当(沥青胶结料太少),密实度不好,沥青炒焦都会造成沥沥青砂垫层透水。
目录1 简述 (1)2 参建单位 (1)3 编制依据 (1)4 工程特点及技术要求 (1)5 施工准备 (2)5.1 技术准备 (2)5.2资源准备 (3)5.3检试验计划 (3)6施工部署 (4)6.1机械设备使用计划 (4)6.2沥青砂施工进度计划 (4)7主要施工方法及技术措施 (4)7.1主要施工程序 (4)7.2成品保护措施 (8)8 质量保证措施 (8)8.1 材料控制 (8)8.2施工过程控制 (9)8.3施工技术质量要求 (9)9 HSE保证措施 (10)9.1安全施工要求 (10)9.2劳动保护 (10)9.3文明施工措施 (11)9.4 HSE管理体系 (11)10 质量保证措施 (12)11劳动安全及保护 (12)1 简述本工程为山西平陆80万吨∕年氧化铝项目“分解分级及种子过滤”子项,根据设计图纸要求,本工程中所有的槽罐基础均需要做沥青砂绝缘层。
对于单个罐基础,沥青砂绝缘层为土建工作的最后一道工序。
2 参建单位建设单位:山西复晟铝业有限公司监理单位:新疆昆仑工程监理有限责任公司施工单位:浙江锦鑫建设工程有限公司工程检测单位:山西运城建设工程质量检测有限公司3 编制依据《工程测量规范》GB50026—2007《石油化工钢储罐地基与基础施工及验收规范》SH/T3528-2005《建筑工程施工质量验收统一标准》GB50300-2001《建筑机械使用安全技术规程》JGJ33-2012《建筑施工安全检查标准》JGJ59-2011《石油化工建设工程项目交工技术文件规定》SH/T3503-2007相关法律法规和现行国家及行业标准施工图纸4 工程特点及技术要求4.1本工程特点1)本工程质量目标一次交验合格率为100%。
2)沥青砂标高、表面平整度要求很高,标高控制点应经过多次复核确保测设的准确性。
3)沥青砂铺设为了不产生施工裂缝,在施工中应采取相应措施,减小沥青砂变形伸缩量,力求沥青表面平整连续无裂缝。
罐底防腐沥青砂技术要求一、沥青砂成型机理冷补沥青砂的强度形成过程和热沥青混合料的强度形成过程有所不同,热沥青混合料用的沥青是热塑性的,而冷补沥青砂的沥青是经过改性的,己经不是完全的热塑性。
冷补沥青砂的强度形成有一个缓慢的过程,在摊铺,碾压时具可塑性、流动性,能被挤压至坑槽中不规则的地方。
在行车和空气的作用下使一部分溶剂挥发,沥青逐步变稠,冷补沥青砂颗粒之间的分布更加紧密,空隙率减少,矿料相互的黏结更牢固。
混合料的密度增大,对路面软的感觉会逐渐消失,这一过程需要7—10天时间。
此后强度还会逐步增加,经过三个月左右的时间,其变形和强度会逐步稳定,达到或超过热沥青混合料冷却后的性能。
沥青砂的强度由两部分构成:一是由于改性沥青自身的黏结性和黏附性及与矿料相互作用而形成的混合料的内聚力和黏附力所构成的。
它们使得矿料颗粒料间不易分离,形成整体,也使混合料与原表面要有较高的粘着力而不易剥离、推移。
二是混合料经碾压后由于矿料颗粒间的嵌挤锁结作用而形成的混合料的内摩擦阻力。
沥青砂这两部分力就构成其初期强度,并足以抵抗车辆荷载的作用。
所以,刚摊铺的沥青砂表面有发软变形的情况,但不影响直接将大罐座在沥青砂上,二、原材料要求1、集料基本要求:粒径:骨料最大粒径不宜少于5毫米,如果骨料粒径过小,固化后强度最大强度达不到设计要求。
形状:集料(学名为机制砂)表面不能过于光滑,形状不能全部为圆形,针片状比不能低于25%,表面光滑或过于圆形,沥青粘膜与集料粘附力不符合要求,容易出现沥青与集料剥离,整体表面出现松散情况。
级配(配合比):成品料中集料不能为同一粒径,各种粒径的集料都要有,这样才能形成嵌挤机构,满足密实度要求,形成密实级配,不渗水,强度达到最高值后压实度才能达到90%以上。
冷补沥青砂组成分析试验级配基本符合规范的技术要求,0.075㎜通过率大于2%,,对使用不会有影响。
2、沥青要求:沥青必须为70号以上的道路石油沥青,高温抵抗变形呢能力及低温抗脆裂能力可以满足要求。
沥青砂在道路病害处治,作用,技术要求《沥青砂在道路病害处治:小材料,大作用》在道路的世界里啊,就像人会生病一样,道路也常常闹毛病。
什么坑洼啦、裂缝啦,简直就是道路的“头疼脑热”。
这时候,沥青砂就像一位专治道路病害的“小神医”闪亮登场了。
沥青砂的作用那可真是不容小觑。
先说说那坑洼之处吧。
每次开车或者骑车走在路上,遇到坑坑洼洼就像在坐过山车,突然一个颠簸,小心脏都要跳出来了。
沥青砂就像补牙似的,把这些坑洼给填得平平的。
它填充能力超强,可以非常紧实的扎根在坑洼里,等硬化之后,就像给道路的肌肤补好了一块小补丁,让车辆能够平顺的通过。
还有那裂缝,就像是道路皮肤上的皱纹。
要是不管它,它就会越裂越大,就像皱纹越来越深一样。
沥青砂可以顺着裂缝渗进去,把裂缝粘得牢牢的,将那些企图让裂缝扩大的力量都给抵挡回去。
就像给裂缝打了一针有效的美容针,让道路又重新紧致起来。
不过可别以为沥青砂这么神通广大就随随便便用。
它也是有严格的技术要求的。
首先在选材上,就得精挑细选。
不能是那种品质不佳的沥青砂,不然就像给病人用假药一样,根本解决不了问题。
黏附性要好,不然填进坑洼里不久就散了架,那可就是白忙活一场。
在施工的时候也是技术活儿。
温度得要合适,温度太低了,沥青砂就像一个心情不好的工人,不愿意伸展手脚,很难均匀地摊开。
温度太高呢,又容易变得过于稀软,还没填好坑洼就流得到处都是。
而且在填补的时候,压实也是关键步骤。
就像种庄稼要把土压实一样,沥青砂也要压实,不然容易出现虚填,车辆一压,立马又现原形,重新变回坑洼。
总之呢,沥青砂在道路病害处治中就像一个可靠的小能手,但只有遵循严格的技术要求,才能让它的本事真正发挥出来,让我们的道路不再“带病工作”,顺利地承载着来来往往的车辆和行人。
沥青砂在桥面铺装中的应用技术发表时间:2020-08-24T17:16:55.470Z 来源:《基层建设》2020年第12期作者:张瑞松徐亚东关云涛[导读] 摘要:在双层SMA桥面铺装中设置AC-5沥青砂。
中建八局第四建设有限公司青岛 266000摘要:在双层SMA桥面铺装中设置AC-5沥青砂。
因其在混凝土表面的抗剪切强度高,并且施工工艺对桥面平整度状态的适应性较强,因而适合在混凝土桥梁沥青桥面铺装中应用。
针对由于水泥混凝土桥面传统封水层粘结效果差而影响桥面沥青铺装层耐久性的问题,提出将AC-5沥青砂作为桥面防水粘结层,同时对AC-5沥青砂的关键施工技术进行了研究。
工程实践表明:该设计方案和施工效果良好。
关键词:AC-5沥青砂;耐久性;平整度;桥面沥青铺装层;施工技术研究 1 引言近年来,高速公路桥面沥青铺装层的破坏现象较为普遍,桥面防水效果的好坏已成为影响桥面铺装使用寿命的重要因素之一。
为了解决桥面铺装层耐久性问题,建设单位组织设计、技术咨询等多家单位进行铺装层结构设计论证,最终确定应用AC-5沥青砂作为封水粘结层。
下面将以本项目为例,就AC-5沥青砂的应用技术予以介绍。
2 桥面铺装层结构与配合比设计 2.1 铺装层结构设计桥面处理+热SBS改性沥青同步碎石封层+2cmSBS改性沥青胶砂多功能层+改性乳化沥青粘层+4cm承重层(SMA-13+改性乳化沥青粘层+4cm磨耗层(SMA-13)。
沥青均采用改性沥青。
2.2 配合比设计2.2.1 AC-5沥青砂配合比技术要求参照国家现行行业标准,对沥青砂的孔隙率、胶结料类型饱和度稳定度等严格控制,并结合现场实际优化生产配合比。
2.2.2 生产配合比试验结果生产配合比试验分别采用6.5%、7%、7.5%、8%、8.5%五种油石比成型马歇尔试件。
马歇尔击实温度为165℃,混合料拌和温度为175℃~185℃,双面各击实75次,沥青采用25℃测得相对密度1.033,采用表干法测定试件毛体积相对密度,在成型马歇尔试件的同时,按规范要求用计算法算沥青混合料的最大理论相对密度。
七、沥青砂绝缘层施工1、施工工艺流程中粗砂加热→30号甲建筑石油沥清加热→加热后的中粗砂与加热后的石油沥清拌制→沥清砂运输→沥清砂分块摊铺、碾压→竣工验收。
2、现场准备施工场地准备:沥青砂拌制场地位于罐区西侧空地,周围没有建筑物及可燃物,对环境污染尽可能小的位置。
材料准备:中粗砂、30甲建筑石油沥清、木柴等。
电临时设施准备:电源位于场地东侧,从位于罐区附件的二级配电箱接电。
沥清砂拌制及摊铺碾压设备准备:ZL-50装载机1台;沥清砂加工搅拌设备1套;平板震捣器3台;铁锹15把;钉钯15把;喷火枪2只;30Kg液化汽10瓶;空心铁滚2台;铝合金大靠杠2根;温度计6只;角铁40mm×40mm长度6m共20根。
劳动力准备生产技术管理、后勤保障人员:3人施工队采用混合工作队形式,便于发挥多面手作用,互相密切配合,统一领导,提高效率。
共设3个班组。
①沥清砂拌制班16人,②沥清砂摊铺、碾压班12人,③辅助班3人。
3、材料:沥青砂垫层用砂应为干燥的天然中、粗砂,其含泥量不得大于5%,砂子进场前,将不同来源的天然砂混合采用5mm筛孔过筛,经见证取样,符合中、粗砂要求,再组织进场。
进场后,经过5mm筛孔的机筛筛分,堆放整齐并及时将下脚料运走。
沥青为30甲建筑石油沥青。
进场后应先做原材料复试,合格后方可试用。
沥青采购运输使用专用罐车,每车重量40吨,搅拌厂做两个60m3储油池,确保储油池安全, 最多储量不大于50吨。
4、施工工艺由于沥清砂施工时温度高,且表面对平整度、坡度和标高及密实度都有较高的要求,施工有一定的难度。
与各专业技术人员及结合现场技术工人的经验经充分讨论按以下施工工艺及方法施工:①沥清砂面层施工前,应先在施工完的砂垫层上定罐基础的中心位置,然后采用截面50mm×50mm木桩打在罐基础中心位置上,桩尖打入夯实的砂垫层中,桩尖入回填土层深度不小于500mm,桩顶钉中心钉,桩定标高应等于罐基础中心标高。
沥青路面施工方法一、沥青路面设计要求1、沥青混合料的拌制应采用间歇式自动拌和机,每盘混合料的实际配合比以及温度应逐盘搅拌,拌和楼应按定期标定和校核。
2、沥青面层施工应严密组织施工,运料车必须保温、防雨、防污染,混合料必须缓慢、均匀、连续不断地摊铺,不得随意变更速度和中途停顿。
3、施工过程必须自始自终控制混合料各施工阶段的温度。
4、气温低于I(TC时,一般不得进行热拌沥青混合料的摊铺;当遇雨或下层潮湿时,不得进行摊铺;对未经压实即遭雨淋以及未达到压实度要求即以冷却结硬的混合料,应予以铲除报废。
5、现场碾压,应采用压实度与现场孔隙率双指标控制。
压实度面层不小于98%,但禁止超过10096。
6、不得为片面追求平整度而忽视压实度,应配备足够的钢轮和轮胎压路机,选择合理的压路机组合方式及碾压工艺,达到最佳压实效果。
7、接缝应紧密,连接平顺,遵守新施工规范,不得产生明显的接缝离析。
8、必须高度重视透层、粘层和下封层的作用,下封层应采用机械化施工,透层宜渗透基层3mm以上,以延长路面寿命。
9、摊铺层完全自然冷却,混合料表面温度低于50C后,方可开放交通,但应严格控制交通,做好保护,保持整洁,不得造成污染,严禁在沥青层上堆放施工产生的土或杂物,严禁在已铺好的沥青层上制作水泥砂浆。
10、必须严格按照施工规范执行。
二、施工注意事项1、各种路用材料在进行技术质量检验合格后,方可使用。
2、路面开工前,应按照《公路路面基层施工技术规范》(JTJo34-2000)、《公路沥青路面施工技术规范》(JTGF40-2004),对沥青混合料、水泥稳定碎石先进行室内配合比设计及有关试验,进一步确定混合料的配比、沥青用量、压实度等,并在施工中严格控制。
3、为保证施工质量,沥青混合料、水泥稳定碎石均采用拌和站拌和,并采用半幅全断面机械摊铺法施工。
4、基层、底基层的养生不得少于7天。
养生期间除洒水车外,应禁止一切车辆通行,施工车辆应从便道进出施工地点。
油罐基础沥青砂生产工艺及技术要求
一、沥青砂的定义和构造原理
沥青砂是由一定细度模数,连续级配的砂子和沥青胶结材料组成的混合物。
它的构造是由砂子颗粒形成嵌镶模样的组织,砂粒之间有一定的嵌固力和摩阻力。
沥青胶结材料把砂子的颗粒间隙填充,并把它们粘结在一起,使其具有一定的物理力学性能。
在材料性质和施工工艺不变的情况下,沥青砂的质量与以下几个因素有关:
1)沥青和砂子的配合比是否适当。
2)沥青和砂粒的结合能力,这与材料质量有关,如沥青炒焦,砂中含水或含泥量过大都会使结合力降低。
3)沥青胶结料所形成的薄膜厚度与最大可能的粒结表面。
试验证明砂子颗粒间的总表面积决定沥青薄膜的厚度。
沥青掺量一定的情况下,砂粒越细,沥青膜愈薄,强度也愈高。
但沥青膜薄到不能将砂子颗粒包裹粘结,强度又会急剧降低。
因此,细砂和特细砂总表面积大,需沥青胶结料多一些,中砂和粗砂总表面积小,需沥青胶结料少一些。
二、垫层沥青砂的技术性能要求
1)不发生火花不导电
在和金属发生摩察,碰撞等机械作用时,就不发生火花和产生灼热。
并具有一定的绝缘性能。
这是保证储油安全和防止油罐底板腐蚀的重要性能。
2)有足够的力学强度
在油罐全充装的情况下,不发生大的变形。
作为油罐基础的表面,承载力要能满足油罐安全储油的要求。
3)有良好的温度稳定性
由于沥青砂是一种弹塑性材料,它的主要缺点是:强度随温度变化。
温度升高时强度降低,温度降低时强度升高。
一般在设计时已作了考虑,使沥青砂在当地最高气温下具有足够的强度,在当地最低温度时以保持一定的塑性,不致破裂。
在没有极端气候的地区,有时在设计中没有具体规定。
4)密实性
沥青砂的容重为2200-2340kg/m3。
如果容重低于这个数值区间,则可判定沥青砂的密实性不好。
如果施工时没压实或砂粒中掺杂有大量有机物就会出现这种现象。
5)不透水性
质量良好,压实率符合要求的沥青砂垫层有一定的耐水性和不透水性。
施工时若配合比不当(沥青胶结料太少),密实度不好,沥青炒焦都会造成沥沥青砂垫层透水。
一般现场作试验确定不透水性能的好坏。
有些表层发生剥蚀现象的沥青砂垫层,耐水性一定不合格。
6)有一定的耐久年限
一般沥青砂的寿命和耐久年限大于油罐使用寿命。
但由于施工中的上述质量原因使沥青砂垫层的功能早期失效的情况时有发生,造成油罐底板腐蚀穿孔漏油,浸溶沥青砂垫层,更加快了沥青砂垫层的破坏,造成恶性循环。
7)石油沥青砂固化后的物理学性能指标
a)20℃时抗压强度>300kpa
b)50℃时抗压强度>10kpa
c)温度稳定系数(KT×R20℃/R50℃)不大于3.5
d)吸水率(体积)不大于3%.
e)膨胀率不大于1%.
三、材料选择
1)沥青:
油罐基础沥青砂配制应选30号建筑沥青、60号甲、乙道路石油沥青或75号普通石油沥青。
有时一种牌号沥青不能满足技术要求,可以进行两种牌号沥青的参配调制。
2)砂子:
砂子是沥青砂的骨料应采用纯净、干燥的中粗砂,质地坚硬,多梭角,表面粗糙,并有一定颗粒级配,含泥量不于5%,有机杂质不大于0.5%。
3)粉料:
一般选用与砂同类材质的矿物料,也可用粉煤灰、矿渣粉等,细度控制在0.08mm以内,以含有石英质的石屑粉为最佳。
含泥量和有机杂质要求与砂相同,但不能使用石灰、石膏、黏土。
四、配合比设计
配合比确定的严格步骤为:根椐使用要求和砂子及粉料细度模数,当地气温情况确定几个配合比,做成试件经试验后,确定一个最佳的配全比。
五、沥青砂的拌制
1)沥青砂在沥青拌和厂采用拌和机械拌制,拌和厂的设置除应符合国家有关环境保护、消防、安全等外,还应具备下列条件:
a)各种矿料应分散堆放在硬质地面上,不得混杂,细集料应堆放在有棚盖的干燥地方。
b)粉料必须存放在可靠的掺加设备中,保持干燥,不结块。
2)沥青砂拌和时间以混合料拌和均匀,所有矿料颗粒全部裹覆沥青结合料为度。
3)拌和时沥青加热温度应掌握在160℃~190℃之间,不得超过200℃;砂粒料加热温度100℃~150℃;混合料出厂温度170℃~185℃,不得超过195℃。
4)拌和时,矿粉投入能力应符合配合比设计数量的要求,为此宜设置适宜的矿粉投加设备。
5)拌和厂拌制的混合料应均匀一致、无花白料、无结团块现象,否则一律不得使用。
六、沥青砂的运输
1)混合料应采用自卸车运输,为防止沥青与车厢板粘结,车厢侧板和底板可涂一薄层隔离剂,但不得有余液积聚在车厢底部。
2)为了保证摊铺温度,运输时必须采取加盖苫布,以防止表面混合料降温结成硬壳。