35KV变电站预防性试验资料报告材料
- 格式:doc
- 大小:841.00 KB
- 文档页数:55
变电站预防性试验报告目录电抗器(线路阻波器、电容器组放电线圈)试验报告 (2)断路器实验报告 (3)隔离开关试验报告 (5)电流互感器实验报告 (6)电压互感器试验报告 (8)套管试验报告 (10)母线实验报告 (11)电力电缆试验报告 (12)电容器实验报告 (13)避雷器实验报告 (14)变压器油气试验报告 (15)站用变油气试验报告 (17)(三相一体)断路器油气试验报告 (18)(三相分体)断路器油气试验报告 (19)10kV、35kV 站用变压器试验报告 (20)三相四绕组油浸式变压器试验报告 (22)电抗器(线路阻波器、电容器组放电线圈)试验报告单位安装间隔本次系模板试验时间温度天气湿度绝缘电阻时间温度仪表名称 ---------------------------- 试验人员 ------------------------------一次绕组直流电阻(Q ) 时间------------ 温度---------单位_____________________________ 安装间隔本次系_____________________________试验时间环境温度天气湿度%设备铭牌合闸电阻值和合闸电阻的投入时间时间:温度:时间:温度仪表名称试验人员:操动机构合闸接触器和分、合闸电磁铁的动作电压时间:温度隔离开关试验报告单位安装地点本次系模板试验时间温度天气湿度设备名牌有机材料支持绝缘子及提升杆的绝缘电阻及导电回路电阻时间温度 ______________ 仪表名称 --------------------------- 试验人员-------------------------------交流耐压试验时间 ------------- 温度----------电流互感器实验报告单位___________________________ 安装地点本次系_________________________试验时间环境温度天气湿度%设备铭牌绕组及末屏的绝缘电阻(MQ) 时间温度仪表名称试验人员带电测试tanb及电容量时间____________ 温度一交流耐压试验时间温度仪表名称试验人员电压互感器试验报告单位安装间隔本次系模板试验时间温度天气湿度设备名牌交流耐压试验时间温度局部放电测量时间 ------------- 温度 ----------电容值及tan b (预试)时间温度极间绝缘电阻低压端对地绝缘电阻(M Q ) 时间温度套管试验报告单位安装间隔本次系模板试验时间温度天气湿度主绝缘及电容型套管对地、末屏tan b与电容量温度时间母线实验报告单位_______________________________ 安装间隔本次系______________________试验时间—环境温度天气湿度 _%设备铭牌绝缘电阻(MQ) 时间温度交流耐压时间温度—仪表名称试验人员电力电缆试验报告单位安装间隔本次系模板试验时间温度天气湿度单位______________________________本次系______________________试验时间—环境温度天气湿度%极间绝缘电阻(MQ) 时间温度单位安装间隔本次系______________________试验时间—环境温度天气湿度%绝缘电阻(MQ) 时间温度仪表名称试验人员检查放电计数器动作情况时间 --------------- 温度一仪表名称------------------------------ 试验人员 ------------------------仪表名称----------------------------------- 试验人员 -----------------------变压器油气试验报告单位安装间隔本次系模板试验时间___________________________ 温度________ 天气______ 湿度_______ 取样时间一取样人员二行标准油气厂家油气号--------------- 温度---------本体油中溶解气体色谱分析(三相分体)时间本体绝缘油试验(三相分体)时间-------------- 温度----------站用变油气试验报告单位安装间隔本次系模板试验时间____________________________ 温度_________ 天气 _____ 湿度_______取样时间一取样人员二行标准油气厂家油气号设备名牌本体油中溶解气体色谱分析(三相一体)时间 -------------- 温度--------- 仪表名称------------------------ 试验人员------------------------------本体绝缘油试验(三相一体)时间 ------------- 温度----------单位安装间隔本次系模板试验时间____________________________ 温度_________ 天气 _____ 湿度_______ 取样时间一取样人员二行标准油气厂家油气号SF6气体测量(三相一体)时间温度单位安装间隔本次系模板试验时间___________________________ 温度_________ 天气 _____ 湿度_______ 取样时间一取样人员二行标准油气厂家油气号SF6气体测量(三相分体)时间温度10kV、35kV 站用变压器试验报告单位安装间隔本次系一.绕组连同套管绝缘电阻、吸收比或极化指数(三相一体双绕组MQ)时间___________ 温度____测试仪器:___________________________ 试验人员______________________________二.套管绝缘电阻(三相一体双绕组Y/Y MQ) 时间 _______ 温度三.电容型套管的tang和电容值(三相一体双绕组Y/Y) 时间_______ 温度_____四・绕组连同套管的tang(三相一体双绕组部分)时间_______ 温度_____ 测试仪器:______________________________ 试验人员___________________________五、铁芯及夹件绝缘电阻(MQ)(三相一体)时间_______ 温度测试仪器:试验人员六・绕组直流电阻(mQ)(无载调压高压侧Y中性点不引出,同时适用于△接线、低压侧Y型)三相四绕组油浸式变压器试验报告单位_________________________ 安装间隔本次系______________________四.运行档位绕组直流电阻测量(mQ)。
35KV变电所电气预防性试验安全技术措施一、概况:根据《煤矿安全规程》第490、491条的规定及《煤矿电气试验规程》的要求,每年春季需要对矿井主要供电设备和电缆做预防性试验,以确保供电安全。
按照集团公司电气试验室的统一要求,计划规定于2012年月日至日,对35KV变电所供电设备及电缆线路做预防性电气试验。
本次试验工作由集团公司电气试验室负责,综合工区积极配合试验。
为确保本次工作的安全顺利进行,特制定本措施。
二、施工组织:1、试验负责人:集团公司电气试验室2、配合施工负责人:徐贵远安全负责人:3、工区现场人员:徐贵远4、配合试验人员:三、试验准备工作1、所有参加试验人员必须提前到施工试验现场,熟悉本变电所供电运行方式及现场试验环境,并学习本措施签字后方可参加施工。
2、试验前,由工区负责人将高压柜检查一遍,确保各柜断路器分合动作准确无误,指示准确,并将各柜的完好整定值与实际整定值校对一遍,确保整定无误。
3、由集团公司实验室负责试验的安排工作,工区负责开关柜的停送电,电气工作票的签发及执行工作。
试验前,将所用的两票全部准备好。
4、按照集团电气试验室负责人的要求,将试验用仪器全部接通电源。
四、35KV变电所正常运转状态为张株I回路为主运行回路,张株II回路为热备用回路。
(一)张株II 回路35KV电气设备预防性试验步骤:1、牢阅电气工作票,填写倒闸操作票2、穿戴绝缘用具并带验电笔3、核对断路器,隔离开关运行状态4、监护人唱票,操作人复诵。
5、停2#主变6KV出线盘602真空断路器及上下隔离开关6022、6023。
6、停2#主变35KV302断路器3002隔离开关;2#变压器停运,停II路电压互感器3004隔离开关。
7、对2#主变6KV出线盘6023验电,放电,挂三相短路接地线,挂停电牌。
8、停6kv联络开关柜,停6KVII段的所有开关柜断路器与上下隔离开关614、6006、606、608、604、612、610、6004分别验电,放电,挂三相短路接地线,挂停电牌。
XXXXXX集团XXXXXXX矿安全技术措施措施名称编制单位: 保运区持用单位: 保运区编制日期: 2月1日审批记录主持人: 措施名称: 35KV变电所电气预防性试验安全技35KV变电所电气预防性试验安全技术措施一、概况:据《煤矿安全规程》第435、436、437条的规定及《煤矿电气试验规程》的要求, 每年春季需要对矿井主要供电设备和电缆做预防性试验, 以确保供电安全。
按照集团公司电气试验室的统一要求, 计划规定于xxx年x月, 对35KV变电所供电设备及电缆线路做预防性电气试验。
本次试验工作由集团公司电气试验室负责, 机电科和保运区积极配合试验。
为确保本次工作的安全顺利进行, 特制定本措施。
二、施工组织:1、试验负责人: 集团公司电气试验室2、配合施工负责人: xxx安全负责人: xxx3、配合试验人员: xxxx三、试验准备工作1、所有参加试验人员必须提前到施工试验现场, 熟悉本变电所供电运行方式及现场试验环境, 并学习本措施签字后方可参加施工。
2、试验前, 由保运区负责人将高压柜检查一遍, 确保各柜断路器分合动作准确无误, 指示准确, 并将各柜的完好整定值与实际整定值校对一遍, 确保整定无误。
3、由集团公司实验室负责试验的安排工作, 保运区负责开关柜的停送电, 电气工作票的签发及执行工作。
试验前, 将所用的两票全部准备好。
4、按照集团电气试验室负责人的要求, 将试验用仪器全部接通电源。
三、试验步骤当前由35KV 3174Ⅱ回路带全矿负荷运行, 35KV 3181Ⅰ回路热备用, 先对Ⅰ回路回路35KV电气设备进行预防性试。
( 一) 3181Ⅰ回路35KV电气设备预防性试验步骤:1、细阅电气工作票, 填写倒闸操作票2、穿戴绝缘用具并带验电笔3、核对断路器运行状态4、监护人唱票, 操作人复诵。
5、停1#主变6KV出线盘真空断路器并将断路器退至检修位置。
6、停1#主变35KV断路器, 并将断路器退至检修位; 1#变压器停运, 停Ⅰ路电压互感器隔离开关。
伊泰丁家渠35KV变电站预试报告试验人员:白茂峰李小虎郭刚试验日期:2016-06-02 报告日期:2016-06-03主变试验报告绝缘油耐压试验报告断路器试验报告结论:试验合格35kV 断路器试验报告电压互感器试验报告35K 试验时间(min)1试验结论:一、绝缘电阻测试(M Q)使用仪器:KEW3132A 测试环境温度:18C V 电流互感器试验报告试验合格35K一、绝缘电阻测试(M Q )使用仪器:KEW3132A 测试环境温度:18C交接试验 预防性试验 试验周期35KV 电流互感器(KV )8568试验时间(min ) 1试验结论: 试验合格V电流 互感 器 试验 报 告35KV 氧化锌避雷器试验报告备注:华北电网公司()版标准试验规程;直流1mA电压Ul mA及0.75U lmA下的泄漏电流:1)U lmA实测值与初始值或制造厂规定值比较,变化不应大于土5% 2)0.75 Ui mA( Ui mA为交接时的值)下的泄露电流不应大于50(1 A o绝缘电阻:35KV以上的,不低于2500 M Q; 35KV及以下不低于1000 M Q试验周期:发电厂、变电所避雷器3-6年。
试验结论:试验合格35KV氧 化 锌避雷器试验报告直流1mA电压Ul mA及0.75U lmA下的泄漏电流:1)U lmA实测值与初始值或制造厂规定值比较,变化35K 不应大于土 5% 2) 0.75 Uim« Ui mA 为交接时的值)下的泄露电流不应大于 50口 A o绝缘电阻:35KV 以上的,不低于 2500 M Q; 35KV 及以下不低于1000 M Q试验周期:发电厂、变电所避雷器3-6年。
试验结论:V系 统耐 压试 验 报告三、母线耐压后绝缘电阻测试 (M Q); 使用仪器:KEW3132A 温度:18C试验时间2016-06-02线 --------------------- ----------------------------------------------------- 圈试验报告干式接地变压器试验报告、直流电阻测试;试验仪器:Y SB832B-10A 测试温度:高压侧直流电阻(试验合格电容调压变压器试验报告备注:华北电网公司()版标准试验规程:及以下变压器相间差别一般不大于串联电抗器试验报告集合式并联电容器试验报告10KV变压器试验报告、直流电阻测试;试验仪器:YSB832B-10A 测试温度:。
35KV 变电站高压预防性试验作业指导书编写: __________________ ____ _____ 年______月___ ___日 审核:______________________ _____ 年___ ___月___ ___日 批准: __________ _____ _____ 年___ ___月___ ___日_____ 年 _____ 月 _____ 日作业负责人:作业时间: 年 月 日 时至 年 月 日 时1 范围 (2)2 工期安排 (2)3 作业准备阶段 (3)准备工作 (3)危险点分析及安全控制措施 (3)人员分工 (4)4 作业阶段 (4)开工 (4)确认危险点及安全措施 (4)工器具 (5)作业流程及试验标准 (6)竣工 (11)5 结束阶段 (12)6 附件 (12)1 范围本指导书适用于35KV变电站高压预防性试验全部校验。
2工期安排3作业准备工作准备工作危险点分析及安全控制措施人员分工4作业阶段开工确认危险点及安全控制措施工器具工作流程及试验标准电力变压器5%电流互感器1) 主绝缘tg 3试验电压为10KV ,末屏 对地tg 3试验电压为 2KV 2) 油纸电容型tg 3 一般不进行温度换 算,当tg 3值与出厂值或上一次试验值 比较有明显增长时,应综合分析tg 3与 温度变化或试验电压由10KV 升到U m / 3时,tg 3增量超过土 %,不应继续 进行3) 固体绝缘互感器可不进行 tg 3测量序号1项目 周期绕组及末屏—1— 3 年 的绝缘电阻 交流耐压试1— 3 年(20KV要求1) 绕组绝缘电阻与初始值及历次数据比较,不应有显着变化 2) 电容型电流互感器末屏对地绝缘电阻一般不低于1000兆欧姆: 说明采用2500兆欧表及以下)tg 3及电容量1—3年或投运刖2) 二次绕组之间及末屏对地为2KV3) 全部更换绕组绝缘后,应按出厂值进行1)主绝缘tg 3( %)不应大于下表中数值,且与历年数据比较,不应 有显着变化:2)电容型电流互感器主绝缘电容量与初始值或出厂值差别超出土 范围时应查明原因电压互感器23) 全部更换绕组绝缘后,应按出厂值进行tg 3( 20KV 1) 绕组绝缘:序号项目 1绝缘电阻 周期1 — 3年自行规定要求说明一次绕组用 2500V 兆欧表,二次绕组用1000V 或2500V 兆欧表一次绕组直新装后或必要时流电阻测量 ________________________ 交流耐压试 3年(20KV 及以下)验与初始值或出厂值比较,应无明显差别1) 串级式或分级绝缘式的互感器用倍频感应耐压试验2) 进行倍频感应耐压试验时应考虑互感器的 容升电压3) 倍频耐压试验前后,应检查有否绝缘损伤2)支架绝缘tg 3 —般不大于6% 串级式电压互感器的tg 3试验方法建议采用 末端屏蔽法,其他试验方法与要求自行规定1) 一次绕组按出厂值的 85%进行。
( 安全技术 )单位:_________________________姓名:_________________________日期:_________________________精品文档 / Word文档 / 文字可改35KV降压站电气预防性试验风险预评价报告(标准版)Technical safety means that the pursuit of technology should also include ensuring that peoplemake mistakes35KV降压站电气预防性试验风险预评价报告(标准版)根据《煤矿安全规程》第490条、491条的规定及《煤矿电气试验规程》的要求,每年春季需要对矿井主要供电设备和电缆做电气预防性试验,以确保供电安全。
按照集团公司电气试验室的统一要求,计划定于2008年7月10日7:00-7月10日17:00对35KV降压站供电设备及电缆线路做预防性电气试验。
本次试验工作由集团公司电气试验室负责,综合工区积极配合试验。
为确保本次试验工作的安全、顺利进行,制定本措施。
二、施工可能出现风险及评价内容(一)技术风险评价1、风险因素:所有施工工器具未提前检查完好风险:施工中无法起到正常作用,导致人员受伤害防范措施:专人提前进行检查。
2、风险因素:未执行停送电管理制度风险:触电伤人防范措施:严格执行停送电管理制度3、风险因素:施工顺序混乱风险:造成降压站供电故障防范措施:严格执行施工顺序。
4、风险因素:施工开关柜与带电开关柜没有采取隔离安全措施风险:施工认错开关柜,电伤施工人员防范措施:在确认施工的开关柜两侧拉上警戒彩带,并安排专人进行监护,严防施工人员进入临近盘的带电部位5、风险因素:双回路开关柜施工时没有停所供供电回路进线开关柜风险:反反倒送电伤人防范措施:对反倒送电开关柜由机电部现场平衡,用电单位安排专人在所在配电所进行倒回路,并停所改造供电回路的进线开关,拉出手车或停下、上隔离后通知副立井降压站,副立井降压站验电、放电、挂接地线、挂拿停电牌。
35KV变电站预防性试验报告一、试验目的本次试验旨在对35KV变电站进行预防性试验,通过对设备运行情况的检测,提前发现潜在问题,确保设备安全可靠运行。
二、试验内容及方法1.进行设备绝缘电阻试验:使用绝缘电阻测试仪对变电站的变压器、开关设备、电缆等进行绝缘电阻测试。
测试方法为将测试仪连接至需要测试的设备上,记录测试数据。
测试结果应满足相关标准要求。
2.进行设备接地电阻试验:使用接地电阻测试仪对变电站的接地系统进行接地电阻测试。
测试方法为将测试仪的电极插入地面,连接至需要测试的接地设备上,记录测试数据。
测试结果应满足相关标准要求。
3.进行设备温升试验:使用红外热像仪对变电站的各设备进行测温,记录设备表面温度。
同时,对设备的运行状态进行观察,是否存在异常情况。
测试结果应满足相关标准要求。
4.进行设备运行试验:对变电站的变压器、开关设备等进行运行试验,检查设备运行状态是否正常,是否存在故障。
同时,记录设备的运行数据,并与标准值进行比对。
三、试验过程1.绝缘电阻试验:按照测试方法,对变电站的变压器、开关设备、电缆等进行绝缘电阻测试。
测试结果表明,各设备的绝缘电阻均满足相关标准要求。
2.接地电阻试验:按照测试方法,对变电站的接地系统进行接地电阻测试。
测试结果表明,变电站的接地电阻满足相关标准要求。
3.温升试验:使用红外热像仪对变电站的各设备进行测温,记录设备表面温度。
同时观察设备的运行状态,未发现异常情况。
4.运行试验:对变电站的变压器、开关设备进行运行试验,设备运行正常,未发现故障。
记录设备的运行数据,与标准值进行比对,结果符合预期。
四、结论与建议本次35KV变电站预防性试验顺利进行,并取得了良好的结果。
通过试验,我们发现设备绝缘电阻、接地电阻满足要求,并且设备在运行过程中温升正常,运行状态良好。
根据试验结果,我们提出以下建议:1.定期进行绝缘电阻、接地电阻和温升试验,保证设备安全可靠运行。
2.加强设备的日常巡检工作,及时发现并排除设备故障。
成都电业局现场作业工序工艺标准卡
变电检修现场作业工序工艺标准卡
编号:XXX/XXXXXXXXX
变电站 35 kV干式电抗器
预防性试验(高压试验部分)作业标准卡批准:年月日
生技部:年月日
安监部:年月日
基层领导:年月日
生技科:年月日
安监科:年月日
编写:年月日
工作负责人:
作业日期:年月日时至年月日时
作业单位:
工作(程)概况
查勘表
作业现场布置图
作业点定置图
组织措施
成都电业局现场作业工序工艺标准卡
作业流程图
(根据具体检修内容填入相关流程图)
作业进度计划表
工器具及材料准备表
一般安全、技术措施
危险点分析与控制
现场作业工序工艺确认表
作业总结
一、简要文字总结:
二、竣工验收及总结评价
a)自检评价:
检修班组负责人:年月日b)检修单位验收意见及评价:
检修技术负责人:检修班组负责人:年月日c)自检评价:
三、存在的问题与建议:竣工验收及总结评价
运行单位验收负责人:
生技部主管专责:
电业局验收负责人:
年月日。
35kV发展河变电站预试调试报告四川省强波电力项目有限公司二○一一年十月二十九日四川省强波电力项目有限公司第二十八项目处调试报告项目名称:35kV发展河变电站预试项目名称:高压电气预防性实验批准:审核:编制:目录一、35kV部分:11、35kV主变压器:12、35kV断路器:23、35kV站用变:34、35kV避雷器:45、35kV母线电压互感器:46、35kV线路电压互感器:57、35kV隔离开关:5二、10kV部分:61、10kV断路器:62、10kV避雷器:83、10kV母线电压互感器:94、10kV电流互感器:95、10kV站用变:106、10kV隔离开关:117、10kV电容器组电抗器:118、10kV电容器组电容器:129、10kV电容器组放电线圈:12一、35kV部分:1、35kV主变压器:1、铭牌:型号:SZ11-2000/35GY 额定容量:2000kV A阻抗电压:6.37% 连接组标号:Yd11相数:3相冷却方式:ONAN电压组合:35±3×2.5%/10.5kV 绝缘水平:LI200AC85出厂序号:209117 日期:2009年9月湛江高压电器有限公司2、绝缘检查:测试天气:晴湿度:50% 温度: 28℃测试时间:2018年10月28日测试人员:陈涛杨志福使用仪器:ZP2553 5000V 2500V兆欧表单位:MΩ规程要求:绝缘电阻值不低于出厂实验值的70%。
3、绕组直流电阻测量:测试天气:晴湿度:50% 温度: 28℃测试时间:2018年10月28日测试1.人员:陈涛杨志福使用仪器:SM33直流电阻测试仪单位:Ω规程要求:1600kV.A以上容量等级三相变压器,各相测得值的相差值应小于平均值的2%,线间测得值的相互差值应小于平均值的1%。
测试天气:晴湿度:50% 温度: 28℃测试时间:2018年10月28日测试人员:陈涛杨志福使用仪器: AI—6000E型介损仪规程要求:被测绕组的tanδ值不应大于产品出厂值历次实验值的30%,20℃时35kV电压等级不大于1.5%。
35KV变电站预防性试验报告一、试验目的本次试验旨在对35KV变电站进行预防性试验,以确保其正常运行和安全稳定。
二、试验内容1.遥测遥信试验:对35KV变电站的遥测遥信装置进行测试,验证其准确度和可靠性。
2.保护试验:对35KV变电站的保护装置进行测试,确认其工作可靠性和正确性。
3.绝缘试验:对35KV变电站的绝缘性能进行测试,以确保其能够正常工作。
4.设备运行试验:对35KV变电站的设备进行负荷试验,以验证其耐久性和稳定性。
5.环境试验:对35KV变电站的环境条件进行测试,确定其对设备运行的影响。
三、试验过程1.遥测遥信试验:通过遥测遥信测试仪器,对35KV变电站的遥测遥信装置逐一进行测试,记录和验证数据的准确度和一致性。
并检查设备状态和连接是否正常。
2.保护试验:根据变电站的保护配置参数,进行各种故障模拟测试,观察和记录保护装置的动作情况。
确保保护装置可以及时准确地切断故障区域。
3.绝缘试验:采用绝缘电阻测试仪器,对35KV变电站的绝缘电阻进行测试,确保其绝缘性能符合要求。
4.设备运行试验:对各项设备进行耐久性和稳定性测试,包括主变压器、开关设备、电容器等。
通过负荷试验,验证其正常运行和负荷能力。
5.环境试验:测量环境温度、湿度等数据,分析是否符合设备的工作要求,并对确保环境对设备运行的影响进行评估。
四、试验结果1.遥测遥信试验:所有的遥测遥信装置测试结果准确可靠,数据一致性良好。
2.保护试验:保护装置在各种故障模拟测试中发挥良好的动作保护作用,保障了变电站的安全运行。
3.绝缘试验:各项绝缘测试结果满足要求,变电站的绝缘性能良好。
4.设备运行试验:各项设备经过负荷试验后,运行正常,负荷能力稳定可靠。
5.环境试验:变电站环境温度、湿度等数据符合要求,对设备的运行没有不良的影响。
五、试验结论本次试验结果表明,35KV变电站的各项功能和设备运行正常,绝缘性能良好,保护装置工作正常可靠,环境条件符合要求。
35kV发展河变电站预试调试报告四川省强波电力工程有限公司二○一一年十月二十九日四川省强波电力工程有限公司第二十八工程处调试报告工程名称:35kV发展河变电站预试项目名称:高压电气预防性试验批准:审核:编制:目录一、35kV部分: (1)1、35kV主变压器: (1)2、35kV断路器: (2)3、35kV站用变: (3)4、35kV避雷器: (4)5、35kV母线电压互感器: (5)6、35kV线路电压互感器: (5)7、35kV隔离开关: (6)二、10kV部分: (6)1、10kV断路器: (6)2、10kV避雷器: (8)3、10kV母线电压互感器: (10)4、10kV电流互感器: (10)5、10kV站用变: (11)6、10kV隔离开关: (12)7、10kV电容器组电抗器: (13)8、10kV电容器组电容器: (13)9、10kV电容器组放电线圈: (14)一、35kV部分:1、35kV主变压器:1、铭牌:型号:SZ11-2000/35GY额定容量:2000kV A阻抗电压:6.37% 连接组标号:Yd11相数:3相冷却方式:ONAN电压组合:35±3×2.5%/10.5kV 绝缘水平:LI200AC85出厂序号:209117 日期:2009年9月湛江高压电器有限公司2、绝缘检查:测试天气:晴湿度:50% 温度: 28℃测试时间:2011年10月28日测试人员:陈涛杨志福使用仪器:ZP2553 5000V 2500V兆欧表单位:MΩ3、绕组直流电阻测量:测试天气:晴湿度:50% 温度: 28℃测试时间:2011年10月28日测试1.人员:陈涛杨志福使用仪器:SM33直流电阻测试仪单位:Ω规程要求:1600kV.A以上容量等级三相变压器,各相测得值的相差值应小于平均值的2%,线间测得值的相互差值应小于平均值的1%。
4、介质损耗角测量:测试天气:晴湿度:50% 温度: 28℃测试时间:2011年10月28日测试人员:陈涛杨志福使用仪器: AI—6000E型介损仪规程要求:被测绕组的tanδ值不应大于产品出厂值历次试验值的30%,20℃时35kV电压等级不大于1.5%。
35kV1号主变压器预防性试验报告七、结论:合格断路器预防性试验报告六、分、合闸电磁铁的动作电压十、结论:合格1号主变35kV侧3011隔离开关预防性试验报告六、结论:合格35kV#1主变301电流互感器预防性试验报告一、试验环境:五、结论:合格35kV1#主变压器10kV侧001真空断路器预防性试验报告六、分、合闸电磁铁的动作电压十、结论:合格35kV主变低压侧001断路器电流互感器预防性试验报告五、结论:合格1#主变压器10kV侧001断路器避雷器预防性试验报告六、结论:351断路器预防性试验报告六、分、合闸电磁铁的动作电压十、结论:合格线路侧3516隔离开关预防性试验报告五、交流耐压试验六、结论:合格母线侧3511隔离开关性试验报告五、交流耐压试验六、结论:合格电流互感器预防性试验报告五、结论:合格线路TV预防性试验告四、结论:合格线路避雷器预防性试验报告六、结论:合格352断路器预防性试验报告使用仪器:HLC5001回路电阻测试仪十、结论:合格线路侧3526隔离开关预防性试验报告五、交流耐压试验六、结论:合格母线侧3521隔离开关预防性试验报告六、结论:合格电流互感器预防性试验报告五、结论:合格线路TV预防性试验报告四、结论:合格线路避雷器预防性试验报告六、结论:合格断路器预防性试验报告六、分、合闸电磁铁的动作电压十、结论:合格六、结论:合格五、交流耐压试验六、结论:合格电流互感器预防性试验报告五、结论:合格线路TV预防性试验报告四、结论:合格35kV大邦线路避雷器预防性试验报告五、结论:合格35kV仟信河电站线354断路器预防性试验报告十、结论:微水不合格建议采用其他设备进行微水检测并分析试验结果.离开关预防性试验报告五、交流耐压试验六、结论:离开关预防性试验报告五、交流耐压试验六、结论:合格35kV仟信河电站线354断路器电流互感器互感器预防性试验报告一、试验环境:五、结论:合格35kV仟信河电站线线路TV预防性试验报告四、结论:合格35kV仟信河电站线线路避雷器预防性试验报告五、结论:35kV母联312断路器预防性试验报告十、结论:合格试验报告六、结论:合格试验报告六、结论:合格.35kV母联312断路器电流互感器互感器预防性试验报告一、试验环境:五、结论:合格35kVⅠ段母线TV3901隔离开关预防性试验报告五、交流耐压试验六、结论:合格35kVⅠ段母线TV预防性试验报告四、结论:合格35kVⅠ段母线TV间隔避雷器预防性试验报告六、结论:合格35kVⅡ段母线TV3902隔离开关预防性试验报告五、交流耐压试验六、结论:合格35kVⅡ段母线TV预防性试验报告四、结论:合格35kVⅡ段母线TV间隔避雷器预防性试验报告六、结论:合格35kV1号站用主变压器预防性试验报告四、绕组直流电阻。
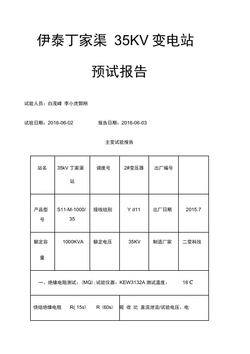
伊泰丁家渠35KV变电站
预试报告
试验人员:白茂峰小虎郭刚
试验日期:2016-06-02 报告日期:2016-06-03
主变试验报告
35kV断路器试验报告
35KV电流互感器试验报告
35KV氧化锌避雷器试验报告
35KV氧化锌避雷器试验报告
35KV系统耐压试验报告
消弧线圈试验报告
串联电抗器试验报告
集合式并联电容器试验报告
10kV断路器试验报告
10kV断路器试验报告
10kV断路器试验报告
10kV断路器试验报告
10kV断路器试验报告
10KV系统耐压试验报告
接地电阻试验报告
35KV丁家渠变电站
保护定检报告
试验人员:白茂峰、小虎、郭刚
试验日期: 2016-06-02
352 二回进线
保护装置:ISA-353G
保护装置规:交流额定电压220v、5A,直流220v
生产厂家:南瑞
通电前的检查
1、屏体上的标签与图纸一致。
2、接线与实际图纸相符。
3、拔出所有插件,检查各插件的元件无松动、脱落现象,无机械损伤及连线无被扯断等现象。
4、用(500兆欧表或500伏)摇表测绝缘,经测试绝缘合格,屏蔽措施符合规程要求,接线与反措施一致。
二、装置通电检查:
将插件按顺序全部插入,分别给上直流电源后各装置面板上的工作指示灯亮,面板上其它指示灯不亮。
三、回路检查:
1、)手合、手跳装置及回路反应情况正确,红绿灯指示正确。
2、)当地监控系统跳合闸操作反映情况正确,报文正确。
3、)开出、开入传动核对正确(具体详见大纲)
4、)保护压板核对正确。
四、装置调试
1、)零漂检验:
2、)采样值精度校验:误差围在-3%--+3%之间
3、)保护功能测试:
4、)通入模拟量传动的整组试验:
模拟瞬时性故障:装置A、B、C相分别通入1.05倍的定值和0.95倍的定值,动作情况如下:
模拟永久性故障:
5、)试验结论:试验合格
6、)试验仪器:ONIIY-ad331型昂立保护校验仪
321 2#进线
保护装置:ISA-353G
保护装置规:交流额定电压220v、5A,直流220v
生产厂家:南瑞
通电前的检查
1、屏体上的标签与图纸一致。
2、接线与实际图纸相符。
3、拔出所有插件,检查各插件的元件无松动、脱落现象,无机械损伤及连线无被扯断等现象。
4、用(500兆欧表或500伏)摇表测绝缘,经测试绝缘合格,屏蔽措施符合规程要求,接线与反措施一致。
二、装置通电检查:
将插件按顺序全部插入,分别给上直流电源后各装置面板上的工作指示灯亮,面板上其它指示灯不亮。
三、回路检查:
1、)手合、手跳装置及回路反应情况正确,红绿灯指示正确。
2、)当地监控系统跳合闸操作反映情况正确,报文正确。
3、)开出、开入传动核对正确(具体详见大纲)
4、)保护压板核对正确。
四、装置调试
1、)零漂检验:
2、)采样值精度校验:误差围在-3%--+3%之间
3、)保护功能测试:
4、)通入模拟量传动的整组试验:
模拟瞬时性故障:装置A、B、C相分别通入1.05倍的定值和0.95倍的定值,动作情况如下:
装置A、B、C相分别通入1.05倍的电源保护定值和0.95倍的电源保护定值,动作情况如下:
6、)试验仪器:ONIIY-ad331型昂立保护校验仪
952 2#进线
保护装置:ISA-361G
保护装置规:交流额定电压220v、5A,直流220v
生产厂家:南瑞
通电前的检查
1、屏体上的标签与图纸一致。
2、接线与实际图纸相符。
3、拔出所有插件,检查各插件的元件无松动、脱落现象,无机械损伤及连线无被扯断等现象。
4、用(500兆欧表或500伏)摇表测绝缘,经测试绝缘合格,屏蔽措施符合规程要求,接线与反措施一致。
二、装置通电检查:
将插件按顺序全部插入,分别给上直流电源后各装置面板上的工作指示灯亮,面板上其它指示灯不亮。
三、回路检查:
1、)手合、手跳装置及回路反应情况正确,红绿灯指示正确。
2、)当地监控系统跳合闸操作反映情况正确,报文正确。
3、)开出、开入传动核对正确(具体详见大纲)
4、)保护压板核对正确。
四、装置调试
1、)零漂检验:
将测试电源Ia、Ib、Ic、IN加在CT的对应相上,在各相上分别加电源,使保护动作并重合。
4、)通入模拟量传动的整组试验:
模拟永久性故障:
装置A、B、C相分别通入1.05倍的电源保护定值和0.95倍的电源保护定值,动作情况如下:
5、)试验结论:试验合格
6、)试验仪器:ONIIY-ad331型昂立保护校验仪
921 主扇二回
保护装置:ISA-351G
保护装置规:交流额定电压220v、5A,直流220v
生产厂家:南瑞
通电前的检查
1、屏体上的标签与图纸一致。
2、接线与实际图纸相符。
3、拔出所有插件,检查各插件的元件无松动、脱落现象,无机械损伤及连线无被扯断等现象。
4、用(500兆欧表或500伏)摇表测绝缘,经测试绝缘合格,屏蔽措施符合规程要求,接线与反措施一致。
二、装置通电检查:
将插件按顺序全部插入,分别给上直流电源后各装置面板上的工作指示灯亮,面板上其它指示灯不亮。
三、回路检查:
1、)手合、手跳装置及回路反应情况正确,红绿灯指示正确。
2、)当地监控系统跳合闸操作反映情况正确,报文正确。
3、)开出、开入传动核对正确(具体详见大纲)
4、)保护压板核对正确。
四、装置调试
1、)零漂检验:
装置通电两小时后零漂检验结果如下(要求零漂围-0.3---+0.3)
3、)保护功能测试:
4、)通入模拟量传动的整组试验:
模拟永久性故障:
6、)试验仪器:ONIIY-ad331型昂立保护校验仪
923 地面二回
保护装置:ISA-311G
保护装置规:交流额定电压220v、5A,直流220v
生产厂家:南瑞
通电前的检查
1、屏体上的标签与图纸一致。
2、接线与实际图纸相符。
3、拔出所有插件,检查各插件的元件无松动、脱落现象,无机械损伤及连线无被扯断等现象。
4、用(500兆欧表或500伏)摇表测绝缘,经测试绝缘合格,屏蔽措施符合规程要求,接线与反措施一致。
二、装置通电检查:
将插件按顺序全部插入,分别给上直流电源后各装置面板上的工作指示灯亮,面板上其它指示灯不亮。
三、回路检查:
1、)手合、手跳装置及回路反应情况正确,红绿灯指示正确。
2、)当地监控系统跳合闸操作反映情况正确,报文正确。
3、)开出、开入传动核对正确(具体详见大纲)
4、)保护压板核对正确。
四、装置调试
1、)零漂检验:
3、)保护功能测试:
将测试电源Ia、Ib、Ic、IN加在CT的对应相上,在各相上分别加电源,使保护动作并重合。
4、)通入模拟量传动的整组试验:.63
模拟永久性故障:
5、)试验结论:试验合格
6、)试验仪器:ONIIY-ad331型昂立保护校验仪
925 下井二回
保护装置:ISA-311G
保护装置规:交流额定电压220v、5A,直流220v
生产厂家:南瑞
通电前的检查
1、屏体上的标签与图纸一致。
2、接线与实际图纸相符。
3、拔出所有插件,检查各插件的元件无松动、脱落现象,无机械损伤及连线无被扯断等现象。
4、用(500兆欧表或500伏)摇表测绝缘,经测试绝缘合格,屏蔽措施符合规程要求,接线与反措施一致。
二、装置通电检查:
将插件按顺序全部插入,分别给上直流电源后各装置面板上的工作指示灯亮,面板上其它指示灯不亮。
三、回路检查:
1、)手合、手跳装置及回路反应情况正确,红绿灯指示正确。
2、)当地监控系统跳合闸操作反映情况正确,报文正确。
3、)开出、开入传动核对正确(具体详见大纲)
4、)保护压板核对正确。
四、装置调试
1、)零漂检验:
装置通电两小时后零漂检验结果如下(要求零漂围-0.3---+0.3)
4、)通入模拟量传动的整组试验:
模拟瞬时性故障:装置A、B、C相分别通入1.05倍的定值和0.95倍的定值,动作情况如下:
5、)试验结论:试验合格
6、)试验仪器:ONIIY-ad331型昂立保护校验仪。