混凝土搅拌站水泥罐基础设计
- 格式:docx
- 大小:17.27 KB
- 文档页数:6
拌和站水泥罐基础设计计算书1、水泥罐基础设计拌合站投入5个100t型水泥罐,100t型水泥罐直径3m,支腿邻边间距2.05m;按3个水泥罐一排、2个水泥罐一排共计两排设立。
根据公司以往拌合站施工经验、现场地质条件以及基础受力验算,水泥罐基础采用C30钢筋砼条形承台基础满足三个水泥罐同时安装。
基础尺寸8m(长)×4m(宽)×1.9m(高),基础埋深1.5m,外漏0.4m,承台基础采用Φ16@200mm×200mm上下两层钢筋网片,架立筋采用450mm×450mmφ12钢筋双排双向布置,基础顶预埋地脚钢板与水泥罐支腿满焊。
具体布置见下图:水泥罐平面位置示意图2、水泥罐基础计算书2.1、计算基本参数水泥罐自重约10t,水泥满装100t,共重110t。
水泥罐支腿高3m,罐身高15m,共高18m。
单支基础4m×4m×1.9m钢筋砼。
2.2、地基承载力计算计算时按单个水泥罐计算单个水泥罐基础要求的地基承载力为:δ1=1100÷(4×4)+1.9×25=68.75+47.5=116.25KN/m2=0.12Mpa根据《临湘(湘鄂界)至岳阳公路第四合同段两阶段施工图设计》第六册中的岩土设计计算参数表资料可知:本合同段全风化花岗岩承载能力基本容许值为[fa0]=0.25Mpa,因δ1≤[fa0]。
现场临建设施工时,为安全起见,基础底面参照一级公路标准施工。
故远大于水泥罐地基承载力要求。
2.3、抗倾覆计算参照《临湘(湘鄂界)至岳阳公路第四合同段两阶段施工图设计》第一册,本合同段地区按最大风速25m/s。
(1)风荷载强度计算:W0⋅K3⋅K2⋅K1=风荷载强度计算:W其中基本风压:v2252391Pa 1.61.6===W0风载体形系数:K1=0.8风压高度变化系数:K2=1.0地形、地理变化系数,按一般平坦空旷地区取K3=1.0391=312.8pa⨯1.0⨯1.0⨯0.8=W(2)风力计算:水泥罐体按通体罐接受水平风荷载计算,所受水平风荷载为:F=A×W=3.4×18×312.8=19143N=19.14KN平均作用高度为18/2+1.9=10.9m倾覆力矩M=F×H=19.14×10.9=208.6KN·m(3)抗倾覆计算:抗倾覆计算以空罐计算,空罐计算满足则抗倾覆满足。
目录一.计算公式11.地基承载力12.风荷载强度23.基础抗倾覆计算24.基础抗滑稳定性验算25.基础承载力2二、储料罐基础验算31.储料罐地基开挖及浇筑32.计算方案33.储料罐基础验算过程43.1 地基承载力43.2 基础抗倾覆43.3 基础滑动稳定性43.4 储蓄罐支腿处混凝土承压性4三、拌合楼基础验算51.拌合楼地基开挖及浇筑52.计算方案53.拌合楼基础验算过程63.1 地基承载力63.2 基础抗倾覆63.3 基础滑动稳定性63.4 储蓄罐支腿处混凝土承压性7拌合站拌合楼基础承载力计算书3号拌合站为先锋村拌和站,配备HZS90拌和机,设有4个储料罐,单个罐在装满材料时均按照100吨计算。
拌合楼处于先锋村内,在103国道右侧180m,对应新建线路里程桩号DK208+100。
经过现场开挖检查,在地表往下0.5~1.5米均为粉质粘土,1.5米以下为卵石土。
一.计算公式1 .地基承载力P/A=σ≤σ0P—储蓄罐重量 KNA—基础作用于地基上有效面积mm2σ—土基受到的压应力 MPa通过地质钻探并经过计算得出土基容许的应力σ0=0.108 Mpa(雨天实测允许应力)2.风荷载强度W=K1K2K3W0= K1K2K31/1.6v2W —风荷载强度 PaW0—基本风压值 PaK1、K2、K3—风荷载系数,查表分别取0.8、1.13、1.0v—风速 m/s,取17m/sσ—土基受到的压应力 MPaσ0—土基容许的应力 MPa3.基础抗倾覆计算K c=M1/ M2=P1×1/2×基础宽/ P2×受风面×(7+7)≥1.5 即满足要求M1—抵抗弯距 KN•MM2—抵抗弯距 KN•MP1—储蓄罐与基础自重 KNP2—风荷载 KN4.基础抗滑稳定性验算K0= P1×f/ P2≥1.3 即满足要求P1—储蓄罐与基础自重 KNP2—风荷载 KNf-----基底摩擦系数,查表得0.25;5 .基础承载力P/A=σ≤σ0P—储蓄罐单腿重量 KNA—储蓄罐单腿有效面积mm2σ—基础受到的压应力 MPa二、储料罐基础验算1.储料罐地基开挖及浇筑根据厂家提供的拌和站安装施工图,现场平面尺寸如下:地基开挖尺寸为半径为10.0m圆的1/4的范围,宽5.0m,浇筑深度为1.4m。
100t水泥罐基础设计计算一、荷载1、水泥罐自重G1:200kn(20t)估2、水泥自重G2:1000kn(100t)3、基础承台自重G3:3.8m*3.8m*1.2m*26=451kn4、荷载组合:(G1+G2+G3)*1.2(分项系数)=1981.2kn二、受力分析1、承台地基承载力:按12t/m2估算,承台地基承载力为3.8m*3.8m*120kn/m2=1732.8kn2、桩承载力需达到1981.2kn-1732.8kn=248.4kn三、单桩承载力计算1、土层极限侧摩阻力系数J01 J02 J03地面标高3.5m 地面标高3.5m 地面标高3.5m①素填土①素填土①素填土0.44m 0.41m0.88m③淤泥质粉质粘土③淤泥质粉质粘土③淤泥质粉质粘土-1.72m-4.76m④粉土-5.79m④粉土④粉土根据上述柱状图,打入桩范围内平均层厚:素填土2.92m、淤泥质粉质粘土4.67m、粉土1.41m。
打入桩的极限侧摩阻力标准值为:20Kpa、14Kpa、30Kpa,故打入桩桩身范围内(9m)土层平均极限侧摩阻力为:(2.92m*20+4.67m*14+1.41m*30)/9m=18.45Kpa2、单根桩承载力计算单桩的容许承载力为:[P]=1/1.5*(U*а*H*τ)(不计桩端承载力)式中:[P]------沉桩容许承载力U--------桩周长,а-----震动沉桩影响系数,锤击沉桩取1.0H------桩入土深度,9.0mτ-----桩侧土的极限摩阻力,取18.45Kpa;①如采用直径273钢管桩,则单桩的容许承载力为:[P]=1/1.5*(U*а*H*τ)=1/1.5*0.273*3.14*1.0*9*18.45=94.89kn,需打入的根数为248.4kn/94.89kn=2.61根,取3根,布置如图:3.8m0.650m 2.5m 0.650m3.8m②如采用直径630钢管桩,则单桩的容许承载力为:[P]=1/1.5*(U*а*H*τ)=1/1.5*0.63*3.14*1.0*9*18.45=218.99kn,需打入的根数为248.4kn/218.99kn=1.1根,取2根。
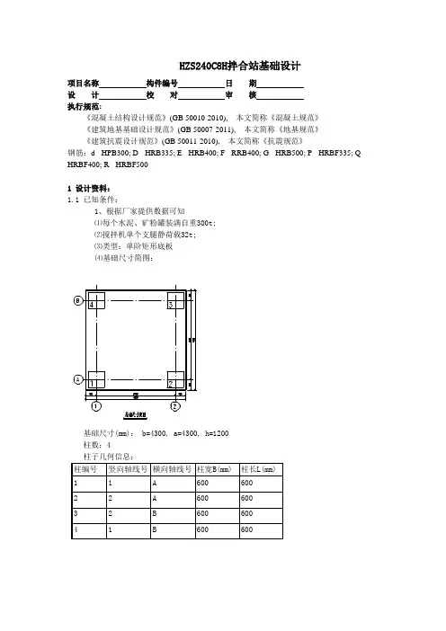
HZS240C8H拌合站基础设计项目名称构件编号日期设计校对审核执行规范:《混凝土结构设计规范》(GB 50010-2010), 本文简称《混凝土规范》《建筑地基基础设计规范》(GB 50007-2011), 本文简称《地基规范》《建筑抗震设计规范》(GB 50011-2010), 本文简称《抗震规范》钢筋:d - HPB300; D - HRB335; E - HRB400; F - RRB400; G - HRB500; P - HRBF335; Q - HRBF400; R - HRBF500-----------------------------------------------------------------------1 设计资料:1.1 已知条件:1、根据厂家提供数据可知⑴每个水泥、矿粉罐装满自重300t;⑵搅拌机单个支腿静荷载32t;⑶类型:单阶矩形底板⑷基础尺寸简图:基础尺寸(mm): b=4300, a=4300, h=1200柱数:4柱子几何信息:柱编号竖向轴线号横向轴线号柱宽B(mm)柱长L(mm)11A60060022A60060032B60060041B600600柱子荷载信息(单位:kN,kN.m):混凝土强度等级:C20, fc=9.60N/mm2, ft=1.10N/mm2钢筋级别:HRB400, fy=360N/mm2配筋计算方法: 简化法基础纵筋混凝土保护层厚度:40mm基础与覆土的平均容重:20.00kN/m3修正后的地基承载力特征值:200kPa基础埋深:0.90m作用力位置标高:0.000m1.2 计算要求:(1)地基承载力验算(2)基础抗弯计算(3)基础抗剪验算(4)基础抗冲切验算(5)基础局压验算单位说明:力:kN, 力矩:kN.m, 应力:kPa2 计算过程和计算结果2.1 基底反力计算:2.1.1 统计到基底的荷载标准值:Nk = 3000.00 kN, Mkx = 0.00 kN.m, Mky = 0.00 kN.m设计值:N = 3000.00 kN, Mx = 0.00 kN.m, My = 0.00 kN.m2.1.2 承载力验算时,底板总反力标准值(kPa): [相应于荷载效应标准组合]pkmax = (Nk + Gk)/A + |Mxk|/Wx + |Myk|/Wy= (3000.00 + 332.82) / 18.49 + 0.00 / 13.25 + 0.00 / 13.25= 180.25 kPapkmin = (Nk + Gk)/A - |Mxk|/Wx - |Myk|/Wy= (3000.00 + 332.82) / 18.49 - 0.00 / 13.25 - 0.00 / 13.25= 180.25 kPapk = (Nk + Gk)/A = 180.25 kPa各角点反力 p1=180.25 kPa, p2=180.25 kPa, p3=180.25 kPa, p4=180.25 kPa 2.1.3 强度计算时,底板净反力设计值(kPa): [相应于荷载效应基本组合]pmax = N/A + |Mx|/Wx + |My|/Wy= 3000.00 / 18.49 + 0.00 / 13.25 + 0.00 / 13.25= 162.25 kPapmin = N/A - |Mx|/Wx - |My|/Wy= 3000.00 / 18.49 - 0.00 / 13.25 - 0.00 / 13.25= 162.25 kPap = N/A = 162.25 kPa各角点反力 p1=162.25 kPa, p2=162.25 kPa, p3=162.25 kPa, p4=162.25 kPa 2.2 地基承载力验算:pk=180.25 ≤ fa=200.00 kPa, 满足。
水稳拌合站投入两个100t型水泥罐,100t型水泥罐直径3m,支腿邻边间距2.05m。
根据以往水稳拌合站施工经验、现场地质条件以及基础受力验算,水泥罐基础采用C30钢筋砼条形承台基础满足两个水泥罐同时安装。
基础尺寸8m(长)×4m(宽)×1.5m(高),基础埋深1.2m,外漏0.3m,承台基础采用Φ16@250mm×250mm上下两层钢筋网片,架立筋采用750mm×750mmφ12钢筋双排双向布置,基础顶预埋地脚钢板与水泥罐支腿满焊。
具体布置见下图:.水泥罐平面位置示意图1、计算基本参数水泥罐自重约20t ,水泥满装150t ,共重170t 。
水泥罐支腿高3m ,罐身高18m ,共高21m 。
单支基础4m ×4m ×0.8m 钢筋砼。
2、地基承载力计算计算时按单个水泥罐计算单个水泥罐基础要求的地基承载力为:δ1=21700+0.825106.3+20126.3k /m 0.1344N MPa ⨯===⨯ 根据资料可知:原设计路面按汽一超20级设计,汽一超20级后轴标准荷载为130KN,单轴轮胎和路面接触面积为:460mm ×200mm ,通过受力计算,其地基承载力为:δ2= ()1301000 1.413460200MPa ⎡⎤⨯=⎢⎥⨯⎣⎦因δ1≤δ2,即地基承载力复核要求。
3、抗倾覆计算武汉地区按特大级风荷载考虑,风力水平 荷载为500N/m 2,抗倾覆计算以空罐计算,空罐计算满足则抗倾覆满足。
水平风荷载产生的弯矩为:0.5 3.3182+3=356.4KN M =⨯⨯⨯÷(18)•M水泥罐空罐自重20t ,则基础及水泥罐总重为:G=1709.8+440.825=1986KN ⨯⨯⨯⨯ 抗倾覆极限比较:356.430.18<0.519866M F === 即水泥罐的抗倾覆满足要求,水泥罐是安全的。
4、基础配筋基础配筋属于构造配筋,配筋率必须满足§≥ 0.15%,经计算断面配筋, @150Φ16钢筋满足要求。
承载力检算混凝土搅拌站最不利受力主要发生在储罐基础位置,本站设11个储罐,其中HZS180砼搅拌机配6个,HZS60砼搅拌机配5个(见图示),储罐自重按20吨考虑,基础工程拟采用桩基础。
地质资料:填土:填粉质黏土,软塑,厚5~6米,场地整平(可视作松铺未压实);原地面:农田软塑土,厚1~1.5米,σ0=100kPa;下层:1.5~2米范围,σ0=200kPa;次下层:2.0~2.5米,σ0=300kPa;一、搅拌机储罐基础设计(临近支腿间距小于0.8米)临近支腿间距小于0.8米的搅拌机储罐基础采用9.5米φ1.5米挖孔桩(入原地面σ0=300kPa土层≥1.5米),位于储罐四个支腿下,挖孔桩按摩擦桩设计;挖孔桩竖向承载力特征值R=3.14×1.5×(7.5×10+0.5×40+1.5×50)+3.14×0.75×0.75×300=1331KN。
单个支腿承载力F=(G水泥+G罐)/4+=(1000+200)/4=300KN,Nmax=2×F+G桩=1019.5KN<R=1331KN。
基础承载力满足要求。
二、搅拌机储罐基础设计(临近支腿间距大于0.8米)1、搅拌机储罐基础采用8米φ1.25米挖孔桩(入原地面σ=200kPa土层≥0.5米),位于储罐四个支腿下,挖孔桩按摩擦桩设计;0挖孔桩竖向承载力特征值R=3.14×1.25×(7.5×10+0.5×40)+3.14×0.625×0.625×300=741KN。
单个支腿承载力Fmax=(G水泥+G罐)/4=(1000+200)/4=300KNNmax=Fmax+G桩=545.3KN<R=741KN。
基础承载力满足要求。
2、搅拌机储罐基础采用9米φ1.8米挖孔桩(入原地面σ0=200kPa土层≥2.0米),位于储罐四个支腿下,挖孔桩按摩擦桩设计;挖孔桩竖向承载力特征值R=3.14×1.8×(7.5×10+0.5×40+1×50)+3.14×0.9×0.9×300=1583KN。
望安高速150t 水泥仓粉罐基础设计计算书一、 各项参数:1、 风荷载参数计算风力考虑8级,最大风速v=20.7m/s2、 仓体自重:G=15t二、 空仓时整体抗倾覆稳定性稳定性计算1、 计算模型1.2AB CD风荷载强度计算:风荷载强度计算:0321W K K K W ⋅⋅⋅=其中 基本风压:风载体形系数:K1=0.8风压高度变化系数:K2=1.0地形、地理变化系数,按一般平坦空旷地区取K3=1.0W=0.8×1.0×1.0×267.81=214.25Pa2、 风力计算:A 1=1.522×1.2=1.826m 2,考虑仓顶护栏等,提高1.5倍F 1=214.25×1.826×1.5=586.83N作用高度:H 1=19.322-1.522/2=18.561mA 2=(3.8+0.063×2) ×9.0=35.334m 2F 2=214.25×35.334=7570N作用高度:H 2=8.8+9/2=13.3mA 3=(3.926+0.3)/2×3.3=6.973 m 2F 3=214.25×6.973=1493.97N作用高度:H 3=8.8-3.3/3=7.7mA 4=3.8×2×0.3=2.28 m 2F 4=214.25×2.28=488.49N作用高度:H 4=5.5m3、 倾覆力矩计算:mt F M i ⋅=⨯+⨯+⨯+⨯=⋅=∑58.125.549.4887.797.14933.137570561.1883.586h i 41倾稳定力矩计算:假定筒仓绕AB 轴倾覆,稳定力矩由两部分组成,一部分是仓体自重稳定力矩M 稳1,另一部分是水泥仓立柱与基础连接螺栓抗拉产生的稳定力矩M 稳2。
(每个支撑立柱与基础之间的向上抗拔力按8t 计算)4、 稳定系数三、 地基承载力计算单仓基础按4m*4m ,高度1.5m 设计,混凝土采用C25。
混凝土搅拌站水泥罐基础设计1.搅拌站水泥罐基础类型搅拌站水泥罐基础可以采用浅基础和深基础两种类型。
具体选择哪种基础类型需要考虑土壤条件、罐体重量及容积等因素。
浅基础可以是钢筋混凝土台阶块式基础或者钢筋混凝土平板基础。
这种基础适用于土质较好、承载力较强的情况下,通常适用于小型水泥罐。
深基础可以采用钢筋混凝土桩基础或者静桩基础。
这种基础适用于土壤条件较差、承载力较低的情况下,通常适用于大型水泥罐。
2.基础尺寸设计水泥罐基础的尺寸设计需要考虑到罐体的大小和重量,以及土壤的承载力。
按照规范要求,基础的净面积应与水泥罐的底座面积相等,同时还需要考虑基础的边桩和内桩的设置。
基础的深度一般不小于1200mm,以保证罐体的稳定性。
在设计过程中还需要考虑罐体和基础的连接方式和刚度。
3.土壤调查土壤调查是设计混凝土搅拌站水泥罐基础的重要步骤。
需要通过钻孔和取样等方法,了解土壤的类型、堆积程度、承载力、水分含量等参数。
土壤调查的结果将决定基础的类型和尺寸。
4.罐底防渗措施由于水泥罐内通常是储存着水泥等潮湿物质,为了防止水泥渗漏到地下,需要在基础设计中考虑罐底的防渗措施。
常见的防渗措施有铺设防水卷材、设置防渗层等。
5.抗震设计混凝土搅拌站水泥罐作为重要的工业设备,需要进行抗震设计。
具体的抗震设计包括地震烈度的确定、设计地震力的计算和基础的抗震设防要求等。
根据不同地区的地震烈度、土壤类型和设计要求,选择适当的抗震设防水平和计算方法。
综上所述,混凝土搅拌站水泥罐基础设计是确保罐体稳定性和安全性的重要一环。
设计过程需要考虑土壤条件、荷载情况、抗震要求和防渗措施等。
合理的基础设计将保证水泥罐的安全使用和长期稳定运行。
一、前言搅拌站是混凝土生产的重要设备,其基础及安装质量直接影响到搅拌站的使用寿命和混凝土生产效率。
为确保搅拌站稳定、安全、高效地运行,特制定本施工方案。
二、搅拌站基础施工方案1. 基础类型根据搅拌站设备特点及现场实际情况,搅拌站基础分为以下几种类型:(1)水泥罐基础:2个,采用钢筋混凝土结构。
(2)主机基础:1个,采用钢筋混凝土结构。
(3)上料机基础:4个,采用钢筋混凝土结构。
(4)料斗坑:1个,采用钢筋混凝土结构。
2. 基础施工要求(1)基础顶标高根据现场情况定。
(2)自然地面以下砼采用钢模板施工,土方开挖、垫层、基础浇筑等工序按规范执行。
(3)混凝土强度等级应符合设计要求。
(4)钢筋配置应符合设计要求,确保结构安全。
三、搅拌站安装施工方案1. 安装准备(1)备齐所需各件,清除安装场地周围杂物,平整场地,保证各种车辆畅通。
(2)设备工具条件:16以上钢丝绳4根,每根长度大于6m;10钢丝绳1根,长度5m左右;各种规格U型环4-6件;12磅大锤2把;450管钳二把,呆扳手或梅花扳手4套,350mm活动扳手一把,电工工具一套,绝缘、防水胶布各10卷;备用500500厚度100以上钢板18块(链接底板用);25T以上汽车。
2. 安装步骤(1)水泥仓的安装:将水泥仓各部件在地面逐一装配好,吊起水泥仓,并将下仓体支架少横撑一侧朝向粉料配料系统,固定好上下仓体,最后固定好地脚螺栓。
(2)搅拌主机的安装:吊起主机机架,放在其基础上,将其地脚螺栓紧固。
(3)配料机的安装:吊起配料机,放在其基础上,将其地脚螺栓紧固。
(4)螺旋机的安装:吊起螺旋机,将螺旋输送机球铰与水泥仓出料口连接好,使出料口对正粉料斗进料口,然后用钢丝绳将输送机与水泥仓吊耳连接好,最后将地脚螺栓固定好。
(5)控制室及支架的安装:根据现场情况,安装控制室及支架。
(6)水路、气路及添加剂的安装:按照设备要求,安装水路、气路及添加剂管道。
(7)接线调试:按照设备要求,进行接线调试。
水泥罐基础设计罐体基础计算一、荷载情况上部水泥罐设计容量为100吨,罐体自身重量按20吨计算,水泥罐盛满水泥后自重为G1=1200 KN承台自重G2=(3.8×3.8×1.5+0.5×0.6×0.6×4)×25=559.5 KN一根桩自重G3=3.1416×0.82/4×9.9×25=124.41 KN附加荷载作用于水泥罐体的水平风力风荷载标准值W=βZμSμZW0= 1.0×0.8×1.78×0.6=0.8544 KN/㎡风荷载作用面积为S=10.5×1.5×3.1416=49.46㎡作用于水泥罐体的水平风力P=W×S=0.8544×49.46=42.26 KN 风荷载对桩顶截面的弯矩M=42.26×(1.5+0.5+1+10.5/2)=348.64 KN·m二、计算1、桩的内力及位移计算确定桩的计算宽度b0b0=1.5d+0.5=1.5×0.8+0.5=1.7 m2、计算桩的变形系数α竖向地基系数C0=m0h,根据地质资料查表得C0=3.1175×105 KN/m4当h≤ 10m时,C0=10m0故地基土比例系数m0= C0/10=3.1175×104 KN/m4桩身砼弹性模量EI=0.67EhI=0.67×2.8×107×0.0201=3.77076×105I=πd4/64=3.1416×0.84/64=0.0201 m4地基变形系数α=mb=1.07 EI桩基础的换算深度h′=αh=1.07×9.9=10.593>3.53、计算单桩桩顶截面所受外力N0=(G1+G2)/4=(1200+559.5)/4=439.88 KN。
一、编制依据1. 《建筑地基基础设计规范》(GB50007-2002)2. 《建筑地基基础设计规范》(DBJ15-31-2003)3. 《建筑结构荷载规范》(GB50009-2001)4. 《建筑地基处理技术规范》(JGJ79-2002)5. 《混凝土结构设计规范》(GB50010-2002)(2006年版)6. 岩土工程勘查报告7. 水泥罐厂家提供资料二、工程概况本项目为某混凝土搅拌站,位于我国某城市,占地面积约1000平方米。
搅拌站内设有一个80T的散装水泥罐,按厂家提供的尺寸定位图设计基础图。
三、基础设计1. 地基处理根据地质勘察报告,搅拌站地基以下5米以内均为砾砂回填区,标贯击数为8。
地基处理采用深层搅拌法,将砾砂回填区与原土层进行充分搅拌,提高地基承载力。
2. 基础设计参数(1)水泥罐直径:D=3m(2)支腿邻边间距:L=2.05m(3)基础埋深:H=0.6m(4)承台尺寸:LxWxH=8m×4m×0.8m(5)混凝土强度等级:C303. 基础承载力计算根据水泥罐重量、支腿间距和基础埋深,计算基础底承载力、抗倾覆稳定验算、基础受冲切承载力验算等,确保基础满足承载要求。
4. 基础配筋基础配筋采用16@150mm钢筋网片,架立筋采用450mm×450mm×12钢筋双排双向布置。
5. 基础施工(1)施工前,对搅拌站地基进行平整,确保地基表面平整度满足要求。
(2)根据基础设计图纸,进行基础开挖,确保基础尺寸和埋深符合设计要求。
(3)基础混凝土浇筑前,对模板、钢筋等材料进行检查,确保施工质量。
(4)混凝土浇筑过程中,严格控制浇筑速度和振捣,确保混凝土密实度。
(5)基础混凝土养护期间,加强养护措施,确保混凝土强度满足设计要求。
四、安全措施1. 施工现场设置安全警示标志,确保施工安全。
2. 施工人员必须佩戴安全帽、安全带等个人防护用品。
3. 施工过程中,加强对施工机械和设备的检查,确保设备安全运行。
混凝土搅拌站储罐扩大基础设计及承载力检算承载力检算混凝土搅拌站最不利受力主要发生在储罐基础位置,本站设11个储罐,其中HZS180砼搅拌机配6个,HZS60砼搅拌机配5个(见图示),储罐自重按20吨考虑,基础工程拟采用钢筋混凝土扩大基础。
一、HZS180砼搅拌机储罐基础(高1.5米)设计HZS180砼搅拌机储罐高1.5米的储罐基础的有效受力面积如下(平面投影,标注单位为厘米):投影面积S=133.857m3。
G罐= 6×20t =120 t (空罐自重)G水泥=6×100=600 t共计约:720 t储罐基础下地面压应力σ=720×10/133.857+25×1.5=91KPa。
二、HZS60砼搅拌机储罐基础(高1.5米)设计HZS60砼搅拌机储罐高 1.5米的储罐基础的有效受力面积如下(平面投影,标注单位为厘米):投影面积S=120.827m3,G罐=5×20t =100 t (空罐自重)G水泥=5×100=500 t共计约:600t储罐基础下地面压应力σ=600×10/120.827+25×1.5=87KPa。
三、建议(高1.5米基础)1、为方便施工,基础边线进行修整,修整的基础平面投影边线应在计算采用的储罐基础有效受力面积平面投影边线以外。
2、现场应测试原地面(基坑底)的承载力,在确认大于150KPa 后再进行施工(安全系数n=150/91=1.65>1.5 安全)。
3、在基础底面布置钢筋网片,采用φ16mm螺纹钢筋,横纵间距采用20cm,四周和底面保护层厚度为5cm。
四、HZS180砼搅拌机储罐基础(高1.0米)设计HZS180砼搅拌机储罐高1.0米的储罐基础的有效受力面积如下(平面投影,标注单位为厘米):投影面积S=88.428m3。
G罐= 6*20t =120 t (空罐自重)G水泥=6*100=600 t共计约:720 t储罐基础下地面压应力σ=720×10/88.428+25×1.0=106KPa。
拌和站基础设计计算书根据本标段混凝土使用地为乐平互通式立体交叉、龙眼园高架桥、三花路高架桥、太院高架桥、芦泡涌大桥、卫东高架桥及涵洞和附属工程,为满足混凝土质量和施工需求,结合现场实际施工情况,现于西二环MK62+50位置的线路右侧建立混凝土拌和站,共占地约11000m2。
料仓8个2400m2,拟设置两座拌和楼,HZS120型,每座拌和楼每小时理论产量可达120m³,用混凝土罐车运送至施工现场,以满足施工需求。
一、设计资料(1)每个水泥罐自重10t,装满水泥重100t,合计110t;水泥罐直径3m。
水泥罐基础采用C25钢筋砼条形承台基础满足两个水泥罐同时安装。
基础尺寸8m*4m*0.8m,基础埋深1.65m。
基础采用φ16@150mm×150mm上下两层钢筋网片,架立筋采用φ16@450mm×450mm 钢筋双排双向布置,基础顶预埋地脚钢板与水泥罐支腿满焊。
施工前先对地基进行处理,处理后现场检测,测得地基承载为156kpa。
二、水泥罐基础计算书1、计算基本参数水泥罐自重10t,装满水泥共重110t。
水泥罐高20.6m(带支腿)。
2、地基承载力计算单个水泥罐基础要求的承载力1)砼基础面积:S=8×4=32m2;砼体积:V=32×0.8=25.6m3;底座自重:25.6×25=640KN(砼自重按2500kg/m3);2)水泥罐自重:2×110×9.8=2156KN;3)总自重为:640+2156=2796KN;4)基底承载力:P=2796/32=87.4kpa;5) 基底经处理后检测的承载力P’=156kpa;6) P≤P’经验算,地基承载力满足要求。
水泥罐基础满足地基承载力要求,则主机也同时满足承载力要求。
3、抗倾覆计算抗倾覆计算以空罐计算,空罐计算满足则抗倾覆满足。
由于水泥搅拌机属于受风敏感且筒体高度较大,为确保筒体和施工人员的安全,根据《高耸结构设计规范》(GBJ135-2006以下简称高规),应考虑风荷载对结构的影响。
混凝土搅拌站及水泥罐施工方案编制:审核:审批:龙口花园项目部混凝土搅拌站及水泥罐施工方案一、混凝土搅拌站及散装水泥罐现场布置:龙口花园1~4#、6#、7#住宅楼为钢筋混凝土框架-剪力墙结构,六栋楼均为地上九层,无地下室,建筑高度26.55m。
根据施工要求在现场配置混凝土搅拌站及散装水泥罐。
根据场地安排将其设在3#楼南面。
设地泵一台,搅拌设备两套,装载机一台。
结构施工时通过混凝土泵管将混凝土泵送至六栋楼各施工层。
具体见施工现场平面布置图。
二、搅拌站机械配置:三、基础施工:1、施工顺序;水泥罐:放线定位→散装水泥罐基坑开挖→垫层混凝土浇筑→支模→钢筋绑扎(安放钢板预埋件)→基础混凝土浇筑养护→安装就位混凝土配料机料斗坑:放线定位→混凝土配料机料斗基坑开挖→垫层混凝土浇筑→砖砌体→机械安装就位搅拌机基础及水池:平整场地→基础砌体砌筑→水池内抹灰→机械安装就位另外还有养护池、配电室、及挡土墙的施工。
具体做法见附图。
2、水泥罐施工要点2.1放线定位:按建筑轴线控制网定出基础中心点和边线,土方开挖前洒灰线定位,浇筑混凝土前复核基础位置。
2.2基坑开挖:采用挖机开挖,人工清底。
开挖基坑时预留基础施工工作面,平整基底后做100厚C15混凝土垫层。
2.3地基处理:本工程地质勘察报告基础持力层为第三层粉砂质粘土层,地基承载力特征值为190KPa,远大于水泥罐地基承载力要求,故不需进行地基处理。
2.4支模:水泥罐基坑开挖后先支模再绑扎钢筋。
支模采用多层板作面层、杉木枋材作背楞,钢管扣件支撑。
2.5基础钢筋绑扎:钢筋进场经复验合格后,现场进行加工及绑扎。
每1m加一个Φ25钢筋制作的马凳来支撑上网片钢筋,钢筋要绑扎牢固,位置准确。
2.6确定预埋件位置水泥罐预埋件根据罐支腿尺寸进行定位,每个支腿采用4根1m 长Φ20钢筋点焊支撑在基础钢筋上来固定预埋件地锚位置。
水泥罐在基础钢筋绑扎完后焊接接地装置,采用6m长40*4镀锌扁铁引出基础。
承载力检算混凝土搅拌站最不利受力主要发生在储罐基础位置,本站设11个储罐,其中HZS180砼搅拌机配6个,HZS60砼搅拌机配5个(见图示),储罐自重按20吨考虑,基础工程拟采用钢筋混凝土扩大基础.一、HZS180砼搅拌机储罐基础(高1。
5米)设计HZS180砼搅拌机储罐高1.5米的储罐基础的有效受力面积如下(平面投影,标注单位为厘米):投影面积S=133.857m3。
G罐= 6×20t =120 t (空罐自重)G水泥=6×100=600 t共计约:720 t储罐基础下地面压应力σ=720×10/133.857+25×1。
5=91KPa.二、HZS60砼搅拌机储罐基础(高1。
5米)设计HZS60砼搅拌机储罐高1。
5米的储罐基础的有效受力面积如下(平面投影,标注单位为厘米):投影面积S=120。
827m3,G罐=5×20t =100 t (空罐自重)G水泥=5×100=500 t共计约:600t储罐基础下地面压应力σ=600×10/120.827+25×1。
5=87KPa。
三、建议(高1。
5米基础)1、为方便施工,基础边线进行修整,修整的基础平面投影边线应在计算采用的储罐基础有效受力面积平面投影边线以外。
2、现场应测试原地面(基坑底)的承载力,在确认大于150KPa 后再进行施工(安全系数n=150/91=1。
65>1。
5 安全)。
3、在基础底面布置钢筋网片,采用φ16mm螺纹钢筋,横纵间距采用20cm,四周和底面保护层厚度为5cm.四、HZS180砼搅拌机储罐基础(高1.0米)设计HZS180砼搅拌机储罐高1.0米的储罐基础的有效受力面积如下(平面投影,标注单位为厘米):投影面积S=88.428m3。
G罐= 6*20t =120 t (空罐自重)G水泥=6*100=600 t共计约:720 t储罐基础下地面压应力σ=720×10/88.428+25×1.0=106KPa。
1 0 0 t 水泥罐基础设计计算书
一、工程概况
某大型工程混凝土搅拌站采用loot水泥罐,水泥罐直径2.7m,顶面高度20m 水泥罐基础采用C25钢筋混凝土整体式扩大基础,基础断面尺寸为 4.2mx 0.5m+3.2m x 1.0m。
二、设计依据:
1、《建筑结构荷载规范(2006版)》(GB50009-2001
2、《混凝土结构设计规范》 ( GB50010-2010)
3、《建筑地基基础设计规范》 (GB50007-2011)
4、《钢结构设计规范》 (GB50017-2003)。
三、荷载计算
1、水泥罐自重:8t ;满仓时水泥重量为100t。
2、风荷载计算:
宜昌市50年一遇基本风压:①°=0.3kN/ m2,
风荷载标准值:3 k= B z [1 s卩z 3 0
其中:B z=1.05 , 1 z=1.25 , 1 s=0.8,贝U:
3k=B z1s1z 30=1.05x0.8x1.25x0.3=0.315 kN/ m
四、水泥罐基础计算
1地基承载力验算
考虑水泥罐满仓时自重荷载和风荷载作用。
水泥罐满仓时自重荷载:G =1000+80=1080kN
混凝土基础自重荷载:G Ck= (3.2 X3.2 X 1. 0+4.2 X3.2 X 0.5 )X2 4=407kN 风荷载:风荷载作用点高度离地面12.5m,罐身高度15m直径2.7m。
F wk=0.315 X 15X 2.7=12.8kN
风荷载对基底产生弯矩:M Wk=12.8 X( 12.5+2 ) =185.6kN •m
基础底面最大应力:
G k+G M Wk 407+1080 185.6
i bh W 4.2 X3.2 9.408
2、基础配筋验算
(1)基础配筋验算
混凝土基础底部配置①16钢筋网片,钢筋间距250mm按照简支梁验算。
1 2
混凝土基础承受弯矩:ML=1.2 X( X 207X3.2 X 1.9 12)=362kN
8
按照单筋梁验算:
M Tax 0C s = 2 6
362 X 10
—0 013
E =1- l-2as =1- 1-2X 0.0 13 =0.013 <E b =0.55
f c bEh o 11.9 X3 200X 0.0 13X 850 2
A=〒厂= 300 =1403mm
在基础顶部及底部均配筋13①16, A s 实=13X 20仁2613mm> A s =1403mm 基础配筋满
足要求。
(2)基础顶部承压验算
考虑水泥罐满仓时自重荷载和风荷载作用。
迎风面立柱柱脚受力:
G M Wk 1080 185.6
F1k = G 「=〒「右=270-69=276kN
背风面立柱柱脚受力:
五、空仓时整体抗倾覆稳定性计算
F 2k =
G M Lk 1080 + ' = + 185.6
2.7 =270+69=339kN
背风面立柱柱脚受力最大, F 2d =1.2 F 2k =406.8kN
基础顶部预埋件钢板尺寸 600mrX 600mm 混凝土承受压力:
CT = 3
406.8 X 10 600X600
=1.1MPa<f c =11.9MPa,基础顶部局部承压受力满足要求
ab
考虑水泥罐空仓时自重荷载和风荷载作用 水泥罐空仓时自重荷载:Gk =80kN
混凝土基础自重荷载:G k =256kN
倾覆力矩作用点取背风面基础边缘,安全系数:
80 x 1 6+256 X 1 6
K= ---- 后二——一=2.9>1.5,水泥罐抗倾覆稳定性满足要求。
185.6
六、柱脚预埋件验算
空水泥罐在风荷载作用下,迎风面柱脚受拉力:
M Wk G 0k 185.6 80
N<= - ' = ' - =69-20=49kN
Z 4 2.7 4
风荷载在柱脚产生剪力:
柱脚预埋件承受拉剪共同作用,预埋件钢板尺寸 600mrX 600mX 20mm
锚栓共4根,
直径 24mm A=4X 353=1809mim 。
预埋件锚栓面积需满足:
V N
+
a r a v f y 0.8 a
b f y
=3.2kN
12.
8
a b =0.6+0.25t/d=0.6+0.25 X 20/24=0.81,代入上式:
埋件共采用4根直径24mm 锚栓,可以满足要求
锚栓锚固长度:
f y
l ab 》a 璋d=0.16 X 215/1.27 X 24=650mm 实际锚固长度取 750mm 可以满足要求。
六、结论
1、 水泥罐基础采用尺寸3.2mX 3.2mX 1.0m 的C25钢筋混凝土基础,基础受力满足要 求。
2、 为保证水泥罐基础安全,要求混凝土基础地基承载力不得小于 200kPa 。
3、 水泥罐在风荷载作用下的抗倾覆稳定性满足要求。
4、水泥罐柱脚预埋件强度满足要求
a r a v
f y N = 0.8 a b f y 3 1.2 X 3.2 X 10 3 1.2 X 49 X 10 2 2 如
0.8 X 0.81 X 215 =458mm <A s =1809mm 预。