路基路面工程课程设计
- 格式:doc
- 大小:398.00 KB
- 文档页数:14
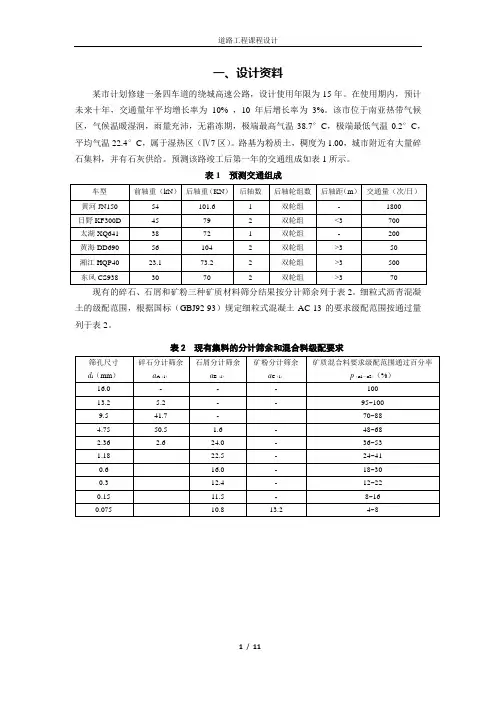
路基路面工程课程设计计算书班级:张三姓名:李四学号:王五一、原始资料某高速公路地处公路自然区划Ⅱ区,土基干湿类型为中湿。
由交通调查某公路竣工初年的交通组成如下表,预测交通增长率为8%。
二、沥青混凝土路面设计1、轴载分析根据设计规范,公路等级为高速公路,设计年限取为15年,按双向四车道设计,车道系数是0.40-0.50,取0.45。
将交通组成数据输入东南大学HPDS2011软件,获得累计当量轴次及交通等级:当以设计弯沉值和沥青层层底拉应力为指标时,设计年限内一个车道上的累计当量轴次为321万次,属中等交通等级。
当以半刚性材料结构层层底拉应力为指标时,设计年限内一个车道上的累计当量轴次为277万次,属轻交通等级。
一个车道上大客车以及中型以上各种货车的日平均车数为418辆,属轻交通等级。
依据我国沥青路面交通等级划分规定,该高速公路为中等交通等级。
2、初拟路面结构组合设计根据本地区的路用材料,结合已有工程经验与典型结构,拟定了两个结构组合方案。
根据结构层的最小施工厚度、材料、水文、交通量一集施工机具的功能等因素,初步确定路面结构组合与各层厚度如下:方案一:柔性基层沥青路面细粒式沥青混凝土AC-13(4cm)+中粒式沥青混凝土AC-20(6cm)+密级配沥青碎石ATB-30(14cm)+贯入式沥青碎石(厚度待定)+级配碎石(20cm),以贯入式沥青碎石为设计层。
方案二:半刚性基层沥青路面细粒式沥青混凝土AC-13(4cm)+中粒式沥青混凝土AC-20(6cm)+粗粒式沥青混凝土AC-25(8cm)+水泥稳定碎石(厚度待定)+水泥石灰砂砾土(20cm),以水泥稳定碎石为设计层。
3、各层材料抗压模量与劈裂强度确定高等级公路规范规定材料设计参数需试验确定,本课程设计由于条件限制,材料设计参数直接取用沥青路面设计规范中建议数值,得到各层材料抗压模量与劈裂强度。
资料汇总4、土基回弹模量确定区,粉质土,路基处于中湿状态,稠度取为 1.0,查《二级该路段处于Ⅱ2自然区划各土组土基回弹模量参考值表》得土基回弹模量为29MPa,根据《公路沥青路面设计规范》规定,土基回弹模量应大于30MPa,取31MPa。
路基路面工程课程设计福建农林大学交通学院课程设计课程名称路基路面工程设计题目A、重力式挡土墙设计B、沥青混凝土路面设计姓名专业年级学号指导教师郑小燕成绩日期福建农林大学交通学院目录《路基路面工程》课程设计教学大纲 (2)《路基路面工程》课程设计任务书 (3)《路基路面工程》课程设计指导书 (5)《路基路面工程》课程设计计算书 (6)1.重力式挡土墙设计 (6)主动土压力计算 (8)抗滑动稳定性验算 (10)抗倾覆稳定性验算 (10)基底应力与偏心距验算 (10)2.沥青混凝土路面设计 (12)初拟各结构层厚度 (13)路基厚度验算结果 (14)3.参考书目 (15)路基路面工程课程设计教学大纲1.课程设计名称:路基路面工程课程设计2.总周数:1周学分:1.0学分3.目的及任务、要求⑴目的课程的教学目的是通过课程设计,使学生将所学的专业基础和专业课(土质学与土力学、道路勘测设计、道路建筑材料、路基路面工程)知识在课程设计过程中有机的联系在一起,熟悉相关的设计规范和施工规范;使学生熟练掌握路面及路基挡土墙的选型、受力分析与计算,以及结构验算的全过程;巩固和加深所学的专业知识,掌握实际工程结构设计的全过程。
⑵任务重力式挡土墙设计、沥青混凝土路面结构设计⑶要求①深入领会挡土墙设计的基本理论,掌握挡土墙基本的设计思路;②熟练掌握其设计方法和设计的基本程序;③通过挡土墙的结构验算,进一步掌握调整挡土墙稳定性的措施和方法;④对比了解其他类型挡土墙的设计方法,明确设计的差异;⑤深入领会路面设计的基本理论,掌握基本设计思路;⑥熟练掌握其设计方法和设计的基本程序;⑦能运用有关的资料综合解决沥青混凝土路面结构设计中的实际问题;⑧学会使用相关的规范,取用数据应有充分的根据;⑨独立完成设计任务,设计计算条理清楚,计算正确(手算或编程求解均可);⑩设计计算书的编制应结构完整、思路清析,按任务书的要求逐项完成。
4.成绩评定《路基路面工程》课程设计任务书⒈课程设计任务①重力式挡土墙设计②沥青混凝土路面设计⒉课程设计内容(1)重力式挡墙设计1)设计资料双向四车道高速公路某横断面,为了收缩边坡,增强路基的稳定性,拟设一段仰斜式路提挡土墙,拟采用浆砌片石仰斜式路提墙,墙高H米,顶宽 1.2米,填土坡度采用1:1.5,墙背仰斜,坡度为1:0.25,基底摩擦系f=0.5,地基容许承载力400 KPa,墙身分段长度为10m。
设计说明书设计任务一、设计资料:设计路线K58+070—K58+130,傍山路线,设计高程为1600.50,山坡为砾石地层,附近有开挖石方路堑的石炭岩片石可供作挡土墙材料。
1、设计路段为直线段,横断面资料见附。
2、山坡基础为中密砾石土,摩阻系数f=0.4,基本承载为[σ]=520KPa。
3、填土边坡为1:m=1:1.5,路基宽度为7.0米。
4、墙背填料为就地开挖砾石土,容重为γ =18.6KN/m³,计算内摩阻角ϕ=35˚。
5、墙体用5号砂浆砌片石,容重为γ=22.5 KN/m³,容许压应力ϕ=17.5˚。
[σ]=2450KPa,容许剪应力[τ]=862.4KPa,外摩阻力δ=/26、设计荷载为汽-207、稳定系数:滑动稳定系数[kо]=1.3,倾覆稳定系数[kс]=1.5二、设计成果1、详细的设计计算书:①分析确定挡土墙设计方案,选择挡土墙形式(最好以两个墙型工程量比较后确定);②挡土墙基础与断面设计:确定基础形式与埋置深度;拟定墙身断面尺寸;计算荷载换算土层厚;主动土压力计算。
③稳定性验算。
2、按横断面资料绘制等高线地形图(比例1:200),路线横断面图(1:200),路基外侧边缘地形图(1:200)并在其上进行挡土墙布置,得出挡土墙平面图、横断面图和立面图。
三、参考文献1、《公路设计手册-路基》2、《路基路面工程》课本设计步骤(供参考)一、设计说明:(抄任务书有关内容)二、绘制平面图及横断面图(见任务书附)三、确定设计方案:1、阐述设挡土墙的理由;2、选定挡土墙的类型(路堤、路肩、路堑),要有比较;3、选定挡土墙的形式(仰斜、俯斜、衡重等),最好选两种分别计算。
四、初拟断面尺寸1、确定分段长及路堤的衔接方式;2、确定基础埋深、墙高及墙背倾角;3、绘出挡土墙的立面图;4、初拟其它部位的尺寸(按各部分对尺寸的基本要求拟定)。
h五、计算换算土层厚六、主动土压力计算七、确定断面尺寸1、滑动稳定性验算(一般重力式挡土墙以此控制设计):Ko控制在1.3~1.5之间;2、确定挡土墙其它部位的尺寸,即可画出挡土墙典型断面图。
一、路基(挡土墙)设计1.1 设计资料某新建公路重力式路堤墙设计资料如下.(1)墙身构造:墙高8m,墙背仰斜角度,墙身分段长度20m,其余初始拟采用尺寸如图1—1所示.图1—1 初始拟采用挡土墙尺寸图(2)土质情况:墙背填土为砂性土,其重度,内摩擦角;填土与墙背间的摩擦角.地基为整体性较好的石灰岩,其容许承载力,基底摩擦系数。
(3)墙身材料:采用5号砂浆砌30号片石,砌体重度,砌体容许压应力,容许剪应力,容许压应力。
1.2 劈裂棱体位置确定1.2.1 荷载当量土柱高度的计算墙高6m,按墙高缺点附加荷载强度进行计算。
按照线形内插法,计算附加荷载强度:,则:1.2.2 破裂角的计算假设破裂面交于荷载范围内,则有:因为,则有根据路堤挡土墙破裂面交于荷载内部时破裂角的计算公式:1。
2。
3 验算破裂面是否交于荷载范围内破裂棱体长度:车辆荷载分布宽度:所以,,即破裂面交于荷载范围内,符合假设.1。
2。
4 路基边坡稳定性验算可利用解析法进行边坡稳定性分析,则有其中,,,.对于砂性土可取,即,则:所以,路基边坡稳定性满足要求。
1。
3 土压力计算根据路堤挡土墙破裂面交于荷载内部的土压力计算公式:1.3.1 土压力作用点位置计算表示土压力作用点到墙踵的垂直距离。
1.3.2土压力对墙趾力臂计算基底倾斜,土压力对墙趾的力臂:1.4 挡土墙稳定性验算1.4.1 墙体重量及其作用点位置计算挡土墙按单位长度计算,为方便计算,从墙趾沿水平方向把挡土墙分为三部分,右侧为平行四边形,左侧为两个三角形(如图1-2):图1—2挡土墙横断面几何计算图式1。
4.2抗滑稳定性验算对于倾斜基底,验算公式:所以,抗滑稳定性满足要求。
1。
4。
3抗倾覆稳定性验算抗倾覆稳定性验算公式:所以,抗倾覆稳定性满足要求。
1.5 基地应力和合力偏心矩验算1。
5.1 合力偏心矩计算上式中,弯矩为作用于基底形心的弯矩,所以计算式,需要先计算对形心的力臂:根据之前计算过的对墙趾的力臂,可计算对形心的力臂。
成都学院课程名称:路基路面工程学院:建筑与土木工程学院专业:土木工程学号: 201年级: 2013级学生姓名:朱兰宇指导教师:陈小平二O一六年六月目录1 设计任务书...............................................1.1 路基部分..............................................1.1.1 设计资料..........................................1.1.2 设计任务..........................................1.2 路面部分..............................................1.2.1 设计资料..........................................1.2.2 设计任务..........................................2 路基部分设计.............................................2.1 路堤横断面设计........................................2.2 路堑横断面设计........................................3 路面部分设计.............................................3.1 沥青路面设计..........................................3.1.1轴载分析 ..........................................3.1.2 结构组合与材料选取................................3.1.3 各层材料的抗压模量和劈裂强度......................3.1.4 设计指标的确定....................................3.1.5 路面结构层厚度的计算..............................3.1.6 沥青混凝土面层和半刚性基层、底基层层底拉应力验算 ..3.1.7 防冻层厚度检验....................................3.2 水泥混凝土路面设计....................................3.2.1 交通量分析........................................3.2.2 初拟路面结构......................................3.2.3 确定材料参数......................................3.2.4 计算荷载疲劳应力..................................3.2.5 计算温度疲劳应力..................................3.2.6防冻厚度检验和接缝设计.............................3.2.7角隅钢筋设计 ......................................参考文献...................................................附录.......................................................1 设计任务书1.1 路基部分1.1.1 设计资料(1)路堤横断面设计高程为514m,地面高程为510m,地面横坡为12°(左高)。
路基路⾯⼯程课程设计成绩评定等级:《路基路⾯⼯程》课程设计计算书1、重⼒式挡⼟墙设计2、边坡稳定性设计3、沥青混凝⼟路⾯设计4、⽔泥混凝⼟路⾯设计学⽣姓名:学号:指导教师:⽇期:⼤学⼟⽊与建筑学院2018.01题⽬⼀: 重⼒式挡⼟墙设计设计资料:1.浆砌⽚⽯重⼒式仰斜路堤墙,墙顶填⼟边坡1:1.5;取汽车荷载边缘距路肩边缘d =0.5m ;道路车⾏道为双向四车道;2.墙后填料砂性⼟容重γ=193/m kN ,内摩擦⾓?,粘聚⼒为0=c ;3.填料与挡⼟墙墙背的摩擦⾓?δ32=;4.粘性⼟地基与浆砌⽚⽯基底的摩擦系数µ=0.30,地基容许承载⼒设计值f =300a kP ;5.墙⾝采⽤2.5号砂浆砌25号⽚⽯,圬⼯容重k γ=213/m kN ,抗压强度kPa f cd 710=,抗剪强度kPa f vd 120=;墙后砂性⼟填料内摩擦⾓?:①32°墙⾯与墙背平⾏,墙背仰斜坡度:②1:0.25墙⾼H :③5m墙顶填⼟⾼a :④3.0m要求完成的主要任务:1. 计算墙后主动⼟压⼒及其作⽤点位置;由10.25=1402'=14.03α。
由墙背仰斜坡度:,可得,22=3221.3333δ?=??≈? 由墙顶填⼟边坡1:1.5,b=4.5m墙⾼五⽶,按照线性插⼊法可得附加荷载强度q=16.25kN/㎡假设破裂⾯交于荷载中部,则有:11(3) 4.5(4.50.5)0.865(5+2320.86)tan(14.03)42.8522qh m A a H h a H B ab b d h H H a h γα==≈=+++=?++??==++-++=??++?-+??-?= =++=-14.03+21.33+32=39.3ψαδ00tan tan (cot tan )(tan )38.88tan 39.3(cot 32tan 39.3)(tan 39.3) 1.34,53.2742.85B A θψ?ψψθ=-+++=-?+?+?+?==? (1)4 1.8(41)1.30.511.650.2517.35()tan 10.7250.25 4.50.5 6.2510.7217.35L Nb N m d mL b m H a mm m mθ=+-+=?+-+=+?+=+?=?++=<< 所以符合规范要求。
山东交通学院课程设计说明书1.概述1.1设计任务依据及概况根据公路工程毕业设计任务书,进行本次施工图设计。
本次初步设计为山东省德福至鱼卵山二公路新建工程,工程起点在德福,桩号为K0+000,终点在梁庄,桩号K3+3543,路线 3.543 Km。
本工程全线按二级公路标准设计,根据沿线村镇的分布情况,并与现有公路和规划路网相结合,在相应的地方道路、机耕路、人行路上设置平交道口。
在排灌沟渠间设置涵洞、桥梁。
1.1.1设计标准(1)主线设计标准本工程是按交通部颁发的《公路工程技术标准》(JTG B01-2003)规定的二级公路标准设计,计算行车速度60Km/h,其主要技术指标如下:公路等级: 二级公路;计算行车速度: 60公里/小时;路基宽度: 12米其中:行车道宽度: 2×3.75 米硬路肩: 2×1.5米土路肩: 2×0.75米(2)线形要素标准平曲线半径:一般最小半径: 400米;极限最小半径: 250米;不设缓和曲线和超高最小半径:2500米纵坡:最大纵坡: 5%最小纵坡:路堑或其他横向排水不畅地段不小于0.3%最大坡长: 1100米(坡度为3%时)900米(坡度为4%时)700米(坡度为5%时)500米(坡度为6%时)竖曲线要素:竖曲线最小半径:凸形一般最小半径/极限最小半径4500/3000米;凹形一般最小半径/极限最小半径: 3000/2000米;竖曲线最小长度: 70米1(3)桥涵设计标准桥涵宽度:与路基同宽;桥涵设计荷载:公路Ⅰ级;(4)路面设计标准路面设计标准轴载:100KN;(5)道路平面交叉标准平面交叉路线尽可能为直线、并尽量正交。
当必须斜交时,交叉角度应大于45度。
平面交叉范围内的纵坡宜设置为平坡,当条件受限制时,纵坡不大于3%。
所有的平面交叉口采取严格的安全措施,设置了警告标志、指路标志、限速标志等,在主要的交叉口还设置转弯车道。
1.1.2总体设计原则本工程为省道228线杨庄至梁庄三级公路公路的新建路段,根据《公路工程技术标准》(JTG B01-2003)的要求,交通量的预测情况及公路的使用功能,确定总体设计原则如下:(1)采用的技术标准必须满足公路的使用任务、功能和远景交通量的需要。
道路路基路面工程课程设计一、课程目标知识目标:1. 让学生掌握道路路基路面工程的基本概念、原理和设计方法。
2. 使学生了解道路工程中不同材料的特点、选用原则及其在路基路面中的应用。
3. 让学生了解我国道路工程的相关标准和规范。
技能目标:1. 培养学生运用所学知识进行道路路基路面设计的实际操作能力。
2. 培养学生分析和解决道路工程中实际问题的能力。
3. 提高学生的团队协作和沟通能力。
情感态度价值观目标:1. 培养学生热爱道路工程专业,树立正确的职业观。
2. 增强学生的环保意识,使其关注道路工程对环境的影响。
3. 培养学生的社会责任感,使其认识到道路工程对社会经济发展的重要作用。
课程性质:本课程为专业核心课程,旨在培养学生的道路工程设计和施工能力。
学生特点:学生已经具备一定的道路工程基础知识,具有较强的学习兴趣和动手能力。
教学要求:结合实际工程案例,注重理论与实践相结合,提高学生的实际操作能力和解决问题的能力。
通过课程学习,使学生达到以下具体学习成果:1. 能够正确理解和应用道路路基路面工程的基本概念、原理和设计方法。
2. 能够分析不同材料在道路工程中的应用,并合理选用。
3. 能够按照我国相关标准和规范进行道路路基路面设计。
4. 能够独立或团队协作解决道路工程中的实际问题。
5. 能够关注道路工程对环境和经济的影响,树立正确的职业观和价值观。
二、教学内容1. 道路工程概述:介绍道路工程的基本概念、分类及其在国民经济中的作用,使学生了解道路工程的发展现状和未来趋势。
(对应教材第一章)2. 路基工程:讲解路基的基本构成、功能、设计原则及施工技术,重点分析不同类型路基的特点及适用场合。
(对应教材第二章)3. 路面工程:阐述路面的基本类型、结构组成、设计原理及施工方法,分析各种路面材料的性能及选用原则。
(对应教材第三章)4. 道路排水工程:介绍道路排水系统的设计原理、构成及施工要求,使学生了解道路排水工程的重要性及其对道路使用寿命的影响。
路基路面工程课程设计一、设计背景随着经济的发展和城市化进程的加速,道路建设成为社会经济发展和人民生活水平提高的重要标志之一,因此,对于路基路面工程的研究和设计具有重要意义。
本课程设计旨在让学生通过实际操作掌握道路设计和施工的基本知识和技能,通过实地勘测、资料调查等方式了解实际工程的情况,提高实际操作能力和设计能力。
二、设计内容1. 课程设计目标•掌握道路工程设计和施工的基本知识和技能;•了解道路工程的基本原理和设计理念;•提高实际操作能力和设计能力;•加深对于道路工程的认识和理解。
2. 课程设计任务(1)实地勘测对于设计现场进行实地勘测,包括地形、地貌、自然因素、人文因素等综合考量。
通过测绘技术记录勘测结果,并制定勘测报告。
参考现有的道路设计标准和原理,结合实际勘测结果,制定出道路工程设计方案,并制定设计方案报告。
(3)技术指导对于设计方案进行专业的技术指导,包括工程施工、材料选用、设备使用等具体操作指导。
(4)工程实践根据设计方案,实施道路工程的实践操作,按照设计要求进行施工,并掌握实际操作技能。
(5)成果评价对于课程设计成果进行全面评价,包括设计方案的合理性、施工可行性、工程实践的质量等内容,为今后的实际操作提供可靠的理论支持。
三、设计实施步骤1. 勘测基础数据收集•搜集土地利用现状图、国家地形图等勘测基础数据;•确定勘测范围,获取贵行前基础数据;•进行现场勘测,包括对设置路线进行勘测、道路所在地的地理位置、地形、地貌、水文气象等因素的勘测。
•综合勘测结果和基础数据,进行初步的设计方案制订;•着手制定设计方案报告,对方案进行完善;•在教师的指导下,进行更改、完善和优化。
3. 技术指导•教师对学生进行专业技术指导,提高学生的实际操作能力;•教师对学生进行材料选择、设备使用等方面的指导,确保工程质量。
4. 工程实践•按照设计要求进行工程操作;•学生实践操作,了解道路工程实际操作的一般规律;•教师进行指导,纠正学生操作中的问题。
《路基路面工程》课程设计计算书1.重力式挡土墙设计2.边坡稳定性设计3.沥青混凝土路面设计4、水泥混凝土路面设计学生姓名:学号:指导教师:日期:目录一、重力式挡土墙设计 (4)设计参数 (4)车辆荷载换算 (4)土压力计算 (4)挡土墙计算 (6)二、边坡稳定性设计 (8)初始条件 (8)表格数据 (9)三、沥青混凝土路面设计 (12)轴载分析 (12)构组合与材料选取 (14)结各层材料的抗压模量和和劈裂强度 (15)土基回弹模量的确定 (15)设计指标的确定 (15)设计资料总结 (16)四、水泥混凝土路面设计 (19)交通分析 (19)初拟路面结构 (19)路面材料参数确定 (20)混凝土板应力分析及厚度计算 (20)计算荷载疲劳应力 (21)接缝设置 (22)路肩及路面排水设施 (22)一、重力式挡土设计1 设计参数1.1几何参数:挡土墙墙高H=4m, 取基础埋置深度D=1.5m, 挡土墙纵向分段长度取L=10m ; 墙面与墙背平行, 墙背仰斜, 仰斜坡度1:0.25, =-14.04, 墙底(基底)倾斜度, 倾斜角;墙顶填土高度=2m, 填土边坡坡度1:1.5, , 汽车荷载边缘距路肩边缘; 1.2力学参数:墙后填土砂性土内摩擦角, 填土与墙背外摩擦角, 填土容重;墙身采用2.5号砂浆砌25号片石, 墙身砌体容重,砌体容许压应力,砌体容许剪应力,砌体容许拉应力;地基容许承载力[0σ]=250kPa 。
2 车辆荷载换算按教材公式, 把车辆荷载换算为等代均布土层厚度。
3 主动土压力计算 3.1 计算破裂角θ直线形仰斜墙背, 且墙背倾角较小, 不会出现第二破裂0000=+-=35+17.5-14.04=38.34ψϕδα22011(a )(24)1822A H =+=+=,001111ab (2)tan =224+62222B H a H α=++⨯⨯+⨯⨯⨯=(224)tan14.040tan tan tan 38.340.79-2.37θψ=-=-=或(舍)038.31θ=3.2 计算主动土压力a E 及其作用点位置3.2.1计算主动土压力a E 计算a E 及其水平分量x E 、竖直分量y Ea 000cos()(tan )sin()cos(38.3135)18(18tan 38.316)sin(38.3138.34)43.68k E A B Nθϕγθθψ+=-++=⨯-⨯+= 00cos()43.68cos(17.514.04)43.60x a E E kN δα=-=⨯-=00sin()43.68sin(17.514.04) 2.64y a E E kN δα=-=⨯-=3.2.2计算主动土压力的合力作用点位置100tan 32tan 38.31 2.63tan tan tan 38.31tan14.04b a h m θθα--===--214 2.63 1.37h H h m =-=-=经试算取1 1.20b m =00110tan tan 1.20 1.20tan14.04tan10.76 1.26B b b m αα=+=+=32211213222(33)3(2)42(343 2.634 2.63)342(24 2.63)1.38x H a H h H h Z H a H h m+-+=⎡⎤+-⎣⎦+⨯⨯-⨯⨯+=⎡⎤⨯+⨯⨯-⎣⎦= 0tan 1.26 1.38tan14.04 1.61m y x Z B Z α=+=+=因墙底(基底)倾斜, 需把求得的、修正为、, 取进行修正:0110tan 1.38 1.20tan10.76 1.15x x Z Z b m α=-=-= 11tan 1.20 1.15tan14.040.91y x Z b Z mα=-=-=3.3 被动土压力墙前的被动土压力忽略不计。
《路基路面工程》课程设计学院:土木工程学院专业:土木工程班级:道路二班姓名:黄叶松指导教师:但汉成二◦一五年九月目录一、重力式挡土墙设计第一部分设计任务书 (3)(一) ............................................设计内容和要求3(二) ................................................. 设计内容3(三) ................................................. 设计资料3第二部分设计计算书1. 车辆换算荷载 (4)2. 主动土压力计算 (5)3. 设计挡土墙截面 (9)4. 绘制挡土墙纵横截面(附图1) (30)二、沥青路面结构设计1. ........................................................................................................................... 设计资料.. (12)2. 轴载分析 (12)3. 拟定路面结构方案 (16)4. 各材料层参数 (16)5. 设计指标确定 (17)6. 确定设计层厚度 (18)7. 底层弯拉应力验算 (21)8. 防冻层厚度验算 (29)9. 方案可行性判定 (29)10. 绘制路面结构图 (31)一、重力式挡土墙第一部分设计任务书(一)设计的目的要求通过本次设计的基本训练,进一步加深对路基路面工程有关理论知识的理解,掌握重力式挡土墙设计的基本方法与步骤。
将设计任务书、设计说明书及全部设计计算图表编好目录,装订成册。
(二)设计内容①车辆荷载换算;②土压力计算;③挡土墙截面尺寸设计;④挡土墙稳定性验算。
(三)设计资料1 •墙身构造拟采用细粒水泥混凝土砌片石重力式路堤墙(如草图1),墙高H=? m,墙顶宽b i = ? m,填土高度2.4m,填土边坡1: 1.5,墙背仰斜,1: 0.25 C =—14° 02'),基底倾斜1: 50= —11° 18'),墙身等厚,b o =7.0 m。
第一章新建沥青路面设计1.1确定路面等级和面层类型1.1.1基本资料区;当地多年平均最大冻深为0.5 米。
①气象资料:该公路地处V2②水文情况:地下水位1.5米,有翻浆;③地质资料:粉质轻亚粘土;④筑路材料供应状况:沿线可采集各种砂、石料;附近有矿渣、炉渣可利用;水泥、石灰、沥青等材料当地可供应。
⑤道路等级:高速公路⑥交通资料(辆/日):表1.1.1-1注: 交通量平均年增长率9%.路面设计以双轮组单轴载100KN 为标准轴载。
1.1.2以设计弯沉值为设计指标及沥青层层底拉应力验算 ①轴载换算轴载换算公式如下:35.4211⎪⎪⎭⎫ ⎝⎛=∑-p p n C C N i i Ki式中:N ——标准轴载的当量轴次,次/日;i n ——被换算车辆的各级轴载作用次数,次/日; p ——标准轴载,KN ;i P ——被换算车辆的各级轴载,KN ; K ——被换算车辆的类型数;1C ——轴数系数,C1 =1+1.2(m -1),m 是轴数。
当轴间距大于3m 时,按单独的一个轴载计算,当轴间距小于3m 时,应考虑轴数系数; 2C ——轮组系数,单轮组为6.4,双轮组为1,四轮组为0.38。
a.解放CA10B35.4211⎪⎪⎭⎫⎝⎛=∑-p p n C C N i i Ki =1.0×1.0×160×345.1810085.6035.4=⎪⎭⎫⎝⎛次b.解放CA30A35.4211⎪⎪⎭⎫⎝⎛=∑-p p n C C N i i Ki 036.12210075.362100.10.11005.292104.60.135.435.4=⨯⎪⎭⎫⎝⎛⨯⨯⨯+⎪⎭⎫ ⎝⎛⨯⨯⨯=次c.东风EQ14035.4211⎪⎪⎭⎫⎝⎛=∑-p p n C C N i i Ki =301.381009.621900.10.135.4=⎪⎭⎫⎝⎛⨯⨯⨯次d.黄河JN15035.4211⎪⎪⎭⎫ ⎝⎛=∑-p p n C C N i i Ki 169.16310060.1011200.10.11000.491204.60.135.435.4=⎪⎭⎫⎝⎛⨯⨯⨯+⎪⎭⎫⎝⎛⨯⨯⨯=次e.黄河JN16235.4211⎪⎪⎭⎫ ⎝⎛=∑-p p n C C N i i Ki =994.4501001151800.10.11005.591804.60.135.435.4=⎪⎭⎫⎝⎛⨯⨯⨯+⎪⎭⎫⎝⎛⨯⨯⨯次f.黄河JN36035.4211⎪⎪⎭⎫ ⎝⎛=∑-p p n C C N i i Ki 03.56821001101700.10.1100501704.60.135.435.4=⨯⎪⎭⎫⎝⎛⨯⨯⨯+⎪⎭⎫⎝⎛⨯⨯⨯=次g.长征XD16035.4211⎪⎪⎭⎫ ⎝⎛=∑-p p n C C N i i Ki 919.17221002.851500.10.11006.421504.60.135.435.4=⨯⎪⎭⎫⎝⎛⨯⨯⨯+⎪⎭⎫⎝⎛⨯⨯⨯=次h.交通SH14135.4211⎪⎪⎭⎫⎝⎛=∑-p p n C C N i i Ki 335.71001.55800.10.110055.25804.60.135.435.4=⎪⎭⎫⎝⎛⨯⨯⨯+⎪⎭⎫⎝⎛⨯⨯⨯=次1431335.7919.17203.568994.450169.163301.38036.12345.18=+++++++=N 累计当量轴次根据设计规范,高速公路的沥青路面设计年限为15年,查表1.1.2-1得车道系数为0.4,交通量平均年增长率9%.设计年限内一个车道的累计当量轴次为:()[]η⋅⋅⨯-+=136511N rr N te式中:e N ——设计年限内一个车道通过的累计标准当量轴次(次); t ——设计年限(年);1N ——路面营运第一年双向日平均当量轴次(次/日); r ——设计年限内交通量平均增长率(9%);η——与车道数有关的车辆横向分布系数,简称车道系数。
路基路面工程课程设计.docx1、自然地理条件新建高速公路地处II 2,沿线土质为中液限黏土,地下水位距路床表面2.7米,属屮湿状态,挖方路堑深0.5米,地下水位距路床地表面1.6m,属于潮湿状态。
2、预计交通验算预计交通量增长率前5年为8%,之后五年7%,最后5年为%5,沥青路累计标准轴次数按15年计。
3、轴载分析路面设计以双轮组单轴载100KN为标准轴载。
(1)以设计弯矩值为指标及验算沥青层层底拉应力屮的累计当量轴次①轴载换算采用如下计算公式:轴载换算结果表累计当量轴次:根据设计规范,二级公路沥青路面设计年限取15年,四车道的车道系数是0.5累计当量轴次t,(l?r)-l?365Ne?Nl n參參11.08511.071.07511.05514451.081.081.073650.56684.26?302041660.070.05??0.08t7 (l?r)-l?365Ne?Nl n r??2)当进行半刚性基层层底拉应力验算时,按下式换算成标准轴载的作用次数:KN ‘ = SC P1lC2n (1) 8i=lPCl一一轴数系数;C2—一轮组系数;2)累计当量轴次参数取值同上,设计年限12年,车道系数取0.6累计当量轴次2t' (l?r)-l?365Ne?Nlnr??5?1.085?11.07?1.075?14451.05?11.08??1.08?1.070.080.070.05?36 5?0.5?8898.35?40208975??次4、结构组合与材料选取由上面计算,根据规范推荐结构,初拟采用两种路面结构:(1)半刚性基层沥青路面(2)组合式基层沥青路面根据交通状况,结构层的最小施工厚度等因素综合考虑,初拟各结构层厚度如下:A方案:半刚性基层沥青路面细粒式沥青混凝土4cm中粒式沥青混凝土6cm水泥稳定碎石25cm二灰土以二灰土为设计层。
B方案:组合式基层沥青路妞细粒式沥青混凝土4cm屮粒式沥青混凝土6cm二灰稳定砂砾?级配碎石20cm以二灰稳定砂粒为设计层。
路基路面工程课程设计任务书2014年 3 月12 日至2014 年 4 月20 日
课程名称:路基路面工程实训
专业班级:
姓名:
学号:
指导教师:
2014年3月18日XX公路A标段路基路面结构设计
一、路基稳定性设计
该路段某段路基填土为粘土,填土高度为8米,边坡为直线型,土的重度γ=18.6KN/m3,土的内摩擦角φ=12°,粘聚力系数C=16.7MPa,设计荷载为公路I 级。
二、路基挡土墙设计
该标段某路基需设计重力式挡土墙,填料为砂性土,土的重度γ=15KN/m3,内摩擦角φ=36°,粘聚力c=10Kpa;最大密实度16.8KN/m3;挡土墙设计参数为:基底摩阻系数:f=0.4;基底承载力:[σ0]=360Kpa;墙身材料:25#浆砌片石,2.5#砂浆,重度γ=24KN/m3,容许压应力[σ]= 580KPa,容许剪应力[τ]= 90Kpa,容许拉应力。
[σw1]=40Kpa;墙身与填料摩擦角:δ=1/2φ;挡土墙最大填土高度为6米。
三、路面工程设计
1、路段初始年交通量,见表1(辆/天)。
2、
年,路面材料参数取规范中的数值,自然区划为Ⅲ区,进行柔性和刚性路面设计。
设计一路基稳定性设计
一、设计资料:
该路段某段路基填土为粘土,填土高度为8米,边坡为直线型,土的重度γ=18.6KN/m3,土的内摩擦角φ=12°,粘聚力系数C=16.7MPa,设计荷载为公路I 级。
二、课程设计目标
通过课程设计,让学生初步了解该专业所涉及规范,培养学生独立思考独立进行该课程有关课程创作设计的能力;从而使学生熟练掌握路基路面工程的重要理论知识,为从事该行业打下良好的专业基础。
三、设计依据
1、《公路路基设计规范》(JTG D30-2004);人民交通出版社;
2、《公路沥青路面设计规范》(JTG D50—2006);人民交通出版社;
3、《公路路基设计规范》(JTG D30-2004);人民交通出版社;
4、《公路沥青路面设计规范》(JTG D50—2006);人民交通出版社;
5、《城市道路工程设计规范》(CJJ37-2012);人民交通出版社;
6、《路基路面工程》以及高等教育教科书(李伟)
四、设计要求
道路等级为公路一级,双向四车道,设计荷载为公路Ⅰ级
五、路基边坡坡度
在地质条件良好,边坡高度不大于20m时,其边坡坡度不易陡于表4.1的规定值。
表4.1路堤边坡坡度
六、设计步骤:
(1)、路堤横断面图如下图所示:
(2)、将汽车荷载换算成当量土柱高度为:
m m BL NG h 05.12
.115.56.18300
40≈⨯⨯⨯==
γ (3)、按4.5H 法确定滑动圆心辅助线,在此取︒=︒='︒=35,26,143321ββθ。
(4)、按4.5H 法确定滑动圆心辅助线。
将路基左侧坡顶边缘点与坡脚连成一直线,由此线坡率可知β1=26°、β2=35°,由此条件可画出危险远圆心辅助线。
(5)圆心位置一将土条分为8份如下图所示:
计算表格如下所示:
(6)圆心位置二将土条分为10条如下图所示:
计算表格如下所示:
(7)圆心位置三将土条分为7条如下图所示:
计算表格如下所示:
(8)圆心位置四将土条分为10条如下图所示:
计算表格如下所示:
七、验证分析:
由图可以确定圆心位置一处最k值最小。
八、结论:
经过比较4个位置对应的K值,知O1点的K值最小,且K1=1.25715>1.25,故边坡是稳定的。
设计二路基挡土墙设计
一、设计资料如下:
该标段某路基需设计重力式挡土墙,填料为砂性土,土的重度γ=15KN/m3,内摩擦角φ=36°,粘聚力c=10Kpa;最大密实度16.8KN/m3;挡土墙设计参数为:基底摩阻系数:f=0.4;基底承载力:[σ0]=360Kpa;墙身材料:25#浆砌片石,2.5#砂浆,重度γ=24KN/m3,容许压应力[σ]= 580KPa,容许剪应力[τ]= 90Kpa,容许拉应力。
[σw1]=40Kpa;墙身与填料摩擦角:δ=1/2φ;挡土墙最大填土高度为6米。
二、课程设计目标
通过对挡土墙的设计,掌握挡土墙设计规范等的使用,熟悉挡土墙的设计过程,掌握挡土墙中的各种计算要求,提高计算能力。
提高对专业的认知水平并提高自身的专业水平与专业素养。
三、设计依据
1、《公路路基设计规范》(JTG D30-2004);人民交通出版社;
2、《公路沥青路面设计规范》(JTG D50—2006);人民交通出版社;
3、《公路路基设计规范》(JTG D30-2004);人民交通出版社;
4、《公路沥青路面设计规范》(JTG D50—2006);人民交通出版社;
5、《城市道路工程设计规范》(CJJ37-2012);人民交通出版社;
6、《路基路面工程》以及高等教育教科书(李伟)
设计三路面工程设计
路面工程设计资料如下:
1、路段初始年交通量,见表1(辆/天)。
路面材料参数取规范中的数值,自然区划为Ⅲ区,进行柔性和刚性路面设计。
附件:课程设计档案袋封面(打印时请删除该行)
路基路面工程课程设计课程名称:
专业班级:
姓名:
学号:
指导教师:
年月日。