重庆交通大学结构力学2016真题
- 格式:pdf
- 大小:632.40 KB
- 文档页数:4
大学结构力学知识考试练习题及答案11.[单选题]试对图示结构进行几何组成分析 。
class="fr-fic fr-dii cursor-hover">A)几何不变无多余约束B)几何可变C)几何不变有多余约束答案:A解析:2.[单选题]图a所示结构,EI=常数,取图b所示体系为力法基本体系,则下述结果中错误的是class="fr-fic fr-dii cursor-hover">A)B)class="fr-fic fr-dii">C)class="fr-fic fr-dii">答案:C解析:3.[单选题]下列说法错误的是( )。
A)图乘法求位移适用于所有的梁和刚架结构B)荷载、温度改变、支座沉降等的位移计算都可以利用叠加原理C)做虚功的力和位移状态其中之一可以是虚设的,另一个是真实状态D)温度改变的状态功互等定理不成立答案:A解析:4.[单选题]图示对称结构C截面不为零的是A)剪力B)轴力C)水平位移D)弯矩答案:B解析:5.[单选题]结构力学的研究对象是A)单根杆件B)杆件结构C)板壳结构D)实体结构答案:B解析:6.[单选题]静定结构的内力计算与 :A)EI无关B)EI相对值有关C)EI绝对值有关D)E无关,I有关答案:A解析:7.[单选题]三铰拱在竖向荷载下,f 改变对反力影响为( )。
A)水平推力、竖向反力均变B)水平推力不变、竖向反力改变C)水平推力、竖向反力均不变D)水平推力改变、竖向反力不变答案:D解析:8.[单选题]图示结构中不属于拱式结构的是哪个?A)width="300" height="120" title="" alt="" class="fr-fic fr-dii"> B)width="200" height="100" title="" alt="" class="fr-fic fr-dii"> C)width="200" height="120" title="" alt="" class="fr-fic fr-dii"> D)width="200" height="130" title="" alt="" class="fr-fic fr-dii">答案:A解析:9.[单选题]结构体系的计算自由度 。
习题及思考题思考题2-1 思考题2-1a图所示体系不发生形状的改变,所以是几何不变体系;图b所示体系会发生双点画线所示的变形,所以是几何可变体系。
上述结论是否正确?为什么?2-2 多余约束是否影响体系的自由度?是否影响体系的计算自由度?是否影响体系的受力和变形状态?2-3 几何不变体系的计算自由度与多余约束个数之间的关系是什么?2-4 几何组成分析中,部件或者约束是否可以重复使用?思考题2-4图示体系中作为约束铰A可以利用几次?链杆CD可以利用几次?2-5 试求思考题2-5图示体系的计算自由度W。
1) 若视①~⑧杆为刚片,则公式W=3m-(3g+2h+r)中,h=?r=?2) 若视③~⑧杆为刚片,则h=?r=?2-6 如思考题2-6图所示,此体系为三刚片由不共线三铰A、B、C相连,组成的体系几何不变,且无多余约束。
此结论是否正确?为什么?2-7 如思考题2-7图所示,三刚片由不共线三铰A、B、C相连,组成的体系几何不变且无多余约束。
此结论是否正确?为什么?2-8 几何常变体系和几何瞬变体系的特点是什么?(试从约束数目、运动方式、受力及变形情况等方面讨论)。
2-9 静定结构的几何特征是什么?力学特性是什么?2-10 超静定结构的几何特征是什么?力学特性是什么?习题2-1是非判断(1)若平面体系的实际自由度为零,则该体系一定为几何不变体系。
( )(2)若平面体系的计算自由度W=0,则该体系一定为无多余约束的几何不变体系。
( )(3)若平面体系的计算自由度W<0,则该体系为有多余约束的几何不变体系。
( )(4)由三个铰两两相连的三刚片组成几何不变体系且无多余约束。
( )(5)习题2-1(5) 图所示体系去掉二元体CEF后,剩余部分为简支刚架,所以原体系为无多余约束的几何不变体系。
( )(6)习题2-1(6)a图所示体系去掉二元体ABC后,成为习题2-1(6) b图,故原体系是几何可变体系。
( )(7)习题2-1(6)a图所示体系去掉二元体EDF后,成为习题2-1(6) c图,故原体系是几何可变体系。
第一章结构的几何构造分析六、练习题1.二元体规律1-1试对图1-59所示平面体系进行几何组成分析。
(南京工业大学2019)(b)a)(c)图1-59图1-60图1-611-2对图1-60所示体系进行几何组成分析。
(天津大学2017)1-3对图1-61所示体系作几何组成分析。
(苏州科技大学2016)1-4对图1-62所示平面体系进行几何组成分析,并指出超静定次数。
(青岛理工大学2016)图1-62图1-63图1-641-5对图1-63所示体系作几何组成分析。
(东南大学2014)2.两刚片规律1-6试对图1-64所示平面体系进行几何组成分析。
(南京工业大学2019)1-7对图1-65(a )(b )所示体系进行几何构造分析。
(青岛理工大学2019)图1-65图1-661-8求图1-66所示体系的计算自由度,并进行几何组成分析。
(华南理工大学2017)1-9对图1-67所示体系作几何组成分析。
(苏州科技大学2018、中国矿业大学2014、吉林建筑工程学院2013)图1-67图1-68图1-69 1-10图1-68所示体系的机动分析结论是。
(重庆交通大学2015)3.三刚片规律3.1三个铰都对应于有限点1-11对图1-69所示平面体系进行几何组成分析。
(南京工业大学2019)1-12对图1-70所示体系进行几何组成分析(各点均为铰结点)。
(长沙理工大学2017)图1-70图1-71 1-13图1-71所示体系的计算自由度W=,有个多余约束,为体系。
(哈尔滨工业大学2017)1-14试对图1-72所示平面体系进行几何组成分析。
(哈尔滨工业大学2015)图1-72图1-73图1-74 1-15计算图1-73所示杆件体系的计算自由度,并判断体系符合哪种几何组成规律?(北京工业大学2014)3.2一个无穷远瞬铰1-16对图1-74所示体系进行几何构成分析。
(西安交通大学2015)1-17图1-75所示为()。
(山东科技大学2018)A.无多余约束的几何不变体系;B.有多余约束的几何不变体系;C.瞬变体系;D.常变体系。
近几年交大结力真题分析~(个人总结)一:平面体系的几何组成分析,经常与桁架一起出题,顺便求其内力二:已知受力,绘制弯矩剪力图三:静定结构位移计算,一般加有弹簧或者移动支座四:力法,一般都是对称的图形,让你利用对称性五:位移法,还是对称,一般都有条黑线(EI无限大),难点就在于刚体只能平动和转动,而转动的时候会引起转角……还得靠你自己去练习,掌握了一点都不难。
六:影响线,不多说了,送分题七:直接画出某超静定结构的内力图,表面上是画图,其实是多次利用力矩分配法,对刚结点的弯矩多次分配,画出简图,看似容易的题,其实是得分率最低的题,因此,大家必须多练习,熟练掌握力矩分配法!之前经常上北交考研论坛,感觉痞子哥真的帮了很多忙,每当自己考研过程中坚持不下去是,总会到论坛中看一看。
心里真的很感激~~现在复试结束了,自己有幸在拟录取名单中,感觉应该把自己的经验分享一下,希望能对之后的师弟师妹有些帮助,呵呵我之前是学的土木专业,具体点也就是工民建的,但当考研时,确定北交后,考虑再三,决定考道铁专业,因为初试是一样的,只是复试自己没学过,不过当时的想法是初试过了再说,一早就担心复试好像有点过了,毕竟还不知道自己有没有机会进入复试呢,呵呵就如大家所知道的一样,今年北交的复试线实在是高,我考了350分,道铁复试线是341,想想也知道自己有多大的压力,因为今年不只是分高,而且大家的分数都十分接近,几乎一分一个名次,有些还好几个,我的就是350有两个,351有三个好像,我们加保送的要40个人,如果按考试给的序号来算的话,我应该拍39名,呵呵,复试的重要性可想而知。
说实话,当时知道我的分数时,自己已经有预感了,因为本来以为我能考300分就不错了,然后看到350就很吃惊,仔细分析了一下,应该是专业课提的分,而且今年大家的专业课都很高,所以复试线要升高感觉是必然的。
但是看到自己一点也没学过的专业课,还是愁得厉害,其实之前在考完研之后寒假里我大体把那两本课本看了两遍,不过说实话,自己什么都不懂,合上课本,什么都不知道。
.系程工筑建名姓)系(院院学明三号学封⋯密⋯⋯⋯⋯⋯⋯⋯⋯⋯⋯⋯⋯⋯⋯⋯⋯⋯⋯⋯⋯⋯⋯⋯⋯⋯⋯⋯⋯⋯⋯⋯⋯⋯⋯⋯⋯⋯⋯⋯⋯⋯⋯⋯⋯⋯⋯题⋯答⋯要⋯不⋯内⋯⋯线⋯封⋯密⋯结构力学试题答案汇总一、选择题 (每小题 3 分,共 18 分 )1.图示体系的几何组成为:(A)A.几何不变,无多余联系;B.几何不变,有多余联系;C.瞬变;D.常变。
(第 1题)(第4题)2.静定结构在支座移动时,会产生:(C)A.内力;B.应力;C.刚体位移;D.变形。
3.在径向均布荷载作用下,三铰拱的合理轴线为:(B)A.圆弧线;B.抛物线;C.悬链线;D.正弦曲线。
4.图示桁架的零杆数目为:( D)A. 6;B.7;C.8;D.9 。
5.图 a 结构的最后弯矩图为:( A )A.图 b ; B .图 c; C .图 d; D .都不对。
6.力法方程是沿基本未知量方向的:( C)A.力的平衡方程;B.位移为零方程;C.位移协调方程;D.力的平衡及位移为零方程。
—1—二、填空题(每题3分,共 9分)1.从几何组成上讲,静定和超静定结构都是___几何不变____体系,前者___无__多余约束而后者____有___多余约束。
2.图b是图a结构___B__截面的__剪力__影响线。
3.图示结构AB杆B端的转动刚度为___i___,分配系数为____1/8 ____,传递系数为___-1__。
三、简答题(每题 5 分,共 10 分)1.静定结构内力分析情况与杆件截面的几何性质、材料物理性质是否相关?为什么?答:因为静定结构内力可仅由平衡方程求得,因此与杆件截面的几何性质无关,与材料物理性质也无关。
2.影响线横坐标和纵坐标的物理意义是什么?答:横坐标是单位移动荷载作用位置,纵坐标是单位移动荷载作用在此位置时物理量的影响系数值。
四、计算分析题,写出主要解题步骤(4 小题 ,共63 分)1.作图示体系的几何组成分析(说明理由),并求指定杆 1 和 2 的轴力。
练习题答案一、几何构造分析1、( X )2、( X )3、(X)4、( D )5、(C)6、(D)7、(A)8、应变,不变)9、不共线的两根链杆10、几何可变,W = 5 > 011、不共线的链杆AD、ED固定D点于基础;AC视为刚片,由铰A及两根不过A的链杆BD、CD联结于基础;整个体系为有一个多余约束的几何不变体。
或:ABCD为内部有一多余联系的铰接三角形,用铰A及链杆ED联结于基础;整个体系为有一个多余约束的几何不变体。
12、AB刚片固接于基础;CD刚片由三根不全平行也不交于一点的链杆联结于几何不变体上;CE刚片由C、E两铰联结于几何不变体上;有一个多余约束。
13、铰接三角形ABE和BCD分别视为刚片I和II,基础视为刚片III;I、II间用实铰B 相连;I、III间用链杆FE及A处支杆构成的虚铰相联;II、III间用链杆GD及C处支杆构成的虚铰相连;三铰不共线,故为无多余约束的几何不变体。
14、ABDE视为刚片,在此基础上用不共线两链杆固定C点,CE为多余约束,组成大刚片I;同理,KGEFH为有一个多余约束的几何不变体,视为大刚片II;基础视为刚片III。
I、II之间由实铰E相联;I、III之间由A、B处两支杆构成的虚铰(在B点)相联结;II、III之间由K、H两点的支杆构成的虚铰(在H点)相联。
三铰共线,故整个体系为有两个多余约束的瞬变体系。
15、IIIIIIO III,III O II,O IIII,O III,、O、O不共线,所以是几何不变体系,且无多余约束。
IIIII,IIII,16、IIIIIIO III,III O II,O IIII,O III,、O、O共线,所以是几何瞬变体系。
IIIII,IIII,17、IIIIIIO III,III O II,O IIII,O III,、O、O 不共线,所以是内部几何不变体系,且无多余约束。
IIIII,IIII,18、几何不变体系,且无多余约束。
大学结构力学知识考试练习题及答案11.[单选题]图a所示结构,EI=常数,取图b所示体系为力法基本体系,则下述结果中错误的是class="fr-fic fr-dii cursor-hover">A)B)class="fr-fic fr-dii">C)class="fr-fic fr-dii">答案:C解析:2.[单选题]试对图示结构进行几何组成分析 。
class="fr-fic fr-dii cursor-hover">A)几何不变无多余约束B)几何可变C)几何不变有多余约束答案:A解析:3.[单选题]图示三铰拱的水平推力FH=ql/2,则该三铰拱的高跨比为( )。
width="450" height="160" border="0" title="" alt="" class="fr-fic fr-dii cursor-hover">A)1/4B)1/8答案:B解析:4.[单选题]图示结构在外力作用下,CD杆D端的剪力 。
A)PB)0C)2PD)P/2答案:B解析:5.[单选题]力法方程的实质是A)互等定理B)物理条件C)位移条件D)平衡条件答案:C解析:6.[单选题]如图所示桁架中,杆AB的内力为 。
class="fr-fic fr-dii cursor-hover">A)0B)2PC)D)答案:A解析:7.[单选题]求位移的单位荷载法是由什么推导出来的?A)互等定理B)叠加原理C)虚力原理D)虚位移原理答案:C解析:8.[单选题]力法基本方程的使用条件是( )构成的超静定结构。
A)弹塑性材料B)微小变形且线性弹性材料C)任意变形的任何材料D)任意变形的线性弹性材料答案:B解析:9.[单选题]功的互等定理仅适用于什么体系A)平面体系B)梁和刚架C)线弹性体系D)静定结构答案:C解析:10.[单选题]下图所示结构,i为线刚度,若使截面B顺时针发生单位转角,在B点施加的力矩大小为( )。
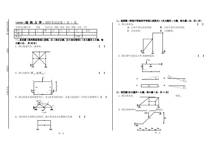
二、选择题(将选中答案的字母填入括弧内)(本大题共2小题,每小题4分,共8分) 1、图示体系为: 【 】
A .几何不变无多余约束;
B .几何不变有多余约束;
C .几何常变;
D .几何瞬变。
2、图示梁中支座反力的影响线为: 【 】
R A 1
1
1
A .
B .
1
C .
1
D .
三、填空题(本大题共4小题,每小题4分,共16分)
1、图示体系是体系。
2、图示结构M K = , 侧受拉。
第二页
五、计算题(本大题12分)
求图示刚架B 端的竖向位移。
q
六、计算题(本大题10分)
机动法作多跨静定梁、影响线。
C M SG F
第四页
八、计算题(本大题14分)
计算图示结构的位移法典型方程中的全部系数。
l=4m 。
kN/60m
第六页。
重庆交通学院继续教育学院《结构力学》课程考核形式:闭卷考试时间(120分钟)层次:本科班级:姓名:学号:一、是非题 8分(将判断结果填入括弧:以 O 表示正确以 X 表示错误)1、(本小题2分)力法、位移法典型方程中,主系数一定大于零()2、(本小题2分)计算自由度小于零的体系一定是几何不变体系。
()3、(本小题2分)力法典型方程的实质是几何条件()4、(本小题2分)荷载作用在静定多跨梁的附属部分上时,基本部分一定受力。
()二、填充题 14分(将答案写在空格内,每空 2 分)1、静定结构的几何构造特征是_______________________________;超静定结构的几何构造特征是____________________________。
2、作影响线的基本方法有 _____________________、 _______________。
3、计算梁和刚架在荷载作用下的位移时,用图乘法的条件是 _____ ____________________,____________________,___________________________________ ______________。
三、( 本大题12分每小题3分)单项选择题1、位移法的基本未知量是:()A、结构上任一截面的角位移和线位移。
B、结构上所有截面的角位移和线位移。
C、结构上所有结点的角位移和线位移。
D、结构上所有结点的独立角位移和独立线位移。
2、静定结构在温度改变作用下:()A、无变形、无位移、无内力。
B、有变形、有位移、有内力。
C、有变形、有位移、无内力。
D、无变形、有位移、无内力。
3、图示结构的超静定次数是:()A、1次。
B、2次。
C、3次。
D、4次。
4、图示对称刚架,正确的半边结构的图号是:()几何组成分析。
( 本大题6分 )四、对图示体系进行五、( 本大题8分 )画出图示结构的M 图。
六、( 本大题10分 )求图示桁架杆件1 和 2 的内力。
一.是非题(将判断结果填入括弧:以O 表示正确,X 表示错误)(本大题分4小题,共11分)1 . (本小题 3分)图示结构中DE 杆的轴力F NDE =F P /3。
( ).2 . (本小题 4分)用力法解超静定结构时,只能采用多余约束力作为基本未知量。
( )3 . (本小题 2分)力矩分配中的传递系数等于传递弯矩与分配弯矩之比,它与外因无关。
( )4 . (本小题 2分)用位移法解超静定结构时,基本结构超静定次数一定比原结构高。
( )二.选择题(将选中答案的字母填入括弧内)(本大题分5小题,共21分)1 (本小题6分)图示结构EI=常数,截面A 右侧的弯矩为:( ) A .2/M ; B .M ; C .0; D. )2/(EI M 。
22. (本小题4分)图示桁架下弦承载,下面画出的杆件内力影响线,此杆件是:( ) A.ch; B.ci; C.dj; D.cj.3. (本小题 4分)图a 结构的最后弯矩图为:A. 图b;B. 图c;C. 图d;D.都不对。
( )( a)(b) (c) (d)4. (本小题 4分)用图乘法求位移的必要条件之一是: A.单位荷载下的弯矩图为一直线; B.结构可分为等截面直杆段; C.所有杆件EI 为常数且相同; D.结构必须是静定的。
( ) 5. (本小题3分)=1图示梁A 点的竖向位移为(向下为正):( )A.F P l 3/(24EI); B. F P l 3/(!6EI); C. 5F P l 3/(96EI); D. 5F P l 3/(48EI).三(本大题 5分)对图示体系进行几何组成分析。
四(本大题 9分)图示结构B 支座下沉4 mm ,各杆EI=2.0×105 kN ·m 2,用力法计算并作M 图。
五(本大题 11分) 用力矩分配法计算图示结构,并作M 图。
EI=常数。
六(本大题14分)已知图示结构,422.110 kN m ,10 kN/m EI q =⨯⋅=求B 点的水平位移。
结构力学练习题及答案1结构力学习题及答案一. 是非题(将判断结果填入括弧:以O 表示正确,X 表示错误)(本大题分4小题,共11分) 1 . (本小题 3分)图示结构中DE 杆的轴力F NDE =F P /3。
( ).2 . (本小题 4分)用力法解超静定结构时,只能采用多余约束力作为基本未知量。
( )3 . (本小题 2分)力矩分配中的传递系数等于传递弯矩与分配弯矩之比,它与外因无关。
( )4 . (本小题 2分)用位移法解超静定结构时,基本结构超静定次数一定比原结构高。
( )二. 选择题(将选中答案的字母填入括弧内)(本大题分5小题,共21分) 1 (本小题6分)图示结构EI=常数,截面A 右侧的弯矩为:( ) A .2/M ; B .M ; C .0; D. )2/(EI M 。
2. (本小题4分)图示桁架下弦承载,下面画出的杆件内力影响线,此杆件是:( ) A.ch; B.ci; C.dj; D.cj.3. (本小题 4分)图a 结构的最后弯矩图为:2=1A. 图b;B. 图c;C. 图d;D.都不对。
( ) ( a) (b) (c) (d)4. (本小题 4分)用图乘法求位移的必要条件之一是: A.单位荷载下的弯矩图为一直线; B.结构可分为等截面直杆段; C.所有杆件EI 为常数且相同; D.结构必须是静定的。
( ) 5. (本小题3分)图示梁A 点的竖向位移为(向下为正):( )A.F P l 3/(24EI); B. F P l 3/(!6EI); C. 5F P l 3/(96EI); D. 5F P l 3/(48EI).三(本大题 5分)对图示体系进行几何组成分析。
F P四(本大题 9分)图示结构B 支座下沉4 mm ,各杆EI=2.0×105 kN·m 2,用力法计算并作M 图。
五(本大题 11分) 用力矩分配法计算图示结构,并作M 图。
EI=常数。
专升本《结构力学》一、(共75题,共150分)1. 图示梁剪力等于零的截面位置x距A点之值为( )。
(2分)A.5a/6B.6a/5C.6a/7D.7a/6.标准答案:D2. 下列剪力图和弯矩图中的错误为( )。
(2分)A.梁(A)图C截面剪力应连续,C截面弯矩应有突变;图B.梁C截面弯矩应连续B.图(A)梁B截面剪力不应为零,A截面弯矩不应为零;图B.梁C截面剪力应有突变,C 截面弯矩应光滑连续C.图(A)梁B截面剪力应为零,弯矩不为零;图B.AC段剪力应为曲线,弯矩图在AC 段有极值点D.图(A)梁剪力在C截面应连续,弯矩在AC段的凹向应一至,图B.梁弯矩在C截面应连续.标准答案:A3. 梁在集中力作用的截面处,它的内力图为( )。
(2分)A.Q图有突变,M 图光滑连续B.Q图有突变,M 图有转折C.M图有突变,Q 图光滑连续D.M图有突变,Q 图有转折.标准答案:B 4. 梁的剪力图和弯矩图如图所示,则梁上的荷载为( )。
(2分)A.AB段无荷载,B 截面有集中力B.AB段有集中力,BC 段有均布力C.AB段有均布力,B 截面有集中力偶D.AB段有均布力,A 截面有集中力偶.标准答案:D5. 用力矩分配法计算弹性结构时,放松结点的顺序________: (2分)A.对计算过程无影响,但对结果有影响;B.对计算过程有影响,但对结果无影响C.对计算结果和过程均有影响;D.对计算结果和过程均无影响..标准答案:B6. 图示结构超静定次数为________: (2分)A.4B.12C.15D.24.标准答案:C7. 图示结构截面K的轴力值N k为________: (2分)A.B.C.D..标准答案:C8. 用几何组成规则分析图示体系是:________ :(2分)A.无多余约束的几何不变体系;B.有多余约束的几何不变体系;C.可变体系;D.瞬变体系。
.标准答案:A9. 等截面直杆AB的A端的转动刚度S AB________: (2分)A.仅与杆件的线刚度有关;B.仅与杆两端的支承情况有关;C.与杆件的线刚度及荷载情况有关;D.与杆件的线刚度及两端支承情况有关..标准答案:D 10. 悬臂梁受载如图,弯矩图有三种答案:图A.图B.、和图C.。
重庆交通大学试卷一、单向选择题(本大题共 20 小题,每小题 1 分,共 20 分)在每小题列出的四个备选项中只有一个是符合题目要求的,请将其代码填写在题后的下划线上。
错选、多选或未选均无分。
1、桥梁总长是指。
[A] 桥梁两桥台台背前缘间的距离;[B] 桥梁结构两支点间的距离;[C] 桥梁两个桥台侧墙尾端间的距离;[D] 各孔净跨径的总和。
2 、桥梁的建筑高度是指。
[A] 桥面与桥跨结构最低边缘的高差;[B] 桥面与墩底之间的高差;[C] 桥面与地面线之间的高差;[D] 桥面与基础底面之间的高差。
3 、在阻碍斜板桥受力的因素中,下列选项中可不作为要紧因素考虑的是。
[A] 斜交角Ф ; [B] 宽跨比;[C] 支承形式; [D] 板的厚度。
4 、 T 型梁截面的效率指标是。
[A] 预应力束筋偏心距与梁高的比值;[B] 截面上核心距与下核心距的比值;[C] 截面上、下核心距与梁高的比值;[D] 截面上、下核心距与预应力束筋偏心距的比值。
5 、单向桥面板是指长宽比的周边支承桥面板。
[A] 大于 1 ; [B] 等于或大于 2 ;[C] 等于或小于 2 ; [D] 小于 2 。
6 、人群荷载属于。
[A] 永久作用; [B] 可变作用;[C] 其他可变荷载; [D] 偶然作用7 、斜交板桥的最大支承反力发生在。
[A] 钝角邻近; [B] 锐角邻近;[C] 桥轴线处; [D] 钝角与锐角邻近。
8 、箱梁的自由扭转产生。
[A] 纵向正应力和剪应力; [B] 剪应力;[C] 横向正应力和剪应力; [D] 纵向正应力、横向正应力和剪应力。
9 、箱梁的畸变产生。
[A] 纵向正应力、横向正应力和剪应力; [B] 剪应力;[C] 横向正应力和剪应力; [D] 纵向正应力和剪应力。
10、主梁中配置预应力束筋、纵向非预应力主筋、斜筋以及作各种验算时,需要作出主梁的。
[A] 弯矩图; [B] 剪力图;[C] 阻碍线图;[D] 内力包络图。