操作系统概论模拟试卷1
- 格式:pdf
- 大小:368.62 KB
- 文档页数:13
全国2010年4月高等教育自学考试操作系统概论试题课程代码:02323一、单项选择题(本大题共20小题,每小题1分,共20分)在每小题列出的四个备选项中只有一个是符合题目要求的,请将其代码填写在题后的括号内。
错选、多选或未选均无分。
1.在配置多道批处理操作系统的计算机系统中(D)A.用户可联机、调试自己的程序B.允许用户直接干预作业的执行C.能对外部事件实时响应D.允许多个作业同时使用不同的外围设备2.UNIX操作系统是一个(A)A.交互式分时操作系统B.多道批处理操作系统C.实时操作系统D.分布式操作系统3.若操作系统管理的某用户程序当前正占有中央处理器,该用户程序欲读磁盘上的文件信息,那么用户程序中相应的指令应该是(D)A.启动I/O指令B.等待I/O指令C.转移指令D.访管指令4.当一次系统调用功能完成后,中央处理器的工作状态应(C)A.保持管态B.保持目态C.从管态转换成目态D.从目态转换成管态5.分布式操作系统的特点是(C)A.资源共享B.资源地理位置分散C.资源位置透明D.多个用户的程序并行运行6.引入进程的原因是(B)A.提高资源的利用率和控制程序的执行B.提高资源的利用率和正确描述程序的执行情况C.提高程序的执行速度和控制程序的执行D.提高程序的执行速度和正确描述程序的执行情况7.进程有三种基本状态,可能的状态转换是(A)A.就绪态到运行态、等待态到就绪态、运行态到等待态B.就绪态到运行态、就绪态到等待态、等待态到运行态莲香飞羽整理C.就绪态到运行态、等待态到就绪态、等待态到运行态D.运行态到就绪态、就绪态到等待态、等待态到运行态8.处理器不能..直接访问的存储器是(D)A.寄存器B.高速缓冲存储器C.主存储器D.辅助存储器9.断电停机后,存储信息随之消失的存储器是( C )A.磁盘B.磁带C.主存储器D.U盘10.处于运行状态的操作系统程序应放在( C )A.寄存器中B.高速缓冲存储器中C.主存储器中D.辅助存储器中11.对操作系统的文件系统而言,一个源程序、一批数据、一篇文章或一张图片等都可以被称为文件,只要它是(C)A.连续分布在一片磁盘区域中的信息集合B.采用链接方式连接起来的多个磁盘块组成的信息集合C.逻辑上具有完整意义的信息集合D.属于同一个用户的一个信息集合12.一级目录结构的文件系统的主要特点是( B )A.适用于多道程序设计B.适用于单用户系统C.无需把索引表放到磁盘上D.存取所有文件都无需用到索引表13.在文件目录的目录项中主要存放的是(A)A.文件的名字、文件的类型和文件的物理地址等B.文件的名字、文件的类型和文件的摘要等C.文件的名字、文件记录的长度和文件的结构等D.文件的名字、文件的存取方式和文件在主存中的地址等14.并非..在“打开”文件时进行的操作是( D )A.把存储介质上的文件目录读入主存储器B.核对存取方式C.找出文件在存储介质上的起始位置D.决定文件在主存储器中的起始位置莲香飞羽整理15.在计算机系统中引入通道结构后仍然无法..做到的是( B )A.主存储器和外围设备之间传送信息的操作直接通过通道进行B.通道完全独立运行,无需由CPU启动C.外围设备可以和CPU并行工作D.各通道上的外围设备可以并行工作16.通过操作系统对外围设备的管理实现了“设备处理的一致性”。
1.单选题1.1进程以不可预知的速度向前推进,体现了操作系统的()特征。
a并发b共享c虚拟d异步性并发是指两个或多个事件在同一时间间隔内发生,故不选A。
共享指系统中的资源可供内存中多个并发执行的进程共同使用,故不选B。
虚拟指通过某种技术把一个物理实体变成若干逻辑上的对应物,故不选C。
异步性指进程以不可预知的速度向前推进。
内存中的每个程序何时执行、暂停,何时完成都是不可预知的。
故选D1.2UNIX操作系统是()。
a单用户单任务操作系统b单用户多任务操作系统c多用户单任务操作系统d分时操作系统第一个通用分时系统CTSS是麻省理工学院于1962年在一台改装过的IBM7094上开发成功的,后续又出现了MULTICS、UNIX、Linux和Windows等著名的既支持多道批处理功能、又支持分时功能的多道程序系统。
故选D。
1.3以下关于管程的描述,不正确的是()。
a管程是可供程序员调用的软件包b管程是一个由过程、变量及数据结构等组成的集合c管程是一种编程语言的构件d任意时刻管程中可以有多于一个的活跃进程管程是可供程序员调用的软件包,故不选A。
管程是一个由过程、变量及数据结构等组成的集合,它们组成一个特殊的模块或软件包,故不选B。
管程是一种编程语言的构件,故不选C。
每次只有一个进程调用管程执行,任意时刻管程中只能有一个活跃进程,故选D。
1.4单道批处理系统的特点不包括()。
a自动性b顺序性c单道性d实时性单道批处理系统内存中只有一道作业,可以自动处理作业,其特点包括自动性、顺序性和单道性,而不包括实时性,故选D。
1.5进程控制块的四类信息中,程序和数据的地址属于()。
a进程标识符信息b处理机状态信息c进程调度信息d进程控制信息进程标志符信息,用于唯一标识一个进程,存有本进程、父进程和子进程的标识符,故不选A。
处理机状态信息包括通用寄存器,指令计数器,程序状态字PSW,用户栈指针。
故不选B。
进程调度信息包括进程调度信息包括进程状态信息,进程优先级和进程调度所需的其他信息。
操作系统概论模拟考试题+答案一、单选题(共100题,每题1分,共100分)1.在存储器的层次结构中,L3层是A、主存储器B、高速缓存C、寄存器D、本地二级存储正确答案:A2.【】的缺点是容易留下难以利用的小空闲区。
A、最佳适应算法B、最快适应算法C、循环首次适应算法D、首次适应算法正确答案:A3.【】是将文件所在的磁盘的簇号存放在内存的表(文件分配表)中。
A、使用磁盘的链接表分配B、连续分配C、使用内存的链接表分配D、不连续分配正确答案:C4.程序并发执行的特点不包括A、顺序性B、不可再现性C、间断性D、失去封闭性正确答案:A5.单道批处理系统的特点不包括A、自动性B、顺序性C、调度性D、单道性正确答案:C6.在UNIX系统中,【】操作的功能是读目录结束后,关闭目录以释放内部表空间。
A、OPENDIRB、CLOSEDIRC、READDIRD、RENAME正确答案:B7.MS-DOS使用的磁盘分配方法是A、使用磁盘的链接表分配B、连续分配C、不连续分配D、使用内存的链接表分配正确答案:D8.关于操作系统,下列说法正确的是A、操作系统是一种系统软件B、操作系统是一种应用软件C、操作系统是一种工具软件D、操作系统是一种通用软件正确答案:A9.操作系统中的【】使更多的非专业人员能很快掌握计算机和应用程序的操作。
A、图形用户接口B、联机用户接口C、脱机用户接口D、程序接口正确答案:A10.下列关于中断的说法中,错误的是A、中断分为同步中断和异步中断两种B、同步中断也称为外部中断C、同步中断是当指令执行时由CPU控制单元产生的D、异步中断是由其他硬件设备随机产生的正确答案:B11.下列属于虚拟存储系统的特征的是A、对换性B、连续性C、单次性D、现实性正确答案:A12.下列关于静态优先权的说法中,错误的是A、静态优先权在创建时确定B、静态优先权调度算法可以使系统获得更好的调度性能C、静态优先权值通常可以根据进程的类型、进程需要的资源数量和户的要求来设定D、静态优先权在进程的整个运行期间保持不变正确答案:B13.虚拟存储系统的特征不包括A、连续性B、多次性C、对换性D、虚拟性正确答案:A14.下列关于存储器的说法中,错误的是A、CPU寄存器保存最常用的数据B、高速缓存存储器作为主存中数据和指令子集的缓冲区C、主存暂时存放存储容量更大、速度更慢的磁盘上的数据D、高速缓存存储器的容量一般比主存大正确答案:D15.下列关于固定分区的回收的说法中,错误的是A、固定分区分配实现简单B、现在的多道程序系统有很多都在使用固定分区分配的内存管理方式C、通过执行内存回收程序完成回收操作,只要把回收分区的使用状态改为“空闲”即可D、在一些实时控制系统中,使用固定分区分配简单而有效正确答案:B16.如果进程在CPU上运行的时间片递减为0,系统将该进程的状态变为A、就绪态B、执行态C、阻塞态D、终止态正确答案:A17.连续分配是指操作系统分配内存时,为每个进程分配一块物理地址连续的内存空间。
全国自考操作系统(操作系统概论)模拟试卷1(题后含答案及解析) 题型有:1. 单项选择题 3. 填空题 4. 简答题 6. 判断题单项选择题1.计算机软件分为_______。
A.程序、数据和文档B.操作系统和语言处理软件C.系统软件和应用软件D.操作系统、编译程序和数据库管理软件正确答案:C 涉及知识点:操作系统概论2.批处理的目的是_______。
A.提供多道程序功能B.提供多用户功能C.提供分时共享功能D.提高CPU的利用率正确答案:D 涉及知识点:操作系统概论3.设计批处理多道系统时,首先要考虑的是_______。
A.灵活性和可适应性B.系统效率和吞吐量C.交互性和响应时间D.实时性和可靠性正确答案:B 涉及知识点:操作系统概论4.下面5个系统中:计算机辅助设计系统、航班订票系统、过程控制系统、计算机激光照排系统、CD播放器,必须是实时操作系统的有_______个。
A.1B.2C.3D.4正确答案:C解析:航班订票系统、过程控制系统、CD播放器对响应时间有一定限制,故这三类系统是实时操作系统。
知识模块:操作系统概论5.多道程序设计是指_______。
A.在实时系统中并发运行多个程序B.在分布系统中同一时刻运行多个程序C.在一台处理机上同一时刻运行多个程序D.在一台处理机上并发运行多个程序正确答案:D 涉及知识点:操作系统概论6.Shell在UNIX操作系统中位于_______之间。
A.硬件层和核心层B.核心层和系统调用层C.系统调用层和应用程序层D.应用程序层和用户正确答案:D 涉及知识点:操作系统概论填空题7.计算机系统是由_______和_______两部分组成。
正确答案:硬件、软件涉及知识点:操作系统概论8.由操作系统将磁盘模拟为输入输出设备的处理方式称为_______。
正确答案:Spooling(并行的外部设备操作联机,假脱机) 涉及知识点:操作系统概论9.在Spooling系统中,作业执行时,从磁盘上的_______中读取信息,并把作业的执行结果暂时存放在磁盘上的_______中。
操作系统概论模拟试题一一、单项选择题(每小题1分,共15分)c 1.MS-DOS的引导程序是在磁盘初始化时,由()命令写在软盘或硬盘的0柱0面1扇区上的。
A.CHKDSKB.FDISKC.FORMATD.DISKCOPY2.MS-DOS 5.0开始把()的内存区域作为基本内存区。
A.1MB与2MB之间B.1MB之后C.640KB与1MB之间D.0KB与640KB之间3.MS-DOS中的文件存储结构采用()。
A.顺序结构B.链接结构C.索引结构D.成组链接结构4.与“计算时间”无关的作业调度算法是()算法。
A.先来先服务B.响应比高者优先C.优先数D.可抢占的优先数5.实时系统中的进程调度通常采用()算法。
A.响应比高者优先B.短作业优先C.时间片轮转D.抢占式的优先数高者优先6.在可变分区存储管理中,为了实现主存的空间分配,应设置()来进行管理。
A.页表B.段表C.位示图D.空闲区表7.某系统有同类资源m个供n个进程共享,如果每个进程最多申请k个资源(1<=k<=m),则各进程的最大需求量之和()时系统不会发生死锁。
A.=mB.=m+nC.<m十nD.>m+n8.动态重定位是在()完成的。
A.作业执行前B.作业执行过程中由硬件C.作业执行过程中由OSD.作业执行过程中由用户9.Windows操作系统是由()公司研制的。
A.MicrosoftB.IntelC.HPD.SUN SYSTEM10.进程从等待状态进人就绪状态可能是由于()。
A.现运行进程运行结束B.现运行进程执行P操作C.现运行进程执行了V操作D.现运行进程时间片用完11.在以下的存储管理方案中,能扩充主存容量的是()。
A.固定式分区管理B.可变式分区管理C.页式存储管理D.分页虚拟存储管理12.UNIX文件系统对盘空间的管理采用()。
A.FAT表法B.位示图法C.空闲块链接法D.空闲块成组链接法13.通道在输人输出操作完成或出错时就形成(),等候CPU来处理。
操作系统概论模拟练习题(含答案)一、单选题(共100题,每题1分,共100分)1、设备控制器的逻辑构成不包括A、I/O逻辑B、设备控制器与设备的接口C、设备控制器与存储器的接口D、设备控制器与处理机的接口正确答案:C2、自调度算法的优点有A、易移植B、没有瓶颈问题C、高效性D、线程切换次数较少正确答案:A3、下列属于虚拟存储系统的特征的是A、连续性B、现实性C、对换性D、单次性正确答案:C4、下列关于分时系统和实时系统的说法中,错误的是A、分时系统比实时系统要求有更高的可靠性B、分时系统和实时系统都具有独立性的特点C、分时操作系统允许多个用户通过终端同时使用计算机D、实时系统主要用于实时控制和实时信息处理领域正确答案:A5、在存储器的层次结构中,L3层是A、主存储器B、本地二级存储C、寄存器D、高速缓存正确答案:A6、【】操作的功能是当不再需要某个文件时,删除该文件并释放磁盘空间。
A、WRITEB、CREATEC、DELETED、APPEND正确答案:C7、操作系统中的【】使更多的非专业人员能很快掌握计算机和应用程序的操作。
A、程序接口B、脱机用户接口C、联机用户接口D、图形用户接口正确答案:D8、【】和输入/输出有关,用于串行I/O类设备,如终端、打印机和网络等。
A、字符设备文件B、目录文件C、正规文件D、块设备文件正确答案:A9、虚拟存储系统的特征不包括A、单次性B、对换性C、离散性D、虚拟性正确答案:A10、【】是将文件所在的磁盘的簇号存放在内存的表(文件分配表)中。
A、使用内存的链接表分配B、不连续分配C、使用磁盘的链接表分配D、连续分配正确答案:A11、下列关于短进程优先调度算法(SPF)的说法中,错误的是A、与FCFS算法相比,短进程优先的算法能有效提高系统的吞吐量B、短进程优先调度算法能保证紧迫进程的及时处理C、与FCFS算法相比,短进程优先的算法能有效降低进程的平均等待时间D、短进程优先调度算法不一定能真正做到短进程优先正确答案:B12、下列关于管程的说法中,错误的是A、管程是可供程序员调用的软件包B、每次只有一个进程调用管程执行,任意时刻管程中最多有两个活跃进程C、为了进行并发处理,管程必须包含同步工具D、管程包括变量的定义、变量的初始化代码,以及管理共享资源的过程正确答案:B13、进程唤醒的过程不包括A、将进程从阻塞队列中移出B、将进程状态由阻塞态改为执行态C、将进程状态由阻塞态改为就绪态D、将进程插入就绪队列正确答案:B14、下列不属于多道批处理系统的特点的是A、复杂性B、调度性C、无序性D、交互性正确答案:D15、公共缓冲池既可用于输入,又可用于输出,其中至少包含【】种工作缓冲区。
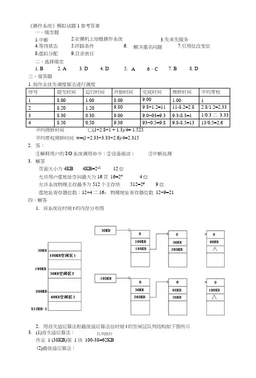
《操作系统》模拟试题1参考答案一、填空题1.中断2.在裸机上培植操作系统3.先来先服务4.等待状态5.环路条件6.解决重名问题7.引用位改变位8.虚拟分配9.目录表目二、选择填空1. B2. A3. D4. D5. A 6・C7. B 8. D三、简答题序号提交时间运行时间开始时间完成时间周转时间平均带权18.00 1.008.009.00 1.00128.20 1.209.809.8+1.2=1111-8.2=2.8 2.8/1.2=2.33 38.300.309.009.0+03=9.39.3-8.3=11/0.3 二3.33 48.500.509.3093+0.5=9.89.8-8.5=1313/0.5=2.6平均周转时间匸(1+2.8+1 + 1.3)/4= 1.525平均带权周转时间w=(l +2.33+3.33+2.6)/4=2.3152.答:①解释用户的I/O系统调用命令;②设备驱动;③中断处理3.解答页面大小为4KB 4KB=21212位允许用户虚地址空间最大为16页16=2°4位允许系统物理主存最多为512个主存块512=299位虚地址寄存器位数:12+4二16;物理地址寄存器位数12+9=21四、解答1.该系统在时刻t的内存分布图2.用首次适应算法和最佳适应算法在时刻t的空闲区队列结构如下图所示3.(1)首次适应算法:作业1 (38KB)第1 块100-38=62KB(2)最佳适应算法:队列指针作业1 (38KB),队列中的第1个元素(大小为36KB),不能分配;队列中的第2个元素(大小为60KB)满足,60-38=22KB,队列重新排列。
队列指针最佳适应算法五、解答:调度用的进程状态变迁图如下图所示。
1.有合理的响应时间:采用时间片调度;2.有较好的外部设备利用率:请求I/O的进程,I/O完成后进入屮优先就绪状态;3.缺页对程序执行速度的影响降到最低程度:请求页面的进程,页面调入后进入高优先就绪状态。
操作系统概论(第1-2章)测试题一、单项选择题1、一个操作系统的主要功能是()A、对计算机系统的所以资源进行控制与管理B、实行多用户及分布式管理C、扩充计算机的功能D、对硬件资源进行分配、控制、调度和回收2、第一个在计算机上实现的操作系统是()A、分时操作系统B、实时系统C、单道批处理系统D、单用户操作系统3、一种既有利于短作业又兼顾长作业的作业调度算法是()A、先来先服务B、短作业优先C、最高响应比优先D、均衡调度4、操作系统通过()对进程进行管理。
A、进程名B、进程控制块C、进程启动程序D、进程控制区5、操作系统是一种()A、应用软件B、工具软件C、通用软件D、系统软件6、按照作业到达的先后次序调度作业,排队等待时间最长的作业被最优先调度,这是指()调度算法。
A、先来先服务B、短作业优先C、响应比高优先D、优先级调度7、进程具有并发性和()两大重要属性。
A、动态性B、静态性C、易用性D、封闭性8、每一个进程都存在从创建到消亡的过程,该过程常被称为进程的()A、动态特征B、生命周期C、发展历程D、可消亡性9、下列的进程状态变化中,()的变化是不可能发生的。
A、运行→就绪B、运行→等待C、等待→运行D、等待→就绪10、下面关于批处理方式描述错误....的是()A、采用批处理控制方式的作业被称为批处理作业B、批处理作业由源程序和初始数据两部分组成C、批处理方式下,作业执行过程中用户不必在计算机前干预D、批处理控制方式又称为自动控制方式或脱机控制方式11、下列系统中,()是实时系统A、计算机激光照排系统B、航空订票系统C、办公自动化系统D、计算机辅助设计系统12、操作系统中有一组常称为特殊系统调用,它们不能被系统中断,在操作系统中称为()A、初始化程序B、原语C、子程序D、控制模块13、PC机的时钟中断属于()A、硬件故障中断B、程序中断C、外部中断D、输入输出中断14、在操作系统中,设计者往往编制了许多完成不同功能的子程序供用户程序执行中使用,这些子程序被称为()A、作业控制语言B、系统调用C、操作控制命令D、访管指令15、当中央处理器处于目态下,它可执行的指令应该是()A、仅限于特权指令B、仅限于非特权指令C、仅限于访管指令D、是计算机系统中的全部指令16、程序状态字寄存器是用来存放()运行的程序的PSWA、当前B、上一次C、下一次D、不确定17、操作系统的作用是()A、把源程序编译为目标程序B、便于进行目标管理C、控制和管理系统资源的使用D、实现软硬件的转接18、计算机系统是由( )组成A、程序和数据B、处理机和内存C、处理机、内存和外部设备D、硬件子系统和软件子系统19、在单处理器系统中,如果同时存在有10个进程,则处于就绪队列中的进程最多为()个。
全国自考(操作系统概论)模拟试卷1(题后含答案及解析)题型有:1. 单项选择题 2. 多项选择题 3. 填空题 4. 简答题 5. 综合题单项选择题1.操作系统是一种A.应用软件B.工具软件C.通用软件D.系统软件正确答案:D解析:操作系统是管理计算机系统资源、控制程序执行、改善人机界面和为应用软件提供支持的一种系统软件。
2.下面关于批处理方式的描述中,错误的是A.采用批处理控制方式的作业被称为批处理作业B.批处理作业由源程序和初始数据两部分组成C.批处理方式下,作业执行过程中用户不必在计算机前干预D.批处理控制方式又称自动控制方式或脱机控制方式正确答案:B3.关于中断,下列说法正确的是A.程序中断是自愿性中断事件B.输入输出中断是强迫性中断事件C.硬件故障中断是自愿性中断事件D.外部中断是自愿性中断事件正确答案:B4.程序状态字寄存器是用来存放( )运行的程序的PSW。
A.当前B.上一次C.下一次D.不确定正确答案:A解析:在单处理器的计算机系统中,整个系统设置一个用来存放当前运行程序PSW的寄存器,称为程序状态字寄存器。
5.在操作系统中,设计者往往编制了许多完成不同功能的子程序供用户程序执行中使用,这些子程序被称为A.作业控制语言B.系统调用C.操作控制命令D.访管指令正确答案:B6.进程具有并发性和( )两大重要属性。
A.动态性B.静态性C.易用性D.封闭性正确答案:A7.每一个进程都存在从创建到消亡的过程,该过程常被称为进程的A.动态特征B.生命周期C.发展历程D.可消亡性正确答案:B8.在操作系统中,( )是一组特殊的系统调用,它们不能被系统中断。
A.初始化程序B.原语C.子程序D.控制模块正确答案:B9.操作系统通过( )对进程进行管理。
A.进程名B.进程控制块C.进程启动程序D.进程控制区正确答案:B解析:操作系统是根据进程控制块(PCB)来对并发执行的进程进行控制和管理的。
10.按照作业到达的先后次序调度作业,排队等待时间最长的作业被优先调度,这是指( )调度算法。
操作系统概论考前模拟试题(一)一、单项选择题(本大题共15小题,每小题1分,共15分)在每小题列出的四个选项中只有一个选项是符合题目要求的,请将正确选项前的字母填在题后的括号内。
1.在( )中,不可能产生系统抖动现象。
A.请求页式管理B.段式分区管理C.静态分区管理D.动态分区管理2.为了照顾作业用户,进程调度采用( )A.先进先出调度算法B.短执行优先调度C.优先级调度D.轮转法3.每个操作系统管理程序的设计目标是( )A.对硬件进行管理B.对软件进行管理C.方便用户D.对资源进行管理4.( )存储扩充方式,能够实际增加存储单元。
A.物理扩充B.虚拟存储技术C.交换技术D.覆盖技术5.按记录中的某个或某些数据项的值的大小顺序排列和查找,这是指( )A.流式文件B.记录式文件C.连续结构文件D.有序结构文件6.操作系统实现按名存取进行检索等关键在于解决( )A.文件逻辑地址到文件具体地址B.文件名称与文件具体的存储地址的转换C.文件逻辑地址到文件名称的转换D.文件名称到文件逻辑地址的转换7.解决死锁的途径是( )A.立即关机排除故障B.立即关机再重起C.不要共享资源,增加独占资源D.设计预防死锁,运行检测并恢复8.为了对文件系统进行安全管理,任何一个用户进入系统时都必须进行注册,这一级安全管理是( )安全管理。
A.系统级B.目录级C.用户级D.文件级9.文件系统中,索引文件结构中的索引表是用来( )A.指示逻辑记录地址的B.存放部分数据信息的C.存放查找关键字项内容的D.指示逻辑记录和物理块之间对应关系的10.下列( )存储管理方式能使存储碎片尽可能减少,而且使得内存利用率较高。
A.固定分区B.可变分区C.分页管理D.段页式管理11.与脱机用户作业有关的提交方式是( )A.顺序键人方式B.连续键入方式C.业控制命令方式D.直接命令方式12.当一个作业的作业控制块等表格填写完毕后,作业的JCB就连成了一串而形成了一个排队队列,该队列称为作业( )A.阻塞队列B.后备队列C.就绪队列D.运行队列13.控制台的逻辑设备台是( )A.PRN B.CPU D.CON14.在下列情况( ),要进行进程调度。
《计算机操作系统》模拟试题(一)一、选择题1.把逻辑地址转变为内存的物理地址的过程称做( D )。
A. 编译 B.连接 C. 运行 D. 重定位2.进程和程序的一个本质区别是(D )。
A. 前者分时使用CPU,后者独占CPU B.前者存储在内存,后者存储在外存C. 前者在一个文件中,后者在多个文件中 D.前者为动态的,后者为静态的3.可重定位内存分区分配目的为( A )。
A. 解决碎片问题 B.便于多作业共享内存 C.回收空白区方便 D.摆脱用户干预4.索引式(随机)文件组织的一个主要优点是( B )。
A. 不需要链接指针 B.能实现物理块的动态分配 C. 回收实现比较简单 D.用户存取方便5.作业I/O方式有如下三种:(B )、脱机和( E )。
A. 询问 B.联机 C.中断 D.通道 E.假脱机6.两个旅行社甲和乙为旅客到某航空公司订飞机票,形成互斥的资源是(A )。
A. 飞机票 B.旅行社 C.航空公司 D.旅行社和航空公司7.一个文件系统的逻辑分区( A )。
A. 不能管理大于物理硬盘容量 B.能管理2个相同的物理硬盘C.能管理2个不相同的物理硬盘 D.能管理多个不相同的物理硬盘8.操作系统程序结构的主要特点是( C )。
A. 一个程序模块 B.分层结构 C. 层次模块化 D.子程序结构9.面向用户的组织机构属于( C )。
A. 虚拟结构 B.实际结构 C.逻辑结构 D.物理结构二、是非题(正确的划“√”,错误的划“×” )( √ )1.进程的互斥和同步是进程通信的基本内容。
( √ )2.操作系统“生成”是指能产生最适合用户自己工作环境的操作系统内核。
( × )3.多用户操作系统离开了多终端硬件支持,则无法使用。
( √ )4.实时操作系统的响应系数最大,设备利用率最高。
( × )5.UNIX的最大特点是分时、多用户、多任务和倒树型文件结构。
( √ )6.引导操作系统进入内存的程序一般放在计算机的固件中。
操作系统概论试题及答案### 操作系统概论试题及答案#### 一、选择题1. 操作系统的主要功能不包括以下哪项?- A. 进程管理- B. 存储管理- C. 网络通信- D. 设备管理答案:C2. 在操作系统中,进程与程序的区别是什么?- A. 程序是静态的,进程是动态的- B. 程序是动态的,进程是静态的- C. 程序和进程是同一个概念- D. 进程是程序的子集答案:A3. 以下哪个选项不是操作系统的调度算法?- A. 先来先服务(FCFS)- B. 最短作业优先(SJF)- C. 轮转调度(RR)- D. 深度优先搜索(DFS)答案:D#### 二、简答题1. 解释操作系统的死锁概念及其产生条件。
死锁是指在多任务环境中,两个或多个进程在执行过程中因争夺资源而造成的一种僵局,若无外力作用,这些进程都将无法向前推进。
产生死锁的四个必要条件是:互斥条件、请求和保持条件、不可剥夺条件和循环等待条件。
2. 描述虚拟内存的工作原理。
虚拟内存是操作系统用来扩展可用内存容量的一种技术。
它通过将部分数据暂时存储在磁盘上,而只将当前需要的程序和数据加载到物理内存中,从而允许程序使用比物理内存更大的地址空间。
当程序访问不在物理内存中的部分时,操作系统会将这部分数据从磁盘加载到内存中,这个过程称为页面置换。
#### 三、论述题1. 操作系统如何实现多任务处理?操作系统实现多任务处理主要通过以下几个方面:首先,操作系统允许多个进程同时存在于内存中;其次,通过时间片轮转调度算法,操作系统可以给每个进程分配CPU时间,使得多个进程看似同时运行;再次,操作系统提供了进程间通信机制,允许进程之间共享数据和同步状态;最后,操作系统还管理进程的创建、执行、阻塞和终止等状态,确保资源的有效利用和系统的稳定性。
#### 四、案例分析题1. 假设有一个操作系统,它使用基于优先级的调度算法。
如果一个高优先级的进程被创建,但系统资源不足,导致该进程无法立即执行,操作系统应如何处理?在这种情况下,操作系统应该将高优先级的进程放入就绪队列,并继续执行当前正在运行的低优先级进程。
操作系统概论试题及答案一、选择题1. 操作系统是一个特殊的软件,它的主要功能是:A. 控制计算机硬件B. 提供用户界面C. 管理和调度资源D. 实现应用程序答案:C. 管理和调度资源2. 下列哪个不是操作系统的特征?A. 并发性B. 共享性C. 虚拟性D. 局限性答案:D. 局限性3. 操作系统有哪些组成部分?A. 内核B. ShellC. 文件系统D. 所有选项都正确答案:D. 所有选项都正确4. 进程和线程的区别是:A. 进程是资源的基本单位,线程是CPU调度的基本单位B. 进程是单线程的,线程是多线程的C. 进程之间有独立的地址空间,线程共享地址空间D. 进程和线程没有区别答案:C. 进程之间有独立的地址空间,线程共享地址空间5. 下列哪个不是进程状态?A. 运行B. 就绪C. 等待D. 暂停答案:D. 暂停二、问答题1. 请简要说明操作系统的作用及重要性。
操作系统是计算机系统中非常重要的一个组成部分。
它主要的作用是对计算机硬件进行管理和调度,为其他应用程序提供一个良好的运行环境。
操作系统的重要性体现在以下几个方面:首先,操作系统可以有效地管理和调度计算机的资源,包括CPU、内存、硬盘等。
通过合理地分配资源,并按照一定的优先级进行调度,可以提高计算机的利用率,使系统运行更加高效稳定。
其次,操作系统可以提供用户界面,使用户能够方便地与计算机进行交互。
无论是命令行界面还是图形界面,操作系统都能够以一种直观友好的方式呈现给用户,使得用户能够轻松地操作计算机并运行应用程序。
最后,操作系统还能够提供一些基本的服务和功能,如文件系统、网络功能、安全性控制等。
这些功能可以为应用程序提供良好的支持,使得应用程序能够更高效地运行,并且保护用户的数据和隐私安全。
总之,操作系统是计算机系统中必不可少的一个环节,它能够提供资源管理、用户界面和各种基本功能,保证计算机系统的正常运行。
2. 请简述进程和线程的概念,并说明它们之间的关系。
操作系统概论复习试题一一、单项选择题(本大题共20小题,每小题1分,共20分)在每小题列出的四个备选项中只有一个选项是符合题目要求的,请将其代码填写在题后的括号内。
错选、多选或未选均无分。
1、微机操作系统的主要功能是( )A、实现文件管理、输入/输出控制和命令的解释B、输入/输出控制、命令的解释和运行支撑软件C、命令的解释、运行支撑软件和实现文件管理D、运行支撑软件、实现文件管理和输入/输出控制2、对处理事件有严格时间限制的系统是( )A、分时系统B、实时系统C、分布式操作系统D、网络操作系统3、以下说法不正确的是( )A、单道批处理系统顺序控制作业的执行,只有一个作业结束后,才能执行下一个作业B、多道批处理操作系统允许若干个作业同时装入主存储器C、多道批处理操作系统并不能提高计算机系统的资源使用效率D、在多道批处理操作系统中,作业执行时用户不能直接干预作业的执行4、以下不是进程属性的是( )A、多个进程可以并发执行B、不同的进程不可以含有相同的程序C、进程是动态的,包含了数据和运行在数据集上的程序D、进程有三种基本状态5、进程控制块是对进程进行管理和调度的信息集合,包含的四类信息是( )A、标识信息、说明信息、现场信息、控制信息B、状态信息、说明信息、现场信息、管理信息C、状态信息、解释信息、中断信息、管理信息D、标识信息、说明信息、现场信息、管理信息6、进程的切换是由进程状态的变化引起的。
以下不能引起进程切换的是( )A、一个进程从运行状态变成等待状态B、一个进程从运行状态变成就绪状态C、一个进程从就绪状态变成运行状态D、一个进程完成工作后被撤消7、硬件中可没有地址转换机构的存储管理方式是( )A、页式虚拟B、固定分区C、可变分区D、页式8、( )是指将作业不需要或暂时不需要的部分移到外存,让出内存空间以调入其他所需数据。
A、覆盖技术B、交换技术C、虚拟扩充D、物理扩充9、在固定分区存储管理中,存储管理为了说明各分区的分配和使用情况而设置的是( )A、分区分配表B、快表C、空闲区表D、页表10、按保护级别分类,文件可分为( )A、输入文件,输出文件和输入输出文件B、临时文件、永久文件和档案文件C、只读文件、读写文件、执行文件和不保护文件D、磁带文件、磁盘文件11、在文件系统中,( )的物理文件中占有物理块顺序和逻辑文件中的记录顺序一致。
操作系统概论模拟试题一试题一选择题1. 操作系统是(1),专门用来管理系统中的软硬件资源,控制程序的运行。
(1)A. 硬件 B. 系统软件 C. 应用软件 D. 虚拟机2.在进程的三种基本状态的转换过程中,如下的说法哪个是正确的(2)。
(2)A. 进程一旦形成,首先进入的是运行状态B. 进程可能同时处于某种状态中C. 分时系统中,一个正在运行的进程时间片到了,进程将转为就绪D. 进程必须经历三种基本状态才能结束3. 进程存在的唯一标志是(3)。
(3)A. 程序 B. 进程名 C. PCB D. 进程状态4. 产生死锁的原因是(4)。
(4) A. 进程推进顺序不当B. 进程调度不当C. 资源的独占性D. 进程竞争互斥资源时,资源竞争和并发进程的推进顺序不当5.设有N个进程共享一个互斥段,•如果每次只允许5个进程进入互斥段,那么信号量的初值取为(5)。
(5)A.n B.1 C.5 D.n-16. 采用多级文件目录后,文件系统中对不同用户的文件其文件名(6)。
(6)A.应该不同 B.不能相同 C.可以相同也可以不同 D.可以不同7.UNIX文件管理采用的是(7)。
(7)A.主目录+用户目录 B.多级树型目录C.多级树型带交叉勾连D.一级目录8. 启动IO类的指令属于(8)。
(8) A. 特权指令 B.访管指令 C. 用户自定义指令 D. 系统指令9.主存储器是(9)。
(9) A.以“字”为单位进行编址的B.中央处理机能够直接访问的唯一存储器C.与辅存相比速度快、价格低、容量大D.只能由CPU访问的存储器10.在分区分配方案中,需要执行靠拢操作的是(10)。
(10)A.固定分区 B.可变式分区C.可再定位分区D.多重定位分区11.位示图可用于(11)。
(11)A.磁盘驱动调度 B.文件目录查找 C.磁盘空间管理 D.页面置换12. 作业调度程序选中一个装入主存后,决定能否占用处理机的是(12)。
(12)A.作业控制 B.进程调度 C.设备调度 D.存储管理13.在一次磁盘输入输出操作中所花费的时间为(13)。