整体式双向板肋梁楼盖设计例题
- 格式:doc
- 大小:447.50 KB
- 文档页数:7
姓名 学号整体式双向板肋梁楼盖设计(一)设计资料某厂房拟采用双向板肋梁楼盖,结构平面布置图如图1所示,支承梁截面取为200mm ×500mm ,板厚取为100mm 。
环境类别为一类;楼盖活荷载标准值见表1,板自重加上面层、粉刷层等,恒荷载2k m kN 5.3 g ,采用C30混凝土,板中钢筋采用HRB400钢筋。
(二)楼盖的结构平面布置楼盖的结构平面布置及柱网布置如图1所示。
按不同用途的工业车间楼面活荷载标准值见表1,环境类别为一类,柱网尺寸见表2,每位学生按学号顺序根据表3选取一组数据进行设计。
图1 楼盖结构平面布置及柱网布置按弹性理论进行板的设计1,荷载设计值q=1.3×10=13.0 KN/m²g=1.2×3.5=4.2 KN/m²g+ q/2=4.2+13/2=10.7 KN/m²q/2=6.5 KN/m²g+ q=4.2+13=17.2 KN/m²2,计算跨度内跨L0=L C(轴线间距离),边跨:L0=L C+1003,弯矩计算泊松比=0.2,跨中最大弯矩为当内支座固定时在g+ q/2 作用下的跨中弯矩值与内支座绞支时在q/2作用下的弯矩值之和。
支座最大负弯矩为当内支座固定时g+ q作用下的支座弯矩。
根据不同的支撑情况,整个楼盖可以分为A,B,C,D四种区格板。
A区格板:L01/ L02=0.94,周边固支时,由附表查得L01,L02方向的跨中弯矩系数分别为0.0203、0.0171,支座弯矩系数分别为-0.0558、-0.0531;周边简支时,由附表查得L01,L02方向的跨中弯矩系数分别为0.0419、0.0363 。
于是m1=(0.0203+0.2×0.0171)( g+ q/2) L012+(0.0419+0.0363×0.2) ×q×L012/2=11.61 KN.mm2=(0.0171+0.2×0.0203)( g+ q/2) L012+(0.0363+0.0419×0.2) ×q×L012/2=10.47 KN.mm1’= m1”=-0.0558( g+ q) L012=-19.44 KN.mm2’= m2”=-0.0531( g+ q) L012=-18.49 KN.m对边区格板的简支边,取m’或m”=0.各区格板分别算得的弯矩值,列于下表中4.截面设计截面有效高度:一类环境类别板的最小混凝土保护层厚度15mm,假定选用Φ10钢筋,则L01方向跨中截面的h01=100-15-10/2=80mm, L02方向跨中截面的h02=80-10=70mm,支座截面h0=80mm。
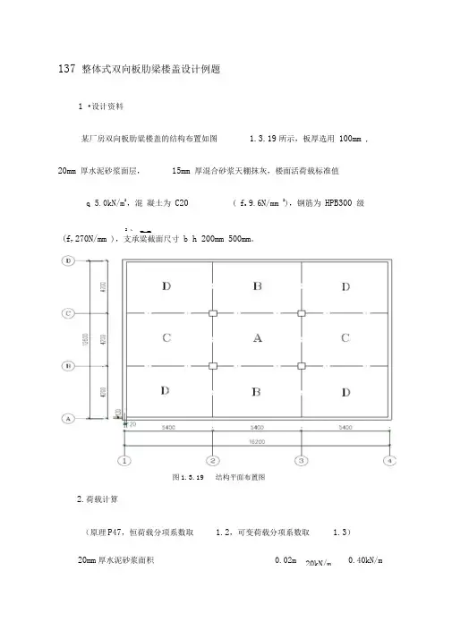
1.3.7 整体式双向板肋梁楼盖设计例题1.设计资料某厂房双向板肋粱楼盖的结构布置如图1.3.19所示,板厚选用100mm ,20mm 厚水泥砂浆面层,15mm 厚混合砂浆天棚抹灰,楼面活荷载标准值2 5.0kN/m q =,混凝土为C20(2c 9.6N/mm f =),钢筋为HPB300级(2y 270N/mm f =),支承粱截面尺寸200mm 500mm b h ⨯=⨯。
图1.3.19 结构平面布置图2.荷载计算(原理P47,恒荷载分项系数取1.2,可变荷载分项系数取1.3) 20mm 厚水泥砂浆面积 320.02m 20kN/m 0.40kN/m ⨯= 15mm 厚水泥砂浆天棚抹灰 320.015m 17kN/m 0.26kN/m ⨯= 板自重 320.10m 25kN/m 2.50kN/m ⨯= 恒荷载标准值 23.16 kN/m = 恒荷载设计值 22 g=3.16kN/m 1.2 3.8kN/m ⨯= 活荷载设计值 22 =5.0kN/m 1.3 6.5kN/m q ⨯= 合计: 2 =10.3kN/m p g q =+ 3.按弹性理论计算求跨内截面最大正弯矩,按均布恒荷载及棋盘式布活载。
采用近似内力分析方法:把棋盘式布置的活荷载分解为各区格板满布的对称荷载/2q 和区格板棋盘式布置的反对称荷载/2q±。
对称荷载2226.5 kN/m'=g+ =3.8 kN/m+=7.05 kN/m 22qg反对称荷载226.5 kN/m'=== 3.25 kN/m 22qq±±±在'g作用下,中间区格板的均可视为四面固定的单区格双向板,边区格板和角区格板的外边界支撑条件按实际情况确定,某些区格板跨内最大正弯矩不在板的中心点处。
在'q作用下,中间区格板所有中间支座均视为铰支座,边区格板和角区格板的外边界支撑条件按实际情况确定,跨内最大正弯矩则在中心点处。
双向板肋梁楼盖设计例题
双向板肋梁楼盖是一种常见的楼盖结构,其设计需要考虑多个方面,包括荷载、构件尺寸、材料选用等。
以下是一个双向板肋梁楼盖设计例题。
某建筑楼盖平面尺寸为10m×10m,楼盖厚度为0.25m,设计荷载为3kN/m,屋面重量为1kN/m,楼盖构件材料选用C25混凝土和HRB400钢筋。
设计双向板肋梁的尺寸和数量。
解:首先进行荷载计算,得到楼盖总荷载为
(3+1)×10×10=40kN。
按照双向板肋梁的设计方法,需要满足以下条件:
1.板肋跨数不得大于6,板肋长宽比不得大于2:1;
2.板肋的横向和纵向配筋面积比应在0.5~2之间;
3.板肋的净跨径应不大于6m。
根据上述条件,可以得到以下初步设计方案:
1.将楼盖分为4个10/2=5m×5m的区域,每个区域设置一个双向板肋梁;
2.双向板肋梁的板肋尺寸为500mm×500mm,梁深400mm;
3.板肋的横向和纵向配筋面积比为1:1;
4.板肋的净跨径为5m,符合条件。
根据初步设计方案,可以进行验算和细化设计。
其中,板肋的梁高、板厚等参数需要根据验算结果和施工实际情况进行确定。
设计完成后,需要进行施工图设计和编制施工工艺,确保施工质量和
进度。
双向板设计例题某厂房双向板肋梁楼盖的结构布置如下图所示,结构安全等级为二级,环境≥/40计算并取整),20mm厚类别为一类。
板厚选用100mm(按连续双向板hl01水泥砂浆面层,15mm厚混合砂浆顶棚抹灰,楼面活荷载标准值q=5.0kN/m2,混凝土为C25(f c=11.9N/mm2),钢筋为HPB300级(f y=11.9N/mm2),支撑梁截面尺寸为b×h=200mm×500mm.图1 双向板1、荷载计算:20mm厚水泥砂浆面层0.02m×20kN/m3=0.40 kN/m2板自重0.10m×250kN/m3=2.5 kN/m2 15mm混合砂浆顶棚抹灰0.015m×17kN/m3=0.26 kN/m2 恒荷载标准值g k =3.16 kN/m2恒荷载设计值g 3.16 kN/m2×1.2=3.8kN/m2活荷载设计值q 5.0 kN/m2×1.3 =6.5kN/m2荷载设计值合计p g+ q=10.3 kN/m22、按塑性理论计算(1)弯矩计算1)中间区格板A:计算跨度l01=4.2m – 0.2m = 4.0ml02=5.4m – 0.2m = 5.2mn=l02l01=5.2m4.0m=1.3, 取α=0.6≈1n2,β=2采取分离式配筋,得跨中及支座塑性绞线上的总弯矩为M1=l02m1=5.2m×m1M2=αl01m1=0.6×4.0m×m1=2.4m×m1M1ˊ= M1〞=βl02m1=2×5.2m×m1=10.4m×m1M2ˊ= M2〞=βαl01m1=2×0.6×4.0m×m1=4.8m×m1由于区格板A四周与梁整体连接,内力折减系数为0.8,2 M1+2M2+M1ˊ+ M1〞+M2ˊ+ M2〞=pl01212×(3l02-l01)2×5.2m×m1+2×2.4m×m1+2×10.4m×m1+2×4.8m×m1= 0.8×10.3kN/m2×(4.0m)2×(3×5.2m-4.0m)12解得m1=2.79kN·m/mm2=αm1=0.6×2.79kN·m/m =1.67kN·m/mm1ˊ=m2〞=βm1=2×2.79kN·m/m =5.58 kN·m/mm2ˊ=m2〞=βm2=2×1.67kN·m/m =3.34kN·m/m 2)边区格板B:l01=4.2m –0.22m-0.12m+0.12m = 4.03ml02= 5.2mn=5.2m4.03m=1.29由于B区格为三边连续一边简支,无支梁,内力不折减,又由于长边支座弯矩为已知,m1ˊ=5.58 kN·m/m,则M1=l02m1=5.2m×m1M2=0.6×4.03m×m1=2.42m×m1M1ˊ=5.58 kN·m/m×5.2m=29.0 kN·mM2ˊ= M2〞=2×0.6×4.03m×m1=4.84m×m1代人公式2×5.2m×m1+2×2.42m×m1+29.0 kN·m +2×4.84m×m1= 10.3kN/m2×(4.03m)2×(3×5.2m-4.03m)12解得m1=5.31kN·m/mm2=αm1=0.6×5.31kN·m/m =3.19kN·m/mm2ˊ=m2〞=βm2=2×3.19kN·m/m =6.38 kN·m/m3)边区格板C(计算过程略)m1=4.04kN·m/mm2=αm1=0.6×4.04kN·m/m =2.42kN·m/mm1ˊ=m1〞=βm1=2×4.04kN·m/m =8.08 kN·m/m4)边区格板D(计算过程略)m1=6.19kN·m/mm2=αm1=0.6×6.19kN·m/m =23.71kN·m/m(2)配筋计算各区格板跨中及支座弯矩既已求得,取截面有效高度h0x=75mm, h0y=65mm,近似按A s=m0.95f h计算钢筋截面面积,计算结果见下表。
1.3 整体式双向板梁板结构由两个方向板带共同承受荷载,在纵横两个方向上发生弯曲且都不能忽略的四边支承板,称为双向板。
双向板的支承形式:四边支承、三边支承、两边支承或四点支承。
双向板的平面形状:正方形、矩形、圆形、三角形或其他形状。
双向板梁板结构。
又称为双向板肋形楼盖。
图1.3.1。
双重井式楼盖或井式楼盖。
我国《混凝土结构设计规范》(GB50010-2002)规定:对于四边支承的板,●当长边与短边长度之比小于或等于2时,应按双向板计算;●当长边与短边长度之比大于2,但小于3时,宜按双向板计算;若按沿短边方向受力的单向板计算时,应沿长边方向布置足够数量的构造钢筋;●当长边与短边长度之比大于或等于3时,可按沿短边方向受力的单向板计算。
1.3.1 双向板的受力特点1、四边支承双向板弹性工作阶段的受力特点整体式双向梁板结构中的四边支承板,在荷载作用下,板的荷载由短边和长边两个方向板带共同承受,各个板带分配的荷载,与长跨和短跨的跨度比值0201l l 相关。
当跨度比值0201l l 接近时,两个方向板带的弯矩值较为接近。
随着0201l l 的增大,短向板带弯矩值逐渐增大,最大正弯矩出现在中点;长向板带弯矩值逐渐减小。
而且,最大弯矩值不发生在跨中截面,而是偏离跨中截面,图1.3.2。
这是因为,短向板带对长向板带具有一定的支承作用。
2、四边支承双向板的主要试验结果 位移与变形双向板在荷载作用下,板的竖向位移呈碟形,板的四角处有向上翘起的趋势。
●裂缝与破坏对于均布荷载作用下的正方形平面四边简支双向板:●在裂缝出现之前,基本处于弹性工作阶段;●随着荷载的增加,由于两个方向配筋相同(正方形板),第一批裂缝出现在板底中央部位,该裂缝沿对角线方向向板的四角扩展,直至因板底部钢筋屈服而破坏。
●当接近破坏时,板顶面靠近四角附近,出现垂直于对角线方向、大体呈圆弧形的环状裂缝。
这些裂缝的出现,又促进了板底对角线方向裂缝的发展。
钢板肋梁楼盖设计计算书参考例题
1. 引言
本文档旨在提供钢板肋梁楼盖设计的计算书参考例题。
根据问题的具体要求,我们将展示计算各种力学参数的方法,并给出相应的计算结果。
2. 问题描述
设计一种钢板肋梁楼盖结构,满足下列条件:
- 楼盖面积为X平方米;
- 楼盖荷载为Y千牛;
- 肋梁的高度为Z米;
- 肋梁的宽度为W米。
3. 计算方法
3.1 楼盖面积计算
根据给定的楼盖面积为X平方米,计算公式如下:
楼盖面积 = X
3.2 楼盖荷载计算
根据给定的楼盖荷载为Y千牛,计算公式如下:
楼盖荷载 = Y
3.3 肋梁的高度计算
根据给定的肋梁的高度为Z米,计算公式如下:
肋梁的高度 = Z
3.4 肋梁的宽度计算
根据给定的肋梁的宽度为W米,计算公式如下:
肋梁的宽度 = W
4. 计算结果
根据上述计算方法,得出了以下结果:
- 楼盖面积:X平方米;
- 楼盖荷载:Y千牛;
- 肋梁的高度:Z米;
- 肋梁的宽度:W米。
5. 结论
根据计算结果,我们设计了一种满足给定条件的钢板肋梁楼盖结构。
具体的设计参数如上所示。
6. 参考文献
- [1] 《钢结构设计手册》- [2] 《建筑结构力学》。
137 整体式双向板肋梁楼盖设计例题1 •设计资料某厂房双向板肋粱楼盖的结构布置如图 1.3.19所示,板厚选用100mm ,20mm 厚水泥砂浆面层,15mm 厚混合砂浆天棚抹灰,楼面活荷载标准值q 5.0kN/m2,混凝土为C20 ( f c 9.6N/mm 2),钢筋为HPB300 级2 、 _ _(f y 270N/mm ),支承粱截面尺寸b h 200mm 500mm。
图1.3.19 结构平面布置图2.荷载计算(原理P47,恒荷载分项系数取 1.2,可变荷载分项系数取 1.3)20mm厚水泥砂浆面积0.02m 20kN/m 0.40kN/m求跨内截面最大正弯矩,按均布恒荷载及棋盘式布活载。
采用近似内力分析方法:把棋盘式布置的活荷载分解为各区格板满布的对称荷载 q / 2和区格板棋盘式布置的反对称荷载q/2。
对称荷载2,.q c c “ 2 , 6.5 kN/m “ , kl/ 2 g '=g+ =3.8 kN/m + =7.05 kN/m2 2 反对称荷载2,q 6.5 kN/m — “ 2q '= = = 3.25 kN/m在g'作用下,中间区格板的均可视为四面固定的单区格双向板,边区格板和角区格板的外边界支撑条件按实际情况确定, 某些区格板跨内最大正弯矩不在板的中心点处。
在 q'作用下,中间区格板所有中间支座均视为铰支座,边区格板和角区格板的外边界支撑条件按实际情况确定, 跨内最大正弯矩则在中心点处。
计算时,可近似取二者之和作为跨内最大正弯矩值。
15mm 厚水泥砂浆天棚抹灰板自重恒荷载标准值恒荷载设计值活荷载设计值 合计:3.按弹性理论计算0.015m 0.10m 17kN/m 325kN/m0.26kN/m2.50kN/m3.16 kN/m2 2g=3.16kN/m 1.2 3.8kN/m2 2q=5.0kN/m 1.3 6.5kN/m2p g q=10.3kN/m求各中间支座最大负弯矩(绝对值)时,按恒荷载及活荷载均满布各区格板计算,取荷载10.3 kN/m按附录进行内力计算,计算简图及计算结果见表 1.3.1由表1.3.1可见,板间支座弯矩是不平衡的,实际应用时可近似取相邻两区格板支座弯矩的平均值,即考虑到多区格连续双向板在荷载作用下,由于四边支承梁的约束作用,双向板存在空间拱作用,所以,四周与梁整体连接的中间区格板 A 的支座及跨内截面的弯矩减少 20%。
课程设计设计题目:双向板肋梁楼盖设计学院:专业:班级:姓名:学号:指导教师:职称:完成日期:年月日目录一、设计任务 (1)1、题目 (1)2、目的要求 (1)3、设计条件 (1)二、本梁板结构系统布置的优缺点评述 (2)1)承重墙、柱网和梁格布置 (2)2)结构布置 (2)3)单向板和双向板肋形结构的区别 (2)三、板厚及梁系截面尺寸的确定 (2)1)板的厚度 (2)2)次梁的截面尺寸 (2)3)主梁的截面尺寸 (2)四、双向板设计 (3)(1)板的荷载计算 (3)(2)板的计算跨度l0 的计算 (4)(3)弯矩计算 (4)(4)板的配筋 (6)(5)板的配筋图 (8)五、次梁设计 (8)(1)计算跨度 (8)(2)荷载计算 (8)(3)内力计算 (9)1)弯矩计算 (9)2)剪力计算 (11)(4)正截面承载力计算 (13)(5)斜截面承载力计算 (14)(6)次梁构造 (15)六、裂缝验算 (15)七、挠度验算 (15)八、楼梯设计 (16)(1)梯段板设计 (16)(2)平台板设计 (17)(3)平台梁设计 (17)九、设计心得 (16)附页:图纸---------------------------------------------------------------------------------------------------- 20双向板肋梁楼盖设计计算书一、设计任务1、题目双向板肋梁楼盖2、目的要求钢筋混凝土与砌体结构课程设计是教学计划中的一个重要的实践性教学环节,对培养和提高学生房屋结构设计基本技能,学会运用技术规范和标准图册,掌握施工图的绘制方法,培养学生利用计算机软件绘图;启发学生对实际结构工作情况的认识和巩固所学的理论知识,培养学生综合运用所学知识分析与解决问题的能力、了解钢筋混凝土结构设计一般程序和内容,为毕业设计及今后从事实际工作奠定初步基础具有重要作用。
2.1 目的1)了解双向板肋梁楼盖的荷载传递关系及其计算简图的确定;2)掌握板厚及梁系截面尺寸的确定方法;3)通过板的计算,掌握弹性内力计算方法,熟悉按棋盘式布置活荷载考虑不利组合;4)通过主、次梁的计算,掌握按弹性理论分析内力的计算方法,并熟悉内力包络图和材料图的绘制方法;5)掌握板、主次梁的配筋计算、冲切验算,了解并熟悉现浇梁板结构的有关构造要求;6)掌握钢筋混凝土结构施工图的表达方法、制图规定,进一步提高制图的基本技能。
钢筋混凝土双向板肋梁楼盖设计1.工程概况本工程设计为一座大跨度钢筋混凝土双向板肋梁楼盖,楼盖跨度为30米,采用常规荷载,结构类型为双向板肋梁结构。
楼盖高度为300mm,设计荷载为500kN/m²。
2.结构设计方案2.1梁设计梁的尺寸设计应满足荷载承载能力和刚度要求。
根据楼盖跨度和设计荷载,选取适当的梁截面尺寸进行计算,考虑梁的自重和活载荷载对梁的弯矩和剪力产生的影响。
采用钢筋混凝土梁进行计算,按照规范确定梁的截面尺寸、配筋率和受力状况,计算出梁的受力情况和截面尺寸。
2.2板设计板的尺寸设计应满足荷载承载能力和刚度要求。
根据楼盖跨度和设计荷载,选取适当的板厚度进行计算,考虑板的自重和活载荷载对板的弯矩和剪力产生的影响。
采用钢筋混凝土板进行计算,按照规范确定板的截面尺寸、配筋率和受力状况,计算出板的受力情况和截面尺寸。
2.3肋设计肋的尺寸设计应满足荷载承载能力和刚度要求。
肋的数量和尺寸可根据板的尺寸和梁的布置来确定。
考虑肋的自重和活载荷载对肋的弯矩和剪力产生的影响,采用钢筋混凝土肋进行计算,按照规范确定肋的截面尺寸、配筋率和受力状况,计算出肋的受力情况和截面尺寸。
3.结构计算钢筋混凝土双向板肋梁楼盖的结构计算主要包括受力计算和尺寸设计两个方面。
受力计算包括梁、板和肋的弯矩和剪力等受力情况的计算,根据受力情况确定截面尺寸和配筋率。
尺寸设计包括梁、板和肋的尺寸计算,根据荷载承载能力和刚度要求确定合适的截面尺寸。
4.结构施工及验收钢筋混凝土双向板肋梁楼盖的施工过程需要严格按照设计图纸和施工规范进行,确保结构的安全和可靠。
施工过程中需要加强对梁、板和肋的质量控制,包括钢筋的焊接、混凝土浇筑、防水处理等工作。
施工完成后,需要进行结构验收,检查结构的尺寸、质量和安全性,并进行结构的监测和维护。
总结:钢筋混凝土双向板肋梁楼盖设计是一项复杂且重要的工作,需要合理选择结构形式、设计合适的构件尺寸和配筋率,确保结构的安全和可靠。
双向板设计例题某厂房双向板助梁楼盖的结构布置,如图2.42所示,支承梁截面为200×500mm 。
设计资料为:楼面活载k q =5.0kN/m 2,板厚选用100mm ,加上面层、粉刷等重量,楼板恒载k g =3.8 kN/m 2,混凝土强度等级采用C20,板中钢筋采用HPB235级钢筋。
试计算板的内力,并进行截面设计。
图2.42 结构平面布置图[解]1.按弹性理论设计 (1)设计荷载21.367.8/q kN m =⨯= 21.2 3.06 3.672/g kN m =⨯=23.6727.8/27.572/2qg kN m +=+= 2/2 3.9/q kN m =23.6727.811.472/g q kN m +=+=(2)计算跨度:直接取轴线间距离0c l l = (3)弯矩计算如前所述,计算跨中最大正弯矩时,内支座固定, 2q g +作用下中间支座固定;2q 作用下中间支座铰支。
跨中最大正弯矩为以上两种荷载产生的弯矩值之和。
本题考虑泊松比的影响。
支座最大负弯矩为当中间支座固定时g q +作用下的支座弯矩值。
各区板格的计算跨度值列于表2.14。
表2.14 双向板各截面的弯矩计算区格 A B 0102l l4.2/5.4=0.784.13/5.4=0.77跨内计算简图跨内0μ=1m()0.02817.050.0585 3.25 4.2⨯+⨯⨯6.85/kN m m =⋅()0.02187.050.0569 3.25 4.13⨯+⨯⨯5.78/kN m m =⋅2m()0.01387.050.0327 3.25 4.2⨯+⨯⨯3.59/kN m m =⋅()0.03277.050.0324 3.25 4.13⨯+⨯⨯5.73/kN m m =⋅0.2μ=1m μ()6.850.2 3.597.57/kN m m +⨯=⋅()5.780.2 5.73 6.93/kN m m +⨯=⋅ 2m μ ()3.950.2 6.85 4.96/kN m m +⨯=⋅()5.730.2 5.78 6.89/kN m m +⨯=⋅支座计算简图1'm0.067910.3 4.212.34/kN m m ⨯⨯=⋅0.081110.3 4.1314.25/kN m m ⨯⨯=⋅2'm 0.056110.3 4.210.19/kN m m ⨯⨯=⋅0.072010.3 4.1312.65/kN m m ⨯⨯=⋅区格C D 0102l l4.2/5.33=0.794.13/5.33=0.78跨内计算简图跨内0μ=1m()0.03187.050.0573 3.25 4.2⨯+⨯⨯7.24/kN m m =⋅()0.03227.050.0585 3.25 4.13⨯+⨯⨯7.12/kN m m =⋅2m()0.01457.050.0331 3.25 4.2⨯+⨯⨯3.70/kN m m =⋅()0.01437.050.0327 3.25 4.13⨯+⨯⨯5.53/kN m m =⋅0.2μ=1m μ()7.240.2 3.707.98/kN m m +⨯=⋅()7.120.2 3.537.83/kN m m +⨯=⋅ 2m μ ()3.700.27.24 5.15/kN m m +⨯=⋅ ()3.530.27.12 4.95/kN m m +⨯=⋅支座计算简图1'm0.072810.3 4.213.23/kN m m ⨯⨯=⋅ 0.090510.3 4.1315.90/kN m m ⨯⨯=⋅2'm 0.057010.3 4.210.36/kN m m ⨯⨯=⋅ 0.075310.3 4.1313.23/kN m m ⨯⨯=⋅由表2.14可见,板间支座弯矩是不平衡的,实际应用时可取相邻两区格支座弯矩的较大值作为支座的弯矩设计值。
双向板肋梁楼盖设计例题双向板肋梁楼盖是一种常用的楼盖结构形式,其设计涉及到多种因素。
下面为大家提供一个双向板肋梁楼盖设计例题。
设计要求:某个厂房的楼盖采用双向板肋梁结构,梁宽和跨度均为6m,楼盖荷载为300kg/m,柱高为3m,地震烈度为7度。
设计时应考虑活荷载、自重、楼盖承载力、板肋梁的刚度和稳定性等因素。
设计过程:1.确定梁底板厚度根据楼盖荷载和跨度,可确定梁底板厚度。
假定梁底板为C25混凝土,根据楼盖荷载Q=300kg/m,跨度L=6m,梁底板宽度b=600mm,可得梁底板厚度为:t = 0.1132L = 0.1132×6 = 0.6792m因此,梁底板厚度为0.68m。
2.确定梁高根据楼盖荷载和跨度,可确定梁高。
假定梁高为H,根据双向板肋梁楼盖的设计原则,有:H = 0.5L = 0.5×6 = 3m因此,梁高为3m。
3.确定板肋尺寸根据梁底板厚度和梁高,可确定板肋的尺寸。
假定板肋宽度为b1,板肋高度为h,根据板肋的刚度和稳定性要求,有:b1 = 0.1t = 0.1×0.68 = 0.068mh = 0.25H = 0.25×3 = 0.75m因此,板肋宽度为0.068m,板肋高度为0.75m。
4.确定梁的自重根据梁底板的尺寸和混凝土的密度,可计算出梁的自重。
假定混凝土的密度为γc=24kN/m,则梁的自重为:G = γcbt = 24×0.6×0.68 = 9.216kN/m5.确定梁的活荷载根据楼盖荷载和跨度,可计算出梁的活荷载。
假定楼盖荷载为q,根据跨度L和梁宽b,有:q = QLb = 300×6×0.6 = 1080kN因此,梁的活荷载为1080kN。
6.确定梁的承载力根据梁的尺寸、混凝土强度和钢筋配筋,可计算出梁的承载力。
假定梁底板和板肋的钢筋配筋率为ρ,混凝土的强度等级为C25,有: M = 0.36fckbt = 0.36×25×0.6×0.68 = 5.48MN·mAs = ρbt = ρ×0.6×0.68因此,梁的承载力为5.48MN·m。
§11.2 整体式双向板肋梁楼盖在肋梁楼盖中,如果梁格布置使区格板的长边与短边之比l2/l1≤2时,应按双向板设计,由双向板和支承梁组成的楼盖称双向板肋梁楼盖。
双向板肋梁楼盖与单向板肋梁楼盖的主要区别是双向板上的荷载沿两个方向传递,除了传给次梁,还有一部分直接传给主梁。
板在两个方向产生弯曲,产生内力。
双向板常用于工业建筑楼盖,公共建筑门厅部分以及横墙较多的民用建筑。
一、双向板的破坏特征及受力特点对于四边简支的双向板,在均布荷载作用下试验结果表明,当荷载增加时,第一批裂缝出现在板底中间部分,随后沿着对角线的方向向四角扩展。
当荷载增加到板接近破坏时,板面的四角附近出现垂直于对角线方向而大体上成圆形的裂缝。
这种裂缝的出现,促使板对角线方向裂缝的进一步发展,最后跨中钢筋达到屈服,整个板即告破坏。
二、双向板的弹性计算法弹性计算法是假定板为匀质弹性板,按弹性薄板理论为依据而进行计算的一种方法。
荷载在两个方向上的分配与板两个方向跨度的比值和板周边的支承条件有关。
板周边的支承条件分为七种情况:四边简支;一边固定,三边简支;两对边固定,两对边简支;两邻边固定,两邻边简支;三边固定,一边简支;四边固定;三边固定,一边自由。
1.单跨板的计算为方便计算,根据双向板两个方向跨度比值和支承条件制成计算用表(见附表D.2),从表中直接查得弯矩系数,即可求得单跨板的跨中弯矩和支座弯矩。
2.多跨连续双向板的计算当在同一方向区格的跨度差不超过20%时,可通过荷载分解将多跨连续板化为单跨板进行计算。
(1)求跨中最大弯矩求连续区格板某跨跨中最大弯矩时,其活荷载的最不利位置,即在某区格及其前后左右每隔一区格布置活荷载(棋盘式布置),则可使该区格跨中弯矩为最大。
为了求此弯矩,可将活荷载q与恒荷载g分解为g + q/ 2与±q/ 2两部分,分别作用于相应区格,其作用效果是相同的。
(2)求支座最大弯矩求支座最大弯矩时,活荷载最不利布置与单向板相似,应在该支座两侧区格内布置活荷载,然后再隔跨布置。
土木工程专业混凝土结构课程设计(双向板)学校名称: XX大学学生姓名:XXX学生学号:XXXXXXXXXX班级:土木工程目录1.设计背景 (1)1.1设计资料 (1)1.2 设计要求 (2)2.设计方案 (3)2.1板布置图 (3)2.2选用材料,地面的做法: (4)3.方案实施 (4)3.1板的计算 (4)3.1.1板的荷载 (6)3.1.2板的内力及配筋 (6)3.2 梁的计算 (10)3.2.1梁的荷载 (10)3.2.2梁内力计算 (12)3.2.3梁配筋计算 (13)3.2.3.1正截面受配弯筋计算 (13)3.2.3.2斜截面受配弯筋计算 (15)目录1 设计资料 (1)2 板的设计 (1)2.1 荷载 (2)2.2 内力计算 (2)2.3 截面承载力计算 (3)3 次梁设计 (3)3.1 荷载 (4)3.2 内力计算 (4)3.3 截面承载力计算 (5)4 主梁计算 (6)4.1 荷载 (7)4.2 内力计算 (7)4.3 截面承载力计算 (11)4.4 主梁吊筋计算 (13)多层工业厂房单向板肋梁楼盖1 设计资料某多层工业厂房设计使用年限为50年,安全等级为二级,环境类别为一类。
结构形式采用框架结构,其中梁柱线刚度比均大于3。
楼盖采用钢筋混凝土现浇单向板肋梁楼盖,厂房底层结构布置图见图1。
楼面做法、边梁、墙、及柱的位置关系见图2。
图1 底层结构布置图楼面活荷载标准值8kN/m 2,楼面面层为20mm 水泥砂浆,梁板的天棚抹灰为20mm 厚混合砂浆。
材料选用混凝土:采用C30(f c =14.3 N/mm 2)钢筋:梁的受力纵筋采用HRB335级钢筋(f y =300 N/mm 2),其余采用HRB300级钢筋(f y =270 N/mm 2)。
2 板的设计板按塑性内力重分布方法设计。
按刚度条件板厚要求取h=L/30=2000/30≈67mm ,工业厂房楼面最小厚度为70mm ,取板厚h=80mm 。
1.3.7 整体式双向板肋梁楼盖设计例题1.设计资料某厂房双向板肋粱楼盖的结构布置如图1.3.19所示,板厚选用100mm ,20mm 厚水泥砂浆面层,15mm 厚混合砂浆天棚抹灰,楼面活荷载标准值2 5.0kN/m q =,混凝土为C20(2c 9.6N/mm f =),钢筋为HPB300级(2y 270N/mm f =),支承粱截面尺寸200mm 500mm b h ⨯=⨯。
图1.3.19 结构平面布置图2.荷载计算(原理P47,恒荷载分项系数取1.2,可变荷载分项系数取1.3) 20mm 厚水泥砂浆面积 320.02m 20kN/m 0.40kN/m ⨯= 15mm 厚水泥砂浆天棚抹灰 320.015m 17kN/m 0.26kN/m ⨯= 板自重 320.10m 25kN/m 2.50kN/m ⨯= 恒荷载标准值 23.16 kN/m = 恒荷载设计值 22 g=3.16kN/m 1.2 3.8kN/m ⨯= 活荷载设计值 22 =5.0kN/m 1.3 6.5kN/m q ⨯= 合计: 2 =10.3kN/m p g q =+ 3.按弹性理论计算求跨截面最大正弯矩,按均布恒荷载及棋盘式布活载。
采用近似力分析方法:把棋盘式布置的活荷载分解为各区格板满布的对称荷载/2q 和区格板棋盘式布置的反对称荷载/2q ±。
对称荷载 2226.5 kN/m '=g+ =3.8 kN/m +=7.05 kN/m 22q g 反对称荷载 226.5 kN/m '=== 3.25 kN/m 22q q ±±± 在 'g 作用下,中间区格板的均可视为四面固定的单区格双向板,边区格板和角区格板的外边界支撑条件按实际情况确定,某些区格板跨最大正弯矩不在板的中心点处。
在 'q 作用下,中间区格板所有中间支座均视为铰支座,边区格板和角区格板的外边界支撑条件按实际情况确定,跨最大正弯矩则在中心点处。
计算时,可近似取二者之和作为跨最大正弯矩值。
求各中间支座最大负弯矩(绝对值)时,按恒荷载及活荷载均满布各区格板计算,取荷载210.3 kN/m p g q =+=按附录进行力计算,计算简图及计算结果见表1.3.1。
由表1.3.1可见,板间支座弯矩是不平衡的,实际应用时可近似取相邻两区格板支座弯矩的平均值,即表1.3.1 双向板弯矩计算A-B 支座 x '1(12.34kN m/m 14.25kN m/m)13.30kN m/m 2m =⨯-⋅-⋅=-⋅A-C 支座 'y 1(10.19kN m/m 10.36kN m/m)10.28kN m/m 2m =⨯-⋅-⋅=-⋅B-D 支座 x '1(12.65kN m/m 13.23kN m/m)12.94kN m/m 2m =⨯-⋅-⋅=-⋅A-D 支座 'y 1(13.23kN m/m 15.90kN m/m)14.57kN m/m 2m =⨯-⋅-⋅=-⋅考虑到多区格连续双向板在荷载作用下,由于四边支承梁的约束作用,双向板存在空间拱作用,所以,四周与梁整体连接的中间区格板A 的支座及跨截面的弯矩减少20%。
各跨、支座弯矩已求得,即可近似按s y 00.95mA f h =算出相应的钢筋截面面积,取跨及支座截面有效高度0x 0y 80mm,70mm h h ==,具体计算不再赘述。
4.按塑性理论计算 (1)弯矩计算 ①中间区格板A 计算跨度0x 0y 0y 0x4.2m 0.2m 4.0m5.4m 0.2m 5.2m 5.2m1.34.0ml l l n l =-==-==== 取210.60nα=≈,2β=。
采用弯起式钢筋,跨中钢筋在距支座0x /4l 处弯起一半作为支座负弯矩钢筋,在板0x 0x /4/4l l ⨯角隅区将有一半钢筋弯至板顶部而不再承受正弯矩,故得跨及支座塑性铰线上的总弯矩为0x x 0y x x x y 0x x x x'''x x 0y x x x '''y y 0x x x x4.0()(5.2) 4.244330.6 4.0 1.8442 5.210.40.62 4.0 4.8l M l m m m M l m m m M M l m m m M M l m m m αβαβ=-=-===⨯⨯====⨯====⨯⨯=代入公式(1.3.14),由于区格板A 四周与梁连接,力折减系数0.8,由2''''''0xx y xxyy0y 0x 22(3)12pl M M M M M M l l +++++=-2x x x x 0.810.3 4.02 4.22 1.8210.42 4.8(3 5.2 4.0)kN m/m 12m m m m ⨯⨯⨯+⨯+⨯+⨯=⨯⨯-⋅故得x y x '''xxx '''y y y 3.01kN m/m0.6 3.01kN m/m 1.81kN m/m 2 3.01kN m/m 6.02kN m/m2 1.81kN m/m 3.62kN m/m m m m m m m m m m αββ=⋅==⨯⋅=⋅===⨯⋅=⋅===⨯⋅=⋅②边区格板B 计算跨度0x n 0y n 0y 0x 0.20.14.2m m 0.12m m 4.03m 2225.4m 0.2m 5.2m 5.2m1.294.03mh l l l l l n l =+=--+===-==== 由于B 区格为三边连续一边简支板,无边梁,力不作折减,又由于长边支座弯矩为已知,'x6.02kN m/m m =⋅,则 0x x 0y x x x y 0x x x x''''x 0y x '''y y 0x x x x4.03()(5.2) 4.1944330.6 4.03 1.81445.2m 6.02kN m/m 31.30kN m,00.62 4.03 4.84x l M l m m m M l m m m M l m M M M l m m m ααβ=-=-===⨯⨯===⨯⋅=⋅====⨯⨯=代入基本公式(1.3.14),2''''''0xx y xxyy0y 0x 22(3)12pl M M M M M M l l +++++=-2x x x 10.3 4.032 4.192 1.8131.3kN m/m 2 4.8(3 5.2 4.03)kN m/m12m m m ⨯⨯+⨯+⋅+⨯=⨯⨯-⋅故得x y x '''y y y 3.04kN m/m0.6 3.04kN m/m 1.82kN m/m2 1.82kN m/m 3.64kN m/mm m m m m m αβ=⋅==⨯⋅=⋅===⨯⋅=⋅③边区格板C 计算跨度0x n 0y n 0y 0x 4.2m 0.2m 4.0m 0.20.15.4m m 0.12m m 5.23m 2225.23m 1.314.0ml l h l l l n l ==-==+=--+==== 由于C 区格为三边连续一边简支板,无边梁,力不作折减,又由于短边支座弯矩为已知,'y 3.62kN m/m m =⋅,则0x x 0y x x x y 0x x x x'''x x 0y x x x ''''y 0x y y 4.0()(5.23) 4.2344330.6 4.0 1.8442 5.2310.464.0m 3.62kN m/m 14.48kN m,l M l m m m M l m m m M M l m m m M l m M αβ=-=-===⨯⨯====⨯===⨯⋅=⋅=代入基本公式(1.3.14),由2''''''0xx y xxyy0y 0x 22(3)12pl M M M M M M l l +++++=-2x x x 10.3 4.02 4.232 1.8210.4614.48kN m/m (3 5.23 4.0)kN m/m12m m m ⨯⨯+⨯+⨯+⋅=⨯⨯-⋅故得x y x '''x x x 4.43kN m/m0.6 4.43kN m/m 2.66kN m/m2 4.43kN m/m 8.86kN m/mm m m m m m αβ=⋅==⨯⋅=⋅===⨯⋅=⋅④角区格板D 计算跨度0x n 0y n 0y 0x 0.20.14.2m m 0.12m m 4.03m 2220.20.15.4m m 0.12m m 5.23m 2225.23m 1.34.03m h l l h l l l n l =+=--+==+=--+====由于D 区格为两边连续两边简支板,无边梁,力不作折减,又由于长边支座弯矩为已知,'x3.64kN m/m m =⋅,短边支座弯矩为已知,'8.86/y m kN m m =⋅,则0x x 0y x x x y 0x x x x''''x 0y x ''''y 0y 4.03()(5.23) 4.2244330.6 4.03 1.81445.23m 8.86kN m/m 46.34kN m,04.03m 3.64kN m/m 14.67kN m,y x y l M l m m m M l m m m M l m M M l m M α=-=-===⨯⨯===⨯⋅=⋅===⨯⋅=⋅= 代入基本公式(1.3.14),由2''''''0xx y xxyy0y 0x 22(3)12pl M M M M M M l l +++++=-2x 10.3 4.032(4.22 1.81)(46.3414.67)kN m/m (3 5.23 4.03)kN m/m 12m ⨯⨯+++⋅=⨯⨯-⋅故得x 8.42kN m/m m =⋅7.23kN m/m ⋅()y x 0.68.42kN m/m 5kN m/m .05m m α==⨯⋅=⋅ 4.34kN m/m ⋅()(2)配筋计算各区格板跨及支座弯矩已求得,取截面有效高度0x 0y 80mm,70mm h h ==,按s y 00.95mA f h =计算钢筋截面面积,计算结果见表1.3.2,配筋图见图1.3.20。