220KV变电所一次系统设计
- 格式:docx
- 大小:11.35 KB
- 文档页数:3
目录课程设计任务书 (3)1 电气主接线设计 (6)1.1 主接线设计要求 (6)1.2 主接线基本接线方式 (7)1.3 主接线的接线方案确定 (12)2 主变压器选择 (16)2.1 主变压器的选择原则 (16)2.2 主变压器台数的选择 (16)2.3 主变压器容量的选择 (17)3 短路电流计算 (20)3.1 概述 (20)3.2 短路电流计算目的 (20)3.3 短路电流计算基本假设 (20)3.4 各元件电抗标么值计算 (21)3.4.1 各电气元件标幺值的计算 (21)3.4.2 线路标幺电抗总图及化简图 (21)3.5 系统最大运行方式下短路电流计算 (23)3.5.1最大最小运行方式的含义 (23)3.5.2 220KV侧短路计算 (23)3.5.3 110KV侧短路计算 (25)3.5.4 10KV侧短路计算 (27)4 主要电气设备选择 (30)4.1 概述 (30)4.1.1 按正常工作条件选电气设备 (30)4.1.2 按短路状态进行校验 (31)4.2 高压断路器的选择 (32)4.2.1 220KV侧断路器的选择 (33)4.2.1 110KV侧断路器的选择 (34)4.2.2 10KV侧断路器的选择 (35)4.3 隔离开关的选择 (36)4.3.1 220KV侧隔离开关的选择 (37)4.3.1 110KV侧隔离开关的选择 (38)4.3.2 10KV侧隔离开关的选择 (39)4.4 母线的选择 (40)4.4.1 220KV侧母线的选择 (41)4.4.1 110KV侧母线的选择 (42)4.4.2 10KV侧母线的选择 (43)4.5 互感器的选择 (49)4.5.1 电流互感器选择依据 (50)4.5.2 电流互感器的选择 (51)4.5.3电压互感器的选择依据 (54)4.5.4电压互感器选择 (55)5 防雷及接地体设计 (57)5.1 概述 (57)5.2防雷保护的设计 (57)5.3 接地装置的设计 (58)5.4 主变压器中性点间隙保护 (58)5.5 变电所防雷设计 (59)6. 设计总结 (60)参考文献 (61)附录1 主要设备选择汇总表 (62)成绩评定表 (63)课程设计任务书表二 10KV 用户负荷统计资料序号 用户名称 最大负荷 (kW) cos φ 回路数重要负荷百分数 (%) 1矿机厂 1800 0.95 2 622机械厂 1900 0.95 2 3汽车厂 1700 0.95 2 4电机厂 2000 0.95 2 5炼油厂 2200 0.95 2 6 饲料厂 800 0.95 2 3、待设计变电所与电力系统的连接情况待设计变电所与电力系统的连接情况如图所示。
220kV变电站控制部分设计(一次系统)本文档旨在介绍220kV变电站控制部分设计的一次系统。
1. 引言
220kV变电站是电力系统中重要的组成部分,用于变换电压级别,以便输送电能。
本文档将重点关注变电站的控制部分设计,特
别是一次系统。
2. 一次系统设计要求
一次系统作为变电站的重要组成部分,需要满足以下设计要求:- 输入电压范围:220kV
- 系统可靠性:高可靠性,确保电力传输的稳定和安全
- 控制手段:可远程操作和监控
3. 一次系统设计方案
基于上述设计要求,我们提出以下一次系统设计方案:
- 输入电压检测:使用高精度的电压传感器进行输入电压的实
时监测,确保控制系统能够准确获取电压信息。
- 保护装置设计:设计适当的保护装置,用于检测和响应异常情况,如电压过高或过低等。
保护装置应能够迅速切断电路并保护设备的安全。
- 远程操作与监控:设计远程控制与监控系统,使操作人员能够通过网络远程监控和操作一次系统。
该系统应具备实时数据传输和远程故障诊断功能。
- 人机界面:设计直观友好的人机界面,使操作人员能够方便地监控一次系统的状态并进行必要的操作。
4. 结论
通过以上设计方案,我们可以实现对220kV变电站控制部分的一次系统进行高可靠性的设计。
该设计方案满足输入电压要求,并具备远程操作与监控功能,可有效保障变电站的安全和稳定运行。
以上是220kV变电站控制部分设计(一次系统)的文档内容,希望对您有所帮助。
220kV变电站一次设计
介绍
本文档旨在对220kV变电站一次设计进行概述和分析。
其中包括变电站的基本概念、设计要求和关键考虑因素,以及必要的技术规范和安全措施等内容。
变电站基本概念
变电站定义
变电站是用于将电能从高压输电线路转换为适用于配电系统和用户的低压电能的设施。
变电站分类
- 220kV变电站属于高压变电站,通常用于传输长距离和大功率的电能。
- 一次设计指的是该变电站的主要设备和布置设计。
设计要求和关键考虑因素
设计要求
- 220kV变电站应满足电力系统的可靠性和稳定性要求。
- 设计应考虑变电站的安全运行、维护和管理。
- 考虑变电站的扩容和可持续发展。
关键考虑因素
- 变电站的布局和场地选择。
- 电力系统负荷计算和容量规划。
- 主要设备的选型和配置。
- 系统的绝缘和接地设计。
- 保护和自动化系统的设计。
- 安全和环境保护要求的满足。
技术规范和安全措施
技术规范
- 设计应符合相关的电力行业标准和规范要求。
- 按照国家或地方的法律法规执行。
安全措施
- 设计中应考虑安全运行和保护人员的要求。
- 按照相关安全规程对设备和系统进行检测和测试。
总结
本文档对220kV变电站一次设计进行了简要介绍,并提出了设计要求、关键考虑因素、技术规范和安全措施等方面的内容。
在进行设计时,应遵循相关规范和标准,保证变电站的可靠性、安全性和可持续性发展。
220kV变电站电气一次部分设计1. 引言本文档旨在提供关于220kV变电站电气一次部分设计的详细信息。
电气一次部分是变电站中负责传输和配电电能的重要组成部分。
在设计过程中,需考虑到设备的安全性、可靠性和高效性。
2. 设计概述- 设计名称:220kV变电站电气一次部分设计- 设计目标:确保电能传输稳定可靠,满足负荷需求- 设计范围:涵盖变电站内各种电气设备、电缆系统、保护装置等3. 设计要求- 安全性:电气设备应符合相关安全标准,保证人员安全操作- 可靠性:设备应具备高可靠性,减少停电风险- 高效性:优化电能传输和配电系统,提高能源利用效率4. 设计内容4.1 电源与负荷计算根据变电站负荷需求和供电条件,进行电源及负荷计算,确保电能供应的稳定性和可靠性。
4.2 设备选型根据负荷计算结果和供电要求,选择合适的电力设备,包括变压器、断路器、接地装置等。
考虑设备的额定电压、电流容量以及负载特性。
4.3 电缆系统设计设计电缆系统,包括电缆选择、敷设方式、保护措施等。
确保电缆系统的安全可靠,并满足负荷需求。
4.4 保护装置设计针对不同设备和电力系统进行保护装置的设计。
包括过载保护、短路保护、接地保护等。
确保设备在故障情况下可以迅速断开电路,保护设备和人员的安全。
4.5 控制与监测系统设计设计控制与监测系统,用于监控电气设备的状态和运行情况。
确保及时获取设备信息,以便进行操作和维护。
5. 设计标准本设计将参照国家相关标准和规范,确保设计结果符合行业要求和安全标准。
6. 结论本文档介绍了220kV变电站电气一次部分设计的概要内容。
该设计将关注设备安全、可靠性和高效性,并参照行业标准进行。
通过合理的电源和负荷计算、设备选型、电缆系统设计、保护装置设计以及控制与监测系统设计,我们将确保220kV变电站的电能传输稳定可靠。
某220KV区域性变电所一次系统初步设计
本设计变电所以110KV向地区负荷供电,除220KV电压与系统联络之外,110KV电压的部分出线也与系统有联系.
一、变电所的规模
近期设主变为2×120MVA,电压比为220/121/,容量比为100/100/50,本期工程一次建成,设计中留有扩建的余地:
调相机为2×60MVAR,本期先建成一台。
220KV出线本期5回,最终8回;
110KV出线共10回,一次建成
所用电按调相机的拖动设备为主来考虑。
二、系统负荷功率因数为,最大负荷利用小时数为5300小时,同时率为,每回最大负荷
为:
第一回(九江I)输送200MW
第二回(九江II)输送200MW
第三回(柘林)输送180MW
第四回(昌东)输送150MW
第五回(南昌电厂)输送100MW
第六回(西效I)
第七回(西效II)
第八回(备用)
1、。
《发电厂电气部分》课程设计220kV变电站电气一次部分设计指导老师:学院名称:工程学院专业班级:目录变电站电气一次部分设计说明书 (4)一、原始资料 (4)二、电气主接线设计 (5)2.1电气主接线的概述 (5)2.2电气主接线的基本要求 (5)2.3电气主接线设计的原则 (5)2.4方案预定 (5)2.5方案选择 (5)2.6电气主接线图 (6)三、主变的选择 (7)3.1主变压器的选择原则 (7)3.2主变压器容量的确定 (9)四、站用电设计 (10)4.1站用变压器的选择 (10)4.2站用电接线 (10)五、高压电气设备选择 (11)5.1高压断路器的选择及校验 (11)5.2隔离开关的选择与校验 (12)5.3电流,电压互感器的选择及校验 (13)5.4高压熔断器的选择及校验 (15)5.5母线选择及校验 (16)六、防雷及过电压保护装置设计 (17)6.1变电站直击雷防护 (18)6.2侵入波过电压防护 (18)6.3进线段保护 (18)6.4接地装置设计 (18)变电站电气一次部分设计计算书 (20)一、负荷计算 (20)二、短路电流计算 (20)三、电气设备选择及校验计算 (24)3.1断路器的选择 (24)3.2隔离开关的选择 (31)3.3电流互感器的选择 (33)3.4电压互感器的选择 (35)3.5高压熔断器的选择 (36)3.6母线的选择 (36)四、防雷保护计算 (39)4.1 避雷针的选择 (39)4.2 避雷器的选择 (41)4.3 接地电阻 (42)变电站电气一次部分设计说明书一、原始资料220kV地区变电站电气一次部分设计原始资料一、地区电网的特点本地区变电站通过三回线(架空线50km)从系统获取电能,(每回架空线的单位长度等值电抗=0.5欧/km)二、建站规模(1)变电站类型:220kV变电工程(2)电压等级:220kV 、110kV、35kV三、环境条件变电所位于某城市,地势平坦,交通便利,空气较清洁,区平均海拔300米,最高气温36℃,最低气温-18℃,年平均雷电日45日/年,土壤电阻率高达800 .M四、电气主接线要求尽量考虑设置熔冰措施五、短路阻抗系统作无穷大电源考虑电气主接线设计二、电气主接线设计2.1电气主接线的概述电气主接线是由电气设备通过连接线,按其功能要求组成接受和分配电能的电路,成为传输强电流、高电压的网络,故又称为一次接线或电气主系统。
220KV变电站一次部分设计1.前言本课题研究的是220KV变电站一次部分设计。
变电站是电力系统的重要组成部分,它直接影响了电力系统的安全与经济运行,是联系发电厂和用户的中间环节,起着交换和分配电能的作用。
这就要求变电站的一次部分设计的经济合理,采取合理的电气主接线形式,采用合适电气设备的数量和质量,变电站平面布置和配电装置也要符合国家规定标准,只有这样变电站才能正常的运行工作,为国民经济服务。
由于现代科学技术的发展,电力网容量的增大,电压等级的提高,综合自动化水平的需求,使变电所设计问题变得越来越复杂,除了常规变电所之外,还出现了微机变电所、综合自动化变电所、小型化变电所和无人值班变电所等。
当前随着我国城乡电网建设与改造工作的开展,对变电所设计也提出了更高更新的要求。
设计说明书2.主变压器的选择2.1主变压器形式的选择2.1.1相数的确定330KV及以下的电力系统中,在不受运输条件限制的情况下,一般选用三相变压器。
因为单相变压器组相对投资大,占地多,运行损耗较大,配电装置结构复杂,维修的工作量大。
2.1.2绕组数的确定当三绕组变压器的每个绕组的通过容量达到该变压器的额定容量的15%以上时才采用三绕组变压器。
否则,绕组未能充分利用,反而不如选用2台双绕组变压器在经济上更加合理。
2.2主变压器容量和台数的确定2.2.1变电所主变压器容量的确定(1)主变压器的容量,一般应按5-10年的规划负荷来选择,并适当考虑10-30年的发展,根据城市规划,负荷性质,电网结构等综合考虑确定其容量。
(2)装有两台以上的变压器的变电所,应考虑到当一台主变停运时,其余主变的容量满足70%-80%的全部负荷,并应满足一类及二类负荷的供电。
由上述两点得出一台主变压器容量应满足:根据任务书:10KV侧的负荷为: Pmax=100MW 功率因数为:0.85110KV侧出线负荷Pmax=20MW 功率因数为0.85总的负荷为:Pmax=100+20=120MW总的容量为:Smax=Pmax/cosø=120/0.85=141MVA这样根据公式,考虑到变压器的本身损耗容量还应有5%的裕度.这样变压器的容量为S变=0.75⨯K0⨯Smax(1+5%) 其中K0为同时率,一般取0.9.所以S主=0.75⨯0.9⨯141⨯1.05=100MV A所以根据容量选择两台SSPSL-的三相有载调压变压器。
220kV变电站一次系统设计探讨随着人们生活水平的不断提高,对电力的需求可谓与日俱增。
大型水力、火力发电厂发出的电流通过高压变电站输送,走进千家万户。
由此可见,220kV高压变电站是电力系统中的重要组成部分之一,其通过变换、分配和控制电压,根据需要升高或降低电压,进行功率转换,保证着城镇人民的生活需求。
变电站的设计在很大程度上会影响电网的可靠性,一旦变电站出现故障,整个电力系统的运行将会受到严重影响。
对变电站的设计一般分为一次和二次2个部分,其中一次设计主要有主接线设计、电气设备选择、接地及防雷设计等内容。
以下将针对这几方面的内容进行重点分析,给出220kV高压变电站的一次设计要点,为电网建设提供参考依据。
1.220kv变电站电气一次系统重要作用近些年我国的电力系统发展比较迅速,对于变电站的应用与优化也逐渐提高,这对电网的使用安全与稳定具有重要的意义。
但是我国的变电站一次设备与系统还是存在一定的问题与缺陷。
这些问题极易造成安全事故的发生,从而给社会的发展带来严重的损失。
所以,为了提高变电站的一次回路与设备的安全,需要科学地对电气一次系统进行合理的设计与应用。
全面考虑各种影响因素的危害,保证电气一次系统设计的科学性,从而在实际的一次系统应用中发挥最大的作用,为变电站的整体运行提供坚实的基础。
2.220kV变电站一次系统设计的原则变电站设计是城市电网建设中的重点内容,为保证城市用需要遵循的原则主要有充足的变电容量。
对于城市电网建设,变电站的变电容量不仅要满足目前城市的供电需求,也要考虑到该区域中长期规划所预测的电力需要。
(2)结构紧凑,占地面积小。
在城市建设中,土地资源十分宝贵,变电站作为服务于城市的电网设备应尽量减小占地面积,减轻城市负担。
(3)可靠性高。
基于变电站的工作性质,必须保证其具有较高的可靠性,只有这样才能保证城市的安全平稳用电。
较高的自动化程度以及较低的通信误码率是保证变电站可靠性的必要条件。
目录第一部分设计说明错误!未定义书签。
前言 (1)第1章电气主接线选择 (2)1.1. 概述 (2)1.2.主接线的接线方式选择 (3)第2章主变压器容量、台数及形式的选择 (3)2.1.概述 (3)2.2.主变压器台数的选择 (4)2.3.主变压器容量的选择 (4)2.4.主变压器型式的选择 (4)第3章短路电流计算 (6)3.1.概述 (6)3.2.短路计算的目的及假设 (6)第4章电气设备的选择 (7)4.1 概述 (7)4.2.断路器的选择 (9)4.3.隔离开关的选择 (10)4.4.母线的选择 (10)4.5.支持绝缘子及穿墙套管的选择 (11)4.6.限流电抗器的选择 (12)第5章电气总平面布置及配电装置的选择 (13)5.1 概述 (13)5.2 高压配电装置的选择 (14)第6章继电保护配置规划 (16)第7章防雷及接地装置设计选择 (17)7.1.概述 (17)7.2.防雷保护的设计 (18)7.3.主变中性点放电间隙保护 (19)第8章主接线比较选择 (20)8.1.方案一 (20)8.2. 方案二 (20)第10章短路计算 (23)第11章电气设备选型计算 (30)11.1. 主要电气设备选型计算依据 (30)11.2. 断路器选型计算 (30)11.3 隔离开关选型计算 (36)11.4.220kV、110kV主母线及10kV主变低压侧母线桥导体选择计算 (37)11.5.10kV最大一回负荷出线电缆 (41)11.6.支持绝缘子及穿墙套管的选择 (42)11.7.限流电抗器 (43)第12章继电保护规划设计 (43)12.1.变电站主变保护的配置 (43)12.2.220、110、10kV线路保护部分 (44)第13章避雷器参数计算与选择 (44)第14章接地电阻、接地装置、避雷针保护范围计算 (46)14.1.接地电阻选型计算 (46)14.2.接地装置的选型计算 (46)14.3.避雷针保护范围的计算 (46)第15章参考资料 (46)前言本设计为广东工业大学2005级电气工程及自动化专业的电力系统课程设计,设计题目为:220kV降压变电站电气一次部分设计。
电信学院毕业设计任务书题目220KV变电所电气一次部分设计—含短路电流计算程序设计学生姓名班级学号题目类型工程设计指导教师张晓英系主任一、毕业设计的技术背景和设计依据:某地区地方负荷增长很快,原来的供电方案已难以满足当地用户用电需求,急需新建一座220KV变电所,从而缓解供电部门的供电压力。
完善和加强220KV电网功能,提高电网安全运行水平和供电可靠性。
同时考虑未来10年的的负荷发展问题。
1.变电所建设规模:(1)变电所电压等级为:220/110/10KV(2)10KV电压等级:电缆馈线16回,本期上12回,备用4回。
每回平均传输容量2MW,最大负荷30MW,最小负荷20MW, cosφ=0.8,Tmax=5000h/a。
一、二类负荷占50%。
(3)110KV电压等级:架空出线8回,每回平均传输容量25MW,最大负荷200MW,最小负荷150MW,cosφ=0.85,Tmax=6000h/a。
一、二类负荷占70%。
(4)220KV电压等级:系统采用4条220KV线路向本所供电.系统为无穷大系统。
2.气象条件:年最高温度40度,平均温度25度,年平均雷暴日为38日,气象条件一般。
二、毕业设计的任务1、熟悉题目要求,查阅相关科技文献2、主接线方案设计(包括方案论证与确定、技术经济分析等内容)3、无功补偿设计, 选择主变压器4、短路电流手工计算5、短路电流计算机计算6、电气设备的选择7、配电装置设计8、防雷保护设计9、撰写设计说明书,绘制图纸10、指定内容的外文资料翻译三、毕业设计的主要内容、功能及技术指标主要内容:1.确定主接线:根据设计任务书,分析原始资料与数据,列出技术上可能实现的2—3个方案,经过技术经济比较,确定最优方案。
2.无功补偿设计:确定无功补偿方案,并计算补偿容量。
3.选择主变压器:选择变压器的容量、台数、型号等。
4.短路电流计算:根据电气设备选择和继电保护整定的需要,选择短路计算点,绘制等值网络图,通过手工和计算机分别计算对称和不对称短路时的短路电流,并列表汇总。
220kV变电站一次侧电气部分方案设计摘要电力工业是国民经济的基础,是重要的支柱产业,它与国家的兴衰和人民的安康有着密切的关系,随着经济的发展和现代工业的建设的迅速崛起,供电系统的设计越来越全面。
工厂用电量迅速增长,对电能质量、技术经济状况、供电的可靠性指标也日益提高,因此对供电设计也有了更高、更完善的要求。
变电所及配电系统设计的优劣是变电所得以运行的根本。
本设计做的是220KV变电站一次侧电气部分的设计。
论文中首先对提供的原始负荷资料进行分析,通过负荷的计算确定变电站主变容量及台数。
然后通过短路计算,参考总降变电所所在地的气象条件和其他有关资料,确定变电所位置、导线型号。
通过计算所得的短路电流值对断路器、电流互感器、电压互感器等高压电气设备进行选择。
最后进行防雷接地设计。
本设计实现了主变及电气设备的选择,对今后进一步设计起到引导作用。
关键词:变电站;负荷计算;短路电流;设备选择Primary of The Electrical Part for220KV Substation DesignAbstractThe power industry is the basis of the national economy,which is an important pillar industry, the rise and fall with the State and people closely related to the well-being, along with economic development and the rapid development of modern industry rise, more and more power supply system design comprehensive, rapid growth of plant consumption for power quality, technical and economic conditions, reliability of electricity supply are increasing, and therefore also have higher power supply design, better requirements.The factory power supply system design fit and unfit quality are the bases which the enterprise can move. The design discussion is one side of electrical part of 220KV substation design. In the design, I analysis the original load data first, then calculate the electricity load to determine the capacity and quantity of main transformer which substations need. Next, through short-circuits the computation, refers to the factory locus the meteorological condition and other pertinent dates, then may determine the transformer substation the position, the wire model. I choose the electrical device such as the circuit breaker,the current transformer and the potential transformer through the short-circuit .In the end, I design the lightning protection.The design implement of the main transformer and electrical equipment selection, it is important for the design of the future and it plays a guiding role in the further.Key words: substation; short-circuit current; equipment selection; distribution equipment目录论文总页数:29页1 引言 (5)2 负荷计算和主变压器的选择 (5)2.1 主变压器的选择原则 (5)2.2 负荷计算 (6)2.3主变压器选择结果 (7)3 电气主接线的设计 (7)3.1 电气主接线的概述 (7)3.2 电气主接线的基本要求和设计的原则..............................................错误!未定义书签。
220kV变电站通信部分设计(一次系统)
介绍
本文档旨在提供关于220kV变电站通信部分设计的详细信息。
通过设计一次系统,我们可以确保变电站内部的通信正常运行,并实现对外部系统的连接。
设备要求
- 一次系统的设计应满足220kV变电站的通信需求。
- 设备应符合相关的通信标准和安全要求。
主要设计考虑因素
1. 通信协议:选择适合变电站的通信协议,以实现与其他系统之间的数据传输。
2. 网络拓扑:设计变电站内部的网络拓扑,以便所有通信设备都能连接到统一的网络中。
3. 通信设备:选择合适的通信设备,如交换机、路由器、防火墙等,以保证数据传输的稳定性和安全性。
4. 数据传输方式:确定数据传输方式,如有线或无线,以满足变电站内不同设备之间的通信需求。
5. 数据安全:设计安全措施,以保护通信数据的机密性和完整性,防止未经授权的访问和数据泄露。
配置要求
1. 配置合适的网络设备,确保网络连接的稳定性和可靠性。
2. 配置网络拓扑,包括各个通信设备的连接方式和布局。
3. 配置适当的通信协议和数据传输方式,以满足变电站的通信需求。
4. 配置网络安全措施,包括防火墙、访问控制和加密等,确保通信数据的安全性。
结论
本文档提供了关于220kV变电站通信部分设计的详细信息。
通过设计一次系统,我们可以确保变电站内部的通信正常运行,并实现对外部系统的连接。
在配置网络设备和安全措施时,需要遵循相关的通信标准和安全要求。
220kV变电站电气一次系统设计摘要变电站是电力系统的一个重要组成部分,由电器设备及配电网络按一定的接线方式所构成,他从电力系统取得电能,通过其变换、分配、输送与保护等功能,然后将电能安全、可靠、经济的输送到每一个用电设备的专设场所。
作为电能传输与控制的枢纽,变电站必须改变传统的设计和控制模式,才能适应现代电力系统、现代化工业生产和社会生活的发展趋势。
随着计算机技术、现代通讯和网络技术的发展,为目前变电站的监视、控制、保护和计量装置及系统分隔的状态提供了优化组合和系统集成的技术基础。
220kV变电站属于高压网络,该地区变电所所涉及方面多,考虑问题多,分析变电所担负的任务及用户负荷等情况,选择所址,利用用户数据进行负荷计算,确定用户无功功率补偿装置。
同时进行各种变压器的选择,从而确定变电站的接线方式,再进行短路电流计算,选择送配电网络及导线,进行短路电流计算。
选择变电站高低压电气设备,为变电站平面及剖面图提供依据。
本变电所的初步设计包括了:(1)总体方案的确定;(2)短路电流的计算;(3)高低压配电系统设计与系统接线方案选择;(4)防雷保护等内容。
关键词:变电站;输电系统;配电系统;高压网A DESIGN OF ELETRIC SYSTEM FOR220KV STEP-DOWN TRANSFORMERSUBSTATIONABSTRACTThe substation is an importance part of the electric power system, it is consisted of the electric appliances equipments and the Transmission and the Distribution. It obtains the electric power from the electric power system, through its function of transformation and assign, transport and safety. Then transport the power to every place with safe, dependable, and economical. As an important part of power’s transport and control, the transformer substation must change the mode of the traditional design and control, then can adapt to the modern electric power system, the development of modern industry and the of trend of the society life.The region of 220-voltage effect many fields and should consider many problems. Analyse change to give or get an electric shock a mission for carrying and customers carries etc. circumstance, choose the address, make good use of customer data proceed then carry calculation, ascertain the correct equipment of the customer. At the same time following the choice of every kind of transformer, then make sure the line method of the transformer substation, then calculate the short-circuit electric current, choosing to send together with the electric wire method and the style of the wire, then proceeding the calculation of short-circuit electric current. This first step of design included:(1) ascertain the total project (2) the calculation of the short-circuit electric current . (3) the design of an electric shock the system design to connect with system and the choice of line project .(4) the contents to defend the thunder and so on.Key words:substation; transmission system; distribution; high voltage network.前言目前,我国城市电力网和农村电力网进行大规模的改造,与此相应,城乡变电所也正不断的更新换代。
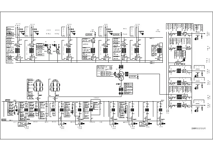
220KV变电所一次系统设计
220KV变电所一次系统设计
一、变电所概述
220KV变电所是电力系统中重要的一环,其一次系统是
输电和配电系统之间的枢纽部分,主要任务是实现高压电
能的输送和变换,保证电网的运行安全和电能的质量。
本
文将从220KV变电所一次系统的设计入手,介绍其构成和
相应技术参数。
二、变压器
变压器是变电所一次系统的核心设备,主要是用于实现
电能的变换,将高压输电线路的电能通过变压器变成低压
电能再输送到配电系统。
220KV变电所需要为变电所及所连
接区域提供稳定的电能供应,因此,在变压器的选择上需
要注意以下几点。
1、变压器额定容量及转换比
变压器的额定容量和转换比直接关系到变电所的容量和
输电线路参数,应根据变电所负荷及输电线路容量和长度
进行选择。
2、冷却方式
变压器通常分为油浸式和干式两种类型。
油浸式变压器
相对于干式变压器更稳定,运行时间更长。
缺点是损耗大
易发生故障,维护难度高。
干式变压器则无油漏问题,易
于维护和安装,但价格相对较高,使用寿命相对较短。
3、直联或分接
变压器通常有直联型和分接型。
直联型变压器在使用时,需要考虑各个放置位置之间的配合,以及使用的调整方式。
分接型变压器具有可调的变比比例,可增加电能利用率,
适合用于负荷变化较大的区域。
三、断路器
断路器是在220KV输电线路和变电站、变电站内部的高
压配电线路中起着很重要的作用。
一次电流在正常状态下
通路状态是一条完整的电路,而在出现故障时,断路器则
可以快速地将出现故障的环节切断,保证整个电路的安全。
因此,建设220KV变电站,必须有一套高质量、高可靠性
的断路器配合在变压器及其他设备使用中。
四、隔离开关
220KV变电所的一次电源与高压线路之间需要安装隔离
开关,以方便进行设备的维护和换线操作。
隔离开关一般
具有可靠性、操作方便、外观美观的特点。
此外,隔离开
关也能够实现电缆和电缆之间的隔离,以根据需要增加或
减少线路的数量。
五、接地开关
220KV变电站为保证运行安全,必须安装接地开关,用
于配电计算中的接地,对于发生设备无法停电、需要进行
维护和巡检时也可以直接开通接地开关,确保安全。
电站
内的大型接地开关,安装位置通常是在变电站与地面之间
的接点处,以便快速、高效地接地。
六、母线系统
220KV变电所的母线系统是输电系统与配电系统之间的
桥梁。
母线系统需要具备高可靠性、耐腐蚀性、高磁场可
承受能力等特点。
母线系统的架构和电缆数量各不相同,
需根据具体情况灵活设计。
为了确保其运行质量,母线系
统需要选用的合格的连接器材,合理分配放电、补偿以及
防雷的装置。
七、结论
以上是针对220KV变电站一次系统的设备和技术参数进行详细介绍,其中各设备之间的联系和相互作用,考虑到现实情况及完整电力系统传输的要求,细节以实际工程为准。
综上所述,设备的配置和技术参数应根据变电站编制设计方案,经过计算和论证后进行选择,确保电网运行的安全和稳定性。