螺旋输送机计算器
- 格式:xls
- 大小:47.00 KB
- 文档页数:3
提升机功率计算公式:P=0.005xQxHS1=1500-2500S2=S1+q0gL(w`cosα-sinα)S3=S2+0.1S2+Cqg (链条)S3=S2+(2.05S2-q1g)df/D+KBi (胶带)S4=S3+(q+q0)gL(w`cosα+sinα)W4-1=2.1S4d’f1/D1+(2.1S4+q2g)d1f2/D1 (胶带)W4-1=2.05S4 +q3g)d2f3/D2+ KBi (链条)F=S4-S1+W4-1P0=Fv/1000P=K1P0/η螺旋输送机:P0=Q(w0L+H)/367+DL/20高输送机动力计算简易公式(修正版)皮带机斗提机刮板机螺旋机功率计算简易公式酒风 jiufng 2010.4.20产量:Q t/h长度:L m垂直提升高度:H m电机功率:N kW1、刮板机N=0.003QL+0.004QH+1.52、提升机N=0.005QH+1.53、螺旋机N=0.01QL+0.004QH+1.54、皮带机N=(0.00025~0.0006)QL+0.0032QH+(1.5~3)1、以上L为输送机总长,不是投影长度。
垂直部分的长度也要计入在内。
2、以上公式用来粗略估算,预算报价,也可用于不很重要的场合进行生产选型。
对于刮板机和提升机,该公式已经非常精准,不需要再按照手册之类的进行额外复杂的计算。
对于要求负载启动的场合需额外计算。
3、当计算结果在临界点附近时,要根据工况、可靠性要求及物料性质适当的调节选取范围。
对于刮板机、螺旋机来说,输送流动性好的摩擦系数小的物料取低值,反之取高值。
4、上述公式不需要考虑输送机的具体结构,零部件要素。
5、适用于尾部进料方式是单点喂料的情况。
如果是长料斗一段长度内有压力则需要加大动力,具体加大多少经验确定。
6、上述皮带机高度系数0.0032,比刮板斗提螺旋小,因为它没有物料回落的内摩擦,只需加一个电机储备系数(1.2/367)。
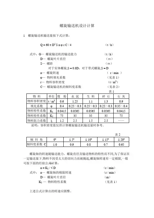
螺旋输送机设计计算1 螺旋输送机输送量按下式计算:Q = 60 π D2 S n ϕ r C / 4 (t / h)式中:G—螺旋输送机的输送能力(t / h)D—螺旋叶片直径(m)S—螺距(m)对于实体螺旋,S = 0.8D;对于带式螺旋,S = Dn—螺旋转速(r / min )ϕ—物料填充系数(见表1)r—物料容积密度(t / m3)C—螺旋输送机的倾钭度系数(见表2)说明:容积密度值仅供计算螺旋输送机输送量时参考。
螺旋轴的转速随输送能力、螺旋直径及输送物料的特性而不同,为了保证在一定输送量下,物料不因受太大的切向力而被抛起,螺旋轴转速有一定极限,一般可按下面的经验公式计算:n = K2 / √ D (r / min)式中:n—螺旋轴的极限转速(r / min)D—螺旋叶片直径(m)K2 —物料特性系数(见表1)上述公式计算出的转速应圆整。
2 螺旋输送机轴功率螺旋输送机轴功率按下式计算:N0 = GL(ξCOSβ± Sinβ)K3 / 367即:N0 = G K3(ξ Ln ± H)/ 367 (Kw)式中:N0 —螺旋输送机计算轴功率(Kw)G —螺旋输送机计算输送量(t / h)K3—功率储备系数K3 = 1.2~1.4ξ—物料的阻力系数(见表1)Ln —螺旋输送机的水平投影长度(m)H —螺旋输送机的垂直投影长度(m)当向上输送时,取+号;向下输送时,取-号。
所需电动机功率:N = N0 / η(Kw)式中:N —输送机所需电动机功率(Kw)η—驱动装置的传动效率(η = 0.94)双管螺旋喂料机双管螺旋喂料机的输送能力按下式计算:Q = 30 π n ϕ(D2-d2)(S-δ)(m3 / h)式中:Q —双管螺旋喂料机喂料能力(m3 / h)D —螺旋叶片直径(m)d —螺旋轴的直径(m)S —螺旋叶片的节距(m)δ—螺旋叶片的厚度(m)n —螺旋的转速(r / min)ϕ—物料的填充系数(一般取0.9)短螺距单头螺旋,螺距减少到2 / 3直径称为短螺距,推荐用于倾角超过20︒的倾钭螺旋输送机,甚至可以垂直使用,也常用于螺旋喂料机,较短的螺距可防止流态化的物料产生自流。
垂直螺旋输送机输送能力的计算篇11. 垂直螺旋输送机输送能力计算的重要性在现代工业生产中,垂直螺旋输送机作为一种重要的物料输送设备,其输送能力的准确计算对于生产流程的优化、设备的选型以及成本的控制都具有至关重要的意义。
在建筑材料输送领域,准确计算垂直螺旋输送机的输送能力可以确保建筑施工过程中原材料的及时供应,避免因输送不足而导致的施工延误。
而在粮食加工行业,合理计算输送能力有助于保障粮食的高效处理,提高生产效率和质量。
2. 垂直螺旋输送机输送能力计算的原理和方法垂直螺旋输送机的输送能力主要取决于螺旋的直径、螺距、转速、填充系数以及物料的物理特性等因素。
螺旋的直径越大,其输送能力通常越强。
螺距的大小也会影响输送能力,较大的螺距可以在单位时间内输送更多的物料。
转速的高低则直接关系到物料的输送速度,然而,转速并非越高越好,过高的转速可能导致物料的破碎和设备的磨损。
填充系数是指螺旋输送机中物料所占的体积比例,不同的物料具有不同的填充系数。
例如,颗粒较大、流动性较好的物料填充系数相对较高,而细小、粘性较大的物料填充系数则较低。
在计算输送能力时,还需要考虑物料的物理特性,如密度、湿度、粒度等。
对于密度较大的物料,相同体积下的质量更大,输送能力也相应较大。
湿度较高的物料可能会粘结在螺旋叶片上,影响输送效率。
以建筑材料输送为例,如水泥的输送。
由于水泥颗粒较小且具有一定的吸水性,其填充系数相对较低,在计算输送能力时需要充分考虑这些因素。
而在粮食加工行业中,输送的粮食颗粒大小和形状较为均匀,填充系数相对较高,但不同种类的粮食(如小麦、玉米)的密度和流动性也有所差异,计算时需分别对待。
3. 总结与展望通过以上对垂直螺旋输送机输送能力计算原理和方法的阐述,我们可以看出,准确计算输送能力需要综合考虑多个因素,并结合实际应用场景中的物料特性进行细致分析。
随着工业技术的不断发展,未来垂直螺旋输送机的设计和应用将更加智能化和精准化。
螺旋运输机计算计算前提: 1、运输能力:13t/h2、纤维密度:25kg/m 3方案一:采用单个螺旋一、螺旋直径的确定螺旋叶片直径主要决定于输送量和被输送物料的特性及其块度大小。
对没有强烈粘性的物料,可按下述公式计算:式中: D —螺旋叶片直径(m );Q —物料输送量(t/h );ρ—物料堆积体积质量(t/m 3)ψ—输送物料在输送机内的填充因数(ψ=0.25-0.35,取ψ=0.35); K —物料综合因数(K=0.049);C —倾斜向上输送时的校正系数,水平运输时C=1则=0.9m根据标准螺旋运输机直径系列:取D=1m二、螺旋转速的确定螺旋运输机螺旋轴的最大许可转速,可按下式计算:式中: A —输送物料的综合特性因数(A=50);D —螺旋叶片直径(m );n —螺旋轴转速(rpm )则5.2CQ K D ψρ≥5.21025.035.013049.0⨯⨯⨯≥D DAn ≤150≤n=50rpm直径为1m 的标准螺旋最大转速为60rpm三、生产率的验算根据公式:Q=47D 2ψCP ρn式中: P —螺旋运输机螺距(直径为1m 的螺距为0.56m )取n=50,则:Q=47×1. 2×0.35×1×0.56×0.025×50=11.5t/h达不到生产需求。
按标准取n=60,则:Q=47×1. 2×0.35×1×0.56×0.025×60=13.8t/h从二、三项得出,螺旋运输机转速为60rpm方案二:采用双螺旋采用双螺旋时每个螺旋的输送量为6.5t/h一、螺旋直径的确定螺旋叶片直径主要决定于输送量和被输送物料的特性及其块度大小。
对没有强烈粘性的物料,可按下述公式计算:式中: D —螺旋叶片直径(m );Q —物料输送量(t/h );ρ—物料堆积体积质量(t/m 3)ψ—输送物料在输送机内的填充因数(ψ=0.25-0.35,取ψ=0.35); K —物料综合因数(K=0.049);C —倾斜向上输送时的校正系数,水平运输时C=1则=0.69m 根据标准螺旋运输机直径系列:取D=0.8m5.2CQ K D ψρ≥5.21025.035.05.6049.0⨯⨯⨯≥D二、螺旋转速的确定螺旋运输机螺旋轴的最大许可转速,可按下式计算:式中: A —输送物料的综合特性因数(A=50);D —螺旋叶片直径(m );n —螺旋轴转速(rpm )则=56rpm直径为0.8m 的标准螺旋最大转速为67rpm三、生产率的验算根据公式:Q=47D 2ψCP ρn式中: P —螺旋运输机螺距(直径为0.8m 的螺距为0.5m )取n=56,则:Q=47×0.82×0.35×1×0.5×0.025×56=7.37t/h满足生产需求。
螺旋输送机是将物体从一端到另一端进行输送物料的设备,螺旋输送机的发明为工业带来了很多的方便,大大减少了劳动了,提高了作业效果。
螺旋输送机中发挥其使用效果很大部分在于选择驱动装置上,如果驱动装置选择的不合理,产品的使用性能将不能发挥出来,相同的输送量,介质不同的比重以及物料不同的性质都会影响电机减速机的选型。
那么很多客户就问了,如何计算螺旋输送机的电机功率呢,今天重诺机械的小编为大家总结下,方便大家参考计算,电机的输送功率计算主要在以下几方面:总功率P=空载运行功率P1+物料输送消耗功率P2+倾斜输送功率P3。
P1=D(螺旋直径,米)*L(输送长度,米)/20P2=Q(输送量,t/h)*L(输送长度,米)*λ(输送阻力系数)/367;P3=Q(输送量,t/h)*H(倾斜提升高度,米)/367下面按上面提供的公式为大家举例说明:计算LS150螺旋在输送量为14吨时,输送长度10米时,倾角30度时所需要的功率:P=(0。
15*10/20)+(14*10*1。
9/367)+(14*5/367)=0。
075+0。
725+0。
191=0。
991KW$ K。
t3故此实际选用电机功率 1。
1KW?而我实际生产中选用速比为1:5的减速箱,电机功率5。
5KW;现在还有一个问题就是当我们只需要7吨的输送量的时候,选用1:10的减速箱,可否用3KW电机?使用5。
5KW电机经速比1:5减速箱后输入的转矩为175。
08牛?米。
使用3KW电机经速比1:10减速箱后输入转矩为191。
00牛?米;故在改变输送量后可以选用3KW电机。
螺旋输送机的电机功率就是这样计算,遇到特殊的工况也需要特殊计算,电机功率的安全系数一般是需要专业厂家根据工作经验选取的,不同的工况选取的电机安全系数也是不同的,以上就是沧州重诺机械为大家总结的螺旋输送机电机功率的计算方法,朋友们学会了吗?。
螺旋输送机的功率计算
1.螺旋输送机的功率计算公式:
P=F*V*η
2.推动力的计算:
推动力是螺旋输送机推动物料前进所需的力量。
推动力可以通过下面的公式计算:
F=μ*g*m
其中,μ是物料与螺旋叶片的摩擦系数,g是重力加速度,m是物料的质量。
3.输送速度的计算:
输送速度是螺旋输送机单位时间内输送物料的量。
输送速度可以通过下面的公式计算:
V=π*D*n
其中,D是螺旋叶片直径,n是螺旋转速。
4.效率的计算:
效率是螺旋输送机将输入能量转化为输出能量的比率。
螺旋输送机的效率一般在0.8-0.9之间。
以上是螺旋输送机功率计算的基本公式,下面以一个实际案例来演示功率的计算过程。
案例:假设螺旋输送机的螺旋叶片直径为0.6米,转速为60转/分钟,物料质量为500千克,物料与螺旋叶片的摩擦系数为0.4,重力加速度为9.8米/秒²,输送机效率为0.85
1.计算推动力:
F=μ*g*m
F=0.4*9.8*500
F=1960牛顿
2.计算输送速度:
V=π*D*n
V=π*0.6*60
V≈113.1米/分钟
3.计算功率:
P=F*V*η
P=1960*113.1*0.85
P≈195个千瓦
因此,根据以上实例,该螺旋输送机的功率约为195千瓦。
需要注意的是,以上计算公式是基于简化模型的理论估算,实际运行
时会受到多种因素的影响,如物料特性、输送机结构等。
在实际应用中,
根据具体情况可能需要进行更加精确的功率计算。
螺旋输送机功率计算公式首先,我们先来了解一下螺旋输送机的基本构造和工作原理。
螺旋输送机主要由螺旋体、进料口、出料口、传动装置和支撑装置等组成。
物料从进料口进入螺旋体,随着螺旋体的旋转运动,物料被推动向前移动,最终从出料口排出。
在进行功率计算前,需要先了解一些相关参数:1.输送能力(Q):指单位时间内输送的物料量,单位为立方米/小时(m³/h)或吨/小时(t/h)。
2. 物料密度(ρ):指物料的质量和体积之比,单位为千克/立方米(kg/m³)。
3.输送长度(L):指物料的输送距离,单位为米(m)。
4.输送角度(α):指螺旋输送机所处位置的输送角度,单位为度(°)。
5.螺旋直径(D):指螺旋输送机螺旋体的直径,单位为米(m)。
6. 螺旋转速(N):指螺旋体的旋转速度,单位为每分钟(rpm)。
7.螺旋线圈厚度(t):指螺旋体每一圈的厚度,单位为米(m)。
根据以上参数,螺旋输送机的功率计算公式可以表示为:输入功率(P_in)= 输送能力(Q)× 物料密度(ρ)× g × H × η1输出功率(P_out)= 输入功率(P_in)÷ η2其中g为重力加速度,取9.81m/s²;H为输送高度,通过计算得出;η1为输送机的传动效率,一般取0.9~0.95;η2为输送机的总机械效率,一般取0.8~0.9根据输送能力的不同,螺旋输送机可以分为常规型和加强型。
常规型适用于输送能力在25m³/h以下的物料,加强型适用于输送能力在25~100m³/h的物料。
对于不同型号的螺旋输送机,其功率计算公式稍有不同。
常规型螺旋输送机的功率计算公式为:输入功率(P_in)= 3150 × Q × H × η1输出功率(P_out)= 输入功率(P_in)÷ η2对于加强型螺旋输送机,其功率计算公式为:输入功率(P_in)= 4750 × Q × H × η1输出功率(P_out)= 输入功率(P_in)÷ η2需要注意的是,以上公式仅适用于理想状态下的功率计算。
螺旋输送机的动力计算公式螺旋输送机是一种常见的输送设备,广泛应用于各种工业领域,如矿山、冶金、化工、建材等。
它可以将散装物料沿着螺旋轴线输送,具有输送距离远、输送量大、结构简单、运行可靠等特点。
在螺旋输送机的设计和运行过程中,动力计算是一个非常重要的问题,它关系到设备的运行效率和能耗情况。
本文将介绍螺旋输送机的动力计算公式及其应用。
1. 螺旋输送机的工作原理。
螺旋输送机是由螺旋体、轴承、传动装置、进料口、出料口、支撑等部分组成。
当螺旋轴旋转时,散装物料沿着螺旋体的螺旋线方向被输送。
螺旋输送机通常分为水平输送机和倾斜输送机两种类型,其工作原理基本相同,只是输送的方向不同。
2. 螺旋输送机的动力计算公式。
螺旋输送机的动力计算公式是根据输送物料的特性、输送距离、输送量等因素综合计算得出的。
一般来说,螺旋输送机的动力计算公式可以表示为:P = F × v。
其中,P为螺旋输送机的功率(单位为千瓦),F为输送物料的阻力(单位为牛顿),v为输送物料的线速度(单位为米/秒)。
3. 输送物料的阻力计算。
输送物料的阻力是螺旋输送机动力计算的重要参数。
通常可以通过以下公式计算得出:F = μ× g × H。
其中,μ为输送物料的摩擦系数,g为重力加速度(9.8米/秒²),H为输送物料的输送高度(单位为米)。
4. 输送物料的线速度计算。
输送物料的线速度是螺旋输送机动力计算的另一个重要参数。
一般可以通过以下公式计算得出:v = n ×π× D。
其中,n为螺旋轴的转速(单位为转/分钟),π为圆周率(约3.14),D为螺旋轴的直径(单位为米)。
5. 功率的计算。
通过上述公式计算得出的阻力和线速度,代入动力计算公式中,即可得到螺旋输送机的功率。
在实际应用中,为了考虑到设备的运行稳定性和安全性,通常还需要考虑一些修正系数,如传动效率、设备的工作系数等。
6. 动力计算的应用。
螺旋输送机螺旋直径计算公式《螺旋输送机螺旋直径计算公式?我有话说!》嘿,说起螺旋输送机螺旋直径计算公式,我可真是有一箩筐的话要讲呢。
我记得有一次啊,我去一个小工厂参观。
那个小工厂主要是生产一些小零件的,他们有一台螺旋输送机,就像个大长管子似的,里面的螺旋一直在慢悠悠地转着,把那些零件从一个地方运到另一个地方。
我当时就特别好奇,这个螺旋输送机的螺旋直径是怎么确定的呢?我就拉着那个工厂里的老师傅问。
老师傅可热情了,他就开始给我讲啊。
他说这个螺旋直径计算公式可不是随便来的,这里面涉及到好多因素呢。
比如说,你得考虑要输送的物料是什么样的。
像他们工厂的小零件,那都是比较小而且形状规则的。
要是输送那种大块的、不规则的物料,那计算螺旋直径的时候就得把物料的尺寸考虑进去,不然的话,物料可能就会卡在螺旋输送机里,那可就麻烦大了。
他还说啊,输送量也是个关键因素。
他指着那台正在工作的螺旋输送机说:“你看啊,我们这台机子,每天要把这么多零件从这个车间运到另一个车间,这个输送量是固定的。
要是螺旋直径算小了,那根本就没法按时把零件都运过去。
”他一边说一边在地上比划着,就好像他正在计算那个螺旋直径一样。
我就蹲在旁边,眼睛都不敢眨地听着。
然后他又提到了转速。
他说这个转速和螺旋直径也是有关系的。
如果转速太快,螺旋直径又不合适的话,可能会把那些小零件都甩出去,就像你拿个盘子转得太快,盘子里的东西就会飞出去一样。
我听了就忍不住笑了,感觉这个螺旋输送机还挺有脾气的呢。
老师傅还告诉我,其实这个螺旋直径计算公式,简单来说呢,就是要综合考虑物料的特性、输送量还有转速这些东西。
他说他刚到这个工厂的时候,也对这个计算公式摸不着头脑,后来慢慢摸索,看了好多资料,又做了不少实验,才算是搞明白了。
他从他那个满是油污的口袋里掏出一个小本子,上面密密麻麻地记着他的一些计算过程和经验值。
他指着本子说:“你看,这都是我这么多年的心血啊。
”我当时就特别佩服他,一个看似简单的螺旋输送机螺旋直径计算公式,背后居然有这么多的学问。
五、设计计算对于螺旋输送机来讲,其设计计算的主要内容为:在已知物料的名称、最大块度、温度、含水率、粘度、磨擦性、腐蚀性等的前提下,根据要求的生产能力G,计算出螺旋的直径D、转数n和电动机的功率等。
1、螺旋直径D和生产能力G之间的关系(T/h)式中:F--料槽内物料的横断面积(米2)v --物流速度(米/秒)ρ--物料的堆积密度(吨/米3)D--螺旋式输送机的螺旋直径(米)φ--物料的填充系数(某些物料φ的推荐值见表1-6第16页)C--与输送机的倾角有关的系数(见表1-5)n --螺旋轴的转数(转/秒)C值与输送机倾角有关的系数C的取值对于带式螺旋:s=D,则(吨/小时) (1)对于实体螺旋:s=0.8D,则(吨/小时) 2、螺旋的转数n 从螺旋输送机的工作原理可知,要使物料平稳地在料槽内被螺旋推移前进而不致被螺旋所抛起,就必须保证物料所受的切向力小于物料的重力和对槽壁的摩擦力。
否则物料就会被抛起,且磨损较大。
而物料所受的切向力的大小又直接与转数有关,故螺旋的转数不能过高,即实用的转数应与临界根据实验得出,螺旋轴的极限转数为:-2式中:D--螺旋直径(米)A--物料综合特征系数由(1)、(2)得式中:K--物料综合特征系数(见表1-6第16页) 计算时,一般先根据物料特征从表(1-6)中选取K值, 再求螺旋直径D,然后圆整为标准的螺旋直径。
我国的标准螺旋直径系列为150、200、250、300、400、500、600毫米。
对于输送物料的块度与直径有如下关系:对于分选物料 D(4-6)2K对于一般物料 D (8-10)2K2K--被输送物料任何截面上的最大尺寸。
3、功率计算螺旋输送机的运动阻力包括:①、物料对料槽的摩擦阻力;②、物料对螺旋面的摩擦阻力;③、中间轴承和末端轴承的摩擦阻力;④、其它附加阻力(即物料在中间轴承的堆积、物料被搅拌及螺旋与料槽之间间隙内物料的 由于上述摩擦阻力难以精确计算,因此在计算功率时,是利用在实践中得出的阻力系数W0来计算。
无轴螺旋输送机规格型号齐全,通常常见的有200-600,对于特殊的产量需求,可以制造更多相应的规格,然而当有用户知道需求的产量,又如何去选择相应的规格型号呢?很多客户不清楚自己选择的无轴螺旋输送机是不是合理的,或者是能不能满足产量和输送量的需求,想进行校核验证。
无轴螺旋输送机运送量计算公式:1 输送量Q=47b•j•r•D2•S•n(t/h)其中:b-倾斜系数,见表2,j-物料填充系数,r-物料容重(t/m3),D-直径m,S-螺距m,n-转速r/min。
填充系数一般为:流动性良好、轻度磨琢性粉状和细粒状物料取j =0.45(如粮食),流动性一般、中等磨琢性物料取j=0.33(如煤、灰、水泥),极大磨琢性物料取j=0.15(如炉渣、河砂)。
2转速无轴螺旋输送机的转速不允许过大,否则被输送的物料受到强离心作用,使输送过程受到影响,参照JB/T7679-95《无轴螺旋输送机》标准每种规格有4种转速供选用长的4倍。
3 螺旋直径由转速及输送量确定最小螺旋直径,并满足下列条件:对输送块状物料,螺旋直径D至少应为颗粒最大边长的10倍,如果大颗粒的含量少时,也可选用较小的螺旋直径。
4 电机功率P=0.9[Q(λ?L+H)/367+D?L/20]N=K?P其中:P-功率kw,Q-输送量t/h,λ-运行阻力系数,L-螺旋长度m,H-螺旋倾斜高度m,D-螺旋直径m,N-电机功率kw,K-功率系数。
(end)螺旋输送机的填充系数一般为:流动性良好、轻度磨琢性粉状和细粒状物料取j=0.45(如粮食),流动性一般、中等磨琢性物料取j=0.33(如煤、灰、水泥),极大磨琢性物料取j=0.15(如炉渣、河砂)无轴螺旋输送机又是,在LS型螺旋输送机的基础上进行改进的。
由于LS型螺旋输送机结构所以无法输送一些,有粘性和缠绕性的物料。
所以就出现了无轴螺旋输送机。
因此无轴螺旋输送机就成为了专门输送一些,粘性物料,具有缠绕性的物料。
无轴螺旋输送机不仅在物料上有所突破,在输送量上也超过了LS型有轴螺旋的1.5倍。
螺旋输送机设计计算
螺旋输送机是一种在工业生产中常见的物料输送设备,它采用了螺旋
推动的原理,将物料从一个地方输送到另一个地方。
螺旋输送机设计计算
是确定其运行参数和尺寸的关键步骤,下面将以1200字以上的篇幅介绍
螺旋输送机设计计算的过程。
首先,螺旋输送机设计的第一步是确定输送物料的性质。
物料的性质
包括物料的类型、粒度、粘度等,不同的物料性质将影响到螺旋输送机的
设计参数。
其次,需要确定输送物料的流量和输送距离。
输送物料的流量可以通
过生产工艺要求、物料性质和输送时间来确定,而输送距离则是指物料从
起点到终点的水平距离和垂直距离的总和。
然后,需要计算螺旋输送机的输送能力。
输送能力是指螺旋输送机每
单位时间内能够输送的物料量,通常以体积或质量为单位。
计算输送能力
需要考虑物料的体积流率、螺旋输送机的转速和螺旋输送机的几何参数等。
此外,螺旋输送机还需要考虑螺旋叶片的形状和材料选择。
螺旋叶片
的形状可以选择圆形、矩形、三角形等不同类型,而材料的选择需要考虑
物料的粘附性和磨损性。
最后,需要进行输送机的动力计算。
输送机的动力计算包括传动功率
的计算和电机功率的选择。
传动功率可以通过螺旋输送机的几何参数、转
速和物料性质等来确定,而电机功率的选择则需要根据传动功率和工作效
率等进行合理的选择。
总结起来,螺旋输送机设计计算是一个综合考虑物料性质、流量、输送距离、几何参数、动力要求等多个因素的过程。
通过合理的设计计算,可以确保螺旋输送机的安全稳定运行,并满足生产工艺的要求。
螺旋输送机计算程序一:基本数据输入数据计算数据验证1输送量Q(t/h)5035.9003251.09444提升高度52筒直径D1(m)0.43电机功率N31.03035轴功率N轴 4.5252594转速n(r/min)400289.39125螺距S(m)0.20.2508是6转动轴直径d(m)0.10.0957螺旋与筒壁间隙0.018螺旋外径D0.380.389螺旋内径d0.111机槽内的横断面积F(m2)0.03175512轴向速度v(m/s) 1.33333313物料容重γ(t/m3)0.314填充系数ψ(见表4-3)0.415倾斜时修正系数β0(4-4)0.716叶片形式系数K1117输送机水平投影长度L平(m)218倾斜时提升高度H0.219物料的总阻力系数ω0 1.220功率储备系数K 1.221传动总效率η总0.922物料与筒内壁的摩擦系数f壳0.363970.3639723物料与螺旋叶片的摩擦角φ叶2024螺旋叶片的外侧升角a200.165982125螺旋输送机效率η0.1750.15053326物料与叶片的摩擦系数f壳0.4627物料提升角γ22.728螺旋输送机效率η重力加速度9.81ε0.2631580.2631589.5148669.510043六:驱动动率1轴功率N轴(kw)0.3239552电机功率N电0.43194备注119.6677317103.1594 17363.474351632.90005721(0.6-0.7)D(0.2-0.35)D0.133=(0.2-0.35)D0.005-0.011.414214向上为+向下为-1.2-1.315.676181.2-1.40.9-0.94对于一定的物料,φ叶为定值0.65-0.759.5148660.1675320.1691179.6896720.1659815591.0471975510.5。
螺旋输送机的设计计算设计螺旋输送机的关键是确定合适的螺旋体参数,包括螺旋体直径、螺旋体螺距、螺旋体转速和进出料口的位置等。
以下是螺旋输送机的设计计算的一般步骤和方法。
1.确定输送物料的特性和要求首先,需要确定输送的物料特性,包括粒度、粘度、密度和湿度等。
根据物料的特性,确定输送机的工作条件和要求,例如输送量、输送距离、工作角度和工作环境等。
2.计算输送量和转速根据输送量和物料的特性,可以计算出螺旋输送机的转速。
转速与螺旋体直径、螺距和进出料口的位置等参数有关。
通常,螺旋体的转速取决于输送量和螺距,较大的转速可以提高输送量,但会增加能耗和物料堆积的可能性。
3.计算螺旋体直径和螺距螺旋体直径和螺距的确定,既要满足输送量和转速的要求,又要考虑物料的特性和流动性。
一般来说,螺旋体的直径和螺距越大,输送量越大,但对物料的破碎和堆积的可能性也增加。
4.确定螺旋体长度和输送机长度根据输送距离和工作条件,可以确定螺旋体的长度和输送机的长度。
螺旋体长度应能满足物料的输送要求,同时考虑到输送机的安装和维护。
5.选择传动装置和支撑装置根据输送机的工作条件和要求,选择适当的传动装置和支撑装置。
传动装置通常包括电机、减速机和联轴器等。
支撑装置应能够稳定支撑输送机,并提供适当的可调节装置。
6.设计安全措施和保护装置设计螺旋输送机时,需要考虑安全措施和保护装置,例如防堵料装置、防止堆积的装置和紧急停止装置等。
这些装置是保证输送机安全运行的重要组成部分。
7.绘制设计图纸和制作样机最后,根据计算结果,绘制螺旋输送机的设计图纸,并制作样机进行实际测试验证。
根据实际测试结果,进行必要的调整和改进。
综上所述,螺旋输送机的设计计算需要根据物料的特性、输送要求和工作条件等因素进行综合考虑,并结合实际情况进行适当的调整和改进。
设计计算的目标是满足物料的输送要求,提高输送效率并保证安全运行。
设计过程中,还需要考虑能源和环境的节约,以及设备的可靠性和维护性等方面的要求。
螺旋输送机械转速计算公式螺旋输送机是一种常用的输送设备,广泛应用于化工、冶金、建材、粮食加工等行业。
螺旋输送机的转速是其运行的重要参数之一,对于设备的正常运行和输送效率具有重要影响。
因此,正确计算螺旋输送机的转速是非常重要的。
螺旋输送机的转速计算公式是根据输送机的设计参数、物料的性质和输送能力来确定的。
一般来说,螺旋输送机的转速计算公式可以分为以下几个步骤:1. 确定输送机的设计参数。
螺旋输送机的设计参数包括螺旋直径、螺距、转子直径、螺旋叶片厚度等。
这些参数是确定输送机转速的基础数据,需要根据具体的输送要求和物料性质来确定。
2. 确定物料的性质。
物料的性质对于螺旋输送机的转速有着直接的影响。
物料的密度、粘度、颗粒大小等参数都会影响输送机的转速。
因此,在计算转速之前,需要对输送的物料进行详细的分析和测试,确定其物理性质。
3. 计算输送机的输送能力。
输送机的输送能力是指单位时间内输送的物料量,通常以吨/小时或立方米/小时来表示。
输送机的输送能力需要根据物料的性质和输送距离来确定,是确定转速的重要参数之一。
4. 计算转速。
根据输送机的设计参数、物料的性质和输送能力,可以利用以下公式来计算螺旋输送机的转速:n = (Q / (π D D)) (1 / ρ N)。
其中,n为螺旋输送机的转速(rpm),Q为输送机的输送能力(t/h),D为螺旋直径(m),ρ为物料的密度(t/m³),N为螺旋输送机的效率。
根据以上公式,可以通过输入输送机的设计参数、物料的性质和输送能力,来计算出螺旋输送机的转速。
这样可以确保输送机在运行时能够正常工作,达到预期的输送效果。
5. 考虑实际情况。
在计算螺旋输送机的转速时,还需要考虑实际的工作情况。
例如,输送机的负载情况、输送距离、输送高度、输送角度等因素都会对转速产生影响。
因此,在计算转速时,需要综合考虑这些因素,进行合理的修正和调整。
总之,螺旋输送机的转速是一个复杂的计算问题,需要综合考虑输送机的设计参数、物料的性质和输送能力等因素。
1、螺旋直径D(m)计算:由输入数据计算得螺旋直径最小为:0.2178270.3
物料填充系数ψ,物料综合特
性系数K,物料综合特性系数A
可从附表表1中查取;倾斜工
作时送料量校正系数C从附表
217.8269
倾斜工作时送料量校正系数C:默认为倾斜角β为0°,C 1物料综合特性系数A:50算得的螺旋直径应圆整为下列标准螺旋直径(mm):150、200、250、300、400、500、600…请输入圆整过螺旋直径(mm):
本计算表格根据《现代干燥技术(第二版)》P1324
首先请输入原始资
料:(输入项目下
方)容积密度γ(t/m³):0.2送料量G(t/h):2.5物料填充系数ψ:对未分选物料:D≥(8~10)d k 对已分选物料:D≥(4~6)d k
请输入圆整过
转速(r/min):即换算为:如果物料的块度较大,螺旋直径与物料块度应维持如下关系:根据物料的块度如需选择较大的螺旋直径,则在维持送料量不变的情况下,可以选择较低的螺旋转速
2、螺旋轴转速n计算
(r/min):由圆整后的螺旋直径及相关数据计算n≤111.8034r/min
按上式计算所得的ψ值允许低于附表表1所列下限,但不能高于表列数值上限。
若低于表列下限很多,
螺旋轴转速n;若高于表列上限,则可加大螺旋直径D。
4、功率计算(Kw):
3、校核物料填充系数ψ:按计算所得数据及原始数据校
核填充系数为ψ:
ψ=0.346299根据上式计算得出的转速n应圆整为下列标准转速
20、30、35、45、60、75、90、100、120、150、190…
物料综合特性系数K:
0.049
mm 圆整过后的螺旋直径(mm):P1324编制而成200
圆整过后的转速(r/min):
120其中,d k为块状物料任何截面
上的最大尺寸
旋转速,对延长螺旋的使用寿命有利螺距S(m),默认
取螺旋直径的0.8
0.16
值上限。
若低于表列下限很多,则可降低螺旋直径D。