真空预压排水固结法设计及计算(18年,附图丰富)
- 格式:ppt
- 大小:7.73 MB
- 文档页数:43
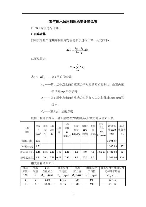
真空排水预压加固地基计算说明以ZK1为例进行计算: 1 沉降计算固结沉降量c S 采用单向压缩分层总和法进行计算,公式如下:i iii ci h e e e S ∆+-=∆0101 总压缩量为:∑=∆=ni ci c S S 1式中:ci S ∆——第i 层的压缩量;i e 0——第i 层中点土的自重应力所对应的初始孔隙比,由室内压缩试验e-p 曲线求得;i e 1——第i 层中点土的自重应力与附加应力之和所对应的初始孔隙比;i h ∆——第i 层土层的厚度。
根据工程地质报告,岩土层物理力学指标及承载力建议值如下表:相关计算结果如下:因此,固结沉降量cm S S ni ci c 5.961=∆=∑=最终沉降量S 包含三部分:初始沉降量、固结沉降量、次固结沉降量,计算公式为:cm S m S c s 8.1155.962.1'=⨯==式中25.1~1'=s m ,地基软弱土层厚度大时取大值。
鉴于填土深度大于22.3m 的土层压缩量非常低,因此固结度主要计算0~22.3m 土层。
固结度计算公式为:t t ae U β--=1式中:2/8π=a ,2224)(8HC d G J F C ve n h ππβ+++= h C C v 、——竖向和水平固结系数,根据试验确定为s cm /10123-⨯;n F ——井径比因子,计算公式为2222413)ln(1n n n n n F n ---=,式中w ed d n =,排水圆柱等效直径d a d e 1=,d 为垂直排水通道间距,取值100cm ,1a 为换算系数,对正三角形布置取值1.05;等值砂井直径πδ)(2+=b d w ,b 为塑料排水板宽度,取值10cm ,δ为塑料排水板厚度,取值0.4cm 。
G ——井阻因子,计算公式为ws w h d LF q qG 4/⨯=,其中,垂直排水通道的 流量L d k q w h h π=)/(3s cm ;w q 为垂直排水通道的通行能力,取值 25s cm /3;h k 为水平向渗透系数,取值s cm /1047-⨯;L 为垂直排 水通道的打入深度,取值2500cm ;s F 为安全系数,取值6。
第18卷 第7期 中 国 水 运 Vol.18 No.7 2018年 7月 China Water Transport July 2018收稿日期:2018-02-08作者简介:丁 伟,男,(1985-),上海人,上海长升工程管理有限公司助理工程师,研究方向为港口与航道工程。
真空预压法处理航道淤泥数值模拟丁 伟(上海长升工程管理有限公司,上海 200137)摘 要:航道淤泥的处理是我国目前重大研究课题之一,真空预压固结法是一种有效的软土处理方法。
采用有限差分元对不同真空度下的真空预压固结法处理软土进行模拟,分析了真空度对航道淤泥孔隙水压力差值和有效应力的影响,模拟结果可为真空度的合理选取提供参考依据。
关键词:真空预压法;第四纪沉积软土;有限差分法;真空度中图分类号:TU447 文献标识码:A 文章编号:1006-7973(2018)07-0053-02前言航道淤泥在我国东部沿海地区广泛存在,该类土体具有压缩性大、渗透性小和含水率高等特点,在其上修筑建筑物时往往须先对其进行处理,目前常用的处理方法有换填、旋喷桩、真空预压和电渗等方法[1-4]。
其中,真空预压法以其成本低,效果显著被广泛应用,并取得良好的成效。
真空预压法于1952年由杰尔曼教授首次提出,随后大量专家学者对其进行了深入探究。
朱斌等[5]基于有效应力原理,根据孔隙率与时间相关关系,提出了多层软土的一维固结模型,并采用数值计算对其进行验证。
袁海平等[6]对排水板间距对真空预压效果影响进行研究,指出计算工程排水板的最优间距为0.9m。
李均宏[7]采用ABAQUS 软件对排水带未穿透的软土层的真空预压沉降固结效果进行分析,指出在实际工程中可根据需要合理设计排水带深度,排水带可不穿透排水层。
唐慧强等[8]对丹东港吹填土采用真空预压法加固后效果不理想的原因进行分析,认为吹填土黏粒含量高堵塞排水管以及胶粒结合水的润滑作用是造成真空预压固结后土体强度仍然偏低的主要原因。
第二章排水固结法2.1概述软粘土地基:含水量大、透水性差,强度低,高压缩性;沉降变形大,持续时间较长;地基承载力和稳定性均难以满足工程要求,需要采取某种工程措施。
排水固结法是处理软粘土地基最基本有效方法之一。
该方法先在地基中设置砂井等竖向排水体系,对场地先行加载预压、或利用建筑物自重分级逐渐加载,使土体在孔隙水的排出过程中逐渐固结。
排水固结法可以有效地解决两方面问题:(1)沉降变形问题。
地基沉降在加载预压期间大部或基本完成,建筑物使用期不致产生过大的基础沉降变形;(2)稳定性问题。
地基土的抗剪强度加速增长,从而有效地提高地基士的承载力和稳定性。
排水固结法:(1)排水系统:竖向排水体—普通砂井袋装砂井塑料排水板水平排水体—砂垫层(2)加压系统:堆载法真空法降低地下水位法电渗法联合法2.2基本原理2.2.1 地基排水固结的基本原理饱和软粘土地基在荷载作用下,随着孔隙中的水被慢慢挤出:(1)孔隙体积逐渐减小,地基发生固结变形;(2)超孔隙水压力逐渐消散,有效应力逐渐增高,地基土的强度逐步增长。
图2-1表明,当地基土的天然周结压力为σ0′时,其孔隙比为e0,在e~σ′坐标上其相应点为 a 点。
当压力增加△σ′,固结终止时变为 c 点,孔隙比减小△e,曲线abc称为压缩曲线。
与此同时,抗剪强度与固结压力成正比由 a 点提高到 c 点。
由此可见,地基士受压固结时。
一方面孔隙比减小而产生压缩,另一方面抗剪强度得以提高。
如从c点卸除压力△σ′,则土体发生膨胀.图中 cef即为卸荷膨胀曲线;若从 f 点再加压△σ′,土体发生再压缩,沿虚线变化到 c′。
从其再压缩曲线fgc′可知,固结压力同样从σ0′增加△σ′,而孔隙比减小值为△e′,显然△e′≤△ e 。
图2-1 地基土的压密原理显然,如果在地基土层上先施加一个和上部结构荷载相同的压力进行预压,使土层固结(相当于压缩曲线 abc ),然后卸除荷载(相当于膨胀曲线 cef )再建造建筑物(相当于再压缩曲线 fgc ' ),此时建筑物所引起的沉降即可大为减小。
真空预压法是排水固结法一、基本原理在沿海和内陆地区广泛分布着海相、湖相和河相沉积的软弱粘土层,具有高含水量、高压缩性、低强度、低渗透性等特点,在建筑物荷载作用下会产生较大的沉降,地基承载力和稳定性差,不能满足工程需要。
为有效消除软土的沉降变形,提高地基承载力和稳定性,应对地基进行加固处理以满足工程建设的需要。
真空预压法是排水固结法的一种,主要由排水系统和加压系统两部分组成:排水系统主要包括竖向排水体和水平排水体,竖向排水体常用塑料排水板、袋装砂井、透水软管等,水平排水体常用砂垫层(纯净中粗砂),对于砂源紧缺、砂价较贵的地区可采用技术可靠的塑料盲沟或透水软管等土工合成材料,以降低工程造价。
设置排水系统主要为了改变地基原有的排水边界条件,传递真空压力,增加孔隙水的排出通道,缩短排水距离,以便在上部荷载作用下能以较快的时间使地基土的有效应力增加,地基土产生固结,完成预定的地基加固效果,满足工程建设需要。
加压系统主要是指抽真空装置。
真空预压原理见图2-1所示。
在实施真空预压法的同时在地基上部进行堆载(包括堆土、充水等),真空预压与上部堆载联合作用就形成了真空联合堆载预压法,见图2-2。
二、优缺点真空联合堆载预压法加大了超载压力,堆载预压中的超载部分为真空压力,增大了地基土体内的附加应力,同时发挥真空预压和堆载预压各自的优势,可提高加荷速率、缩短工期、增大加固深度,使地基沉降在施工期内得以基本完成,从而有效减少地基工后沉降。
真空联合堆载预压法对地基实施超载预压加固,超载部分由真空荷载来代替,其最大荷载可达80~90kPa,相当于4~5m的填土荷载,大大超过地面设计荷载;真空荷载施加方便、迅速,几天之内就可达到80kPa以上,不存在分级施加的问题;由于有真空预压,只要塑料排水板有足够大的通水量,真空度就可以传递到土层深部而损失较小,使地基深层软土得到较好加固,从而在加固期间能消除较多的地基沉降。
采用真空联合堆载法处理场地软基,除了施工简单、有效消除地基土的沉降、填土速率不受限制、施工费用低廉等特点外,还可以大幅度提高地基土承载力,改善地基土土性,提高地基土强度。