35KV电石炉变压器及10KV升压补偿变压器检修技术规范
- 格式:docx
- 大小:17.27 KB
- 文档页数:3
35KV变电所主变压器大修安全技术措施第一篇:35KV变电所主变压器大修安全技术措施35KV变电所主变压器大修安全技术措施因35KV变电所主变压器漏油、2#主变压器分接开关绝缘电阻大需进行大修,为保证作业过程中的安全,特编制以下安全技术措施:一、施工时间:2012年6月日—2012年6月日二、施工地点:35KV变电所三、施工人员:高压班全体人员、变压器厂家技术人员四、施工负责人:蒋勇安全负责人:方成敏五、施工前准备:1、提前提出改变主变运行方式申请,并报机电处供电科备案。
2、提前一天在矿调度会审批停电报告(报告上写明影响地点),要求35KV 变电所主变检修期间,各采区变电所及掘进头局扇设专人看管,西风井、中央风井设专职电工看管。
3、提前一天填写、审核工作票、操作票。
5、提前对供电线路、供电设备等全方位检查,清除隐患,确保检修期间供电安全。
6、检查主变附近空间是否足够,规划拆卸过程中零器件摆放位置。
7、变压器大修安排在停产检修间内进行。
施工现场需做好防雨、防潮、防尘和消防措施,清理现场及其他准备工作。
在超出停产检修周期后要做好单台主变给全矿供电的安全供电防护措施和应急预案。
8、大修前进行电气试验,测量直流电阻、介质损耗、绝缘电阻及油试验。
9、材料工具:吊车,试验仪器1套,变压器油1000kg,储油罐1只,滤油机1台,道木20块,塑料布100m,白布100m,电动扳手1套,扦子2根,吊带(20吨)2根,雨鞋2双,螺栓若干,防雨布100m,新工作服2套,扳手,套筒,呆板,梅花扳手,白布带,波纹纸,细锉2把,绝缘清漆,准备好备品备件及更换用密封胶垫,个人工具。
六、施工步骤:(一)1#主变的停电步骤:将负荷转移到2#主变,退出1#主变运行,以待检修;操作程序如下:1、将动态无功补偿装置609、636、637、640退出,并暂停主副井、主排水泵等大功率设备运转。
2、合6KV母联602开关。
3、停1#主变低压侧开关621柜,并将手车摇至试验位置。
XX35kV电网调整工程IOkV框架式电容补偿装置技术要求XX市XX工程设计咨询有限责任公司二O二X年X月E-maikXIOkV户外装配式电容器装置供货一览表1.总则1.1本技术条件适用于国产IOkV电容补偿装置订货。
1.2本技术条件既可以用于具体工程项目设备招标并作为设备招标书的一部分,又可以作为具体工程项目订货技术协议的附件。
如供方采用未列入本技术条件的标准、技术服务条款,或者在工艺、材料、结构、性能参数与本文件不同的地方,以及产品所采用外购部件等,供方除在投标书中明确陈述外,双方应在订货技术协议中另作说明。
如果供方没有异议,本订货技术条件将与商务合同同时生效。
1.3本技术条件凡标明参数数值的或者提出要求的,是作为特别强调,其他未标明的均应执行相关GB、DL或IEC标准。
1.4除有特殊说明外,供方必须使用国家法定计量单位。
1.5供方提供的产品,应通过型式试验和两部鉴定,并进实际运行证明是质量优良、安全可靠的产品。
1.6提供产品的组织(供方),应是经过法定程序进行了GB/T112001标准质量体系认证的组织。
2.引用标准下列标准所包含的有关条文,通过引用而成为本技术条件的条文。
所有标准都会被修订,使用本技术条件的各方,应探讨采用下列标准最新版本的可能性。
•GB3983.2-89《高电压并联电容器》•DL/T604-1996《高压并联电容器装置订货技术条件》•GB50227-95《并联电容器装置设计规范》•DL/T653-1998《高压并联电容器用放电线圈订货技术条件》•GB10229-88《电抗器》•GB6450-86《干式电力变压器》•DL462-92《高压并联电容器用串联电抗器》3.使用环境:海拔高度:≤100Om环境温度:-25C〜+45℃风速:W35m∕s最大日温差:≤250C覆冰厚度:≤10mm抗震能力:水平加速度:0.25g垂直加速度:0.125g空气污秽程度:Hl级安装地点:户外4.技术参数要求:4.1型号:TBB-10-900-IW片散式单个电容100kVar接线型式:单星形接线开口三角电压保护单元型号:BAM型4.2额定电压:11.5/月频率:50Hz二次侧容量IOoVA4.3额定容量及数量:900kvar2台4.4电容量允许偏差:电容器组的实测电容值与额定值之差不超过额定值的5船三相之间电容量不平衡不大于2%。
35KV变压器运行及检修规程变压器是我公司生产的核心设备。
它的安全运行对生产起着举足轻重的作用。
加强对电炉变压器安全运行的管理,是保证生产正常运行的一个重要环节,为确保电炉变压器的安全运行,特制订如下规程:1、变压器管理范围及巡检规定1.1 变压器的管理范围包括变压器及附属设备(油冷装置、电缆、配套高压设备、过电压保护装置)。
上述设备至少每二小时巡回检查一次,并做好运行记录,特殊情况要增加巡视检查次数。
2、正常运行规定2.1 电炉变压器在规定的冷却条件下,可按铭牌规定范围运行。
2.2变压器,其运行中的上层油温的允许值应按照制造厂规定。
通常为了防止变压器油和其他绝缘质的劣化过速,油循环变压器上层油温不得超过60℃。
2.3变压器室门上应加锁,在变压器室的门和墙上清楚地写明变压器名称和厂内编号,门外挂“高压危险”字样警示牌。
3、允许过载运行规定3.1电炉变压器的过载允许时间规定(包括温度为40℃及以下场合): 1.2倍时30分,1.3倍10分钟。
3.2当油泵停止时,变压器允许的负载大小和持续运行时间应遵照制造厂家规定,若无厂家规定,对于在额定冷却空气温度下连续运行的变压器,其负载不应超过额定量的70% 。
3.3强油循环风冷及强油循环水冷电炉变压器,当冷却系统发生故障(如风扇水泵等停止工作)时,在额定负载以下允许运行时间为20min,运行后,如果油温尚未达到规定值,则允许上升到规定值,但故障切除冷却器后的炉变运行时间最长不得超过1小时。
4、停送电操作规定4.1送电时要将三根电极提起300mm以上,防止大负荷冲击电炉变压器,同时不能提升幅度太大,防止谐波产生。
4.2 送电后,要听其有无异常声音,观察各电流表、电压表是否正常,如有异常,立即停电通知电气人员检查原因。
4.3变压器的运行最高操作电流小于,连续运行时间<1小时,如超出时间变电值班人员可采取警告、拉闸措施。
4.4三相操作电流差<20%且送电后电流值要缓慢给上不允许负荷激增。
35kV10kV配电装置检修规程1.1 适用范围1.1.1 本规程适用于35kV/10kV配电装置的大、小修标准项目的检修和临时检修。
1.1.2 35kV/10kV配电装置的检修应贯彻以预防为主,计划检修和诊断检修相结合的方针,做到应修必修,修必修好,讲究实效。
1.2 概述天镇光伏电站本期规模为1台31.5MVA变压器,1回35kV 出线,35kV消谐装置1套,6回10kV进线,1回10kV出现,10kV侧设置了集中无功补偿装置,10kV站用工作变1台,10kV站用备用变1台,10kV为单母接线。
1.3 检修周期及检修项目1.3.1 检修周期1.3.1.1大修周期一般4~6年进行一次。
1.3.1.2小修周期一般每年一次。
1.3.2 检修项目1.3.2.1 大修项目1.3.2.1.1电缆室清扫检查1.3.2.1.2母线室清扫检查1.3.2.1.3一次触头检查1.3.2.1.4档板机构及闭锁装置检查。
1.3.2.1.5地刀及接地装置检查。
1.3.2.1.6母线耐压试验。
1.3.2.1.7机构及本体清扫。
1.3.2.1.8机构检查与润滑。
1.3.2.1.9触头磨损的检查。
1.3.2.1.10机构特性试验。
1.3.2.1.11操作试验。
1.3.2.2 小修项目1.3.2.2.1开关室清扫。
1.3.2.2.2档板机构及闭锁装置检查。
1.3.2.2.3机构及本体清扫。
1.3.2.2.4二次回路端子检查紧固。
1.3.2.2.5传动部分轴销检查1.3.2.2.6根据缺陷进行针对性的处理。
1.4 开关柜、母线的检修1.1.1 母线检修工艺及质量标准。
1.1.1.1 拆开母线室挡板。
1.1.1.2 用2500V摇表测量母线相间与相对地绝缘电阻,并做好记录。
测量结束后,应将接地线挂上。
1.1.1.3 用干布擦试母线,用吸尘器吸净母线室内灰尘,检查主母线及分支母线连接处螺栓是否紧固,有无过热现象。
1.1.1.4 柜内电缆室清扫检查①拆开电缆室挡板。
第5章---10K V(35K V)变压器检修作业指导书-标准化文件发布号:(9456-EUATWK-MWUB-WUNN-INNUL-DDQTY-KII10KV(35KV)变压器检修作业指导书1.目的检查设备状态,处理缺陷,提高运行可靠性。
2.范围适用于10KV(35KV)变压器检修。
3.岗位职责人员安排数量职责现场负责人1负责现场协调、指挥作业人员2负责设备检修作业现场防护 2 现场防护及两端防护4.作业准备作业工具2500V、1000(500)V兆欧表各1块接地电阻表1块钳形接地电阻表1块钢卷尺1把扁毛刷2支放电棒2个钢丝刷2个双头呆扳手1套液压钳1把5.材料准备6.作业流程作业材料0#砂布电力复合脂钙基脂零配件(螺栓、螺母、垫片、开口销等)润滑油防锈漆螺栓松动剂变压器油(国25#)相色带 自粘带包皮布压接端子设备线夹 铝包带杆架式变压器:高空操作人员负责检查、检修变压器,测量绝缘电阻,除锈防腐等;地面辅助人员负责检修接地装置、测量接地电阻、记录数据等。
变压器室:操作人员负责检查、检修变压器,测量绝缘电阻,辅助人员负责测量接地电阻、记录数据、除锈防腐等。
6.1 10KV油浸式变压器6.1.1.瓷套管、引线6.1.1.1 高低压瓷套管清洁、无破损、无裂纹和放电痕迹,高低压套管胶垫完好,不渗油。
用清洁的包皮布清扫脏污的套管,更换不合格的套管。
6.1.1.2 一、二次配线规范整齐,用黄、绿、红、黑相色带对二次引线进行包缠。
6.1.1.3 高低压接线端子连接可靠,紧固连接螺栓,补装副帽等。
6.1.1.4 设备线夹或接线端子安装紧密,接触良好。
更换烧伤或有裂纹的设备线夹,重新压接断裂或有裂纹的接线端子。
6.1.1.5 高压端子宜加装硅橡胶绝缘护套,护套应外观清洁,无破损、裂纹和放电痕迹。
6.1.2 测量绝缘电阻6.1.2.1 放电:分别用钳式短封线短接变压器一次侧端子和接地端、二次侧端子和接地端进行放电,或使用放电棒逐相放电(每一项测量工作完成后均需进行)。
35kv变电站系统检修技术措施为了保证全矿供电安全、连续、可靠,保障生产的正常运行,经矿研究决定,在春节检修计划期间,由机电队对35kv变电站进行检修,为保证该项工作的顺利检修,特编制本措施,希望各参加人员遵照执行。
123二、检修内容:1、对各高、低压开关柜内部及变压器进行清扫除尘;2、对各连接器件、螺丝进行紧固;3、检查各操作机构的磨损以及润滑情况;4561、所有参加检修人员必须服从检修负责人的统一指挥,不得擅自行动。
2、井下全部停电或者主通风机房停风10分钟以上前必须确保井下无人,井口检身员必须坚守工作岗位,不得脱岗,停电期间严禁任何人员下井。
3、停电时,停电时必须一人操作一人监护,确保停电准时、准确。
4、停送电作业时,操作人员必须佩带好绝缘用具,严格执行工作监护制度,并在停电的操作柜上悬挂“有人工作,严禁合闸”的警示牌。
5678随意进行调试或拆卸,如有违反,出现事故由违反人员承担所有责任。
9、除尘工作一定要用心去清扫,做到不留死角,并且在清扫时候一定要认真细致,用合适的工具进行作业,切记不能由于清扫工作造成设备内的配件及控制线路和仪表的损坏。
10、在高压配电柜等设备上工作时手中的工具要拿牢,传递工具、物件要手递手,严禁抛掷,以防损伤柜内任何配件。
111213、14行下一步工作。
15、检查一切无问题后通知调度室,准备送电,送电时严格执行停送电制度,谁停电、谁送电。
16、井下停电或风机停风10分以上,在检修正常后先送主扇风机电源和地面供电系统,通知通风部派人对风井瓦斯进行检查,符合主扇风机的启动要求后,关闭相关风门,通知主扇风机司机按操作规程启动主扇。
17、主扇风机启动后,由通风部派瓦检员根据检查情况进入井下局部通风机配电点1819。
变压器检修工艺规程(总 2 2 页)--本页仅作为文档封面,使用时请直接删除即可----内页可以依据需求调整适宜字体及大小--变压器检修工艺规程总则电力变压器是供电系统中的主要设备之一,其检修质量如何,直接影响到电网的安全运行,为严格检修工艺,加强技术治理,确保检修质量,做到到期必修,修必修好,特制定本规程。
本规程依据部颁“电力工业技术治理法规”、“发电厂检修规程”、“电力变压器运行规程”,并参考厂方有关资料和图纸编写的。
公司全体成员应认真学习并严格执行本规程:公司生产领导、生产技术部、各专业工程师;中心变技术人员、机修车间人员、安全培训员应生疏本规程。
本规程与上级规程抵触时应按上级规程执行。
个别条文需修改时,应由中心变、机修车间,生产技术部审定后,批准执行。
1变压器检修期限变压器的大修期限变压器投入运行后,5 年大修一次,以后依据运行状况和试验、化验结果来确定,一般不少于 10 年大修一次。
对发生过故障或过负荷运行的变压器,可依据检查测试结果,提前进展大修。
运行中没有明显缺陷的变压器,且无适当的起重设备,而变压器构造又能保证绕组压钉压紧者,对一般小型变压器可取下变压器顶盖进展检查修理;对钟罩式变压器可放油后由入孔进入油箱内进展检查修理。
变压器小修期限。
主变压器每半年小修一次;重污染区的变压器,其小修周期应按现场状况确定。
其它变压器每年小修一次。
变压器冷却装置的检修期限。
冷却器每1-2 年大修一次;风冷却器随本体大修或有必要时进展;风扇、油泵及其电动机每年大修一次。
操作掌握箱的检修结合主变大、小修进展。
2变压器大修前的预备工作。
变压器大修工序流程图。
变压器大修前应做以下预备。
编制缺陷一览表编制检修工程及进度打算;编制检修技术措施、安全留意事项及工艺质量标准,组织有关人员争论;备齐必要的工具、材料和备件并经检修负责人检查,齐全合格;收集变压器修前试验报告和绝缘材料验收报告;规划工作场地,吊车、钟罩、附件、滤油设备的布置;收听当地气象台的天气预报。
35kV变电站工程10kV无功补偿成套装置技术要求设计单位:1、总则:1.1本技术要求书提出了10kV无功分组投切补偿装置的功能设计、结构性能、安装等方面的技术要求。
1.2本技术要求书提出的最低限度的技术要求,并未对一切技术细节作出规定,也未充分引述有关标准和规范的条文,供方应提供符合本要求书和工业标准的优质产品。
1.3本技术要求书所使用的标准如遇与供方执行的标准发生矛盾时,按较高标准执行。
1.4 技术要求书经需、供双方确认后作为订货合同的技术附件,与合同正文具有同等效力。
2、工程概况、规范和标准2.1 使用条件☉安装地点:户外☉环境温度:-35℃~+45℃,24小时内平均温度不超过+35℃☉相对湿度:不超过85%☉大气压力:80~110kPa☉海拔高度:≤1000m☉抗震能力:8级地震烈度☉污秽等级:Ⅳ级2.2 规范和标准本技术方案中涉及的所有规范、标准或材料规格( 包括一切有效的补充或附录)均为最新版本,即以买方发出本装置订单之日作为采用最新版本的截止日期。
1.2.1 引用的规范和标准☉DL/T604-1996《高压并联电容器装置订货技术条件》☉DL/T672-1999《变电所电压无功调节控制装置订货技术条件》☉GB 3983.2-1989《高电压并联电容器》☉JB 3336-83《电站设备自动化装置通用技术条件》☉GB 1207-1997《电压互感器》☉SD 325-89《电力系统电压和无功电力技术导则》☉GB11032-2000《交流无间隙金属氧化物避雷器》☉DL462-1992 《高压并联电容器用串联电抗器订货技术条件》☉GB50227-2008《并联电容器装置设计规范》☉其它有关规程和标准3、技术要求3.1功能概述装置调节控制的原则是:保证供电电压在允许变动(整定值)范围内的前提下,充分调节控制装置的无功补偿功能;在保证电压合格和无功补偿效果不变的情况下,有效的减少主变分接头的调节次数和电容器的投切次数,实现电网无功功率就地平衡,降低电网损耗,提高电压合格率。
变压器大修的主要工程有哪些?1)吊罩(芯)检查器身(铁芯、线圈、绝缘、引线、支架、切换装置等)。
(2)检修箱盖、油箱、油枕、防爆管(泄压器)、套管、冷却装置、控制箱、各部阀门和分接开关等。
3)检查处理铁芯、穿芯螺杆、接地线、呼吸器、净油器等。
4)清洗油箱内外及其附件,必要时对外表喷漆。
5)检查更换密封胶垫,消除各密封点渗、漏油。
6)处理绝缘油(滤油),必要时换油或干燥器身。
7)检验测温、控制仪表、信号和保护装置。
8)进行规定的测量和实验。
1 3.1.1 变压器的大修周期 - S, y) m/ r3 r3 d$ A 1)变压器一般在投入运行后 5 年内和以后每间隔 10 年大修再一次。
7_7 i* f0 o" i" b2 j% W 2)箱沿焊接的全密封变压器或制造厂另有规定者,若经过实验与检查并结合运行情况,判定有内部故障或本体严重渗漏时,才进行大修。
M( R$ x W 3) 在电力系统中运行的主变压器当承受出口短路后,经综合诊断分析,可考虑提前大 修。
6 h: e% n( I2 g- ?3 h) h( \ 4) 运行中的变压器,当发现异常状况或经实验判明有内部故障 时,应提前进行大修;运行正常的变压器经综合诊断分析良好,经总工程师批准,可适当 延长大修周期。
1 F7 g8 f3 。
G 3.1.2 变 压 器 的 大 修 工 程 。
y1 f2 d0 e* Z2 p3 g8 U$ V 3.1.2.1 变压器的大修工程有: 4 @4 E6 h+ Q2 W1)吊开钟罩或吊出器身检修;/ Q! z( ]- J( S* t N3 '7 o2) 线 圈 、 引 线 及 磁 ( 电 ) 屏 蔽 装 置 的 检 修 ;7 ]0 p1 C3 M! u) L* q6 }. f! O 3) 铁芯、铁芯紧固件(穿心螺杆、夹件、拉带、绑带 等)、压 钉、 连 接片及 接 地片的检修; : ~) \' p9 I) Y) Z8 M' m8 |+ V9 X# _* V4) 油 箱 及 附 件 的 检 修 , 包 括 套 管 、 吸 湿 器 等 ; & ~8 r3 }3 i$ I7 f3 Z5) 冷 却 器 、 油 泵 、 水 泵 、 风 扇 、 阀 门 及 管 道 等 附 属 设 备 的 检修 ;16) 可结合变压器大修一起进行的技术改造工程,如油箱机械强度的加强,器身内部接地装置改为外引接地,安全气道改为压力释放阀,高速油泵改为低速油泵,油位计的改 进,储油柜加装密封装置,气体继电器加装波纹管接头。
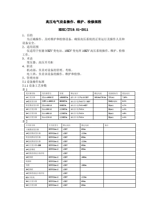
高压电气设备操作、维护、检修规程HDXC/ZY19.01-20111、目的为正确操作、及时维护和检修设备,确保高压系统的正常运行及操作人员和设备安全。
2、适用范围仅适用于恒德35KV变电站、10KV变电所10KV高压系统操作、维护、检修工作。
3、术语变压器、高压开关柜4、职责机动部:负责对设备的管理、考核。
电工班:负责该设备的操作、维护和检修。
5、管理内容5.1设备操作标准5.1.1设备工艺参数5.1.2设备操作规程5.1.2.1值班电工必须熟悉高压所有电气设备。
5.1.2.2必须经过培训考核合格,取得上岗证书,方可上岗。
5.1.2.3按操作规程操作,坚守岗位,认真准确地填写运行记录。
5.1.2.4单人值班不得单独从事修理工作。
5.1.2.5倒闸开关操作:高压进线开关及母联开关的倒闸,由操作人员填写操作票,受令人复诵无误后,监护人和操作人在操作票上签字后执行,做到一人监护一人操作,实施时,先由监护人读一条指令,操作人复诵一条,无误后执行并逐条进行,凡做完一项就在该项的序号上打“√”。
5.1.2.6其他高压开关的操作,是根据工作票或口头指令的内容填写操作票,然后二人确认无误后执行。
5.1.2.7在停电设备上验电时,应先在有电设备上验电确认电笔好用,再在停电设备上验电。
5.1.2.8使用高压验电笔时应戴上绝缘手套,穿上绝缘靴站在绝缘垫上,使用时应逐渐靠近待测设备直到靠上或电笔亮为止。
5.1.2.9在停电之后需要验电、放电、挂牌,人员方可进行检修。
5.1.2.10高压补偿装置送电之前需要检查电容器是否完好,电抗器是否完好,在电容器室人员全部离开,网门锁好,检查没有异常后,再到高压配电室合高压断路器,合好后,检查无异常声音及气味,方可离开。
5.1.2.11在确认母联及隔离柜退出(先退母联柜,后退隔离柜)情况下,1#、2#进线投入运行,在其中1路出现问题是时,在变压器受电柜及配出柜摇出情况下,再把隔离柜、母联柜摇进合上。
SF11-20000/35电力变压器技术规范书2016年10月21日1.适用范围本技术附件适用于35kV各区域变电站的SF11-20000kVA 35kV/10.5kV电力变压器。
2 总则2.1总体要求2.1.1本技术协议对所需设备的使用条件、性能参数、结构、制造、安装、试验和服务等方面提出的技术要求,是最低限度的技术要求,并未对一切技术细节做出规定,其技术条件并未充分引述有关标准和规范条文,卖方应提供满足本协议书和所有相关的IEC及GB最新有效版本标准的产品。
2.1.2 卖方提供的变压器成套设备是性能先进、质量可靠、技术成熟、稳定性好的,全新的变压器和配套设备。
2.1.3 卖方提供的变压器是一个功能完整的变压器,卖方对变压器的功能和容量满足本项目的要求完全负责,并保证能连续、稳定地安全运行。
2.1.4 本技术协议中所引用的标准如有不一致时,按较高的标准执行,卖方保证提供优于IEC GB标准的变压器。
2.1.5 本技术协议经买方、卖方双方确认后,作为订货合同的技术附件与合同文本具有同等法律效力。
2.1.6 本技术协议未尽事宜由买方、卖方双方协商解决。
2.1.7 卖方必须通过ISO9001及以上质量认证。
2.1.8 卖方注册资金不少于7000万元人民币,本项目不接受代理商、只接受制造商投标。
2.2 设备制造遵守有关规范及标准设备制造应遵守及不低于现行的、最新版本的国家及原机械部、电力部制定的有关技术规范。
国标未列部分应参照IEC标准执行。
有关国标及规范简列如下:GB1094 电力变压器GB/T6451 三相油浸式电力变压器技术参数和要求JB/T2426 发电厂和变电所自用三相变压器技术参数和要求GB311.1 高压输变电设备的绝缘配合GB/T16434 高压架空线路和发电厂、变电所环境污区分级及外绝缘选择标准GB/T 1094.7 电力变压器第7部分:油浸式电力变压器负载导则GB1208 电流互感器GB763 交流高压电器在长期工作时的发热GB5273 变压器、高压电器和套管的接线端子GB2536 变压器油GB7354 局部放电量测量GB/T 1094.4 电力变压器第4部分:电力变压器和电抗器的雷电冲击试验和操作冲击试验导则GB156 标准电压GB191 包装贮运标志GB50229 火力发电厂与变电所设计防火规范(供参考)GB5027 电力设备典型消防规程(供参考)GB 1094.3 电力变压器第3部分:绝缘水平、绝缘试验和外绝缘空气间隙GB/T1094.10 电力变压器第10部分:声级测定GB3969 35 kV以下变压器套管IEC76-1 总则IEC76-2 温升IEC76-3 绝缘水平和介质试验IEC76-5 承受短路能力以最新国家标准为优先原则执行最新版本。
澄江 35kV 变电站检修项目施工技术要求(2013 年度第一批固定资产大修理项目)一、澄江35kV 变电站标准修理内容:澄江35kV变电站检修项目包含35kV小村变、35kV海口变两个变电站,现将分为两部分进行检修内容阐述:(一) 35kV小村变1、一次设备( 1) 35kV 部份:3526、3626、3902、3011、3022 隔离开关、3组35kV避雷器、母线PT #1、#2主变、#1、#2高压侧301、302 真空断路器、CT、#1 站用变检修及预防性试验。
( 2) 10kV 部份:#1、#2 主变低压侧001、002、出线051、052、053、057、058、分段012、电容器组055 真空断路器、CT、电容器组、I、H段母线PT、避雷器检修及预防性试验;并对以上9台10kV断路器进行内部套管CT变比检验及伏安特性测试。
(3)对站内所有CT PT进行变比测试及伏安特性测试。
( 4)对35kV#1、#2 主变及#1、#2 站用变进行直流电阻、吸收比检验。
( 5)对站内5 组35kV 隔离开关、20 组10kV 隔离开关检修、调试;2 、二次设备( 1 ) 35kV#1、#2 主变、10kV 出线051 、052、053、057、058、电容器组055、分段012 保护装置全检;(2)对35kV#1、#2 主变保护装置进行差动保护检验。
(3)对35kV#1、#2 主变保护进行高、低后备装置检验及闭锁逻辑检验。
(4)对全站保护装置进行保护压板、联跳回路压板验证。
(5)对直流系统进行核对性充、放电及容量测试、活化等功能测试。
(二) 35kV海口变1、一次设备( 1) 35kV 部份:电源进线371、372 、312 SF6 断路器、CT、线路PT、避雷器、母线PT、#1站用变检修及预防性试验;并对3 台35kV SF6 断路器进行必要的露点仪测试。
( 2) 10kV 部份:#1 主变低压侧001 、出线072、073、074、076、分段012、电容器组081、083 真空断路器、CT、2 台电容器组、I、H段母线PT、电缆、避雷器检修及预防性试验;并对以上13台10kV断路器进行内部套管CT变比检验及伏安特性测试。
35kV油浸式站用变压器小修作业指导书1.目的1.1规范我局变压器专业现场检修作业行为,规范现场人员检修作业方式、方法和安全措施,提高现场检修作业安全水平,保证现场检修工作质量,提高工作效率。
1.2进一步加强变压器专业现场检修作业的指导、管理、监督,做到检修试验工作规范化、标准化。
2.范围本指导书适用于我局35kV油浸式站用变压器的小修现场作业。
3.职责3.1工作负责人3.1.1监护现场作业人员的安全;3.1.2对该检修作业结果进行审核、负责;3.1.3工作票的开工、终结办理;3.1.4施工结束后检修记录填写完整;3.1.5检修作业后检修报告的撰写。
3.2现场作业人员3.2.1自觉遵守《安规》及现场安全规定,互相关心作业安全。
3.2.2负责设备的拆接线,并认真核对。
3.2.3认真按相关规程的要求进行检定,对检测试验中发现的问题及时向工作负责人反馈,并协助工作负责人进行分析、判断。
3.3数据记录人3.3.1负责现场检修数据的记录。
3.3.2对现场检修数据的真实性负责。
4.工作程序4.1施工前作业准备及条件要求4.1.1作业前设备状况了解准备工具准备4.1.3材料准备作业施工环境条件要求4.1.4.1天气情况要求无雨。
4.1.4.2室外湿度要求90%以下。
4.2作业配备要求4.2.1绝缘梯要求有防滑装置。
4.2.2安全带要求有双保险配置。
4.3现场作业流程5.现场作业的安全、防护措施5.2作业需求的设备停电具体范围5.2.1变压器本体转检修:断开变压器两侧的开关、刀闸、对应的操作电源并取下二次侧熔丝。
5.2.2变压器本体包括各侧引线视为停电具体范围。
5.3设备接地措施具体要求5.3.1要求在变压器各侧引线装设接地线,并要求接触良好。
5.3.2要求设备外壳必须可靠接地。
5.4作业现场的临时遮栏、围网设备要求5.4.1要求相邻间隔带电部分一律用临时遮栏或围网围起来。
5.4.2要求在用临时遮栏或围网时,要有指定检修作业人员出入的口径及通道,若影响检修作业人员进出的话,工作负责人应向工作许可人提出,并作调整,方可作业。
变压器检修安全操作规程范本1. 一般要求1.1 变压器检修工作必须由具备相应资质和经验的电工或技术人员进行。
1.2 变压器检修前必须切断变压器的电源,并采取有效的安全措施,确保变压器不会误操作导致电源重新通电。
1.3 在变压器检修过程中,必须遵守相关的规定、操作规程以及安全操作规范。
1.4 变压器检修完成后,必须仔细检查各项工作是否按要求完成,确保变压器正常工作。
1.5 变压器检修期间,必须注意保持工作场所整洁,防止杂物堆积或影响安全的环境。
2. 现场准备2.1 确保检修现场没有明火或易燃物品,保持通风良好的工作环境。
2.2 准备必要的工具和设备,包括适配器、绝缘手套、绝缘梯等,确保可以安全地进行检修工作。
2.3 检查变压器是否切断了电源,并用工具测试确认变压器是否没有电流。
3. 操作步骤3.1 变压器检修开始前,必须按工作要求正确佩戴个人防护装备,包括绝缘手套、绝缘靴、防护眼镜和防护头盔等。
3.2 检修前必须确认是否存在冷却液泄漏或渗漏的情况,如果存在,必须先处理冷却液泄漏问题。
3.3 检修前必须用干净的纱布或打火机检查变压器周围是否存在可燃气体,如果存在,必须及时清除或处理。
3.4 检修前必须将变压器的接地线和电源线标清,确保标志清晰可辨。
3.5 检修变压器之前,必须先将变压器表面和内部进行清洁,防止灰尘或其他杂物影响检修过程。
3.6 变压器内部检修时,必须先检查并松动电缆连接部分的螺母,再将电缆与变压器分开,确保可以安全进入内部。
3.7 在进行内部检修时,必须确保电压降低到安全范围内,或者采取相应的安全措施,防止触电事故发生。
4. 检修注意事项4.1 检修过程中,严禁用湿手触摸变压器内部的零部件,必须保持双手干燥。
4.2 在检修过程中,必须注意掌握变压器的工作状态,防止误触开关或产生其他差错。
4.3 检修过程中,需要使用工具和设备的地方,必须确保这些工具和设备的绝缘性能良好,以防触电事故发生。
35kV电力变压器技术规范135kV电力变压器技术规范2.1使用环境条件2.1.1 周围空气温度极端最高温度41.5℃极端最低温度 -15.1℃2.1.2 海拔高度1~100m2.1.3 最大风速20m/s2.1.4 多年平均相对湿度71%2.1.5 地震动峰值加速度0.10g(地震烈度按7级考虑)2.1.6 污秽等级Ⅳ级2.1.7 覆冰厚度10mm2.1.8 系统概况2.1.8.1系统额定电压35kV2.1.8.2系统最高电压40.5kV2.1.8.3系统额定频率50Hz2.1.8.4系统中性点接地方式2.1.9 安装地2.1.9.2 35kV、6KV布置在室内。
2.1.10 电气主接线2.1.10.1 35KV电缆与变压器的方案采用单元接线,电压经变压器降至6KV,由开关柜作为变电站出线柜分别送出。
2.1.10.2 35kV、6KV母线为单母线接线,其中6KV为单母双进线柜,母线上安装PT消弧消谐成套设备。
2.2 应遵循的主要现行规范、标准GB1094 《电力变压器》GB/T6451 《三相油浸式电力变压器技术参数和要求》GB/T16274 《油浸式电力变压器机会速参数和要求500kV级》GB311.1 《高压输变电设备的绝缘配合》GB/T16434 《高压架空线路和发电厂、变电所环境污区分级及外绝缘选择标准》GB/T15164 《油浸式电力变压器负载导则》GB763 《交流高压电器在长期工作时的发热》GB2900 《电工名词术语》GB5273 《变压器、高压电器和套管的接线端子》GB2536 《变压器油》GB7328 《变压器和电抗器的声级测定》GB7449 《电力变压器和电抗器的雷电冲击和操作冲击试验导则》GB156 《标准电压》GB191 《包装贮运标志》GB50229 《火力发电厂与变电所设计防火规范》GB5027 《电力设备典型消防规程》GB4109 《交流电压高于1000V的套管通用技术条件》GB10237 《电力变压器绝缘水平和绝缘试验外绝缘的空气间隙》GB 1208 《电流互感器》GB 16847 《保护用电流互感器暂态特性技术要求》DL/T 725 《电力用电流互感器订货技术条件》GB/T5582 《高电压电力设备外绝缘污秽等级》GB50150 《电气装置安装工程电气设备交接试验标准》JB/T5356 《电流互感器试验导则》GB/T 1804 《一般公差未注公差的线性和角度尺寸的公差》GB 4208 《外壳的防护等级(IP代码)》GB/T 11022 《高压开关设备和控制设备标准的共用技术条件》GB1985 《交流高压隔离开关和接地开关》GB/T5582 《高压电力设备外绝缘污秽等级》GB 4585.2 《交流系统用高压绝缘子人工污秽试验方法固体层法》GB/T 13540 《高压开关设备抗地震性能试验》DL/T 593 《高压开关设备的共用订货技术条件》GB8287.1 《高压支柱瓷绝缘子第一部分:技术条件》GB/T8287.2 《高压支柱瓷绝缘子第二部分:尺寸与特性》GB11604 《高压电器设备无线电干扰测试方法》DL/T486 《交流高压隔离开关和接地开关订货技术条件》GB 7354 《局部放电测量》GB 11032 《交流无间隙金属氧化物避雷器》JB/Z336 《避雷器用橡胶密封件及材料规范》GB772 《高压电瓷元件技术条件》DL/T620 《交流电气装置的过电压保护和绝缘配合》《防止电力生产重大事故的二十五项重点要求》(以上标准均执行最新版本)2.3 变压器基本技术参数2.3.1 型式:三相、双线圈、铜导线绕制、有载调压、高阻抗、低损耗、油浸式全密封将压变压器。
第5章10KV(35KV)变压器检修作业指导书太原血管科电源预备组一次电压为10000伏时,低压电缆接a2x1端子,输出电压额定为230伏。
10KV单相变压器低压端子只能连接到端子a和端子x(不同名称端),当a1和a2、x1和x2(相同名称端)连接时,没有正常的输出电压6.1.6防爆和气体保护6.1.6.1检查减压阀状况良好6.1.6.2变压器带气体保护,检查气体保护动作6.1.7外壳、散热器、储油柜6.1.7.1外壳和散热器外观良好,无变形和损坏。
清洗外壳和散热器,除锈和防腐6.1.7.2储油柜a)油位计玻璃完好、清洁、透明,油位指示正确。
油位有3个标记:+40℃、+20℃、-30℃b)油枕各部不应有泄漏现象c)在下部储油柜淀积器和储油柜的连接处有一个小斜坡,使水或杂质容易流入淀积器检查存款人,释放污垢和水,并放少量的油,看看是否有杂质和水第11页,14页太原市血管供电筹备小组d)加湿器中的普通硅胶为淡蓝色圆形颗粒,吸湿后呈粉红色硅胶明显吸湿变色时应更换。
普通油位计:油质清晰,油位正常,周围无漏油现象。
全密封管状油位指示器:油位正常时窗口为蓝色,油位不足时窗口为红色。
如果受潮严重,更换硅胶止回阀e)处理漏油,更换老化的密封圈(垫);当没有相同规格的专用密封圈(垫片)时,应按原规格切割清洗后使用专用耐油材料。
6.2干式变压器6.2.1变压器应水平安装,地脚螺栓应紧固,底座应可靠接地第12页共页,第14页共页太原血管供电预备组干式变压器停电后检修前,注意装置本体的高温以防烫伤。
6.2.2风道通畅,无异物,通风机运转正常。
6.2.3绝缘电阻测量参考值:一次对二次和对地(壳)的绝缘电阻应采用2500伏兆欧表测量,一般不小于300兆欧表;用500伏或1000伏兆欧表测量二次对地绝缘电阻一般不低于100兆欧表6.2.4变压器输出电压应根据产品规格或铭牌进行调整6.2.4.1常见的五档分接开关的范围为5%,每个档位的调整为2.5%:1-2档/10500伏、2-3档/10250伏、3-4档/10000伏、4-5档/9750伏、5-6档/9500伏。
10KV配电变压器检修作业指导书标准版本【作业指导书】1. 概述本作业指导书旨在规范10KV配电变压器的检修作业流程,确保作业安全、高效进行。
本指导书适用于所有10KV配电变压器的检修作业。
2. 作业前准备2.1. 确保所有相关设备和工具完好并符合安全要求。
2.2. 检查变压器周围环境,确保无明火、易燃物等危险物品。
2.3. 检查变压器的运行状态,确保变压器已停止运行并切断所有电源。
3. 作业流程3.1. 断电操作3.1.1. 根据工作票要求,切断变压器的输入电源。
3.1.2. 使用电压表或电流表确认变压器已断电。
3.1.3. 将断电情况记录在工作票上,并通知相关人员。
3.2. 检查变压器外观3.2.1. 检查变压器外壳是否有损坏、漏油等情况。
3.2.2. 检查变压器的冷却装置是否正常运行。
3.2.3. 检查变压器的接地装置是否完好。
3.3. 检查绝缘状况3.3.1. 使用绝缘电阻表检查变压器的绝缘电阻是否符合要求。
3.3.2. 检查变压器绝缘子的表面是否有污秽或损坏。
3.4. 清洁作业3.4.1. 使用干净的布或刷子清洁变压器外壳和绝缘子表面。
3.4.2. 清除变压器周围的杂物和灰尘。
3.5. 检查接线端子3.5.1. 检查变压器的接线端子是否松动或腐蚀。
3.5.2. 使用扳手或扭力扳手紧固接线端子,确保接触良好。
3.6. 检查油位和油质3.6.1. 检查变压器油位是否在正常范围内。
3.6.2. 使用油位计或油温计检查变压器油质是否正常。
3.6.3. 如有需要,更换变压器油。
3.7. 检查冷却系统3.7.1. 检查冷却系统的水泵、风扇等设备是否正常运行。
3.7.2. 检查冷却水的流量和温度是否正常。
3.7.3. 如有需要,清洗或更换冷却系统中的滤网。
3.8. 检查保护装置3.8.1. 检查变压器的保护装置是否正常工作。
3.8.2. 检查保护装置的设置参数是否符合要求。
3.9. 作业结束3.9.1. 将变压器的检修情况记录在工作票上。
35KV电炉变及10KV升压补偿变压器检修技术规范书
一、设备现状:
乌化电石炉变压器自2012年试验、调试结束后一直未送电投运,目前
存在个别变压器变压器油箱、二次侧、箱沿、有载分接开关、油管路不同程
度渗油、缺油现象,为消除变压器存在隐患,保证投产后变压器的安全正常
运行,需对变压器做必要的检修工作。
现场表面发现的及可能存在的隐患:
1、变压器绝缘及油受潮
2、变压器缺油
3、变压器油箱、二次侧、箱沿、有载分接开关、油管路多点渗漏油
4、变压器密封垫老化
5、变压器有载分接开关受潮
6、冷却系统问题
二、工程内容:
1、工程名称:1#、2#、5#、6#炉35KV电炉变及10KV升压补偿变压器检修
2、工程地点:乌海中联化工有限公司厂区内。
3、工程内容:35KV电炉变及10KV升压补偿变压器检修(包括12台35KV 13500KVA单相电炉变及12台10KV 8000KVA单相升压补偿变)
3.1 变压器检修内容及方案:
3.1.1、变压器检修前或检修过程中乙方认为必要的变压器绝缘电阻、直流电阻、变比、油耐压、微水、油色谱的分析试验(最终的变压器运行前高压试验甲方已外委试验单位完成);
3.1.2、变压器油箱及附件的检修:包括套管、吸湿器等;
3.1.3、冷却器、油泵、水泵、风扇、阀门及管道等附属设备检修;
3.1.4、安全系统校验(温度计、瓦斯继电器、压力释放阀、油位计);
3.1.5、有载分接开关的吊芯检修;(乙方认为必要时)
3.1.6、变压器的绝缘干燥处理;
3.2补偿水冷输电电缆支撑固定
我公司电炉变压器无功补偿方式为10KV反升压补偿方式(电炉变压器二次侧与10KV补偿变压器二次侧通过水冷输电电缆连接),前期补偿水冷输电电缆安装不规范,电缆未做固定支撑,使变压器二次端承重,端头存在向下倾斜的现象,(也存在施工单位二次短网连接时安装的不规范),导致个别变压器二次端头存在渗漏油,要求施工方制定切实可行的补偿水冷输电电缆固定支撑方案,防止二次端向下承重。
3.3 变压器器身及油水冷却系统的清洁工作
变压器检修工作完成后,必须保证变压器器身及油水冷却系统外部清洁,无油渍、油泥。
三、施工工期:
1、1#、2#炉35KV电炉变及10KV升压补偿变压器检修于合同签订后18日内完成,具备送电条件。
2、5#、6#炉35KV电炉变及10KV升压补偿变压器检修于合同签订后40日内完成,具备送电条件。
四、质量标准:
1、工程质量标准:严格执行国家和电力行业的有关标准及规范,乙方必须保证变压器检修后具备安全送电运行条件,且保证消除存在任何可能使变压器运行存在故障及缺陷的隐患。
2、质保期为送电投运后壹年,质保期内,若变压器出现运行故障,经故障分析是变压器检修缺陷导致的,乙方应在接到通知后24小时内,无条件进行返工或维修。
五、检修调试合格报告:
检修合格后乙方向甲方提交检修调试合格报告3套。
六、其它:
1、乙方需到中联公司现场考察后根据变压器实际现状做出合理的检修方案及最终报价;
2、乙方技术投标书中必须列明详细的检修方案及检修项目;
3、乙方必须保证在变压器检修结束后能通过甲方外委试验单位对变压器高压试验的检测能够合格,具备送电条件。
4、本技术规格书经甲、乙方双方签字生效后,与合同正文具有同等的法律效力,未尽事宜双方可签订补充协议或协商解决。
甲方(盖章):乙方(盖章):
乌海中联化工有限公司
代表签字:代表签字:
地址:乌海市海南区希望化工园区地址:
电话:电话:
传真:传真:
邮编:016031 邮编:
Email : Email:。