验收检查表
- 格式:docx
- 大小:42.14 KB
- 文档页数:8
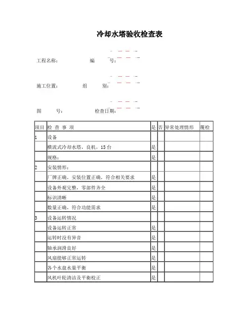
冷却水塔验收检查表工程名称:编号:施工位置:组别:图号:检查日期:项目检查事项是否异常处理情形覆检1 设备横流式冷却水塔,良机,15台是规格:是2 安装情形:厂牌正确,安装位置正确,符合相关要求是设备外观完整,零部件齐全是标识清晰是数量正确,符合功能需求是3 设备运转情况设备运转正常是运转时没有异音是轴承润滑良好是风扇能够正常运转是各个水盘水量平衡是风机叶轮清洁及平衡校正是浮球调整至既定位置是缺失说明及批示:业主方监理方施工方空调水泵验收检查表工程名称:编号:施工位置:组别:图号:检查日期:项目检查事项良好异常异常处理情形覆检1 空调水设备冰机――水泵冷却水泵 1台良好水泵型号:GISO 150*125-315-37/4冷却水泵 4台良好水泵型号:GISO 250*200-315-75/4冷冻水泵 1台良好水泵型号:GISO 150*125-315-37/4冷冻水泵 4台良好水泵型号:GISO 250*200-315-75/42 安装情形厂牌正确,安装位置正确,符合相关要求良好设备外观完整良好标识清晰良好数量正确,符合功能需求良好3 设备运转情况良好设备运转正常良好轴承润滑良好良好水泵扬程符合要求良好水泵流量符合要求良好水泵运转电流符合要求良好轴承运转最高温度符合要求良好缺失说明及批示:业主方监理方施工方空调水泵验收检查表工程名称:编号:施工位置:组别:图号:检查日期:设备验收检查表工程名称:编号:施工位置:组别:图号:检查日期:项目检查事项良好异常异常处理情形覆检1 设备空压机空压机 1台良好型号:ZR55-10空压机 1台良好型号:ZR75-10压缩空气干燥机1台良好型号:PE-400(编号:CN0252627)压缩空气干燥机1台良好型号:PE-400(编号:CN0252626)2 安装情形厂牌正确,安装位置正确,符合相关要求良好设备外观完整良好标识清晰良好数量正确,符合功能需求良好3 设备运转情况设备运转正常良好缺失说明及批示:业主方监理方施工方设备验收检查表工程名称:编号:施工位置:组别:图号:检查日期:项目检查事项良好异常异常处理情形覆检1 设备砂滤系统砂滤罐 1台良好型号:SG-DG-1000燃气锅炉 1台良好型号:BOV 3000冷冻水定压补水装置 1台良好型号:SQL2.7/3.3-2(编号:C-11-208)热水定压补水装置 1台良好型号:SQL2.0/1.8-2(编号:1133-46)2 安装情形厂牌正确,安装位置正确,符合相关要求良好设备外观完整良好标识清晰良好数量正确,符合功能需求良好3 设备运转情况设备运转正常良好补水泵轴承润滑良好良好补水泵扬程符合要求良好补水泵流量符合要求良好补水泵运转电流符合要求良好缺失说明及批示:业主方监理方施工方空调箱验收检查表工程名称:编号:施工位置:组别:图号:检查日期:项目检查事项良好异常异常处理情形覆检数量正确,符合功能需求3 设备运转情况电机正常运转轴承润滑良好皮带松紧度符合要求缺失说明及批示:业主方监理方施工方FFU验收检查表工程名称:编号:施工位置:组别:图号:检查日期:项目检查事项良好异常异常处理情形覆检1 FFU设备2 安装情形厂牌正确,安装位置正确,符合相关要求设备外观完整数量正确,符合功能需求3 设备运行情况设备运转正常设备运转无异音缺失说明及批示:业主方监理方施工方干盘管验收检查表工程名称:编号:施工位置:组别:图号:检查日期:项目检查事项良好异常异常处理情形覆检1 干盘管设备干盘管自主检查表工程名称:编号:施工位置:组别:图号:检查日期:项目检查事项良好异常异常处理情形覆检2 安装情况:厂牌正确,安装位置正确,符合相关要求设备外观完整,零部件齐全标识清晰数量正确,符合功能需求3 设备运行情况设备运行正常缺失说明及批示:业主方监理方施工方FCU自主检查表工程名称:编号:施工位置:组别:图号:检查日期:项目检查事项良好异常异常处理情形覆检1 FCU设备FCU 厂牌:规格型号:数量:台2 安装情况厂牌正确,安装位置正确,符合图纸要求设备外观完整,零部件齐全标识清晰数量正确,符合功能需求3 设备运行情况设备运行正常设备无异音缺失说明及批示:业主方监理方施工方空调风系统验收检查表工程名称:编号:施工位置:组别:图号:检查日期:项目检查事项良好异常异常处理情形覆检1 风管材料是够符合送审资料2 风管制作是否符合规范要求3 风管大小及位置是否与设计图纸一致4 风管之吊杆是否垂直无歪斜。
检查表1:海螺期子项竣工验收检查登记表子项名称:石灰石破碎及输送参加验收人员会签:施工单位:监理公司:业主公司(含工程处及分厂):工程部驻厂:检查表2:芜湖海螺三期子项竣工验收检查登记表子项名称:A线石灰石堆场、辅料堆场及输送参加验收人员会签:施工单位:监理公司:业主公司(含工程处及分厂):工程部驻厂:检查表3:海螺期子项竣工验收检查登记表子项名称:石灰石堆、原煤储存及输送(圆型堆场)参加验收人员会签:施工单位:监理公司:业主公司(含工程处及分厂):工程部驻厂:检查表4:海螺期子项竣工验收检查登记表子项名称:砂岩破碎及输送参加验收人员会签:施工单位:监理公司:业主公司(含工程处及分厂):工程部驻厂:检查表5:海螺期子项竣工验收检查登记表子项名称:联合储库参加验收人员会签:施工单位:监理公司:业主公司(含工程处及分厂):工程部驻厂:检查表6 海螺期子项竣工验收检查登记表子项名称:原料调配库及至喂料楼输送参加验收人员会签:施工单位:监理公司:业主公司(含工程处及分厂):工程部驻厂:检查表7 海螺期子项竣工验收检查登记表子项名称:原料粉磨及废气解决(涉及喂料楼、旋风收尘、增湿塔、窑尾电收尘及周边设备基本和风管支架)参加验收人员会签:施工单位:监理公司:业主公司(含工程处及分厂):工程部驻厂:检查表8 海螺期子项竣工验收检查登记表子项名称:窑头、窑尾烟囱参加验收人员会签:施工单位:监理公司:业主公司(含工程处及分厂):工程部驻厂:检查表9 海螺期子项竣工验收检查登记表子项名称:生料库参加验收人员会签:施工单位:监理公司:业主公司(含工程处及分厂):工程部驻厂:检查表10:海螺期子项竣工验收检查登记表子项名称:窑中、窑头及熟料库参加验收人员会签:施工单位:监理公司:业主公司(含工程处及分厂):工程部驻厂:检查表11 海螺期子项竣工验收检查登记表子项名称:熟料库参加验收人员会签:施工单位:监理公司:业主公司(含工程处及分厂):工程部驻厂:检查表12:海螺期子项竣工验收检查登记表子项名称:煤粉制备及输送参加验收人员会签:施工单位:监理公司:业主公司(含工程处及分厂):工程部驻厂:检查表13 海螺期子项竣工验收检查登记表子项名称:熟料散装库及水泥磨熟料输送参加验收人员会签:施工单位:监理公司:业主公司(含工程处及分厂):工程部驻厂:检查表14:海螺期子项竣工验收检查登记表子项名称:水泥粉磨及输送参加验收人员会签:施工单位:监理公司:业主公司(含工程处及分厂):工程部驻厂:检查表15 海螺期子项竣工验收检查登记表子项名称:粉煤灰库参加验收人员会签:施工单位:监理公司:业主公司(含工程处及分厂):工程部驻厂:检查表16 海螺期子项竣工验收检查登记表子项名称:水泥库参加验收人员会签:施工单位:监理公司:业主公司(含工程处及分厂):工程部驻厂:检查表17:海螺期子项竣工验收检查登记表子项名称:水泥包装参加验收人员会签:施工单位:监理公司:业主公司(含工程处及分厂):工程部驻厂:检查表18 海螺期子项竣工验收检查登记表子项名称:水泥散装库参加验收人员会签:施工单位:监理公司:业主公司(含工程处及分厂):工程部驻厂:检查表19:海螺期子项竣工验收检查登记表子项名称:石膏/混合材堆棚/原煤卸车堆棚参加验收人员会签:施工单位:监理公司:业主公司(含工程处及分厂):工程部驻厂:检查表20:海螺期子项竣工验收检查登记表子项名称:厂区水泵房参加验收人员会签:施工单位:监理公司:业主公司(含工程处及分厂):工程部驻厂:检查表21:海螺期子项竣工验收检查登记表子项名称:厂区独立电力室参加验收人员会签:施工单位:监理公司:业主公司(含工程处及分厂):工程部驻厂:检查表22:海螺期子项竣工验收检查登记表子项名称:厂前区办公楼及专家公寓参加验收人员会签:施工单位:监理公司:业主公司(含工程处及分厂):工程部驻厂:检查表23:海螺期子项竣工验收检查登记表子项名称:厂前区宿舍楼参加验收人员会签:施工单位:监理公司:业主公司(含工程处及分厂):工程部驻厂:检查表24:海螺期子项竣工验收检查登记表子项名称:汽轮机房参加验收人员会签:施工单位:监理公司:业主公司(含工程处及分厂):工程部驻厂:。
基础验收检查表1. 项目基本信息- 项目名称:[填写项目名称]- 项目经理:[填写项目经理姓名]- 验收日期:[填写验收日期]2. 文档准备- [ ] 项目需求文档已准备完毕,并与各利益相关方进行了确认。
- [ ] 项目计划文档已准备完毕,并包含了关键里程碑和资源分配计划。
- [ ] 各功能模块的设计文档已准备完毕,并经过评审和确认。
3. 环境准备- [ ] 开发环境已搭建完毕,包括开发工具、开发框架等。
- [ ] 测试环境已搭建完毕,包括测试工具和测试数据。
- [ ] 生产环境已搭建完毕,包括服务器、网络等。
4. 编码实现- [ ] 代码仓库已创建,并与团队成员共享。
- [ ] 代码规范已制定,并在团队内得到遵守。
- [ ] 开发人员已完成编码工作,并进行了自测。
5. 功能测试- [ ] 测试用例已准备完毕,并与对应的功能模块进行了关联。
- [ ] 功能测试人员已进行了功能测试,并记录了测试结果。
- [ ] 测试结果与预期需求进行比对,并得到了确认。
6. 性能测试- [ ] 性能测试用例已准备完毕,并与性能要求进行了匹配。
- [ ] 性能测试人员已进行了性能测试,并记录了测试结果。
- [ ] 测试结果符合性能要求,并得到了确认。
7. 安全测试- [ ] 安全测试用例已准备完毕,并与安全需求进行了匹配。
- [ ] 安全测试人员已进行了安全测试,并记录了测试结果。
- [ ] 测试结果符合安全需求,并得到了确认。
8. 用户验收- [ ] 项目相关方已进行了用户验收并记录了反馈结果。
- [ ] 用户反馈与预期需求进行比对,并得到了确认。
9. 上线准备- [ ] 上线前的检查项已准备完毕,并得到了确认。
- [ ] 上线前的数据迁移、备份等准备工作已完成。
10. 上线交付- [ ] 项目上线已完成,并记录了上线时间和相关信息。
- [ ] 项目交付给维护团队,并得到了确认。
以上是基础验收检查表的内容,希望对项目验收过程有所帮助。
单位工程竣工验收检查表一、建设单位基本情况
建设单位名称:
建设单位地址:
建设单位联系方式:
二、工程基本情况
工程名称:
工程地点:
建设工期:
竣工日期:
建筑面积:
三、竣工验收检查内容
本次竣工验收检查内容包括以下几个方面:
1. 工程设计文件的审查
* 工程设计文件是否符合国家法律法规和建筑工程规范的要求* 工程设计文件是否符合建设工程规划许可证审批文件的要求* 工程设计文件是否符合工程建设的实际要求
2. 工程施工质量的检查
* 工程施工的质量控制是否符合有关规定
* 工程施工中是否存在质量安全事故
3. 安全生产的检查
* 工程是否按照安全生产规定施工
* 工程中是否存在安全生产方面的问题
4. 工程材料的检查
* 工程材料是否符合有关规定和标准
* 工程材料是否具有质量合格证明
5. 工程设备安装的检查
* 工程设备是否符合有关规定和标准
* 工程设备的安装是否符合规范
四、检查结论
1. 符合验收要求
__□__ 本工程的设计、施工、材料、设备、安全等方面均符合国家和行业相关标准及规范的要求。
2. 不符合验收要求
__□__ 本工程存在不符合国家、地方标准和规范的问题,需要进行整改。
五、竣工验收检查人员签字
建设单位:______
检查人员:______
日期:______。
施工要求内甲类:二类高于20%乙类:二类低于20%丙类:无二类问题甲:合格;乙:中;丙:1、无甲类问题,乙类低2、有甲类但比例低于203、丙类比例高于20%或丙样板间内部验收检查表 施工单位 楼 单元 号质量等级评定(A级/B级/C级)面砖、石材) 施工单位 楼 单元 号质量等级评定(A级/B级/C级)木复合地板) 施工单位 楼 单元 号质量等级评定(A级/B级/C级)合地板) 施工单位 楼 单元 号质量等级评定(A级/B级/C级)(墙面饰面板(石材、金属面板)安装) 施工单位 楼 单元 号质量等级评定(A级/B级/C级)(内墙面饰面砖粘贴) 施工单位 楼 单元 号质量等级评定(A级/B级/C级)(裱糊) 施工单位 楼 单元 号质量等级评定(A级/B级/C级)(木饰板) 施工单位 楼 单元 号质量等级评定(A级/B级/C级)(乳胶漆) 施工单位 楼 单元 号质量等级评定(A级/B级/C级)(吊顶) 施工单位 楼 单元 号质量等级评定(A级/B级/C级)墙(骨架隔墙) 施工单位 楼 单元 号质量等级评定(A级/B级/C级)墙(玻璃板隔断、淋浴屏) 施工单位 楼 单元 号质量等级评定(A级/B级/C级)墙(玻璃砖隔墙) 施工单位 楼 单元 号质量等级评定(A级/B级/C级)程(门窗套安装) 施工单位 楼 单元 号质量等级评定(A级/B级/C级)程(窗帘盒、窗台板和散热器罩安装) 施工单位 楼 单元 号质量等级评定(A级/B级/C级)程(花饰) 施工单位 楼 单元 号质量等级评定(A级/B级/C级)及厨房设备 施工单位 楼 单元 号质量等级评定(A级/B级/C级)备及五金配件 施工单位 楼 单元 号质量等级评定(A级/B级/C级)气 施工单位 楼 单元 号质量等级评定(A级/B级/C级) 施工单位 楼 单元 号质量等级评定(A级/B级/C级)调 施工单位 楼 单元 号质量等级评定(A级/B级/C级)施工单位 楼 单元 号样板间内部验收检查质量综合评定表(汇总)分类分级、整改复查单位的说明类:合格:二类:除三类问题外;三类1、严重安全隐患2、因施工方法、工序、成品保护不不能修复的质量问题4、最终观感过于粗糙 5、影响使用功能级:无三类质量问题,二类质量问题项数在各单项表中均少于20%。
工程验收专项检查表项目基本信息
- 项目名称:
- 验收日期:
- 验收人员:
- 建设单位:
- 项目经理:
- 监理单位:
- 设计单位:
检查内容
1. 工程进度
- [ ] 项目是否按照合同规定的时间进度进行?- [ ] 各施工阶段是否按照施工计划进行?
- [ ] 施工中是否存在延期施工的情况?
- [ ] 进度是否受到不可抗力因素影响?
2. 工程质量
- [ ] 施工过程中是否存在质量问题?
- [ ] 施工材料是否符合规范要求?
- [ ] 完成的工程是否符合设计图纸和规范要求?
3. 施工安全
- [ ] 施工现场是否设置了安全警示标志?
- [ ] 施工人员是否穿戴个人防护设备?
- [ ] 施工现场是否存在安全隐患?
4. 设备安装
- [ ] 设备安装是否按照设计要求进行?
- [ ] 设备操作是否安全可靠?
- [ ] 设备是否符合相关标准和规定?
5. 工程环保
- [ ] 施工现场是否存在环境污染?
- [ ] 施工过程中是否采取环保措施?
- [ ] 是否按照规定进行固体废弃物的处理?检查结果
1. 总体评价
- [ ] 验收结果:合格 / 不合格 / 待定
- [ ] 如不合格,列出存在问题以及整改要求:2. 验收意见
- [ ] 验收人员意见:
- [ ] 建设单位意见:
- [ ] 监理单位意见:
备注
- 特殊事项说明:
- 其他需要注意的问题:
以上是《工程验收专项检查表》的内容,请各相关人员认真填写,并在验收完成后签字确认。
工程竣工联合验收检查表(楼内观感)验收部位楼单元(房号)验收日期记录人参加人员序号检查项目检查内容检查方法检查标准验收情况1室内/公区涂料目测检查:从正面1米距离和侧面观察表面观感质量。
工具:强光手电筒。
1、阴阳角不顺直、大小头;2、涂料大面出现刷痕、波浪纹、流挂;3、有锈斑、砂眼、裂纹;4、有色差、污染、划伤、破损;5、墙面涂料与其他材料交接处收口粗糙现象;6、灯具、开关插座、报警设施装饰面板周边存在孔隙;2 瓷砖/石材目测检查:正立面距墙1米距离,观察表面观感质量。
1、表面污染、划伤、蹦边、断裂、明显色差等现象;2、瓷砖/石材排版不合理,勾缝宽度宽窄不一、不密实、阴阳角直线不顺直,大面拼接缝直线不平顺;3、墙面开关插座、报警设施装饰面板周边存在孔隙;4、墙地面瓷砖、石材与其他材料交接处收口不美观、歪斜;3 单元门/信报箱/消防箱/防火门/管井门/入户门目测检查:正立面距墙1米距离。
测试:安装是否牢固及门锁开启是否正常,观感是否满足要求。
1、表面污染、破损、锈蚀、裂缝、划伤;2、木质门面油漆透底,色差明显;3、安装不牢固、门锁开启不正常4、门框或者门套线与墙面不贴合、收口粗糙;5、门套、贴脸线条不方正、拼角毛糙、存在明显高低差;4 照明等终端目测检查:正常观察。
工具:自备床头小插灯、电笔。
1、照明灯具安装高度合理、安装稳固、排布规则;2、消防疏散指示灯具,安装美观、方正,无外露底盒,安装位置正确;3、消防报警设置、开关面板、插座等安装方正,无歪斜、凸出墙面、脱落等现象;4、通风、排烟口、消火栓箱与墙面收口部位美观无粗糙现象;5室内/公区楼梯间目测检查:在楼梯间正常行走观察。
测试:天地墙表面质量是否符合观感质量要求,节点、构造是否符合构造标准要求。
1、楼梯踏步、踢脚线破损2、扶手固定不牢,松动、污染、安全高度不足;3、墙面/顶棚不平顺、污染、锈斑、裂缝;4、休息平台跟电梯前室的高低差不明显、不符合集团标准;5、转角平台宽度、踏步及梯段净高满足强制性标准要求;6 电梯目测检查:在电梯间正中间观察。
验收检查表
您好!验收检查表,也称为验收表或验收记录表,是用于对某项工作、项目、产品或服务进行验收的一种工具。
它通常包含了详细的项目要求和验收标准,以便检查和评估工作的完成情况。
验收检查表的内容可以根据具体项目的要求而有所不同,但通常会包括以下几个方面的内容:
1. 项目信息:包括项目名称、编号、验收日期等基本信息。
2. 验收标准:列出项目的验收标准和要求,以便进行比对和评估。
3. 检查项:根据验收标准,列出具体的检查项,用于逐项检查工作的完成情况。
4. 结果评定:根据实际情况,对每一项检查结果进行评定,通常包括合格、不合格、待改进等评定结果。
5. 备注:在验收过程中,可以记录一些需要特别说明的情况或问题。
验收检查表的使用有助于确保工作的质量和符合要求,提高工作效率,减少错误和纠纷的发生。
在使用验收检查表时,建议严格按照验收标准进行检查,并将评定结果和问题记录清楚,以便后续的跟进和改进工作。
如果您需要具体的验收检查表模板或更详细的信息,请告诉我具体的项目或领域,我可以为您提供更准确的帮助。
工程验收检查表该检查表用于对工程项目进行最终验收,以确保工程质量符合相关标准和要求。
以下是需要进行的检查项目和相应的评估标准。
项目背景信息- 项目名称:[项目名称]- 项目地点:[项目地点]- 项目负责人:[项目负责人]- 验收日期:[验收日期]检查项目1. 工程施工质量- 评估标准:工程是否按照设计和规范要求进行施工,施工质量是否达到预期水平。
- 评估内容:- 施工过程中是否存在质量问题或缺陷。
- 施工是否按照设计图纸和相关规范进行。
- 构件和材料是否符合要求。
- 施工过程中是否存在违规行为。
- 施工安全是否得到有效控制。
2. 工程设备安装- 评估标准:工程设备是否按照设计要求进行安装,功能是否正常。
- 评估内容:- 是否按照设备安装图纸进行设备安装。
- 设备是否正常运行。
- 设备是否满足相关标准和要求。
- 安装是否符合安全规范。
3. 工程环境评估- 评估标准:工程项目是否对环境造成污染或破坏。
- 评估内容:- 工程施工过程中是否存在环境污染问题。
- 工地周围环境是否受到破坏。
- 施工过程中是否存在对环境的不良影响。
4. 工程交付和验收文件- 评估标准:工程所有交付和验收文件是否齐全、准确。
- 评估内容:- 施工合同和其他相关合同是否完整。
- 施工完成图纸、技术资料和设备使用说明书是否齐全。
- 工程结算文件是否准确。
- 工程保修文件是否完备。
评定结果根据对以上检查项目的评估,以下是对工程项目的最终评定结果。
- 施工质量:[评定结果]- 设备安装:[评定结果]- 环境评估:[评定结果]- 交付和验收文件:[评定结果]备注在进行验收时,如果发现任何问题或不符合要求的地方,请在备注部分详细记录,以便整改和补救。
分户验收检查表(九)
检查项目
•[ ] 房屋外墙检查
•[ ] 房屋内墙检查
•[ ] 门窗检查
•[ ] 水电设施检查
•[ ] 客厅检查
•[ ] 卫生间检查
•[ ] 厨房检查
•[ ] 卧室检查
•[ ] 客餐厅检查
检查详情
•房屋外墙检查
–外墙是否有开裂、渗水等情况。
•房屋内墙检查
–内墙是否平整,有无涂料开裂等情况。
•门窗检查
–门窗是否能正常打开、关闭,有无漏风现象。
•水电设施检查
–检查水龙头、电源插座是否正常使用,有无漏水、漏电等情况。
•客厅检查
–客厅装修是否符合预期,家具摆放是否合理。
•卫生间检查
–卫生间排水是否通畅,有无漏水现象。
•厨房检查
–厨房设施是否完好,操作是否方便。
•卧室检查
–卧室通风是否良好,床和床品是否整洁。
•客餐厅检查
–客餐厅装修是否符合预期,餐桌和椅子是否稳固。
备注
•其他需要注意的事项或发现的问题,请在此处备注。
工作保障落实情况检查表
县级行政区名称:(S
检查员:检查日期:年月日
承包经营权调查成果完成情况检查表
县级行政区名称:(S2,满分为100分)
承包经营权调查成果面积精度检查表
检查员:检查日期:年月日
承包经营权调查成果界址点精度检查表
检查员:检查日期:年月日
承包经营权登记成果完成情况检查表
县级行政区名称:(S3,满分为100分)
检查员:检查日期:年月日
表10 农村土地承包管理信息化建设成果完成情况检查表
县级行政区名称:(S
检查员:检查日期:年月日
总体完成情况检查表
单位:个、户、公顷。