岩石锚喷支护设计计算书
- 格式:docx
- 大小:36.45 KB
- 文档页数:4
新光集团淮北刘东煤矿岩巷锚喷支护设计一、设计原始资料:巷道断面:半圆拱形,净宽2.8m ,毛宽3.0m ;净高2.94m ,毛高3.04m 。
围岩f=4。
巷道埋深300米。
二、支护设计(一)锚杆支护设计由于锚杆的支护理论较多,适用条件比较复杂,其中影响较大的有悬吊理论、组合梁理论、加固理论、松动圈理论等,这里根据《作业规程编制指南》P27表四的规定以悬吊理论进行计算。
断面按悬吊理论计算锚杆参数:1、锚杆长度计算:L = KH + L 1 + L 2式中:L — 锚杆长度,m ;H — 冒落拱高度,m ;K — 安全系数,一般取K=2;L 1 — 锚杆锚入稳定岩层的深度,一般按经验取≥0.3m ,这里取0.5m ;L 2 — 锚杆在巷道中的外露长度,一般取0.1m ;其中H 值根据普氏免压拱高(f ≥3时)的计算公式计算为: H = = = 0.375(m) 式中:B — 巷道开掘宽度,取3.0m ; f 2B 423.0LK Qγf — 岩石坚固性系数,粉砂岩取4;则L =2×0.375+0.5+0.1=1.35(m)考虑到围岩条件的复杂性及安全因素,取1.8米。
2、锚杆直径计算:式中:d —锚杆直径,mm ;Q —锚杆设计的锚固力,取60KN ;σt —杆体的抗拉强度, 490MPa ;则d=12.5mm,取锚杆直径18mm 。
3、锚杆间距、排距计算,通常间排距相等,取a :a = 式中:a — 锚杆间排距,m ;Q — 锚杆设计锚固力,60KN/根;γ— 被悬吊粉砂岩的重力密度,取25KN/m 3;K — 安全系数,一般取K=1.8;L —锚杆有效长度,根据前面的计算,为0.75m ; a= =1.33(m)a 取800mm 。
通过以上计算,结合我矿的支护实践,该断面巷道锚杆支护选用直径18mm 、长度1800 mm 的左旋无纵筋螺纹钢树脂锚杆,巷道锚杆间排距为800×800mm 。
岩石锚喷支护设计计算书计算依据:1、《建筑基坑支护技术规程》JGJ120-20122、《建筑边坡工程技术规范》GB50330-20133、《建筑施工计算手册》江正荣编著一、设计简图岩石锚喷支护设计示意图二、基本计算参数边坡岩体类型Ⅰ类岩质边坡边坡土体重度(kN/m3) 19 边坡斜面倾角(°) 50 边坡顶部均布荷载(kN/m2)10岩石侧向压力合力水平分力标准值边坡高度H(m) 2020E hk(kN/m)边坡工程安全等级三级边坡边坡工程重要性系数(r o) 1四、岩石锚喷支护设计计算岩质边坡采用锚喷支护时,整体稳定性计算及锚杆计算应符合以下规定:第1 层锚杆的计算:1、岩石压力水平分力标准值和锚杆所受水平拉力标准值可按下式计算:e hk=E hk/H=20.00/20.00=1.00kN/m2H tk=e hk×s xj×s yj=1.00×2.00×2.00=4.00kN2、锚喷支护边坡时,锚杆的轴向拉力承载力标准值和设计值可按下式计算:N ak=H tk/cosα=4.00/cos15=4.14 kNN a=r Q×N ak=1.30×4.14=5.38 kN3、锚杆的杆体计算:A s≥r0×N a/(ζ2×f y)=1.00×5.38/(0.69×215000.00)×1000000=36.29 mm2所需钢筋根数n≥A s/ (3.142×d×d/4)=36.29/(3.142×8.00×8.00/4)=0.72取n=1【所需钢筋根数为1根】4、锚杆锚固段长度计算:a.锚杆锚固体与地层的锚固长度l a1应满足下式l a1≥N ak/(ζ1×π×D×f rb)=4.14/(1.00×3.14×0.15×50.00)=0.18 mb.锚杆钢筋与锚固砂浆间的锚固长度l a2应满足下式要求:l a2≥r o×N a/(ζ3×n×π×d×f b)=1.00×5.38/(0.60×1×3.14×8.00/1000×2.40×1000)=0.15 m 计算出的锚固段长度L m=max(l a1,l a2)=0.18 m.【按照《建筑边坡工程技术规范》GB50330-2013 7.4.1中构造设计要求第二条规定,岩层锚杆锚固段长度小于3m时,取3.00m.】五、岩石锚喷支护构造要求1. 岩面护层可采用喷射混凝土层、现浇混凝土板或格构梁等型式。
喷锚护壁设计计算书本计算依据《建筑基坑支护技术规程》(JGJ120-99)。
一、基本计算参数1.地质勘探数据如下:———————————————————————————————————————————序号 h(m) (kN/m3) C(kPa) (°) 极限摩阻(kPa) 计算方法土类型1 0.70 16.00 0.00 15.00 16.0 水土分算填土2 7.30 19.80 60.00 20.00 63.0 水土分算粘性土———————————————————————————————————————————表中:h为土层厚度(m),为土重度(kN/m3),C为内聚力(kPa),为内摩擦角(°)。
基坑外侧水标高0.00m,基坑内侧水标高0.00m。
2.基本计算参数:地面标高0.00m,基坑坑底标高-8.00m。
3.地面超载:—————————————————————————————————————————序号布置方式作用区域标高m 荷载值kPa 距基坑边线m 作用宽度m1 均布荷载基坑外侧 0.00 20.00 -- --—————————————————————————————————————————4.喷锚护壁布置数据:放坡级数为1级坡。
——————————————————————————序号坡高m 坡宽m 坡角°平台宽m 1 8.00 2.40 73.30 0.80 ——————————————————————————土钉数据:—————————————————————————————————————层号孔径(mm) 长度(m) 入射角(度) 竖向间距(m)水平间距(m) 材料1 60.00 6.00 10.00 1.501.50 48X3.5钢管2 60.00 5.00 10.00 1.501.50 48X3.5钢管3 60.00 4.50 10.00 1.501.50 48X3.5钢管4 60.00 3.00 10.00 1.501.50 48X3.5钢管—————————————————————————————————————二、土钉(含锚杆)抗拉承载力的计算喷锚护壁局部稳定验算:—————————————————————————————————————层号有效长度(m) 抗拉承载力(kN) 受拉荷载标准值(kN) 初算总长度(m) 安全系数1 2.32 21.18 10.99 5.19 21.18/(1.25×1.00×10.99)=1.54>=1.0满足!2 2.17 19.81 0.682.92 19.81/(1.25×1.00×0.68)=23.46>=1.0满足!3 2.52 23.00 1.01 2.12 23.00/(1.25×1.00×1.01)=18.26>=1.0满足!4 1.87 17.06 4.35 1.73 17.06/(1.25×1.00×4.35)=3.14>=1.0满足!—————————————————————————————————————根据每根土钉受拉荷载设计值(=1.25×0×标准值),按照土钉材料,计算土钉或锚杆的强度(土钉或锚杆的层号按标高排序):第1层土钉的材料为:48X3.5钢管设计强度为205.00N/mm2土钉受拉荷载设计值=13742.50(N)<=205.00×489.00=100245.00(N) 可行!第2层土钉的材料为:48X3.5钢管设计强度为205.00N/mm2土钉受拉荷载设计值=843.75(N)<=205.00×489.00=100245.00(N) 可行!第3层土钉的材料为:48X3.5钢管设计强度为205.00N/mm2土钉受拉荷载设计值=1260.00(N)<=205.00×489.00=100245.00(N) 可行!第4层土钉的材料为:48X3.5钢管设计强度为205.00N/mm2土钉受拉荷载设计值=5437.50(N)<=205.00×489.00=100245.00(N) 可行!局部稳定计算结果如下:土钉的抗拉承载力为81.04kN;土钉的受拉荷载标准值为17.03kN;土钉的安全系数为K=81.04/(1.25×1.00×17.03)=3.81>=1.0满足要求!三、喷锚护壁整体稳定性的计算—————————————————————————————————————————计算步数滑动体土重(kN/m) 土体抗滑力矩(kN.m/m) 土钉抗滑力矩(kN.m/m) 土体滑动力矩(kN.m/m)第1步 32.62 1117.72 0.00 354.11第2步 96.46 2837.68 266.36 1005.19第3步 223.72 3873.38 292.85 1593.94第4步 375.60 6875.01 397.46 3300.23第5步 643.76 12666.78 197.54 6914.38—————————————————————————————————————————滑弧坐标系:地面的Y坐标为0,向上为正;坑底的X坐标为0,向右为正。
锚喷支护设计计算
1、采用锚喷支护的岩质边坡整体稳定性计算应符合下列规定:
1岩石侧压力分布可按本规范第9.2.5条的规定确定;
2锚杆轴向拉力可按下式计算:
Nak=e,ahSχjSyj∕cosα(10.2.1)
式中:Nak一锚杆所受轴向拉力(kN);
s×j x Syj ----- 锚杆的水平、垂直间距(m);
e'ah——相应于作用的标准组合时侧向岩石压力水平分力修正值(kN∕m);α―锚杆倾角(。
)。
2、锚喷支护边坡时,锚杆计算应符合本规范第8.2.2~8.2.4条的规定。
3、岩石锚杆总长度应符合本规范第8.4.1条的相关规定。
4、采用局部锚杆加固不稳定岩石块体时,锚杆承载力应符合下式的规定:
Kb(Gt-∕G n-cA)≤∑Nakti+∕∑Nakni(10.2.4)
式中:A——滑动面面积(m2);
c——滑移面的黏聚力(kPa);
f——滑动面上的摩擦系数;
Gt、Gn——分别为不稳定块体自重在平行和垂直于滑面方向的分力(kN); Nakti、Nakni——单根锚杆轴向拉力在抗滑方向和垂直于滑动面方向上的分力(k N);
Kb一锚杆钢筋抗拉安全系数,按本规范第8.2.2条规定取值。
喷锚支护计算书计算公式和系数等取自建筑施工计算手册(第二版)173页本工程计算参数:土方为粉质粘土,重度Υ=19.70KN/M3内按摩角φ=20°,粘聚力C=28.50Kpa,地基承载力特征值f ak=144Kpa,基坑开挖高度H=7.80米,土钉倾角θ是10度,S x水平间距1米,S y 竖向间距,取1.5米,土方侧压力P==28.50÷(19.70×7.8)=0.185>0.05>0.05的粘土Ka=0.406, =0.637=0.406×[1-(2×28.50)÷(19.70×7.80)×(1÷0.637)]×19.70×7.80 =0.406×[1-(57÷153.66)×1.569]×153.66=26.20KN/M2=0.406×10=4.06 KN/M2=30.26KN/m2土钉所受的拉力N(由上而下1-4道拉杆)N1-4=(1÷cosθ)×pSxSy=(1÷cos10)×30.26×1.00×1.50=(1÷0.9848)×30.26×1.00×1.50=46.09KNN5=(1÷cosθ)×pSxSy=(1÷cos10)×30.26×1.00×0.30=9.21KN土钉墙安全系统Fsd=1.30土钉在破坏面一侧伸入稳定土体中的长度laLa=(1.30×46.09)÷(3.14×0.1×50)=59.917÷15.70=3.81mLa5=(1.30×9.21)÷(3.14×0.1×50)=11.973÷15.70=0.76ml5=tan(86-45+4.70/2)×0.30=tan38.65×0.30=0.7997×0.30=0.239ml4=tan(86-45+4.70/2)×1.80=tan38.65×1.80=0.7997×1.8=1.44ml3=tan(86-45+4.70/2)×3.30=tan38.65×1.80=0.7997×3.30=2.64 ml2=tan(86-45+4.70/2)×4.80=tan38.65×4.80=0.7997×4.80=3.8356ml1=tan(86-45+4.70/2)×6.30=tan38.65×6.30=0.7997×6.30=5.00mL=Ln+LaL5=0.76+0.239=0.999=1.00m L4=1.44+3.81=5.25=5.5mL3=2.64+3.81=6.45=6.50m L2=3.84+3.81=7.65=8.00mL1=5.00+3.81=8.81=9.00m土钉墙钢筋直径d钢筋采用HRB335,取?y=335N/mm2d=√ (4×1.3×44.7×1000)÷(1.1×3.14×335)= √ (232440÷1157.09)= √200.88=14.17mm用Ф16钢筋边坡喷砼面层计算在土体自重及地表均布荷载Q作用下,喷砼面层所受的侧向土压力为P01=0.70×[0.50+(1.5-0.5)÷5]×26.20=0.70×[0.50+0.20]×26.20=12.838KN/M2P0=1.2×(12.838+4.06)=20.2776 KN/M2按四边简支板形式配制钢筋:lx/ly=1/1.5=0.666查简支双向板系数:W=0.007753 Kx=0.069732 Ky=0.02785Qx=1.4×20.2776=28.388KN/m=0.0697×28.388×10002=19.78×105KN.mm计算选筋:c=11.9(C25砼)喷射砼面厚度为100mm,则h0=80mma s=(19.78×105)÷(11.9×1000×802)= (19.78×105)÷(76160×1000)=0.0259 查表=0.9875,采用HRB235钢筋,?y=210N/mm2A s=(19.78×105)÷(80×0.9875×210)=(19.78×105)÷16590=119.19mm2采用Φ6@200(141mm2)竖向配筋Qy=20.2776×1.0=20.2776KN/M= 0.0279×20.2776×1500×1500=12.73×105N.mmAs= 12.73×105÷(80×0.9905×210)= 12.73×105÷16640.4=76.5mm2采用Φ6@200(141mm2)边坡稳定性验算设土体墙宽度5m(按墙宽一般取基坑深度的0.4-0.8)>1.2F1=(7.8×5×19.7+5×10)×tan20°=(768.3+50)×0.3639=304.32KN∑N=46.09×4+9.21=193.57KNK1=F1÷∑N=304.32÷193.57=1.572>1.2所以边坡稳定。
附录二支挡结构计算书1.支挡结构计算书 (2)1.1支撑形式 (2)1.2 1-1剖面锚索设计: (2)1.2.1设计锚固力的计算及锚索的间距确定: (2)1.2.3 锚固体设计计算 (3)1.2.4外锚结构设计 (3)1.2.5锚具的选取 (4)1.2.1设计锚固力的计算及锚索的间距确定: (4)1.2.3 锚固体设计计算 (5)1.2.4外锚结构设计 (5)1.2.5锚具的选取 (5)1.支挡结构计算书1.1支撑形式选取锚索对滑坡体进行加固,锚固技术能够充分发挥岩土体自身强度和自承能力,与岩土体共同作用。
其次通过对锚杆施加预应力,能够主动控制岩土体变形,调整岩土体应力状态,有利于岩土体的稳定性。
1.2 1-1剖面锚索设计:1-1剖面锚索加固示意图:)cos(tan )sin(θαϕθαλ+++=F T 式中:F------滑坡下滑力(KN ),T------设计锚固力(KN ),ϕ------滑动面内摩擦角(°);θ-------锚索与滑动面相交处滑动面倾角(°);α-------锚索与水平面的夹角(锚固角),以下倾为宜,不宜大于45°,一般为15°-30°,也可按照下式计算:θϕβ-++++︒=)1(212145A A A A------锚索的锚固段长度与自由段长度之比;λ-----折减系数,与边坡岩性及加固厚度有关,在0-1之间选取。
1.2.1设计锚固力的计算及锚索的间距确定:1-1剖面锚索设置在第19滑块,受到设计滑坡推力1628.512KN ,锚固角22°,锚索与滑动面相交处倾角为16°。
采用φ15.2mm 钢绞线,强度标准值1860Mpa ,截面积139mm 2。
可得T=2122.56KN设计锚索间距d=4m ,锚杆排数n=4,则每孔锚索设计锚固力为 Nt=4*d T =44*56.2122=2122.56KN 1.2.2 拉杆设计锚杆安全系数K=1.8,每股钢绞线的截面积139mm 2,拉杆所需钢绞线股数为: 15139*18601000*56.2122*8.1139*139====ptk f KNt A m 采用15束φ15.2mm 钢绞线的锚索。
附录:支护设计计算按悬吊理论计算支护参数:1、锚杆长度计算L = KH+L1+L2式中:L——锚杆长度,m H——冒落拱高度,mK----安全系数,取2L1——锚杆锚入稳定岩层深度,取0.5mL2——锚杆在巷道中的外露长度,取0.1m其中: H=B/2f=3.6/(2×4)=0.45m式中:B——巷道宽度 f——岩石坚固性系数,取4 L = 2H+L1+L2=2×0.45+0.5+0.1=1.5m施工中取L=2m2、锚杆间距、排距a、ba=b=KHrQ式中:a、b——锚杆间、排距mQ——锚杆设计锚固力,80kN/根;H——冒落拱高度,取0.45m ;K——安全系数,取2;r——被悬吊石灰岩的重力密度,24kN/m3a=b=√502×0.45×24=1.52m施工中取a=b=0.9m3、锚杆直径的选择:d=P=abhr=0.9×0.9×2×24=38.9kN/m2式中:a---锚杆排距h---锚杆承载岩体高度,取锚杆长度2mb---锚杆间距r---承载岩体容重24kN/m3K---安全系数取2Δ--锚杆材料抗拉强度,取38kN/m2d= =√4×3890×2/3.14×3800=16.1mm施工中取Φ=20mm通过锚杆直径的验算,排距确定为0.9m,间距为0.8m,能满足支护要求。
4、锚索支护参数计算:⑴确定锚索的长度:L=La+Lb+Lc+Ld式中 L----锚索总长度,mLa---锚索深入到较稳定岩层的锚固长度,mLb---需要悬吊的不稳定岩层厚度,取1.5mLc---上托盘及锚具的厚度,取0.1mLd---需要外露的张拉长度,取0.3m锚索锚固长度La按下式确定:La≥K×(d1fa/4fc)式中:K---安全系数,取2d1---锚索钢绞线直径,取15.24mmfa---钢绞线抗拉强度,N/m㎡(1920MPa,含1883.52N/mm2)fc—锚索与锚固剂的粘合强度,取10N/mm2则La≥(2×15.24×1883.52)/4×10=1435.242㎜≈1.44mL=1.44+1.5+0.1+0.3=3.34m 施工取锚索长度为6.3m。
锚杆构造锚杆直径d 32钢筋强度fy 360锚杆孔直径3~4倍直径或不得小于一倍锚杆直径加50锚杆孔直径D 9612882取100mm锚杆构造锚杆孔间距6倍锚杆孔直径600取700mm锚杆筋体锚入岩石深度h40d1280锚杆到基础边距不小于150mm250La=0.14*fy*d/1.431127.832锚杆筋体插入上部的锚固长度满足钢筋锚固长度按一级抗震考虑需要乘以1.15,且钢筋直径大于25mm需要乘以1.1修正系数laE=1426.708取1500mm承载力计算1作用于基础底面形心出的内力:Mx=730.0475KN.m My=431.9315KN.mVx=-132.902KN Vy=-224.63KNFn=-162.72KN距离H 3.252基础自重及其上土重标准值为:Gk=基础尺寸基础长a= 1.6基础宽b= 1.6埋深H=2自重Gk=102.4KN3锚杆基础中单根锚杆所受最大的拔力计算:锚杆数量n8锚杆至形心距离x=0.7锚杆至形心距离y=0.7Ni=-284.202KN(拉)由锚杆砂浆与岩石的粘结确定的Ri基础混凝土强度C30岩石与砂浆的粘结强度特征值f=0.4Mpa细石混凝土强度C30锚杆筋选用三级钢fy=360水泥砂浆强度30MPaRi=0.8*3.14*D*l*f301.44KN由锚杆体与砂浆的粘结确定的RtRt=3.14*r*r*fy=289.3824KNNi小于Ri或Rt故满足要求基础配筋计算1由混规第8.5.2条可得底部钢筋最小配筋面积为基础高h=1000基础宽b=16002400mm2选用三级钢HRB400c18@110As=4626mm2故满足要求2由高耸结构设计规范第7.3.20条可得基础顶部配筋锚杆至柱边距离C=0.25基础一侧总拔力Qt=3Ni=852.605 Mc=1.35QtC=287.7542所以基础有效高度h0=950混凝土抗压强度fc=14.313.33215932.0654选用三级钢HRB400C12@200As=1130mm2故满足要求短柱配筋计算1,作用于短柱顶面形心处的内力为Mx=303.2505KN.mMy=179.4177KN.mFn=-162.72KN Vx=-132.902KN Vy=-224.63KN 2,斜截面受剪承载力计算1.40625770.1942857KN箍筋加密配置按间距100mm计算9.92184E-05箍筋配筋率0.00157大于0.001271故满足要求正截面配筋计算1863.634mm为大偏压受压取as=as'=35mm柱子截面高度Hb=1000mm1398.63385mm假定x=xb=0.518h0=499.87mm来计算As'的值2000mm2选用6根直径为25mm的三级钢 As=2945mm2x=32.3mm1735mm2选用6根25。
边坡锚喷支护计算书案例1、面层土压分布和破裂面的确定1.1面层土压力的分布未加筋的素土边坡,是很容易发生快速滑裂的。
锚喷支护体系由锚杆、复合土体、钢筋网与喷射混凝土面层组成,其土压力分布与挡土墙、桩、板等支护结构不同。
本计算书以图1土压力分布作为计算依据。
2、在进行大量的工程实践和理论分析的基础上,对黄土类粉土和粉质粘土,作用在面层上的土压力分布,我们采用简化形式,如图2所示。
q 1=0q 1.75=20*0.47+20*1.75*0.47-2*16*0.47 =3.91(Kpa )q 1.5=q 1.75*1.51.75 =3.91*1.51.75=3.35(Kpa ) (2)Ka=tg2(45°-φ2)=0.47 (3)P=20KN/m(4)锚杆抗拔力T=14.4KN/m以后将保持不变的土压力。
3、 破裂面的确定3.1对于均质土陡坡,在无支挡条件下的破坏是沿着库伦破裂面发展的;但在锚喷支护情况下,复合土体潜在破裂面不是沿库伦破裂面发展的。
参照图1的破裂面形式,经过大量工程实践,可得出简化破裂面形式如图3所示。
3.2支护后的稳定分析(1)内部稳定性分析支护结构内部稳定性分析,主要考虑单根锚杆的受力状态,计算时不考虑锚杆的受弯和剪切作用,仅按受拉杆进行验算。
已知fy=310Mpa [采用φ18钢筋作为土钉,长度为2200mm ,间隔为1.5m 为条件]Fg =Agfy=14 π*0.0182m 2*310*106N/m 2=78.89(KN)L 0=2.2-1.05=1.15mT 1=TL 0=14.4*(2.2-1.05)=16.56(KN )T 2=TL 0=14.4*(2.2-1.05)=16.56(KN )T 3=TL 0=14.4*(2.2-1.05)=16.56(KN )因Fg>Ti 取F 1=T 1=16.56(KN) F 2=T 2=16.56 (KN) F 3=T3=16.56 (KN) q 1=0q 2=q 1.5=3.35KPaq 3=q 1.75=3.91KPaSx =1.5m,Sy =1.5mE 1=0E 2=E 1.5=3.35*1.5*1.5=7.54(KN )E 3= E 1.75= E 3.5=1.0*3.91*1.5*1.5=8.80(KN )K 1为无限大K 2=16.567.54 =2.20>1.2 K 3=16.568.8=1.88>1.2 M W =12 *(2.2*1112 )2(20*3.5+20)=183.01KNM Q =13 (12 *20*3.52*0.47)*2*16*3.5*0.47 +2*16220 )(3.5-2*16/20*0.47 )+12 *20*3.52*0.47=60.06KNF X =(20*2.2*1112 +20*2.2*1112 *3.5)*0.4=72.6KNEax=12 *20*3.52*0.47-2*16*3.5*0.47 +2*16220 +20*3.5*0.47=39.292KNK S =Fx Eax =72.6/39.292=1.854、外部稳定性分析(1)抗倾覆验算由式(6)、(7)、(8)得:K Q =Mw MQ =183.0160.06 =3.05>2.0满足要求。
喷锚计算书(206#孔)---------------------------------------------------------------------- 设计项目:---------------------------------------------------------------------- [ 设计简图 ]---------------------------------------------------------------------- [ 设计条件 ]---------------------------------------------------------------------- [ 基本参数 ]所依据的规程或方法:《建筑基坑支护技术规程》JGJ 120-99基坑深度: 4.600(m)基坑内地下水深度: 17.000(m)基坑外地下水深度: 17.000(m)基坑侧壁重要性系数: 1.100土钉荷载分项系数: 1.250土钉抗拉抗力分项系数: 1.300整体滑动分项系数: 1.300[ 坡线参数 ]坡线段数 1序号水平投影(m) 竖向投影(m) 倾角(°)1 2.344 4.600 63.0[ 土层参数 ]土层层数 2序号土类型土层厚容重饱和容重粘聚力内摩擦角钉土摩阻力锚杆土摩阻力水土(m) (kN/m^3) (kN/m^3) (kPa) (度) (kPa) (kPa)1 杂填土 2.300 17.8 18.0 10.0 10.0 16.0 16.0 分算2 粘性土 7.000 20.5 18.0 25.0 15.0 60.0 60.0 分算[ 超载参数 ]超载数 1序号超载类型超载值(kN/m) 作用深度(m) 作用宽度(m) 距坑边线距离(m) 形式长度(m)1 满布均布 10.000[ 土钉参数 ]土钉道数 3序号水平间距(m) 垂直间距(m) 入射角度(度) 钻孔直径(mm)1 1.500 1.000 15.0 602 1.500 1.500 15.0 603 1.500 1.500 15.0 60[ 花管参数 ]基坑内侧花管排数 0基坑内侧花管排数 0[ 锚杆参数 ]锚杆道数 0[ 坑内土不加固 ]施工过程中局部抗拉满足系数: 1.000施工过程中内部稳定满足系数: 1.000[ 内部稳定设计条件 ]考虑地下水作用的计算方法:总应力法土钉拉力在滑面上产生的阻力的折减系数: 0.500圆弧滑动坡底截止深度(m): 0.000(m)圆弧滑动坡底滑面步长(m): 1.000(m)----------------------------------------------------------------------[ 设计结果 ]----------------------------------------------------------------------[ 局部抗拉设计结果 ]工况开挖深度破裂角土钉号设计长度最大长度(工况) 拉力标准值拉力设计值 (m) (度) (m) (m) Tjk(kN) Tj(kN)1 4.600 37.8 02 4.600 37.8 1 5.094 5.094( 2) 5.3 7.22 2.662 2.662( 2) 8.9 12.23 2.493 2.493( 2) 13.5 18.6 [ 内部稳定设计结果 ]工况号安全系数圆心坐标x(m) 圆心坐标y(m) 半径(m) 土钉号土钉长度1 1.155 0.238 6.624 4.4242 1.489 -3.594 8.923 9.6201 5.0942 2.6623 2.493[ 土钉选筋计算结果 ]土钉号土钉拉力(抗拉) 土钉拉力(稳定) 计算钢筋面积配筋配筋面积1 7.2 9.2 33.7 1D12 113.12 12.2 10.9 52.7 1D12 113.13 18.6 20.9 80.4 1D12 113.1[ 喷射混凝土面层计算 ][ 计算参数 ]厚度: 60(mm)混凝土强度等级: C20配筋计算as: 15(mm)水平配筋: d8@250竖向配筋: d8@250配筋计算as: 15荷载分项系数: 1.200[ 计算结果 ]编号深度范围荷载值(kPa) 轴向 M(kN.m) As(mm^2) 实配As(mm^2)1 0.00~ 1.00 0.4 x 0.010 141.4(构造) 201.1y 0.027 141.4(构造) 201.12 1.00~ 2.50 11.4 x 0.942 141.4(构造) 201.1y 0.942 141.4(构造) 201.13 2.50~ 4.00 4.9 x 0.405 141.4(构造) 201.1y 0.405 141.4(构造) 201.14 4.00~ 4.60 18.9 x 0.000 141.4(构造) 201.1y 0.851 141.4(构造) 201.1 [ 外部稳定计算参数 ]所依据的规程:《建筑地基基础设计规范》GB50007-2002土钉墙计算宽度: 10.000(m)墙后地面的倾角: 0.0(度)墙背倾角: 90.0(度)土与墙背的摩擦角: 10.0(度)土与墙底的摩擦系数: 0.300墙趾距坡脚的距离: 0.000(m)墙底地基承载力: 400.0(kPa)抗水平滑动安全系数: 1.300抗倾覆安全系数: 1.600[ 外部稳定计算结果 ]重力: 781.3(kN)重心坐标: ( 5.540, 2.118)超载: 76.6(kN)超载作用点x坐标: 6.172(m)土压力: 27.5(kPa)土压力作用点y坐标: 1.564(m)基底平均压力设计值 86.3(kPa) < 400.0基底边缘最大压力设计值 115.8(kPa) < 1.2*400.0抗滑安全系数: 9.541 > 1.300抗倾覆安全系数: 114.284 > 1.600。
岩巷支护设计理论计算及参数确定方法1、按自然平衡拱理论计算I、两帮煤体受挤压深度CC=(( KrHB/1000fcKc ) Cos(a/2)-1)hxtg(45-^/2)=((2.5x24x510x 1/1000x2x1.0 ) Cos ( 23°/2 )-1 )x2.65xtg ( 45°-63°/2 ) =8.9m式中:K——自然平衡拱角应力集中系数,与巷道断面形状有关;矩形断面,取2.8r ——上覆岩层平均容重,取24KN/ m3H ----- 巷道埋深mB——固定支撑力压力系数,按实体煤取1fc煤层普氏系数,Kc——煤体完整性系数,0.9-1.0a——煤层倾角h ----- 巷道掘进高度m^——煤体内摩擦角,可按fc反算H、潜在冒落高度bb=(a+c)Cosa/Kyfr=(2.1+8.9 )x0.92/0.45x4=5.62m式中:a——顶板有效跨度之半mKy一直接顶煤岩类型性系数。
当岩石f=3-4时,取0.45 ;f=4-6 时,取0.6; f=6-9 时,取0.75。
Fr——直接顶普氏系数B、两煤帮侧压值QsQs=KnCr 煤[hxsina + bxcos(a/2)xtg(45-a/2)=2.5 x2x8.9x 1.48[2.65 x0.39+5.62 x0.98 x0.24=155kN/m式中:n——采动影响系数,取2-5r煤——煤体容重,KN/m3(1)顶锚杆长度LL=L]+b+L2=0.05 + 5.62+0.35=6.02式中:L1---- 锚杆外露长度mL2——锚固端长度m b 潜在冒落拱高度m锚杆间距D<1/2L 锚杆排距LO=Nn/2K・rab= 105x12/2x2x24x2.1x5.62= 式中:n——顶板每排锚杆根数N——每根锚杆锚固力,KNK——安全系数,取2-3r ——上覆岩层平均容重,取24KN/ m3 a 1/2巷道掘进跨度,m(2)煤帮锚杆锚杆长度:L=L1+C+L2=0.05+8.9+0.35=9.3锚杆间距:D=Nh/L0KQs= 105x2.65/x2x155 =式中:N——设计锚杆锚固力,MPaK——安全系数,取2-3L0——煤帮锚杆排距,同顶板排距Qs——两帮侧压值,KN2、按悬吊理论⑴锚杆长度L,L=L1+L2+L3= 50+1000+300=1350mm式中:L1------ 苗杆外露长度L2——软弱岩层厚度,可根据柱状图确定mmL3——锚杆伸入稳定岩层深度一般不小于300mm (2)锚固力N:可按锚杆杆体的屈服载荷计算N=n/4(d2。
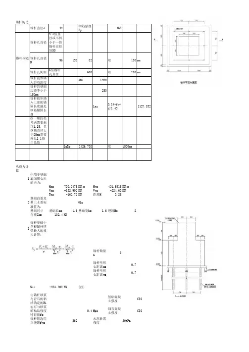
北大门岩石锚杆基础设计一、 原始数据1. 本基础为北大门岩石锚杆基础,起控制作用内力(设计值)为:N F =-162.72kN x V =-132.902kN,y V =-224.63kN (分解后)。
由地质勘察院提供的拟建场地土层分布为:○1 杂填土1.94m;○2中风化花岗岩深度未揭穿;岩石与砂浆的粘结强度特征值f=0.4Mpa。
锚杆筋体采用热轧带肋三级钢筋,直径为32mm,水泥砂浆强度为30Mpa,细石混凝土强度等级为C30。
基础混凝土强度等级为C30。
锚杆的平面布置图及基础断面尺寸如下图所示:锚杆平面布置图A—A剖面图2.构造要求由《建筑地基基础设计规范》第8.6.1条及《高耸结构设计规范》第7.3.17条可得:1)锚杆孔直径宜取锚杆筋体直径的3~4倍,即96~128mm,且不得小于一倍锚杆直径加50mm,即不得小于82mm,本基础取100mm,满足要求。
2) 锚杆中心间距不小于6倍的锚杆孔直径,即600mm,本基础取700mm,满足要求。
3) 锚杆筋体锚入岩石的深度应大于40d=40x32=1280mm,本基础为3000mm,满足要求。
4) 锚杆到基础边距不应小于150mm,本基础为200mm,满足要求。
5) 锚杆筋体插入上部的锚固长度应符合钢筋的锚固长度要求要求:/a y t l f d f α==0.14x360xd/1.43=35.3d 按一级抗震考虑需要乘以1.15的系数,且钢筋直径大于25mm 需要乘以1.1的修正系度,即: 1.051.1a E a l l =×=1.05x1.1x35.3d=45d 所以 a E l =45x32=1440mm 本基础为1500mm 满足要求。
二、 承载力计算1.作用于基础底面形心处的内力为:x M =224.63x3.25=730kN m ⋅,y M =132.902x3.25=431.9kN m ⋅。
N F =-162.72kN,x V =-132.902kN,y V =-224.63kN。
轴对称圆巷喷锚支护设计计算北京科技大学资源工程设计某均质岩层中圆形巷道采用喷锚支护。
已知巷道掘进断面半径a=4.3m,埋深h=120m,实测得喷锚支护前巷道周边已产生位移Δu ob = 0.63cm。
已知围岩塑性区变形区变形模量E0=1.764×103MPa,泊松比ν= 0.5。
凝聚力C=0.058MPa ,内摩擦角Φ=350。
容重r=27KN/m3,侧压系数λ=1。
喷射混凝土的弹性模量E c= 1.764×104MPa,泊松比νc= 0.17,抗拉强度S c= 19.6MPa,锚杆拟采用16号锰钢,其抗剪强度τb = 321.5MPa ,抗拉强度S t = 509.8MPa ,弹性模量E b = 1.96×105MPa ,锚杆锚固力为15×104N 。
设计计算步骤1. 确定围岩加锚杆后的C 1,φ1的值设计采用直径为18mm 的16号锰钢作为砂浆锚杆,锚杆截面积F=0.00025m 2,锚杆均匀布置,纵横间距均取0.96m ,假定φ值不变,计算由安装锚杆引起的围岩内聚力的变化值C 1。
ie FC C b ⋅⋅+=τ1 (1)式中:C 1 —— 巷道进行锚杆支护后围岩的内聚力; F —— 锚杆的截面积,cm 2; τb —— 锚杆的抗剪强度,MPa ; e —— 锚杆的间距,m;i ——锚杆的排距,m 。
MPaie F C b 15.096.096.000025.05.321058.0%1001=⨯⨯+=⨯⋅⋅=τ设计中近似认为围岩的内摩擦角没有变化,即φ1 = φ (2) 2. 计算加锚杆后巷道周边位移 (1) 计算巷道自重应力MPaH r P 24.3120270000=⨯=⋅= (3)(2) 计算巷道位移系数I b0017.0)35cos 15.035sin 24.3(10764.123)cos sin (230311100=+⨯⨯=+⋅=φφC p E I bE 0 ——塑性区的变形模量; 初设加锚杆后的支护抗力MPaP b i23.0=+σ(3) 计算巷道在支护抗力为b iP σ+条件下的塑性区半径b R 0mctg C P ctg C P a R b i b 71.6)]35sin 1)(35cot 15.023.035cot 15.024.3[(3.4)]sin 1)([(1135sin 235sin 100sin 2sin 11111100=-++=-+++=--φφφφσφ (5)其中:i P ——为喷射混凝土的支护抗力,MPa;bσ——为锚杆提供的支护抗力,MPa;a —— 巷道直径,m ; (4) 计算巷道周边位移ab ucmaR I u bb ab 78.143071.60017.0220=⨯=⋅=(6)3. 计算锚杆提供的支护抗力(1) 选用锚杆的有效长度L=2m ,求巷道松动圈半径R b 。
岩石锚喷支护设计计算书 This model paper was revised by the Standardization Office on December 10, 2020
岩石锚喷支护设计计算书
计算依据:
1、《建筑基坑支护技术规程》JGJ120-2012
2、《建筑边坡工程技术规范》GB50330-2013
3、《建筑施工计算手册》江正荣编着
一、设计简图
二、基本计算参数
岩质边坡采用锚喷支护时,整体稳定性计算及锚杆计算应符合以下规定:
第1层锚杆的计算:
1、岩石压力水平分力标准值和锚杆所受水平拉力标准值可按下式计算: e hk =E hk /H=20.00/8.00=2.50kN/m 2
H tk =e hk ×s xj ×s yj =2.50×2.00×2.00=10.00kN
2、锚喷支护边坡时,锚杆的轴向拉力承载力标准值和设计值可按下式计算: N ak =H tk /cos α=10.00/cos15=10.35kN N a =r Q ×N ak =1.30×10.35=13.46kN
3、锚杆的杆体计算:
A s ≥r 0×N a /(ζ2×f y )=1.00×13.46/(0.92×215000.00)×1000000=68.04mm 2 所需钢筋根数n≥A s /(3.142×d×d/4)=68.04/(3.142×8.00×8.00/4)=1.35 取n=2
【所需钢筋根数为2根】 4、锚杆锚固段长度计算:
a.锚杆锚固体与地层的锚固长度l a1应满足下式
l a1≥N ak /(ζ1×π×D×f rb )=10.35/(1.33×3.14×0.48×50.00)=0.10m b.锚杆钢筋与锚固砂浆间的锚固长度l a2应满足下式要求:
l a2≥r o ×N a /(ζ3×n×π×d×f b )=1.00×13.46/(0.72×2×3.14×8.00/1000×2.40×1000)=0.16m
计算出的锚固段长度L m =max(l a1,l a2)=0.16m.
【按照《建筑边坡工程技术规范》GB50330-20133m 时,取3.00m.】
五、岩石锚喷支护构造要求
1.岩面护层可采用喷射混凝土层、现浇混凝土板或格构梁等型式。
2.系统锚杆的设置应满足下列要求: a.锚杆倾角宜为10°~20°;
b.锚杆布置宜采用菱形排列,也可采用行列式排列;
c.锚杆间距宜为1.25~3m ,且不应大于锚杆长度的一半;对Ⅰ、Ⅱ类岩体边坡最大间距不得大于3m ,对Ⅲ类岩体边坡最大间距不得大于2m ;
d.应采用全粘结锚杆。
3.局部锚杆的布置应满足下列要求:
a.对受拉破坏的不稳定块体,锚杆应按有利于其抗拉的方向布置;
b.对受剪破坏的不稳定块体,锚杆宜逆向不稳定块体滑动方向布置。
4.喷射混凝土的设计强度等级不应低于C20;喷射混凝土1d龄期的抗压强度不应低于5MPa。
5.喷射混凝土与岩面的粘结力,对整体状和块状岩体不应低于0.7MPa,对碎裂状岩体不应低于0.4MPa。
6.喷射混凝土面板厚度不应小于50mm,含水岩层的喷射混凝土面板厚度和钢筋网喷射混凝土面板厚度不应小于100mm。
Ⅲ类岩体边坡钢筋网喷射混凝土面板厚度和钢筋混凝土面板厚度不应小于150mm。
钢筋直径宜为6~12mm,钢筋间距宜为150~300mm,宜采用双层配筋,钢筋保护层厚度不应小于25mm。
7.永久性边坡的现浇板厚度宜为200mm,混凝土强度等级不应低于C20。
应采用双层配筋,钢筋直径宜为8~14mm,钢筋间距宜为200~300mm。
面板与锚杆应有可靠连接。
8.面板宜沿边坡纵向每20~25m的长度分段设置竖向伸缩缝。
9.Ⅲ类岩体边坡应采用逆作法施工,Ⅱ类岩体边坡可部分采用逆作法施工。