ISO14001体系认证资料准备清单
- 格式:xls
- 大小:50.50 KB
- 文档页数:4
14001认证准备的材料ISO 14001是一个国际标准,用于帮助企业建立、实施、维护并改进其环境管理体系。
为了获得ISO 14001认证,企业需要准备一系列文件和材料来证明其环境管理体系的符合性和有效性。
以下是一些主要的准备材料:1.环境政策:这是一个明确阐述企业对环境保护承诺的文件。
它应该包括企业对环境问题的认识、遵守法律法规的承诺、持续改进的承诺以及环境目标的设定。
2.环境方面因素和相关影响评估:企业需要识别其活动、产品和服务中的环境因素,并评估这些因素对环境的影响。
这包括识别潜在的重大环境影响,并确定如何管理和控制这些影响。
3.法律和其他要求:企业需要收集和更新所有适用的环境法律法规和其他要求,并确保其环境管理体系符合这些要求。
4.目标和指标:基于其环境影响评估,企业应设定明确的环境目标和指标,以衡量其环境管理体系的绩效。
5.环境管理方案:这是描述如何实现设定的环境目标和指标的文件。
它应包括时间表、责任分配和所需的资源。
6.组织结构、职责和权限:企业应明确描述其环境管理体系的组织结构,包括各个部门和人员的职责和权限。
7.培训、意识和能力:企业应提供证据证明其员工已接受适当的环境培训,具备必要的技能和意识,能够有效地实施环境管理体系。
8.信息交流:企业应建立并保持一个程序,以确保内部和外部的环境信息得到有效沟通。
9.文件控制:企业应建立并保持一个程序,以控制所有与环境管理体系相关的文件的编制、评审、批准、发放、使用和更改。
10.运行控制:企业应确定并描述与环境因素相关的运行和活动,以及如何控制这些活动以减少对环境的影响。
11.应急准备和响应:企业应建立并保持一个程序,以确定潜在的紧急情况,并制定应对措施以预防或减轻这些紧急情况对环境的影响。
12.检查和纠正措施:企业应定期对其环境管理体系进行内部审核,以验证其是否符合ISO 14001的要求和其自身的环境政策。
对于发现的不符合项,企业应采取纠正措施。
ISO14001认证需要哪些文件小编为大家整理了关于ISO14001认证需要的文件情况,需要做认证的企业可以对照一下,自己还缺什么文件。
首先得先告诉大家一下,做ISO14001认证的前提是必须要有环评。
要拿ISO14001认证需要第三方体系认证公司认证,会要求提供如下的文件及记录:1、环境影响评价报告2、“三同时”报告3、项目竣工验收报告4、厂区平面图5、地理位置图(厂界2公里内,标明移动性很小的参照物如:铁路、公路、河流等)6、工艺流程图7、动力管线图8、污水、下水管网图9、污染源调查报告10、各废水排放口的污染物排放浓度和总量表11、各种废气、排气筒位置分布图,排放口的排放浓度和总量表12、有害废气无组织排放总量表13、主要有毒、有害化学品清单、年消耗量及存贮位置14、有毒、有害、易燃、易爆危险品清单、存贮位置和防护措施15、主要有毒、有害固体废物的清单及处置情况表16、主要原、辅材料清单17、产品环境性能表18、组织机构图19、环境监测报告20、排污收费记录21、超标排放罚款单22、环境管理奖惩记录(环境事故情况调查表、环境表彰情况调表)23、相关法律、法规和标准24、现有环保设施及运行状况25、其它需要重点防护的设施或设备(如:锅炉、仓库、钢瓶等)关于企知(北京)认证有限公司的简介企知(北京)认证有限公司(简称“企知认证”)成立于2019年1月,是经国家认证认可监督管理委员会(CNCA)批准成立的知识产权认证机构。
(认证机构批准书:CNCA-R-2019-518)。
具有从事第三方认证资格,公司以知识产权管理体系(IPMS)认证为核心业务。
知识产权管理体系认证依据包括:《企业知识产权管理规范》(GB/T29490-2013)、《科研组织知识产权管理规范》(GB/T33250-2016)、《高等学校知识产权管理规范》(GB/T33251-2016)。
“企知认证”依据知识产权管理体系认证标准为企业客户提供第三方知识产权认证服务,包括初次认证审核、监督审核、再认证审核。
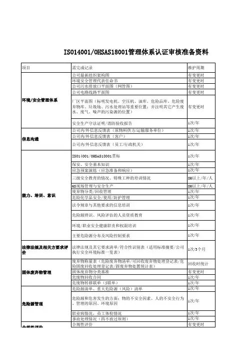
14001体系认证资料准备清单Sheet3Sheet2Sheet1ISO14001:2015认证资料准备清单序号部门需准备的资料相关责任部门参考资料责任人提交时间备注体系管理评审决议事项定的跟进。
公司的法规清单环境目标指标管理方案及实施跟进确认最新版的组织架构图、推行小组图重大环境因素是否与外界交流的决定记录,及决定的执行记录体系?固体废弃物的分类清单法规要求适用性评价清单其它相关方的要求适用应评价内审计划,检查记录、内审报告2016年管理评审计划、管理评审报告风险和机遇评估环境因素调查评价汇总清单重大环境因素清单公司环境分析、相关要求识别和收集、新增环境管理体系文件/表单格式调整与编号受控处理外来文件清单更新,包括《环境污染物排放标准识别程序》涉及参加文件均需收集合规义务的收集和更新废水、废气、噪音等检测情况;依据客户的环保要求对原材料进行采购并要求提供相关检测报告,如SGS的ROHS报告与认证公司等外部相关方的信息沟通情况;SWOT分析,相关方要求清单知识产权清单品质部环境因素识别和评价品质客户的环境要求清单客户的环境物质要求文件,内部评估和传达记录环境《目标、指标和管理方案一览表》KPI数据源提供人事行政部环境因素识别与评价(部门内,厂区,食堂、宿舍)人事行政年度培训计划(环境方面)及其培训记录与效果评估新进人员的培训记录(环境方针、重大环境因素、固体分类)特殊人员资料(如安全主任、污水处理、电工、化学品管理,消防器材、内审人员)垃圾回收商的资质证明危险废弃的收集记录2016年危废收集\转移单现场垃圾的分类清理\收集,垃圾池的设置垃圾箱的标识(危险\一般,回收\不可回收)水、电、油、纸、可回收的固体体废弃物(如纸箱)的使用统计记录采购部采购我司环境管理要求向供方传达的周知(采购协议,环境特质调查\保证)化学品清单,及MSDS化学品供应商(运输方)资质证明施工方的垃圾处理协议安全办化学品仓消防配确认(沙,铁锹)化学品储存条件(通风、防爆灯、密封)确认消防用品的标识及消防配图的揭示逃生图年度消防演习计划消防组织图最版本确认消防演习(含有化学品泄漏)实施记录及其报告应急准备和响应记录等消防器材的点检记录消防器材的分布及统计计划物流仓库化学品\电池出\入\使用记录设备科设备设备运行的点检记录(空调、空压机、发电机、污水处理设施)特种设备台帐及年检报告特种设备操作人员资格证书2016水\气\声的第三方检测报告废水/废气的处理与监测情况(含控制文件);跟环境相关的设备设施的维护和保养情况;特种设备检测及记录(特种设备清单)资源能源节约数据统计分析及节能专题报告资料等制造部制造部门危险废弃物与接收部门的交收记录NPI工艺部技术部从产品寿命周期考虑的环境考虑体现财务部环保费用(固废处理、三废监测、危废转移、环保设备投入使用),节能减排的投入费用,餐厨垃圾处理及清理费用发票的整理。
ISO14001:2015环境管理体系认证审核前准备资料清单汇总
一、证明强制性法律法规要求符合性的文件
1、环评及批复
2、排污监测报告(要有资质的)
3、“三同时”验收报告(必要时)
4、排污许可证
5、消防验收报告
6、危险废弃物处理合同及转移联单(切不可省,主要是5联单,平时的废弃物处理也要有记录,包括灯管、碳粉、废油、废纸、废铁等)
二、证明体系符合性的文件
7、环境因素清单、重大环境因素清单
8、目标指标管理方案
9、目标指标管理方案监控记录
10、适用环境法律法规及其他要求清单(法律法规清单要包含企业所有产品相关的法律法规,如果是电子企业注意欧盟ROHS和中国ROHS,还有就要把所以法律法规更新到最新版本,如果当地有相关规定,请收集。
)
11、体系监控记录(平时的5S或者7S检查记录)
12、法律法规/其他要求符合性评估
13、环境培训计划(包括关键岗位的培训计划)
14、应急设施档案/清单
15、应急设施检查记录
16、应急演习计划/报告
17、特种设备及其安全附件强制性检验报告(叉车、行车、电梯、空压机、储气罐及压力表/安全阀、架空索道、锅炉及压力表/安全阀、压力管道、其他压力容器等)
18、特种设备使用许可证(叉车、电梯、行车、储气罐等)
19、特种作业人员资格证书或其复印件
20、内审、管理评审相关记录。
21、测量设备的校验
22、消防、安全生产、急救、反恐演习等活动方案和记录(照片)。
iso14001认证流程认证企业需要的材料:ISO14000、有效版本的环境管理手册及程序文件1 、营业执照副本复印件和组织机构代码证复印件2 、企业状况简介3、组织的环境影响评价报告书或报告表4()、项目的环评批复5、组织的三同时竣工验收报告三同时是指环保设备与生产设备同时设计、同时建设、同时投产,三6“" ( 个验收报告。
)、组织的地理位置图,社区平面图和下水管网图7 、企业的组织机构和相关的职责8、体系运行以来三废(废气,废水,噪音)的监测报告9“” 、当地环保部门出具的企业近年来守法的证明10 、特种设备的档案及相关操作人员的资格证照特种行业才需提供11()、化学品清单12(MSDS)、组织的环境目标指标及重大环境因素13 、组织实用的法律法规清单14 体系咨询流程ISO14001第一、调查研究:、会晤最高管理层 1、现场勘察、诊断 2、制订推进日程表 3、推动成立质量管理体系认证推进小组 4(管理者代表、内审员、品管组织)第二、全员培训:、最高管理层中层干部培训 1+、文件编写特殊培训(天) 23-5、基础员工班组长培训 3+、内审员培训 4、员工质量意识教育培训 5第三、文件编制:、质量手册编写 1、程序化文件编写 2、作业指导书、图、表等编写 3、文件讨论、修改 4、文件定稿、审批、发布 5第四、推动运行:、文件是否到位,(文控中心的功能) 1 、体系是否运转,(内部技术技能再培训) 2/ 、运行期监控(质量管理体系推委会) 3 、内审?整改?跟踪(,次) 43- 、管理评审推动运行(次) 51-2第五、模拟审核:、二方联合审核(交叉制度模拟考试) 1/ 、审核后跟踪(纠正和预防措施)2 、认证机构初步拜访(天) 31、现场准备(等) 46S第六、现场审核:、提前月申请 11-2、填写申请表 2、全体员工准备(迎审技巧培训) 3 、现场审核 4、整改闭环 5、申请环境标志认证应具备的条件及提交文件 6体系审核流程ISO14000、组织提交书面申请书、申请评审、合同评审、纠正措施、第一阶段审核、第二阶段审核、不1 23 456推荐认证、对纠正措施跟踪验证、审核组纠正、必要时复审、技术委员会评审、颁发认证证 7 89 10 11书推行的意义ISO14000、实施认证将带给企业明显的绩效。
一、企业申请ISO14001认证需要提交的资料1、申请方须有独立的法人资格,若是集团公司下属企业,应有集团公司的授权证明。
2、申请方应建立文件化的环境管理体系。
3、申请方本年度内无污染事故;无环保部门监督抽查不合格。
4、申请方经营状况良好;5、地理位置示意图;6、区域平面示意图;5、申请材料。
除填报《环境管理体系认证申请表》外,还应包括:a、法律地位的证明文件(如:营业执照)复印件;b企业简介(包括质量体系及其活动的一般信息);c主要工艺流程及污染物产出示意图(若有)d"环评"批复,"三同时"验收报告(表);e 环境管理手册、程序文件(应附重要环境因素清单,法律、法规清单以及目标、指标和环境管理方案)f环境管理体系概述,包括:体系覆盖范围、体系运行时间、运行成效、内审及管理评审时间等g本行业现行的国家、行业的主要强制性标准、法规(如环保、节能、安全、卫生方面的标准、法规)或其目录;h必要时,其他证明文件。
二、申请ISO14001需要做以下资料1. 公司概要介绍2. 组织机构网络图3. 各部门的职责及负责人员名单4. 环境管理者代表任命书5. ISO14001推动小组成员名单及联系人6. 产品样本或说明书7. 程序文件、作业文件、记录清单8. 产品工艺流程图、业务流程图9. 厂区位置平面图、厂区平面布置图10. 厂区地下(水)管路图11. 使用化学危险品清单12. 与企业活动、产品或服务相关的环境法律、法规及标准清单13. 环境影响评价报告14. 排污申报登记注册证15. 危险废物清单16. 环境监测报告(近两年环保部门监测报告)17. 环保设施竣工验收报告18. 消防设备(设施)分布图19.环境管理方案的制定和实施20.环境和法律法规方面的培训1、环境影响评价报告;2、三同时验收报告;3、环境验收报告;4、排污许可证、执照和授权;5、废弃物处理方式、数量、地点、运输方式、记录;6、监测记录(废水、废气、厂界噪声等);7、工艺流程图;8、MSDS(危险化学品使用说明书);9、内外部沟通信息;10、组织能源、资源的使用、生产过程的记录;11、组织环境规划资料;12、组织环境处理设备、设施的资料;17、营业执照、税务登记证、组织机构代码复印件或机构成立批文;13、组织机构图;14、守法证明;15、适用的法律法规清单;16、环境因素、重要环境因素清单;17、环境目标、指标和管理方案;18、有效版本的管理体系文件;1、有效版本的环境管理手册及程序文件(我司建立)2、营业执照副本复印件和组织机构代码证复印件3、企业状况简介4、组织的环境影响评价报告书(或报告表)5、项目的环评批复6、组织的“三同时”竣工验收报告7、组织的地理位置图,社区平面图和下水管网图8、企业的组织机构和相关的职责9、体系运行以来三废的(废水、废气、噪声)监测报告10、当地环保部门出具的企业近年来守法的证明11、特种设备的档案及相关操作人员的资格证照(特种行业才需提供)12、化学品清单(MSDS) (如果没有,可以不用提供)13、组织的环境目标指标及重大环境因素(此项我司协助建立)14、组织实用的法律法规清单(我司协助建立)。
三体系认证需要的材料三体系认证是指企业同时通过ISO9001质量管理体系认证、ISO14001环境管理体系认证和OHSAS18001职业健康安全管理体系认证,以证明企业在质量、环境和职业健康安全方面的管理水平达到国际标准。
以下是三体系认证需要的材料:1. ISO9001质量管理体系认证材料:(1)质量手册:详细描述企业的质量管理体系、质量方针、质量目标、组织结构、职责、程序、流程、记录等。
(2)程序文件:包括程序、工艺文件、标准操作规程、检验标准、检验方法等。
(3)记录文件:包括检验记录、检验报告、检验记录表、检验报告表、不合格品处理记录等。
(4)内部审核文件:包括内部审核计划、内部审核报告、纠正措施报告等。
(5)管理评审文件:包括管理评审计划、管理评审记录、纠正措施报告等。
2. ISO14001环境管理体系认证材料:(1)环境管理手册:详细描述企业的环境管理体系、环境方针、环境目标、组织结构、职责、程序、流程、记录等。
(2)环境方针和目标文件:包括环境方针、环境目标、环境管理计划等。
(3)环境管理程序文件:包括环境影响评价程序、环境管理计划程序、环境管理程序等。
(4)环境管理记录文件:包括环境管理记录、环境管理报告、环境监测记录等。
(5)内部审核文件:包括内部审核计划、内部审核报告、纠正措施报告等。
3. OHSAS18001职业健康安全管理体系认证材料:(1)职业健康安全管理手册:详细描述企业的职业健康安全管理体系、职业健康安全方针、职业健康安全目标、组织结构、职责、程序、流程、记录等。
(2)职业健康安全方针和目标文件:包括职业健康安全方针、职业健康安全目标、职业健康安全管理计划等。
(3)职业健康安全管理程序文件:包括职业健康安全管理程序、职业健康安全管理计划程序等。
(4)职业健康安全管理记录文件:包括职业健康安全管理记录、职业健康安全管理报告、职业健康安全监测记录等。
(5)内部审核文件:包括内部审核计划、内部审核报告、纠正措施报告等。
ISO14001准备资料
1、可燃气体定期检查表
2、环保证明
3、环境检测报告
4、电工、电梯工、叉车资格证
5、消防器材平面分布图、台帐、巡回检查记录
6、危废处理协议、记录
7、一般垃圾、危废、固废分类标识
8、5S检查记录
9、公司内环境监测计划、监测记录
10、能源使用统计表
11、灭火器等消防器材点检表
12、快餐公司健康证、卫生许可证
13、变电房值班运行记录
14、危险品仓库配备灭火器
15、应急方案
16、应急设施配电房台帐
17、生活垃圾处理协议
18、消防演习记录
19、危险废弃物管理人员任命书
20、危险品库有禁烟、禁明火标识
21、环境影响评价表
22、重大环境因素影响表
23、管评记录
24、内审记录
25、万元产值耗电耗水统计
26、环境目标指标完成情况
27、法律法规清单
28、合规性评价
29、环境管理方案
30、相关环境培训记录。
干货:ISO14001审核时需要提供哪些证书等资料ISO14001所需批文证书Required certificate or document/环境所需的证书或文件1.1 Environmental Impact Evaluation Report环评报告指定资质机构出据的报告1.2 Environmental Validation and Acceptance Report环境影响验收报告环保局出据1.3 Waste emission废物排放排放许可1.3.1 licence of waste emmission排污许可证或者委托处理协议书1.3.2 Certificate of waste water outlet to public waste water pipe system生活污水排放许可(包括排水许可证和纳管证)1.4 Waste monitoring废物监控转移五联单1.4.1 Waste Gas Monitoring Report废气监测报告环保局出据1.4.2 Waste Water Monitoring Report废水监测报告环保局出据1.4.3 Noise Monitoring Report噪声监测报告Required certificate or document/消防所需的证书或文件2.1 Fire fighting system design消防设计验收报告建筑设计---消防专篇2.2 Fire fighting system validation and acceptance消防验收报告备案登记回执Required certificate or document/气象局所需的证书或文件3.1 Thunder protection design防雷设计验收报告建筑设计---防雷专篇3.2 Thunder protection validate and acceptance report防雷验收报告3.3 Thunder protection monitoring防雷监测报告每年的防雷器材年检报告Required certificate or document/特种设备所需的证书或文件4.1 Sepcial Equipment Registration & Acceptance Report for every specical equipment特种设备的验收登记表台账4.2 Special Equipment Monitoring Report特种设备监测报告年检报告4.3 Certificate of operator's qualification for special equipment and special postion特种设备操作人员资格证书或特殊工种人员证书Required certificate or document/特殊供应商所需的证书或文件5.1 Hazardous waste disposal危险废物处理供应商提供转移联单5.1.1 Certificate of hazardous waste disposing qualification from supplier危废处理供应商资质证书5.1.2 Contract with the hazardous waste disposing supplier危废处理供应商的合同5.1.3 Five- Copy Form五联单5.3 Maintenance supplier of fire fighting system消防系统维护保养供应商第三方检测报告5.3.1 Certificate of qualification to maintain fire fighting system消防系统维护保养公司的资质证书5.3.2 Maintenance contract and record维护保养合同及记录5.4 Maintenance supplier of special equipment特种设备维护保养供应商维保合同5.4.1 Certificate of qualification to maintain special equipment特种设备维护保养公司的资质证书厂家维保资质5.4.2 Maintenance contract and record维护保养合同及记录5.5 危险化学品Hazardous chemica5.5.1Certificate of qualification from supplier供应商许可证5.5.2 Certificate of transportation危险品运输许可证5.5.3 Certificate of driver运输司机资质证书Required certificate or document/公司自己所需的证书或文件6.1 Plant ichnography厂区平面图6.2 Layout of fire fighting system消防系统图6.3 Layout of Rain and Living waste water pipe system雨水、污水管网图6.4 Layout of evacuation rountine逃生路线图6.5 MSDS (Material Safety Data Sheet) of all oil or chemical化学品、油品的SDS以上就是我们整理的关于ISO14001审核时需要提供哪些证书等资料。
做ISO9001质量管理体系认证需要准备的资料1. 组织架构图2. 工艺流程图3. 营业执照复印件4. 质量手册5. 程序文件iso9001:2008认证常见审查项目管理层:1. 有无建立及保持质量手册?2. 有无向组织传达满足客户要求及法规要求的重要性?3. 有无制定质量方针?4. 质量方针是否包括以下承诺;满足要求,持续改善?5. 质量方针是否提供目标框架?6. 质量方针是否进行宣导?7. 有无在各相关职能与层次上建立质量目标?8. 质量目标与质量方针是否一致?9. 质量目标是否可量化?10. 有无规定组织职责?11. 有无指定管理者代表并明确其职责?12. 有无对质量意识职责,系统有效性等沟通?13. 沟通过程是否监控?效果是否有效?14. 沟通无效时是否采取改善对策?15. 有无监测客户满意度?16. 有无利用所获信息进行分析与改善?17. 有无实施内部审核?18. 审核策划安排是否合理?19. 审核准则、范围、频次方法是否界定?20. 是否保持客观、公正、独立性?21. 审核发现的不符合是否采取改善对策?22. 有无追踪不合格的改善情况?23. 有无对审核过程进行监测并进行总结?24. 未达到预期目的时是否采取适当措施?25. 有无按要求作管理审查并保留记录?26. 审查输入是否完整?27. 有无审查输出是否包括资源需求及改善决议?28. 持续改善有无策划并实施?29. 有无提供充分资源?文件资料的控制:1. 文件发布前是否经核准?2. 适当时候有无评审更新文件?3. 文件更新是否再次经批准?4. 所有质量管理文件是否登录列管?5. 文件分发有地控制?6. 相关人员是否均持有文件?7. 各部使用文件是否为受控文件目为最新版本?8. 文件是否清晰可读?9. 作废文件是否可防止非预期使用?10. 外来文件有无识别?11. 外来文件的分发是否进行控制?12. 文件控制的过程有效性有无监测?13. 未达预期目的时有无采取适当的改善措施?14. 记录的管理程序是否文件化?15. 所有质量记录的保存期限有无规定?16. 质量记录是否易于识别、检索?17. 记录的保存过程有效性有无监测?18. 未达预期目的时有无采取适当的改善措施?人事行政部1. 有无确定影响质量的人员所需能力?2. 该等人员是否能胜任工作?3. 该等人员是否具备应有的质量意识?4. 有无按规定提供培训以提升该等人员的能力?5. 培训的有效性有无评价?6. 未达预期目的时有无采取适当的改善措施?7. 该等人员教育、培训、技能、经历记录是否保留?8. 是否资源充分?厂务1. 有无确定需列管的基础设施?2. 有无提供维护该等设施的办法?3. 有无实施维护?4. 特殊工种人员有无合法上岗资格证?5. 设施的保养维修过程有无监测?6. 未达到预期目的有无采取适当的改善措施?7. 有无拟定各产品质量计划?8. 质量计划有无确定该产品的质量目标?9. 过程、文件、资源的要求是否确定?10. 所需的验证活动及记录有无确定?11. 采购产品有无按规定实施检验?12. 检验用器具有无在校正有效期?13. 符合的证据是否保留?14. 有无对进料不合格按规定处理并保留记录?15. 记录是否指明有权放行的人员?16. 紧急放行是否经权责人员的批准?17. 进料不合格是否被识别以防止误用?18. 进料不合格性质的记录是否被保留?19. 纠正后的来检是否重检?20. 有无按规定对进料不合格实施纠正及预防措施?21. 有无对来料质量进行数据统计分析?22. 来料检验过程的有效性有无监测?23. 有无按规定实施制程检验?24. 检验用器具有无在校正有效期?25. 符合的证据是否保留?26. 记录是否指明有权放行的人员?27. 制程不合格是否被识别以防止误用?28. 制程不合格性质的记录是否保留?29. 有无对制程不合格按规定处理并保留记录?30. 纠正后的重成品是否重检?31. 有无按规定对不制程不合格实施纠正及预防措施?32. 有无对制程质量进行数据统计分析?33. 制程检验过程的有效性有无监测?34. 有无按规定实施最终成品检验?35. 成品不合格是否被识别以防止误用?36. 成品不合格性质的记录是否被保留?37. 有无对成品不合格按规定处理并保留记录?38. 纠正后的成品是否重检?39. 有无按规定对成品不合格实施纠正和预防措施?40. 有无对成品质量进行数据统计分析?41. 顾客报怨等其他异常有无实施纠正和预防措施?42. 检验过程的有效性有无监测?43. 有无确定所需的测量装置?44. 有无按规定周期实施校准并记录?45. 是否可追溯用?46. 内部校准有无作业指导?47. 校准状态是否可识别?48. 有无防止失效的调整?49. 测量装置的防护是否适当?50. 失效时有无对其测量结果的有效性进行评估?51. 有无对该失效设备及受影响的产品采取适当措施?52. 测测软软有无实施能力确认?53. 仪器校正的过程有无监测?销售及售后服务:1. 顾客要求有无确定?2. 顾客要求在接受前是否经评审并记录?3. 对顾客做出满足要求的承诺是否有依据?4. 是否确实满足顾客要求?5. 要求变更时是否修改相应文件并通知相关人员?6. 有无就业务上的问题随时保持与顾客的沟通?7. 与顾客的沟通的过程的有效性是否进行监测?8. 是否定期对顾客的满意度进行调查并进行记录?9. 有无对顾客的满意进行数据分析?采购1. 采购文件是否说明拟购的产品?2. 当准备在供应商处验证产品时是否在采购文件中注明如何进行?3. 采购产品是否符合采购要求?4. 有无制定选择评价和重新评价供应商的准则?5. 是否有能力评价和选择供应商?6. 供应商绩效有无进行数据分析?7. 采购过程的有效性有无进行监测?生产1. 质量计划有无包括所有影响质量的制程?2. 各制程有无提供作业指导书?3. 作业指导书内容是否完整?4. 有无表述产品特性的信息?5. 是否使用了适当的生产设备?6. 各项制程操作是否符合标准、法规、质量计划或程序规定?7. 有无按规定进行制程监控?8. 特殊制程有无进行确认?9. 工作环境是否合适?10. 生产及交付阶段有否对产品进行标识?11. 是否符合追溯的要求?12. 有无标识产品的合格状态并维持?13. 有无对产品提供适当的维护方法?14. 有无对所有的不合格物品进行隔离并标识?15. 有无按规定对设备进行适当维护?16. 有无明确的维护方法?仓库1. 有无规定收发的管理方法并遵守?2. 有无使用指定的储存场所以防止产品变质或损坏?3. 有无规定适当的搬运方法并遵守?4. 有无对产品进行标识?5. 储存下的产品有无防护?措施是否适当?6. 有无建立确保及时交货的生产计划及进度控制系统并执行? ISO14001第一阶段证明强制性法律法规要求符合性的文件1、环评及批复2、排污监测报告3、“三同时”验收报告(含验收监测报告)4、排污许可证5、消防验收报告6、危险废弃物处理合同及转移联单证明体系符合性的文件1、环境因素清单、重大环境因素清单2、目标指标管理方案3、目标指标管理方案监控记录4、适用环境法律法规及其他要求清单5、体系监控记录6、法律法规/其他要求符合性评估7、环境培训计划(包括关键岗位的培训计划)8、应急设施档案/清单9、应急设施检查记录10、应急演习计划/报告。
ISO14001认证的必要性:越来越多的国内外先进企业已经将保护环境视为己任,并要求其分供方同样将环保视为己任。
法律法规的要求:随着国家对环境保护工作的重视,日趋严格的法律法规已陆续出台。
内部管理需要的方面:ISO14001认证能帮助企业有效利用能源,合理地利用原材料,回收控制产品和降低成本,为企业带来经济效益。
银行、保险等相关方要求:银行、保险等相关方为了降低其贷款或保险的风险,向企业提出有关环境保护的要求实施。
那么ISO14001认证办理需要提供什么资料?在本文中将主要为大家介绍ISO14001认证前需准备的详细资料和控制要点,一起来看看吧!1、文件的下发、标识、记录及培训;2、环境因素清单的下发与学习;3、重大环境因素清单的下发与学习(文件形式下发);4、环境因素更新记录的填写;5、适用环保法律、法规及其它要求一览表的下发(文件形式下发);6、环保法律、法规摘要的下发与学习;7、适用法律、法规及其他要求的归档管理;8、主要环保法律、法规的培训;9、环境目标、指标及管理方案的下发(文件形式下发);10、环境目标、指标及管理方案执行情况的监督记录;11、环境目标、指标及管理方案执行的相关证据的收集;12、环境目标、指标及管理方案完成情况统计表;13、公司的培训计划的制定;14、培训记录/签到表/考核表/考卷等培训的收集;15、重要环境岗位清单;16、重要岗位能力评价表的填写;17、相关方培训记录的填写;18、信息交流记录的填写;19、信息交流证据的收集;20、信息处理记录的填写;21、文件修订记录的填写;22、作废文件的保存、标识和作废清单;23、化粪池清污记录和收费证据;24、废水、废液处理运行记录的填写;25、车辆年检记录;以上就是南京泽林认证分享的部分资料,欢迎免费咨询。
南京泽林认证咨询有限公司是从事企业管理咨询、管理体系认证咨询、产品认证咨询和企业项目托管及验厂咨询的专业机构。
我们拥有一批现代管理知识和不同专业背景的资深国家注册咨询师、工程师、资深专家和大学教授;我们致力于国际标准和管理咨询的研究及应用,曾为众多知名企业提供过管理服务;我们聘请南京大学、理工大学、河海大学、林业大学、农林大学的教授来公司授课和指导...如果您也有这方面的需求请联系咨询泽林认证公司官方网址:。
ISO14001: 2015 环境管理体系一、各部门1. 各部门按照《废弃物管理规定》,对本部门的废弃物收集容器进行标识,并严格按照废弃物分类,进行存放,并对员工实施教育培训,使其充分了解和明白。
2. 机器设备日常检查保养记录(检查记录、点检记录、处理记录等等)二、仓库1. 化学品管理(MSDS、口罩、手套、化学品专人管理等)2. 化学危险品清单三、维修部1. 设备点检保养记录(废水处理系统,空压机等大型机器)2. 特种设备使用安全检验合格证(电梯、储气罐等)四、文控部门1. 营业执照2. 排污许可证3. 环境监测报告(废水、废气、噪音、油烟)4. 废水、危险固废、清理化粪池证明(五联单)5. 相关方环境信息交流表6. 环评报告---由具有法定资格的环境影响评价机构实施环境影响预评价及其结论;7. 环评批复---环保局出具的关于环评报告或申报表的批复意见8. 三同时验收报告9. 废弃物处理及工业服务合同10. 重要环境因素清单11. 环境目标指标管理方案12. 环境因素调查表13. 适用法规清单及其他合规性评价14. 环境因素评价表15. 环境管理方案16. 目标完成统计17. 内审(计划、报告、检查表)18. 管理评审(计划、报告、会议记录)五、行政部1. 消防验收证明2. 消防演习培训、演习(包括上一年和今年两个年度计划及报告)3. 化学泄漏培训、演习(包括上一年和今年两个年度计划及报告)4. 有关ISO14001管理体系相关的培训计划及培训记录(上一年及今年两年的相关计划及记录)5. 垃圾桶的分类【可回收(绿色)、不可回收(黄色)、危险固废(红色)】6. 消防工程维修保养合同7. 应急设施档案/清单(如叉车、发电机、灭火器等)8. 化学危险品管理人员(经过培训,最好持有外训证书)9. 厂区平面布置图、污水排放图。