公司领导安全生产职责清单
- 格式:doc
- 大小:32.50 KB
- 文档页数:4
2024年度修订版安全生产主体责任清单为了确保公司的安全生产,根据国家相关法律法规,特制定本清单,以明确公司各层级、各部门及员工的安全生产责任。
请各部门严格按照清单要求执行,并定期进行自查自纠。
一、公司高层领导1.1 董事长- 负责公司安全生产的全面领导,确定公司的安全生产方针和目标。
- 确保公司有足够的人力、物力、财力来支持安全生产工作。
- 定期听取安全生产汇报,分析安全生产形势,解决安全生产重大问题。
1.2 总经理- 组织实施公司安全生产方针和目标。
- 负责公司安全生产组织的建立和运行。
- 定期组织安全生产检查,对检查中发现的问题进行整改。
1.3 安全总监- 负责公司安全生产的日常管理工作。
- 组织制定和修订安全生产规章制度、操作规程。
- 对公司安全生产情况进行监测,对存在的安全问题提出解决方案。
二、各部门负责人2.1 部门经理- 组织实施本部门的安全生产计划。
- 负责本部门安全生产的组织管理,确保本部门遵守公司的安全生产规章制度。
- 对本部门的安全问题负责,发现问题及时整改并向公司安全总监汇报。
三、全体员工3.1 一般员工- 严格遵守公司的安全生产规章制度。
- 接受公司的安全生产培训,掌握必要的安全生产知识。
- 在工作中发现安全问题,应立即向上级汇报并及时处理。
四、安全生产规章制度4.1 安全生产责任制- 明确公司各层级、各部门及员工的安全职责。
- 建立健全安全管理和监督机制。
4.2 安全生产培训- 对员工进行定期的安全培训,提高员工的安全意识。
- 对新入职员工进行安全培训,确保其掌握必要的安全生产知识。
4.3 安全生产检查- 定期进行安全生产检查,发现问题及时整改。
- 对检查中发现的问题进行记录,分析原因,制定预防措施。
4.4 事故处理- 对发生的安全事故进行及时报告,启动应急预案。
- 对事故进行调查,分析原因,制定预防措施。
五、安全生产目标5.1 事故控制目标- 降低事故发生率,实现“零事故”目标。
公司领导安全生产职责清单公司领导安全生产职责清单一、整体安全管理1. 制定并推进公司安全生产方针、目标和计划,并确保全员知晓和执行。
2. 确保安全生产法律法规、标准和规范的执行落实。
3. 成立安全生产领导小组,定期召开会议,研究并解决安全生产中的重大问题。
4. 落实安全生产责任制,明确各个层级的安全生产职责,并组织开展安全生产培训和考核。
二、安全风险评估和预防控制1. 组织开展安全风险评估,确定重大危险源和重点危险作业,并采取相应的预防和控制措施。
2. 制定安全操作规程和操作规范,确保员工严格按照规程和规范进行作业,避免事故发生。
三、安全设施和设备管理1. 负责安全设施和设备的选购、安装、验收和维护,确保安全设施和设备的有效性和可靠性。
2. 制定安全设备操作和维护规程,对相关人员进行培训,提高其设备操作技能和维护水平。
四、应急救援体系建设1. 建立健全公司的应急救援组织机构、救援设备和应急预案,执行应急救援演练,提高员工应对突发事件的能力。
2. 密切关注安全隐患,及时进行事故预警和监测,及时采取措施进行应急处置,确保职工人身安全。
五、安全生产宣传教育1. 组织开展安全生产宣传教育活动,加强员工对安全生产的认识和意识,提高安全生产管理水平。
2. 制作宣传素材,组织安全知识培训和技能比赛,提高员工的安全意识和应急处理能力。
六、安全事故调查和分析1. 组织对发生的安全事故进行调查,确保事故处理及时、准确,总结教训,并制定改进措施,避免类似事故的再次发生。
2. 对严重事故进行深度分析,提出相应的风险防控措施,确保事故不再发生。
七、违规行为处理1. 建立健全安全生产责任追究机制,对违反安全生产规定的员工进行责任追究。
2. 对严重违规行为进行严厉处理,确保全体员工遵纪守法,理解安全生产的重要性。
八、监督检查和督导1. 建立完善的安全生产督导检查制度,定期进行安全生产现场检查和隐患排查,确保安全隐患得到及时消除。
公司领导安全生产职责清单一、公司董事长安全生产职责清单(一) 建立健全并落实本单位全员安全生产责任制,加强安全生产标准化建设。
(二) 组织制定并实施本单位安全生产规章制度和操作规程。
(三) 组织制定并实施公司安全生产教育和培训计划。
(四) 建立健全安全生产监督管理机构,合理配置资源,保证职业健康安全投入的有效实施。
(五) 组织建立并落实安全风险分级管控和隐患排查治理双重预防工作机制,督促、检查本单位的安全生产工作,及时消除生产安全事故隐患。
(六) 组织制定并实施公司的生产安全事故应急救援预案。
(七)及时、如实报告生产安全事故,组织公司生产安全事故的内部调查处理工作。
(八)负责建立、健全安全管理体系,将安全管理体系要求融入公司各业务过程,对职业健康安全管理体系的有效性负责。
参加体系审核,组织职业健康安全体系管理评审,就职业健康安全体系的重要性和合规性进行沟通,促进体系持续改进。
(九)定期研究安全生产工作,向职工代表大会报告安全生产情况,接受工会、从业人员、上级单位对安全生产工作的监督。
(十)法律、法规、规章规定的其他职责。
二、公司常务副经理安全生产职责清单(一) 负责审查资金计划时,同步审查安全生产措施计划,并检查执行情况。
(二) 缴纳工伤保险、安全生产责任险费用。
(三) 组织制定并实施公司安全生产教育和培训计划。
(四) 负责督促分管部门落实安全生产责任制,组织召开职业健康安全相关会议并及时解决问题。
(五) 负责分管专业的制度修订审核。
三、公司副经理安全生产职责清单(一) 协助主要负责人建立健全并落实本单位全员安全生产责任制,加强安全生产标准化建设。
(二) 组织制定公司生产安全规章制度和操作规程,并及时按照新的标准修订,组织制定并实施安全教育培训计划。
(三) 协助主要负责人组织制定并实施公司安全生产教育和培训计划。
(四) 协助主要负责人建立健全安全生产监督管理机构,合理配置资源,保证职业健康安全投入的有效实施。
安全生产责任制清单一、领导责任1.坚持“安全第一”的原则,确保生产过程中安全风险管理得到充分重视。
2.指导和监督各部门、各级管理人员认真履行安全生产管理职责,不断提升安全生产水平。
3.确保充分配备必要的安全设备和设施,保障员工生产操作安全。
二、管理制度1.制定完善的安全生产管理制度,明确各部门的职责、权限和工作流程。
2.定期组织安全教育培训,提高员工对安全生产的认识和意识。
3.建立定期检查和评估机制,确保安全生产管理制度的有效执行。
三、风险评估1.对生产过程中可能存在的安全风险进行全面评估,建立风险管控清单。
2.制定适当的风险应对措施,确保风险得到有效控制和管理。
3.定期对风险评估进行复审,及时更新风险管控清单,保持其实时性和有效性。
四、事故应急预案1.制定完善的安全生产事故应急预案,明确各部门的应急响应职责和流程。
2.组织应急演练活动,提高员工应急响应能力和协调配合水平。
3.定期对应急预案进行修订和完善,确保其符合实际情况和需求。
五、监督检查1.建立定期的安全生产监督检查机制,强化对生产过程中安全风险的监控与管理。
2.对监督检查中发现的安全隐患和问题,要求主管部门立即整改并追究相关责任人的责任。
3.加强对外部执法部门的配合与沟通,确保企业安全生产工作符合法律法规的要求。
结语安全生产责任制清单是企业安全生产管理中的重要工具,只有坚持落实责任,做好各项措施和机制的执行,才能有效保障生产过程中的安全和稳定。
企业要加强安全生产管理,建立健全的管理制度,不断提升员工的安全意识和风险防范能力,为打造安全生产的良好环境做出积极贡献。
企业主要负责人安全生产职责及责任清单安全生产一直是企业发展过程中至关重要的一环,企业主要负责人在安全生产中承担着重要责任。
作为企业的领导者,他们需要履行一系列的安全生产职责,承担相应的责任。
本文将详细介绍企业主要负责人在安全生产中的职责及责任清单。
一、落实安全生产方针企业主要负责人需确定并颁布公司的安全生产方针,确保安全生产方针符合国家法律法规和企业实际情况。
负责人要将安全生产方针贯彻到企业所有活动中,并持续改进。
二、建立安全管理体系企业主要负责人应当建立健全的安全管理体系,包括安全生产责任制度、安全检查制度、事故应急预案等。
负责人需确保安全管理体系有效运行,及时发现并纠正安全隐患。
三、组织安全教育培训负责人要组织安全教育培训活动,提高员工对安全生产的认识和意识。
企业主要负责人应定期组织安全知识培训,加强员工的安全操作技能。
四、落实岗位安全责任企业主要负责人需要确定各岗位的安全责任,明确每个岗位的安全工作职责。
负责人要确保员工明确自己的安全责任,落实岗位安全操作规程。
五、强化安全风险评估企业主要负责人要定期开展安全风险评估,识别潜在的安全风险,并采取有效措施进行管控。
同时,负责人需建立事故隐患排查治理制度,及时消除安全隐患。
六、加强安全检查监督责任清单还包括企业主要负责人加强安全检查监督的职责。
负责人应定期组织安全检查,发现并解决安全隐患。
同时,应加强对安全生产工作的监督,确保安全工作制度的执行。
七、危险化学品管理企业主要负责人需要严格管理危险化学品,确保危险化学品的储存、使用符合相关规定。
负责人还需建立健全危险化学品事故应急预案,随时应对可能发生的化学品事故。
八、健全安全奖惩制度最后一个职责是企业主要负责人要健全安全奖惩制度,明确安全工作的激励和惩罚机制。
负责人应建立安全责任考核制度,对安全工作表现出色的员工给予奖励,对违反安全规定的责任人进行相应惩罚。
通过以上的企业主要负责人安全生产职责及责任清单,企业能够有效开展安全生产工作,确保员工和企业财产的安全,促进企业的可持续发展。
安全生产职责清单和年度工作清单《安全生产职责清单》一、安全生产责任概述(公司名称) 安全生产是公司发展的基本要求,确保员工的生命财产安全是公司的首要任务。
为了明确各部门和岗位的安全生产职责,制定了以下职责清单。
二、公司领导班子安全生产责任1.公司总经理:(1)负责安全生产工作的全面管理和决策;(2)制定安全生产方针和目标;(3)落实安全生产责任制,健全安全生产管理体系;(4)组织开展安全生产培训和教育活动,提升员工安全生产意识;(5)加强安全生产监督检查,及时纠正违规违法行为;(6)负责事故调查和处理工作,做好事故隐患整改;(7)组织应急演练,提高应对突发事件的能力和水平。
2.生产经理:(1)负责制定和落实公司的生产安全规章制度;(2)组织安全生产管理工作,保证生产工艺的安全;(3)监督生产操作规范执行情况,防止生产操作过程中的安全事故;(4)组织安全培训和教育,提高员工的安全素质;(5)负责生产设备的安全管理,保证设备的正常运行。
3.质量经理:(1)负责落实质量安全方针和规章制度;(2)制定质量安全控制标准和检测方法;(3)负责产品质量和安全的监控和控制;(4)组织相关人员进行安全质量培训,提高质量安全意识;(5)负责产品安全事故的调查和处理。
4.行政经理:(1)负责公司的行车安全和消防安全;(2)组织员工进行交通安全培训和消防演习;(3)制定行车和消防管理制度;(4)监督交通和消防管理工作,及时发现和纠正问题。
5.人力资源经理:(1)负责安全培训和教育计划的编制和实施;(2)组织开展安全素质培训,提高员工的安全意识;(3)协助部门负责人开展安全生产工作;(4)组织对新员工进行安全生产培训和考核。
三、各部门安全生产责任1.生产部门:(1)制定和完善生产操作规程,确保操作安全;(2)组织安全生产教育和培训,提高员工安全意识;(3)指导生产操作过程中的安全措施;(4)落实设备安全保护措施,确保设备安全运行。
公司安全生产责任清单(试行)第一部分:公司总部领导及各部门安全生产责任清单一、党委书记/董事长1、企业安全生产第一责任人,对安全生产工作全面负责;2、组织召开党组织会议、董事会、安委会,组织安全生产专题学习,听取安全生产工作汇报,研究部署安全生产重要工作;3、负责按法律、法规要求设立安全生产监督管理机构,配足安全生产监督管理人员;4、签订安全生产责任状,落实企业安全生产责任;落实干部选拔任用及评先评优过程中的安全生产“一票否决”规定;5、监督企业其他负责人履行安全生产岗位职责;6、负责落实领导带班制度,开展安全生产督导检查;7、负责保证企业安全生产足额投入;8、组织制定并实施本单位的生产安全事故应急救援预案9、及时、如实报告生产安全事故。
二、总经理1、企业安全生产第一责任人,与董事长一起对安全生产工作全面负责;2、主持或参加安委会会议,组织安全生产专题学习,听取安全生产工作汇报,研究部署安全生产工作;3、组织制定企业安全生产中长期发展规划;4、按法律法规要求落实安全生产监督管理机构、配备安全生产监督管理人员;5、明确安全生产目标,审批年度安全生产工作计划,落实安全生产费用;6、负责组织对企业各部门及下属企业的安全生产考核;7、负责组织制定企业安全生产规章制度和操作规程;8、组织制定并实施企业安全生产教育和培训计划;9、负责组织制定企业的生产安全事故应急救援预案;10、负责落实领导带班制度,开展安全生产督导检查。
三、党委副书记1、协助党组织书记落实干部选拔任用及评先评优过程中的安全生产“一票否决”规定;2、负责督导各级党组织落实安全生产“党政同责、一岗双责”的规定;3、负责督导各级党员领导干部履行安全生产岗位职责;4、负责加强企业安全文化建设,组织开展安全生产宣传活动,营造良好的安全文化氛围;5、督促分管部门、企业落实安全生产责任,做好安全生产工作。
四、工会主席1、对分管范围内的安全生产工作负领导责任;2、负责组织开展群众性安全文化活动,宣传安全生产先进典型和事迹;3、负责组织职工参加安全生产民主管理和民主监督;4、监督职业安全健康工作措施落实情况;5、组织工会参加有关职业病和伤亡事故调查、分析和处理;6、督促分管部门落实安全生产责任,做好安全生产工作。
公司领导安全生产职责清单1.确立并推动公司的安全生产方针和目标,制定公司安全生产政策,落实安全生产责任制,完善公司安全生产管理体系。
2.具体组织、领导、监督公司的安全生产工作,确保各项安全生产工作的有效推进。
3.制定安全生产年度工作计划和目标,具体落实安全生产任务,对公司的安全生产工作进行全面调查、研究和总结。
4.加强对公司安全生产规章制度的管理和执行,确保各项制度的落实。
5.组织并参与公司的安全生产管理和风险评估,及时发现并解决存在的安全隐患。
6.负责安全培训工作,组织开展安全知识培训,提高员工安全意识和技能。
7.指导各部门、各岗位的安全生产工作,协调解决跨部门、跨单位的安全生产问题。
8.推动公司参与相关安全生产活动和评选,提高公司在安全生产方面的知名度和形象。
9.建立健全事故应急预案,组织相关演练,提高公司应对突发事故的能力。
10.定期召开安全生产例会、总结会议,及时通报安全生产情况,吸收并采纳员工和管理人员的意见建议。
11.与政府监管部门、行业协会和其他相关单位保持良好的沟通和合作,及时了解最新的安全生产法规和标准,确保公司的安全生产工作符合法规要求。
12.加强对员工的安全教育和培训,组织开展安全知识宣传活动,提高员工的安全意识和责任感。
13.要求各部门和岗位按照相关规定进行安全岗位职责明确、责任到人的管理,确保每个岗位的安全职责得以落实。
14.设立安全奖励制度,激励员工参与安全生产工作,提高员工安全生产意识和积极性。
15.对安全生产工作进行检查和监督,发现问题及时纠正,建立健全问题反馈和处理制度,确保安全生产工作的长期有效推进。
16.具体承担安全生产事故发生时的应急处理工作,协助有关部门组织应急救援和善后处理工作。
17.定期向上级汇报安全生产工作情况,接受上级的督促和指导,对安全生产工作进行中期、年度评估。
18.参与相关安全生产会议、培训和讲座,持续学习和提升自身的安全管理能力。
这些是公司领导安全生产的一些基本职责清单,根据实际情况,还可以根据企业的行业特点和具体情况进行补充和细化。
安全生产责任清单和工作任务清单
一、安全生产责任清单
1.领导责任:
–制定和贯彻公司安全制度和政策;
–提倡安全文明生产,确保落实到位;
–指定安全生产管理人员,分工合作,明确职责;
2.安全管理部门责任:
–负责制定并完善安全生产管理制度;
–组织开展安全培训和应急演练;
–负责安全事故的调查和处理;
3.班组长责任:
–每日进行安全巡查,发现问题及时整改;
–督促施工人员遵守安全操作规程;
–组织进行安全技术交底,确保施工人员了解安全操作规范;
4.员工责任:
–遵守安全操作规程,佩戴好相关防护用品;
–发现安全隐患要及时报告;
–参加安全培训,提升安全意识。
二、工作任务清单
1.安全培训任务:
–每月组织一次安全技能培训;
–定期进行消防演习,增强员工应急处置能力;
–定期进行安全会议,传达上级关于安全生产的最新政策及管理要求。
2.安全生产管理任务:
–每周开展一次安全生产巡查;
–保障施工现场安全设施的完好及正常使用;
–严格执行施工许可证规定,杜绝违章施工现象发生。
3.安全事故应急任务:
–构建完善的安全事故应急预案;
–做好安全事故隐患排查工作;
–及时处理事故隐患,避免安全事故发生。
4.安全质量监督任务:
–加强对施工过程中的质量及安全问题监督;
–建立监督巡查制度;
–持续改进监督机制,提高监督效率。
以上责任和任务清单的贯彻执行,对于保障安全生产,维护员工和社会大众的生命财产安全具有重要意义。
希望每一位员工都能时刻将安全放在首位,共同为打造安全稳定的生产环境而努力。
《领导班子安全生产任务清单》安全生产,重于泰山。
在当今社会,安全生产不仅关系到企业的生存与发展,更关乎着广大人民裙众的生命财产安全和社会的和谐稳定。
领导班子作为企业安全生产工作的核心力量,肩负着至关重要的责任和使命。
为了切实有效地保障安全生产工作的顺利开展,以下制定了一份详细的领导班子安全生产任务清单,以确保各项安全生产工作得到全面、深入、有效的落实。
一、组织领导与责任落实1. 成立安全生产领导小组明确安全生产领导小组的职责和工作机制,领导小组应由企业主要领导担任组长,各部门负责人为成员,定期召开安全生产会议,研究解决安全生产中的重大问题。
2. 明确领导班子成员安全生产职责根据企业的实际情况,明确领导班子成员在安全生产工作中的具体职责,包括但不限于:对分管领域的安全生产工作负全面领导责任,督促分管部门建立健全安全生产管理制度和操作规程,组织开展安全生产检查和隐患排查治理,参与安全生产事故的调查处理等。
3. 签订安全生产责任书领导班子成员与企业主要领导签订安全生产责任书,将安全生产责任层层分解落实到个人,形成一级抓一级、层层抓落实的工作格局。
二、安全生产制度建设1. 建立健全安全生产管理制度结合企业的实际情况,建立健全包括安全生产责任制、安全生产教育培训制度、安全检查制度、隐患排查治理制度、事故报告和调查处理制度等在内的一系列安全生产管理制度,确保安全生产工作有章可循、有据可依。
2. 完善安全生产操作规程针对企业的各个生产环节和岗位,制定详细的安全生产操作规程,明确操作流程、注意事项和应急措施,加强对员工的操作规程培训,提高员工的安全操作技能。
3. 加强制度执行情况的监督检查建立安全生产制度执行情况的监督检查机制,定期对制度的执行情况进行检查和考核,对发现的问题及时督促整改,确保制度的有效执行。
三、安全生产教育培训1. 制定安全生产教育培训计划根据企业的安全生产需求和员工的实际情况,制定年度安全生产教育培训计划,明确培训内容、培训对象、培训时间和培训方式。
企业总经理安全生产职责清单1、总经理是企业安全生产的第一责任人,对公司安全生产工作全面负责。
2、建立、健全本单位安全生产责任制。
3、组织制定本单位安全生产规章制度和操作规程。
4、保证本单位安全生产投入的有效实施。
5、督促、检查本单位的安全生产工作,及时消除生产安全事故隐患。
6、组织制定并实施本单位的生产安全事故应急救援预案。
7、及时、如实报告生产安全事故。
8、组织制定并实施本单位安全生产教育和培训计划。
9、明确各岗位的责任人员、责任范围和考核标准等内容,建立相应的机制,加强对安全生产责任制落实情况的监督考核,保证安全生产责任制的落实。
10、自觉执行国家安全生产法律法规,始终把握好安全生产的方针、政策,不断研究出现的新问题,提出新思路,采取新措施;逐级抓好安全生产责任制的落实;对本企业的重大隐患做到心中有数,认真抓好治理;抓好生产装置、设施技术改造和基本建设安全管理的“三同时”。
11、主持召开安委会会议,确定本企业安全生产目标;审定安全生产规划和计划。
12、负责健全安全生产管理机构,充实专职安全技术管理人员。
13、定期听取安全工作汇报,组织对重大事故的调查处理,决定安全生产工作的重要奖惩。
14、认真履行关键装置要害部位安全联系职责。
15、负责行政部门及分管部门的安全教育和考核工作,强化门卫制度,严禁火种、危险品带入厂内,监督检查执行情况。
16、保证供应的原材料、设备、配件、材料等质量符合国家标准,因质量问题造成事故,负责追究有关人员的责任。
17、督促落实检查重大危险源包保责任制主要负责人职责。
18、研究解决“安委会”提出的安全生产重点、难点问题;定期向董事会、股东会、职工代表大会报告安全生产情况。
19、负责健全安全生产管理机构,全力支持安全管理部门开展安全生产综合协调和监管工作;定期听取安全工作汇报,组织对重大事故的调查处理,决定安全生产工作的重要奖惩。
20、参加领导干部带班值班。
安全生产18项责任清单安全生产18项责任清单1. 企业领导责任:企业领导要高度重视安全生产工作,制定安全政策、目标,并确保实施和执行。
2. 安全生产组织责任:明确安全生产组织、管理制度,确保各部门、岗位的责任和权限明晰。
3. 安全生产培训责任:建立健全安全培训机制,确保员工掌握必要的安全知识和技能。
4. 安全设施设备责任:保证公司的安全设施设备齐全完善,确保其正常运行和使用。
5. 安全生产标准责任:制定安全生产操作规程和标准,确保生产过程中符合相关安全标准。
6. 安全生产检查责任:定期开展安全生产检查,发现问题及时整改,确保生产过程中存在潜在风险得到消除。
7. 安全事故调查责任:对安全事故进行全面调查,查清事故原因,提出改进措施,避免类似事故再次发生。
8. 安全职责追究责任:对违反安全规定的行为进行追责,严肃问责,确保安全生产纪律的执行。
9. 安全文化建设责任:鼓励员工积极参加安全文化建设活动,营造浓厚的安全生产氛围。
10. 安全生产监督责任:配备专业安全监督人员,加强对生产过程的监控和管理。
11. 安全风险评估责任:进行安全风险评估,识别潜在的安全风险,采取预防措施。
12. 突发事件应急责任:建立健全突发事件应急预案,确保在突发事件发生时能够快速、有效地响应和处置。
13. 安全生产宣传责任:开展安全生产宣传活动,提高员工对安全生产的意识和重视程度。
14. 安全责任追溯责任:建立安全责任追溯机制,对安全责任落实情况进行检查和评估。
15. 安全生产信息报告责任:及时向相关部门报告安全生产情况,确保信息畅通和及时反馈。
16. 安全风险管理责任:建立安全风险管理制度,及时发现和控制安全风险。
17. 安全生产奖惩责任:建立健全安全生产奖惩制度,对安全生产表现好坏进行奖励和惩处。
18. 安全责任落实责任:各部门、岗位要明确安全责任,制定安全目标和计划,确保责任的落实。
安全生产18项责任清单是企业管理安全生产工作的基础,责任清单的严格执行可以提高安全生产管理的效率和水平,从而有效保障员工的生命安全和身体健康,减少事故的发生,提高企业的发展和竞争力。
1)认真贯彻执行党和国家及上级部门有关安全生产的方针政策、法律法规、决定、规章;2)召开董事会,研究批准经营层上报的安全生产管理机构设置方案;3)听取安全生产工作情况汇报,研究部署安全生产工作,解决安全生产方面的重大问题;4)每年对安全生产绩效进行考核,并奖惩兑现;5)保障安全生产方面的资金投入;6)及时报告生产事故。
1)公司总经理为公司安全生产第一责任人,贯彻执行上级各部门有关安全生产的方针、政策、法律、法规,审阅上级有关安全方面的文件,签发有关安全工作的重大决定,并结合本单位实际建立、健全公司安全生产责任制。
2)主持重要的安全生产工作会议,听取公司安全生产工作情况汇报,催促、检查公司各单位的安全生产工作,解决或者审批有关安全生产方面的重大问题,及时消除生产安全事故隐患。
3)健全安全管理机构,检查、催促公司各副职、各职能部门履行安全生产职责情况,参加公司重大安全活动。
4)组织制定公司安全生产规章制度和操作规程、安全管理(工作)标准和重大的安全技术措施,组织批准部门制定的生产安全事故应急预案,并组织定期演练。
5)在发生事故时,及时组织救援,科学施救,并根据国家相关规定及时、如实报告生产安全事故。
6)规定提取安全生产专项资金,用于改善安全生产条件、消除事故隐患、加强安全生产教育和劳动保护、奖励安全生产先进,保证安全生产管理的人力、物力、财力的投入。
7)参预审批公司事故调查处理报告,按有关规定作出处理决定。
8)加强对各项安全活动的领导,与部门、单位安全生产第一责任人签订安全生产责任书,决定安全生产方面的重要奖惩。
9)在计划、布置、检查、总结、评比生产经营工作的同时,计划、布置、检查、总结、评比安全生产工作。
坚持“安全生产一票否决”制度。
10)组织制定并实施本单位安全生产教育和培训计划。
1)认真贯彻执行党的安全生产方针,保证党和国家安全生产方针、政策、法规、条例及上级有关安全生产的指示、规定在企业及时传达贯彻,并认真执行,与总经理共同承担相关安全责任。
主要负责人安全生产职责清单内容一、依法承担安全生产主体责任1.遵守国家、行业和企业安全生产法规法律法规,承担企业安全生产主体责任。
2.制定、完善和执行企业安全生产规章制度,确保安全生产工作合规运行。
3.组织开展安全生产培训,提高员工安全生产意识和技能水平。
4.组织开展安全生产检查,及时发现并整改安全生产隐患。
5.落实事故应急预案,做好突发事件的应对和处置工作。
二、建立健全安全生产责任体系1.设立安全生产领导小组,明确主要负责人和各部门安全生产责任。
2.划分安全生产责任区域,明确责任人员,建立责任清单。
3.密切配合各部门,建立安全生产责任分工协调机制。
4.定期召开安全生产工作例会,评估安全生产责任履行情况。
三、确保安全生产设施设备维护管理1.完善设施设备安全管理制度,定期检查设备安全状况。
2.组织设备维修保养,及时消除设备安全隐患。
3.开展设备安全培训,提高操作人员安全意识和技能。
4.建立设备档案管理系统,做好设备使用记录和维护情况追踪。
四、制定安全生产应急预案1.确定各类突发事件应急预案,明确各岗位责任和处置流程。
2.组织开展应急演练,提高应急处置能力和协调配合水平。
3.配备必要的应急救援装备和药品设施,确保应急处置效果。
4.建立应急事件跟踪和评估机制,总结经验教训,不断完善预案。
五、推动安全生产宣传教育1.制定安全生产宣传计划,营造安全生产浓厚氛围。
2.开展安全生产知识普及活动,提高员工安全意识。
3.编制安全生产宣传资料,利用多种途径进行宣传。
4.加强与社会各界的交流合作,共同推动安全生产文化建设。
总结主要负责人作为企业安全生产的领头羊,承担着重要的责任和使命。
只有严格履行安全生产主体责任,建立健全的责任体系,做好设备维护管理和应急预案准备,加强宣传教育工作,才能有效保障企业安全生产的顺利进行,确保员工和社会的安全。
希望每位主要负责人都能以高度的责任感和使命感,牢记安全生产职责清单内容,做到关键细节的落实与监督,共同努力创造一个安全、和谐的工作环境。
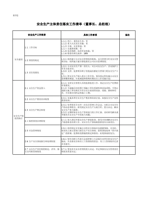
安全生产职责清单
(公司党委书记、董事长)
担任公司安全生产委员会主任,是公司安全生产第一责任人,全面负责公司安全生产工作和职业健康工作。
(一)建立、健全公司安全生产责任制。
(二)组织制定公司安全生产规章制度和操作规程。
(三)组织制定并实施公司安全生产教育和培训计划。
(四)保证公司安全生产投入的有效实施。
(五)督促、检查公司的安全生产工作,及时消除生产安全事故隐患。
(六)组织制定并实施公司的生产安全事故应急救援预案。
(七)及时、如实报告生产安全事故。
(八)落实公司班子成员担任分管安全生产工作负责人。
(九)建立、健全安全生产管理部门,配齐专职安全生产管理人员。
(十)与公司所属各单位签订年度安全生产责任书。
(十一)每年不少于2次督导、检查公司安全生产工作。
(十二)每半年不少于1次组织召开党委会、每季度不少于1次组织召开董事会、每季度不少于1次组织召开安委会会议,研究安全生产工作。
(十三)主持召开公司对所属单位主要负责人的安全生产警示约谈会议。
(十四)按要求依时参加市级以上会议,及时传达部署上级相关工作要求。
(十五)当发生3人及以上人员死亡的生产安全事故时,赶往现场处理。
(公司党委副书记、副董事长、总经理)
担任公司安全生产委员会常务副主任,负责协助公司安委会主任开展安全生产工作和职业健康工作,指导分管安全生产工作的副总经理和其他副总经理开展工作。
(一)贯彻执行公司党委会、董事会关于安全生产工作事项,结合公司实际,指导、督促公司各部室履行安全生产职责。
(二)把安全生产工作纳入公司重点工作和年度工作报告内容。
(三)每年不少于2次督导、检查公司安全生产工作。
(四)每月组织召开1次公司安全生产例会。
(五)根据情况,主持召开公司安委会会议。
(六)根据情况,主持召开公司对所属单位主要负责人的安全生产警示约谈会议。
(七)按要求依时参加市级以上会议,及时传达部署上级相关工作要求。
(八)当发生2人及以上人员死亡的生产安全事故时,赶往现场处理。
(公司分管安全副总经理)
担任公司安全生产委员会副主任,是公司安全生产直接责任人,负责综合协调、监督、指导公司安全生产工作和职业健康工作,分管安全工作和供排水营运工作,指导、监管公司存量资产的生产、营运、经营、行政办公领域的安全生产监管工作(包括消防、生产用车辆的交通安全监管)和应急管理工作。
(一)组织制订公司安全生产规章制度。
(二)负责公司安全生产日常工作。
(三)每半年不少于1次督导、检查分管业务部门(单位)的安全生产工作。
(四)组织对公司所属单位的季度和年度安全生产绩效考核工作。
(五)每年不少于2次组织开展全员安全教育培训。
(六)每年不少于1次组织召开分管业务范围的安全专题会议。
(七)主持召开公司对所属单位安全生产直接责任人的安全生产警示约谈会议。
(八)按要求依时参加上级主管部门组织召开的安全生产工作会议,及时传达部署上级相关工作要求。
(九)组织公司生产安全事故应急救援预案按规定备案,每年至少1次组织开展应急预案演练。
(十)当发生1人及以上人员死亡的生产安全事故时,赶往现场处理。
(公司分管建设副总经理)
担任公司安全生产委员会副主任,分管工程建设,负责指导、监管公司增量资产的安全生产监管工作(包括消防、施工用车辆的交通安全监管)、职业健康工作和应急管理工作。
(一)组织制订公司工程建设方面的安全生产规章制度。
(二)负责督导分管业务部门(单位)、工程建设方面的安全生产工作。
(三)每半年不少于1次督导、检查分管业务部门(单位)的安全生产工作。
(四)参加公司安全生产例会(建设工程方面)。
(五)按要求依时参加上级主管部门组织召开的关于工程建设方面的安全生产工作会议,及时传达部署上级相关工作要求。
(六)每年不少于1次组织召开分管业务范围的安全专题会议。
(七)组织或参加公司对所属单位涉及工程建设领域的安全生产警示约谈会议。
(八)每年至少1次组织开展工程建设领域的应急预案演练。
(九)当分管业务范围发生1人及以上人员死亡的生产安全事故时,赶往现场处理。