结构设计原理课程设计计算书演示教学
- 格式:doc
- 大小:3.21 MB
- 文档页数:8
一、 设计目的与要求(1) 掌握钢筋混凝土简支梁正截面和斜截面承载力的计算方法 (2) 并熟悉内力包络图和材料图的绘制方法 (3) 了解并熟悉现梁的有关构造要求(4) 掌握钢筋混凝土结构施工图的表达方式和制图规定,进一步提高制图的基本技能二、 设计题目装配式钢筋混凝土简支梁设计三、 设计资料T 型截面梁的尺寸如图所示,梁体采用C 25混凝土,主筋采用HRB 400级钢筋,箍筋采用R 235级钢筋。
简支梁计算跨径L 0=24M 和均布荷载设计值=40KN/M 。
跨中截面:M dm =18×q 2b l =18×42×242=3024KN ·M m d V =0 L/4截面:M dl =332×q 2b l =332×48×202=1800KN ·M 支点截面:M d0=00d V =12q l b =504KN 四、 设计内容(1) 确定纵向受拉钢筋数量及腹筋设计。
(2) 全梁承载能力图校核。
(3) 绘制梁截面配筋图。
(4) 计算书:要求计算准确,步骤完整,内容清晰。
五、 准备基本数据由查表得:C25混凝土抗压强度设计值f cd =11.5MPa,轴心抗拉强度设计值f td =1.23MPa 。
混凝土弹性模量E c =2.80×104MPa 。
HRB 400级钢筋抗拉强度设计值f Sd =330MPa, 抗压强度设计值f 'Sd =330MPa 。
R 235级钢筋抗拉强度设计值f Sd =195MPa, 抗压强度设计值f 'Sd =195MPa 。
六、 跨中正截面钢筋设计1、 确定T 型截面梁受压翼板的有效宽度/f b由图所示的T 型截面梁受压翼板的宽度尺寸为其等效的平均厚度/f h =140802=110mm /1f b =13L 0=13×24000=8000/2f b =1580mm(相临两主梁轴线间距离) /3f b =b +2b h +12/f h =200+12×110=1520mm受压翼板的有效高度为:/f b =M in (/1f b ,/2f b ,/3f b )=1520mm ,绘制T 型梁的计算截面如图所示2、 钢筋数量计算查附表得受压高度界限系数ξb =0.56 (1) 确定截面有效高度设a s =120mm ,则h 0=h -a s =1300-120=1180mm(2)判断截面类型 f cd /fb /f h(h 0-/2f h )=11.5×1520×110×(1180-1102)=2163.15 KN <3024KN ·M 属于第Ⅱ类T 型梁截面 (3) 确定受压区高度X由公式r 0M d = f cd b x (h 0-2x )+ f cd (/f b -b)/f h (h 0-/2f h )得1.0×3024×106=11.5×200X ×(1180-2x)+11.5×(1520-200)×110×(1180-1102) 即:X 2-2360X+9960652.174=0解得X=550.45 mm <ξb h 0=0.56×1180=660.8 mm 且X>/f h =110mm(4) 求受拉钢筋面积A s 由公式f cd b x+ f cd (/f b -b)/f h =f Sd A s 得 A s =/fcd bx+ fcd ( -b)fsdf b=11.5×200×550.45+11.5×(1520-200)×110/330 =8896.47 mm 2选钢筋8⎰⎰32+4⎰⎰28,截面面积A s =8897 mm 2钢筋布置如图所示七、跨中正截面承载力复核由于受拉钢筋为8⎰⎰32(6434 mm 2),f Sd =330Mpa ,4⎰⎰28(2463 mm 2),f Sd =330Mpa ,查表得⎰⎰32的外径为34.5 mm ,⎰⎰28的外径为30.5 mm ,取保护层厚度为30mm ,则a s =6434×330×(30+2×34.5)+2463×330×(30+34.5×4+30.5)/6434×330+2463×330=126.5≈127 mmh 0=h -a s =1300-127=1173mm 1、判断截面类型f cd /f b /f h =11.5×1520×110=1922.8 KN ·M f Sd A s =330×8897=2936.01 KN ·M由于f cd /f b /f h <f Sd A s ,故为第Ⅱ类截面 2、求受压区高度X由公式f cd b x+ f cd (/f b -b)/f h =f Sd A s 得、X=//fsdAs- fcd ( -b)fcd bf f b h=330×8897-11.5×(1520-200)×110/11.5×200=565.53 mm <ξb h 0=0.56×1180=660.8 mm (不是超筋梁) 取X=565.53 mm3、 正截面抗弯承载力验算由公式r 0M d = f cd b x (h 0-2x)+ f cd (/f b -b)/f h (h 0-/2f h )得M d =11.5×200×565.53×(1173-565.532)+11.5×(1520-200)×110×(1173-1102)=3024.8 KN ·M >3024KN ·Mρ=s 0A bh =88972001173⨯=3.79%>min ρ=0.20%(不是少筋梁)4、 结论该梁为适筋梁,且正截面的抗弯承载力能够满足要求 八、 腹筋设计 1、 截面尺寸验算根据构造要求,梁最底层两排钢筋4⎰⎰32通过支座截面,其面积为:A s =3217 mm 2>8897×20%=1779.4 mm 2支座截面有效高度h 0=h -(30+34.5)=1236mm0.51×10 -3h 0=0.51×10 -3200×1236=630.36 KN > 0d V =12q l b =504KN可知截面尺寸符合要求2、 检查是否需要根据计算配置箍筋跨中截面:0.51×10 -3×f td b h 0=0.51×10 -3×1.23×200×1173=144.28 KN 支点截面:0.51×10 -3×f td b h 0=0.51×10 -3×1.23×200×1236=152.03 KN因为m d V =0 <0.51×10 -3×f td b h 0< 0d V =12q l b =504KN ,故可在跨中的某一长度范围内按构造配置箍筋,其余区段应按照计算配置腹筋。
结构设计原理课程设计计算书结构设计原理课程设计计算书中国矿业大学力学与建筑工程学院《结构设计原理》课程设计第24 页第一部分:钢筋混凝土一、设计资料某二层框架结构,柱网布置见附图1。
底层层高,二层层高,基础顶面到室内距离,框架柱截面尺寸为,结构安全等级为二级,环境类别为一类。
面层做法:按江苏省标准图集苏采用水磨石楼面(厚水磨石面层,水泥砂浆打底,荷载标准值取);该楼盖无其它特殊要求。
设计时按双向板楼盖设计。
顶棚处理:厚混合砂浆抹灰,荷载标准值取。
活载取值:材料选用:混凝土;梁内纵向受力钢筋采用,其余钢筋均采用。
(,)二、设计计算内容1 确定结构平面布置图2 板的设计(3.865标高楼板,弹性方法)(1)板的内力计算(2)强度计算(3)绘制配筋图3. 次梁设计(3.865标高次梁,弹性方法)(1)内力计算(2)强度计算(3)绘制配筋图 4. 主梁设计(3.865标高③轴主梁,弹性方法)(1)内力计算(2)强度计算(3)选配钢筋、绘制材料抵抗弯矩图及配筋图三、设计过程1. 结构平面布置图(见图1)2. 楼板计算(1)尺寸估算①由于主梁两端均与柱刚接,按弹性理论设计。
主梁计算长度查表,主梁,取;宽度,取;图1 楼盖结构平面布置图②由于次梁两端均与主梁整浇,按弹性理论设计。
次梁中间跨计算长度;次梁边跨计算长度。
查表,次梁,取。
宽度,取。
③由于楼板两端均与主梁整浇,按弹性理论设计。
计算跨度(C、D区隔),(A、B区隔),。
各区板的计算跨度见表1。
查表,楼板,考虑到楼面活荷载比较大及其他影响,取。
(2)荷载计算荷载标准值面层水磨石楼面结构层厚楼板平顶恒载标准值活载标准值荷载设计值由可变荷载控制的组合由永久荷载控制的组合故荷载设计值由可变荷载效应控制,板内力计算时取3)内力计算双向板按弹性理论计算内力,在求各区板内最大弯矩时,按恒荷载满布及活荷载棋盘式布置,取荷载:在作用下,各支座可视为固定,某些区隔板跨内最大正弯矩不在板的中心点处;在作用下,各区格板四周均可视为简支,跨内最大正弯矩则在板的中心点处,计算时可近似取二者之和作为跨内最大正弯矩值。
武汉工程大学
《结构设计原理》课程设计
说明书
课题名称:三跨钢筋混凝土连续T形截面梁设计
学生学
号:
专业班
级:
学生姓
名:
学生成
绩:
指导教
师:
课题工作时
间:至
武汉工程大学教务处制
填写说明
1.一、二、三项由指导教师在课程设计(学年论文)开始前填写并交由学生保管;
2.四、五两项由学生在完成课程设计后填写,并将此表与课程设计一同装订成册交给指导教师;
3.成绩评定由指导教师按评定标准评分;
4.此表格填写好后与正文一同装订成册。
图1 三跨钢筋混凝土连续梁计算简图(单位:cm) 梁截面尺寸
采用T型截面梁,其截面尺寸如图2所示。
图2 梁截面尺寸(单位:cm)
梁的弯矩包络图及剪力包络图如图3所示。
图3 内力包络图
单位:弯矩(右半部分)10*N.m,剪力(左半部分)kN。
第一部分:钢筋混凝土一、设计资料某二层框架结构,柱网布置见附图1。
底层层高3.9m ,二层层高4.5m ,基础顶面到室内距离0.635m ,框架柱截面尺寸为450mm 450mm ⨯,结构安全等级为二级,环境类别为一类。
面层做法:按江苏省标准图集苏J01-20057/3采用水磨石楼面(15mm厚水磨石面层,20m 水泥砂浆打底,荷载标准值取20.65kN /m );该楼盖无其它特殊要求。
设计时按双向板楼盖设计。
顶棚处理:20厚混合砂浆抹灰,荷载标准值取20.3kN/m 。
活载取值:26.2kN/m k q =材料选用:C30混凝土;梁内纵向受力钢筋采用HRB400,其余钢筋均采用HRB335。
( L18100mm =, L 29000mm =)二、设计计算内容1 确定结构平面布置图2 板的设计(3.865标高楼板,弹性方法) (1) 板的内力计算 (2) 强度计算 (3) 绘制配筋图3. 次梁设计(3.865标高次梁,弹性方法) (1) 内力计算 (2) 强度计算 (3) 绘制配筋图4. 主梁设计 (3.865标高③轴主梁,弹性方法) (1) 内力计算 (2) 强度计算(3) 选配钢筋、绘制材料抵抗弯矩图及配筋图三、设计过程1. 结构平面布置图(见图1)2. 楼板计算(1)尺寸估算① 由于主梁两端均与柱刚接,按弹性理论设计。
主梁计算长度09000mm c l l ==查表,主梁001.2/10~/15 1.29000/10~9000/151080~720mm h l l ==⨯=()(),取900mm h =;宽度/3~/2900/3~900/2300~450mm b h h ===,取350mm b =;图1 楼盖结构平面布置图② 由于次梁两端均与主梁整浇,按弹性理论设计。
次梁中间跨计算长度08100mm c l l ==;次梁边跨计算长度08100+450/48123mm c l l ===()。
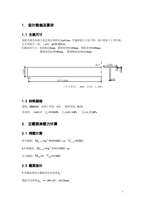
1. 设计数据及要求1.1 主梁尺寸装配式钢及混凝土简支梁计算跨径Lo=24m ,T 截面梁尺寸如下图,设计梁处于Ⅰ类环境,安全等级为二级,γo=1,q=39.5KN/m 。
T 截面梁尺寸:梁高=1550mm 翼缘宽度=2100mm 腹板宽度=190mm 翼缘端部高度=90mm 翼缘根部高度=150mm(尺寸单位:mm 比例:1:100)1.2 材料规格钢筋:HRB400 混凝土等级:C35 箍筋等级:R235 查表得:ξb=0.53 sd f =330MPa cd f =16.1 MPaf =1.52 MPa2. 正截面承载力计算2.1 荷载计算跨中截面:l/2d M ,=ql 2/8=2844KN ·m 2l/d V ,=85KN L/4跨截面:l/4d M ,=3ql 2/32=2133KN ·m支点截面:0d M ,=00d V ,=474KN 2.2 截面设计T 型截面梁受压翼板的有效宽度f b ′ 翼板平均厚度h f ′=(90+150)/2=120mm1f b ′=L/3=8000mm2f b ′=2100mm3f b ′=b+2b h +12h f ′=1630mm故受压翼板的有效宽度f b ′=1630mm 采用焊接钢筋骨架s a =30+0.07h=138.5mm 截面有效高度为0h =1550-138.5=1411.5mmf cd b f ′h f ′(0h - h f ′/2)=4256.09KN ·m>γoM d =2844 KN ·m故属于第一类T 型截面。
计算受压区高度’f cd d 020b f M 2-h h x γ-==78.99mmf cd s b f A =′x/sd f =6282mm现选择钢筋为6φ32mm+6φ18mm (s A =6353mm 2) 钢筋叠高层数为6层。
ρ=s A /bh 0=2.37%>ρmin=0.2%混凝土保护层厚度取c=35mm钢筋间横向净距mm d mm S n 4025.14.488.352352190=>=⨯-⨯-=及40mm 故满足构造要求。
课程设计课程名称:结构设计原理I设计题目:简支伸臂梁设计姓名:XXXX学号:XXXXXX院系:土木工程系班级:XXXXXXXX指导教师:XXXX完成日期:成绩:《结构设计原理I 》课程设计任务书一、设计资料有一矩形截面钢筋混凝土伸臂梁,如图1所示,简支跨A —B 的计算跨度为1l ,伸臂跨B —C 的计算跨度为2l ,全梁承受均布荷载设计值为q ;构件的截面尺寸自拟;混凝土强度等级自拟,纵向受力钢筋采用HRB335或HRB400,箍筋采用HPB235。
(参考截面尺寸:mm mm h b 700250⨯=⨯)图1 结构布置图二、设计要求1、正截面设计:设计纵向受弯钢筋、架立钢筋;2、斜截面设计:设计斜截面受剪钢筋(弯起钢筋和箍筋);3、裂缝宽度验算;4、挠度验算;5、绘制梁的内力图(弯矩、剪力)、抵抗弯矩图(材料图)、梁的配筋详图。
三、时间安排利用课余时间完成,第16周上课前上交。
设计过程一、基本数据:q=120 KN/m L1=5m L2=2m 取ɑ1=1.0HPB235: fyv=fy=210N/mm2C25:fc=11.9 N/mm2ft=1.27 N/mm2 HRB335: fyv=fy=300N/mm2 C30:fc=14.3 N/mm2ft=1.43 N/mm2 HRB440: fyv=fy=360N/mm2 C35:fc=16.7 N/mm2ft=1.57 N/mm2截面尺寸b×h=250mm×700mm布钢筋两排h0=h-a s=700mm-60mm=640mm二、求出支座反力:F A=252 KN F B=588 KN画出剪力图、弯矩图如下:Fs图(KN)M图(KN·m)三、正截面设计M max=255KN·m根据公式f y As=ɑ1fcbx ………….①Mu=ɑ1fcbx (h0-x/2) ………….②由②式:255×106=1.0×11.9×250×x×(640-x/2) 解之得:x=152mm由①式:300×As=1.0×11.9×250×152解之得:As=1507mm2选配纵向受弯钢筋:6Ⅱ20,As=1884mm2.验算: ρmin=0.2% ξb=0.55是否少筋:As=1884 mm2>ρmin×b×h0=0.2%×250×640=320 mm2.相对受压区高度:x<ξb×h0=0.55×640=352m. 均符合要求。
一、毛截面几何特性计算 1、T 梁受压翼缘有效宽度计算按《桥规》规定,有效宽度'f b min ={}h f /3,b b 12h +’计算跨径梁平均间距,+2{}min 23980/3202=⨯⨯,1800,200+240+12 {}min 7993.3318002704=,, 1800=mm(其中受压区翼缘悬出板厚度:()f h 100020010040/2/1000202mm ≈⨯+⨯=’)2、毛截面几何特性计截面分块示意图见图1.1,毛截面几何特性表见表1.2(附表)。
二、内力组合主梁作用效应组合值计算列于表2,见附表。
三、钢筋数量的确定及布置 1、预应力截面积估算按构件正截面抗烈性要求估算钢筋数量正常使用极限状态按作用(或荷载)短期效应组合计算的弯矩值为(由表2得)121495224852730.383301.38s G G Qs M M M M =++=+++=设预应力钢筋截面重心距界面下缘为100mm p a =,则预应力合力作用点至图1..1 面分块示意图截面重心轴的距离为p b p 12261001126mm e y a =-=-=;钢筋估算时,截面性质近似取用全截面性质计算,由表1得跨中截面全截面面积2898900mm A =,全截面对抗裂验算边缘的弹性抵抗距为963b /298.87010/1226243.77710mm W I y ==⨯=⨯;故有效预加力合力为666s tk pe 6p /0.7f 3301.3810/243.777100.7 2.65 2.039210101/e /W 1/8989001126/243.77710M W N N A -⨯⨯-⨯≥==⨯++⨯预应力钢筋张拉控制应力为con pk 0.750.7518601395a f MP σ==⨯=,预应力损失按张拉预应力的20%估算,则可得需要预应力钢筋的面积为6pe2p con2.0392********.49mm 10.20.81395N A σ⨯===-⨯()采用三束5s φ15.24钢绞线,预应力钢筋的截面积为2p 351392085mm A =⨯⨯=。
1、 设计任务某二层建筑物,为现浇混凝土内框架结构(中间为框架承重,四周为墙体承重) 梯、雨棚等进行结构设计,并根据设计结果,对混凝土和钢筋用量进行分析。
2、 设计资料1. 建设地点:烟台市莱山区2. 楼面做法:水磨石地面,钢筋混凝土现浇板,20mm 石灰砂浆板底抹灰。
3. 层高:4.5m ;门:宽X 高 =3300m M 3000mm 楼梯位置见图,楼梯尺寸自定; L i =L 2=6000mm4. 柱截面尺寸为450mn X 450mm 墙体为370mm 砖砌体;5. 建筑用途:光学加工;活荷载:均布活荷载标准值(板,次梁,主梁)5.0/5.0/4.0 (kN/m i 2),屋面雪荷载按烟台地区考虑,为0.4 kN/m 2;6. 混凝土强度等级 C25;梁内受力钢筋为 HRB335板为HPB30Q 箍筋HPB30Q3、 楼盖的结构平面布置确定主梁沿横向布置,次梁沿纵向布置,主梁与次梁的跨度相同,为2.0m 的单向板进行设计。
h >2000/40=50mm,取板厚 h=80mmh=l 0/20 〜I 0/12=300 〜500mm 取 h=450mm 由 h/b=2.0 〜3.0,截面h=l 0/14 〜10/8=430 〜750mm 取 h=600mm 由 h/b=2.0 〜3.0,截面L i=L 2=6.0m 。
主梁每跨内布置 2根次梁,6.0/2.0=3 >3,故板按跨度 板厚:按跨高比条件,要求板厚 次梁截面尺寸:截面高度应满足 宽取 b=200mm主梁截面尺寸:截面高度应满足宽取 b=300mmsnon A noneaoo fionn,试对楼盖、屋盖、楼4、 板的设计小计腆=2.99kN/m 2 板的可变荷载标准值% = 5kN/m 2>4 kN/m 2由于主梁的约束作用9^ =珈+至=5.49 kN/m 2 聯=f = 2厲kN/m 2 由可变荷载控制时,永久荷载分项系数丫G=1.2,可变荷载分项系数Y Q =1.3p = Y G 9k + ¥沁=1-2 X 549 + 1.3 X £5 =由永久荷载控制时,永久荷载分项系数丫G=1.35,可变荷载分项系数Y Q =1.3p ='比&左 + 丫抽珥卜=「:" X 5.49 + 1.3 X 0.7 X 2.T = 9.69^/V.故取值p 扣伸亦(2)计算简图次梁截面为200mm x 450mm ,现浇板在墙上的支承长度不小于120mm 取板在墙上的支承长度为240mm因为 q/g=2.99/5=0.598>0.3 ,所以按塑性内力重分布设计,板的计算跨度:边跨=打 + h 吃=2000 - 100 - 120 + ao , 2 = 1820mm < L02叫=2050欧耐也=人产2000 - 200 = lflOOmni 因跨度小于卩%可按等跨连续板计算。
《混凝土结构设计原理》课程设计计算书题目:*达公司组装车间楼盖设计专业班级:土木@@@姓名:###学号:2009%%^^&&$$指导教师:&&&一、设计资料1、荷载楼面的活荷载标准值为6.5kN/m2楼面面层水泥砂浆面层自重为20kN/m3,钢筋混凝土板25 kN/m3纸盘白灰抹底16 kN/m33、材料选用:(1)混凝土: C30(2)钢筋:梁、板受力筋采用HRB400级钢筋,梁箍筋、板构造筋采用HRB335级钢筋。
二、楼盖的结构平面布置主梁沿横向布置,次梁沿纵向布置。
主梁跨度为6m,次梁跨度为6.3m,主梁每跨布置两根次梁,板的跨度为2m,l02/ l01 =6.3/2=3.15>3,因此按单向板0计。
按跨高比条件,要求板厚h≥2000/40=50mm,对于工业建筑楼板h≥80mm,取板厚h=80mm。
次梁截面高度应满足h=l2/18~l2/12=6300/18~6300/12=350~525mm。
考虑到楼面可变荷载较大,取h=500mm。
截面宽度取为200mm。
主梁截面高度应满足h=l1/15~l1/10=6000/15~6000/10=400~600mm,取h=600mm。
截面宽度取为300mm。
三、板的设计轴线①~②、⑤~⑥的板属于端区格单向板;轴线②~⑤的板属于中间格单向板。
1、荷载板的永久荷载标准值40mm厚水泥砂浆面层 0.04×20=0.8 kN/m280mm钢筋混凝土板 0.08×25=2 kN/m215mm厚的纸盘白灰抹底 0.015×16=0.24 kN/m2小计 3.04 kN/m2板的活荷载标准值 6.5kN/m2永久荷载分项系数取1.2;楼面活荷载标准值大于4.0kN/m2,所以活荷载分项系数应取1.3。
于是板的永久荷载设计值 g=3.04×1.2=3.65 kN/m2活荷载设计值 q=6.5×1.3=8.45 kN/m2荷载总设计值 g+q=12.1kN/m22、计算简图次梁截面为200mm×500mm,现浇板在墙上的支撑长度不小于100mm,取板在墙上的支撑长度为120mm。
已知钢筋混凝土简支梁全长L 0=,计算跨径L=。
T 形截面梁的尺寸如图(a )所示,桥梁处于I 类环境条件,平安品级为二级,0γ=1。
梁体采纳C30混凝土,轴心抗压强度设计值cd f =,轴心抗拉强度设计值td f =。
主筋采纳HRB335钢筋,抗拉强度设计值sd f =280MPa ;箍筋采纳R235钢筋,直径8mm ,抗拉强度设计值sd f =195MPa 。
(a)一、T 形梁正截面设计解:由已知条件知:cdf =,td f =,sd f =280MPa ,b ξ=,0γ=1。
跨中截面计算弯矩:结构重力弯矩:m k 82.8332/1•=N M 恒 汽车荷载弯矩:m kN 29.5622/1•=汽M 人群荷载弯矩:m kN 04.782/1•=人M 极限承载力的计算:()mkN S S S M m i n j Qjk Qj c k Q Q GikGi d •=⨯⨯+⨯⨯+⨯⨯=⎪⎪⎭⎫⎝⎛++=∑∑==34.202604.784.18.029.562192.14.182.8332.10.1121100γψγγγγ弯矩计算值:M=d M 0γ=m kN •为了便于进行计算,将图(a )的实际T 形截面换成图(a —1)所示的计算截面,mm h f 120215090'=+=,其余尺寸不变。
(a —1)1)截面尺寸设计(1)因采纳焊接钢筋骨架,故设mm h mm a s 12107.030=+=,那么截面有效高度mm h 117912113000=-=。
(2)判定T 形截面类型:()m kN M m kM mmN h h h b f fffcd •>•=•⨯=⎪⎭⎫ ⎝⎛-⨯⨯⨯=⎪⎪⎭⎫ ⎝⎛-34.202690.29641090.29642120117912016008.1326'0'' 故属于第一类T 形截面。
(3)求受压区高度由公式⎪⎭⎫⎝⎛-=≤20'0x h x b f M M f cd u d γ,可取得()m m h m m x x x x x f 1208102026340026032321104:2117916008.131034.2026'26=<==+-⎪⎭⎫ ⎝⎛-⨯=⨯解方程的合适解为:整理后,可得到(4)求受拉钢筋面积s A将各已知值及x=81mm 代入式 s sd f cd A f x b f =',可取得 2'4.63872808116008.13mm f x b f A sdf cd s =⨯⨯==现选择钢筋为6Φ32+6Φ20,截面面积为67102m m 。
一、 设计目的与要求(1) 掌握钢筋混凝土简支梁正截面和斜截面承载力的计算方法 (2) 并熟悉内力包络图和材料图的绘制方法 (3) 了解并熟悉现梁的有关构造要求(4) 掌握钢筋混凝土结构施工图的表达方式和制图规定,进一步提高制图的基本技能二、 设计题目装配式钢筋混凝土简支梁设计三、 设计资料T 型截面梁的尺寸如图所示,梁体采用C 25混凝土,主筋采用HRB 400级钢筋,箍筋采用R 235级钢筋。
简支梁计算跨径L 0=24M 和均布荷载设计值=40KN/M 。
跨中截面:M dm =18×q 2b l =18×42×242=3024KN ·M m d V =0 L/4截面:M dl =332×q 2b l =332×48×202=1800KN ·M 支点截面:M d0=00d V =12q l b =504KN 四、 设计内容(1) 确定纵向受拉钢筋数量及腹筋设计。
(2) 全梁承载能力图校核。
(3) 绘制梁截面配筋图。
(4) 计算书:要求计算准确,步骤完整,内容清晰。
五、 准备基本数据由查表得:C25混凝土抗压强度设计值f cd =11.5MPa,轴心抗拉强度设计值f td =1.23MPa 。
混凝土弹性模量E c =2.80×104MPa 。
HRB 400级钢筋抗拉强度设计值f Sd =330MPa, 抗压强度设计值f 'Sd =330MPa 。
R 235级钢筋抗拉强度设计值f Sd =195MPa, 抗压强度设计值f 'Sd =195MPa 。
六、 跨中正截面钢筋设计1、 确定T 型截面梁受压翼板的有效宽度/f b由图所示的T 型截面梁受压翼板的宽度尺寸为其等效的平均厚度/f h =140802=110mm /1f b =13L 0=13×24000=8000/2f b =1580mm(相临两主梁轴线间距离) /3f b =b +2b h +12/f h =200+12×110=1520mm受压翼板的有效高度为:/f b =M in (/1f b ,/2f b ,/3f b )=1520mm ,绘制T 型梁的计算截面如图所示2、 钢筋数量计算查附表得受压高度界限系数ξb =0.56 (1) 确定截面有效高度设a s =120mm ,则h 0=h -a s =1300-120=1180mm(2)判断截面类型 f cd /fb /f h(h 0-/2f h )=11.5×1520×110×(1180-1102)=2163.15 KN <3024KN ·M 属于第Ⅱ类T 型梁截面 (3) 确定受压区高度X由公式r 0M d = f cd b x (h 0-2x )+ f cd (/f b -b)/f h (h 0-/2f h )得1.0×3024×106=11.5×200X ×(1180-2x)+11.5×(1520-200)×110×(1180-1102) 即:X 2-2360X+9960652.174=0解得X=550.45 mm <ξb h 0=0.56×1180=660.8 mm 且X>/f h =110mm(4) 求受拉钢筋面积A s 由公式f cd b x+ f cd (/f b -b)/f h =f Sd A s 得 A s =/fcd bx+ fcd ( -b)fsdf b=11.5×200×550.45+11.5×(1520-200)×110/330 =8896.47 mm 2选钢筋8⎰⎰Ò32+4⎰⎰Ò28,截面面积A s =8897 mm 2钢筋布置如图所示七、跨中正截面承载力复核由于受拉钢筋为8⎰⎰Ò32(6434 mm 2),f Sd =330Mpa ,4⎰⎰Ò28(2463 mm 2),f Sd =330Mpa ,查表得⎰⎰Ò32的外径为34.5 mm ,⎰⎰Ò28的外径为30.5 mm ,取保护层厚度为30mm ,则a s =6434×330×(30+2×34.5)+2463×330×(30+34.5×4+30.5)/6434×330+2463×330=126.5≈127 mmh 0=h -a s =1300-127=1173mm 1、判断截面类型f cd /f b /f h =11.5×1520×110=1922.8 KN ·M f Sd A s =330×8897=2936.01 KN ·M由于f cd /f b /f h <f Sd A s ,故为第Ⅱ类截面 2、求受压区高度X由公式f cd b x+ f cd (/f b -b)/f h =f Sd A s 得、X=//fsdAs- fcd ( -b)fcd bf f b h=330×8897-11.5×(1520-200)×110/11.5×200=565.53 mm <ξb h 0=0.56×1180=660.8 mm (不是超筋梁) 取X=565.53 mm3、 正截面抗弯承载力验算由公式r 0M d = f cd b x (h 0-2x)+ f cd (/f b -b)/f h (h 0-/2f h )得M d =11.5×200×565.53×(1173-565.532)+11.5×(1520-200)×110×(1173-1102)=3024.8 KN ·M >3024KN ·Mρ=s 0A bh =88972001173⨯=3.79%>min ρ=0.20%(不是少筋梁)4、 结论该梁为适筋梁,且正截面的抗弯承载力能够满足要求 八、 腹筋设计 1、 截面尺寸验算根据构造要求,梁最底层两排钢筋4⎰⎰Ò32通过支座截面,其面积为:A s =3217 mm 2>8897×20%=1779.4 mm 2支座截面有效高度h 0=h -(30+34.5)=1236mm0.51×10 -3h 0=0.51×10 -3200×1236=630.36 KN > 0d V =12q l b =504KN可知截面尺寸符合要求2、 检查是否需要根据计算配置箍筋跨中截面:0.51×10 -3×f td b h 0=0.51×10 -3×1.23×200×1173=144.28 KN 支点截面:0.51×10 -3×f td b h 0=0.51×10 -3×1.23×200×1236=152.03 KN 因为md V =0 <0.51×10 -3×f td b h 0< 0d V =12q l b =504KN ,故可在跨中的某一长度范围内按构造配置箍筋,其余区段应按照计算配置腹筋。
3、 计算分配剪力根据几何关系在剪力包络图中确定出仅按构造要求配置箍筋的区域长度为:L =144.28504×12000=3435 mm 距中心线2h处的计算剪力/d V ,由剪力包络图按照几个关系求得:/d V =0222Lh L -×0d V =1200065050412000-⨯=476.7KN 其中应由混凝土和箍筋共同承担的计算剪力为:cs V =ξb r 0/d V 取ξ=0.6,则0.6/d V =286.02KN ,应该由弯起钢筋(包括斜筋)承担的计算剪力为: (1-ξ)/d V =0.4/d V =109.68KN ,应设置弯起钢筋的区段长度为190.6812006505190504⨯+= 4、 箍筋设计采用直径为8mm 的双肢箍筋,箍筋截面面积sv A =n 1sv A =2×50.3=100.6 mm 2。
按照公式cs V=33100.4510bh αα-⨯gg 设计箍筋时,式中的纵筋配筋率ρ及截面有效高度h 0可按照支座截面和跨中截面的平均值取用,计算如下:跨中截面:8897100100 3.792001173p ρ==⨯=⨯ h 0=1173 mm支点截面:3217100100 1.302001236p ρ==⨯=⨯ h 0=1236 mm则取平均值分别为: 3.79 1.302.5452p +==01173123612052h +==mm箍筋间距v S 计算为:0v d S ==297.19 mm现取箍筋间距v S =250 mm (满足规范构造要求)在支座中心线附近h=1300mm 范围内,取箍筋的间距为100mm 确定箍筋率:ρ=sv1v n A 250.30.0020bS 200250⨯==⨯g >min sv ρ=0.18% 5、 弯起钢筋及斜筋设计设焊接钢筋骨架的架立钢筋为⎰⎰Ò22,钢筋重心至受压翼板上边缘距离a=42mm ,弯起钢筋的弯起角度为45º,弯起钢筋上方末端与架立钢筋焊接,为了得到每对弯起钢筋的分配剪力要根据各排弯起钢筋的末端点应该落在前一排弯起钢筋的弯起点的构造规定,来得到各排弯起钢筋的弯起点计算位置,根据计算规定,简支梁的第一排弯起钢筋的末端弯折点位于支座中心截面处。
由公式30.7510sin sbi sd sbi s V f A θ-=⨯可以得30.7510sin sbisbi sd sV A f θ-=⨯① 第一排弯起钢筋所承担的剪力/10.4sb d V V ==190.68KN第一排弯起钢筋所需截面面积1310.7510sin 2sbi sb sd s V A f θ-=⨯30179.20.7510280sin 45-=⨯⨯⨯=1089.5 mm 2 2⎰⎰Ò32钢筋提供截面面积为1609 mm 2>8=1089.5 mm 2第一排弯起钢筋弯起段的水平投影长度L 1=1300-(30+24+34.5/2)=1112.5 mm ② 第二排弯起钢筋所承担的2120001112.5504286.0212000sb V -=⨯-=171.26KN第二排弯起钢筋所需截面面积2sb A 30171.260.7510330sin 45-=⨯⨯⨯=978.6 mm 22⎰⎰Ò32钢筋提供截面面积为1609 mm 2>2sb A =978.6 mm 2第二排弯起钢筋弯起段的水平投影长度L 2=1112.5-34.5=1078 mm③ 第三排弯起钢承担的剪力3120001112.51078504286.0212000sb V --=⨯-=125.98KN第三排弯起钢筋所需截面面积2sb A 30125.980.7510330sin 45-=⨯⨯⨯=719.8 mm 22⎰⎰Ò28钢筋提供截面面积为1232 mm 2>3sb A =696.1 mm 2第三排弯起钢筋弯起段的水平投影长度L 3=1078-34.5=1043.5 mm④ 第四排弯起钢筋所承担的剪力4120001112.510781043.5504286.0212000sb V ---=⨯-=82.2KN第四排弯起钢筋所需截面面积4sb A 3082.20.7510330sin 45-=⨯⨯⨯=469.7 mm 22⎰⎰Ò28钢筋提供截面面积为1232 mm 2>4sb A =469.7 mm 2第四排弯起钢筋弯起段的水平投影长度L 4=1043.5-34.5=1013 mm⑤ 第五排弯起钢筋所承担的剪力5120001112.510781043.51013504286.0212000sb V ----=⨯-=39.6KN第五排弯起钢筋所需截面面积4sb A 3039.60.7510330sin 45-=⨯⨯⨯=226.3 mm2⎰⎰Ò14钢筋提供截面面积为308 mm 2>5sb A =226.3 mm 2第五排弯起钢筋弯起段的水平投影长度L 5=1013-30.5=982.5 mm 2现在根据已知主钢筋情况弯起N 1~N 5钢筋,将计算的各排弯起钢筋弯起点截面的水平投影长度L i ,距离支座中心距离X i ,分配的剪力值sbi V ,所需的弯起钢筋面积wi A 钢筋所提供的截面面积以及弯起钢筋与梁轴交点到支座中心的距离列入下表中:满足抗剪强度要求的各排弯起钢筋用量及位置计算表 弯起点 1 2 3 4 5 L i (mm )1112.5 1078 1043.5 1013982.5 距离支座中心距离(mm )1112.5 2190.5 3234 4247 5229.5分配的剪力值(KN) 190.68 171.26 125.9882.2 39.6 所需的弯起钢筋面积(mm 2)1089.5 978.6 719.8 469.7 226.3 钢筋所提供的截面面积(mm 2)1609 1609 1232 1232 308 弯起钢筋与梁轴交点到支座中心的距离(mm )5561652271237414232由上表可见,各排弯起钢筋用量均能满足抗剪强度的要求,按照计算剪力布置弯起钢筋如图所示:6、 检验各排弯起钢筋的弯起点是否符合构造要求按照同时满足梁跨间正截面和斜截面抗弯要求,确定弯起点的位置是否符合构造要求,又已知的M dm =2400KN ·M ,M d0=0按照二次抛物线202041x dm x M r M L =〈-〉绘制弯矩包络图如图所示:各梁段的抵抗弯矩M ui 可按照公式M u 01siui sA M r A =求得:弯起钢筋弯起位置复核表由上表可见,各排弯起钢筋的弯起点位置距离该排钢筋充分利用点的距离大于2,且各排弯起钢筋与梁中轴线交点均位于该排钢筋不需要点之外,能够满足《桥规》的要求。