预制构件施工方案样本
- 格式:doc
- 大小:334.50 KB
- 文档页数:37
预制构件施工方案1. 背景该施工方案旨在规范预制构件的施工过程,确保施工的顺利进行并达到设计要求。
2. 方案概述本方案将按照以下步骤进行预制构件的施工:1. 准备工作:包括施工场地清理、材料准备和施工队伍组建等。
2. 构件安装:按照设计要求,将预制构件进行正确安装,并进行必要的调整和固定。
3. 焊接和连接:对预制构件进行必要的焊接和连接,确保构件的稳固性和安全性。
4. 混凝土浇筑:根据设计要求,进行混凝土的浇筑和养护工作。
5. 检查与验收:在施工过程中进行必要的检查,确保质量和安全标准满足要求,并进行最终验收。
3. 施工流程3.1 准备工作- 清理施工场地,确保场地平整并无妨碍施工的障碍物。
- 准备所需的施工材料,包括预制构件、焊接材料、混凝土和施工工具等。
- 组建施工队伍,确保施工人员具备相应的专业知识和经验。
3.2 构件安装- 根据设计图纸和施工文件,按照正确的顺序和位置安装预制构件。
- 对构件进行必要的调整,以确保构件之间的连接和对接符合要求。
- 使用适当的固定材料和方法,将构件固定在预定位置。
3.3 焊接和连接- 对需要进行焊接的构件进行必要的准备工作,确保焊接表面无杂质和污物。
- 使用合适的焊接方法和材料,对构件进行焊接,确保焊接强度和质量。
- 对连接部位进行必要的测试和检查,确保连接稳固可靠。
3.4 混凝土浇筑- 根据设计要求,进行混凝土的配制和搅拌工作。
- 将混凝土倒入预先安装好的模具中,确保填充均匀且没有空隙。
- 进行必要的振动和养护工作,以确保混凝土的密实性和强度。
3.5 检查与验收- 在施工过程中进行必要的检查,包括构件安装质量、焊接质量等。
- 对已完成的工程进行最终验收,确保其符合设计要求和相关标准。
4. 安全措施在施工过程中,应采取以下安全措施:- 施工现场应设置明显的安全警示标志,避免人员误入施工区域。
- 施工人员应佩戴符合要求的安全防护用具,如安全帽、防护眼镜等。
- 施工过程中应严格遵守操作规程,确保施工的安全性和质量。
预制构件施工方案一、编制根据1、《xxx有限企业码头工程施工图》;2、《xxx有限企业码头工程施工组织设计》;3、《水运工程质量检查原则》JTS257-2023、《水运工程混凝土施工规范》JTJ202-2023。
二、工程概况本工程码头平台长300m,宽18m,共分4段,每段长度75m。
码头构造型式为高桩梁板式构造,平台共32个排架,排架间距10m(每伸缩缝两侧排架间距5m)。
本工程预制构件除预应力轨道梁我司松门预制厂预制外,其他预制构件均在施工现场临时预制场预制。
本工程现场预制构件包括码头平台预制纵梁、面板、靠船构件和水平撑。
重要施工图:(1)水工09-01~07(预制纵梁构造图);(2)水工10-01~04(预制轨道梁构造图);(3)水工11-01~05(预制面板构造图);(4)水工13-01~02(预制靠船构件及水平撑构造图)。
重要工程量:主要工程量表1、施工管理人员项目经理:项目总工:安全员:质检员:施工员:材料员:2、施工班组班长:工人:20名四、重要设备表五、重要材料进场计划本工程材料由企业物资部门采购,原则上保证不因材料衔接不上而窝工、停工。
同步,为保证工程旳零星材料供应,配置一辆皮卡车,采购专用。
六、进度计划本工程预制构件计划于2023年03月18日开始。
构件预制分4段计划,每段长度75m。
第一段为25~32排架,第二段为17~24排架,第三段为9~16排架,第四段为1~8排架。
预制频率:纵梁4根/3天、靠船构件2件/1天、面板4块/1天、轨道梁4根/3天、水平撑2根/1天。
七、预制构件施工技术管理与工艺措施(一)预制纵梁码头纵梁包括中纵梁和前后边梁,预制纵梁数量共112件,砼共1160方。
1、工艺流程:施工备料铺底膜绑扎装设钢筋骨架安装侧模(预留孔、预埋件)浇筑砼养护(堆放)2、底胎模预制场地采用回填块石,用12t压路机进行压实后进行场地平整,在进行铺设钢构造底胎模。
3、钢筋绑扎在绑扎钢筋前,对钢筋进场必须检查,经查验产品合格证等质量保证文献后,取样试验合格后方可使用。
中交第二航务工程局有限公司码头预制构件施工方案编制人:编制日期:审查人: 审核日期:一、工程概况1.1、主要结构尺寸及规模本工程建设规模:建设3个50000DWT泊位(结构按靠泊70000DWT散货船设计),其中散货泊位两个、通用泊位一个。
工程年吞吐量1803万吨,其中粉煤灰进口37万吨、熟料进口976万吨、熟料出口450万吨、水泥出口340万吨(其中袋装40万吨)。
码头平台平面尺度长828m,宽24m,采用高桩梁板结构。
1#引桥平面尺度长222。
655m,宽8m;2#引桥平面尺度长248.787m,宽8m;3#引桥平面尺度长259.951m,宽8m.引桥均为排架式梁板结构。
本工程共有预制构件:预制靠船构件112件;预制水平撑74件;预制系靠船梁36件;预制纵梁、边梁584件;预制轨道梁272件;预制实心板1498件;预制引桥空心板195件。
1。
2、预制构件主要工程数量主要预制构件一览表1中交第二航务工程局有限公司21.3、工期安排根据总体进度计划安排,预制构件完成起始日期:2010年12月22日至2011年8月10日。
二、构件预制方案2。
1、预制场地选择现场布置临时预制厂,除先张预应力轨道梁在附近固定预制厂预制外,其余梁板、水平撑等码头上部构件均在现场预制。
2。
2、预制场平面布置现场布置临时预制厂占地总面积约15000m 2,设置固定台座,构件转存,预制场地在施工前,首先对原地面进行整平、碾压,场地布置时注意临时排水。
具体见“施工平面布置示意图”.2.3、预制胎座施工制梁台座每个按占地4m ×9m 布置,主要考虑了最高的构件纵梁的制作要求.本节就纵梁的台座作简要叙述,其他纵向梁系的台座类同。
纵梁台座底设20cm 碎石垫层,已扩散地基应力。
纵梁重量按每根18t 考虑,经台座和碎石垫层扩散后,地基应力不超过3t/m2.纵梁底座呈“凸”字形,目的是在台阶处搁置和紧固侧模板,台阶下与侧模板的立带对应位置留置方孔,以便侧模板底部的3.1、主要工艺流程3.2、钢筋制作(1)钢筋进场后不得直接搁置于地面,必须用枕木或红砖砌成2条以上的条形墩台,并进行草袋遮盖.所有原材料及加工的半成品将搁置于墩台上,钢筋搁置架空高度不少于30cm,防止钢筋锈蚀.(2)凡有油垢及沾污的钢筋不得用于该工程项目中.(3)所有原材料进场后及焊接钢筋按规格要求批量进行送检,凡不合格的一律严禁使用于该工程项目中。
预制构件生产施工方案一、工程概况本工程为_____项目,位于_____,总建筑面积为_____平方米。
预制构件主要包括预制墙板、预制楼梯、预制阳台板等。
二、编制依据1、相关设计图纸和技术文件。
2、国家和地方现行的施工规范、标准和规程。
3、类似工程的施工经验。
三、施工准备1、技术准备(1)熟悉施工图纸,进行图纸会审,编制施工方案和技术交底。
(2)确定预制构件的生产工艺和质量标准。
2、材料准备(1)根据预制构件的类型和数量,准备相应的原材料,如钢筋、混凝土、预埋件等。
(2)原材料应符合国家和地方相关标准的要求,并进行检验和复试。
3、场地准备(1)建设预制构件生产场地,包括生产车间、堆场、养护区等。
(2)场地应平整、坚实,排水良好,并满足预制构件生产和运输的要求。
4、设备准备(1)配备预制构件生产所需的设备,如模具、起重机、搅拌站、运输车辆等。
(2)设备应进行调试和检验,确保其性能良好,运行正常。
5、人员准备(1)组织施工人员进行培训,使其熟悉预制构件的生产工艺和操作要求。
(2)配备足够的技术人员、管理人员和操作人员。
四、预制构件生产工艺1、模具制作与安装(1)根据预制构件的尺寸和形状,制作相应的模具。
模具应具有足够的强度、刚度和精度。
(2)模具安装前应进行清理和涂刷脱模剂,安装后应进行检查和调整,确保其尺寸和位置准确。
2、钢筋加工与安装(1)钢筋应根据设计要求进行加工,包括调直、切断、弯曲等。
(2)钢筋安装应位置准确,绑扎牢固,间距均匀,并符合设计和规范要求。
3、预埋件安装(1)预埋件应根据设计要求进行加工和制作。
(2)预埋件安装应位置准确,固定牢固,不得遗漏。
4、混凝土浇筑(1)混凝土应采用商品混凝土,其配合比应根据设计要求和原材料性能进行试验确定。
(2)混凝土浇筑前应检查模具、钢筋和预埋件等,确保其符合要求。
(3)混凝土浇筑应分层进行,振捣密实,不得出现漏振、过振和离析现象。
5、养护(1)混凝土浇筑后应及时进行养护,养护方式可采用自然养护或蒸汽养护。
预制构件施工方案一、工程概况本工程为_____项目,位于_____,总建筑面积为_____平方米。
结构形式为_____,预制构件主要包括预制柱、预制梁、预制墙板等。
二、施工准备1、技术准备(1)熟悉施工图纸,进行图纸会审,明确预制构件的规格、型号、数量及安装位置等。
(2)编制预制构件施工专项方案,对施工人员进行技术交底。
2、材料准备(1)根据施工进度计划,提前预订预制构件,确保构件按时进场。
(2)对进场的预制构件进行验收,检查构件的外观质量、尺寸偏差、预留孔洞及预埋件位置等是否符合设计要求。
3、现场准备(1)清理施工现场,保证运输道路畅通。
(2)设置预制构件堆放场地,场地应平整坚实,并做好排水措施。
(3)安装塔吊等垂直运输设备,确保其性能满足施工要求。
三、预制构件运输与堆放1、运输(1)选择合适的运输车辆和运输路线,确保预制构件在运输过程中不受损坏。
(2)对预制构件进行固定和防护,防止构件在运输过程中发生移动和碰撞。
2、堆放(1)按照预制构件的类型、规格、型号分别堆放,堆放高度不宜超过两层。
(2)在预制构件下方设置垫块,垫块应平整且位置准确,保证构件堆放平稳。
四、预制构件安装1、预制柱安装(1)安装前,在柱底设置调节螺母,调整柱底标高。
(2)利用塔吊将预制柱吊运至安装位置,缓慢下落,通过定位控制线进行初步定位。
(3)使用千斤顶和撬棍等工具对预制柱进行精确调整,确保柱的垂直度和轴线位置符合要求。
(4)安装完成后,及时进行柱底灌浆。
2、预制梁安装(1)在预制梁两端设置支撑点,保证梁的稳定性。
(2)吊运预制梁至安装位置,对准柱顶预留的钢筋,缓慢下落。
(3)检查预制梁的位置和标高,如有偏差,进行调整。
(4)采用焊接或螺栓连接的方式将预制梁与预制柱连接牢固。
3、预制墙板安装(1)在墙板底部设置坐浆层,厚度一般为 20mm。
(2)利用塔吊将预制墙板吊运至安装位置,按照控制线进行就位。
(3)使用斜支撑对预制墙板进行固定和调整,确保墙板的垂直度和平整度。
混凝土预制构件施工方案一、项目概况该项目是一座新建的工业建筑,需要使用混凝土预制构件进行施工。
混凝土预制构件是一种现浇混凝土在工厂预制成构件,然后运输到现场进行安装的施工方式,具有施工周期短、质量可控、施工工序少等优点。
二、施工准备1.确定施工队伍及负责人员,制定施工计划。
2.配置所需的施工机械设备,如卸料站、预制板搬运车、起重设备等。
3.采购所需的材料,包括混凝土、钢筋等。
4.确定施工现场,清理现场并进行平整处理。
5.依据设计图纸及相关规范,制定混凝土的配合比。
三、施工过程1.预制板运输与搬运:将预制板运输到现场,使用卸料站将预制板卸下,然后使用起重设备将板材吊装到安装位置。
2.钢筋制作与安装:根据设计图纸,对所需的钢筋进行切割、焊接、绑扎等处理,然后将钢筋安装到预制板上,以增加构件的强度和稳定性。
3.混凝土浇筑:在预制板安装好钢筋后,将混凝土倒入模板内进行浇筑,并使用振动棒进行振捣,以确保混凝土的密实度和均匀性。
4.固化与养护:混凝土浇筑完成后,进行固化与养护,保持适宜的湿度和温度,以确保混凝土的强度和耐久性。
5.构件拼装与固定:待混凝土固化养护完成后,将新制作的构件与已安装好的构件进行拼装,并使用螺栓、焊接等方式进行固定。
6.验收与检测:对已安装好的预制构件进行验收与检测,确保质量符合设计要求和相关规范。
四、安全措施1.施工人员需穿戴合适的安全装备,并接受必要的安全培训。
2.确保施工现场的安全环境,进行周边防护,设置合适的警示标志。
3.确保起重设备的安全使用,检查设备的工作状况和使用限制,并定期进行维护保养。
4.严格遵守施工工艺,确保混凝土的浇筑和养护过程中不发生安全事故。
五、质量管理1.严格按照配合比进行混凝土的浇筑,确保混凝土的强度和均匀性。
2.钢筋的制作和安装要符合相关规范,确保构件的稳定性和承载能力。
3.使用相关设备进行验收与检测,如超声波测厚仪、钢筋探伤仪等,确保构件的质量符合设计要求。
一、工程概况1.1 工程简介本工程为某住宅小区项目,总建筑面积约为20万平方米,包含多层住宅、商业配套等建筑。
项目采用装配式建筑技术,预制构件种类包括外墙板、内墙板、叠合板、阳台、空调板、楼梯、预制梁、预制柱等。
1.2 项目概况项目共分为四个施工阶段,分别为基础施工、主体结构施工、装饰装修施工和室外工程。
预制构件安装施工阶段为第二阶段,主体结构施工完成后进行。
二、施工重点、难点与应对措施2.1 施工重点(1)确保预制构件的吊装、运输、堆放过程中的安全;(2)保证预制构件的安装质量,满足设计要求;(3)提高施工效率,缩短工期。
2.2 施工难点(1)预制构件种类繁多,施工难度大;(2)现场施工环境复杂,施工空间有限;(3)施工周期短,需合理安排施工顺序。
2.3 应对措施(1)加强施工人员的安全培训,提高安全意识;(2)采用合理的吊装、运输、堆放方案,确保安全;(3)严格控制预制构件的质量,加强检验;(4)优化施工顺序,提高施工效率。
三、施工计划3.1 施工准备(1)编制详细的施工方案,明确施工工艺、质量要求、安全措施等;(2)组织施工人员进行技术交底,确保施工人员了解施工要求;(3)准备施工所需材料、设备、工具等。
3.2 施工流程(1)测量放线:根据设计图纸,进行楼层弹线、测量水平标高;(2)预制构件吊装:按照吊装顺序,进行外墙板、内墙板、叠合板等构件的吊装;(3)构件校正:对吊装完毕的构件进行校正,确保垂直度、水平度等符合要求;(4)构件连接:按照设计要求,进行构件连接,确保连接牢固;(5)检验验收:对安装完成的构件进行检验验收,确保质量合格。
四、施工技术措施4.1 吊装技术(1)根据预制构件的重量、尺寸等因素,选择合适的吊装设备;(2)吊装前,对吊装设备进行检查,确保设备安全可靠;(3)吊装过程中,确保构件平稳,避免碰撞、变形。
4.2 连接技术(1)按照设计要求,选择合适的连接方式,如螺栓连接、焊接等;(2)连接过程中,确保连接牢固、均匀,避免松动、变形。
装配式建筑预制构件吊装专项施工方案编制:审核:审批:目录一、工程概况 (2)二、编制依据 (2)三、施工重点难点 (2)四、吊装部署 (3)第一节总体作业流程 (3)第二节吊车选型 (4)第三节施工段划分及吊装安排 (5)五、预制构件安装方法 (6)第一节预制框架柱安装 (6)第二节预制墙板安装 (7)第三节预制叠合梁安装 (8)预制叠合板安装 (9)六、预制构件安装施工质量标准及控制措施 (10)七、成品保护措施 (11)出厂保护 (11)现场堆放 (11)八、安全文明施工及环境保护 (12)安全措施 (12)环保措施 (13)一、工程概况预制装配技术拟采用如下:1)预制框架柱2)预制叠合梁3)预制叠合楼板4)预制外墙板5) 预制挑板、斜板、女儿墙预制柱、预制外墙板竖向连接采用灌浆套筒,墙板与叠合板、叠合梁与叠合板连接采用现浇连接;以上预制构件均在构件厂预制完成,运至现场吊装、拼接,混凝土结构部分现场浇筑连接节点及叠合层形成等同于现浇结构的受力体系。
质量要求:符合国家现行相关验收标准,验收合格。
二、编制依据1、装配式别墅工程施工招标文件及工程量清单。
2、本工程施工图。
3、建设单位提供的其他工程有关资料及现场实地踏勘情况。
4、我公司近年来施工的类似工程的经验。
5、我公司机械、人员、技术的情况和资源的调配能力。
6、国家和行业现行施工规范及验收规范、技术规程、标准以及成都市关于建筑施工管理的有关规定。
(1)、工业化建筑评价标准(GB/T51129-2015)(2)、装配式混凝土结构技术规程(JGJ1-2014);(3)、混凝土结构工程施工质量验收规范(GB50204-2015);三、施工重点难点1、甲方提供的施工场地狭窄,且建筑物靠里一侧场地为回填土,只有靠高层住宅楼一侧可作为吊装场地,变相增加了构件吊装吊车的作业半径,给构件吊装带来了较大难度。
在吊车选型时考虑加大作业半径解决该问题2、在吊装时应重点注意构件在安装过程中因不合理受力造成损伤、破坏或高空滑落,吊装过程严格遵守施工安全规定,安全员必须现场监督。
预制构件工程方案1. 项目概况本项目位于XX市,是一座多功能商业综合体的建设工程,总建筑面积约为XX万平方米,包括商业综合体、写字楼、酒店等多个功能区。
为了提高施工效率和质量,减少对施工现场的影响,本项目计划采用预制构件进行施工。
2. 预制构件选择在本项目中,计划采用预制柱、梁、板等构件,以及预制混凝土外墙板和内隔墙板。
预制构件品种多样,可以满足不同部位的需求,并且具有优良的抗震性能和耐久性,能够满足商业综合体的使用要求。
3. 设计和制造在设计阶段,需要对预制构件的尺寸、强度、防火性能等进行详细的设计和计算,以确保其满足建筑设计要求和相关法规标准。
在制造阶段,需要选择具有资质和经验的预制构件生产厂家,进行质量监控和检测,保证预制构件的质量。
4. 运输和安装预制构件在制造完成后,需要进行运输和安装。
由于预制构件具有较大的尺寸和重量,运输和安装过程中需要特别注意安全。
可以采用专业的运输公司和施工队伍,利用起重设备和安全保护措施,保证预制构件的安全运输和安装。
5. 施工过程在施工过程中,需要对预制构件的连接和固定进行认真的施工,以确保构件之间的连接牢固、密封性好。
同时,需要对预制构件的表面进行保护和装饰,保证其外观质量和使用寿命。
6. 施工环境在施工现场,需要为预制构件的运输、安装和施工提供合适的施工环境。
需要采取防尘、防水、防冻等措施,确保施工现场的卫生和安全。
7. 施工进度和质量控制在施工过程中,需要对施工进度和质量进行严格管控。
需要明确施工计划和施工任务,进行进度跟踪和控制,确保施工按时完成。
同时,需要进行质量监控和检测,确保预制构件的质量。
8. 安全和环保在施工过程中,需要特别注意安全和环保。
需要采取安全防护措施,预防施工事故的发生。
同时,需要合理利用资源,减少施工对环境的影响,达到安全、环保的施工目标。
综上所述,预制构件工程方案包括选材及制造、运输安装、施工环境、进度和质量控制、安全和环保方案等多个方面。
1 场建施工方法场建施工需满足标准化构件预制的功能性要求。
小型构件预制生产流程一般为钢筋加工→模板安装→混凝土浇筑→养护脱模→成品堆放→出厂验收六大环节。
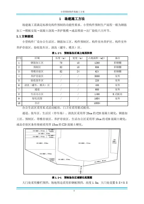
1.1方案综述小型构件厂设办公生活区、钢筋加工区、构件预制区、构件室内养护区、构件室外养护存放区、验收装车区、清洗(罐车、模具)区。
表1.1-1 预制场各区域占地面积表序号区域长度(m)宽度(m)占地面积(m2)备注1 钢筋加工区70 18 1260 彩钢棚2 预制区52 18 936 彩钢棚3 带模存放区52 24 624 彩钢棚4 养护存放区/ / 3000 室外5 验收装车区/ / 220 室外6 清洗(罐车、模具)区/ / 400 室外7 通道/ / 950 室外8 生活办公区/ / 1490 K式板房9 绿化范围/ / 1654室外10 合计10534办公生活区采用K式活动板房,门卫室采用箱式板房。
通道、装车区、生活区(停车场)、清洗区采用厚20cm的C20混凝土硬化;钢筋加工区、预制区、带模存放区、养护存放区、生活办公区采用厚10cm的C20混凝土硬化;成品存放区条形基础采用厚15cm的C20混凝土硬化。
表1.1-1 预制场各区域硬化范围图大门处采用栅栏围挡,场地周边采用彩钢板围挡,高度1.8m;大门处设置0.8×0.8×2.2m砖砌立柱,主门设置12m长自动伸缩门,预制场门设置8m栏杆自动门。
彩钢棚全覆盖钢筋加工区、预制区、带模存放区,棚高6m,立柱间距6m;场内主通道宽度6m,场外通道宽度4m。
场外设置一处800KVA箱变变压器及一级配电箱,地埋电缆,将二级配电箱设置到预制场钢筋加工场内,场内动力线路沿场区道路布线,生活区、钢筋加工区、小型预制构件浇筑区,小型预制构件存放区各配置一个三级配电箱。
所有动力设备安装可靠的接地保护和防雷击措施,做到“一机、一箱、一闸、一漏”。
线路布置、配电盘设置均符合安全要求,并达到安全文明施工工地的标准。
预制构件施工方案
预制构件施工方案是指基于预制构件的施工方法和步骤的安排。
以下是一个示例的预
制构件施工方案:
1. 设计阶段:根据建筑设计方案,确定预制构件的种类、尺寸、数量等,编制预制构
件的加工图纸。
2. 加工阶段:将设计图纸交给预制构件生产厂家进行加工制造。
预制构件可以在工厂
内进行加工,包括混凝土搅拌、模具制作、浇筑、养护等。
3. 运输阶段:将加工好的预制构件运输到施工现场。
运输方式可以选择卡车、船舶等。
在运输过程中,需保证预制构件的安全,并采取防止碰撞、挤压等措施。
4. 安装阶段:在施工现场,进行预制构件的安装工作。
根据设计图纸,先进行基础的
准备工作,比如清理基础、勘测等。
然后根据安装顺序,将预制构件逐一安装。
5. 连接与固定:在预制构件的安装过程中,需要进行构件之间的连接和固定。
通常使
用螺栓、焊接、型钢连接等方式进行连接,使用螺栓、胶合剂、混凝土灌浆等方式进
行固定。
6. 外部处理:安装完成后,对预制构件进行外部处理。
比如修整构件表面平整、清理
施工现场垃圾等。
7. 检验和验收:在施工完成后,进行预制构件的检验和验收。
包括检查构件的精确度、形状尺寸是否符合要求,以及连接和固定是否牢固等。
8. 后续工作:施工完成后,进行后续的工程验收和维护工作。
根据需要,进行防水、
防火、保温等处理。
以上是一个示例的预制构件施工方案,具体的方案会根据实际情况进行调整和修改。
PC预制构件施工方案一、项目概述PC预制构件(Prefabricated Concrete,以下简称PC)是指在工地或者工厂预先制作好的具有一定标准尺寸和形状的混凝土构件,应用于建筑施工中。
相比传统的现场浇筑,PC具有质量可控、施工周期短、成本控制好等优势,逐渐被广泛应用于各类建筑项目中。
二、施工要求1.基地准备:PC施工前需要对施工基地进行准备和清理,确保基地平整、无障碍物和碎石等,以保证后续施工的顺利进行。
2.材料准备:PC施工需要提前准备好各类相关材料,包括混凝土、脱模剂、钢筋、土工材料等。
3.工具设备:施工过程中需要准备一些常用的施工工具和设备,如起重机、塔吊、自卸车、挖掘机等,以保证施工效率。
4.现场安全:施工过程中需要统一安排专人负责安全管理工作,严格遵守相关安全操作规程,保证施工人员的人身安全。
三、施工步骤1.基础施工:首先对施工基础进行施工,包括地基的处理、基础的浇筑和养护等工序,保证基础的稳定和强度。
2.PC构件制作:根据设计图纸和要求,将预制工厂制作好的PC构件运送到施工现场。
在装配PC构件前需按照要求进行检查和验收,确保其质量符合标准。
3.PC构件吊装:使用起重机将PC构件吊装到指定位置,按照设计要求调整好构件位置和水平度,然后使用临时支撑进行支撑固定。
4.PC构件连接:对于需要连接的构件,需在构件上打孔或者安装连接件,然后进行焊接或者螺栓连接。
5.PC构件加固:对于大型或者承受特殊荷载的构件,需进行加固处理,包括加装钢筋、注浆等工序,以增强其受力能力。
6.现浇混凝土:对于需要做现浇的部分,如柱子、墙体等,需在PC 构件上加固预埋钢筋,并进行现浇混凝土工艺,同时做好养护工作。
7.PC构件管理:施工过程中需对每个PC构件进行记录和管理,包括编号、测量尺寸、质量检查等,以确保施工质量和可追溯性。
四、施工注意事项1.PC构件起吊时需严格控制起吊点的位置和吊装时机,以避免构件失稳和损坏。
预制结构施工专项方案
1. 项目概述
本项目旨在建造一座五层钢筋混凝土预制结构体系的建筑,总
建筑面积约为5000平方米。
2. 施工方案
2.1 预制构件生产
本项目采用工厂化生产预制构件的方式,以提高施工效率和质量。
预制构件包括梁、柱、板等,其生产应符合国家相关标准要求。
2.2 运输与安装
预制构件运输至施工现场后,应在安全、平整的场地上存放。
安装时应按设计要求进行拼装,并进行固定、检查,确保构件连接
牢固、尺寸精准。
2.3 吊装
钢筋混凝土预制构件具有重量轻、尺寸精准等特点,应采用吊
装设备进行安装。
在吊装前应进行验收,确保质量符合要求。
2.4 其他工序
对于需要考虑的其他工序,包括但不限于防水处理、电气管线
安装等,应按照相关要求进行施工。
3. 安全与质量控制
3.1 安全控制
施工过程中,应严格按照有关法律法规和安全规范执行,加强
对工人的安全培训及现场管理,确保施工安全。
3.2 质量控制
生产预制构件应符合国家强制性标准、行业标准和企业标准。
在安装过程中,应经过相关部门审查并严格按照设计要求进行施工,确保施工质量。
4. 项目进度
预计本项目施工总工期为120天,具体施工计划将根据实际情
况确定并及时调整。
5. 环保要求
施工过程中,应按照国家要求进行环保治理,重点做好废水、废气等污染排放的治理工作。
6. 总结
本专项方案是本项目施工的基础和保障。
在执行地过程中,如遇特殊情况,请及时向相关部门申请。
同时也要加强现场管理,确保工人的安全和施工质量。
预制构件施工方案预制构件施工方案一、施工方案目标本方案的目标是在确保施工质量和安全的前提下,合理高效地完成预制构件的施工工作。
二、施工准备1. 确认预制构件的尺寸、数量和质量要求,并对构件进行验收。
2. 准备好施工所需要的机械设备和工具,如吊车、龙门吊、塔吊、搅拌车、钢筋剪切机等,并进行设备的检查和维护。
3. 管理好施工人员,确保他们具备相应的施工技能和安全意识,并进行安全培训。
4. 制定详细的施工方案和进度计划,并与相关单位进行沟通和协调。
三、施工步骤1. 施工前的准备工作。
(1) 根据施工图纸和设计要求进行放线工作,确认构件的安装位置和高程。
(2) 对基础进行清理和修整,确保基础的平整度和强度。
(3) 搭设施工脚手架和安全网,保证施工过程中的人员安全。
2. 钢筋的加工和安装。
(1) 根据施工图纸和钢筋加工图,对钢筋进行切割、弯曲和焊接等加工工序。
(2) 按照设计要求和构件的安装位置,将钢筋进行定位和焊接。
(3) 对焊接的钢筋进行检查,确保其质量和安全性。
3. 预制构件的安装。
(1) 利用机械设备将构件吊装到安装位置,并进行调整和定位。
(2) 采用螺栓和焊接等方式,将构件与基础或其他构件进行连接。
4. 预制构件的质量检查和验收。
(1) 对安装好的构件进行视觉检查,确保其外观和尺寸的符合要求。
(2) 进行负荷试验,测试构件的承载能力和稳定性。
(3) 进行非破坏性检测,如超声波检测、X射线检测等,检验构件的质量和安全性。
四、安全措施1. 严格遵守安全操作规程,加强安全教育和培训。
2. 提供必要的安全防护装备,如安全帽、防护眼镜、安全带等。
3. 对施工现场进行临时封闭和围挡,防止人员和设备进入施工区域。
4. 定期检查和维护施工设备,确保其正常运行。
五、施工总结本方案通过合理的施工方法和措施,能够保证预制构件的施工质量和安全。
同时,方案中也强调了对施工人员和设备的合理管理和使用,提高了施工效率和施工的安全性。
预制构件生产施工方案一、工程概述本工程为具体工程名称,位于工程地点,总建筑面积为具体面积平方米。
预制构件的生产与施工是本工程的重要组成部分,包括预制柱、预制梁、预制墙板等。
二、预制构件生产计划(一)生产流程1、模具准备根据预制构件的尺寸和形状,制作高精度的模具。
模具应具备足够的强度和刚度,确保多次使用不变形。
2、钢筋加工与绑扎对钢筋进行下料、弯曲、焊接等加工,按照设计要求在模具内进行绑扎,保证钢筋位置准确。
3、混凝土浇筑采用优质的混凝土原材料,严格控制配合比。
浇筑过程中应振捣密实,避免出现蜂窝、麻面等质量缺陷。
4、养护采用蒸汽养护或自然养护的方式,确保混凝土强度达到设计要求。
(二)生产进度安排根据工程总体进度计划,合理安排预制构件的生产顺序和时间。
制定详细的生产进度表,明确每个构件的生产开始时间和完成时间,并严格按照进度表执行。
(三)质量控制1、原材料检验对钢筋、水泥、砂石等原材料进行严格检验,确保质量符合国家标准和设计要求。
2、生产过程检验在模具安装、钢筋绑扎、混凝土浇筑等关键环节进行过程检验,及时发现和解决问题。
3、成品检验对预制构件进行外观检查、尺寸测量、强度试验等,确保成品质量合格。
三、预制构件运输方案(一)运输车辆选择根据预制构件的尺寸、重量和运输距离,选择合适的运输车辆。
一般采用平板拖车或专用运输车辆。
(二)运输路线规划提前勘察运输路线,选择道路状况良好、交通顺畅的路线。
避开限高、限宽等路段,确保运输安全。
(三)运输固定措施在运输车辆上设置专用的固定装置,将预制构件牢固固定,防止在运输过程中发生位移和损坏。
(四)运输注意事项运输过程中应保持平稳行驶,避免急刹车和急转弯。
遇到恶劣天气应采取相应的防护措施,如遮盖防雨布等。
四、预制构件现场施工方案(一)施工准备1、场地准备清理施工现场,平整场地,确保施工道路畅通。
2、构件存放预制构件运至现场后,应按照规格、型号分类存放,设置标识牌,并采取相应的防护措施。
预制构件施工方案一、预制PC墙板施工方案(-)工艺流程预制墙板安装准备一预制墙板吊装→预制墙板快速定位→ 预制墙板斜支撑安装→预制墙板精调一固定角码安装一结构混凝土浇筑一打胶(二)预制墙板安装前准备L预制墙板钢筋定位本工程外墙采用预制外墙。
定位钢筋的准确性直接影响预制墙板吊装的速度及预制墙板施工的安全性。
1)定位钢筋加工必须严格按照设计要进行加工,为保证预制墙体定位插筋位置准确、预制墙体吊装时能够更快插入柱体中。
2)在已经绑扎的墙体上初步确定预制墙体钢筋位置,保证预制墙体定位钢筋位置大概准确;3)根据预制墙体的钢筋初步定位线,将预制墙体定位筋进行初步固定;4)在预制墙体固定后,必须报工程部主管责任师、质量部及技术部,待三部门相关人员验收合格签字后方可进行墙体混凝土浇筑安装;5)在顶板钢筋绑扎完毕后,再次校正预制墙体插筋的位置,保证钢筋位置准确;2、斜支撑埋件施工(1)预制墙板支撑体系中,要求在楼层板现浇面层上,根据预埋螺栓定位图进行定位,并弹线标出,要求预埋螺栓定位必须准确。
PC预留螺栓孔,结构可以采用预埋钢筋拉环一次性使用。
三、预制墙板吊装L墙板吊装采用模数化吊装梁,根据预制墙板的吊环位置采用合理的起吊点,用卸扣将钢丝绳与外墙板的预留吊环连接,起吊至距地500mm ,检查构件外观质量及吊环连接无误后方可继续起吊。
2、预制墙板吊装时,要求塔吊缓慢起吊,吊至作业层上方600mm左右时,施工人员用两根溜绳用搭钩钩住,用溜绳将板拉住, 缓缓下降墙板。
(四)预制墙板斜支撑安装用螺栓将预制墙板的斜支撑杆安装在预制墙板及现浇板上的螺栓连接件或钢筋拉环上,进行初调,保证墙板的大致竖直。
在预制墙板初步就位后,利用固定可调节斜支撑螺栓杆进行临时固定。
(五)墙板快速就位后,进行墙板精确调节L 吊装完成后将斜支撑安装在墙板楼面上,斜支撑长螺杆长2387mm x 短螺杆长955mm ,可调节长度为± 100mm。
预制构件装配施工方案概述预制构件是指在工厂生产的预先加工好的建筑构件,主要包括钢结构、混凝土预制构件、砌块预制构件等等。
预制构件在施工中具有安全、快捷、高效、节能等诸多优势,因此被广泛应用于各种建筑工程中。
本文将从预制构件装配施工方案的角度,介绍预制构件的施工方法、注意事项以及质量控制等方面的内容。
预制构件施工方法预制构件的施工通常包括以下步骤:1.运输和装卸2.预制构件的就位和对齐3.预制构件的接缝处处理4.预制构件的固定与连接运输和装卸预制构件的运输和装卸是预制构件施工的第一步。
在运输过程中,预制构件需要与运输车辆进行固定,防止在运输过程中发生滑移或倾倒的情况。
在装卸过程中,应根据预制构件的尺寸、重量和特性选择相应的装卸设备,如龙门吊、吊车等,同时注意对预制构件进行防护,避免在装卸过程中受损。
就位和对齐预制构件在施工现场就位时,应先采用特定的校准器具对构件进行检查和调整,使其精准地就位于预定位置。
在就位后,应根据设计要求精确对齐预制构件,避免引起其他构件的偏移或失稳。
接缝处处理预制构件在施工中的接缝处应采用恰当的连接方法,如螺栓连接或焊接等,同时需要进行充分的预处理,包括除锈、清洁和防腐等工作。
在接缝处理过程中,应严格控制接缝处的精度和密封性,避免出现渗漏或裂缝等问题。
固定与连接预制构件的固定与连接是预制构件施工的最后一步,主要包括与其他构件的连接和加固。
在进行固定与连接时,应根据预制构件的材质、尺寸和设计要求,选择合适的连接方法和连接件,同时保证连接件具有足够的强度和稳定性,确保预制构件在使用中的稳定性和安全性。
注意事项预制构件装配施工需要注意以下事项:•合理分配施工节点,避免因施工节点的不同步,产生施工困难和质量问题。
•细致认真做好施工方案和技术标准的制定,避免出现失误或纰漏。
•对施工现场和设备进行充分检查和维护,预防事故和质量问题。
•严格执行施工中质量控制标准,确保预制构件装配质量符合设计要求和技术规范。
预制构件施工专项方案二〇一六年九月
编制: 审核: 审批:
一、工程概况
码头工作平台1座( 58m*20m) , 共7个排架, 排架间距9m, 基桩采用φ1400mm全直灌注( 嵌岩) 桩, 排架间距9.0m。
上部包含现浇横梁、预制纵梁、叠合面板、预制靠船构件等结构。
系缆墩( 8.5m*8.5m) , 采用高桩墩式结构, 基桩采用4根φ1400mm全直桩嵌岩桩, 上部为现浇墩台。
引桥1座( 399.756m*9m) , 采用高桩墩式结构, 标准跨度25m。
基桩采用φ1200mm全直灌注( 嵌岩) 桩, 。
上部为现浇墩台、预制预应力空心板、叠合面板等结构。
本项目预制构件分为两块进行, 非预应力预制构件计划在现场进行预制, 预应力构件委托具有资质的专业预制厂家进行制作。
非预应力构件工程量: 预制纵梁34件, 预制靠船构件7件, 预制面板48件, 预制水平撑6件等, 混凝土约600方, 钢筋约70吨。
本工程现场预制构件包括码头平台预制纵梁、面板、靠船构件和水平撑。
预应力构件工程量: 空心板共135件, 混凝土约2200方。
主要施工图:
主要工程量:
主要工程量表
二、编制依据
1、《工程施工图》;
2、《工程施工组织设计》;
3、《水运工程质量检验标准》JTS257- ,
《水运工程混凝土施工规范》JTJ202- 。
三、施工场地安排
我方根据实际情况对场地进行布置, 预制场地尺寸长70m, 宽25m, 靠近现有公路布设大门( 10m宽) , 其中配备休息室( 3m*6m) 一个, 预制构件浇筑场地( 500㎡) ,临时加工区( 236㎡) 一个, 场内布设道路,主路8米宽, 堆载区中间预留10米宽道路用来供施工机械使用, 堆载区600㎡, 满足生产所需场地要求。
其中浇筑区采用100mmC30素砼铺设, 并磨光处理, 满足预制施工要求。
预制场地布设详图见附件。
四、施工人员安排
1、管理组织机构
2、施工班组
班组长: 工人: 20名
五、主要设备表。